CN201670248U - Joist of process steering frame and novel process steering frame - Google Patents
Joist of process steering frame and novel process steering frame Download PDFInfo
- Publication number
- CN201670248U CN201670248U CN2010201177063U CN201020117706U CN201670248U CN 201670248 U CN201670248 U CN 201670248U CN 2010201177063 U CN2010201177063 U CN 2010201177063U CN 201020117706 U CN201020117706 U CN 201020117706U CN 201670248 U CN201670248 U CN 201670248U
- Authority
- CN
- China
- Prior art keywords
- joist
- main body
- bogie
- center plate
- steering frame
- Prior art date
- Legal status (The legal status is an assumption and is not a legal conclusion. Google has not performed a legal analysis and makes no representation as to the accuracy of the status listed.)
- Expired - Lifetime
Links
- 238000000034 method Methods 0.000 title claims abstract description 59
- 229910000831 Steel Inorganic materials 0.000 claims description 22
- 239000010959 steel Substances 0.000 claims description 22
- 230000003014 reinforcing effect Effects 0.000 claims description 13
- 238000002474 experimental method Methods 0.000 abstract description 16
- 230000007547 defect Effects 0.000 abstract description 5
- 230000001105 regulatory effect Effects 0.000 abstract 1
- 238000005516 engineering process Methods 0.000 description 21
- 238000003825 pressing Methods 0.000 description 3
- 238000004519 manufacturing process Methods 0.000 description 2
- 238000012986 modification Methods 0.000 description 1
- 230000004048 modification Effects 0.000 description 1
- 238000007789 sealing Methods 0.000 description 1
- 238000006467 substitution reaction Methods 0.000 description 1
Images
Landscapes
- Body Structure For Vehicles (AREA)
Abstract
The utility model provides a joist of a process steering frame and a novel process steering frame, the joist of the process steering frame can be applied on the existing process steering frame for constituting the novel process steering frame, and the joist of the process steering frame comprises a joist main body, two adjustable bottom side bearings and a bottom center plate mounting seat; a top center plate connecting plate is arranged at the central part on the upper surface of the joist main body; the two adjustable bottom side bearings are respectively arranged on two sides of the upper surface of the joist main body and correspond to two top side bearings of a preset vehicle; and the bottom center plate mounting seat is arranged at the central part on the lower surface of the joist main body and corresponds to a bottom center plate of the process steering frame. The technical scheme can solve the technical defects that as the bottom side bearings of the process steering frame can not be regulated, when the vehicles in different standards fall on the process steering frame directly for carrying out experiments in the prior art, the vehicles of the different standards often have the problems of falling off a path and running off rails, thereby realizing the purposes of safe and smooth operation when carrying out the experiments on the vehicles of the different standards and ensuring the continuity of the experiments.
Description
Technical Field
The utility model relates to the technical field of machinery, especially, relate to a side bearing adjustable technology bogie joist and novel technology bogie.
Background
At present, in the railway manufacturing industry of China, most vehicles manufactured in factories meet relevant standards of China. With the rapid development of railway manufacturing industry in China, the business of vehicle export is continuously increased, and vehicles different from relevant standards in China are continuously produced due to different railway standards in different countries. Before the relevant vehicle is exported, the vehicle needs to be subjected to operation experiments in a factory so as to ensure that the vehicle meets the standards of orders.
The vehicle need directly fall on technology bogie before carrying out the experiment, but utility model people discover because technology bogie side bearing can't adjust, the phenomenon that one side died, diagonal angle died, certain angle died often appears between the last side bearing of the in-process vehicle of experiment and the lower side bearing of technology bogie, from this when shunting in the factory, especially when the circuit is not good, the curve is less, the curve is more, the superelevation of interior outer rail is great, the vehicle is overweight, vehicle center is on the high side under the circumstances such as high, then take place often to fall the way to this vehicle, derail.
SUMMERY OF THE UTILITY MODEL
The utility model provides a technology bogie joist and novel technology bogie for when solving the vehicle that will not meet standards among the prior art and directly falling on technology bogie in order to carry out the experiment, because the lower side bearing of technology bogie can't be adjusted, and make the vehicle of not meeting standards take place often and fall off the technical defect of way, derail.
The utility model provides a technical bogie joist on one hand, which is applied to a technical bogie, wherein the technical bogie joist comprises a joist main body, two adjustable lower side bearings and a lower center plate mounting seat;
an upper center plate connecting plate is arranged at the center of the upper surface of the joist main body;
the two adjustable lower side bearings are respectively arranged on two sides of the upper surface of the joist main body and correspond to the two upper side bearings of the preset vehicle;
the lower center plate mounting seat is arranged at the central part of the lower surface of the joist main body and corresponds to the lower center plate of the process bogie.
The adjustable lower side bearing comprises a nut seat and a spiral support pillar, the nut seat is connected to the upper surface of the joist main body, and the nut seat is in threaded connection with the spiral support pillar.
A first supporting base plate is arranged between the nut seat and the upper surface of the joist main body.
The lower center plate mounting seat comprises a mounting bracket, a connecting plate and a standard upper center plate; the upper part of the mounting bracket is connected to the lower surface of the joist main body; the upper surface of the connecting plate is connected to the lower part of the mounting bracket; and the upper surface of the standard upper center plate is connected with the lower surface of the connecting plate.
The mounting bracket comprises two flitch plates, two rectangular steel pipes and two first rectangular reinforcing pipes; the two rectangular steel pipes are respectively arranged side by side along the transverse direction of the joist main body and connected to the lower surface of the joist main body; the two flitch plates are respectively perpendicular to the joist main body and connected to two sides of the two rectangular steel pipes; the two first rectangular reinforcing pipes are respectively arranged side by side along the longitudinal direction of the joist main body, are positioned between the two rectangular steel pipes and are connected with the two rectangular steel pipes and one of the flitch plates.
The joist main body is a rectangular steel pipe. And end pasting plates are respectively arranged at two ends of the joist main body. The middle part in the joist main body is provided with a second rectangular reinforcing pipe, and two ends in the joist main body are respectively provided with a third rectangular reinforcing pipe. And a second supporting base plate is arranged between the joist main body and the upper center plate connecting plate.
And lower base plates are respectively arranged on two sides of the lower surface of the joist main body, and the two lower base plates respectively correspond to the two lower side bearings of the process bogie.
The utility model discloses another aspect provides a novel technology bogie, wherein, including technology bogie and foretell technology bogie joist, the center dish on the standard of the center dish mount pad down that technology bogie joist includes with the center dish down of technology bogie is connected.
The utility model discloses a technology bogie joist and novel technology bogie, be applied to current technology bogie through the technology bogie joist that will be provided with two adjustable lower side bearings, in order to constitute the technical scheme of novel technology bogie, solved among the prior art the vehicle of different standards directly fall on the technology bogie in order to carry out the experiment, because the lower side bearing of technology bogie can't be adjusted, and make the vehicle of different standards take place often and fall off the way, the technical defect who derails, realized when experimenting the vehicle of different standards, the purpose of safe and smooth operation, the continuity of experiment has been ensured.
Drawings
In order to more clearly illustrate the technical solutions of the present invention or the prior art, the following briefly introduces the drawings needed to be used in the description of the embodiments or the prior art, and obviously, the drawings in the following description are some embodiments of the present invention, and for those skilled in the art, other drawings can be obtained according to these drawings without inventive labor.
FIG. 1 is a front view of the joist of the process truck of the present invention;
FIG. 2 is a top view of the inventive process truck joist;
fig. 3 is a partial schematic view of the novel process bogie of the present invention.
Detailed Description
To make the objects, technical solutions and advantages of the present invention clearer, the drawings of the present invention are combined to clearly and completely describe the technical solutions of the present invention, and obviously, the described embodiments are some embodiments of the present invention, not all embodiments. Based on the embodiments in the present invention, all other embodiments obtained by a person skilled in the art without creative efforts belong to the protection scope of the present invention.
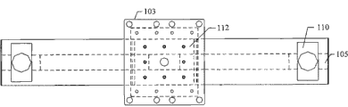
Fig. 1 is a front view of the joist of the process bogie of the present invention. Fig. 2 is a top view of the inventive process bogie joist. Referring to fig. 1 and 2, the joist of the process bogie of the present embodiment comprises a joist body 101, two adjustable lower side bearings 102 and a lower center plate mounting seat; wherein,
an upper center plate connecting plate 103 is arranged at the central part of the upper surface of the joist main body 101, the upper center plate connecting plate 103 can be connected with a standard lower center plate according to the requirement of a preset vehicle so as to be connected with the upper center plate of the preset vehicle by using the standard lower center plate, and a second supporting cushion plate 109 is arranged between the upper center plate connecting plate 103 and the joist main body 101; lower backing plates 116 are respectively arranged on two sides of the lower surface of the joist main body 101, the two lower backing plates 116 respectively correspond to two lower side bearings of the process bogie, and gaps are respectively arranged between the two lower side bearings and the two lower side bearings; in practical application, the joist main body 101 can be a rectangular steel pipe, in order to enhance the firmness of the joist of the whole process bogie, a second rectangular reinforcing pipe 104 can be arranged in the middle of the joist main body 101, and third rectangular reinforcing pipes 105 are respectively arranged at two ends of the joist main body 101; in order to enhance the sealing performance of the joist of the whole process bogie, end attachment plates 106 are respectively arranged at openings at two ends of the joist main body 101;
the two adjustable lower side bearings 102 are respectively arranged on two sides of the upper surface of the joist main body 101 and correspond to the two upper side bearings of a preset vehicle, and a first supporting cushion plate 110 is arranged between each adjustable lower side bearing 102 and the joist main body 101; in practical application, each adjustable lower side bearing 102 comprises a nut seat 107 and a spiral top column 108, each nut seat 107 can be connected with the upper surface of the joist main body 101 through a corresponding first supporting cushion plate 110, the spiral top column 108 is connected in the nut seat 107 through threads, and the height of the two adjustable lower side bearings 102 is adjusted to meet the requirements of different standards for preset vehicles;
the lower center plate mounting seat comprises a mounting support, a connecting plate 114 and a standard upper center plate 115, the mounting support, the connecting plate 114 and the standard upper center plate 115 are sequentially connected from top to bottom, specifically, the mounting support comprises two flitch plates 111, two rectangular steel pipes 112 and two first rectangular reinforcing pipes 113, the two rectangular steel pipes 112 are respectively arranged side by side along the transverse direction of the joist main body 101, a gap is reserved between the two rectangular steel pipes 112, and the two rectangular steel pipes 112 are respectively connected to the lower surface of the joist main body 101; the two attachment plates 111 are respectively perpendicular to the joist main body 101 and connected to two sides of the two rectangular steel pipes 112 to seal openings at two sides of the two rectangular steel pipes 112; the two first rectangular reinforcing pipes 113 are respectively arranged in parallel along the longitudinal direction of the joist main body 101, are positioned between the two rectangular steel pipes 112, are respectively positioned at the same side of the two rectangular steel pipes 112, and are connected with the two rectangular steel pipes 112 and the flitch plate 111 to play a role in fixing the whole mounting bracket; further, the upper and lower ends of the two attachment plates 111 are respectively connected to the lower surface of the joist main body 101 and the upper surface of the connecting plate 114, and the first rectangular reinforcing pipe 113 is also simultaneously connected to the upper surface of the connecting plate 114; the upper surface of the standard upper core plate 115 and the lower surface of the web 114 are bolted together.
The technical bogie joist of the embodiment can be applied to the existing technical bogie to form a novel technical bogie, and the technical bogie joist with two adjustable lower side bearings is arranged on two sides of the upper surface of the technical bogie joist, so that the technical defects that vehicles with different standards frequently fall off the track and derail due to the fact that the lower side bearings of the technical bogie cannot be adjusted when the vehicles with different standards directly fall on the technical bogie for experiment in the prior art are overcome, the purpose of safe and smooth operation when the vehicles with different standards are subjected to experiment is realized, and the continuity of the experiment is guaranteed.
Fig. 3 is a partial schematic view of the novel process bogie of the present invention. As shown in fig. 3, the novel process bogie of the present embodiment includes a process bogie joist of the above embodiment and a process bogie 31 of the prior art, and specifically, as shown in fig. 1 and 2, the novel process bogie is formed by connecting the standard upper center plate 115 of the lower center plate mounting seat included in the process bogie joist and the lower center plate 311 of the process bogie 31.
In practical application, the heights of the two adjustable lower side bearings 102 can be adjusted simultaneously by screwing the spiral top columns 108 according to the heights of the two upper side bearings of the preset vehicle, so as to meet the requirements of different standards for presetting the vehicle; then, the upper center plate connecting plate 103 can be connected with a standard lower center plate according to the requirement of the preset vehicle, so that the standard lower center plate is connected with the upper center plate of the preset vehicle, and the whole preset vehicle falls on the novel process bogie of the embodiment to wait for an experiment; because the two adjustable lower side bearings 102 are adjusted, the requirement of the gap between the upper side bearing of the preset vehicle and the adjustable lower side bearing 102 is met, the phenomena of one side dead pressing, opposite angle dead pressing and certain angle dead pressing between the upper side bearing of the preset vehicle and the lower side bearing of the process bogie can not occur in the experiment process, and the vehicle can not fall off the track and derail when shunting in a factory, particularly under the conditions of poor route, smaller curve, more curves, larger inner and outer rail height, heavy vehicle, high vehicle center and the like.
The novel process bogie of this embodiment is applied to current process bogie through the process bogie joist that will be provided with two adjustable lower side bearings to constitute novel process bogie's technical scheme, solved in the prior art with the vehicle of different standards directly fall on process bogie in order to carry out the experiment when, because process bogie's lower side bearing can't be adjusted, and make the vehicle of different standards take place often and fall off the technical defect of way, derail, realized when experimenting the vehicle of different standards, the purpose of safe and smooth operation, ensured the continuity of experiment.
Finally, it should be noted that: the above embodiments are only used to illustrate the technical solution of the present invention, and not to limit it; although the present invention has been described in detail with reference to the foregoing embodiments, it should be understood by those skilled in the art that: the technical solutions described in the foregoing embodiments may still be modified, or some technical features may be equivalently replaced; such modifications and substitutions do not depart from the spirit and scope of the present invention in its corresponding aspects.
Claims (11)
1. A joist of a process bogie is applied to the process bogie and is characterized by comprising a joist main body, two adjustable lower side bearings and a lower center plate mounting seat;
an upper center plate connecting plate is arranged at the center of the upper surface of the joist main body;
the two adjustable lower side bearings are respectively arranged on two sides of the upper surface of the joist main body and correspond to the two upper side bearings of the preset vehicle;
the lower center plate mounting seat is arranged at the central part of the lower surface of the joist main body and corresponds to the lower center plate of the process bogie.
2. The process truck joist of claim 1, wherein the adjustable lower side bearing includes a nut seat and a threaded stud, the nut seat being attached to the upper surface of the joist body and the nut seat and the threaded stud being threadably connected.
3. The process truck joist of claim 2, wherein a first support pad is disposed between the nut seat and the upper surface of the joist body.
4. The process truck joist of claim 1, wherein the lower center plate mount comprises a mounting bracket, a connecting plate, and a standard upper center plate;
the upper part of the mounting bracket is connected to the lower surface of the joist main body;
the upper surface of the connecting plate is connected to the lower part of the mounting bracket;
and the upper surface of the standard upper center plate is connected with the lower surface of the connecting plate.
5. The process bogie joist according to claim 4, wherein the mounting bracket comprises two planks, two rectangular steel tubes and two first rectangular reinforcing tubes;
the two rectangular steel pipes are respectively arranged side by side along the transverse direction of the joist main body and connected to the lower surface of the joist main body;
the two flitch plates are respectively perpendicular to the joist main body and connected to two sides of the two rectangular steel pipes;
the two first rectangular reinforcing pipes are respectively arranged side by side along the longitudinal direction of the joist main body, are positioned between the two rectangular steel pipes and are connected with the two rectangular steel pipes and one of the flitch plates.
6. The process truck joist of claim 1, wherein the joist body is a rectangular steel tube.
7. The process bogie joist according to claim 6, wherein the joist body is provided with end planks at each end.
8. The process bogie joist according to claim 6, wherein a second rectangular reinforcing pipe is arranged in the middle of the joist main body, and third rectangular reinforcing pipes are arranged at two ends of the joist main body respectively.
9. The process truck joist of claim 6, wherein a second support pad is disposed between the joist body and the upper center plate connection plate.
10. The process truck joist of claim 1, wherein lower tie plates are provided on both sides of the lower surface of the joist body, respectively, and the two lower tie plates correspond to the two lower side bearings of the process truck, respectively.
11. A novel process bogie, comprising: process truck and process truck joist according to any of the preceding claims 1 to 10, said process truck joist comprising a standard top centre plate of a bottom centre plate mounting base connected to a bottom centre plate of said process truck.
Priority Applications (1)
| Application Number | Priority Date | Filing Date | Title |
|---|---|---|---|
| CN2010201177063U CN201670248U (en) | 2010-02-04 | 2010-02-04 | Joist of process steering frame and novel process steering frame |
Applications Claiming Priority (1)
| Application Number | Priority Date | Filing Date | Title |
|---|---|---|---|
| CN2010201177063U CN201670248U (en) | 2010-02-04 | 2010-02-04 | Joist of process steering frame and novel process steering frame |
Publications (1)
| Publication Number | Publication Date |
|---|---|
| CN201670248U true CN201670248U (en) | 2010-12-15 |
Family
ID=43327660
Family Applications (1)
| Application Number | Title | Priority Date | Filing Date |
|---|---|---|---|
| CN2010201177063U Expired - Lifetime CN201670248U (en) | 2010-02-04 | 2010-02-04 | Joist of process steering frame and novel process steering frame |
Country Status (1)
| Country | Link |
|---|---|
| CN (1) | CN201670248U (en) |
Cited By (6)
| Publication number | Priority date | Publication date | Assignee | Title |
|---|---|---|---|---|
| CN103552573A (en) * | 2013-11-13 | 2014-02-05 | 唐山百川智能机器有限公司 | Technical bogie for maintenance |
| CN103661462A (en) * | 2013-12-05 | 2014-03-26 | 铜陵晟王铁路装备股份有限公司 | Technological bogie for increasing unwheeling height |
| CN106740958A (en) * | 2016-12-01 | 2017-05-31 | 中车长江车辆有限公司 | A kind of railway goods train bogie conversion cartridge and the method connected with car body cartridge |
| CN107672622A (en) * | 2017-11-09 | 2018-02-09 | 天津中车唐车轨道车辆有限公司 | A kind of car body bogie |
| CN107838900A (en) * | 2017-10-17 | 2018-03-27 | 中车长春轨道客车股份有限公司 | A kind of unpowered process bogie of overhaul of train-set |
| CN112345277A (en) * | 2020-11-19 | 2021-02-09 | 中车齐齐哈尔车辆有限公司 | Bogie for test |
-
2010
- 2010-02-04 CN CN2010201177063U patent/CN201670248U/en not_active Expired - Lifetime
Cited By (8)
| Publication number | Priority date | Publication date | Assignee | Title |
|---|---|---|---|---|
| CN103552573A (en) * | 2013-11-13 | 2014-02-05 | 唐山百川智能机器有限公司 | Technical bogie for maintenance |
| CN103552573B (en) * | 2013-11-13 | 2016-04-13 | 唐山百川智能机器有限公司 | Technical bogie for maintenance |
| CN103661462A (en) * | 2013-12-05 | 2014-03-26 | 铜陵晟王铁路装备股份有限公司 | Technological bogie for increasing unwheeling height |
| CN106740958A (en) * | 2016-12-01 | 2017-05-31 | 中车长江车辆有限公司 | A kind of railway goods train bogie conversion cartridge and the method connected with car body cartridge |
| CN106740958B (en) * | 2016-12-01 | 2019-02-26 | 中车长江车辆有限公司 | A kind of railway goods train bogie conversion cartridge and the method with the mating of car body cartridge |
| CN107838900A (en) * | 2017-10-17 | 2018-03-27 | 中车长春轨道客车股份有限公司 | A kind of unpowered process bogie of overhaul of train-set |
| CN107672622A (en) * | 2017-11-09 | 2018-02-09 | 天津中车唐车轨道车辆有限公司 | A kind of car body bogie |
| CN112345277A (en) * | 2020-11-19 | 2021-02-09 | 中车齐齐哈尔车辆有限公司 | Bogie for test |
Similar Documents
| Publication | Publication Date | Title |
|---|---|---|
| CN201670248U (en) | Joist of process steering frame and novel process steering frame | |
| CN103693064A (en) | Framework for rapid wagon bogie | |
| CN104192157A (en) | Side wall of railway heavy-load tub-structural open wagon | |
| CN207130552U (en) | Suspension type sky rail track beam construction | |
| CN204726447U (en) | A kind of vehicle frame with low floor and high floor | |
| CN210680732U (en) | Pillow buffer structure for suspended monorail | |
| CN105057951A (en) | Installing and welding device and method for curved surface cover board | |
| CN201058610Y (en) | Bogie frame for subway vehicle | |
| CN204800244U (en) | Rail train bogie wheel pair withdrawal machine | |
| CN203651792U (en) | Light-weight deputy frame radial bogie | |
| CN201494442U (en) | Gondola body with all vertical side columns | |
| TW201425109A (en) | Bogie and side frame thereof | |
| CN205916139U (en) | Train chassis | |
| CN204341057U (en) | A kind of low floor composite material top cover | |
| CN204867941U (en) | Assembly welding equipment of curved surface apron | |
| CN204871049U (en) | City rail vehicle bogie end beam structure | |
| CN203996246U (en) | Heavy-Haul Railway tub gondola car side wall | |
| CN204472795U (en) | A kind of new type train translating device track base | |
| CN211804565U (en) | Side beam assembling and welding device for express transport bogie of railway wagon | |
| CN206493953U (en) | A kind of bogie drawing pull bar interface mounting seat | |
| CN203753161U (en) | 100% low-floor light-rail train nonpowered bogie frame | |
| CN202575717U (en) | Gantry transferring test run device | |
| CN203713894U (en) | Framework for rapid railway freight vehicle bogie | |
| CN201777700U (en) | Track transport fixture | |
| CN207225371U (en) | A kind of bogie frame and the bogie with the bogie frame |
Legal Events
| Date | Code | Title | Description |
|---|---|---|---|
| C14 | Grant of patent or utility model | ||
| GR01 | Patent grant | ||
| CX01 | Expiry of patent term | ||
| CX01 | Expiry of patent term |
Granted publication date: 20101215 |