CN201657049U - cell phone - Google Patents

cell phone Download PDF

Info

Publication number
CN201657049U
CN201657049U CN2010201501442U CN201020150144U CN201657049U CN 201657049 U CN201657049 U CN 201657049U CN 2010201501442 U CN2010201501442 U CN 2010201501442U CN 201020150144 U CN201020150144 U CN 201020150144U CN 201657049 U CN201657049 U CN 201657049U
Authority
CN
China
Prior art keywords
mobile phone
circuit
coil
utility
magnet
Prior art date
Legal status (The legal status is an assumption and is not a legal conclusion. Google has not performed a legal analysis and makes no representation as to the accuracy of the status listed.)
Expired - Fee Related
Application number
CN2010201501442U
Other languages
Chinese (zh)
Inventor
钱鹏
文知明
Current Assignee (The listed assignees may be inaccurate. Google has not performed a legal analysis and makes no representation or warranty as to the accuracy of the list.)
BYD Co Ltd
Original Assignee
BYD Co Ltd
Priority date (The priority date is an assumption and is not a legal conclusion. Google has not performed a legal analysis and makes no representation as to the accuracy of the date listed.)
Filing date
Publication date
Application filed by BYD Co Ltd filed Critical BYD Co Ltd
Priority to CN2010201501442U priority Critical patent/CN201657049U/en
Application granted granted Critical
Publication of CN201657049U publication Critical patent/CN201657049U/en
Anticipated expiration legal-status Critical
Expired - Fee Related legal-status Critical Current

Links

Images

Landscapes

  • Charge And Discharge Circuits For Batteries Or The Like (AREA)
  • Secondary Cells (AREA)

Abstract

The utility model provides a mobile phone which comprises a first slide body, a second slide body capable of performing sliding relative to the first slide body and a charging circuit, and is characterized in that either a magnet or a coil is arranged on the sliding path of the first slide body and the other is arranged on the second slide body; the mobile phone further comprises a rectification circuit and a filter voltage stabilizing circuit; two ends of the coil is connected with the rectification circuit; and the charging circuit and the rectification circuit are connected through the filter voltage stabilizing circuit. The utility model solves the technical problems of complicated structure, high cost and low charging efficiency of the conventional self-generating mobile phone due to the arrangement of an internal generating device, and ensures that the mobile phone is charged by the power generated by cutting the magnetic induction line in a sliding manner through adding the provided structure to the conventional slide phone, so as to prolong the standby time of the mobile phone; and the utility model plays a significant role in emergency phone charging, and has the advantages of simple structure, less electrical energy consumption and lower cost.

Description

Mobile phone
Technical field
The utility model belongs to field of mobile phones, relates in particular to a kind of mobile phone with spontaneous electrical function.
Background technology
Along with the development of mobile service, human more and more stronger for the dependence of mobile phone, mobile phone has become everyone indispensable article.Present mobile phone generally all is made up of main frame and rechargeable battery, although existing rechargeable battery improves a lot on charging capacity, general stand-by time can reach 4-6 days, but random use mobile phone there is significant limitation, use up at battery electric quantity, (for example field, natural disaster or war) under the situation about can't charge again, mobile phone just can't use.
At present,, need on existing mobile phone, to add DC generator though the self power generation mobile phone is arranged, device such as generating drivings grade, this self power generation handset structure complexity, cost is higher, charge efficiency is not high and waste time and energy.
Summary of the invention
The utility model is established Blast Furnace Top Gas Recovery Turbine Unit (TRT) for solving in the existing self power generation mobile phone, and complex structure, the technical problem that cost is high provide a kind of saves energy and cost low self power generation mobile phone.
For reaching above-mentioned technical purpose, the technical solution of the utility model is:
A kind of mobile phone, comprise first slide mass, can with second slide mass and the charging circuit of the first slide mass slide relative, the sliding path of first slide mass is provided with a kind of in magnet or the coil, and the another kind in magnet or the coil is set on described second slide mass; Described mobile phone also includes rectification circuit and filter regulator circuit, and the two ends of described coil link to each other with rectification circuit, connects by filter regulator circuit between described charging circuit and the rectification circuit.
Described rectification circuit is a single phase bridge type rectifier circu, is connected into bridge architecture mutually by four diodes.
Described filter regulator circuit comprises electric capacity and the voltage-stabiliser tube that is arranged in parallel between rectification circuit and charging circuit, and wherein said voltage-stabiliser tube is near charging circuit, and the plus earth of voltage-stabiliser tube.
Further, when first slide mass and second slide mass overlap, described magnet be positioned at coil directly over or under.When first slide mass and the second slide mass slide relative, significant change takes place in the magnetic field in the coil like this, thereby it is stronger to produce electric current, and charge efficiency is higher.
Further, described first slide mass or second slide mass have groove, just in time allow in a kind of card entry slot of magnet or coil.It is convenient so both to have slided, and has also guaranteed the compact conformation of mobile phone and attractive in appearance.
Further, described groove be shaped as square or circular.
Further, described magnet is selected stable performance for use, the alnico magnet that temperature coefficient is good.
Advantage of the present utility model: by existing slide phone is increased said structure, under the prerequisite that does not change the original design of mobile phone, ingenious utilization slip cutting magnetic induction line produces electric energy and gives cell-phone charging, prolonged the stand-by time of mobile phone, emergent charging for mobile phone plays great role, have simple in structurely, save electric energy and lower-cost advantage.
Description of drawings
The structural representation that Fig. 1 provides for an embodiment of the present utility model;
Fig. 2 is a circuit block diagram of the present utility model;
Fig. 3 is circuit theory diagrams of the present utility model.
Embodiment
Clearer for technical problem, technical scheme and beneficial effect that the utility model is solved, below in conjunction with drawings and Examples, the utility model is further elaborated.Should be appreciated that specific embodiment described herein only in order to explanation the utility model, and be not used in qualification the utility model.
The structural representation that Fig. 1 provides for the utility model one embodiment, consult Fig. 1 as can be known: the utility model mobile phone comprise first slide mass 1, can with second slide mass 2 and the charging circuit of first slide mass, 1 slide relative, alnico magnet 3 is located at the top of first slide mass 1, on second slide mass 2 of slide relative, have a circular recess, pound coil 4 more and just in time be wrapped in the groove.Alnico magnet 3 herein when first slide mass 1 and second slide mass, 2 coincidence status, just in time be positioned at coil 4 directly over; Can certainly have square or circular recess on first slide mass 1, alnico magnet 3 places (Fig. 1 does not draw) in the groove, and it is convenient so not only to slide, and has also guaranteed the compact conformation of mobile phone and attractive in appearance.
Second kind of execution mode of the present utility model, the position that alnico magnet 3 and coil 4 distribute just in time exchanges, and here is not described further.
Fig. 2 is a circuit block diagram of the present utility model, consult Fig. 2 as can be known: the utility model comprises Blast Furnace Top Gas Recovery Turbine Unit (TRT) 5, rectification circuit 6, filter regulator circuit 7 and charging circuit 8, wherein Blast Furnace Top Gas Recovery Turbine Unit (TRT) 5 is made up of alnico magnet and coil, when first slide mass 1 and 2 slips of second slide mass, coil and alnico magnet produce relative motion, thereby cause the magnetic field in the coil to change,, thereby produce alternating current according to Faraday's electromagnetic induction law, after passing through described rectification circuit 6 again, this alternating current is converted into direct current, behind filter regulator circuit 7 filtering voltage regulations, sends into cell phone charging circuit 8 for charging mobile phone battery.
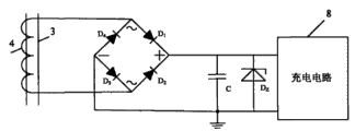
Fig. 3 is circuit theory diagrams of the present utility model, and wherein component parameters choosing value is as follows:
Coil is 250 circles, and area is 0.5cm * 0.4cm; Capacitor C is 1 μ F-30 μ F; Bridge diode is chosen 4007 models commonly used or 5819 models; Voltage-stabiliser tube is chosen the voltage-stabiliser tube D of 5V Z
Consult Fig. 3 as can be known, this mobile phone comprises alnico magnet 3 and coil 4, alnico magnet 3 is located at the top of first slide mass 1, has a circular recess with described alnico magnet 3 vertical corresponding positions on second slide mass 2 of slide relative, pounds coil 4 more and just in time is wrapped in (see figure 1) in the groove; The utility model does not limit the number of turn of coil 4, can increase generation current by the number of turn that increases coil 4, coil 4 two ends respectively with anode and the D of bridge rectifier D1 4The negative electrode common port, D 2Anode and D 3The negative electrode common port link to each other the negative electrode of D1 and D 2Negative electrode common port shunt capacitance C one end and voltage-stabiliser tube D successively ZNegative electrode, D 3Anode and D 4Anode the common port other end and the voltage-stabiliser tube D of shunt capacitance C successively ZAnode, voltage-stabiliser tube D ZIn parallel with the input of cell phone charging circuit again, thus charging mobile phone battery given.The battery electric energy supplement that can give mobile phone when using mobile phone to promote slip lid at ordinary times so just, this charging equipment for mobile phone is simple, and is easy to use, and internal structure is simple, is very easy to volume production.
The above only is preferred embodiment of the present utility model; not in order to restriction the utility model; all any modifications of within spirit of the present utility model and principle, being done, be equal to and replace and improvement etc., all should be included within the protection range of the present utility model.

Claims (7)

1.一种手机,包括第一滑动体、可与第一滑动体相对滑动的第二滑动体、以及充电电路,其特征在于:在第一滑动体的滑动路径上设置有磁铁或线圈中的一种,在所述第二滑动体上设置磁铁或者线圈中的另一种;所述手机还包括有整流电路和滤波稳压电路,所述线圈的两端与整流电路相连,所述充电电路和整流电路之间通过滤波稳压电路连接。1. A mobile phone, comprising a first sliding body, a second sliding body that can slide relative to the first sliding body, and a charging circuit, characterized in that: the sliding path of the first sliding body is provided with a magnet or a coil One, the other one of magnet or coil is set on the second sliding body; the mobile phone also includes a rectifier circuit and a filter voltage stabilizing circuit, the two ends of the coil are connected with the rectifier circuit, and the charging circuit It is connected with the rectifier circuit through a filter voltage stabilization circuit. 2.根据权利要求1所述的手机,其特征在于:在第一滑动体和第二滑动体重合时,所述磁铁位于线圈的正上方或正下方。2. The mobile phone according to claim 1, wherein when the first sliding body and the second sliding body are combined, the magnet is located directly above or directly below the coil. 3.根据权利要求1所述的手机,其特征在于:所述第一滑动体或第二滑动体开有槽,正好让磁铁或线圈的一种卡入槽内。3. The mobile phone according to claim 1, characterized in that: the first sliding body or the second sliding body is provided with a slot, just for one of the magnet or the coil to snap into the slot. 4.根据权利要求3所述的手机,其特征在于:所述槽的形状为方形或圆形。4. The mobile phone according to claim 3, wherein the shape of the groove is square or circular. 5.根据权利要求1、2、3或4所述的手机,其特征在于:所述整流电路为桥式整流电路,由互相接成桥式结构的四只二极管组成。5. The mobile phone according to claim 1, 2, 3 or 4, characterized in that: the rectification circuit is a bridge rectification circuit composed of four diodes connected to each other to form a bridge structure. 6.根据权利要求1、2、3或4所述的手机,其特征在于:所述滤波稳压电路包括并联设置于整流电路与充电电路之间的电容和稳压管,其中所述稳压管靠近充电电路,并且稳压管的阳极接地。6. The mobile phone according to claim 1, 2, 3 or 4, characterized in that: the filtering and voltage stabilizing circuit includes a capacitor and a voltage stabilizing tube arranged in parallel between the rectifying circuit and the charging circuit, wherein the voltage stabilizing The tube is close to the charging circuit, and the anode of the Zener tube is grounded. 7.根据权利要求1、2、3或4所述的手机,其特征在于:所述磁铁为铝镍钴磁铁。7. The mobile phone according to claim 1, 2, 3 or 4, characterized in that: the magnet is an alnico magnet.
CN2010201501442U 2010-03-29 2010-03-29 cell phone Expired - Fee Related CN201657049U (en)

Priority Applications (1)

Application Number Priority Date Filing Date Title
CN2010201501442U CN201657049U (en) 2010-03-29 2010-03-29 cell phone

Applications Claiming Priority (1)

Application Number Priority Date Filing Date Title
CN2010201501442U CN201657049U (en) 2010-03-29 2010-03-29 cell phone

Publications (1)

Publication Number Publication Date
CN201657049U true CN201657049U (en) 2010-11-24

Family

ID=43122277

Family Applications (1)

Application Number Title Priority Date Filing Date
CN2010201501442U Expired - Fee Related CN201657049U (en) 2010-03-29 2010-03-29 cell phone

Country Status (1)

Country Link
CN (1) CN201657049U (en)

Cited By (2)

* Cited by examiner, † Cited by third party
Publication number Priority date Publication date Assignee Title
WO2011153828A1 (en) * 2010-06-10 2011-12-15 中兴通讯股份有限公司 Mobile terminal and method for supplying electrical energy for mobile terminal
CN112995372A (en) * 2019-12-16 2021-06-18 北京小米移动软件有限公司 Casing and terminal equipment

Cited By (3)

* Cited by examiner, † Cited by third party
Publication number Priority date Publication date Assignee Title
WO2011153828A1 (en) * 2010-06-10 2011-12-15 中兴通讯股份有限公司 Mobile terminal and method for supplying electrical energy for mobile terminal
CN112995372A (en) * 2019-12-16 2021-06-18 北京小米移动软件有限公司 Casing and terminal equipment
CN112995372B (en) * 2019-12-16 2023-08-15 北京小米移动软件有限公司 A housing and a terminal device

Similar Documents

Publication Publication Date Title
CN106948670A (en) A kind of method powered based on mobile phone standard OTG functions to door lock
CN204304582U (en) The charging bracelet of a kind of charging device based on thermo-electric generation and making thereof
CN201657049U (en) cell phone
CN201966669U (en) Wireless charging system and wireless charger thereof
CN205489686U (en) It is open -air with treasured that charges
CN201640863U (en) a solar pack
CN203589798U (en) Magnetic battery-dismountable mobile power supply
CN204167939U (en) A kind of portable type solar energy charger baby
CN203104059U (en) Improved mobile charger
CN204517484U (en) Mobile power supply device
CN203166571U (en) Charger with charging recognition function
CN202616841U (en) Business mobile charger
CN202949239U (en) Solar storage-battery alternating-current three-purpose non-national-standard type handset charger
CN203398829U (en) Portable charging power supply
CN203747491U (en) Vibration power-generating handset charger
CN206432769U (en) A kind of utilization solar power generation evades the generating equipment of peak of power consumption
CN204243828U (en) Charger baby
CN202772641U (en) Mobile phone charger
CN204859259U (en) Solar induction charging mobile phone case
CN203722289U (en) Charging circuit capable of realizing mutual charging between electronic devices
CN205231827U (en) Grip formula solar charging is precious
CN203788213U (en) A light energy and kinetic energy complementary mobile power supply
CN210381387U (en) Control circuit of mobile treasure box
CN202111515U (en) Handheld Terminal
CN201893566U (en) Mobile phone charger on electric bicycle

Legal Events

Date Code Title Description
C14 Grant of patent or utility model
GR01 Patent grant
CF01 Termination of patent right due to non-payment of annual fee

Granted publication date: 20101124

Termination date: 20160329

CF01 Termination of patent right due to non-payment of annual fee