CN201576047U - 统计型电压监测仪 - Google Patents
统计型电压监测仪 Download PDFInfo
- Publication number
- CN201576047U CN201576047U CN2009202349632U CN200920234963U CN201576047U CN 201576047 U CN201576047 U CN 201576047U CN 2009202349632 U CN2009202349632 U CN 2009202349632U CN 200920234963 U CN200920234963 U CN 200920234963U CN 201576047 U CN201576047 U CN 201576047U
- Authority
- CN
- China
- Prior art keywords
- unit
- data communication
- chip
- power supply
- main control
- Prior art date
- Legal status (The legal status is an assumption and is not a legal conclusion. Google has not performed a legal analysis and makes no representation as to the accuracy of the status listed.)
- Expired - Fee Related
Links
- 238000012544 monitoring process Methods 0.000 title claims abstract description 47
- 238000004891 communication Methods 0.000 claims abstract description 73
- 238000005070 sampling Methods 0.000 claims abstract description 6
- 238000006243 chemical reaction Methods 0.000 claims description 8
- 230000005540 biological transmission Effects 0.000 claims description 6
- 239000004973 liquid crystal related substance Substances 0.000 claims description 6
- 238000012546 transfer Methods 0.000 claims description 3
- 230000006870 function Effects 0.000 abstract description 13
- 230000008901 benefit Effects 0.000 abstract description 3
- 238000010586 diagram Methods 0.000 description 10
- 238000013461 design Methods 0.000 description 7
- 230000008859 change Effects 0.000 description 4
- 238000013500 data storage Methods 0.000 description 4
- 238000007726 management method Methods 0.000 description 4
- 230000006872 improvement Effects 0.000 description 3
- 238000010276 construction Methods 0.000 description 2
- 238000005516 engineering process Methods 0.000 description 2
- 230000003203 everyday effect Effects 0.000 description 2
- 238000012545 processing Methods 0.000 description 2
- 238000009825 accumulation Methods 0.000 description 1
- 238000004458 analytical method Methods 0.000 description 1
- 230000002457 bidirectional effect Effects 0.000 description 1
- 230000006835 compression Effects 0.000 description 1
- 238000007906 compression Methods 0.000 description 1
- 239000013078 crystal Substances 0.000 description 1
- 239000000428 dust Substances 0.000 description 1
- 239000012467 final product Substances 0.000 description 1
- 230000004907 flux Effects 0.000 description 1
- 238000007689 inspection Methods 0.000 description 1
- 238000012423 maintenance Methods 0.000 description 1
- 238000005259 measurement Methods 0.000 description 1
- 230000007246 mechanism Effects 0.000 description 1
- 238000000034 method Methods 0.000 description 1
- 238000012806 monitoring device Methods 0.000 description 1
- 239000000047 product Substances 0.000 description 1
- 238000009877 rendering Methods 0.000 description 1
- 230000004044 response Effects 0.000 description 1
- 230000035945 sensitivity Effects 0.000 description 1
- 230000006641 stabilisation Effects 0.000 description 1
- 238000011105 stabilization Methods 0.000 description 1
- 230000009897 systematic effect Effects 0.000 description 1
- 230000007704 transition Effects 0.000 description 1
Images
Landscapes
- Arrangements For Transmission Of Measured Signals (AREA)
Abstract
本实用新型公开了一种统计型电压监测仪,由CPU主控芯片单元、电源单元、电压采集单元、存储单元、显示单元、数据通讯单元构成,电源单元、电压采集单元、存储单元、显示单元、数据通讯单元与CPU主控芯片单元连接,(1)、CPU主控芯片单元的时钟控制部分包括时钟芯片,时钟芯片接入CPU主控芯片;(2)、电源单元通过电压互感器与整流桥连接电源芯片,提供两路单独电源,电源单元还连接有充电电池的备用电源电路;(3)、电压采集单元包括电压互感器和A/D转换芯片,电压采样信号经电压互感器、A/D转换芯片传输至CPU主控芯片;(4)、存储部分包括外部FRAM和FLASH;统计型电压监测仪具有快速性、准确性、实时性及稳定性,其功能多,方便电压质量管理与考核。
Description
技术领域
本实用新型涉及一种对电网电压进行监测的统计型电压监测仪,属于电力系统设备的技术领域。
背景技术
电力系统中,电压质量是电能质量的重要指标之一,目前,为了提高电压质量,保持无功平衡、电网稳定,对各电压等级的用户受电端的电压监测点装设统计型电压监测仪。但是,目前市场上的统计型电压监测仪存在很多问题:
1、统计型电压监测仪安装使用的环境复杂,信号以及噪音等干扰因素的不确定性及装置自身的测量误差,会使某些监测点的数据无法实时准确获取。
2、监测装置本身的高功耗也导致了当出现断电情况是终端的数据无法及时保存与发送。
3、在某些恶劣的天气条件下,终端由于工作温度范围的限制甚至不能运行。
4、统计型电压监测仪的远程通信问题也一直没有好的解决方案,导致依旧有不少地方需要靠人工抄表的方式进行,极大的降低了工作效率。
等等这些问题及因素都影响电力系统中对电压监测的准确性和可靠性,从而对电力系统无功管理以及电压质量的管理与考核带来很多麻烦。
实用新型内容
本实用新型所要解决的技术问题是提供一种处理能力大、功能多、精确度高和实时性较强的统计型电压监测仪。
为解决上述技术问题本实用新型的技术方案是:
一种统计型电压监测仪,由CPU主控芯片单元、电源单元、电压采集单元、存储单元、显示单元、数据通讯单元构成,电源单元、电压采集单元、存储单元、显示单元、数据通讯单元的输出端与CPU主控芯片单元的输入端连接,其特征在于:
(1)、CPU主控芯片单元包括时钟控制部分和CPU主控芯片,时钟控制部分包括时钟芯片,时钟芯片接入CPU主控芯片;
(2)、电源单元通过电压互感器与整流桥连接电源芯片,提供两路单独电源,电源单元还连接有充电电池的备用电源电路;
(3)、电压采集单元包括电压互感器和A/D转换芯片,电压采样信号经电压互感器、A/D转换芯片传输至CPU主控芯片;
(4)、存储部分包括外部FRAM和FLASH。
作为本实用新型的进一步改进,所述的CPU主控芯片为由μCOSII操作系统的ARM微控制器构成。
作为本实用新型的进一步改进,在电源芯片与CPU主控芯片间连接有SP6205EM5-33芯片。
作为本实用新型的进一步改进,所述显示单元使用液晶LCD显示。
上述的数据通讯单元第一个实现方案是,所述数据通讯单元利用GPRS无线通信模块通信。
上述的数据通讯单元第二个实现方案是,所述数据通讯单元利用红外数据通讯模块通信。
上述的数据通讯单元第三个实现方案是,所述数据通讯单元利用485/232数据通讯模块通信。
上述的数据通讯单元第四个实现方案是,所述数据通讯单元利用GPRS无线通信模块和红外数据通讯模块结合通信。
上述的数据通讯单元第五个实现方案是,所述数据通讯单元利用485/232数据通讯模块和红外数据通讯模块结合通信。
作为本实用新型的更进一步改进,所述数据通讯单元利用红外数据通讯模块通信时,统计型电压监测仪配置有可进行红外数据传输的红外掌上电脑。
本实用新型的统计型电压监测仪的优点在于:
1.ARM+μCOSII组成强内核,使统计型电压监测仪具有快速性、准确性、实时性及稳定性。
2.低功耗、宽工作范围的系统设计。ARM处理器的分主频、降低工作电流及采用睡眠模式等一系列手段都是的系统的功耗降到最低程度。同时配合集成度、稳定性高的芯片让终端能够在-25℃~+75℃的环境正常运行,适用于各种现场环境。
3.采用两路电源芯片使用双路分模块的供电体制,外加备用电池,确保供电的可靠性,使得在电源断电的情况下统计型电压监测仪数据依旧不会丢失,能够实时的与主站通信。
4.采集,统计,无线数据远专于一体;大容量数据存储,双重数据备份。
5.高精度的ADC、多重滤波设计使终端对于所监视的信号有很高的精度。
6.模块化结构设计,通讯接口丰富具有1个RS232口、1个RS485口、1个红外口和1个GPRS接口。
附图说明
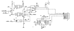
图1为本实用新型的统计型电压监测仪的系统结构图;
图2为本实用新型的统计型电压监测仪CPU主控芯片单元的原理图;
图3为本实用新型的统计型电压监测仪电源部分的原理图;
图4为本实用新型的统计型电压监测仪电压采样部分的原理图;
图5为本实用新型的统计型电压监测仪A/D转换部分的原理图;
图6为本实用新型的统计型电压监测仪存储单元的原理图;
图7为本实用新型的统计型电压监测仪485/232数据通讯单元的原理图;
图8为本实用新型的GPRS通信原理图;
图9为本实用新型的显示部分原理图。
具体实施方式
本实用新型的统计型电压监测仪是以ARM芯片为系统核心,集成了对外部电压采集,外部开关量输入、输出,通过RS232、RS485实现现场总线,键盘输入、液晶输出实现人机接口,还有与日历/时钟芯片,电源管理等功能集成电路。
图1为统计型电压监测仪的系统模块原理图,其结构特点是由以下几部分组成:1、CPU主控芯片单元;2、电压采集单元3、电源单元;4、存储单元;5、显示单元;5、由GPRS数据通讯、红外数据通讯、485/232数据通讯构成的通讯单元。
监测点的采样电压信号输入电压采集单元中,如图4所示,经由电压互感器将采样电压变为信号量输入至A/D转换芯片的采样口,得到采样电压的数字信号传输至CPU对其进行处理,CPU通过得到的电压信号按预定的程序统计出每天或每月的最大电压值、最小电压值以及这些电压值发生的时刻,统计出每天或每月的电压合格率、超上限率与超下限率等统计值送入存储单元、显示单元以做相应的存储、显示工作。数据通信部分则将存储好的数据在规定的时间内发送给主站或者其它能够与之进行数据通信的设备。从而完成电压监测的无人化与自动化的实时监测管理。
如图2所示,CPU主控芯片采用飞利浦公司的LPC2138芯片,该芯片为ARM7-TDMI-S核微处理器。该部分的硬件模块主要由主控制芯片电源部分、时钟控制部分构成。主控芯片的时钟信号由表贴的时晶芯片提供11.0592MHz的时钟信号输入。
系统电源部分,如图3所示,其通过PT与整流桥将采样的交流电源转换成直流的电源给电源芯片LM2576T、TL750L05CLP供电,使之能够给系统上的所有需要+5V电源的芯片提供两路单独的+5V电源。在装置设计时还考虑到了装置断电时的情况,所以特别设计了使用充电电池的备用电源电路,以防止当装置断电时也能够保证存储数据的不丢失及正常的通讯功能。由于目前使用的ARM微控制器需要提供的电源电压为3.3V,因此在电源部分还需使用SP6205EM5-33芯片为ARM微控制器提供需要的3.3V电源。
如图5所示,电压采集部分则通过电压互感器将电压转换为数字芯片可接受的电压输入专用的AD芯片CS5460A进行采样电压的采样转换。CS5460是CRYSTAL公司最新推出的带有串行接口的单相双向功率/电能计量集成电路芯片,具有结构简单,功能齐全,性能优良的特点,这些特点使其更便于与微处理器接口并能方便地实现电压、电流、功率的测量和用电量累积等功能。
图6为本实用新型的存储单元原理图,数据存储部分则采用外部FRAM与FLASH存储数据,由于FRAM读写时间短的特性,将系统参数、终端当天、当月的数据存储其中,而将各历史数据存放于存储容量相对较大的FLASH中。通过这种机制,使得终端具有数据存储量大且读写时间短的优点。
终端显示部分,其原理图如图9所示,采用了2*16带汉字库液晶LCD,仪表启动后,界面开始进入轮显页面。如用户需要查看或设置统计型电压监测仪其它参数则还可配合上、下、左、右四个按键进行相应操作。对于重要的参数还进行了密码保护,需要输入相应密码才能进行处理。
图8为GPRS通信原理图,GPRS无线通讯模块通过串口与仪表进行通讯,通讯规约一般采用AT命令,根据通讯模块所提供的AT命令集与之通讯,同时提供模块所必须的电源,时钟等信号后仪表即可进行无线网络通讯。
红外数据通讯模块用于实现与掌机的数据交换,该部分通过红外发射与接受管实现数据的传输功能,使得用户可以通过掌机方便的进行终端参数读取与设置。
如图7所示,485/232数据通讯则通过DB9口与电脑及其它兼容的终端进行通讯,为终端与其它设备的数据交换提供更多合适的通道,用户可以根据现场情况进行相应配置以决定是否需要采用。
统计型电压监测仪的用途是将统计型电压监测仪安装于监测点附近的符合安装条件的场合,终端可按用户要求分别采集1~3路(100V/220V/380V可选)的母线或出线的电压量,如要求进行单路采集则将终端的电源采样一的输入端和工作电源端子连接监测点采样输出端,采样点的输入端将采集到的电压量输入到交流互感器,交流互感器将得到的电压输入AD芯片的VIN+引脚,AD芯片的另一输入端VIN-引脚接地,AD芯片转换的电压VIN+与VIN-之差即交流互感器的输出电压。AD芯片的DIN与DOUT引脚则负责与LPC2138处理器进行通信,从而按要求的将转换后得到的电压数据传给LPC2138处理器。工作电源端子则将电源输入给PT,并通过整流桥将交流电压变成直流电压以供电给LM2576T、TL750L05CLP芯片。该装置采用两路+5V电源分立供电技术,既增强了供电的可靠性,也降低了系统的整体功耗。
LPC2138得到电压数据后,将根据用户要求储存1天至3个月的瞬时电压值。采集间隔从5分钟至1个小时可选择。同时进行按用户要求统计日、月电压平均值,最大/小值及出现时刻,超上/下限时间,电压合格率,超上/下限率、统计时间等数据,采用秒级采集分钟平均值算法统计。
由于ARM芯片本身的存储空间有限,但是装置本身需存储的数据量十分大,因此需要增加片外FRAM与FLASH来保证有足够的数据存储空间。对FRAM空间的读写通过SO与SI引脚,当需要存储当日、当月的统计数据时,处理器首先对FRAM芯片进行写命令的下发,然后再将需要写的日、月统计数据写入FRAM即可。对于FLASH芯片K9F5608U则通过并口通信的方式,DB0-DB7引脚为数据为,一次即可传输一字节的数据量,因此能够加快处理器对FLASH空间的读写速度,保证存储的实时性。
对于终端的显示部分使用2*16的LCD液晶模块,具有液晶显示功能,轮显终端参数及最近五日和五月的统计数据。该功能将十分方便现场维护人员对终端装置的问题及原因的发现与分析。
统计型电压监测仪的通信方式也是该产品的特色之一。由于在数据传输时考虑了多种传输手段,因此通过SIM300模块、MAX3232芯片、SN65LBC184D芯片实现无线GPRS、拔号、RS485、RS232和以太网与主站进行通讯,响应主站读数据请求,并可主动上送设置内容。当主站通讯方式采用无线方式时,采用可变模块设计,更换通信方式时只需更换SIM300通信模块,不需更换整个仪表;并具有数据加密和压缩处理,通讯速率在信道支持的前提下满足300~19200bps,通讯规约采用HRJDT600规约。
终端还支持远程升级功能,当用户的要求或者功能需进行相应的增减时,通过此功能可以方便对目前投放到现场的终端远程升级,而不用再次赶到现场,提高了投运后对终端的维护效率。使用手掌机通过红外接口进行配置和维护,更可方便现场作业;掌机能够读单项或批量读取终端各权限统计数据并保存为EXCEL文件,可以方便查看掌机内已保存的数据并支持按文件数据回写或即读掌机更改即写功能。
本实用新型的统计型电压监测仪的主要技术参数:
1.监测仪供电电压由监测电压来定,要求监测电压范围限定在额定电压的±30%。
2.监测仪表时钟稳定度满足1s/d,掉电后可保持50000小时以上。
3.备用电源在失去交流电源的条件下,仪表可保持数据,并维持工作2~8小时(根据无线网络情况而定),此时仪表不再进行采集,其它功能正常工作,直至电源恢复。
4.监测仪表精确度:测量误差≤0.2%、灵敏度≤0.5%、统计精确度0.02%、信号输入回路功耗≤0.6VA、电源回路功耗≤3VA。
5.存储容量满足(2~8MB可选)1分钟间隔、30~90天存储周期的要求,月统计数据及季统计数据可保存一年以上,并具有可扩展性。掉电后数据存储可在10年以上。
6.使用气候环境条件:环境温度范围为-25℃~+75℃,相对湿度10%~100%,大气压70~106kPa。
7.设备安全及抗干扰性能等电气特性满足《DL/T743-2001:电能量远方终端》、《DL/T698-1999:低压电力用户集中抄表系统技术要求》、《GB4793电子测量仪器安全要求》和《GB6593电子测量仪器检验规则》中的要求。
8.平均无故障工作时间(MTBF)≥50,000小时。
9.电源、RS485、RS232、拔号接口具有可靠的防雷击措施。
10.采用IP54防护等级全密封设计,防尘埃、防水溅,壁挂式,外形尺寸与多功能电度表相仿。
11.当采用GPRS无线远传时支持外接天线(增加信号强度)。
Claims (7)
1.一种统计型电压监测仪,由CPU主控芯片单元、电源单元、电压采集单元、存储单元、显示单元、数据通讯单元构成,电源单元、电压采集单元、存储单元、显示单元、数据通讯单元的输出端与CPU主控芯片单元的输入端连接,其特征在于:
(1)、CPU主控芯片单元包括时钟控制部分和CPU主控芯片,时钟控制部分包括时钟芯片,时钟芯片接入CPU主控芯片;
(2)、电源单元通过电压互感器与整流桥连接电源芯片,提供两路单独电源,电源单元还连接有充电电池的备用电源电路;
(3)、电压采集单元包括电压互感器和A/D转换芯片,电压采样信号经电压互感器、A/D转换芯片传输至CPU主控芯片;
(4)、存储部分包括外部FRAM和FLASH。
2.根据权利要求1所述的统计型电压监测仪,其特征在于:所述的CPU主控芯片为由μCOSII操作系统的ARM微控制器构成。
3.根据权利要求2所述的统计型电压监测仪,其特征在于:在电源芯片与CPU主控芯片间连接有SP6205EM5-33芯片。
4.根据权利要求1、2或3所述的统计型电压监测仪,其特征在于:所述数据通讯单元利用GPRS无线通信模块、红外数据通讯模块、485/232数据通讯模块或红外数据通讯模块与GPRS无线通信模块、485/232数据通讯模块结合通信。
5.根据权利要求1、2或3所述的统计型电压监测仪,其特征在于:所述显示单元使用液晶LCD显示。
6.根据权利要求5所述的统计型电压监测仪,其特征在于:所述数据通讯单元利用GPRS无线通信模块、红外数据通讯模块、485/232数据通讯模块或红外数据通讯模块与GPRS无线通信模块、485/232数据通讯模块结合通信。
7.根据权利要求6所述的统计型电压监测仪,其特征在于:所述数据通讯单元利用红外数据通讯模块通信时,统计型电压监测仪配置有可进行红外数据传输的红外掌上电脑。
Priority Applications (1)
| Application Number | Priority Date | Filing Date | Title |
|---|---|---|---|
| CN2009202349632U CN201576047U (zh) | 2009-08-14 | 2009-08-14 | 统计型电压监测仪 |
Applications Claiming Priority (1)
| Application Number | Priority Date | Filing Date | Title |
|---|---|---|---|
| CN2009202349632U CN201576047U (zh) | 2009-08-14 | 2009-08-14 | 统计型电压监测仪 |
Publications (1)
| Publication Number | Publication Date |
|---|---|
| CN201576047U true CN201576047U (zh) | 2010-09-08 |
Family
ID=42695923
Family Applications (1)
| Application Number | Title | Priority Date | Filing Date |
|---|---|---|---|
| CN2009202349632U Expired - Fee Related CN201576047U (zh) | 2009-08-14 | 2009-08-14 | 统计型电压监测仪 |
Country Status (1)
| Country | Link |
|---|---|
| CN (1) | CN201576047U (zh) |
Cited By (8)
| Publication number | Priority date | Publication date | Assignee | Title |
|---|---|---|---|---|
| CN103698590A (zh) * | 2013-12-02 | 2014-04-02 | 国家电网公司 | 10kV配电网电压实时监测仪装置 |
| CN104502667A (zh) * | 2014-12-24 | 2015-04-08 | 镇江长河电力技术有限公司 | 一种基于dtu的电压质量监测装置 |
| CN104502668A (zh) * | 2014-12-24 | 2015-04-08 | 镇江长河电力技术有限公司 | 一种基于dtu的电压质量监测系统 |
| CN104578038A (zh) * | 2015-01-30 | 2015-04-29 | 国家电网公司 | 用于通信芯片的实时电压监测、过压保护装置及方法 |
| CN104577942A (zh) * | 2015-01-30 | 2015-04-29 | 国家电网公司 | 一种通信芯片实时电压监测装置及其监测方法 |
| CN104833833A (zh) * | 2014-02-11 | 2015-08-12 | 华北电力大学 | 基于msp430的便携式电网电压监测装置 |
| CN106291036A (zh) * | 2016-08-11 | 2017-01-04 | 杭州仕邦电力科技有限公司 | 一体式低压监测装置 |
| CN106771537A (zh) * | 2016-12-20 | 2017-05-31 | 国网浙江省电力公司绍兴供电公司 | 蓄电池电压监测与自动远程报警装置 |
-
2009
- 2009-08-14 CN CN2009202349632U patent/CN201576047U/zh not_active Expired - Fee Related
Cited By (9)
| Publication number | Priority date | Publication date | Assignee | Title |
|---|---|---|---|---|
| CN103698590A (zh) * | 2013-12-02 | 2014-04-02 | 国家电网公司 | 10kV配电网电压实时监测仪装置 |
| CN104833833A (zh) * | 2014-02-11 | 2015-08-12 | 华北电力大学 | 基于msp430的便携式电网电压监测装置 |
| CN104502667A (zh) * | 2014-12-24 | 2015-04-08 | 镇江长河电力技术有限公司 | 一种基于dtu的电压质量监测装置 |
| CN104502668A (zh) * | 2014-12-24 | 2015-04-08 | 镇江长河电力技术有限公司 | 一种基于dtu的电压质量监测系统 |
| CN104578038A (zh) * | 2015-01-30 | 2015-04-29 | 国家电网公司 | 用于通信芯片的实时电压监测、过压保护装置及方法 |
| CN104577942A (zh) * | 2015-01-30 | 2015-04-29 | 国家电网公司 | 一种通信芯片实时电压监测装置及其监测方法 |
| CN104578038B (zh) * | 2015-01-30 | 2018-01-02 | 国家电网公司 | 用于通信芯片的实时电压监测、过压保护装置及方法 |
| CN106291036A (zh) * | 2016-08-11 | 2017-01-04 | 杭州仕邦电力科技有限公司 | 一体式低压监测装置 |
| CN106771537A (zh) * | 2016-12-20 | 2017-05-31 | 国网浙江省电力公司绍兴供电公司 | 蓄电池电压监测与自动远程报警装置 |
Similar Documents
| Publication | Publication Date | Title |
|---|---|---|
| CN201576047U (zh) | 统计型电压监测仪 | |
| CN202084993U (zh) | 一种标准型智能配变终端 | |
| CN201352233Y (zh) | 具有电力载波通讯的三相多功能电能表 | |
| CN201697963U (zh) | 电压监测管理终端 | |
| CN102436732B (zh) | 一种电能质量型能效数据采集终端 | |
| CN104410164B (zh) | Ⅱ型电力能效管理终端及系统 | |
| CN211149228U (zh) | 一种基于群智能的建筑能耗采集系统 | |
| CN105607535A (zh) | 一种基于CAN通信和ZigBee组网的智能电表 | |
| CN203445694U (zh) | 一种智能馈线远方终端 | |
| CN201518049U (zh) | 配变监测计量终端 | |
| CN203522340U (zh) | 一种用电负荷监测系统 | |
| CN118837599A (zh) | 基于双模通信的多功能小型智能电能表 | |
| CN210166439U (zh) | 一种分体式空调控制器电能表 | |
| CN102394000B (zh) | 一种能效数据集中终端 | |
| CN202177664U (zh) | 一种单相电能数据动态采集智能终端 | |
| CN204925242U (zh) | 一种设置有远程监控终端的自动电量采集系统 | |
| CN102436733A (zh) | 一种热工电量型能效数据采集终端 | |
| CN102435889A (zh) | 一种谐波电量型能效采集终端 | |
| CN111624398A (zh) | 一种配电线损采集模块及系统 | |
| CN212256564U (zh) | 针对电信号输出型仪表的物联网计量仪器通用系统 | |
| CN206948036U (zh) | 一种智能配变台区终端 | |
| CN203416050U (zh) | 变电室低压供电远程实时监控装置 | |
| CN202256647U (zh) | 一种全功能多表位电压监测仪校验装置 | |
| CN202305694U (zh) | 一种谐波电量型能效采集终端 | |
| CN212259017U (zh) | 针对指针式仪表的物联网计量仪器通用系统 |
Legal Events
| Date | Code | Title | Description |
|---|---|---|---|
| C14 | Grant of patent or utility model | ||
| GR01 | Patent grant | ||
| CF01 | Termination of patent right due to non-payment of annual fee | ||
| CF01 | Termination of patent right due to non-payment of annual fee |
Granted publication date: 20100908 Termination date: 20170814 |