CN201555424U - 热泵循环除湿烤房 - Google Patents

热泵循环除湿烤房 Download PDF

Info

Publication number
CN201555424U
CN201555424U CN2009201889239U CN200920188923U CN201555424U CN 201555424 U CN201555424 U CN 201555424U CN 2009201889239 U CN2009201889239 U CN 2009201889239U CN 200920188923 U CN200920188923 U CN 200920188923U CN 201555424 U CN201555424 U CN 201555424U
Authority
CN
China
Prior art keywords
evaporimeter
heat pump
barn
dehumidification
compressor
Prior art date
Legal status (The legal status is an assumption and is not a legal conclusion. Google has not performed a legal analysis and makes no representation as to the accuracy of the status listed.)
Expired - Fee Related
Application number
CN2009201889239U
Other languages
English (en)
Inventor
吴伯英
Current Assignee (The listed assignees may be inaccurate. Google has not performed a legal analysis and makes no representation or warranty as to the accuracy of the list.)
Individual
Original Assignee
Individual
Priority date (The priority date is an assumption and is not a legal conclusion. Google has not performed a legal analysis and makes no representation as to the accuracy of the date listed.)
Filing date
Publication date
Application filed by Individual filed Critical Individual
Priority to CN2009201889239U priority Critical patent/CN201555424U/zh
Application granted granted Critical
Publication of CN201555424U publication Critical patent/CN201555424U/zh
Anticipated expiration legal-status Critical
Expired - Fee Related legal-status Critical Current

Links

Images

Landscapes

  • Drying Of Solid Materials (AREA)

Abstract

本实用新型公开了一种热泵循环除湿烤房,包括保温烤房本体、控制系统以及受控制系统控制的热泵吸热系统和除湿系统,所述热泵吸热系统和除湿系统共用压缩机以及一端与压缩机一端连通的放热冷凝器,所述压缩机的另一端与放热冷凝器的另一端之间连通有相互并联设置的第一蒸发器支路和第二蒸发器支路,所述第一蒸发器支路包括串联设置的第一蒸发器、第一节流装置以及第一开关阀,所述第二蒸发器支路包括串联设置的第二蒸发器、第二节流装置和第二开关阀。本实用新型除湿效果好,既节省了烘烤时间,提高工作效率,又节约了电能,有利于节能环保。

Description

热泵循环除湿烤房
技术领域
本实用新型涉及一种热泵循环除湿烤房。
背景技术
现有的热泵烘烤房利用热泵进行烘烤加热,热泵一般包括通过制冷剂循环管道连通的压缩机、放热冷凝器以及蒸发器,制冷剂气体在压缩机内被压缩,温度和压力都增大,然后进入放热冷凝器中放热冷凝液化,再进入蒸发器吸热蒸发气化,最后又回到压缩机进入下一个循环。热泵烘烤加热利用了制冷剂在放热冷凝器中冷凝放热,来对待烘烤物进行加热烘烤。烘烤时热空气会带走待烘烤物中的水分而变成热湿空气,因此需要不时的除湿,现有技术中一般采用排湿窗通风除湿,通风排湿时排走了湿热空气,但是也排走了烘烤的热能、增加了烘烤时间和消耗的电能,并且还会将被烘烤物品的香气和特有的气味带走。如遇有阴雨天,进风的湿度还是很高,温度又很低,影响烘烤作业。
发明内容
本实用新型目的是提供一种热泵循环除湿烤房,其除湿效果好,既节省了烘烤时间,提高工作效率,又节约了电能,有利于节能环保。
本实用新型的技术方案是:一种热泵循环除湿烤房,包括保温烤房本体、控制系统以及受控制系统控制的热泵吸热系统和除湿系统,所述热泵吸热系统和除湿系统共用压缩机以及一端与压缩机一端连通的放热冷凝器,所述压缩机的另一端与放热冷凝器的另一端之间连通有相互并联设置的第一蒸发器支路和第二蒸发器支路,所述第一蒸发器支路包括串联设置的第一蒸发器、第一节流装置以及第一开关阀,所述第二蒸发器支路包括串联设置的第二蒸发器、第二节流装置和第二开关阀。所述热泵吸热系统吸收外界环境热量再通过冷凝器将热量散发于烤房本体内。所述第一开关阀和第二开关阀可以为电磁阀,控制系统通过控制第一开关阀和第二开关阀的开闭,来选择压缩机和放热冷凝器是与第一蒸发器支路连通进行加热工作,还是与第二蒸发器支路连通进行除湿工作。所述第一和第二节流装置可以为膨胀阀、毛细管等节流装置,分别用来对进入第一和第二蒸发器的制冷剂进行节流减压,使得其在蒸发器中蒸发更充分,同时还可以对制冷剂的流量进行调节,控制蒸发程度。
进一步的,所述压缩机和第一蒸发器位于烤房本体外部,所述放热冷凝器和第二蒸发器位于烤房本体内部。将压缩机和第一蒸发器设于烤房本体外部,使之不用处在高温环境中工作,延长了器件工作寿命。
进一步的,所述烤房本体内设有隔墙将烤房本体分隔成放置待烘烤物的加热工作部和回风道,所述隔墙上分别设有出风口和回风口,使得加热工作部与回风道之间连通形成空气循环风道。使得空气有规律方向的在烤房本体内循环。
进一步的,所述放热冷凝器设于出风口处,所述第二蒸发器设于回风口处。其中放热冷凝器朝向加热工作部的一侧还设有风机,风机使得经过放热冷凝器加热的空气吹到加热工作部,经过待烘烤物后,又从回风口经过第二蒸发器到达回风道内,然后又到达放热冷凝器,进行下个循环。
进一步的,所述第二蒸发器下方设有集水盘,所述集水盘底部与一排水管的一端连通,所述排水管的另一端伸出于烤房本体外部。集水盘收集从第二蒸发器表面冷凝并滴下的水,并通过排水管流出烤房本体外。一般该排水管由集水盘底部到烤房本体外部的另一端之间会有一个向下的倾斜角度,方便集水盘中的水通过排水管流出。
本实用新型的工作过程如下:
当热泵升温工作时,第一开关阀打开,第二开关阀关闭,热泵吸热系统开始工作。压缩机吸入气态制冷剂压缩作功提高制冷剂的压力和温度,接着制冷剂通过制冷剂循环管道送入烤房本体内的放热冷凝器放热,通过放热冷凝器前端的风机向烤房内待烘烤物品吹入热空气升温加热。放热冷凝器内的制冷剂放热后变成液态制冷剂,通过第一节流装置减压后,进入第一蒸发器内,蒸发吸热气化后,再进入压缩机完成一个热泵制热循环,控制系统的温度自动仪控制压缩机工作。
由于不断制热循环,烤房内被烤物品不断升温,热空气吹到被烤物品上,升温带走了水分,当温度和湿度到达一设定值时,控制系统将热泵吸热系统切换成除湿系统。即控制第一开关阀关闭,第二开关阀打开,此时除湿系统工作。制冷剂经过压缩机、放热冷凝器后,从放热冷凝器出来的制冷剂经过第二节流装置的节流减压后,进入第二蒸发器内,蒸发吸热,使得第二蒸发器表面的温度下降,然后制冷剂再进入压缩机进入下一个制冷剂循环。因为第二蒸发器表面温度低,因此在烤房本体内循环的热湿到达第二蒸发器时,空气中的水蒸气会在第二蒸发器表面凝结成水滴并被集水盘收集,最终被排出烤房本体外。这样不断循环除湿,使湿热空气变成干燥热空气,干燥热空气吹到被烤物品上更容易带走水分,缩短了烘干时间,达到节能。
通过控制系统的自动控制,可以在热泵吸热系统和除湿系统之间自动切换,使得本实用新型既可以自动循环热泵加热,又可自动循环除湿。
本实用新型优点是:
1、本实用新型除湿效果好,既节省了烘烤时间,提高工作效率,又节约了电能,有利于节能环保。
2、本实用新型所述第二蒸发器以及压缩机位于烤房本体外,提高了设备的工作效率又延长了使用寿命,使维修、安装更方便;同时也不会影响烤房的烘烤效果。
3、本实用新型在烤房内设置隔墙形成空气循环风道,使得烤房内的空气能够沿着空气循环风道流通,烘烤和除湿作业效果更好。
4.本实用新型整个烤房基本处于全封闭状态,不会受到外界环境和空气影响,提高了被烤物品的气味和品质。
附图说明
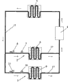
图1为本实用新型具体实施例的结构示意框图;
图2为本实用新型具体实施例的结构示意图。
其中:1烤房本体;2热泵吸热系统;3除湿系统;4压缩机;5放热冷凝器;6第一蒸发器;7第一节流装置;8第一开关阀;9第二蒸发器;10第二节流装置;11第二开关阀;12隔墙;13加热工作部;14回风道;15集水盘;16排水管;17制冷剂循环管道;18风机。
具体实施方式
下面结合附图及实施例对本实用新型作进一步描述:
实施例:如图1和图2所示,一种热泵循环除湿烤房,包括保温烤房本体1、控制系统以及受控制系统控制的热泵吸热系统2和除湿系统3,所述热泵吸热系统2和除湿系统3共用压缩机4以及放热冷凝器5,所述压缩机4、放热冷凝器5与第一蒸发器支路通过制冷剂循环管道17连通构成热泵吸热系统2,所述压缩机4、放热冷凝器5与第二蒸发器支路通过制冷剂循环管道17连通构成除湿系统3。其中第一蒸发器支路和第二蒸发器支路并联设置,所述第一蒸发器支路包括串联设置的第一蒸发器6、第一节流装置7以及第一开关阀8,所述第二蒸发器支路包括串联设置的第二蒸发器9、第二节流装置10和第二开关阀11。其中烤房本体由六面采用EPS、XPS或硬质聚氨酯Pu保温材料制成的保温墙体、保温门构成,其内设有烘烤架子(图中未示出);所述第一、第二开关阀为电磁阀,所述第一、第二节流装置为膨胀阀。
所述压缩机4和第一蒸发器6位于烤房本体1外部,所述放热冷凝器5和第二蒸发器9位于烤房本体1内部。
所述烤房本体1内设有隔墙12将烤房本体1纵向分隔成加热工作部13和回风道14,所述隔墙12分别于上部和下部设置出风口和回风口,使得加热工作部13与回风道14之间连通形成空气循环风道。所述放热冷凝器5设于出风口处,放热冷凝器5朝向加热工作部13的一侧设有风机18,所述第二蒸发器9设于回风口处。
所述第二蒸发器9下方设有集水盘15,所述集水盘15底部与一排水管16的一端连通,所述排水管16的另一端伸出于烤房本体1外部。
本实用新型除湿效果好,既节省了烘烤时间,提高工作效率,又节约了电能,有利于节能环保。

Claims (5)

1.一种热泵循环除湿烤房,包括保温烤房本体(1)、控制系统以及受控制系统控制的热泵吸热系统(2)和除湿系统(3),所述热泵吸热系统(2)和除湿系统(3)共用压缩机(4)以及一端与压缩机(4)一端连通的放热冷凝器(5),其特征在于:所述压缩机(4)的另一端与放热冷凝器(5)的另一端之间连通有相互并联设置的第一蒸发器支路和第二蒸发器支路,所述第一蒸发器支路包括串联设置的第一蒸发器(6)、第一节流装置(7)以及第一开关阀(8),所述第二蒸发器支路包括串联设置的第二蒸发器(9)、第二节流装置(10)和第二开关阀(11)。
2.根据权利要求1所述的热泵循环除湿烤房,其特征在于:所述压缩机(4)和第一蒸发器(6)位于烤房本体(1)外部,所述放热冷凝器(5)和第二蒸发器(9)位于烤房本体(1)内部。
3.根据权利要求1所述的热泵循环除湿烤房,其特征在于:所述烤房本体(1)内设有隔墙(12)将烤房本体(1)分隔成加热工作部(13)和回风道(14),所述隔墙(12)上分别设有出风口和回风口,使得加热工作部(13)与回风道(14)之间连通形成空气循环风道。
4.根据权利要求3所述的热泵循环除湿烤房,其特征在于:所述放热冷凝器(5)设于出风口处,所述第二蒸发器(9)设于回风口处。
5.根据权利要求2或4所述的热泵循环除湿烤房,其特征在于:所述第二蒸发器(9)下方设有集水盘(15),所述集水盘(15)底部与一排水管(16)的一端连通,所述排水管(16)的另一端伸出于烤房本体(1)外部。
CN2009201889239U 2009-10-23 2009-10-23 热泵循环除湿烤房 Expired - Fee Related CN201555424U (zh)

Priority Applications (1)

Application Number Priority Date Filing Date Title
CN2009201889239U CN201555424U (zh) 2009-10-23 2009-10-23 热泵循环除湿烤房

Applications Claiming Priority (1)

Application Number Priority Date Filing Date Title
CN2009201889239U CN201555424U (zh) 2009-10-23 2009-10-23 热泵循环除湿烤房

Publications (1)

Publication Number Publication Date
CN201555424U true CN201555424U (zh) 2010-08-18

Family

ID=42615108

Family Applications (1)

Application Number Title Priority Date Filing Date
CN2009201889239U Expired - Fee Related CN201555424U (zh) 2009-10-23 2009-10-23 热泵循环除湿烤房

Country Status (1)

Country Link
CN (1) CN201555424U (zh)

Cited By (11)

* Cited by examiner, † Cited by third party
Publication number Priority date Publication date Assignee Title
CN102440430A (zh) * 2011-10-19 2012-05-09 广东中烟工业有限责任公司 密集型烤房及采用该密集型烤房的烟叶烘烤方法
CN102599629A (zh) * 2012-04-19 2012-07-25 江苏科地现代农业有限公司 聚氨酯可拆卸板块式密集烤房设备
CN103175382A (zh) * 2011-12-26 2013-06-26 中国科学院理化技术研究所 热泵干燥系统
CN103206840A (zh) * 2013-03-28 2013-07-17 宁波天海制冷设备有限公司 一种木材烘干机
CN103307866A (zh) * 2013-06-05 2013-09-18 广州德能热源设备有限公司 一种热回收自动除湿的高温热泵烘干机组
CN105029655A (zh) * 2015-08-03 2015-11-11 天津市傲绿农副产品集团股份有限公司 一种节能型果蔬热泵干燥装置
CN106482372A (zh) * 2016-10-18 2017-03-08 章晓晓 一种抽湿器
CN109405446A (zh) * 2018-11-06 2019-03-01 马鞍山沐及信息科技有限公司 一种热泵干燥系统
CN110447942A (zh) * 2019-08-07 2019-11-15 珠海格力电器股份有限公司 热泵烘烤设备的除湿方法及热泵烘烤设备
CN111637624A (zh) * 2020-05-15 2020-09-08 苏州苏净安发空调有限公司 一种低温型谷物热泵热风机
CN115264945A (zh) * 2022-06-27 2022-11-01 青岛海尔空调器有限总公司 热泵热水器、热泵热水器除湿控制方法及存储介质

Cited By (13)

* Cited by examiner, † Cited by third party
Publication number Priority date Publication date Assignee Title
CN102440430A (zh) * 2011-10-19 2012-05-09 广东中烟工业有限责任公司 密集型烤房及采用该密集型烤房的烟叶烘烤方法
CN102440430B (zh) * 2011-10-19 2014-02-26 广东中烟工业有限责任公司 密集型烤房及采用该密集型烤房的烟叶烘烤方法
CN103175382A (zh) * 2011-12-26 2013-06-26 中国科学院理化技术研究所 热泵干燥系统
CN102599629A (zh) * 2012-04-19 2012-07-25 江苏科地现代农业有限公司 聚氨酯可拆卸板块式密集烤房设备
CN103206840A (zh) * 2013-03-28 2013-07-17 宁波天海制冷设备有限公司 一种木材烘干机
CN103307866A (zh) * 2013-06-05 2013-09-18 广州德能热源设备有限公司 一种热回收自动除湿的高温热泵烘干机组
CN105029655A (zh) * 2015-08-03 2015-11-11 天津市傲绿农副产品集团股份有限公司 一种节能型果蔬热泵干燥装置
CN106482372A (zh) * 2016-10-18 2017-03-08 章晓晓 一种抽湿器
CN106482372B (zh) * 2016-10-18 2019-01-01 章晓晓 一种抽湿器
CN109405446A (zh) * 2018-11-06 2019-03-01 马鞍山沐及信息科技有限公司 一种热泵干燥系统
CN110447942A (zh) * 2019-08-07 2019-11-15 珠海格力电器股份有限公司 热泵烘烤设备的除湿方法及热泵烘烤设备
CN111637624A (zh) * 2020-05-15 2020-09-08 苏州苏净安发空调有限公司 一种低温型谷物热泵热风机
CN115264945A (zh) * 2022-06-27 2022-11-01 青岛海尔空调器有限总公司 热泵热水器、热泵热水器除湿控制方法及存储介质

Similar Documents

Publication Publication Date Title
CN201555424U (zh) 热泵循环除湿烤房
CN107136551B (zh) 一种闭式排湿和开式热风联合使用的热泵烟叶烘干房
CN201926258U (zh) 一种冷凝除湿空气源热泵加热烘烤装置
CN202494280U (zh) 一种空气源热泵加热冷凝除湿烘干装置
CN101666576A (zh) 热泵循环介质除湿烤房
CN202209858U (zh) 节能环保干燥箱
CN103912947B (zh) 用于风机盘管和热回收新风空调机组的热泵系统
CN202002440U (zh) 一种冷凝除湿热水加热烘烤装置
CN209341472U (zh) 新风再热型热泵热回收空调机组
CN106855353A (zh) 具有除湿型与排湿型切换功能的热泵干燥设备及干燥方法
CN201706831U (zh) 节能型恒温恒湿保鲜冷库系统
CN107166902A (zh) 一种多功能热泵干燥装置
CN109813064B (zh) 智能空气能烘干系统及其烘干方法
CN202195637U (zh) 热管式冰箱
CN207231092U (zh) 一种多功能热泵干燥装置
CN206821956U (zh) 一种闭式排湿和开式热风联合使用的热泵烟叶烘干房
CN108954742A (zh) 可提高能源利用效率的中央空调系统的新风处理装置
CN104634066B (zh) 多功能空调、热泵烘干及除湿装置
CN104833131B (zh) 一种多循环回路的分体式空调机
CN104848497A (zh) 一种空气调节器
CN208887245U (zh) 一种烘干房及其热回收系统
CN207674830U (zh) 一种闭循环热泵烘干除湿系统
CN103644714A (zh) 闭环除湿热泵干燥系统
CN205690807U (zh) 模拟自然环境高效低温烘干系统
CN103557670B (zh) 超市冷柜冷凝热集中处理系统

Legal Events

Date Code Title Description
C14 Grant of patent or utility model
GR01 Patent grant
CF01 Termination of patent right due to non-payment of annual fee

Granted publication date: 20100818

Termination date: 20141023

EXPY Termination of patent right or utility model