CN201323457Y - A high-accuracy collecting-distributing automatic reactive power compensation control system - Google Patents
A high-accuracy collecting-distributing automatic reactive power compensation control system Download PDFInfo
- Publication number
- CN201323457Y CN201323457Y CNU2008201924539U CN200820192453U CN201323457Y CN 201323457 Y CN201323457 Y CN 201323457Y CN U2008201924539 U CNU2008201924539 U CN U2008201924539U CN 200820192453 U CN200820192453 U CN 200820192453U CN 201323457 Y CN201323457 Y CN 201323457Y
- Authority
- CN
- China
- Prior art keywords
- phase
- fuse
- contactor
- compensation
- controller
- Prior art date
- Legal status (The legal status is an assumption and is not a legal conclusion. Google has not performed a legal analysis and makes no representation as to the accuracy of the status listed.)
- Expired - Lifetime
Links
- 239000003990 capacitor Substances 0.000 claims abstract description 24
- 238000001514 detection method Methods 0.000 claims description 10
- 101100128229 Caenorhabditis elegans ldb-1 gene Proteins 0.000 claims description 2
- 230000000295 complement effect Effects 0.000 abstract 1
- 239000006185 dispersion Substances 0.000 abstract 1
- 230000002452 interceptive effect Effects 0.000 abstract 1
- 238000005516 engineering process Methods 0.000 description 4
- 238000000034 method Methods 0.000 description 4
- 230000005611 electricity Effects 0.000 description 3
- 230000001681 protective effect Effects 0.000 description 3
- 230000001012 protector Effects 0.000 description 3
- 230000006378 damage Effects 0.000 description 2
- 230000000694 effects Effects 0.000 description 2
- 238000001914 filtration Methods 0.000 description 2
- 238000005070 sampling Methods 0.000 description 2
- 230000002411 adverse Effects 0.000 description 1
- 238000004378 air conditioning Methods 0.000 description 1
- 230000009286 beneficial effect Effects 0.000 description 1
- 230000007423 decrease Effects 0.000 description 1
- 230000007812 deficiency Effects 0.000 description 1
- 238000010586 diagram Methods 0.000 description 1
- 238000007599 discharging Methods 0.000 description 1
- 238000010438 heat treatment Methods 0.000 description 1
- 230000001939 inductive effect Effects 0.000 description 1
- 230000003068 static effect Effects 0.000 description 1
- 239000002699 waste material Substances 0.000 description 1
Images
Classifications
-
- Y—GENERAL TAGGING OF NEW TECHNOLOGICAL DEVELOPMENTS; GENERAL TAGGING OF CROSS-SECTIONAL TECHNOLOGIES SPANNING OVER SEVERAL SECTIONS OF THE IPC; TECHNICAL SUBJECTS COVERED BY FORMER USPC CROSS-REFERENCE ART COLLECTIONS [XRACs] AND DIGESTS
- Y02—TECHNOLOGIES OR APPLICATIONS FOR MITIGATION OR ADAPTATION AGAINST CLIMATE CHANGE
- Y02E—REDUCTION OF GREENHOUSE GAS [GHG] EMISSIONS, RELATED TO ENERGY GENERATION, TRANSMISSION OR DISTRIBUTION
- Y02E40/00—Technologies for an efficient electrical power generation, transmission or distribution
- Y02E40/30—Reactive power compensation
Landscapes
- Supply And Distribution Of Alternating Current (AREA)
Abstract
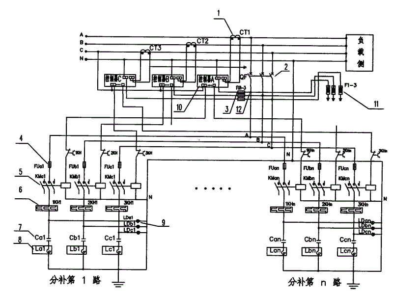
本实用新型公开了一种高精度的集散式自动无功补偿控制系统,其特征在于:电网主母线A、B、C三相接断路器QF的进线端,断路器的出线端分别并接在避雷器F1、避雷器F2、避雷器F3和一次主回路的各单相熔断器;各单相熔断器再分别与各相接触器主触头相接,接触器主触头的另一端与各相的热继电器、电容器、放电灯和电抗器相接;二次控制回路的熔断器的另一端分别与各智能分补控制器相接;各控制器分别取样单相回路上的电压、电流信号,采用三路独立的集散式智能补偿回路,驱动接触器动作,选择补偿电容的组合,实现各单相回路上的比例分补投切,使分散补偿精度更高,且相与相之间的智能分补互不干扰,实现动态的三相平衡。
The utility model discloses a high-precision collecting and distributing automatic reactive power compensation control system, which is characterized in that: the three-phase main busbars A, B and C of the power grid are connected to the incoming line end of the circuit breaker QF, and the outgoing line ends of the circuit breaker are respectively connected in parallel Each single-phase fuse in the arrester F1, arrester F2, arrester F3 and primary main circuit; each single-phase fuse is connected to the main contact of each phase contactor, and the other end of the contactor main contact is connected to the contactor of each phase. Thermal relays, capacitors, discharge lamps and reactors are connected; the other ends of the fuses of the secondary control loops are respectively connected to the intelligent distribution controllers; each controller samples the voltage and current signals on the single-phase circuit respectively, and uses Three independent collection and distribution intelligent compensation circuits drive the contactor action, select the combination of compensation capacitors, and realize the proportional compensation switching on each single-phase circuit, so that the dispersion compensation accuracy is higher, and the intelligent distribution between phases Complementary and non-interfering, realize dynamic three-phase balance.
Description
技术领域: Technical field:
本实用新型涉及配电系统电网的无功补偿技术领域,具体地说是一种高精度的集散式自动无功补偿控制系统。The utility model relates to the technical field of reactive power compensation for power distribution system grids, in particular to a high-precision collection and distribution automatic reactive power compensation control system.
背景技术: Background technique:
随着国民经济的迅速发展和日常用电量的增加,电网的经济运行日益受到重视。尤其是在一些民用建筑中大量使用的是单相负荷,照明、空调等,由于负荷变化的随机性大,容易造成三相负载供电的不平衡,尤其是住宅楼在运行中三相不平衡更为严重,而由此造成危害会引起旋转电机的发热,导致以负序分量为起动分量的多种保护系统发生误动作,同时还会缩短许多用电设备的使用寿命,所有这些造成电网的电能质量下降所带来的诸多隐患仍未受到大家的足够重视。With the rapid development of the national economy and the increase of daily electricity consumption, the economic operation of the power grid has been paid more and more attention. Especially in some civil buildings, a large number of single-phase loads are used, such as lighting and air conditioning. Due to the randomness of load changes, it is easy to cause unbalanced three-phase load power supply, especially in residential buildings. It is more serious, and the resulting harm will cause the heating of the rotating electrical machine, resulting in the misoperation of various protection systems with negative sequence components as the starting components, and at the same time shorten the service life of many electrical equipment, all of which cause the electric energy of the grid The many hidden dangers brought about by the decline in quality have not yet received enough attention from everyone.
而以往的三相共补调节补偿无功功率的采样信号取自三相中的任意一相,这样就会造成未检测的另两相会出现要么过补偿,要么欠补偿。另外,三相共补的补偿电容器通常会使用三相对称的三角形接法,而电源变压器所接的三相负载又是不对称的,当补偿后三相总功率因数等于1时,也会出现有的相欠补偿,有的相过补偿。In the past, the sampling signal of the three-phase co-complement adjustment and compensation reactive power is taken from any one of the three phases, which will cause the other two phases that are not detected to be either over-compensated or under-compensated. In addition, the three-phase co-compensation compensation capacitor usually uses a three-phase symmetrical delta connection, and the three-phase load connected to the power transformer is asymmetrical. When the total power factor of the three phases after compensation is equal to 1, there will also be Some are undercompensated and some are overcompensated.
如果是欠补偿,受电端电压低于送电端电压,则补偿相的回路电流增大,线路及断路器等主回路的设备都会由于电流的增加而导致发热被烧坏。If it is under-compensated, the voltage at the receiving end is lower than the voltage at the transmitting end, the loop current of the compensation phase will increase, and the main loop equipment such as lines and circuit breakers will be burned out due to the increase in current.
如果是过补偿,受电端电压高于送电端电压,则过补偿相的电压将升高,造成系统的一些“虚电压”的出现,可使一些控制、保护元件等用电设备因过电压而消耗、损坏;考虑到线路电压损失,一般送电端电压要高于额定电压5%~10%;在过补偿的情况下,再加上电压升高,则受电端电压超过额定电压的数值就远远大于10%。如果电容器并联于变压器的二次侧,变压器的阻抗也要计入线路的阻抗,于是受电端电压将升高得更多。运行电压的升高,对电力电容器及整个系统的安全运行会产生极不利的影响。另外,三相不对称负载采用三相对称三角形接法的电力电容器组进行补偿,则变压器的容量得不到充分利用。If it is overcompensation, the voltage at the receiving terminal is higher than the voltage at the transmitting terminal, the voltage of the overcompensated phase will increase, causing some "virtual voltage" of the system to appear, which may cause some control and protection components and other electrical equipment to be damaged due to overcompensation. Voltage consumption and damage; Considering the line voltage loss, the voltage of the power transmitting terminal is generally 5% to 10% higher than the rated voltage; in the case of overcompensation, coupled with the voltage increase, the voltage of the power receiving terminal exceeds the rated voltage The value is far greater than 10%. If the capacitor is connected in parallel to the secondary side of the transformer, the impedance of the transformer should also be included in the impedance of the line, so the voltage at the receiving end will increase even more. The increase of operating voltage will have a very adverse effect on the safe operation of power capacitors and the entire system. In addition, the three-phase asymmetrical load is compensated by a three-phase symmetrical delta-connected power capacitor bank, so the capacity of the transformer cannot be fully utilized.
所以说在这种三相严重不平衡的情况下,用传统的三相无功补偿方式不但不节能,反而会浪费资源,难以对系统的无功补偿进行有效补偿,补偿过程中所产生的过、欠补偿等弊端更是对整个电网的正常运行带来的危害。Therefore, in the case of serious three-phase unbalance, using the traditional three-phase reactive power compensation method will not only save energy, but will waste resources, and it is difficult to effectively compensate the reactive power compensation of the system. Disadvantages such as lack of compensation and undercompensation are even more harmful to the normal operation of the entire power grid.
发明内容: Invention content:
本实用新型针对背景技术中普通无功补偿的不足,设计了一种高精度的集散式自动无功补偿控制系统,采用三相独立的分补偿措施,从而彻底改变了以往无功功率参数信号的取样方式,通过各自独立的单相智能分补控制器分别取样各单相回路上的电压、电流信号,并跟踪系统中每个单相上的无功变化,以每相的无功功率为控制物理量,以用户设定的每相功率因数为投切参考限量,根据每相感性负载的大小和实际单相功率因数的高低,采用三路分别独立的分散式智能补偿回路,合理选择补偿电容的组合对各个单相进行分散式精确自动无功补偿,补偿效果十分明显,而且对其它的相也不会产生相互干扰和抢先投切补偿的影响,完全避免了欠补偿和过补偿的情况出现。由于回路上采用了单相星形联接电容器组,使每相电容器依据“取平补齐”的原则投入电网,实现各单相回路上的比例分补投切技术,提高了系统的静态补偿精度。Aiming at the deficiency of ordinary reactive power compensation in the background technology, the utility model designs a high-precision centralized and distributed automatic reactive power compensation control system, and adopts three-phase independent sub-compensation measures, thereby completely changing the traditional reactive power parameter signal. Sampling method, through the independent single-phase intelligent sub-compensation controller to sample the voltage and current signals on each single-phase circuit, and track the reactive power change on each single-phase in the system, and control the reactive power of each phase Physical quantity, with the power factor of each phase set by the user as the switching reference limit, according to the size of the inductive load of each phase and the level of the actual single-phase power factor, three independent distributed intelligent compensation circuits are used to reasonably select the compensation capacitor. The combination performs decentralized precise automatic reactive power compensation for each single phase, the compensation effect is very obvious, and there will be no mutual interference and pre-emptive switching compensation for other phases, completely avoiding the occurrence of under-compensation and over-compensation. Since the single-phase star-connected capacitor bank is used on the circuit, the capacitors of each phase are put into the power grid according to the principle of "taking level and making up", realizing the proportional distribution and compensation switching technology on each single-phase circuit, and improving the static compensation accuracy of the system .
本实用新型解决技术问题所采用的技术方案是:一种高精度的集散式自动无功补偿控制系统,主要由断路器、互感器、控制器、熔断器、接触器热继电器、放电灯、电容器和电抗器构成;其特征在于:电网主母线A、B、C、N的三相四线电源线中的A、B、C相接断路器QF的进线端,断路器的出线端A、B、C三相分别与避雷器F1、避雷器F2、避雷器F3、一次主回路的快速熔断器熔断器(FUa1~FUan)、熔断器(FUb1~FUbn)、熔断器(FUc1~FUcn)和二次控制回路的保护熔断器FU1、保护熔断器FU2、保护熔断器FU3的一端相联接。The technical solution adopted by the utility model to solve the technical problem is: a high-precision distributed automatic reactive power compensation control system, which is mainly composed of circuit breakers, transformers, controllers, fuses, contactor thermal relays, discharge lamps, and capacitors. It is composed of a reactor; it is characterized in that: A, B, and C phases of the three-phase four-wire power lines of the main busbars A, B, C, and N of the power grid are connected to the incoming line end of the circuit breaker QF, and the outgoing line ends A, The three phases B and C are respectively connected with arrester F1, arrester F2, arrester F3, fast-acting fuse (FUa1~FUan), fuse (FUb1~FUbn), fuse (FUc1~FUcn) of the primary main circuit and secondary control One end of the protection fuse FU1, protection fuse FU2 and protection fuse FU3 of the circuit is connected.
本实用新型所述的一次主回路的快速熔断器(FUa1~FUan)、熔断器(FUb1~FUbn)、熔断器(FUc1~FUcn)的另一端经导线分别接投切接触器(KMa1~KMan)、接触器(KMb1~KMBn)、接触器(KMc1~KMcn)的主触头,接触器的主触头另一端分别接每相热继电器(1KH1~1KHn)、热继电器(2KH1~2KHn)、热继电器(3KH1~3KHn);热继电器的另一端分别并接各分支回路的放电灯(LDa1~LDan)、放电灯(LDb1~LDbn)、放电灯(LDc1~LDcn)和星形接法的补偿电容器(Ca1~Can)、补偿电容器(Cb1~Cbn)、补偿电容器(Cc1~Ccn),电容器的另一端接电抗器(La1~Lan)、电抗器(Lb1~Lbn)、电抗器(Lc1~Lcn),其星型的公共端良好接地。The other ends of the fast fuses (FUa1~FUan), fuses (FUb1~FUbn) and fuses (FUc1~FUcn) of the primary main circuit described in the utility model are respectively connected to switching contactors (KMa1~KMan) via wires , the contactor (KMb1~KMBn), the main contact of the contactor (KMc1~KMcn), the other end of the main contact of the contactor is respectively connected to each phase thermal relay (1KH1~1KHn), thermal relay (2KH1~2KHn), thermal relay (2KH1~2KHn), thermal relay Relay (3KH1 ~ 3KHn); the other end of the thermal relay is connected in parallel with the discharge lamp (LDa1 ~ LDan), discharge lamp (LDb1 ~ LDbn), discharge lamp (LDc1 ~ LDcn) of each branch circuit and the compensation capacitor in star connection (Ca1~Can), compensation capacitor (Cb1~Cbn), compensation capacitor (Cc1~Ccn), the other end of the capacitor is connected with reactor (La1~Lan), reactor (Lb1~Lbn), reactor (Lc1~Lcn) , the common end of the star is well grounded.
本实用新型所述二次控制回路取自C相电源,并分别与控制器A、控制器B、控制器C的输出无源接点相联接,每个控制器输出的无源接点的另一端与热继电器(1KH1~1KHn)、热继电器(2KH1~2KHn)、热继电器(3KH1~3KHn)的辅助触头相联接,辅助触头的另一端接投切接触器线圈(KMa1~KMan)、接触器线圈(KMb1~KMbn)、接触器线圈(KMc1~KMcn),各相接触器线圈的另一端分别并接在电源的N线上。The secondary control loop of the utility model is taken from the C-phase power supply, and is respectively connected with the output passive contacts of the controller A, controller B, and controller C, and the other end of the passive contact output of each controller is connected to the Thermal relay (1KH1~1KHn), thermal relay (2KH1~2KHn), thermal relay (3KH1~3KHn) are connected with auxiliary contacts, and the other end of auxiliary contact is connected with switching contactor coil (KMa1~KMan), contactor Coils (KMb1~KMbn), contactor coils (KMc1~KMcn), and the other ends of the contactor coils of each phase are respectively connected to the N line of the power supply in parallel.
本实用新型所述的电压检测回路,将二次控制回路的熔断器FU1、熔断器FU2、熔断器FU3的另一端分别接控制器中的A、B、C三相的相电压检测单元,控制器A、B、C的相电压检测单元接地端分别并接在三相四线的N线上。In the voltage detection loop described in the utility model, the other ends of the fuse FU1, fuse FU2, and fuse FU3 of the secondary control loop are respectively connected to the phase voltage detection units of the three phases A, B, and C in the controller to control The ground terminals of the phase voltage detection units of devices A, B, and C are respectively connected in parallel to the N wire of the three-phase four-wire.
在本实用新型所述的的电流检测回路,取自主回路三相电源A相、B相和C相串接的电流互感器CT1、电流互感器CT2、电流互感器CT3,电流互感器的二次线S1、S2端分别接智能单相补偿控制器A、控制器B、控制器C中单相电流检测单元,并将每只互感器S2端的二次线短接并接地;In the current detection circuit described in the utility model, the current transformer CT1, the current transformer CT2, the current transformer CT3 connected in series of the main circuit three-phase power supply A phase, B phase and C phase, the secondary current transformer The S1 and S2 ends of the line are respectively connected to the single-phase current detection unit in the intelligent single-phase compensation controller A, controller B, and controller C, and the secondary line of the S2 end of each transformer is short-circuited and grounded;
本实用新型所述的电路中所有N线都联接在电源的N线上。All N wires in the circuit described in the utility model are connected to the N wires of the power supply.
本实用新型技术的有益效果是:一种高精度的集散式自动无功补偿控制系统,既适用于大型厂矿的线路、变压器的三相不平衡的无功补偿上,又适用于具体用户如商场、办公楼、居民小区电能等不对称性负载的无功补偿,具有实时性高、精度高、超级节能的特点,因此具有广大的应用前景。The beneficial effect of the technology of the utility model is: a high-precision distributed automatic reactive power compensation control system, which is not only suitable for the three-phase unbalanced reactive power compensation of the lines of large-scale factories and mines, and transformers, but also suitable for specific users such as shopping malls The reactive power compensation of asymmetrical loads such as electric energy in office buildings and residential areas has the characteristics of high real-time performance, high precision and super energy saving, so it has broad application prospects.
该项实用新型新技术不仅可以提高系统整个回路的功率因数、节能降损,改善电压质量、节约用电、增大变压器有功容量等显著效果,而且还可以充分挖掘设备的工作容量,减小线损率20%,改善用电设备启动和运行条件,提高线路供电能力。This utility model new technology can not only improve the power factor of the entire circuit of the system, save energy and reduce loss, improve voltage quality, save electricity, increase the active capacity of the transformer, etc., but also can fully tap the working capacity of the equipment, reduce the line The loss rate is 20%, improving the starting and operating conditions of electrical equipment, and increasing the power supply capacity of the line.
附图说明: Description of drawings:
下面结合附图对本实用新型进一步说明:Below in conjunction with accompanying drawing, the utility model is further described:
图1是本实用新型电气线路示意图。Fig. 1 is a schematic diagram of the electric circuit of the utility model.
在图1中,1、电流互感器CT1,2、主回路断路器QF,3、快速熔断器(FUa1),4、保护熔断器(FU1),5、投切接触器(KMa1),6、热继电保护器1KH1,7、补偿电容器(Ca1),8、电抗器(La1),9、放电灯(LDa1),10、智能单相补偿主控制器A,11、避雷器(F1)。12、电压信号检测点。In Figure 1, 1, current transformer CT1, 2, main circuit breaker QF, 3, fast fuse (FUa1), 4, protective fuse (FU1), 5, switching contactor (KMa1), 6, Thermal relay protector 1KH1, 7, compensation capacitor (Ca1), 8, reactor (La1), 9, discharge lamp (LDa1), 10, intelligent single-phase compensation main controller A, 11, arrester (F1). 12. Voltage signal detection point.
具体实施方式: Detailed ways:
在图1的实施例中,一种高精度的集散式自动无功补偿控制系统,现以A相精确补偿回路为例,重点描述本实用新型的实施过程:电网主母线A、B、C、N的三相四线电源中的A相接断路器2(QF)的进线端,断路器2的出线端A相用导线分别与避雷器11(避雷器F1)和一次主回路的快速熔断器3(FUa1)以及二次控制回路的保护熔断器4(FU1)相并接。In the embodiment of Fig. 1, a high-precision distributed automatic reactive power compensation control system, now taking the A-phase precise compensation circuit as an example, emphatically describes the implementation process of the utility model: power grid main busbars A, B, C, Phase A in the three-phase four-wire power supply of N is connected to the incoming line terminal of circuit breaker 2 (QF), and the outgoing line terminal of
本实用新型所述的一次主回路的熔断器3(FUa1)的另一端经导线分别接投切接触器5(KMa1)主触头,接触器主触头5的出线端接热继电器6(1KH1);热继电器6的另一端分别并接A相补偿电容器7(Ca1)和分支回路的放电灯9(LDa1),A相补偿电容器7的另一端接电抗器8(La1),其星型接法的公共端应良好接地。The other end of the fuse 3 (FUa1) of the primary main circuit described in the utility model is respectively connected to the main contact of the switching contactor 5 (KMa1) through the wire, and the outlet terminal of the contactor
本实用新型所述的二次控制回路的保护熔断器4(FU1)的另一端分别接控制器10中的A相的相电压检测单元,控制器10的A相电压检测单元的接地端接在电源三相四线的N线上。The other end of the protective fuse 4 (FU1) of the secondary control loop described in the utility model is respectively connected to the phase voltage detection unit of the A phase in the
在本实用新型所述的主回路中,三相电源的A相串接有电流互感器1(CT1),互感器1的二次线S1、S2端接智能单相补偿主控制器10的A相中单相电流检测单元,并将电流互感器1的S2端的二次线短接并接地;In the main circuit described in the utility model, the A phase of the three-phase power supply is connected in series with a current transformer 1 (CT1), and the secondary lines S1 and S2 of the
本实用新型所述的二次控制回路电源取自主母线三相四线上的C相,供给智能单相补偿主控制器10的输出的无源接点,主控制器10输出的无源接点与热继电器6(1KH1)的常闭辅助触头相联接;热继电器6常闭辅助触头的另一端与投切接触器5线圈(KMa1)相联接,投切接触器5的线圈另一端接电源的N线上。The secondary control loop power supply described in the utility model is taken from the C phase on the main bus three-phase four-line, and supplies the passive contact of the output of the intelligent single-phase compensation
本实用新型所述的所有N线都引自电源的N线上。All the N wires described in the utility model are all drawn from the N wires of the power supply.
本实用新型电路的工作原理是:接通主回路电路断路器,三相电源中的A相电经主回路的熔断器(FUa1~FUan)→投切接触器主触头(KMa1~KMan)→热继电器(1KH1~1KHn)→星形接法的补偿电容器(Ca1~Can)再分别接分支回路的放电灯(LDa1~LDan)和电抗器(La1~Lan)→接地。The working principle of the circuit of the utility model is: connect the circuit breaker of the main circuit, the A-phase electricity in the three-phase power supply passes through the fuse (FUa1~FUan) of the main circuit→switching and cutting the main contact of the contactor (KMa1~KMan)→ Thermal relay (1KH1~1KHn)→compensation capacitor (Ca1~Can) in star connection and then respectively connected to branch circuit discharge lamp (LDa1~LDan) and reactor (La1~Lan)→grounding.
A相的智能分补控制器的输入信号,采样自A相电流互感器提供的电流信号和经熔断器(FU1)引入单相电压信号,由控制器自动处理使每相的无功功率成为主控制量、以电压和功率因数为可选的辅助控制量(而不同于简单的功率因数或电压),再进行多重滤波、计算出A相分支回路的无功变化,采用单相的独立集散式智能补偿回路,合理选择A相补偿电容(Ca1~Can)的组合,决定A相补偿投切接触器(KMa1~KMan)的分合数量,驱动投切接触器(KMa1~KMan)动作,接触器(KMa1~KMan)触头吸合后接通A相投切补偿电容(Ca1~Can)和A相电抗器(La1~Lan)的数量,达到对A相回路的无功精确补偿的目的,电抗器(La1~Lan)作为备选,如果有滤波需要时,再决定串入。The input signal of the intelligent sub-compensation controller of phase A is sampled from the current signal provided by the current transformer of phase A and the single-phase voltage signal introduced through the fuse (FU1), which is automatically processed by the controller so that the reactive power of each phase becomes the main Control quantity, voltage and power factor as optional auxiliary control quantity (different from simple power factor or voltage), and then perform multiple filtering to calculate the reactive power change of the A-phase branch circuit, using single-phase independent collection and distribution Intelligent compensation circuit, rationally select the combination of A-phase compensation capacitors (Ca1~Can), determine the number of opening and closing of A-phase compensation switching contactors (KMa1~KMan), drive the switching contactors (KMa1~KMan) action, contactor (KMa1~KMan) After the contacts are closed, the number of A-phase switching compensation capacitors (Ca1~Can) and A-phase reactors (La1-Lan) is connected to achieve the purpose of reactive power compensation for the A-phase circuit. (La1~Lan) as an option, if there is a need for filtering, then decide to connect in series.
A相回路的保护是由快速熔断保险(FUa1~Fuan)和热继电保护器(1KH1~1KHn)来进行的,如果主回路出现过流,则熔断器迅速熔断(FUa1~FUan),断开主回路;如果主回路出现过热,则热继电保护器(1KH1~1KHn)断开投切接触器(KMa1~KMan)的二次控制回路,通过投切接触器(KMa1~KMan)断电,其主触头断开一次主回路,从而实现A相回路的保护。The protection of phase A circuit is carried out by fast-fusing fuse (FUa1~Fuan) and thermal relay protector (1KH1~1KHn). If the main circuit has overcurrent, the fuse will blow quickly (FUa1~FUan) Main circuit; if the main circuit is overheated, the thermal relay protector (1KH1~1KHn) disconnects the secondary control circuit of the switching contactor (KMa1~KMan), and cuts off the power through the switching contactor (KMa1~KMan), Its main contact disconnects the primary main circuit, thereby realizing the protection of the A-phase circuit.
而A相的补偿电容器(Ca1~Can)的断电保护是由与各分支回路中放电灯(LDa1~Ldan)来实现放电的,并能延长补偿电容器使用寿命。The power-off protection of the compensation capacitors (Ca1~Can) of phase A is realized by discharging with the discharge lamps (LDa1~Ldan) in each branch circuit, and can prolong the service life of the compensation capacitors.
B、C相的元器件结构和电路的工作原理与A相完全一致,就不再重复一一叙述。The component structure and circuit working principle of phase B and phase C are exactly the same as those of phase A, so we will not repeat them one by one.
精确补偿系统主回路的过负荷保护和过电压保护,是由主回路断路器QF和避雷器(F1~F3)来进行的。The overload protection and overvoltage protection of the main circuit of the precise compensation system are carried out by the main circuit breaker QF and lightning arresters (F1 ~ F3).
Claims (5)
Priority Applications (1)
| Application Number | Priority Date | Filing Date | Title |
|---|---|---|---|
| CNU2008201924539U CN201323457Y (en) | 2008-11-13 | 2008-11-13 | A high-accuracy collecting-distributing automatic reactive power compensation control system |
Applications Claiming Priority (1)
| Application Number | Priority Date | Filing Date | Title |
|---|---|---|---|
| CNU2008201924539U CN201323457Y (en) | 2008-11-13 | 2008-11-13 | A high-accuracy collecting-distributing automatic reactive power compensation control system |
Publications (1)
| Publication Number | Publication Date |
|---|---|
| CN201323457Y true CN201323457Y (en) | 2009-10-07 |
Family
ID=41160829
Family Applications (1)
| Application Number | Title | Priority Date | Filing Date |
|---|---|---|---|
| CNU2008201924539U Expired - Lifetime CN201323457Y (en) | 2008-11-13 | 2008-11-13 | A high-accuracy collecting-distributing automatic reactive power compensation control system |
Country Status (1)
| Country | Link |
|---|---|
| CN (1) | CN201323457Y (en) |
Cited By (4)
| Publication number | Priority date | Publication date | Assignee | Title |
|---|---|---|---|---|
| CN102394501A (en) * | 2011-03-18 | 2012-03-28 | 北京潞能麒麟电力设备有限公司 | Energy-saving method and device based on power grid load dynamic balance |
| CN103001232A (en) * | 2011-09-28 | 2013-03-27 | 山西润世华电力科技有限公司 | Low-voltage reactive compensation independent switch control system |
| CN103050980A (en) * | 2012-11-21 | 2013-04-17 | 杭州万禾电力科技有限公司 | Low-voltage capacitance compensating system and control method |
| CN105552944A (en) * | 2016-02-26 | 2016-05-04 | 东北大学 | Network system comprising energy storage and energy router and energy adjustment method |
-
2008
- 2008-11-13 CN CNU2008201924539U patent/CN201323457Y/en not_active Expired - Lifetime
Cited By (5)
| Publication number | Priority date | Publication date | Assignee | Title |
|---|---|---|---|---|
| CN102394501A (en) * | 2011-03-18 | 2012-03-28 | 北京潞能麒麟电力设备有限公司 | Energy-saving method and device based on power grid load dynamic balance |
| CN103001232A (en) * | 2011-09-28 | 2013-03-27 | 山西润世华电力科技有限公司 | Low-voltage reactive compensation independent switch control system |
| CN103050980A (en) * | 2012-11-21 | 2013-04-17 | 杭州万禾电力科技有限公司 | Low-voltage capacitance compensating system and control method |
| CN105552944A (en) * | 2016-02-26 | 2016-05-04 | 东北大学 | Network system comprising energy storage and energy router and energy adjustment method |
| CN105552944B (en) * | 2016-02-26 | 2017-12-01 | 东北大学 | A kind of network system and energy adjustment method comprising energy storage and energy router |
Similar Documents
| Publication | Publication Date | Title |
|---|---|---|
| CN102130462B (en) | Intelligent compensation device for unbalanced electricity load | |
| CN203690938U (en) | Low-voltage reactive-power automatic compensation device | |
| CN102904264B (en) | A kind of High Voltage and Passive Automatic Compensation Device | |
| CN103595059A (en) | Reactive compensation device of 10kV line | |
| CN206850446U (en) | A kind of intelligent load-balancing regulator | |
| CN105591396A (en) | Low-voltage distribution line distribution transformer three-phase unbalance protection method and device | |
| CN202221897U (en) | Low-voltage integrated distribution box | |
| CN104767195A (en) | Small reactance value choose method during ultrahigh voltage autotransformer neutral point grounding in small reactance mode | |
| CN203014389U (en) | High-voltage reactive power automatic compensation device | |
| CN104143827A (en) | Power distribution network reactive power optimization compensation method based on rapid and reliable communication | |
| CN111509691B (en) | Ground fault full-compensation topology for multiplexing reactive compensation and design method thereof | |
| CN201323457Y (en) | A high-accuracy collecting-distributing automatic reactive power compensation control system | |
| CN201629502U (en) | Low-voltage distribution transformer reactive power compensation integrated box | |
| CN116754883B (en) | Multifunctional detection equipment and detection method for reactive power compensation device | |
| CN103928936B (en) | For reducing converter and the conversion equipment that transformer is affected by zero-sequence current | |
| CN203562784U (en) | Reactive Power Compensation Device for 10kV Line | |
| CN202159979U (en) | Intelligent reactive power adjustment and compensation device | |
| CN203398795U (en) | Low-voltage reactive-power dynamic compensation device | |
| CN102946108A (en) | Voltage automatic compensation device | |
| CN207098621U (en) | A kind of central controlled power distribution station mixing compensation system and active compensation module | |
| CN203933147U (en) | A kind of box-type substation that switches main power supply | |
| CN106300367A (en) | A kind of power distribution network low-voltage governing system | |
| CN111509689A (en) | A ground fault full compensation system and method for multiplexing parallel reactive power compensation | |
| CN110718920A (en) | A voltage sag adjustment system and method based on self-produced power supply phase voltage | |
| CN206148955U (en) | A Hybrid Dynamic Filter Compensation Device Applied to Distribution Network Power Management |
Legal Events
| Date | Code | Title | Description |
|---|---|---|---|
| C14 | Grant of patent or utility model | ||
| GR01 | Patent grant | ||
| C56 | Change in the name or address of the patentee |
Owner name: WORLDWIDE ELECTRIC GROUP CO., LTD. Free format text: FORMER NAME: HUBEI WANZHOU ELECTRIC GROUP CO., LTD. |
|
| CP03 | Change of name, title or address |
Address after: 441000 No. 58 long march road, Hubei, Xiangfan Patentee after: Worldwide Electric Group Co.,Ltd. Address before: 441000 No. 58 long march road, Fancheng District, Hubei, Xiangfan Patentee before: Hubei Wanzhou Electric Group Co., Ltd. |
|
| C56 | Change in the name or address of the patentee |
Owner name: WORLDWIDE ELECTRIC CO., LTD. Free format text: FORMER NAME: WORLDWIDE ELECTRIC GROUP CO., LTD. |
|
| CP01 | Change in the name or title of a patent holder |
Address after: 441000 No. 58 long march road, Hubei, Xiangfan Patentee after: Wanzhou Electrical Co., Ltd. Address before: 441000 No. 58 long march road, Hubei, Xiangfan Patentee before: Worldwide Electric Group Co.,Ltd. |
|
| CX01 | Expiry of patent term | ||
| CX01 | Expiry of patent term |
Granted publication date: 20091007 |
