CN201181713Y - 铟镓铝氮外延片的倒装焊结构 - Google Patents

铟镓铝氮外延片的倒装焊结构 Download PDF

Info

Publication number
CN201181713Y
CN201181713Y CNU2008201128680U CN200820112868U CN201181713Y CN 201181713 Y CN201181713 Y CN 201181713Y CN U2008201128680 U CNU2008201128680 U CN U2008201128680U CN 200820112868 U CN200820112868 U CN 200820112868U CN 201181713 Y CN201181713 Y CN 201181713Y
Authority
CN
China
Prior art keywords
epitaxial wafer
flip
positioning
pressure
substrate
Prior art date
Legal status (The legal status is an assumption and is not a legal conclusion. Google has not performed a legal analysis and makes no representation as to the accuracy of the status listed.)
Expired - Lifetime
Application number
CNU2008201128680U
Other languages
English (en)
Inventor
熊传兵
江风益
王立
王古平
章少华
Current Assignee (The listed assignees may be inaccurate. Google has not performed a legal analysis and makes no representation or warranty as to the accuracy of the list.)
Lattice Power Jiangxi Corp
Original Assignee
Lattice Power Jiangxi Corp
Priority date (The priority date is an assumption and is not a legal conclusion. Google has not performed a legal analysis and makes no representation as to the accuracy of the date listed.)
Filing date
Publication date
Application filed by Lattice Power Jiangxi Corp filed Critical Lattice Power Jiangxi Corp
Priority to CNU2008201128680U priority Critical patent/CN201181713Y/zh
Application granted granted Critical
Publication of CN201181713Y publication Critical patent/CN201181713Y/zh
Anticipated expiration legal-status Critical
Expired - Lifetime legal-status Critical Current

Links

Images

Landscapes

  • Pressure Welding/Diffusion-Bonding (AREA)

Abstract

本实用新型提出了一种半导体外延片的压焊结构,该压焊结构不需要通过热阻加热方式给压焊金属加热,可以防止压焊金属由于热扩散而影响外延片的欧姆接触性能,进而最大程度的避免热阻加热方式给外延片造成的品质劣化。本实用新型采用如下技术方案:该倒装焊结构包括对外延片和基板施加压力的夹合装置、加热装置;所述夹合装置包括两个夹合构件,两个夹合构件之间形成焊接外延片和基板的工作台,所述加热装置为设于所述工作台上或工作台外围的电磁线圈。本实用新型由于升温速率和降温速率很快,可以明显提高生产速率。

Description

铟镓铝氮外延片的倒装焊结构
技术领域
本实用新型涉及一种铟镓铝氮外延片的倒装焊装置。
背景技术
铟镓铝氮半导体发光器件广泛的用于全色大屏幕显示、交通信号灯、背光源、固体照明等。铟镓铝氮半导体发光材料常用的衬底材料是蓝宝石、碳化硅和硅等材料。将原始衬底上生长的铟镓铝氮薄膜做成发光器件时,会存在以下缺点:发光材料利用率低、散热差、P型透明导电层对光有一定的吸收作用,因而对器件的光电性能存在一定的影响。利用外延片压焊(wafer bonding)和湿法剥离或激光剥离相结合的技术将原始衬底上生长的铟镓铝氮薄膜转移到新衬底上制备上下电极结构的发光器件,将可以改善出光效率、提高芯片利用率和降低LED的串连电阻。所以,近年来铟镓铝氮外延片的压焊(wafer bonding)技术被广泛采用。
目前的铟镓铝氮外延片的压焊(又称为倒装焊)一般采用Au或AuSn等塑性比较好或熔点比较低的金属作为压焊金属,加热方式一般采用传导加热方式,即加热方式是热阻加热。要实现外延片的压焊一般需要在一定的温度和压力情况下完成,加热器要同时承担传递压力和传递温度的作用,所以目前外延片压焊的加热器多半采用具有一定强度和厚度的金属制作。然而金属比热容较大,所以它的升温速率慢、升温时间长,这使得压焊金属容易扩散到GaN的表面破坏外延片的欧姆接触性能。对于降温,如果采用气体冷却或液体冷却会使得金属加热器产生很大的内应力,引起变形;如果不采用气体冷却或液体冷却,则降温时间会很长,它不但影响欧姆接触,而且影响生产效率。金属加热器反复加热会引起热疲劳使得加热器变形和产生裂纹。
实用新型内容
本实用新型所要解决的技术问题是提供一种铟镓铝氮外延片的倒装焊结构,该倒装焊结构不需要通过热阻加热方式给压焊金属加热,可以防止热阻加热方式中的压焊金属由于热扩散而影响外延片的欧姆接触性能,该倒装焊结构可最大程度的避免热阻加热方式给外延片造成的品质劣化。
为了解决上述技术问题,本实用新型采用如下技术方案:一种半导体外延片的倒装焊结构,包括对外延片和基板施加压力的夹合装置、通过将外延片和基板之间的金属焊料融化来焊接外延片和基板的加热装置;所述夹合装置包括两个夹合构件,两个夹合构件之间形成焊接外延片和基板的工作台,所述加热装置为通过电磁感应来加热所述压焊金属的电磁线圈,所述电磁线圈设于所述工作台上或工作台外围。
所述两个夹合构件包括与外延片和基板接触的接触部位,所述接触部位最好为比热容小于中碳钢的非金属材料。所述比热容小于中碳钢的非金属材料可以为绝缘体或者半导体。绝缘体则优选为陶瓷或石英材料。比热容小有利于将外延片上的热量传导出去,可以更好的防止外延片过热,有利于提高外延片的加工质量。选择陶瓷和石英是出于成本和取材难易程度上的考虑,另外,除了陶瓷和石英以外,还可以采用其它的材料,诸如岩石、有机绝缘体甚至具有特殊结构的半导体材料,当然不是所有半导体材料都合适本实用新型,只有产生涡流热效应不明显的半导体材料才可以适合本实用新型。
优选地:所述倒装焊结构还包括对外延片和基板进行定位的定位装置,定位装置设于所述工作台上。在手工将外延片置于工作台上的时候,外延片和基板需要进行准确无误的位置对接,所述定位装置可以很好的帮助工作人员进行外延片和基板焊接面的对接。当然,外延片和基板也可以采用电脑自控方式对接,即让机械手通过电脑精确的计算和控制辅以感应器的定位来实现外延片和基板的对接。
优选地:所述电磁线圈为盘绕在所述夹合装置外围的圆柱状线圈,或者为设于所述工作台外围的平面状线圈。圆柱形线圈缠绕在工作台外围,将工作台环绕其中,这种结构可以产生良好的加热效果。另外,电磁线圈还可以为平面状线圈,其设在诸如承压构件下方,使电磁线圈发出的电磁场穿过工作台区域,也可以实现良好的加热效果。当然,这种平面状的电磁线圈还可以设于承压构件或施压构件内部。
优选地:所述电磁线圈为设有冷却液体和气体通道的空心线圈。在使用电磁加热过程中,会产生大量的热能,当需要焊熔较高熔点的金属或合金的时候,为了保证电磁线圈的正常工作,需要对电磁线圈进行冷却。使用空心的电磁线圈,让冷却液和冷却气体在线圈中流动,带走产生的热量可以实现良好的散热效果。另外,除了使用这种空心线圈结构外,还可以管外冷却的方式冷却线圈。
优选地:所述夹合装置及其工作台设于真空装置内。真空环境可以使整个倒封装工艺出于无尘的工作环境下,有利于提高外延片的加工质量。另外也可以出于成本考虑将夹合装置置于空气中,使整个工作环境置于自然条件下。
优选地:所述电磁线圈设于所述真空装置外部,所述真空装置接近所述电磁线圈部位为比热容小于中碳钢的非金属材料。比热容小于中碳钢的非金属材料可以有效避免电磁线圈在真空装置的该部位上产生热量,进而造成不必要的高温环境和电能的浪费。
优选地:所述夹合装置包括一个施压构件和一个承压构件,所述施压构件与一个万向节连接。设置万向节结构是为了时外延片上可以获得均匀的压力。承压片此时是固定不动的。
优选地:所述定位装置包括一个环绕设在所述工作台周围、对外延片和基板进行水平定位的定位环。定位环可以使外延片和基板上的压焊金属位置准确的对准。
优选地:所述定位装置还包括对外延片和基板进行上下定位的、比热容小于中碳钢的绝缘定位盘;所述定位盘包括一个与所述两个夹合机构中任一个接触的单盘,或两个分别与所述两个夹合机构接触的上定位盘和下定位盘。定位盘可以适应有较厚焊接体的情况,使外延片和基板在上下方向上,在焊接前可以紧密接触,防止外延片相对转动,给手工操作带来方便。
优选地:所述两个夹合构件中至少一个夹合构件中设有液体或气体冷却管装置。在较高焊接温度的环境下,夹合构件中设置冷却装置可以减小夹合构件的疲劳和变形,进而延长夹合构件的使用寿命,这对压焊也有一定的好处。
本实用新型的有益效果如下:
相比现有技术,本实用新型采用了电磁感应加热方式,通过在所述工作台周围设置电磁线圈,来实现对所述压焊金属的熔化,使外延片和基板焊接在一起。本实用新型这种焊接方式中由电磁线圈产生的电磁感应只会对压焊金属和基板等具有导电性的物质有加热作用,而对传递压力的夹合构件没有加热作用。因而实现同样的温度压焊,压焊装置里的热容将大大降低,这样可以获得更快的升温速率。由于夹合构件不产生热或产生较少的热,所以整个压焊装置的升温速率和降温速率很快,这样对保护外延片的欧姆接触不被破坏很有好处。由于升温速率和降温速率很快,这样可以明显提高生产速率。
附图说明
图1是本实用新型的实施例一的结构示意图。
图2是本实用新型的实施例二的结构示意图。
图3是本实用新型的实施例三的结构示意图。
图4是本实用新型的实施例四的结构示意图。
具体实施方式
本实用新型提供一种铟镓铝氮外延片的倒装焊结构。这种半导体外延片的倒装焊结构包括设于工作台外围的电磁线圈,通过设在工作台周围的电磁线圈给压焊金属加热,使外延片和基板实现倒封装焊接。这种压焊的加热方式采用电磁感应加热,具有升温速率快、不易破坏外延片的欧姆接触的特点。
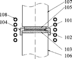
本实用新型实施例一,参看图1所示。首先在铟镓铝氮外延片101上制备欧姆接触层和金属压焊层(即待压焊的压焊金属),并在基板102上制备欧姆接触层和金属压焊层。如果基板102是金属的,则基板102上没有必要制备欧姆接触层。当然,也可以是仅有外延片上或基板的其中一个的焊接面上具有压焊金属层。对外延片101和基板102施加压力的夹合装置包括施压构件107和承压构件106。施压构件107其压力的来源可以是气压传递的压力,也可以是液压传递的压力。为了获得高质量的焊接产品,施压构件107和压力源构件之间的联接必须是诸如万向节之类的活动联接,以使得外延片101上能获得均匀的压力。承压构件106要求是固定的,不活动。施压构件107和承压构件106之间形成焊接外延片101和基板102的工作台。施压构件107和承压构件106的端面要求是经过了研磨抛光的端面,且具有一定的平整度和平面度。另外可以考虑给施压构件107和承压106构件进行冷却,即在两个夹合构件中至少一个夹合构件中设置液体或气冷管装置。
通过将外延片101和基板102之间的压焊金属融化来焊接外延片和基板的加热装置主体为电磁线圈108。电磁线圈108通过电磁感应来加热压焊金属,电磁线圈108设于工作台外围。电磁线圈108是圆柱状的螺旋电磁线圈。电磁线圈108为多圈的螺旋状柱形,它将整个工作台、施压构件107的工作前端和承压构件106的工作前端环包起来。电磁线圈108为中空线圈,其中空腔体为冷却管,冷却管与液冷或气冷装置连接,这样的冷却结构可以给工作中的电磁线圈108冷却降温,以使其保持良好的工作状态。
包括本实用新型的倒装焊结构的整个压焊机构可以设置在一个真空腔体里面,也可以是暴露在大气中。也可以是除电磁线圈之外的其它部件处在真空装置的真空腔体里面,而电磁线圈在腔体外面,此时真空腔体靠近电磁线圈的部位其材料要求是诸如石英之类的绝缘材料。
本实施例的定位装置主要由对外延片和基板进行定位的定位环104、上定位盘105和下定位盘103构成。上定位盘105和下定位盘103是对外延片和基板进行上下方向定位的,其由比热容小于中碳钢的陶瓷构成。下定位盘10置于承压构件106上的与基板接触的部位上,定位环104置于下定位盘103上。基板102置于下定位盘103上,外延片101置于基板102上,上定位盘105置于外延片101上,施压构件107置于上定位盘105上。定位环104其材料优选为陶瓷或石英等绝缘的非金属材料,并且定位环的内孔和上定位盘105之间有时当的间隙。上定位盘105和下定位盘103均是经过双面研磨抛光并且具有一定平面度和厚度一致性的陶瓷构件,也可以是石英等比热容比较小的其它非金属材料,其总厚度变化一般不易太大。为了保证上定位盘和下定位盘具有一定的机械强度,要求上定位盘和下定位盘的厚度不能太小,同时为使其热容量比较小,其厚度也不能太大。
本实施例适合于一个外延片和一个基板的压焊。该结构电磁线圈108设于工作台外围。如果将电磁线圈整合到定位环104中,则此时,电磁线圈设于工作台上。
压焊前,将外延片101和基板102之间的压焊金属层叠放在一起,放置在定位盘(上定位盘105和下定位盘103)内。将叠放在一起的外延片101和基板102放入定位盘时,外延片可以朝上,也可以朝下。基板至少有一个面是经过抛光的,其压焊面是抛光面。基板和外延片的衬底其总厚度变化均要求小于10微米。
压焊时,先通过电磁感应加热外延片至200℃以上,然后再给外延片施加压力。加热温度视压焊金属的成分而定:如果压焊金属是AuSn,其熔点是280℃,加热温度一般控制在两百多度即可;如果是熔点为1063℃的纯Au,则加热温度相对要高很多。所以加热外延片的温度范围一般在200℃~1063℃之间。加温后,然后保温一定时间,使得外延片和基板通过压焊金属层压焊在一起,最后停止感应加热和撤除压力。这样就完成了外延片和基板之间的压焊。
由于感应加热时除外延片和基板会产生感生电流外,其余构件由于是绝缘的不会产生感生电流,所以外延片和基板可以达到较高的升温速率,也具有较快的降温速率。完成外延片和基板的焊接后,最后将外延衬底去除,就实现了铟镓铝氮薄膜从外延衬底到新基板的转移,它可以制备成上电极和下电极结构的发光器件。
压焊的需要的电磁波是根据实际需要进行控制选取的,电磁波的频率范围可以是高频,也可以是中频。
夹合构件上的与外延片和基板基础的基础部位,优选为陶瓷或石英等材质。也可以选用受电磁波影响较小、工作状态下发热较少的半导体、其它绝缘体材料或者某些金属物质。
本实用新型的实施例二,如图2所示。一个外延片和一个基板组成一对焊接体,本实施例结构是为了提高生产效率,在实施例一结构上的改进结构,它可以一次对多个焊接体进行焊接。这种结构需要加长定位环204和加厚的上定位盘205和下定位盘203。施压构件207、承压构件206和电磁线圈208同实施例一结构。外延片201和基板202组成的焊接体层叠起来置于工作台上进行焊接即可,因为是电磁线圈的感应电流加热外延片和基板,所以所有的外延片和基板具有一致的升温速率,其生产效果和实施例单一焊接效果一样优良,这样来大大提高焊接的效率。
本实用新型实施例三,参看图3所示。相比实施例一的结构,本实施例的定位装置没有定位盘,而只有定位环303。定位环303置于由施压构件305和承压构件304夹合而成的工作台上。定位环303固定在承压构件304的上端面上。外延片301和基板302置于定位环303的孔内。
另外,本实用新型还可以不包括定位装置的结构。此时,外延片和基板最好采用电脑自控方式对接,即让机械手通过电脑精确的计算和控制辅以感应器的定位来实现外延片和基板的焊接点对接。在没有定位装置的情况的这种结构,万向节可以安装在承压构件上,而不安装在施压构件上,使承压构件顺应施压构件进行角度调整,这种结构要求承压构件不宜有较大的转动范围,否则,外延片和基板不宜固定在定位环内。除此以外,还可以在施压构件和承压构件上同时安装万向节,前提是,承压构件不能有太大的转动范围。
本实用新型实施例四,如图4所示。相比实施例一,本实施例结构的承压构件403下方设有平面状线圈407。且定位环404较厚,以实现多组焊接体的同时焊接。而且定位装置由定位环404和上定位盘405构成,没有下定位盘。焊接体的外延片401和基板402叠加在定位环404的孔内,定位环404置于承接构件403上。在焊接体上置有上定位盘405。上定位体405上为施压构件406。由于电磁感应的感生电流具有趋肤效应,焊接体内的温度具有一致性,焊接效果也非常理想。另外,平面状线圈407还可以设于承压构件403内。如果该结构包括下定位盘,则平面状线圈407还可以设于下定位盘内,这样平面状线圈置于工作台上了。
本实用新型通过电磁线圈给外延片和基板上的压焊金属加热,来完成焊接。电磁线圈设于工作台上或工作台外围,所谓的工作台上或者工作台外围指的是电磁线圈的电磁感应可以作用到压焊金属的范围。电磁线圈结构和位置并不局限于上述实施例的结构和位置关系。另外,电磁线圈的电磁场可以作用的有效范围内,本实用新型结构包括的施压构件、承压构件、定位装置上均不含有可以产生明显有干扰作用的涡流发热材料,即本实用新型结构上的各部件所含有的金属、非金属部分是根据实际需要选用的、在额定电磁频率下无明显涡流效应的物质。非金属材料可以为绝缘体或者半导体。绝缘体优选为陶瓷或石英。这是出于成本和取材难易程度上的考虑,另外,除了陶瓷和石英以外,还可以采用其它的材料,诸如岩石、有机绝缘体甚至具有特殊结构的半导体材料,当然不是所有半导体材料都合适本实用新型,只有没有明显涡流热效应的半导体才可以适合本实用新型。包括电磁线圈设于真空装置外部情况,真空装置接近电磁线圈部位也需为上述没有明显涡流热效应的物质。以避免造成不必要的高温环境和电能的浪费。

Claims (10)

1、一种铟镓铝氮外延片的倒装焊结构,包括对外延片和基板施加压力的夹合装置、加热装置;所述夹合装置包括两个夹合构件,两个夹合构件之间形成焊接外延片和基板的工作台,其特征在于:所述加热装置为设于所述工作台上或工作台外围的电磁线圈。
2、根据权利要求1所述的铟镓铝氮外延片的倒装焊结构,其特征在于:所述倒装焊结构还包括对外延片和基板进行定位的定位装置,定位装置设于所述工作台上。
3、根据权利要求1所述的铟镓铝氮外延片的倒装焊结构,其特征在于:所述电磁线圈为盘绕在所述夹合装置外围的圆柱状线圈,或者为设于所述工作台外围的平面状线圈。
4、根据权利要求3所述的铟镓铝氮外延片的倒装焊结构,其特征在于:所述电磁线圈为设有冷却液体和气体通道的空心线圈。
5、根据权利要求1所述铟镓铝氮外延片的倒装焊结构,其特征在于:所述夹合装置及其工作台设于真空装置内。
6、根据权利要求5所述的铟镓铝氮外延片的倒装焊结构,其特征在于:所述电磁线圈设于所述真空装置外部。
7、根据权利要求1所述铟镓铝氮外延片的倒装焊结构,其特征在于:所述夹合装置包括一个施压构件和一个承压构件,所述施压构件与一个万向节连接。
8、根据权利要求2所述的铟镓铝氮外延片的倒装焊结构,其特征在于:所述定位装置包括一个设在所述工作台上的定位环。
9、根据权利要求8所述的铟镓铝氮外延片的倒装焊结构,其特征在于:所述定位装置还包括置于定位环内的绝缘定位盘;所述定位盘包括一个与所述两个夹合机构中任一个接触的单盘,或两个分别与所述两个夹合机构接触的上定位盘和下定位盘。
10、根据权利要求1所述的铟镓铝氮外延片的倒装焊结构,其特征在于:所述两个夹合构件中至少一个夹合构件中设有液体或气体冷却管装置。
CNU2008201128680U 2008-04-30 2008-04-30 铟镓铝氮外延片的倒装焊结构 Expired - Lifetime CN201181713Y (zh)

Priority Applications (1)

Application Number Priority Date Filing Date Title
CNU2008201128680U CN201181713Y (zh) 2008-04-30 2008-04-30 铟镓铝氮外延片的倒装焊结构

Applications Claiming Priority (1)

Application Number Priority Date Filing Date Title
CNU2008201128680U CN201181713Y (zh) 2008-04-30 2008-04-30 铟镓铝氮外延片的倒装焊结构

Publications (1)

Publication Number Publication Date
CN201181713Y true CN201181713Y (zh) 2009-01-14

Family

ID=40251209

Family Applications (1)

Application Number Title Priority Date Filing Date
CNU2008201128680U Expired - Lifetime CN201181713Y (zh) 2008-04-30 2008-04-30 铟镓铝氮外延片的倒装焊结构

Country Status (1)

Country Link
CN (1) CN201181713Y (zh)

Cited By (3)

* Cited by examiner, † Cited by third party
Publication number Priority date Publication date Assignee Title
CN102248273A (zh) * 2011-06-14 2011-11-23 西安交通大学 一种电磁脉冲力和机械力复合的冷压焊装置
CN105537739A (zh) * 2016-02-25 2016-05-04 哈尔滨工业大学(威海) 一种阴极强制冷却与磁控压缩联合作用式小孔tig焊接装置
CN113146015A (zh) * 2021-05-11 2021-07-23 扬州扬杰电子科技股份有限公司 一种高压硅堆合金的加工装置及合金方法

Cited By (5)

* Cited by examiner, † Cited by third party
Publication number Priority date Publication date Assignee Title
CN102248273A (zh) * 2011-06-14 2011-11-23 西安交通大学 一种电磁脉冲力和机械力复合的冷压焊装置
CN102248273B (zh) * 2011-06-14 2014-11-05 西安交通大学 一种电磁脉冲力和机械力复合的冷压焊装置
CN105537739A (zh) * 2016-02-25 2016-05-04 哈尔滨工业大学(威海) 一种阴极强制冷却与磁控压缩联合作用式小孔tig焊接装置
CN113146015A (zh) * 2021-05-11 2021-07-23 扬州扬杰电子科技股份有限公司 一种高压硅堆合金的加工装置及合金方法
CN113146015B (zh) * 2021-05-11 2023-10-24 扬州扬杰电子科技股份有限公司 一种高压硅堆合金加工装置的合金方法

Similar Documents

Publication Publication Date Title
CN109256337B (zh) 一种周长毫米级元件共晶焊接装置及焊接方法
CN101431207B (zh) 激光晶体板条与热沉焊接的方法
CN104002003B (zh) 一种无需负载低空洞率的真空钎焊装片工艺方法
CN107096988B (zh) 一种快速制备电子封装材料Cu3Sn金属间化合物的方法
CN103000559A (zh) 半导体芯片的定位夹具以及半导体装置的制造方法
CN110289340B (zh) 倒装led芯片焊盘的制备方法
CN101267013B (zh) 半导体外延片的压焊结构
CN201181713Y (zh) 铟镓铝氮外延片的倒装焊结构
CN103779247B (zh) 一种将功率半导体模块端子焊接到基板的方法
CN101267012B (zh) 半导体外延片的压焊方法
CN102601476A (zh) 一种超导芯片手工贴片焊接方法
JP6020496B2 (ja) 接合構造体およびその製造方法
CN119115673B (zh) 一种晶片拉伸剥离装置及方法
CN101794857B (zh) 一种高效散热led封装及其制备方法
WO2024250811A1 (zh) 一种快速烧结方法
CN109836166B (zh) 一种用于SiC陶瓷的电磁超声钎焊方法
CN115533291B (zh) 一种板条激光增益介质模块的焊接方法
JP5029279B2 (ja) 半田付け装置、半田付け方法及び電子機器の製造方法
CN103894720A (zh) 一种高纯钴靶材坯料与背板的焊接方法
CN115915888A (zh) 一种半导体制冷片、模组的制备方法
CN114335315A (zh) 一种半导体温差发电器件及其制备方法
CN223795514U (zh) 一种既能快速加热又能快速制冷的半导体制冷器
CN207615930U (zh) 一种提高焊接系统热均匀性的装置
CN216213392U (zh) 一种大面积瞬间发热与冷却面板
CN222980496U (zh) 一种金刚石基复合热沉

Legal Events

Date Code Title Description
C14 Grant of patent or utility model
GR01 Patent grant
PE01 Entry into force of the registration of the contract for pledge of patent right

Denomination of utility model: Flip-chip bonding structure of indium gallium aluminum nitrogen epitaxial wafer

Effective date of registration: 20100511

Granted publication date: 20090114

Pledgee: Agricultural Bank of China, Limited by Share Ltd, Nanchang hi tech sub branch

Pledgor: Lattice Power (Jiangxi) Co., Ltd.

Registration number: 2010990000752

PC01 Cancellation of the registration of the contract for pledge of patent right

Date of cancellation: 20131107

Granted publication date: 20090114

Pledgee: Agricultural Bank of China, Limited by Share Ltd, Nanchang hi tech sub branch

Pledgor: Lattice Power (Jiangxi) Co., Ltd.

Registration number: 2010990000752

PLDC Enforcement, change and cancellation of contracts on pledge of patent right or utility model
PE01 Entry into force of the registration of the contract for pledge of patent right

Denomination of utility model: Flip-chip bonding structure of indium gallium aluminum nitrogen epitaxial wafer

Effective date of registration: 20150320

Granted publication date: 20090114

Pledgee: Export Import Bank of China

Pledgor: Lattice Power (Jiangxi) Co., Ltd.

Registration number: 2015990000219

PLDC Enforcement, change and cancellation of contracts on pledge of patent right or utility model
PC01 Cancellation of the registration of the contract for pledge of patent right

Date of cancellation: 20160829

Granted publication date: 20090114

Pledgee: Export Import Bank of China

Pledgor: Lattice Power (Jiangxi) Co., Ltd.

Registration number: 2015990000219

PLDC Enforcement, change and cancellation of contracts on pledge of patent right or utility model
CX01 Expiry of patent term

Granted publication date: 20090114

CX01 Expiry of patent term