CN201148639Y - Superimposed pressurized high-level water supply equipment - Google Patents
Superimposed pressurized high-level water supply equipment Download PDFInfo
- Publication number
- CN201148639Y CN201148639Y CNU2007201911252U CN200720191125U CN201148639Y CN 201148639 Y CN201148639 Y CN 201148639Y CN U2007201911252 U CNU2007201911252 U CN U2007201911252U CN 200720191125 U CN200720191125 U CN 200720191125U CN 201148639 Y CN201148639 Y CN 201148639Y
- Authority
- CN
- China
- Prior art keywords
- water
- tank
- frequency conversion
- water pump
- pipe network
- Prior art date
- Legal status (The legal status is an assumption and is not a legal conclusion. Google has not performed a legal analysis and makes no representation as to the accuracy of the status listed.)
- Expired - Lifetime
Links
- XLYOFNOQVPJJNP-UHFFFAOYSA-N water Substances O XLYOFNOQVPJJNP-UHFFFAOYSA-N 0.000 title claims abstract description 123
- 238000006243 chemical reaction Methods 0.000 claims abstract description 34
- 230000007613 environmental effect Effects 0.000 claims abstract description 19
- 238000000034 method Methods 0.000 abstract description 3
- 238000012423 maintenance Methods 0.000 abstract description 2
- 239000008400 supply water Substances 0.000 description 3
- 230000009286 beneficial effect Effects 0.000 description 1
- 238000012544 monitoring process Methods 0.000 description 1
- 238000005381 potential energy Methods 0.000 description 1
Images
Classifications
-
- Y—GENERAL TAGGING OF NEW TECHNOLOGICAL DEVELOPMENTS; GENERAL TAGGING OF CROSS-SECTIONAL TECHNOLOGIES SPANNING OVER SEVERAL SECTIONS OF THE IPC; TECHNICAL SUBJECTS COVERED BY FORMER USPC CROSS-REFERENCE ART COLLECTIONS [XRACs] AND DIGESTS
- Y02—TECHNOLOGIES OR APPLICATIONS FOR MITIGATION OR ADAPTATION AGAINST CLIMATE CHANGE
- Y02A—TECHNOLOGIES FOR ADAPTATION TO CLIMATE CHANGE
- Y02A20/00—Water conservation; Efficient water supply; Efficient water use
Landscapes
- Accommodation For Nursing Or Treatment Tables (AREA)
Abstract
本实用新型涉及叠加增压高位供水设备,包括有变频水泵,压力变送器和控制电路,所述变频水泵的输入端与市政管网相连,在变频水泵的输入端设置有压力变送器,还包括有高位环保密闭水箱,所述高位环保密闭水箱的进水端与变频水泵的输出端相连,高位环保密闭水箱的输出端与用户管网相连;通过本技术方案,不但可以充分利用市政管网的压力叠加到变频水泵上,以节约电能,降低设备配置,减少设备投资,而且还可以将变频水泵大多数情况是连续变频运转的工作方式改变为大多数情况下的变频水泵工频运转加较长时间的停机方式,从而大大的节约了电能,延长了设备使用寿命,减少了维修费用,使用户管网供水更加稳定,安全。
The utility model relates to superimposed pressurized high-level water supply equipment, including a frequency conversion water pump, a pressure transmitter and a control circuit. The input end of the frequency conversion water pump is connected with the municipal pipe network, and the input end of the frequency conversion water pump is provided with a pressure transmitter. It also includes a high-level environmentally-friendly airtight water tank, the water inlet of the high-level environmentally-friendly airtight water tank is connected to the output end of the frequency conversion water pump, and the output end of the high-level environmental protection airtight water tank is connected to the user pipe network; The pressure of the network is superimposed on the variable frequency water pump to save electric energy, reduce equipment configuration, and reduce equipment investment. It can also change the working mode of the frequency conversion water pump from continuous frequency conversion operation in most cases to power frequency operation of the frequency conversion water pump in most cases. The long-time shutdown method greatly saves electric energy, prolongs the service life of the equipment, reduces maintenance costs, and makes the water supply of the user's pipe network more stable and safe.
Description
技术领域 technical field
本实用新型涉及一种用于高层建筑供水设备,特别是涉及一种叠加增压高位供水设备。The utility model relates to a water supply device for high-rise buildings, in particular to a superimposed pressurized high-level water supply device.
背景技术 Background technique
现有技术的高层建筑的无负压供水设备中,一般采用补水罐加变频泵的方式,通过对市政管网的自动监控和对变频泵的转速控制,以防止出现负压供水现象,同时利用变频泵直接对用户管网进行供水,这种无负压供水设备在对用户管网进行供水时,为了保持用户管网的压力,大多数时间内变频泵总是处于变频状态下工作,使变频水泵经常是在低转速和低负荷下,长时间工作,从而大大增加了电力能源的用量,大大减少了变频水泵的使用寿命。In the non-negative pressure water supply equipment of high-rise buildings in the prior art, the method of adding a water supply tank and a frequency conversion pump is generally used, through automatic monitoring of the municipal pipe network and speed control of the frequency conversion pump to prevent negative pressure water supply, and at the same time use The frequency conversion pump directly supplies water to the user's pipe network. When this non-negative pressure water supply equipment supplies water to the user's pipe network, in order to maintain the pressure of the user's pipe network, the frequency conversion pump always works under the frequency conversion state most of the time, so that the frequency conversion The water pump often works for a long time at low speed and low load, which greatly increases the consumption of electric energy and greatly reduces the service life of the frequency conversion water pump.
发明内容 Contents of the invention
本实用新型的目的是提供一种叠加增压高位供水设备,通过本技术方案,在高位增设环保承压水箱,使变频水泵在不破坏市政管网压力的情况下,以尽可能大的负荷进行工作,大大缩短了变频水泵的工作时间,从而弥补了现有技术中存在的不足。The purpose of this utility model is to provide a superimposed pressurized high-level water supply equipment. Through this technical proposal, an environmentally friendly pressurized water tank is added at a high level, so that the frequency conversion water pump can be operated with as large a load as possible without damaging the pressure of the municipal pipe network. The work greatly shortens the working time of the variable frequency water pump, thereby making up for the shortcomings in the prior art.
本实用新型解决上述技术问题采用的技术方案是:一种叠加增压高位供水设备,包括有变频水泵,压力变送器和控制电路,所述变频水泵的输入端与市政管网相连,在变频水泵的输入端设置有压力变送器,所述控制电路分别通过导线与变频水泵和压力变送器相连接,还包括有高位环保密闭水箱,所述高位环保密闭水箱的进水端与变频水泵的输出端相连,高位环保密闭水箱的输出端与用户管网相连。The technical solution adopted by the utility model to solve the above-mentioned technical problems is: a superimposed pressurized high-level water supply equipment, including a frequency conversion water pump, a pressure transmitter and a control circuit, the input end of the frequency conversion water pump is connected with the municipal pipe network, The input end of the water pump is provided with a pressure transmitter, and the control circuit is connected to the frequency conversion water pump and the pressure transmitter through wires, and also includes a high-level environmental protection airtight water tank, the water inlet end of the high-level environmental protection airtight water tank is connected to the frequency conversion water pump The output end of the high-level environmental protection sealed water tank is connected to the output end of the user pipe network.
所述高位环保密闭水箱的输出端与用户管网之间设置有气压罐辅助供水,所述气压罐辅助供水由两个微动力水泵和气压罐组成,两个微动力水泵相并联,微动力水泵入水端与高位环保密闭水箱的输出端相连通,微动力水泵出水端分别与用户管网和气压罐相连通。A pressure tank auxiliary water supply is provided between the output end of the high-level environmental protection airtight water tank and the user pipe network. The pressure tank auxiliary water supply is composed of two micro-power water pumps and a pressure tank. The two micro-power water pumps are connected in parallel, and the micro-power water pump The water inlet end is connected with the output end of the high-level environmental protection airtight water tank, and the water outlet end of the micro-power water pump is respectively connected with the user pipe network and the air pressure tank.
所述气压罐是由气罐和水囊构成,所述水囊设置在气罐内,水囊内部与用户管网和微动力水泵出水端相连通。The air pressure tank is composed of an air tank and a water bag, the water bag is arranged in the air tank, and the inside of the water bag is connected with the user pipe network and the water outlet of the micro-power water pump.
所述气压罐中气罐与水囊之间充装有一定初始压力的倍压补偿气,气罐外侧设置有与气罐内相连通的气体补偿口,在气体补偿口上设置有节门。The air tank and the water bag in the air tank are filled with pressure doubler compensation gas with a certain initial pressure, and a gas compensation port communicating with the inside of the gas tank is provided on the outside of the gas tank, and a throttle is provided on the gas compensation port.
本实用新型在实际应用中,变频水泵工作,叠加市政管网压力向高位环保密闭水箱供水,当市政管网压力远高于规定压力下限时,变频水泵在工频状态下满负荷运转,当市政管网压力临近规定压力下限时,变频水泵经压力变送器或远程压力表,在变频状态下低负荷运转,以保证市政管网压力稳定的情况下安全供水;通过势能向用户管网供水,对于用户管网中势差较大的用户可以直接从高位环保密闭水箱供水,而对于用户管网中势差较小的用户可以通过在高位环保密闭水箱输出端设置微动力水泵和气压罐,微动力水泵工作增加用户管网压力,当用户管网压力大于气压罐内倍压补偿气时,水进入气压罐的水囊中使水囊体积增大,气压罐内倍压补偿气压力同时升高,当用户管网压力低于气压罐内倍压补偿气的压力时,气体压迫水囊,将水囊中的水补充到用户管网中。In the practical application of the utility model, the frequency conversion water pump works, and the pressure of the municipal pipe network is superimposed to supply water to the high-level environmental protection airtight water tank. When the pressure of the pipe network is close to the lower limit of the specified pressure, the frequency conversion water pump will run at low load under the frequency conversion state through the pressure transmitter or remote pressure gauge, so as to ensure the safe water supply under the stable pressure of the municipal pipe network; supply water to the user pipe network through potential energy, For users with a large potential difference in the user pipe network, they can directly supply water from the high-level environmental protection closed water tank, and for users with a small potential difference in the user pipe network, they can install micro-power pumps and air pressure tanks at the output end of the high-level environmental protection closed water tank. The power pump works to increase the user's pipe network pressure. When the user's pipe network pressure is greater than the pressure doubling compensation gas in the air tank, water enters the water bladder of the air tank to increase the volume of the water bladder, and the pressure of the pressure doubling compensation gas in the air tank increases simultaneously. , when the pressure of the user's pipe network is lower than the pressure of the pressure doubler compensation gas in the pressure tank, the gas will press the water bag to replenish the water in the water bag to the user's pipe network.
本实用新型叠加增压高位供水设备的有益效果是:通过本技术方案,不但可以充分利用市政管网的压力叠加到变频水泵上,以节约电能,降低设备配置,减少设备投资,而且还可以将变频水泵大多数情况是连续变频运转的工作方式改变为大多数情况下的变频水泵工频运转加较长时间的停机方式,从而大大的节约了电能,延长了设备使用寿命,减少了维修费用,使用户管网供水更加稳定和安全。The beneficial effects of the superimposed pressurized high-level water supply equipment of the utility model are: through the technical scheme, not only can the pressure of the municipal pipe network be fully utilized to be superimposed on the frequency conversion water pump, so as to save electric energy, reduce equipment configuration, and reduce equipment investment, but also In most cases, the working mode of the frequency conversion water pump is changed from the continuous frequency conversion operation mode to the power frequency operation of the frequency conversion water pump plus a longer shutdown mode in most cases, thus greatly saving electric energy, prolonging the service life of the equipment, and reducing maintenance costs. Make the user pipe network water supply more stable and safe.
附图说明 Description of drawings
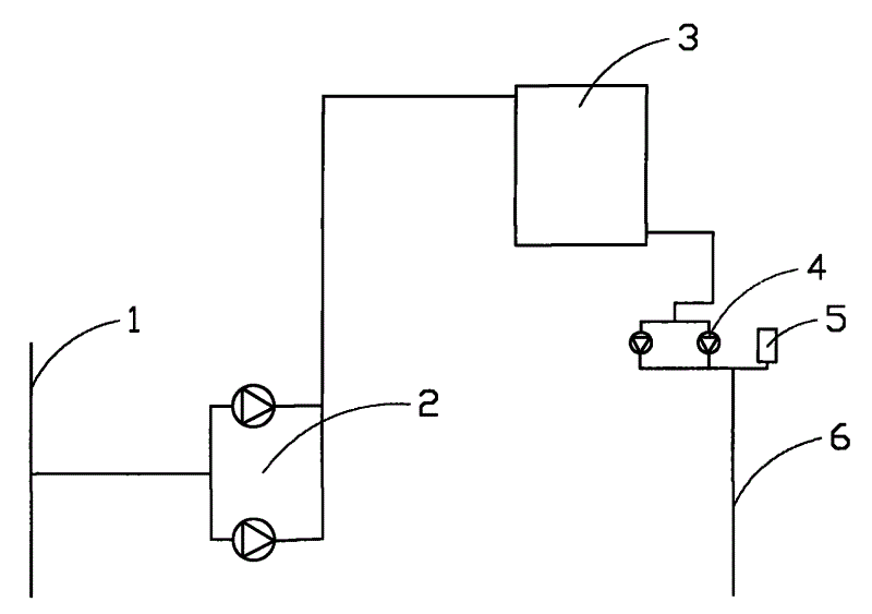
图1为本实用新型的结构示意图。Fig. 1 is the structural representation of the utility model.
图2为本实用新型中气压罐的剖视示意图。Fig. 2 is a schematic cross-sectional view of the pressure tank of the utility model.
具体实施方式 Detailed ways
以下结合附图对本实用新型作进一步的描述。Below in conjunction with accompanying drawing, the utility model is further described.
如图1所示,本实用新型涉及的叠加增压高位供水设备,包括有变频水泵2,压力变送器和控制电路,所述变频水泵2的输入端与市政管网1相连,在变频水泵2的输入端设置有压力变送器,所述控制电路分别通过导线与变频水泵2和压力变送器相连接,还包括有高位环保密闭水箱3,所述高位环保密闭水箱3的进水端与变频水泵2的输出端相连,高位环保密闭水箱3的输出端与用户管网6相连。As shown in Figure 1, the superimposed pressurized high-level water supply equipment involved in the utility model includes a frequency
所述高位环保密闭水箱3的输出端与用户管网6之间设置有气压罐辅助供水,所述气压罐辅助供水由两个微动力水泵4和气压罐5组成,两个微动力水泵4相并联,微动力水泵4入水端与高位环保密闭水箱3的输出端相连通,微动力水泵4出水端分别与用户管网6和气压罐5相连通。An air pressure tank auxiliary water supply is provided between the output end of the high-level environmental protection
如图2所示,所述气压罐5是由气罐9和水囊10构成,所述水囊10设置在气罐9内,水囊10内部与用户管网6和微动力水泵4出水端相连通。As shown in Figure 2, the
所述气压罐5中气罐9与水囊10之间充装有一定初始压力的倍压补偿气,气罐9外侧设置有与气罐9内相连通的气体补偿口8,在气体补偿口8上设置有节门7。The
以上所述,仅为本实用新型的较佳实施例而已,并非用于限定本发明的保护范围。The above descriptions are only preferred embodiments of the present invention, and are not intended to limit the protection scope of the present invention.
Claims (4)
Priority Applications (1)
| Application Number | Priority Date | Filing Date | Title |
|---|---|---|---|
| CNU2007201911252U CN201148639Y (en) | 2007-12-29 | 2007-12-29 | Superimposed pressurized high-level water supply equipment |
Applications Claiming Priority (1)
| Application Number | Priority Date | Filing Date | Title |
|---|---|---|---|
| CNU2007201911252U CN201148639Y (en) | 2007-12-29 | 2007-12-29 | Superimposed pressurized high-level water supply equipment |
Publications (1)
| Publication Number | Publication Date |
|---|---|
| CN201148639Y true CN201148639Y (en) | 2008-11-12 |
Family
ID=40116405
Family Applications (1)
| Application Number | Title | Priority Date | Filing Date |
|---|---|---|---|
| CNU2007201911252U Expired - Lifetime CN201148639Y (en) | 2007-12-29 | 2007-12-29 | Superimposed pressurized high-level water supply equipment |
Country Status (1)
| Country | Link |
|---|---|
| CN (1) | CN201148639Y (en) |
Cited By (3)
| Publication number | Priority date | Publication date | Assignee | Title |
|---|---|---|---|---|
| CN102051897A (en) * | 2009-11-05 | 2011-05-11 | 上海熊猫机械(集团)有限公司 | Environmentally-friendly electricity-saving water supply equipment |
| CN102051898A (en) * | 2009-11-05 | 2011-05-11 | 上海熊猫机械(集团)有限公司 | Power-saving type pressure-superposed water supply equipment |
| CN103382732A (en) * | 2012-05-04 | 2013-11-06 | 上海熊猫机械(集团)有限公司 | High-rise pressure-superposed water supply equipment |
-
2007
- 2007-12-29 CN CNU2007201911252U patent/CN201148639Y/en not_active Expired - Lifetime
Cited By (3)
| Publication number | Priority date | Publication date | Assignee | Title |
|---|---|---|---|---|
| CN102051897A (en) * | 2009-11-05 | 2011-05-11 | 上海熊猫机械(集团)有限公司 | Environmentally-friendly electricity-saving water supply equipment |
| CN102051898A (en) * | 2009-11-05 | 2011-05-11 | 上海熊猫机械(集团)有限公司 | Power-saving type pressure-superposed water supply equipment |
| CN103382732A (en) * | 2012-05-04 | 2013-11-06 | 上海熊猫机械(集团)有限公司 | High-rise pressure-superposed water supply equipment |
Similar Documents
| Publication | Publication Date | Title |
|---|---|---|
| CN201065546Y (en) | Intelligent negative pressure-free pressurizing water tank | |
| CN207812561U (en) | Double tank body raising frequency pressurize non-negative pressure water-supply installations | |
| CN201485895U (en) | Underground water pumping system | |
| CN201738383U (en) | Pressure-stabilizing and frequency-converting water supply system of deep-well pump | |
| CN201850583U (en) | Tank-type laminated water supply equipment | |
| CN201148639Y (en) | Superimposed pressurized high-level water supply equipment | |
| CN205116295U (en) | Negative pressure water supply equipment is not had in low energy consumption | |
| CN201276721Y (en) | Non-negative pressure water supply equipment with flow regulation function | |
| CN202370049U (en) | Full-automatic constant pressure energy-saving water supply device | |
| CN201176603Y (en) | No suction, no negative pressure intelligent water supply equipment | |
| CN201650591U (en) | Integrated pressure oil source device for hydraulic control equipment of vertical axis wind-driven generator | |
| CN210263216U (en) | Anti-pollution water-saving type non-negative pressure water supply equipment | |
| CN201209262Y (en) | Non-negative pressure automatic water supply flow compensator | |
| WO2008141587A1 (en) | Air pressure difference type energy saving water pumping device | |
| CN204023697U (en) | A kind of secondary water-supply current stabilization bidirectional compensating system | |
| CN202627074U (en) | Tank type vector negative pressure-free water supply equipment | |
| CN204023677U (en) | A kind of secondary water supply system with steady flow compensation function | |
| CN101775827A (en) | Automatic constant-pressure variable boosting water feeder | |
| CN203256848U (en) | Water supply network integrated control system | |
| CN206408682U (en) | A kind of frequency conversion water supply facility | |
| CN206360012U (en) | Intelligent water supply system based on low-capacity pump | |
| CN202530503U (en) | Energy-saving water supply negative-pressure-free pipeline | |
| CN202767179U (en) | Non-negative pressure water supply equipment | |
| CN200940275Y (en) | Improved pipe network superimposed water supply device | |
| CN201326193Y (en) | Relay-type variable-quantity-and-pressure non-negative-pressure water supply system for high-rise building |
Legal Events
| Date | Code | Title | Description |
|---|---|---|---|
| C14 | Grant of patent or utility model | ||
| GR01 | Patent grant | ||
| ASS | Succession or assignment of patent right |
Owner name: SHANGHAI WEIPAIGE ENVIRONMENTAL PROTECTION TECHNOL Free format text: FORMER OWNER: BEIJING WAPWAG TECHNOLOGY DEVELOPMENT CO., LTD. Effective date: 20141201 |
|
| C41 | Transfer of patent application or patent right or utility model | ||
| COR | Change of bibliographic data |
Free format text: CORRECT: ADDRESS; FROM: 100052 XUANWU, BEIJING TO: 201800 JIADING, SHANGHAI |
|
| TR01 | Transfer of patent right |
Effective date of registration: 20141201 Address after: 201800, No. 1, constant road, Wai Gang Town, Shanghai, Jiading District Patentee after: Shanghai Weipaige Environmental Protection Technology Co., Ltd. Address before: 100052, wing 1118, north wing, central office building, Zhuang Sheng Plaza, 6 Xuanwu Avenue, Beijing Patentee before: Beijing Wapwag Technology Development Co., Ltd. |
|
| C56 | Change in the name or address of the patentee | ||
| CP03 | Change of name, title or address |
Address after: 201806 Shanghai City, Jiading District Heng Road, Lane 2, No. 1, B District, layer 518 Patentee after: WPG (SHANGHAI) SMART WATER PUBLIC CO., LTD. Address before: 201800, No. 1, constant road, Wai Gang Town, Shanghai, Jiading District Patentee before: Shanghai Weipaige Environmental Protection Technology Co., Ltd. |
|
| CP02 | Change in the address of a patent holder |
Address after: 201806 Jiading District Road, Shanghai, No. 1 Patentee after: WPG (SHANGHAI) SMART WATER PUBLIC CO., LTD. Address before: 201806 Shanghai City, Jiading District Heng Road, Lane 2, No. 1, B District, layer 518 Patentee before: WPG (SHANGHAI) SMART WATER PUBLIC CO., LTD. |
|
| CX01 | Expiry of patent term | ||
| CX01 | Expiry of patent term |
Granted publication date: 20081112 |
