CN201138025Y - An energy-saving circulating air-conditioning hot water multi-function machine with a water pump - Google Patents
An energy-saving circulating air-conditioning hot water multi-function machine with a water pump Download PDFInfo
- Publication number
- CN201138025Y CN201138025Y CN200720310527.XU CN200720310527U CN201138025Y CN 201138025 Y CN201138025 Y CN 201138025Y CN 200720310527 U CN200720310527 U CN 200720310527U CN 201138025 Y CN201138025 Y CN 201138025Y
- Authority
- CN
- China
- Prior art keywords
- water
- heat exchanger
- outlet
- hot water
- fluorine
- Prior art date
- Legal status (The legal status is an assumption and is not a legal conclusion. Google has not performed a legal analysis and makes no representation as to the accuracy of the status listed.)
- Expired - Fee Related
Links
- XLYOFNOQVPJJNP-UHFFFAOYSA-N water Substances O XLYOFNOQVPJJNP-UHFFFAOYSA-N 0.000 title claims abstract description 194
- 238000004378 air conditioning Methods 0.000 title claims abstract description 12
- YCKRFDGAMUMZLT-UHFFFAOYSA-N Fluorine atom Chemical compound [F] YCKRFDGAMUMZLT-UHFFFAOYSA-N 0.000 claims abstract description 25
- 239000011737 fluorine Substances 0.000 claims abstract description 25
- 229910052731 fluorine Inorganic materials 0.000 claims abstract description 25
- 238000010438 heat treatment Methods 0.000 claims abstract description 16
- 238000009835 boiling Methods 0.000 claims description 20
- 239000007788 liquid Substances 0.000 claims description 16
- 238000001816 cooling Methods 0.000 claims description 8
- 239000011521 glass Substances 0.000 claims description 4
- WCQRWCFGZARAMR-UHFFFAOYSA-N [F].[F] Chemical compound [F].[F] WCQRWCFGZARAMR-UHFFFAOYSA-N 0.000 claims description 3
- 230000008676 import Effects 0.000 claims 3
- 238000001035 drying Methods 0.000 claims 2
- 238000001914 filtration Methods 0.000 claims 2
- 230000008901 benefit Effects 0.000 abstract description 2
- 238000009434 installation Methods 0.000 abstract description 2
- 230000010354 integration Effects 0.000 abstract description 2
- 239000003507 refrigerant Substances 0.000 description 12
- 239000008399 tap water Substances 0.000 description 7
- 235000020679 tap water Nutrition 0.000 description 7
- 238000009413 insulation Methods 0.000 description 5
- 238000004519 manufacturing process Methods 0.000 description 4
- 238000000034 method Methods 0.000 description 4
- 238000005057 refrigeration Methods 0.000 description 4
- 238000005516 engineering process Methods 0.000 description 3
- 239000008236 heating water Substances 0.000 description 3
- 230000008569 process Effects 0.000 description 3
- 238000003860 storage Methods 0.000 description 3
- 229920005830 Polyurethane Foam Polymers 0.000 description 2
- 229910000831 Steel Inorganic materials 0.000 description 2
- 230000006835 compression Effects 0.000 description 2
- 238000007906 compression Methods 0.000 description 2
- 239000011496 polyurethane foam Substances 0.000 description 2
- 238000004321 preservation Methods 0.000 description 2
- 229910001220 stainless steel Inorganic materials 0.000 description 2
- 239000010935 stainless steel Substances 0.000 description 2
- 239000010959 steel Substances 0.000 description 2
- 238000013517 stratification Methods 0.000 description 2
- 238000009834 vaporization Methods 0.000 description 2
- 230000008016 vaporization Effects 0.000 description 2
- 238000006243 chemical reaction Methods 0.000 description 1
- 238000009833 condensation Methods 0.000 description 1
- 230000005494 condensation Effects 0.000 description 1
- 238000010586 diagram Methods 0.000 description 1
- 230000000694 effects Effects 0.000 description 1
- 238000005485 electric heating Methods 0.000 description 1
- 238000012423 maintenance Methods 0.000 description 1
- 238000002360 preparation method Methods 0.000 description 1
- 230000009467 reduction Effects 0.000 description 1
- 230000008439 repair process Effects 0.000 description 1
- 239000013526 supercooled liquid Substances 0.000 description 1
- 239000002699 waste material Substances 0.000 description 1
Classifications
-
- Y—GENERAL TAGGING OF NEW TECHNOLOGICAL DEVELOPMENTS; GENERAL TAGGING OF CROSS-SECTIONAL TECHNOLOGIES SPANNING OVER SEVERAL SECTIONS OF THE IPC; TECHNICAL SUBJECTS COVERED BY FORMER USPC CROSS-REFERENCE ART COLLECTIONS [XRACs] AND DIGESTS
- Y02—TECHNOLOGIES OR APPLICATIONS FOR MITIGATION OR ADAPTATION AGAINST CLIMATE CHANGE
- Y02B—CLIMATE CHANGE MITIGATION TECHNOLOGIES RELATED TO BUILDINGS, e.g. HOUSING, HOUSE APPLIANCES OR RELATED END-USER APPLICATIONS
- Y02B30/00—Energy efficient heating, ventilation or air conditioning [HVAC]
- Y02B30/12—Hot water central heating systems using heat pumps
Landscapes
- Heat-Pump Type And Storage Water Heaters (AREA)
Abstract
一种带水泵的节能循环型空调热水开水多用机,由空调装置和热水装置两部分组成。其中空调装置由压缩机、室外翅片式换热器、节能循环器、室内翅片式换热器及其它配件组成;热水装置由保温热水罐、板式或套管式氟水换热器、开水器、循环水泵、控制器及其它配件组成。氟水换热器设置于立式热水罐外部,其水路进口端通过循环水泵与热水罐下部出水口相连,出口端与上部进水口相连。本实用新型采用节能循环器,极大降低压缩机排气压力,提高制热能效比(EER);膨胀阀采用膨胀阀以保证冬季高效、可靠运行;该空调、热水、开水三用机开创性地实现了多功能集于一体且可高效节能且安全可靠的运行,且具有安装灵活、适应地区及气候范围广等突出优点。
An energy-saving circulating air-conditioning hot water multi-function machine with a water pump is composed of two parts: an air-conditioning device and a hot water device. The air-conditioning unit is composed of a compressor, an outdoor finned heat exchanger, an energy-saving circulator, an indoor finned heat exchanger and other accessories; the hot water device is composed of an insulated hot water tank, a plate or casing fluorine water heat exchanger , water boiler, circulating water pump, controller and other accessories. The fluorine water heat exchanger is arranged outside the vertical hot water tank, and its waterway inlet is connected to the lower water outlet of the hot water tank through a circulating water pump, and its outlet is connected to the upper water inlet. The utility model adopts an energy-saving circulator, which greatly reduces the exhaust pressure of the compressor and improves the heating energy efficiency ratio (EER); the expansion valve adopts an expansion valve to ensure efficient and reliable operation in winter; It realizes the integration of multiple functions, high efficiency, energy saving, safe and reliable operation, and has outstanding advantages such as flexible installation, adaptability to regions and a wide range of climates.
Description
技术领域 technical field
本实用新型涉及一种一种带水泵的节能循环型空调热水开水多用机,采用节能循环改进制冷系统、采用板式或套管式或盘管式换热器制取生活热水、采用盘管式换热器制取开水、采用氟或水管路系统以适应不同地域或气候条件,属于空气源热泵空调及供热技术领域。The utility model relates to an energy-saving circulating air-conditioning hot water multipurpose machine with a water pump, which adopts an energy-saving circulation to improve the refrigeration system, adopts a plate-type or sleeve-type or coil-type heat exchanger to prepare domestic hot water, and adopts a coil The utility model relates to a type heat exchanger for preparing boiling water and adopting a fluorine or water pipeline system to adapt to different regions or climate conditions, and belongs to the technical field of air source heat pump air conditioning and heating supply.
背景技术 Background technique
空调、热水器及制取开水装置作为单独功能设备种类繁多、技术多样,但是每类产品单独工作时都会耗费大量一次或二次能源,且经济性差。则至今尚没有出现任何一种节能可靠的成熟产品可将三类日常家用器具的功能合而为一。Air conditioners, water heaters, and boiling water devices have various types and technologies as individual functional equipment, but each type of product will consume a large amount of primary or secondary energy when it works alone, and the economy is poor. Then there is no reliable mature product of any kind of energy saving so far that can combine the functions of three classes of daily household appliances into one.
现有的家用空调器,其制冷时需要向室外白白排放大量热能,且空调年平均累计使用时间一般很有限,例如在北京地区只有大约200小时,一年中绝大多数时间是在闲置,即使加上过渡季节的供热时间也没有本质差别。Existing household air conditioners need to discharge a large amount of heat energy to the outside when cooling, and the average annual accumulative use time of air conditioners is generally very limited. In addition, there is no essential difference in the heating time in transitional seasons.
目前广泛应用的热水器中,电热水器能耗大、运行费用过高,燃气热水器安全问题突出、受气源限制,太阳能热水器受阳光、占用空间等因素影响过大。热泵热水器采用压缩机制冷系统从室外空气中吸收热量,并通过氟水换热器将自来水加热到所需温度以作为生活热水之用,其耗电仅及电热水器的1/4以下,全年综合运行费用远低于电热水器,也比燃气热水器、太阳能热水器低得多,且节能环保、安全可靠、安装使用及维修方便,适合全面推广。Among the water heaters widely used at present, electric water heaters consume a lot of energy and have high operating costs, gas water heaters have serious safety problems and are limited by gas sources, and solar water heaters are too affected by factors such as sunlight and space occupation. The heat pump water heater adopts the compressor refrigeration system to absorb heat from the outdoor air, and heats the tap water to the required temperature through the fluorine water heat exchanger to be used as domestic hot water. Its power consumption is only 1/4 of that of the electric water heater. The annual comprehensive operating cost is much lower than that of electric water heaters, and much lower than that of gas water heaters and solar water heaters. It is energy-saving, environmentally friendly, safe and reliable, easy to install, use and maintain, and is suitable for comprehensive promotion.
现有的空气源热泵热水、开水两用机中,大多数都将加热水用的冷凝器放置在热水罐内,一旦相关部分泄漏或出现其它故障,会导致制冷剂进入热水罐内或者制冷系统进水,且维修困难。Most of the existing air source heat pump hot water and boiling water dual-purpose machines place the condenser for heating water in the hot water tank. Once the relevant part leaks or other failures occur, the refrigerant will enter the hot water tank Or the refrigeration system is flooded and difficult to repair.
现有热泵热水器基本上都不采用节能循环器,由于加热生活热水到设计温度(一般取50~60℃左右)需要冷凝温度很高,导致排气压力很高,压缩比过大,特别是在冬季条件下更为严重,这一方面造成能效比EER(制热量/输入功率)大大降低而使耗电增大,经济性恶化,另一方面压缩机等部件的故障率增大,寿命降低。Existing heat pump water heaters basically do not use energy-saving circulators. Because heating domestic hot water to the design temperature (generally around 50-60°C) requires a high condensation temperature, the exhaust pressure is high and the compression ratio is too large, especially It is more serious in winter conditions. On the one hand, the energy efficiency ratio EER (heating capacity/input power) is greatly reduced, which increases power consumption and deteriorates economy. On the other hand, the failure rate of compressors and other components increases and the life span is shortened. .
现有热泵热水器所采用的把冷凝器置于水箱内的闷烧式换热其水侧换热能力低;而少数采用将冷凝器置于水箱外者,常由于在水箱内没有实现良好的温度分层而对系统运行及性能指标影响严重,有的为实现较好的温度分层而使结构过于复杂,且蓄水罐下部水体的温度低,容积利用率差。The smoldering heat exchange adopted by the existing heat pump water heater, which places the condenser in the water tank, has a low heat exchange capacity on the water side; while a few of them use the condenser outside the water tank, often due to the failure to achieve a good temperature in the water tank Stratification has a serious impact on system operation and performance indicators, and some structures are too complex to achieve better temperature stratification, and the temperature of the water body in the lower part of the water storage tank is low, and the volume utilization rate is poor.
一般制取开水常采用电热式、燃气等,前者直接大量耗费高品位电能,后者也耗费了高品位一次能源,且一般家用燃气罩的热能转化率只有20~30%左右,因此实际上也存在很高的能源浪费。Generally, electric heating, gas, etc. are often used to prepare boiling water. The former directly consumes a large amount of high-grade electric energy, and the latter also consumes high-grade primary energy, and the heat conversion rate of general household gas hoods is only about 20-30%. There is a high energy waste.
目前市场上新出现的热泵技术生产开水的产品,系采用极大提高排气压力以获取超过100℃的排气温度以置备开水,热泵循环的压缩比过大,导致能效比大为下降,且换热器面积过大,使得设备初投资、运行费都较为高昂,难以取得预期节能效果,因而实际上远不是可以实际应用的成熟产品。At present, the newly emerging heat pump technology on the market produces boiled water products, which use a greatly increased exhaust pressure to obtain an exhaust temperature exceeding 100°C to prepare boiled water. The compression ratio of the heat pump cycle is too large, resulting in a significant drop in energy efficiency ratio, and The area of the heat exchanger is too large, which makes the initial investment and operating costs of the equipment relatively high, and it is difficult to achieve the expected energy-saving effect. Therefore, it is actually far from a mature product that can be practically applied.
发明内容 Contents of the invention
本实用新型的目的和任务是,针对上述存在的种种问题,创造性地引入节能制冷循环技术,对整机系统结构做出诸多改进,实现高效节能稳定可靠地供冷、供热、生产生活热水及开水的目的,并使整机结构紧凑、装配方便、成本低。The purpose and task of this utility model is to creatively introduce the energy-saving refrigeration cycle technology in view of the above-mentioned various problems, make many improvements to the structure of the whole machine system, and realize high-efficiency, energy-saving, stable and reliable cooling, heating, and production of domestic hot water And the purpose of boiling water, and make the whole machine compact, easy to assemble and low cost.
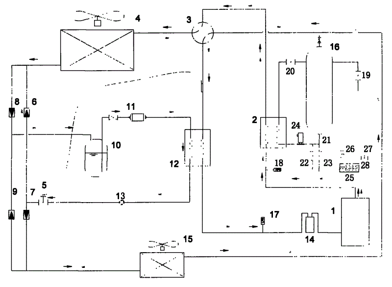
为此,本实用新型设计了一种带水泵的节能循环型空调热水开水多用机,整机由空调装置和热水装置两部分组成。其中空调装置由压缩机(1)、室外翅片式换热器(4)、节能循环器(12)、室内翅片式换热器(15)及其它配件组成;热水装置由保温热水罐(16)、板式或套管式或盘管式氟水换热器(2)、开水器(25)、循环水泵(24)及其它配件组成。氟水换热器(2)氟路进口端与开水器(25)出口相连,出口端与四通阀(3)相连;开水器(25)进口端与压缩机(1)出口相连;室外换热器(4)进口端与四通阀(3)相连,出口端与单向阀组(6+7+8+9)相连;储液器(10)进口端与单向阀组相连,出口端与干燥过滤器(11)进口相连;节能循环器(12)液侧进口端与干燥过滤器(11)出口相连,出开端经视液镜(13)与膨胀阀(5)进口相连;室内换热器(15)进口端通过单向阀组与节流结构(5)出口相连;节能循环器(12)汽侧进口端通过四通阀(3)与室内换热器(15)出口相连,出口端与汽液分离器(14)进口端相连;汽液分离器(14)出口端与压缩机(1)吸气口相连。生活热水储水罐内不设氟水换热器,避免了制冷剂泄漏所引起的一系列问题。板式或套管式或盘管式氟水换热器(2)水路进口端通过循环水泵(24)与热水罐(16)下部出水口(21)相连,出口端与上部进水口(20)相连;开水器(25)水路进口(26)与热水罐(16)上部生活热水出口(19)相连,出口(27)通过安全阀(28)送出开水。For this reason, the utility model has designed a kind of energy-saving circulating type air-conditioning hot water multipurpose machine with water pump, and the complete machine is made up of two parts of air-conditioning device and heating device. The air conditioner is composed of a compressor (1), an outdoor finned heat exchanger (4), an energy-saving circulator (12), an indoor finned heat exchanger (15) and other accessories; Tank (16), plate or casing or coil fluorine water heat exchanger (2), water boiler (25), circulating water pump (24) and other accessories. The inlet end of the fluorine water heat exchanger (2) is connected to the outlet of the water boiler (25), and the outlet end is connected to the four-way valve (3); the inlet end of the water boiler (25) is connected to the outlet of the compressor (1); The inlet end of the heater (4) is connected with the four-way valve (3), and the outlet end is connected with the one-way valve group (6+7+8+9); the inlet end of the liquid receiver (10) is connected with the one-way valve group, and the outlet The end is connected with the inlet of the drier filter (11); the inlet end of the liquid side of the energy-saving circulator (12) is connected with the outlet of the drier filter (11), and the outlet end is connected with the inlet of the expansion valve (5) through the sight glass (13); The inlet end of the heat exchanger (15) is connected to the outlet of the throttling structure (5) through a one-way valve group; the inlet end of the steam side of the energy-saving circulator (12) is connected to the outlet of the indoor heat exchanger (15) through a four-way valve (3) , the outlet end is connected to the inlet end of the vapor-liquid separator (14); the outlet end of the vapor-liquid separator (14) is connected to the suction port of the compressor (1). There is no fluorine water heat exchanger in the domestic hot water storage tank, which avoids a series of problems caused by refrigerant leakage. Plate or casing or coil fluorine water heat exchanger (2) The inlet end of the waterway is connected to the lower water outlet (21) of the hot water tank (16) through a circulating water pump (24), and the outlet end is connected to the upper water inlet (20) Link to each other; Water boiler (25) waterway inlet (26) links to each other with hot water tank (16) top domestic hot water outlet (19), and outlet (27) sends boiling water by safety valve (28).
节能循环器(12)采用外肋盘管式或者套管式或者板式氟氟换热器。采用节能循环器可在保持冷凝温度为较低温度水平(40~54.4℃)时,即排气压力处于较低水平时,有效提升排气温度以保持乃至大大提高出水温度水平(热水出水温度范围35~100℃),同时系统能效比保持在很高水平,这是一般风冷热泵及空气源热泵热水、开水两用机难以达到的,且排气压力的降低可有效减少压缩机等各部件出现故障的可能性,并延长整机寿命。The energy-saving circulator (12) adopts an outer-finned coil type or a casing type or a plate type fluorine-fluorine heat exchanger. The use of an energy-saving circulator can effectively increase the exhaust temperature to maintain or even greatly increase the outlet water temperature level (hot water outlet temperature) range 35~100℃), and the energy efficiency ratio of the system is kept at a very high level, which is difficult for general air-cooled heat pumps and air source heat pumps to achieve hot water and boiling water dual-purpose machines, and the reduction of exhaust pressure can effectively reduce compressors, etc. The possibility of failure of each component and prolong the life of the whole machine.
开水器(25)采用盘管式氟水换热器,进水取自热水罐上部较高温度的水,以利降低开水器换热负荷,其出口水温控制在95~99℃,并在出水管上设置安全阀(28)以防出现沸腾汽化造成安全问题。The water boiler (25) adopts a coil type fluorine water heat exchanger, and the inlet water is taken from the water at a higher temperature on the upper part of the hot water tank, so as to reduce the heat exchange load of the water boiler. A safety valve (28) is provided on the outlet pipe to prevent safety problems caused by boiling vaporization.
热水罐(16)为密闭压力容器,筒体由不锈钢内壁、彩钢板外壁及聚氨酯发泡保温层构成,下部接自来水进水管(22),上部接生活热水出水管(19),底部接泄水管(23),且罐内极下部设置温度传感器,便于实现将温度传感器上部的水体全都加热到所需温度水平,大大提高了罐内容积的利用率,节省热水罐空间。自来水进水与底部加热水出水共用一个水管,使结构更加紧凑合理。The hot water tank (16) is an airtight pressure vessel, the cylinder is made of stainless steel inner wall, color steel outer wall and polyurethane foam insulation layer, the lower part is connected to the tap water inlet pipe (22), the upper part is connected to the domestic hot water outlet pipe (19), and the bottom is connected Drain pipe (23), and temperature sensor is set at the bottom of the tank, it is convenient to realize that the water body on the top of the temperature sensor is all heated to the required temperature level, greatly improves the utilization rate of the tank internal volume, and saves the space of the hot water tank. The tap water inlet and the bottom heating water outlet share the same water pipe, which makes the structure more compact and reasonable.
北方地区使用的机型其室内机与室外机之间的连接管为制冷剂管,不存在冬季管道被冻裂的危险,且其室外机风冷换热器的进风口上可选装辅助电加热器以利于制冷机正常启动。南方地区则可选择制冷剂或者水管路系统,其压缩机、氟水换热器等可灵活设置于室内或室外。For models used in the northern region, the connecting pipe between the indoor unit and the outdoor unit is a refrigerant pipe, so there is no danger of the pipe being frozen and cracked in winter, and an auxiliary power supply can be installed on the air inlet of the air-cooled heat exchanger of the outdoor unit. The heater is used to facilitate the normal start-up of the refrigerator. In the southern region, you can choose the refrigerant or water pipeline system, and its compressor, fluorine water heat exchanger, etc. can be flexibly installed indoors or outdoors.
本实用新型大大提高了能效比,真正实现了空调、热水及开水三类功能集于一体,可高效节能稳定可靠运行,产品寿命长,安装、使用、维修方便,地域及气候适应性广。The utility model greatly improves the energy efficiency ratio, truly realizes the integration of three functions of air conditioning, hot water and boiling water, can be highly efficient, energy-saving, stable and reliable, has a long service life, is convenient for installation, use and maintenance, and has wide adaptability to regions and climates.
附图说明 Description of drawings
图1是本实用新型的结构示意图。Fig. 1 is the structural representation of the utility model.
图1中各部件编号与名称如下:The numbers and names of the parts in Figure 1 are as follows:
压缩机1、氟水换热器2、四通阀3、室外换热器4、膨胀阀5、单向阀组6+7+8+9、储液器10、干燥过滤器11、节能循环器12、视液镜13、汽液分离器14、室内换热器15、保温热水罐16、低压表17、高压表18、生活热水出水管19、生活热水进水管20、热水罐下部出水管21、自来水补水管22、泄水管23、循环水泵24、开水器25、开水器进水管26、开水器出水管27、安全阀28、。Compressor 1, fluorine water heat exchanger 2, four-way valve 3, outdoor heat exchanger 4, expansion valve 5, one-way valve group 6+7+8+9, liquid receiver 10, dry filter 11, energy-saving cycle Device 12, sight glass 13, vapor-liquid separator 14, indoor heat exchanger 15, heat preservation hot water tank 16, low pressure gauge 17, high pressure gauge 18, domestic hot water outlet pipe 19, domestic hot water inlet pipe 20, hot water Tank bottom outlet pipe 21, tap water supply pipe 22, drain pipe 23, circulating water pump 24, water boiler 25, water boiler inlet pipe 26, water boiler outlet pipe 27, safety valve 28,.
具体实施方式 Detailed ways
下面结合附图和具体的实施应用例对本实用新型做进一步的说明。The utility model will be further described below in conjunction with the accompanying drawings and specific implementation and application examples.
附图1为本实用新型的整机结构示意图。Accompanying drawing 1 is the whole machine structure schematic diagram of the present utility model.
整机由空调装置和热水装置两部分组成。其中空调装置由压缩机(1)、室外翅片式换热器(4)、节能循环器(12)、室内翅片式换热器(15)及其它配件组成;热水装置由保温热水罐(16)、板式或套管式或盘管式氟水换热器(2)、开水器(25)、循环水泵(24)及其它配件组成。氟水换热器(2)氟路进口端与开水器(25)出口相连,出口端与四通阀(3)相连;开水器(25)进口端与压缩机(1)出口相连;室外换热器(4)进口端与四通阀(3)相连,出口端与单向阀组(6+7+8+9)相连;储液器(10)进口端与单向阀组相连,出口端与干燥过滤器(11)进口相连;节能循环器(12)液侧进口端与干燥过滤器(11)出口相连,出开端经视液镜(13)与膨胀阀(5)进口相连;室内换热器(15)进口端通过单向阀组与节流结构(5)出口相连;节能循环器(12)汽侧进口端通过四通阀(3)与室内换热器(15)出口相连,出口端与汽液分离器(14)进口端相连;汽液分离器(14)出口端与压缩机(1)吸气口相连。生活热水储水罐内不设氟水换热器,避免了制冷剂泄漏所引起的一系列问题。板式或套管式或盘管式氟水换热器(2)水路进口端通过循环水泵(24)与热水罐(16)下部出水口(21)相连,出口端与上部进水口(20)相连;开水器(25)水路进口(26)与热水罐(16)上部生活热水出口(19)相连,出口(27)通过安全阀(28)送出开水。节能循环器(12)采用外肋盘管式或者套管式或者板式氟氟换热器。开水器(25)采用盘管式氟水换热器,进水取自热水罐上部较高温度的水,在出水管上设置安全阀(28)以防出现沸腾汽化造成安全问题。热水罐(16)为密闭压力容器,筒体由不锈钢内壁、彩钢板外壁及聚氨酯发泡保温层构成,下部接自来水进水管(22),上部接生活热水出水管(19),底部接泄水管(23),且罐内极下部设置温度传感器,自来水进水与底部加热水出水共用一个水管,使结构更加紧凑合理。The whole machine is composed of two parts: air conditioning unit and hot water unit. The air conditioner is composed of a compressor (1), an outdoor finned heat exchanger (4), an energy-saving circulator (12), an indoor finned heat exchanger (15) and other accessories; Tank (16), plate or casing or coil fluorine water heat exchanger (2), water boiler (25), circulating water pump (24) and other accessories. The inlet end of the fluorine water heat exchanger (2) is connected to the outlet of the water boiler (25), and the outlet end is connected to the four-way valve (3); the inlet end of the water boiler (25) is connected to the outlet of the compressor (1); The inlet end of the heater (4) is connected with the four-way valve (3), and the outlet end is connected with the one-way valve group (6+7+8+9); the inlet end of the liquid receiver (10) is connected with the one-way valve group, and the outlet The end is connected with the inlet of the drier filter (11); the inlet end of the liquid side of the energy-saving circulator (12) is connected with the outlet of the drier filter (11), and the outlet end is connected with the inlet of the expansion valve (5) through the sight glass (13); The inlet end of the heat exchanger (15) is connected to the outlet of the throttling structure (5) through a one-way valve group; the inlet end of the steam side of the energy-saving circulator (12) is connected to the outlet of the indoor heat exchanger (15) through a four-way valve (3) , the outlet end is connected to the inlet end of the vapor-liquid separator (14); the outlet end of the vapor-liquid separator (14) is connected to the suction port of the compressor (1). There is no fluorine water heat exchanger in the domestic hot water storage tank, which avoids a series of problems caused by refrigerant leakage. Plate or casing or coil fluorine water heat exchanger (2) The inlet end of the waterway is connected to the lower water outlet (21) of the hot water tank (16) through a circulating water pump (24), and the outlet end is connected to the upper water inlet (20) Link to each other; Water boiler (25) waterway inlet (26) links to each other with hot water tank (16) top domestic hot water outlet (19), and outlet (27) sends boiling water by safety valve (28). The energy-saving circulator (12) adopts an outer-finned coil type or a casing type or a plate type fluorine-fluorine heat exchanger. The water boiler (25) adopts a coil type fluorine water heat exchanger, and the water inlet is taken from the water at a higher temperature on the top of the hot water tank, and a safety valve (28) is set on the outlet pipe to prevent safety problems caused by boiling and vaporization. The hot water tank (16) is an airtight pressure vessel, the cylinder is made of stainless steel inner wall, color steel outer wall and polyurethane foam insulation layer, the lower part is connected to the tap water inlet pipe (22), the upper part is connected to the domestic hot water outlet pipe (19), and the bottom is connected Drain pipe (23), and temperature sensor is set at the very bottom in the tank, tap water inlet and bottom heating water outlet share a water pipe, so that the structure is more compact and reasonable.
本实用新型可实现如下5种工作模式:单独供冷、单独供热、单独制取生活热水(及开水)、同时供冷与制取生活热水(及开水)、同时供热与制取生活热水(及开水)等。The utility model can realize the following five working modes: separate cooling, separate heating, separate production of domestic hot water (and boiling water), simultaneous cooling and production of domestic hot water (and boiling water), simultaneous heating and production Domestic hot water (and boiling water), etc.
现以单独制取生活热水(及开水)模式为利详述其工作流程如下:Now take the advantage of the mode of separately producing domestic hot water (and boiling water) to describe its working process in detail as follows:
(a)准备:向热水罐内注满水,并确保罐内水体底部温度低于设定值。(a) Preparation: Fill the hot water tank with water, and ensure that the temperature at the bottom of the water body in the tank is lower than the set value.
(b)启动:控制系统先启动室外换热器风机、水泵,然后启动压缩机进行热泵循环,而室内换热器风机不启动。(b) Start: The control system first starts the outdoor heat exchanger fan and water pump, and then starts the compressor for heat pump cycle, while the indoor heat exchanger fan does not start.
(c)加热:制冷剂循环过程如下:压缩机吸热低于气态制冷剂并压缩,排出高温高压的过热蒸汽,进入开水器及氟水换热器向热水释放热量,变成高温高压的液态制冷剂,经过干燥过滤器除去可能携带的污物和水份,然后进入节能循环器并被低温蒸汽冷却,过冷液再经过节流降压变为干度小的低温低压汽液两相流状态,进入蒸发器吸收蒸发器外空气的热量,蒸发为低温低压气态制冷剂,再经节能循环器与氟水换热器出来的高温液态制冷剂换热,变为中温低压过热蒸汽,并被吸入压缩机继续下一循环。生活热水加热过程如下:循环水泵通过热水罐下部的出水管吸入低温水并送入氟水换热器,水被加热到所需温度后再通过热水罐上部的进水管进入热水罐,水在罐内缓慢均匀下降,变温层将水分成上部高温水体与下部低温水体,且保温层的位置逐渐下移,直至下降到温度传感器所处位置时加热过程完成,此时热泵系统自动停止运行。(c) Heating: The refrigerant cycle process is as follows: the compressor absorbs less heat than the gaseous refrigerant and compresses, discharges high-temperature and high-pressure superheated steam, enters the water boiler and fluorine water heat exchanger to release heat to hot water, and becomes high-temperature and high-pressure steam The liquid refrigerant, through the dry filter to remove the dirt and water that may be carried, then enters the energy-saving circulator and is cooled by low-temperature steam, and the supercooled liquid is throttled and reduced to become a low-temperature low-pressure vapor-liquid two-phase with low dryness It enters the evaporator to absorb the heat of the air outside the evaporator, evaporates into a low-temperature and low-pressure gaseous refrigerant, and then exchanges heat with the high-temperature liquid refrigerant from the energy-saving circulator and the fluorine water heat exchanger to become a medium-temperature and low-pressure superheated steam, and It is sucked into the compressor to continue the next cycle. The domestic hot water heating process is as follows: the circulating water pump sucks in low-temperature water through the outlet pipe at the lower part of the hot water tank and sends it to the fluorine water heat exchanger. After the water is heated to the required temperature, it enters the hot water tank through the inlet pipe at the upper part of the hot water tank. , the water drops slowly and evenly in the tank, the temperature-changing layer divides the water into the upper high-temperature water body and the lower low-temperature water body, and the position of the insulation layer gradually moves down until the heating process is completed when it drops to the position of the temperature sensor, and the heat pump system automatically stops at this time run.
(d)取用:通过上部的出水管可取用生活热水,罐内保温层位置随之上升,此时通过自来水进水管自动向罐内补水,热泵仍可处于停运状态;当延时一定时间后,热泵系统自动启动运行,将自来水与热水罐出水的混合水加热到所需温度并送入热水罐上部,并保证出水温度处于所要求的水平。(d) Access: domestic hot water can be taken through the upper outlet pipe, and the position of the insulation layer in the tank will rise accordingly. After a certain period of time, the heat pump system will automatically start to run, heat the mixed water of tap water and hot water tank outlet to the required temperature and send it to the upper part of the hot water tank, and ensure that the outlet water temperature is at the required level.
(e)停用:当停止取用生活热水后,热泵系统仍继续运行一段时间,直至保温层位置又降低到温度传感器所在位置,即热水罐又达到蓄满状态,热泵停运。(e) Out of service: When the domestic hot water is stopped, the heat pump system continues to run for a period of time until the position of the insulation layer is lowered to the position of the temperature sensor, that is, the hot water tank is full again, and the heat pump stops operating.
(f)开水:生产开水时从热水罐上部生活热水出水口取水,由管内高温蒸汽采取闷烧方式加热,至所需温度后即可取用。(f) Boiled water: When producing boiled water, take water from the domestic hot water outlet on the upper part of the hot water tank, heat it by smoldering with high-temperature steam in the pipe, and take it when it reaches the required temperature.
其它4种工作模式中,单独供冷、单独供热模式与普通家用冷暖型空调工作流程相同,只是其排气压力调整到较低水平,保证排气温度远低于100℃,且热水器部分有关部件停止工作,处于闷烧保温状态。同时供冷与制取生活热水(及开水)模式下,室内换热器是蒸发器,开水器、热水器与室外换热器构成制冷剂系统冷凝部分的串联形式。同时供热与制取生活热水(及开水)模式下,室外换热器是蒸发器,开水器、热水器与室内换热器构成制冷剂系统冷凝部分的串联形式。Among the other 4 working modes, the independent cooling and independent heating modes have the same working process as ordinary household cooling and heating air conditioners, except that the exhaust pressure is adjusted to a lower level to ensure that the exhaust temperature is far below 100°C, and the water heater part is related Components stop working and are in a state of smoldering heat preservation. In the mode of cooling and producing domestic hot water (and boiling water) at the same time, the indoor heat exchanger is an evaporator, and the water boiler, water heater and outdoor heat exchanger form a series connection of the condensing part of the refrigerant system. In the mode of simultaneously heating and producing domestic hot water (and boiling water), the outdoor heat exchanger is an evaporator, and the water boiler, water heater and indoor heat exchanger form a series connection of the condensing part of the refrigerant system.
Claims (2)
Priority Applications (1)
| Application Number | Priority Date | Filing Date | Title |
|---|---|---|---|
| CN200720310527.XU CN201138025Y (en) | 2007-12-13 | 2007-12-13 | An energy-saving circulating air-conditioning hot water multi-function machine with a water pump |
Applications Claiming Priority (1)
| Application Number | Priority Date | Filing Date | Title |
|---|---|---|---|
| CN200720310527.XU CN201138025Y (en) | 2007-12-13 | 2007-12-13 | An energy-saving circulating air-conditioning hot water multi-function machine with a water pump |
Publications (1)
| Publication Number | Publication Date |
|---|---|
| CN201138025Y true CN201138025Y (en) | 2008-10-22 |
Family
ID=40038712
Family Applications (1)
| Application Number | Title | Priority Date | Filing Date |
|---|---|---|---|
| CN200720310527.XU Expired - Fee Related CN201138025Y (en) | 2007-12-13 | 2007-12-13 | An energy-saving circulating air-conditioning hot water multi-function machine with a water pump |
Country Status (1)
| Country | Link |
|---|---|
| CN (1) | CN201138025Y (en) |
Cited By (4)
| Publication number | Priority date | Publication date | Assignee | Title |
|---|---|---|---|---|
| CN105091154A (en) * | 2014-05-07 | 2015-11-25 | 中山市雅西环保科技有限公司 | Working method of water dispenser using excess energy of air conditioner |
| CN105091151A (en) * | 2014-05-07 | 2015-11-25 | 中山市雅西环保科技有限公司 | A water dispenser that utilizes excess energy from an air conditioner |
| CN104633773B (en) * | 2014-06-27 | 2017-08-29 | 四川长虹电器股份有限公司 | A kind of humidity control system |
| CN114110849A (en) * | 2021-12-06 | 2022-03-01 | 中南大学 | A coupled air conditioner and heat/water boiler integration device |
-
2007
- 2007-12-13 CN CN200720310527.XU patent/CN201138025Y/en not_active Expired - Fee Related
Cited By (6)
| Publication number | Priority date | Publication date | Assignee | Title |
|---|---|---|---|---|
| CN105091154A (en) * | 2014-05-07 | 2015-11-25 | 中山市雅西环保科技有限公司 | Working method of water dispenser using excess energy of air conditioner |
| CN105091151A (en) * | 2014-05-07 | 2015-11-25 | 中山市雅西环保科技有限公司 | A water dispenser that utilizes excess energy from an air conditioner |
| CN105091151B (en) * | 2014-05-07 | 2017-10-17 | 中山市雅西环保科技有限公司 | A water dispenser that utilizes excess energy from an air conditioner |
| CN105091154B (en) * | 2014-05-07 | 2017-10-17 | 中山市雅西环保科技有限公司 | Working method of water dispenser using excess energy of air conditioner |
| CN104633773B (en) * | 2014-06-27 | 2017-08-29 | 四川长虹电器股份有限公司 | A kind of humidity control system |
| CN114110849A (en) * | 2021-12-06 | 2022-03-01 | 中南大学 | A coupled air conditioner and heat/water boiler integration device |
Similar Documents
| Publication | Publication Date | Title |
|---|---|---|
| CN102645055B (en) | Self-adaptive matching solar assisted air source heat pump device | |
| CN2676103Y (en) | Air source heat pump water heater | |
| CN201764750U (en) | Water-source heat pump cold and hot water energy-saving device for recovering condensation heat of central air-conditioning units | |
| CN101403540A (en) | Heat pump type heating and ice production method and apparatus | |
| CN201401880Y (en) | Supermarket combination system integrating cooling, heating, food refrigeration and hot water supply | |
| CN103759352A (en) | Heat pump and solar energy comprehensively utilized phase change energy storage system | |
| CN202757346U (en) | Central air-conditioning and hot water all-in-one machine | |
| CN201138025Y (en) | An energy-saving circulating air-conditioning hot water multi-function machine with a water pump | |
| CN206556109U (en) | A kind of direct-connected ultralow environment high-temperature water outlet coupling air source heat pump system | |
| CN102767921A (en) | Double-way pre-cooling efficient heat pump device and control method thereof | |
| CN202171323U (en) | A cabinet type air source heat pump water heater | |
| CN101936614B (en) | Liquid-supplying and cold and hot water-circulating machine set of evaporative condensate pump | |
| CN209131187U (en) | Air source heat pump air supplement and enthalpy cooling and heating machine | |
| CN201138027Y (en) | External energy-saving cyclic hot-water air conditioner of heat exchanger | |
| CN203572022U (en) | Air-energy heat pump | |
| CN202675732U (en) | Self-adaptation matching solar auxiliary air source heat pump device | |
| CN205783497U (en) | A kind of water energy storage system | |
| CN202018156U (en) | Energy-saving heat pump hot water air conditioner | |
| CN203848548U (en) | Multipurpose air source heat pump unit | |
| CN201138065Y (en) | Water heating and boiling multifunctional machine of fluorine pipe line type air source heat pump with energy-saving cycle | |
| CN208443071U (en) | The gas-fired heat pump composite system of coupling evaporation cooled heat exchanger under a kind of worst cold case | |
| CN201757537U (en) | Liquid-feeding circulation cold/hot water unit of evaporative condensate pump | |
| CN201138067Y (en) | A fluorine pipeline system air source heat pump water heater with energy-saving circulation | |
| CN204285891U (en) | A kind of family formula integrated multi-functional earth source heat pump unit | |
| CN201138026Y (en) | Energy-saving cyclic type hot-water air conditioner with embedded longitudinal helical ribbed tube |
Legal Events
| Date | Code | Title | Description |
|---|---|---|---|
| C14 | Grant of patent or utility model | ||
| GR01 | Patent grant | ||
| C17 | Cessation of patent right | ||
| CF01 | Termination of patent right due to non-payment of annual fee |
Granted publication date: 20081022 Termination date: 20101213 |
