CN201065073Y - Solar energy combined power electric vehicle - Google Patents
Solar energy combined power electric vehicle Download PDFInfo
- Publication number
- CN201065073Y CN201065073Y CNU2007200856417U CN200720085641U CN201065073Y CN 201065073 Y CN201065073 Y CN 201065073Y CN U2007200856417 U CNU2007200856417 U CN U2007200856417U CN 200720085641 U CN200720085641 U CN 200720085641U CN 201065073 Y CN201065073 Y CN 201065073Y
- Authority
- CN
- China
- Prior art keywords
- power
- solar
- motor
- main controller
- electric vehicle
- Prior art date
- Legal status (The legal status is an assumption and is not a legal conclusion. Google has not performed a legal analysis and makes no representation as to the accuracy of the status listed.)
- Expired - Fee Related
Links
- 239000000446 fuel Substances 0.000 claims abstract description 18
- 230000001133 acceleration Effects 0.000 claims description 2
- 238000010248 power generation Methods 0.000 abstract description 4
- 210000004027 cell Anatomy 0.000 description 4
- 230000007613 environmental effect Effects 0.000 description 3
- 210000003850 cellular structure Anatomy 0.000 description 2
- 238000006243 chemical reaction Methods 0.000 description 2
- 238000010586 diagram Methods 0.000 description 2
- 238000004378 air conditioning Methods 0.000 description 1
- 230000005540 biological transmission Effects 0.000 description 1
- 230000000694 effects Effects 0.000 description 1
- 230000005611 electricity Effects 0.000 description 1
- 238000009434 installation Methods 0.000 description 1
- 238000012423 maintenance Methods 0.000 description 1
- 238000000034 method Methods 0.000 description 1
- 239000013589 supplement Substances 0.000 description 1
Images
Classifications
-
- Y—GENERAL TAGGING OF NEW TECHNOLOGICAL DEVELOPMENTS; GENERAL TAGGING OF CROSS-SECTIONAL TECHNOLOGIES SPANNING OVER SEVERAL SECTIONS OF THE IPC; TECHNICAL SUBJECTS COVERED BY FORMER USPC CROSS-REFERENCE ART COLLECTIONS [XRACs] AND DIGESTS
- Y02—TECHNOLOGIES OR APPLICATIONS FOR MITIGATION OR ADAPTATION AGAINST CLIMATE CHANGE
- Y02T—CLIMATE CHANGE MITIGATION TECHNOLOGIES RELATED TO TRANSPORTATION
- Y02T10/00—Road transport of goods or passengers
- Y02T10/60—Other road transportation technologies with climate change mitigation effect
- Y02T10/7072—Electromobility specific charging systems or methods for batteries, ultracapacitors, supercapacitors or double-layer capacitors
-
- Y—GENERAL TAGGING OF NEW TECHNOLOGICAL DEVELOPMENTS; GENERAL TAGGING OF CROSS-SECTIONAL TECHNOLOGIES SPANNING OVER SEVERAL SECTIONS OF THE IPC; TECHNICAL SUBJECTS COVERED BY FORMER USPC CROSS-REFERENCE ART COLLECTIONS [XRACs] AND DIGESTS
- Y02—TECHNOLOGIES OR APPLICATIONS FOR MITIGATION OR ADAPTATION AGAINST CLIMATE CHANGE
- Y02T—CLIMATE CHANGE MITIGATION TECHNOLOGIES RELATED TO TRANSPORTATION
- Y02T10/00—Road transport of goods or passengers
- Y02T10/60—Other road transportation technologies with climate change mitigation effect
- Y02T10/72—Electric energy management in electromobility
Landscapes
- Electric Propulsion And Braking For Vehicles (AREA)
Abstract
太阳能组合动力电动车,包括燃油发动机、发电机、动力蓄电池组、动力直流电机、主控制器,其太阳能电池板(14)通过支架(15)与车体固定连接,(14)的电压输出端通过主控制器(5)与动力直流电机(4)连接,(14)的电压输出端还通过内充电器(8)与动力蓄电池组(3)的电压输入端连接。本实用新型的优点是:1.在气候条件不具备的情况下,蓄电池与燃料发电机系统组合或单独提供动力电能;在气候条件具备的情况下,太阳能电池与蓄电池组合提供动力电能;2.燃料发动机功率相对减小,既能节能降污,又能相对延长其使用寿命;3.太阳能电池、动力蓄电池、发动机发动机发电系统三重组合,既能环保节能,又能增加电动车的动力和机动性。
The solar combined power electric vehicle includes a fuel engine, a generator, a power battery pack, a power DC motor, and a main controller. The main controller (5) is connected with the power DC motor (4), and the voltage output terminal of (14) is also connected with the voltage input terminal of the power battery pack (3) through the inner charger (8). The advantages of the utility model are: 1. When the weather conditions are not available, the storage battery and the fuel generator system are combined or provide power electric energy alone; when the weather conditions are available, the solar cell and the storage battery are combined to provide power electric energy; 2. The power of the fuel engine is relatively reduced, which can not only save energy and reduce pollution, but also prolong its service life; 3. The triple combination of solar cells, power batteries, and engine power generation systems can not only protect the environment and save energy, but also increase the power and mobility of electric vehicles sex.
Description
技术领域 technical field
本实用新型涉及电动车,尤其是一种采用太阳能电池、动力蓄电池、发动机发电系统的太阳能组合动力电动车。The utility model relates to an electric vehicle, in particular to a solar combined power electric vehicle which adopts a solar cell, a power storage battery and an engine generating system.
背景技术 Background technique
现有的太阳能电动车大多是以太阳能电池组件为单位嵌在框架内,多个单元电池组件组成光伏电池组,配以蓄电池为电动车的直流电机提供动力。其存在的缺点是:因太阳能电池板的造价较高和其安装条件的限制,电动车所配置的太阳能电池板总功率有限;同时,由于受太阳能电池的光电转换效率和环境因素的影响,这些个太阳能电动车往往动力不足,机动性较差。Most of the existing solar electric vehicles are embedded in the frame with solar cell components as the unit, and a plurality of unit cell components form a photovoltaic cell group, and a battery is used to provide power for the DC motor of the electric vehicle. Its disadvantages are: due to the high cost of solar panels and the limitation of its installation conditions, the total power of solar panels configured by electric vehicles is limited; at the same time, due to the influence of photoelectric conversion efficiency of solar cells and environmental factors, these A solar electric vehicle is often underpowered and has poor mobility.
另一方面目前国内使用的电动车大多是电池驱动,一次充电行驶里程较短,同时也受电池容量限制,电动车总功率小,使用范围受到一定限制。目前已公开的“混合动力电动车”、“自动变速混合动力电动车”专利中都采用了传统的较笨重的汽车发动机、车身变速箱、传动轴、驱动后桥、前桥、离合器、空调压缩机、再配以主电机、副电机、主控制器、辅助控制器、电池组,汽车发动机通过副电机、离合器、主电机与传动轴连接。虽然续驶里程可以延长,可以实现能量串联、并联功能,但其车体总重量较重,无用功作得较多,总体节能效果和环保功能并不明显。On the other hand, most of the electric vehicles currently used in China are battery-driven, and the mileage of one charge is short. At the same time, due to the limitation of battery capacity, the total power of electric vehicles is small, and the range of use is limited to a certain extent. The patents of "hybrid electric vehicle" and "automatic variable speed hybrid electric vehicle" have all adopted the traditional heavy automobile engine, body gearbox, drive shaft, driving rear axle, front axle, clutch, air conditioning compressor, etc. The engine is equipped with a main motor, an auxiliary motor, a main controller, an auxiliary controller, and a battery pack, and the automobile engine is connected to the transmission shaft through an auxiliary motor, a clutch, and the main motor. Although the cruising range can be extended and energy series and parallel functions can be realized, the total weight of the car body is relatively heavy, more useless work is done, and the overall energy-saving effect and environmental protection function are not obvious.
发明内容 Contents of the invention
本实用新型的目的是提供一种自身重量小,动力足,机动性好,节能环保经济适用的太阳能组合动力电动车,使太阳能作为机动车动力源进入实用阶段,使可充电动力电池发挥更大作用,使污染性燃料消耗降低至最小程度。The purpose of this utility model is to provide a solar combined power electric vehicle with small self-weight, sufficient power, good mobility, energy saving, environmental protection, economy and application, so that solar energy can enter the practical stage as the power source of motor vehicles, and the rechargeable power battery can be used to a greater extent. function to minimize polluting fuel consumption.
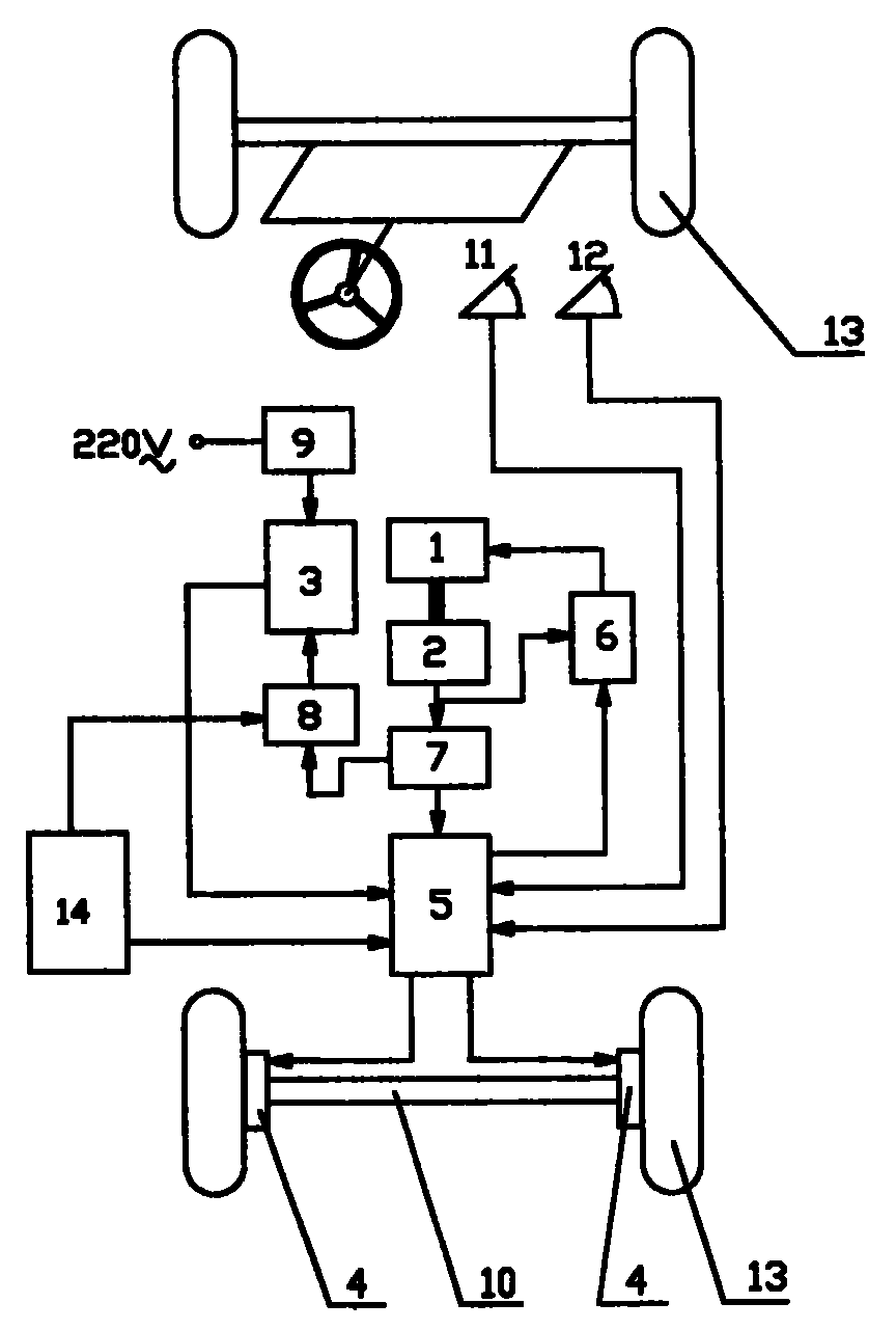
所述太阳能组合动力电动车,包括置于车身中的燃油发动机、发电机、动力蓄电池组、动力直流电机、主控制器、燃油发动机控制器、整流器、转向机构、刹车机构、加速机构,燃油发动机的输出轴与发电机的输入轴连接,发电机的输出电压端与整流器的电压输入端连接,整流器的电压输出端通过主控制器与动力直流电机的电压输入端连接,整流器的电压输出端还通过内充电器与动力蓄电池组的电压输入端连接;动力蓄电池组通过主控制器与动力直流电机的电源输入端连接;动力直流电机通过车轮轴与车轮转动连接,其特征是:所述太阳能组合动力电动车还设置有太阳能电池板14,所述太阳能电池板14通过支架15与车体固定连接,太阳能电池板14的电压输出端通过主控制器5与动力直流电机4连接,太阳能电池板14的电压输出端还通过内充电器8与动力蓄电池组3的电压输入端连接。The solar combined power electric vehicle includes a fuel engine placed in the vehicle body, a generator, a power battery pack, a power DC motor, a main controller, a fuel engine controller, a rectifier, a steering mechanism, a brake mechanism, an acceleration mechanism, and the fuel engine The output shaft of the generator is connected to the input shaft of the generator, the output voltage terminal of the generator is connected to the voltage input terminal of the rectifier, the voltage output terminal of the rectifier is connected to the voltage input terminal of the power DC motor through the main controller, and the voltage output terminal of the rectifier is also connected The internal charger is connected to the voltage input end of the power battery pack; the power battery pack is connected to the power input end of the power DC motor through the main controller; the power DC motor is connected to the wheel rotation through the wheel shaft, and the feature is: the solar energy combination The power electric vehicle is also provided with a
本实用新型的优点是:1、在气候条件不具备的情况下,蓄电池与燃料发电机系统组合或单独提供动力电能;在气候条件具备的情况下,太阳能电池与蓄电池组合提供动力电能,由于太阳能只是补充动力电能,相对单纯的太阳能电动车占用顶部面积要小,通过使用高光电转换率电池加以弥补,保证了太阳能电池作为动力电源一部分的实际可行;同时太阳能电池在机动车停滞时,可即时为动力蓄电池充电。2、燃料发动机功率相对减小,从而其体积重量减小,由于太阳能电池可提供部分动力电能,导致发动机使用量减小,既能节能降污,又能相对延长其使用寿命,减少维修费用。3、动力蓄电池通过太阳能和燃料发电机两方面调整充电,使其处于最佳工作状态,可延长其使用寿命,降低使用费。4、太阳能电池、动力蓄电池、发动机发动机发电系统三重组合,相互克短扬长,既能环保节能,又能增加电动车的动力和机动性,降低使用费用。The advantages of the utility model are: 1. When the climatic conditions are not available, the storage battery and the fuel generator system combine or provide power electric energy alone; It is only to supplement the power and electric energy. Compared with the pure solar electric vehicle, the area occupied by the top is smaller. By using a high photoelectric conversion rate battery to make up for it, it ensures the practicality of the solar battery as a part of the power supply; at the same time, the solar battery can be instantly Charge the traction battery. 2. The power of the fuel engine is relatively reduced, so its volume and weight are reduced. Since the solar battery can provide part of the power and electric energy, the usage of the engine is reduced, which can not only save energy and reduce pollution, but also prolong its service life and reduce maintenance costs. 3. The power battery is adjusted and charged through solar energy and fuel generators to keep it in the best working condition, which can prolong its service life and reduce usage fees. 4. The triple combination of solar cells, power batteries, and engine power generation systems can overcome each other's shortcomings and enhance its strengths. It can not only protect the environment and save energy, but also increase the power and mobility of electric vehicles and reduce operating costs.
附图说明 Description of drawings
图1本实用新型外形结构图;Fig. 1 outline structure diagram of the utility model;
图2是本实用新型结构原理示意图。Fig. 2 is a schematic diagram of the structure principle of the utility model.
图中:1-燃油发动机,2-发电机,3-动力蓄电池组,4-动力直流电机,5-主控制器,6-燃油发动机控制器,7-整流器,8-内充电器,9-外接充电器,10-车轮轴,11-刹车机构,12-加速机构,13-车轮,14-太阳能电池板,15-支架。In the figure: 1-fuel engine, 2-generator, 3-power battery pack, 4-power DC motor, 5-main controller, 6-fuel engine controller, 7-rectifier, 8-inner charger, 9- External charger, 10-wheel axle, 11-brake mechanism, 12-acceleration mechanism, 13-wheel, 14-solar panel, 15-support.
具体实施方式 Detailed ways
下面结合附图对本实用新型进一步说明:图2中,燃油发动机1的输出轴与发电机2的输入轴连接,发电机的输出电压端与整流器7的电压输入端连接,整流器的电压输出端通过主控制器5与动力直流电机4的电压输入端连接,整流器的电压输出端还通过内充电器8与动力蓄电池组3的电压输入端连接;动力蓄电池组3通过主控制器与动力直流电机4的电源输入端连接;动力直流电机通过车轮轴与车轮13转动连接。太阳能电池板14通过支架15与车体固定连接,太阳能电池板14的电压输出端通过主控制器5与动力直流电机4连接,太阳能电池板14的电压输出端还通过内充电器8与动力蓄电池组3的电压输入端连接。The utility model is further described below in conjunction with accompanying drawing: among Fig. 2, the output shaft of
在动力蓄电池电量充足时尽量使用可充电蓄电池电能驱动电动车,在动力蓄电池电量不足或是电动车需要加速时,蓄电池电能与汽油或其它燃料发动机发电系统提供的电能同时作用于动力直流电机。在蓄电池无电的情况情况下由汽油或其它燃料发动机发电系统单独为动力电机提供电能,同时可为动力蓄电池组即时充电。When the power of the power battery is sufficient, try to use the power of the rechargeable battery to drive the electric vehicle. When the power of the power battery is insufficient or the electric vehicle needs to be accelerated, the power of the battery and the power provided by the gasoline or other fuel engine power generation system act on the power DC motor at the same time. In the case of no electricity in the storage battery, the gasoline or other fuel engine power generation system alone provides electric energy for the power motor, and at the same time, it can charge the power storage battery immediately.
Claims (1)
Priority Applications (1)
| Application Number | Priority Date | Filing Date | Title |
|---|---|---|---|
| CNU2007200856417U CN201065073Y (en) | 2007-06-30 | 2007-06-30 | Solar energy combined power electric vehicle |
Applications Claiming Priority (1)
| Application Number | Priority Date | Filing Date | Title |
|---|---|---|---|
| CNU2007200856417U CN201065073Y (en) | 2007-06-30 | 2007-06-30 | Solar energy combined power electric vehicle |
Publications (1)
| Publication Number | Publication Date |
|---|---|
| CN201065073Y true CN201065073Y (en) | 2008-05-28 |
Family
ID=39482236
Family Applications (1)
| Application Number | Title | Priority Date | Filing Date |
|---|---|---|---|
| CNU2007200856417U Expired - Fee Related CN201065073Y (en) | 2007-06-30 | 2007-06-30 | Solar energy combined power electric vehicle |
Country Status (1)
| Country | Link |
|---|---|
| CN (1) | CN201065073Y (en) |
Cited By (5)
| Publication number | Priority date | Publication date | Assignee | Title |
|---|---|---|---|---|
| CN104354598A (en) * | 2014-11-14 | 2015-02-18 | 秦巍 | Energy-saving vehicle |
| CN104553828A (en) * | 2013-10-28 | 2015-04-29 | 陆海涛 | Solar electric car drive system with extended range generator |
| CN105711430A (en) * | 2016-04-12 | 2016-06-29 | 高洪江 | Enhancing system for cruising power of solar hybrid electric vehicle |
| CN106274504A (en) * | 2015-09-18 | 2017-01-04 | 辽宁天赐光伏能源汽车有限公司 | A kind of photovoltaic energy automobile |
| CN106856251A (en) * | 2015-12-09 | 2017-06-16 | 广东天非尼迪新能源科技有限公司 | The automatic repair system of electrokinetic cell solar energy and method |
-
2007
- 2007-06-30 CN CNU2007200856417U patent/CN201065073Y/en not_active Expired - Fee Related
Cited By (6)
| Publication number | Priority date | Publication date | Assignee | Title |
|---|---|---|---|---|
| CN104553828A (en) * | 2013-10-28 | 2015-04-29 | 陆海涛 | Solar electric car drive system with extended range generator |
| CN104354598A (en) * | 2014-11-14 | 2015-02-18 | 秦巍 | Energy-saving vehicle |
| CN106274504A (en) * | 2015-09-18 | 2017-01-04 | 辽宁天赐光伏能源汽车有限公司 | A kind of photovoltaic energy automobile |
| CN106856251A (en) * | 2015-12-09 | 2017-06-16 | 广东天非尼迪新能源科技有限公司 | The automatic repair system of electrokinetic cell solar energy and method |
| CN105711430A (en) * | 2016-04-12 | 2016-06-29 | 高洪江 | Enhancing system for cruising power of solar hybrid electric vehicle |
| CN105711430B (en) * | 2016-04-12 | 2018-07-13 | 哈尔滨阿曼奇新能源技术开发股份有限公司 | Solar hybrid power automobile cruising ability enhances system |
Similar Documents
| Publication | Publication Date | Title |
|---|---|---|
| CN201092263Y (en) | Wind power and solar energy combined dynamic electric vehicle | |
| CN101081593A (en) | Dynamic system of parallel connecting type air-electricity-mixed motor vehicle | |
| CN103991387B (en) | The energy flow control system of a kind of small power light hydrogen electricity hybrid vehicle | |
| CN201109375Y (en) | Pure electric automobile with self-bring generating-charging device | |
| CN102632808A (en) | Mileage-extending type electric vehicle | |
| CN202225968U (en) | Long-range solar electric bicycle | |
| CN201065073Y (en) | Solar energy combined power electric vehicle | |
| CN201890159U (en) | Energy-saving electric vehicle | |
| CN101353022A (en) | Wind-electric hybrid car | |
| CN110667405A (en) | Extended-range new energy electric vehicle power system | |
| CN201792954U (en) | Solar-battery electric tricycle | |
| CN202557277U (en) | Novel multi-energy hybrid electric vehicle | |
| CN201077365Y (en) | Pneumatic solar self-generating self-charging driven transportation means | |
| CN201124767Y (en) | Comprehensive energy environment-friendly power vehicle | |
| CN202271859U (en) | Environment-friendly electric motor car | |
| CN203372076U (en) | Photovoltaic cell-driven vehicle | |
| CN210680410U (en) | Electric tour and sightseeing vehicle with multifunctional storage rack | |
| CN202827176U (en) | Light-duty solar electric tricycle | |
| CN202174945U (en) | Solar electric car | |
| CN203186119U (en) | Optical energy and air compression energy charging power-driven sedan | |
| CN101503057A (en) | Energy-saving electric automobile | |
| CN201077366Y (en) | Electric automobiles | |
| CN209141918U (en) | Solar energy passenger car | |
| CN201240277Y (en) | Turbine type wind power generation vehicle | |
| CN103381751A (en) | Novel multi-energy hybrid power automobile |
Legal Events
| Date | Code | Title | Description |
|---|---|---|---|
| C14 | Grant of patent or utility model | ||
| GR01 | Patent grant | ||
| C17 | Cessation of patent right | ||
| CF01 | Termination of patent right due to non-payment of annual fee |
Granted publication date: 20080528 |
