CN200996875Y - 一种多通道温度测量记录仪 - Google Patents
一种多通道温度测量记录仪 Download PDFInfo
- Publication number
- CN200996875Y CN200996875Y CN 200620077952 CN200620077952U CN200996875Y CN 200996875 Y CN200996875 Y CN 200996875Y CN 200620077952 CN200620077952 CN 200620077952 CN 200620077952 U CN200620077952 U CN 200620077952U CN 200996875 Y CN200996875 Y CN 200996875Y
- Authority
- CN
- China
- Prior art keywords
- sensor
- temperature
- effect transistor
- field effect
- resistance thermometer
- Prior art date
- Legal status (The legal status is an assumption and is not a legal conclusion. Google has not performed a legal analysis and makes no representation as to the accuracy of the status listed.)
- Expired - Fee Related
Links
- BASFCYQUMIYNBI-UHFFFAOYSA-N platinum Chemical compound [Pt] BASFCYQUMIYNBI-UHFFFAOYSA-N 0.000 claims abstract description 38
- 229910052697 platinum Inorganic materials 0.000 claims abstract description 19
- 230000005669 field effect Effects 0.000 claims abstract description 10
- 238000006243 chemical reaction Methods 0.000 claims abstract description 6
- 238000012545 processing Methods 0.000 claims abstract description 6
- 230000015572 biosynthetic process Effects 0.000 claims description 3
- 238000009529 body temperature measurement Methods 0.000 description 7
- 238000005516 engineering process Methods 0.000 description 4
- 238000004519 manufacturing process Methods 0.000 description 4
- 238000005259 measurement Methods 0.000 description 4
- 238000000034 method Methods 0.000 description 3
- 238000010586 diagram Methods 0.000 description 2
- WHXSMMKQMYFTQS-UHFFFAOYSA-N Lithium Chemical compound [Li] WHXSMMKQMYFTQS-UHFFFAOYSA-N 0.000 description 1
- 230000003321 amplification Effects 0.000 description 1
- 230000005540 biological transmission Effects 0.000 description 1
- 239000003990 capacitor Substances 0.000 description 1
- 238000004891 communication Methods 0.000 description 1
- 239000013078 crystal Substances 0.000 description 1
- 238000013461 design Methods 0.000 description 1
- 229910052744 lithium Inorganic materials 0.000 description 1
- 238000012423 maintenance Methods 0.000 description 1
- 229910052751 metal Inorganic materials 0.000 description 1
- 239000002184 metal Substances 0.000 description 1
- 238000003199 nucleic acid amplification method Methods 0.000 description 1
- 238000007639 printing Methods 0.000 description 1
- 239000010453 quartz Substances 0.000 description 1
- 230000001105 regulatory effect Effects 0.000 description 1
- VYPSYNLAJGMNEJ-UHFFFAOYSA-N silicon dioxide Inorganic materials O=[Si]=O VYPSYNLAJGMNEJ-UHFFFAOYSA-N 0.000 description 1
- 238000013519 translation Methods 0.000 description 1
Images
Landscapes
- Arrangements For Transmission Of Measured Signals (AREA)
Abstract
一种由信号处理、变换、控制电路和显示装置等组成的多通道温度测量记录仪,采用典型的三线制接法测温,其特征是多个铂热电阻传感器通过各自的连接导线,连接到一台多通道温度测量记录仪,由单片机选通相应的场效应管,与对应的传感器构成测量电路。仪器的多通道温度测量电路由1个恒流源、1个自平衡电桥、多个场效应管和1个差动放大器组成,每路传感器与两个场效应管相连。为了方便使用,仪器还可提供记录、存储和打印的功能。
Description
一、技术领域
本实用新型属物理学中的测量仪器制造技术领域,具体涉及一种铂热电阻、电桥测温仪器的制造技术领域。
二、背景技术
温度是工业生产中最常被测量的物理量之一,对温度的测量方法和相关的测量设备和仪器很多,铂热电阻、电桥测温是其中最常用的一种高精度接触式测温方法。其测温原理是利用金属铂(Pt)在一定的温度范围内,其电阻系数与温度呈精确、灵敏、稳定线性关系的特性进行温度测量。因此,一般都将铂热电阻制成各种精确、灵敏、性能稳定的温度传感器,广泛用于-200~800℃范围内的精密温度测量,是中、低温区最常用的一种温度检测器。
热电阻测温系统一般由热电阻、连接导线和信号处理、变换电路和显示装置等组成。当有多个控制点需要测温时,往往需要配置多套测温仪器,成本高、调试工作量大。也有采用集成温度传感器进行测量的多通道测温仪,但存在测温范围小(-55℃~125℃)、测温精度不高等缺点,即使使用Pt100等热电阻传感器,其电路一般都是每个传感器配一个电桥,电路复杂,容易受传感器传输线电阻影响。一旦用硬件或软件校准好每路的测温精度后,就不能随意更改传感器连接线的长短,否则将改变原来的测温精度。
三、发明内容
本实用新型的设计目的是提供一种由信号处理、变换、控制电路和显示装置等组成的多通道温度测量记录仪,多个铂热电阻传感器通过连接导线,连接到一台多通道温度测量记录仪,实现一台仪器同时对多个铂热电阻传感器进行测量、记录、显示和打印的功能。
本实用新型的技术解决方案为:一种由信号处理、变换、控制电路和显示装置等组成的多通道温度测量记录仪,采用典型的三线制接法测温,其特征是多个铂热电阻传感器通过各自的连接导线,连接到一台多通道温度测量记录仪,由单片机选通相应的场效应管,与对应的铂热电阻传感器构成测量电路。
多通道温度测量电路部分由1个恒流源、1个自平衡电桥、多个场效应管和1个差动放大器组成,其特征是每路铂热电阻传感器与两个场效应管相连。
为了方便使用,仪器还可提供记录、存储和打印功能。
四、附图说明
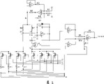
图1为多通道温度测量记录仪的整机原理框图,多路铂热电阻传感器信号经通道选择(5)接入自平衡电桥(2),由单片机(6)控制选通相应的测量通道,与对应的铂热电阻传感器构成测量电路。
图2为一个典型的四通道温度信号测量电路原理图。
五、具体实施方式
典型实施例:
采用典型的三线制接法测温,基本测量电路原理如附图2,恒流源由2.5V电压基准源和运放A1、A2,电阻R1~R5组成。电路中R1=R3,R2=R4,恒流Is=2.5R2/(R1×R5)。当恒流源的负载在一定范围之内,恒流源给下面的电桥提供一恒定的电流Is。传感器的连线采用普通三芯屏蔽电缆,以铂热电阻传感器RT1为例,RT1的一端引一根线接至Q1的S极,RT1的另一端引两根线,一根接至Q8的S极,另一根接至测量电路的差动放大器之接地端。接至Q1和Q8的两根传感器连线长度相等,等效电阻值也相等。运算放大器A3和电容C1、C2、二极管D1、电阻R6、R7组成积分电路,运算放大器A3输出端控制场效应管Q9的导通程度,以实现电桥中A、B两点的电位相等。当选通RT1时,Q2~Q7截止,Q1、Q8导通,其导通电阻相等且非常小。由于R6、R7相等,所以流过电桥每一臂的电流相等且I0=0.5Is。这样,当RT1随着温度变化而发生电阻值变化时,其两端的电压变化就始终反映在Q9的D极和S极之间,并经差动放大器输出。运算放大器A4、A5、A6和电阻R8~R11组成差动放大器,将RT1两端的电压信号放大后送入A/D转换器,经单片机处理、变换后将对应的温度值通过LED屏幕显示。单片机通过Y1、Y2、Y3、Y4选通不同的场效应管,电桥就可以接通不同通道的铂热电阻传感器,从而可以用一台仪器测出多个控制点的温度值。通道数为4个(可根据需要任意增减)。铂热电阻传感器使用符合IEC751标准,TRC=0.003851的Pt100热电阻作为传感器RT1~RT4,电压基准源使用MC1403;Q1~Q8选用导通电阻很小的绝缘栅N型场效应管;A/D转换电路(4)采用ICL7135,它具有4位半的精度(相当于14位),自动校零,单基准电压,自动量程控制信号输出,动态字位扫描BCD输出;单片机(6)与A/D转换电路(4)的接口采用中断方式。单片机先将AD转换的结果读多次取平均值,然后与温度测量范围分好的若干个段比较,判别单片机获得的信号数值在哪一段,再采用最小二乘法折线算出温度值。例如,测温范围为-100℃~300℃,以50℃为一个区间,分为-100℃~-50℃,-50℃~0℃,0℃~50℃,...,250℃~300℃等八段。这样,可以获得很高的测温精度,还可避免复杂的运算。
实时时钟(7)选用内含锂电池,石英晶振和保护电路,在没有外部电源的情况下仍可正常工作10年的DS12887,同时设置3个按键,以便调校时间。实时时钟和各通道温度值由单片机送至1.5英寸超高亮红色LED数码管显示。各通道温度信息按一定时间间隔分别记录下来,以传感器号、时间、温度格式保存在RAM(9)中。需要时,还可以通过电脑软件,与仪器的RS485接口通信,将记录在RAM(9)中的信息读到电脑中作为生产工艺档案永久保存。
本实施例的单片机(6)中内置微型打印机的程序,在使用环境允许的情况下,多通道温度测量记录仪还可以通过线路板上预留的接口接上微型打印机打印出RAM(9)中记录的内容。
本实用新型解决了用一台仪器实现多点、远距离的高精度测温问题,降低了设备投资,方便使用和维护。
Claims (2)
1.一种由信号处理、变换、控制电路和显示装置等组成的多通道温度测量记录仪,其特征是多个铂热电阻传感器通过各自的连接导线,连接到一台多通道温度测量记录仪,由单片机选通相应的场效应管,与对应的铂热电阻传感器构成测量电路。
2.如权利要求1所述的多通道温度测量记录仪,其特征是多通道温度测量电路部分由1个恒流源、1个自平衡电桥、多个场效应管和1个差动放大器组成,每路铂热电阻传感器与两个场效应管相连。
Priority Applications (1)
| Application Number | Priority Date | Filing Date | Title |
|---|---|---|---|
| CN 200620077952 CN200996875Y (zh) | 2006-09-15 | 2006-09-15 | 一种多通道温度测量记录仪 |
Applications Claiming Priority (1)
| Application Number | Priority Date | Filing Date | Title |
|---|---|---|---|
| CN 200620077952 CN200996875Y (zh) | 2006-09-15 | 2006-09-15 | 一种多通道温度测量记录仪 |
Publications (1)
| Publication Number | Publication Date |
|---|---|
| CN200996875Y true CN200996875Y (zh) | 2007-12-26 |
Family
ID=38995309
Family Applications (1)
| Application Number | Title | Priority Date | Filing Date |
|---|---|---|---|
| CN 200620077952 Expired - Fee Related CN200996875Y (zh) | 2006-09-15 | 2006-09-15 | 一种多通道温度测量记录仪 |
Country Status (1)
| Country | Link |
|---|---|
| CN (1) | CN200996875Y (zh) |
Cited By (6)
| Publication number | Priority date | Publication date | Assignee | Title |
|---|---|---|---|---|
| CN102401698A (zh) * | 2010-09-17 | 2012-04-04 | 中国科学院海洋研究所 | 一种海水温度测量系统 |
| CN102707162A (zh) * | 2011-12-31 | 2012-10-03 | 北京必创科技有限公司 | 一种应变采集电路系统及应变采集方法 |
| CN103968969A (zh) * | 2013-01-29 | 2014-08-06 | 西门子公司 | 温度测量装置和可编程片上系统芯片 |
| CN106444905A (zh) * | 2016-09-19 | 2017-02-22 | 中国科学院合肥物质科学研究院 | 一种高温超导焊接温度同步测量控制器 |
| CN110307913A (zh) * | 2019-06-29 | 2019-10-08 | 南京亚克电子有限公司 | 一种极地多点低温温度传感装置及测温方法 |
| CN115578929A (zh) * | 2022-08-09 | 2023-01-06 | 合肥维信诺科技有限公司 | 柔性显示模组及显示设备 |
-
2006
- 2006-09-15 CN CN 200620077952 patent/CN200996875Y/zh not_active Expired - Fee Related
Cited By (9)
| Publication number | Priority date | Publication date | Assignee | Title |
|---|---|---|---|---|
| CN102401698A (zh) * | 2010-09-17 | 2012-04-04 | 中国科学院海洋研究所 | 一种海水温度测量系统 |
| CN102401698B (zh) * | 2010-09-17 | 2013-05-22 | 中国科学院海洋研究所 | 一种海水温度测量系统 |
| CN102707162A (zh) * | 2011-12-31 | 2012-10-03 | 北京必创科技有限公司 | 一种应变采集电路系统及应变采集方法 |
| CN102707162B (zh) * | 2011-12-31 | 2014-11-26 | 北京必创科技有限公司 | 一种应变采集电路系统及应变采集方法 |
| CN103968969A (zh) * | 2013-01-29 | 2014-08-06 | 西门子公司 | 温度测量装置和可编程片上系统芯片 |
| CN103968969B (zh) * | 2013-01-29 | 2017-04-26 | 西门子公司 | 温度测量装置和可编程片上系统芯片 |
| CN106444905A (zh) * | 2016-09-19 | 2017-02-22 | 中国科学院合肥物质科学研究院 | 一种高温超导焊接温度同步测量控制器 |
| CN110307913A (zh) * | 2019-06-29 | 2019-10-08 | 南京亚克电子有限公司 | 一种极地多点低温温度传感装置及测温方法 |
| CN115578929A (zh) * | 2022-08-09 | 2023-01-06 | 合肥维信诺科技有限公司 | 柔性显示模组及显示设备 |
Similar Documents
| Publication | Publication Date | Title |
|---|---|---|
| CN101846644B (zh) | 油气管道在线腐蚀监测仪 | |
| CN202075059U (zh) | 新型铂电阻温度测量模块 | |
| CN208537050U (zh) | 一种多通道三线制铂热电阻测温装置 | |
| CN104374421A (zh) | 油中微水测量变送器及油中温湿度实时在线监测的方法 | |
| CN200996875Y (zh) | 一种多通道温度测量记录仪 | |
| CN105277292A (zh) | 一种温度测量装置 | |
| CN201417184Y (zh) | 两线制温度变送器 | |
| CN2570782Y (zh) | 智能温湿度自补偿传感变送器 | |
| CN201672987U (zh) | 一种温度测量装置 | |
| CN104236743B (zh) | 一点标定温度测量系统 | |
| CN110307913A (zh) | 一种极地多点低温温度传感装置及测温方法 | |
| CN222599012U (zh) | 一种基于手臂模型热流的测试装置 | |
| CN205427047U (zh) | 一种智能微电阻测试仪 | |
| CN203616013U (zh) | 一点标定温度测量系统 | |
| CN202255672U (zh) | 一种温度测量系统 | |
| CN217384303U (zh) | 高精度水下温深测量装置 | |
| CN201045624Y (zh) | 一种用于汽车仪表的电阻检测电路 | |
| CN204422104U (zh) | 一种带测氧补偿的炉温仪 | |
| CN201047779Y (zh) | 带有温度校准、监测孔的热电偶 | |
| CN201035743Y (zh) | 一种温湿度变送器 | |
| CN211373868U (zh) | 一种高精度测温装置 | |
| CN113310588A (zh) | 一种基于水银温度计的远程温度检测装置 | |
| CN202153161U (zh) | Can总线型智能铂电阻温度计 | |
| CN208187581U (zh) | 一种高精度温度测量厚膜电路 | |
| CN220794379U (zh) | 一种用于流量计算机的流量检测装置 |
Legal Events
| Date | Code | Title | Description |
|---|---|---|---|
| C14 | Grant of patent or utility model | ||
| GR01 | Patent grant | ||
| C17 | Cessation of patent right | ||
| CF01 | Termination of patent right due to non-payment of annual fee |
Granted publication date: 20071226 Termination date: 20100915 |