CN116371786A - 一种带有加热除雪功能的户外监控摄像头 - Google Patents

一种带有加热除雪功能的户外监控摄像头 Download PDF

Info

Publication number
CN116371786A
CN116371786A CN202310561595.7A CN202310561595A CN116371786A CN 116371786 A CN116371786 A CN 116371786A CN 202310561595 A CN202310561595 A CN 202310561595A CN 116371786 A CN116371786 A CN 116371786A
Authority
CN
China
Prior art keywords
fixed
snow
snow removing
heating
support plate
Prior art date
Legal status (The legal status is an assumption and is not a legal conclusion. Google has not performed a legal analysis and makes no representation as to the accuracy of the status listed.)
Withdrawn
Application number
CN202310561595.7A
Other languages
English (en)
Inventor
张江峰
张春海
张增祥
Current Assignee (The listed assignees may be inaccurate. Google has not performed a legal analysis and makes no representation or warranty as to the accuracy of the list.)
Jiangsu Kean Electronic Technology Development Co ltd
Original Assignee
Jiangsu Kean Electronic Technology Development Co ltd
Priority date (The priority date is an assumption and is not a legal conclusion. Google has not performed a legal analysis and makes no representation as to the accuracy of the date listed.)
Filing date
Publication date
Application filed by Jiangsu Kean Electronic Technology Development Co ltd filed Critical Jiangsu Kean Electronic Technology Development Co ltd
Priority to CN202310561595.7A priority Critical patent/CN116371786A/zh
Publication of CN116371786A publication Critical patent/CN116371786A/zh
Withdrawn legal-status Critical Current

Links

Images

Classifications

    • BPERFORMING OPERATIONS; TRANSPORTING
    • B08CLEANING
    • B08BCLEANING IN GENERAL; PREVENTION OF FOULING IN GENERAL
    • B08B1/00Cleaning by methods involving the use of tools
    • B08B1/30Cleaning by methods involving the use of tools by movement of cleaning members over a surface
    • B08B1/32Cleaning by methods involving the use of tools by movement of cleaning members over a surface using rotary cleaning members
    • BPERFORMING OPERATIONS; TRANSPORTING
    • B08CLEANING
    • B08BCLEANING IN GENERAL; PREVENTION OF FOULING IN GENERAL
    • B08B1/00Cleaning by methods involving the use of tools
    • B08B1/10Cleaning by methods involving the use of tools characterised by the type of cleaning tool
    • B08B1/12Brushes
    • BPERFORMING OPERATIONS; TRANSPORTING
    • B08CLEANING
    • B08BCLEANING IN GENERAL; PREVENTION OF FOULING IN GENERAL
    • B08B1/00Cleaning by methods involving the use of tools
    • B08B1/30Cleaning by methods involving the use of tools by movement of cleaning members over a surface
    • BPERFORMING OPERATIONS; TRANSPORTING
    • B08CLEANING
    • B08BCLEANING IN GENERAL; PREVENTION OF FOULING IN GENERAL
    • B08B13/00Accessories or details of general applicability for machines or apparatus for cleaning
    • HELECTRICITY
    • H02GENERATION; CONVERSION OR DISTRIBUTION OF ELECTRIC POWER
    • H02SGENERATION OF ELECTRIC POWER BY CONVERSION OF INFRARED RADIATION, VISIBLE LIGHT OR ULTRAVIOLET LIGHT, e.g. USING PHOTOVOLTAIC [PV] MODULES
    • H02S40/00Components or accessories in combination with PV modules, not provided for in groups H02S10/00 - H02S30/00
    • H02S40/10Cleaning arrangements
    • H02S40/12Means for removing snow
    • HELECTRICITY
    • H04ELECTRIC COMMUNICATION TECHNIQUE
    • H04NPICTORIAL COMMUNICATION, e.g. TELEVISION
    • H04N23/00Cameras or camera modules comprising electronic image sensors; Control thereof
    • H04N23/50Constructional details
    • HELECTRICITY
    • H04ELECTRIC COMMUNICATION TECHNIQUE
    • H04NPICTORIAL COMMUNICATION, e.g. TELEVISION
    • H04N7/00Television systems
    • H04N7/18Closed-circuit television [CCTV] systems, i.e. systems in which the video signal is not broadcast
    • YGENERAL TAGGING OF NEW TECHNOLOGICAL DEVELOPMENTS; GENERAL TAGGING OF CROSS-SECTIONAL TECHNOLOGIES SPANNING OVER SEVERAL SECTIONS OF THE IPC; TECHNICAL SUBJECTS COVERED BY FORMER USPC CROSS-REFERENCE ART COLLECTIONS [XRACs] AND DIGESTS
    • Y02TECHNOLOGIES OR APPLICATIONS FOR MITIGATION OR ADAPTATION AGAINST CLIMATE CHANGE
    • Y02EREDUCTION OF GREENHOUSE GAS [GHG] EMISSIONS, RELATED TO ENERGY GENERATION, TRANSMISSION OR DISTRIBUTION
    • Y02E10/00Energy generation through renewable energy sources
    • Y02E10/50Photovoltaic [PV] energy

Landscapes

  • Engineering & Computer Science (AREA)
  • Multimedia (AREA)
  • Signal Processing (AREA)
  • Studio Devices (AREA)
  • Accessories Of Cameras (AREA)

Abstract

本发明公开了一种带有加热除雪功能的户外监控摄像头,包括固定支板,所述丝杠的外侧螺纹连接有平移除雪机构,所述平移除雪机构滑动连接在活动支板的上端面上,所述平移除雪机构搭放在凸块上,所述丝杠贯穿活动支板的一侧并与旋转加热除雪机构相连接,所述旋转加热除雪机构转动连接在摄像头主体的外侧。该带有加热除雪功能的户外监控摄像头,丝杠旋转可带动移动框向右滑动,搭配使用弹簧和第一扫雪刷可自动扫除太阳能电池板上的积雪,第一锥齿轮可随着丝杠一起旋转,搭配使用第二锥齿轮、连接轴和圆齿轮可带动齿圈、弧形电热棒和第二扫雪刷整体旋转,弧形电热棒可发挥加热的作用,方便高效去除摄像头主体上的积雪。

Description

一种带有加热除雪功能的户外监控摄像头
技术领域
本发明涉及监控摄像头技术领域,具体为一种带有加热除雪功能的户外监控摄像头。
背景技术
监控摄像头是一种半导体成像器件,具有灵敏度高、抗强光、畸变小、体积小、寿命长、抗震动等优点,监控摄像机一般运用在安全防范系统中,经海量检索,发现现有技术中的户外监控摄像头典型的如公开号CN114962895A,一种户外的安防监控用摄像头,所述户外的安防监控用摄像头包括:收纳箱以及固定安装在所述收纳箱上且呈对称设置的固定板,所述收纳箱上开设有通槽;所述收纳箱上固定有气缸,所述收纳箱上滑动安装有用于封闭所述通槽的防护板,所述防护板与所述气缸输出端连接,所述收纳箱内设置有摄像头本体,所述收纳箱内设置有用于承接所述摄像头本体的承接机构,所述收纳箱内还设置有与所述承接机构连接的升降机构,所述固定板上设置有与所述承接机构间歇配合的卡合机构,所述固定板上还设置有与所述卡合机构连接的驱动机构,所述升降机构通过所述承接机构驱动所述摄像头本体运动,所述升降机构还驱动所述承接机构与所述卡合机构配合。
现有的户外监控摄像头在遇到雨雪天气时,摄像头表面容易覆盖积雪,这样会影响其拍摄效果,从而影响安防性能,且摄像头一般需要消耗一定的电能,使用起来不够节能环保,因此提出一种带有加热除雪功能的户外监控摄像头,以解决上述问题。
发明内容
本发明的目的在于提供一种带有加热除雪功能的户外监控摄像头,以解决上述背景技术中提出的现有的户外监控摄像头在遇到雨雪天气时,摄像头表面容易覆盖积雪,这样会影响其拍摄效果,从而影响安防性能,且摄像头一般需要消耗一定的电能,使用起来不够节能环保的问题。
为实现上述目的,本发明提供如下技术方案:一种带有加热除雪功能的户外监控摄像头,包括固定支板,所述固定支板上开设有安装孔,所述固定支板的内侧通过抵柱固定有活动支板,所述活动支板上端面的一侧固定有支架,所述支架的顶部转动连接有太阳能电池板,所述太阳能电池板的一侧固定有滑杆,所述活动支板上端面的另一侧固定有弧形滑道,所述滑杆贯穿弧形滑道并螺纹连接有螺母,所述太阳能电池板的另一侧固定有凸块,所述活动支板的底部固定有摄像头主体,所述活动支板内转动连接有丝杠,所述丝杠的外侧螺纹连接有平移除雪机构,所述平移除雪机构滑动连接在活动支板的上端面上,所述平移除雪机构搭放在凸块上,所述丝杠贯穿活动支板的一侧并与旋转加热除雪机构相连接,所述旋转加热除雪机构转动连接在摄像头主体的外侧。
优选的,所述活动支板内固定有马达,且马达的输出端与丝杠相连接。
通过采用上述技术方案,丝杠旋转可带动移动框左右滑动。
优选的,所述平移除雪机构包括移动框,所述活动支板的上端面开设有滑槽,所述移动框螺纹连接在丝杠的外侧,且移动框滑动连接在滑槽内,所述移动框的顶部贯穿有活动柱,且活动柱通过弹簧与移动框的顶部相连接,所述弹簧包裹在活动柱的外侧,且活动柱的底部固定有第一扫雪刷。
通过采用上述技术方案,移动框平移时,第一扫雪刷会在活动柱和弹簧的作用下抵紧在太阳能电池板上移动,方便自动除雪。
优选的,所述第一扫雪刷下端面的两侧对称固定有滚轮,且滚轮搭放在凸块上。
通过采用上述技术方案,移动框移动时,滚轮在凸块上移动,方便辅助第一扫雪刷移动。
优选的,所述旋转加热除雪机构包括第一锥齿轮,且第一锥齿轮固定在丝杠的一端,所述第一锥齿轮的底部啮合连接有第二锥齿轮,所述活动支板的一侧固定有隔离罩,且隔离罩罩在第一锥齿轮和第二锥齿轮的外侧。
通过采用上述技术方案,隔离罩对第一锥齿轮和第二锥齿轮起到隔离防护的作用。
优选的,所述第二锥齿轮贯穿隔离罩的底部并通过连接轴与圆齿轮相连接,且圆齿轮的一侧啮合连接有齿圈,且齿圈转动连接在摄像头主体的外侧。
通过采用上述技术方案,第二锥齿轮旋转会带动连接轴、圆齿轮和齿圈旋转。
优选的,所述齿圈的底部固定有弧形电热棒,且弧形电热棒的内壁上固定有第二扫雪刷,所述第二扫雪刷与摄像头主体的外表面相贴合,且弧形电热棒为导热材质。
通过采用上述技术方案,弧形电热棒可起到加热积雪的作用,第二扫雪刷可发挥扫除积雪的作用。
优选的,所述活动支板与固定支板构成伸缩结构。
通过采用上述技术方案,活动支板的伸出长度可灵活调节。
优选的,所述固定支板内固定有电池组,且电池组电性连接有太阳能电池板、马达和弧形电热棒。
通过采用上述技术方案,搭配使用太阳能电池板和电池组可实现太阳能供电。
与现有技术相比,本发明的有益效果是:该带有加热除雪功能的户外监控摄像头,
(1)本发明能够实现自动除雪的功能,丝杠旋转可带动移动框向右滑动,搭配使用弹簧和第一扫雪刷可自动扫除太阳能电池板上的积雪,第一锥齿轮可随着丝杠一起旋转,搭配使用第二锥齿轮、连接轴和圆齿轮可带动齿圈、弧形电热棒和第二扫雪刷整体旋转,弧形电热棒可发挥加热的作用,方便高效去除摄像头主体上的积雪。
(2)本发明能够实现太阳能供电以及调节角度的效果,搭配使用太阳能电池板和电池组可实现太阳能供电,节能环保,在使用太阳能电池板之前可调整好太阳能电池板的角度,此时滑杆在弧形滑道内滑动,调整好太阳能电池板的角度之后可利用螺母固定住滑杆。
(3)本发明实现调节长度的效果,拧松抵柱之后可手动左右移动活动支板,方便调节活动支板的伸出长度,调整好活动支板的位置之后可利用抵柱抵紧固定住活动支板。
附图说明
图1为本发明正视剖面结构示意图;
图2为本发明正视外观结构示意图;
图3为本发明俯视结构示意图;
图4为本发明左视剖面结构示意图;
图5为本发明齿圈、弧形电热棒和第二扫雪刷连接结构示意图;
图6为本发明太阳能电池板、滑杆和凸块连接结构示意图;
图7为本发明图1中A处放大结构示意图。
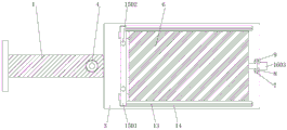
图中:1、固定支板;2、安装孔;3、活动支板;4、抵柱;5、支架;6、太阳能电池板;7、滑杆;8、弧形滑道;9、螺母;10、凸块;11、摄像头主体;12、马达;13、丝杠;14、滑槽;15、平移除雪机构;1501、移动框;1502、活动柱;1503、弹簧;1504、第一扫雪刷;1505、滚轮;16、旋转加热除雪机构;1601、第一锥齿轮;1602、第二锥齿轮;1603、隔离罩;1604、连接轴;1605、圆齿轮;1606、齿圈;1607、弧形电热棒;1608、第二扫雪刷;17、电池组。
具体实施方式
下面将结合本发明实施例中的附图,对本发明实施例中的技术方案进行清楚、完整地描述,显然,所描述的实施例仅仅是本发明一部分实施例,而不是全部的实施例。基于本发明中的实施例,本领域普通技术人员在没有做出创造性劳动前提下所获得的所有其他实施例,都属于本发明保护的范围。
请参阅图1-7,本发明提供一种技术方案:一种带有加热除雪功能的户外监控摄像头,如图1、图2、图3和图6所示,包括固定支板1,固定支板1上开设有安装孔2,固定支板1的内侧通过抵柱4固定有活动支板3,活动支板3与固定支板1构成伸缩结构,活动支板3可在固定支板1内伸缩,方便根据需求调节活动支板3的伸出长度,活动支板3上端面的一侧固定有支架5,支架5的顶部转动连接有太阳能电池板6,太阳能电池板6的一侧固定有滑杆7,活动支板3上端面的另一侧固定有弧形滑道8,滑杆7贯穿弧形滑道8并螺纹连接有螺母9,太阳能电池板6的另一侧固定有凸块10,活动支板3的底部固定有摄像头主体11。
如图1和图3所示,活动支板3内转动连接有丝杠13,丝杠13的外侧螺纹连接有平移除雪机构15,活动支板3内固定有马达12,且马达12的输出端与丝杠13相连接,丝杠13可在马达12的作用下旋转,此时移动框1501可在丝杠13和滑槽14的限位作用下向右滑动,从而带动活动柱1502和第一扫雪刷1504整体向右移动,方便自动扫除太阳能电池板6上的积雪。
如图1、图2、图3、图4和图7所示,平移除雪机构15滑动连接在活动支板3的上端面上,平移除雪机构15搭放在凸块10上,平移除雪机构15包括移动框1501,活动支板3的上端面开设有滑槽14,移动框1501螺纹连接在丝杠13的外侧,且移动框1501滑动连接在滑槽14内,移动框1501的顶部贯穿有活动柱1502,且活动柱1502通过弹簧1503与移动框1501的顶部相连接,弹簧1503包裹在活动柱1502的外侧,且活动柱1502的底部固定有第一扫雪刷1504,丝杠13旋转时,移动框1501向右滑动,此时弹簧1503对活动柱1502起到顶撑的作用,第一扫雪刷1504会紧贴着太阳能电池板6移动,方便自动扫除太阳能电池板6上的积雪。
进一步的,第一扫雪刷1504下端面的两侧对称固定有滚轮1505,且滚轮1505搭放在凸块10上,第一扫雪刷1504紧贴着太阳能电池板6移动时,滚轮1505在凸块10上滚动,方便辅助第一扫雪刷1504移动,
如图1、图2、图4和图5所示,丝杠13贯穿活动支板3的一侧并与旋转加热除雪机构16相连接,旋转加热除雪机构16转动连接在摄像头主体11的外侧,旋转加热除雪机构16包括第一锥齿轮1601,且第一锥齿轮1601固定在丝杠13的一端,第一锥齿轮1601的底部啮合连接有第二锥齿轮1602,活动支板3的一侧固定有隔离罩1603,且隔离罩1603罩在第一锥齿轮1601和第二锥齿轮1602的外侧,丝杠13旋转会带动第一锥齿轮1601旋转,从而带动第二锥齿轮1602、连接轴1604和圆齿轮1605整体旋转,以此带动齿圈1606、弧形电热棒1607和第二扫雪刷1608整体旋转。
进一步的,第二锥齿轮1602贯穿隔离罩1603的底部并通过连接轴1604与圆齿轮1605相连接,且圆齿轮1605的一侧啮合连接有齿圈1606,且齿圈1606转动连接在摄像头主体11的外侧,第二锥齿轮1602旋转会带动连接轴1604旋转,从而带动圆齿轮1605旋转,由于圆齿轮1605与齿圈1606啮合连接在一起,齿圈1606会随着圆齿轮1605的旋转而旋转,从而带动弧形电热棒1607旋转。
更进一步的,齿圈1606的底部固定有弧形电热棒1607,且弧形电热棒1607的内壁上固定有第二扫雪刷1608,弧形电热棒1607与摄像头主体11的外表面相贴合,且弧形电热棒1607为导热材质,当摄像头主体11的表面覆盖有积雪,则可利用弧形电热棒1607对积雪进行加热处理,同时弧形电热棒1607和第二扫雪刷1608整体旋转,方便加热清除摄像头主体11上的积雪。
如图1所示,,固定支板1内固定有电池组17,且电池组17电性连接有太阳能电池板6、马达12和弧形电热棒1607,太阳能电池板6可吸收太阳能并将太阳能转换成电能储存在电池组17内,电池组17可在逆变器的作用下将直流电变为交流电供整个装置使用,以此保证该装置的正常运作,且可实现节能环保的效果。
工作原理:在使用该带有加热除雪功能的户外监控摄像头时,首先利用安装孔2和外部螺栓将固定支板1安装在所需地点,搭配使用太阳能电池板6和电池组17来实现太阳能供电,拧松抵柱4并调整好活动支板3的位置之后可利用抵柱4抵紧固定住活动支板3,摄像头主体11可发挥监控的作用,转动太阳能电池板6时,滑杆7在弧形滑道8内滑动,调整好太阳能电池板6的角度之后可利用螺母9抵紧固定住滑杆7,当太阳能电池板6或摄像头主体11上覆盖有积雪时,丝杠13旋转,从而带动移动框1501向右滑动,第一扫雪刷1504紧贴着太阳能电池板6移动,以此自动扫除太阳能电池板6上的积雪,第一锥齿轮1601随着丝杠13一起旋转,从而带动第二锥齿轮1602、连接轴1604、圆齿轮1605、齿圈1606、弧形电热棒1607和第二扫雪刷1608旋转,方便自动加热清除摄像头主体11上的积雪,本说明书中未作详细描述的内容属于本领域专业技术人员公知的现有技术。
术语“中心”、“纵向”、“横向”、“前”、“后”、“左”、“右”、“竖直”、“水平”、“顶”、“底”、“内”、“外”等指示的方位或位置关系为基于附图所示的方位或位置关系,仅是为便于描述本发明的简化描述,而不是指示或暗指所指的装置或元件必须具有特定的方位、为特定的方位构造和操作,因而不能理解为对本发明保护内容的限制。
尽管参照前述实施例对本发明进行了详细的说明,对于本领域的技术人员来说,其依然可以对前述各实施例所记载的技术方案进行修改,或者对其中部分技术特征进行等同替换,凡在本发明的精神和原则之内,所作的任何修改、等同替换、改进等,均应包含在本发明的保护范围之内。

Claims (9)

1.一种带有加热除雪功能的户外监控摄像头,包括固定支板(1),所述固定支板(1)上开设有安装孔(2),所述固定支板(1)的内侧通过抵柱(4)固定有活动支板(3),所述活动支板(3)上端面的一侧固定有支架(5),所述支架(5)的顶部转动连接有太阳能电池板(6),所述太阳能电池板(6)的一侧固定有滑杆(7),所述活动支板(3)上端面的另一侧固定有弧形滑道(8),所述滑杆(7)贯穿弧形滑道(8)并螺纹连接有螺母(9),所述太阳能电池板(6)的另一侧固定有凸块(10),所述活动支板(3)的底部固定有摄像头主体(11),其特征在于:所述活动支板(3)内转动连接有丝杠(13),所述丝杠(13)的外侧螺纹连接有平移除雪机构(15),所述平移除雪机构(15)滑动连接在活动支板(3)的上端面上,所述平移除雪机构(15)搭放在凸块(10)上,所述丝杠(13)贯穿活动支板(3)的一侧并与旋转加热除雪机构(16)相连接,所述旋转加热除雪机构(16)转动连接在摄像头主体(11)的外侧。
2.根据权利要求1所述的一种带有加热除雪功能的户外监控摄像头,其特征在于:所述活动支板(3)内固定有马达(12),且马达(12)的输出端与丝杠(13)相连接。
3.根据权利要求1所述的一种带有加热除雪功能的户外监控摄像头,其特征在于:所述平移除雪机构(15)包括移动框(1501),所述活动支板(3)的上端面开设有滑槽(14),所述移动框(1501)螺纹连接在丝杠(13)的外侧,且移动框(1501)滑动连接在滑槽(14)内,所述移动框(1501)的顶部贯穿有活动柱(1502),且活动柱(1502)通过弹簧(1503)与移动框(1501)的顶部相连接,所述弹簧(1503)包裹在活动柱(1502)的外侧,且活动柱(1502)的底部固定有第一扫雪刷(1504)。
4.根据权利要求3所述的一种带有加热除雪功能的户外监控摄像头,其特征在于:所述第一扫雪刷(1504)下端面的两侧对称固定有滚轮(1505),且滚轮(1505)搭放在凸块(10)上。
5.根据权利要求1所述的一种带有加热除雪功能的户外监控摄像头,其特征在于:所述旋转加热除雪机构(16)包括第一锥齿轮(1601),且第一锥齿轮(1601)固定在丝杠(13)的一端,所述第一锥齿轮(1601)的底部啮合连接有第二锥齿轮(1602),所述活动支板(3)的一侧固定有隔离罩(1603),且隔离罩(1603)罩在第一锥齿轮(1601)和第二锥齿轮(1602)的外侧。
6.根据权利要求5所述的一种带有加热除雪功能的户外监控摄像头,其特征在于:所述第二锥齿轮(1602)贯穿隔离罩(1603)的底部并通过连接轴(1604)与圆齿轮(1605)相连接,且圆齿轮(1605)的一侧啮合连接有齿圈(1606),且齿圈(1606)转动连接在摄像头主体(11)的外侧。
7.根据权利要求6所述的一种带有加热除雪功能的户外监控摄像头,其特征在于:所述齿圈(1606)的底部固定有弧形电热棒(1607),且弧形电热棒(1607)的内壁上固定有第二扫雪刷(1608),所述第二扫雪刷(1608)与摄像头主体(11)的外表面相贴合,且弧形电热棒(1607)为导热材质。
8.根据权利要求1所述的一种带有加热除雪功能的户外监控摄像头,其特征在于:所述活动支板(3)与固定支板(1)构成伸缩结构。
9.根据权利要求2所述的一种带有加热除雪功能的户外监控摄像头,其特征在于:所述固定支板(1)内固定有电池组(17),且电池组(17)电性连接有太阳能电池板(6)、马达(12)和弧形电热棒(1607)。
CN202310561595.7A 2023-05-18 2023-05-18 一种带有加热除雪功能的户外监控摄像头 Withdrawn CN116371786A (zh)

Priority Applications (1)

Application Number Priority Date Filing Date Title
CN202310561595.7A CN116371786A (zh) 2023-05-18 2023-05-18 一种带有加热除雪功能的户外监控摄像头

Applications Claiming Priority (1)

Application Number Priority Date Filing Date Title
CN202310561595.7A CN116371786A (zh) 2023-05-18 2023-05-18 一种带有加热除雪功能的户外监控摄像头

Publications (1)

Publication Number Publication Date
CN116371786A true CN116371786A (zh) 2023-07-04

Family

ID=86967775

Family Applications (1)

Application Number Title Priority Date Filing Date
CN202310561595.7A Withdrawn CN116371786A (zh) 2023-05-18 2023-05-18 一种带有加热除雪功能的户外监控摄像头

Country Status (1)

Country Link
CN (1) CN116371786A (zh)

Cited By (1)

* Cited by examiner, † Cited by third party
Publication number Priority date Publication date Assignee Title
CN117055376A (zh) * 2023-07-24 2023-11-14 深圳大唐鼎盛技术有限公司 一种边防监控基站的防冻电热装置及其控制方法

Cited By (1)

* Cited by examiner, † Cited by third party
Publication number Priority date Publication date Assignee Title
CN117055376A (zh) * 2023-07-24 2023-11-14 深圳大唐鼎盛技术有限公司 一种边防监控基站的防冻电热装置及其控制方法

Similar Documents

Publication Publication Date Title
CN210920805U (zh) 一种小区安防用监控装置
CN206059976U (zh) 太阳能供电防潮降温式户外变电箱
CN206989074U (zh) 一种太阳能路灯
CN116371786A (zh) 一种带有加热除雪功能的户外监控摄像头
CN210578339U (zh) 一种翻转式防破坏光伏发电板
CN112396770A (zh) 一种节能型快递柜
CN217240666U (zh) 一种用于光伏电站运行的数字化监测设备
CN212752465U (zh) 一种多角度旋转无死角视频监控设备
CN206640678U (zh) 一种全方位旋转的可调节摄像机
CN108087685A (zh) 一种具备报警功能的电力监控装置
CN221709733U (zh) 一种自适应调节角度的发电机
CN217239192U (zh) 一种电力变压器的冷却装置
CN106300085A (zh) 太阳能供电防潮降温式户外变电箱
CN207795006U (zh) 一种带有自动清洁功能的节能型门窗
CN219041684U (zh) 一种新型的户外充电设备
CN205135283U (zh) 一种环保节能型太阳能铝合金窗
CN114801765A (zh) 一种高效率的新能源汽车用太阳能帆板
CN115717677A (zh) 一种市政工程用的智能道路安全监控装置
CN212273882U (zh) 一种太阳能板可转动的太阳能路灯
CN218032909U (zh) 一种太阳能板可转动的太阳能路灯
CN211822166U (zh) 一种节能型的智能监控路灯
CN210157278U (zh) 一种便于安装的电源切换监控装置
CN217911951U (zh) 一种锂电池吸尘设备用支撑架
CN218734055U (zh) 一种发电储能站
CN220439765U (zh) 一种便于固定的托架

Legal Events

Date Code Title Description
PB01 Publication
PB01 Publication
SE01 Entry into force of request for substantive examination
SE01 Entry into force of request for substantive examination
WW01 Invention patent application withdrawn after publication

Application publication date: 20230704

WW01 Invention patent application withdrawn after publication