CN116260228A - 一种用于数字电源的电池在位检测电路及其充电控制方法 - Google Patents

一种用于数字电源的电池在位检测电路及其充电控制方法 Download PDF

Info

Publication number
CN116260228A
CN116260228A CN202310546895.8A CN202310546895A CN116260228A CN 116260228 A CN116260228 A CN 116260228A CN 202310546895 A CN202310546895 A CN 202310546895A CN 116260228 A CN116260228 A CN 116260228A
Authority
CN
China
Prior art keywords
battery
circuit
power supply
resistor
digital power
Prior art date
Legal status (The legal status is an assumption and is not a legal conclusion. Google has not performed a legal analysis and makes no representation as to the accuracy of the status listed.)
Granted
Application number
CN202310546895.8A
Other languages
English (en)
Other versions
CN116260228B (zh
Inventor
刘斌
Current Assignee (The listed assignees may be inaccurate. Google has not performed a legal analysis and makes no representation or warranty as to the accuracy of the list.)
Gospower Digital Technology Shenzhen Co ltd
Original Assignee
Gospower Digital Technology Shenzhen Co ltd
Priority date (The priority date is an assumption and is not a legal conclusion. Google has not performed a legal analysis and makes no representation as to the accuracy of the date listed.)
Filing date
Publication date
Application filed by Gospower Digital Technology Shenzhen Co ltd filed Critical Gospower Digital Technology Shenzhen Co ltd
Priority to CN202310546895.8A priority Critical patent/CN116260228B/zh
Publication of CN116260228A publication Critical patent/CN116260228A/zh
Application granted granted Critical
Publication of CN116260228B publication Critical patent/CN116260228B/zh
Active legal-status Critical Current
Anticipated expiration legal-status Critical

Links

Images

Classifications

    • HELECTRICITY
    • H01ELECTRIC ELEMENTS
    • H01MPROCESSES OR MEANS, e.g. BATTERIES, FOR THE DIRECT CONVERSION OF CHEMICAL ENERGY INTO ELECTRICAL ENERGY
    • H01M10/00Secondary cells; Manufacture thereof
    • H01M10/42Methods or arrangements for servicing or maintenance of secondary cells or secondary half-cells
    • H01M10/4285Testing apparatus
    • GPHYSICS
    • G01MEASURING; TESTING
    • G01RMEASURING ELECTRIC VARIABLES; MEASURING MAGNETIC VARIABLES
    • G01R31/00Arrangements for testing electric properties; Arrangements for locating electric faults; Arrangements for electrical testing characterised by what is being tested not provided for elsewhere
    • G01R31/36Arrangements for testing, measuring or monitoring the electrical condition of accumulators or electric batteries, e.g. capacity or state of charge [SoC]
    • G01R31/385Arrangements for measuring battery or accumulator variables
    • HELECTRICITY
    • H01ELECTRIC ELEMENTS
    • H01MPROCESSES OR MEANS, e.g. BATTERIES, FOR THE DIRECT CONVERSION OF CHEMICAL ENERGY INTO ELECTRICAL ENERGY
    • H01M10/00Secondary cells; Manufacture thereof
    • H01M10/42Methods or arrangements for servicing or maintenance of secondary cells or secondary half-cells
    • H01M10/44Methods for charging or discharging
    • H02J7/685
    • H02J7/80
    • H02J7/96
    • HELECTRICITY
    • H02GENERATION; CONVERSION OR DISTRIBUTION OF ELECTRIC POWER
    • H02MAPPARATUS FOR CONVERSION BETWEEN AC AND AC, BETWEEN AC AND DC, OR BETWEEN DC AND DC, AND FOR USE WITH MAINS OR SIMILAR POWER SUPPLY SYSTEMS; CONVERSION OF DC OR AC INPUT POWER INTO SURGE OUTPUT POWER; CONTROL OR REGULATION THEREOF
    • H02M3/00Conversion of DC power input into DC power output
    • H02M3/01Resonant DC/DC converters
    • HELECTRICITY
    • H02GENERATION; CONVERSION OR DISTRIBUTION OF ELECTRIC POWER
    • H02MAPPARATUS FOR CONVERSION BETWEEN AC AND AC, BETWEEN AC AND DC, OR BETWEEN DC AND DC, AND FOR USE WITH MAINS OR SIMILAR POWER SUPPLY SYSTEMS; CONVERSION OF DC OR AC INPUT POWER INTO SURGE OUTPUT POWER; CONTROL OR REGULATION THEREOF
    • H02M3/00Conversion of DC power input into DC power output
    • H02M3/22Conversion of DC power input into DC power output with intermediate conversion into AC
    • H02M3/24Conversion of DC power input into DC power output with intermediate conversion into AC by static converters
    • H02M3/28Conversion of DC power input into DC power output with intermediate conversion into AC by static converters using discharge tubes with control electrode or semiconductor devices with control electrode to produce the intermediate AC
    • H02M3/325Conversion of DC power input into DC power output with intermediate conversion into AC by static converters using discharge tubes with control electrode or semiconductor devices with control electrode to produce the intermediate AC using devices of a triode or a transistor type requiring continuous application of a control signal
    • H02M3/335Conversion of DC power input into DC power output with intermediate conversion into AC by static converters using discharge tubes with control electrode or semiconductor devices with control electrode to produce the intermediate AC using devices of a triode or a transistor type requiring continuous application of a control signal using semiconductor devices only
    • H02M3/33569Conversion of DC power input into DC power output with intermediate conversion into AC by static converters using discharge tubes with control electrode or semiconductor devices with control electrode to produce the intermediate AC using devices of a triode or a transistor type requiring continuous application of a control signal using semiconductor devices only having several active switching elements
    • HELECTRICITY
    • H02GENERATION; CONVERSION OR DISTRIBUTION OF ELECTRIC POWER
    • H02JCIRCUIT ARRANGEMENTS OR SYSTEMS FOR SUPPLYING OR DISTRIBUTING ELECTRIC POWER; SYSTEMS FOR STORING ELECTRIC ENERGY
    • H02J2207/00Indexing scheme relating to details of circuit arrangements for charging or depolarising batteries or for supplying loads from batteries
    • H02J2207/20Charging or discharging characterised by the power electronics converter

Landscapes

  • Engineering & Computer Science (AREA)
  • Manufacturing & Machinery (AREA)
  • Chemical & Material Sciences (AREA)
  • Chemical Kinetics & Catalysis (AREA)
  • Electrochemistry (AREA)
  • General Chemical & Material Sciences (AREA)
  • Power Engineering (AREA)
  • Physics & Mathematics (AREA)
  • General Physics & Mathematics (AREA)
  • Charge And Discharge Circuits For Batteries Or The Like (AREA)

Abstract

本发明公开了一种用于数字电源的电池在位检测电路及其充电控制方法,包括开关电源LLC拓扑电路和电池在位检测电路,开关电源LLC拓扑电路和电池在位检测电路分别连接至充电电池,电池在位检测电路包括数字电源处理器U1和与数字电源处理器U1连接的脉冲发生电路、电池采样电路和信号处理电路;当充电电池接入充电接口,充电电池在位且电池电压在可充电范围内时,数字电源处理器U1向开关电源LLC拓扑电路发送充电指令,使开关电源LLC拓扑电路向充电电池充电,否则无输出。上述电路中,电源主功率输出拓扑电路和电池在位检测电路实时监测,均由同一集成电路芯片实现,做到了高度集成一体化,电路结构简捷,安全可靠,成本低。

Description

一种用于数字电源的电池在位检测电路及其充电控制方法
技术领域
本发明涉及数字电源设备技术领域,具体涉及一种用于数字电源的电池在位检测电路及其充电控制方法。
背景技术
随着新能源技术的不断推广,锂电池与相同容量的铅酸电池相比,具有重量轻、体积小、可快充等优点,因而得到广泛应用。
锂电池的普及,促使锂电池充电器的开发也得到迅猛的发展,充电器如何智能、安全、高效的工作也成为了重中之重。在国标GB4706.18的执行标准中,规定在输出电压超出42.4V的安全电压时,充电器不可直接输出,以防止人身体触碰到产生安全隐患,因此,需要设计一个电池在位检测电路,对充电器输出端实时监测,检测电池是否接入,无电池接入时关闭输出,保持待机状态,有电池接入后,再开启充电器。
发明内容
有鉴于此,有必要提供一种能够准确判断电池的接入状态、结构简单的用于数字电源的电池在位检测电路及其充电控制方法。
一种用于数字电源的电池在位检测电路,包括开关电源LLC拓扑电路和电池在位检测电路,所述开关电源LLC拓扑电路和所述电池在位检测电路分别连接至充电电池,所述电池在位检测电路用于检测所述充电电池的状态,并依据检测结构向所述开关电源LLC拓扑电路发送相应的操作指令,由所述开关电源LLC拓扑电路向所述充电电池充电;所述电池在位检测电路包括数字电源处理器U1和与所述数字电源处理器U1连接的脉冲发生电路、电池采样电路和信号处理电路;其中,
开关电源LLC拓扑电路,用于向所述数字电源处理器U1、所述脉冲发生电路、所述电池采样电路和所述信号处理电路提供工作电源,并向充电电池提供功率输出;
脉冲发生电路,用于输出脉冲信号;
电池采样电路,用于根据所述脉冲发生电路产生的脉冲信号采集充电电池的状态信息;
信号处理电路,用于根据所述电池采样电路采集的信息判断电池的在位状态;
数字电源处理器U1,用于接收充电电池的在位状态和状态信息,向所述开关电源LLC拓扑电路发送操作指令。
优选地,所述脉冲发生电路连接至所述数字电源处理器U1的第45引脚,所述脉冲发生电路用于将所述数字电源处理器U1产生的脉冲信号传送至所述信号处理电路。
优选地,所述电池采样电路连接至所述数字电源处理器U1的第15引脚,所述电池采样电路包括依次连接的第二限流电阻R193、第二分压电阻R5和第一分压电阻R6,所述第一分压电阻R6的自由端连接至所述充电电池,所述第二限流电阻R193和所述第二分压电阻R5的中点通过并联的第三滤波电容C2和第三分压电阻R7连接至第五一电容C51的一端,所述第五一电容的另一端连接至SMCU电源。
优选地,所述信号处理电路包括第一限流电阻R1、第一整流二极管D4、第四电容C4、第二电阻R2、第二整流二极管D6、第一限流电阻R370、比较器U2和第四二零电容R420,所述第一限流电阻R1与所述第一整流二极管D4并联后连接至所述第四电容C4,所述第一整流二极管D4的阴极连接至所述脉冲发生电路;所述第四电容C4的一端连接至所述第一限流电阻R1,另一端通过所述第二电阻连接至所述充电电池;所述第二整流二极管D6的阳极连接至所述第一整流二极管D4的阳极,所述第二整流二极管D6的阴极通过所述第一限流电阻R370连接至所述比较器U2的同相输入端,所述比较器U2的输出端通过第四二零电阻R420连接至所述数字电源处理器U1的第26引脚。
优选地,所述比较器U2的反相输入端连接至相互串联的第三电阻R3和第三七一电阻R371的中点,所述第三电阻R3的自由端连接至电源SMCU,所述第三七一电阻R371的自由端接地;所述比较器U2的同相输入端和反相输入端之间并联有第七三电容C73,所述比较器U2的输出端通过第七二极管和第五一六电阻R516连接至所述比较器U2的同相输入端;所述比较器U2的输出端还连接至相互串联的第三七四电阻R374和第四二一电阻R421的中点,所述第三七四电阻R374的自由端连接至电源SMCU,所述第四二一电阻R421的自由端接地。
优选地,所述信号处理电路还包括第一滤波电容C8、第一分压电阻R4、第二滤波电容C11、第二三二电容C232和第八五双向二极管D85,所述第一滤波电容C8和所述第一分压电阻R4并联后,一端连接至所述第二整流二极管D6的阴极和所述第一限流电阻R370的中点,另一端接地;所述比较器U2的同相输入端还通过第二滤波电容C11接地,所述第四二零电阻R420与所述数字电源处理器U1的连接点通第二三二电容C232和第八五双向二极管D85接地。
优选地,所述开关电源LLC拓扑电路包括隔离驱动芯片U3、第一MOS管Q1、第二MOS管Q2和隔离变压器T1,所述数字电源处理器U1的输出端连接至所述隔离驱动芯片U3的输入端,所述隔离驱动芯片U3的两个输出端分别连接至所述第一MOS管Q1的栅极和所述第二MOS管Q2的栅极,所述第一MOS管Q1的源极连接至所述第二MOS管Q2的漏极,所述第一MOS管Q1的漏极和所述第二MOS管Q2的源极分别连接至外接电源的正极和负极,所述第一MOS管Q1的源极与所述第二MOS管Q2的漏极的中点通过相互串联的第一谐振电容C1和第一谐振电感L1连接至所述隔离变压器T1的初级线圈,所述隔离变压器T1的次级线圈的输出端分别连接至第一整流二极管D1的阳极和第二整流二极管D2的阳极。
优选地,所述开关电源LLC拓扑电路还包括继电器K1和继电器控制电路,所述继电器控制电路的输入端连接至所述数字电源处理器U1的输出端,所述第一整流二极管D1的阴极和所述第二整流二极管D2的阴极并联至所述继电器K1的一端,所述继电器K1的另一端通过充电接口连接至所述充电电池。
以及,一种用于数字电源的电池在位检测的充电控制方法,用于实现基于如上所述的用于数字电源的电池在位检测电路向充电电池充电,所述充电控制方法的具体步骤包括:
程序初始化,连接充电电池;
电池采样电路采集电池状态信息;
信号处理电路依据电池状态信息判断电池的在位状态;
当电池在位且电池电源处于可充电范围内时,开关电源LLC拓扑电路向充电电池充电;否则,开关电源LLC拓扑电路无输出。
上述用于数字电源的电池在位检测电路及其充电控制方法中,当充电接口未接入充电电池时,所述数字电源处理器U1使所述开关电源LLC拓扑电路无输出,处于待机状态;当充电电池接入充电接口时,所述电池采样电路向所述数字电源处理器U1发送充电电池的状态信息,所述信号处理电路向所述数字电源处理器U1发送充电电池的在位状态信息,当充电电池在位且电池电压在可充电范围内时,所述数字电源处理器U1向所述开关电源LLC拓扑电路发送充电指令,使所述开关电源LLC拓扑电路向充电电池充电,否则,所述开关电源LLC拓扑电路无输出。上述电路中,电源主功率输出拓扑电路和电池在位检测电路实时监测,均由同一集成电路芯片实现,做到了高度集成一体化,电路结构简捷,安全可靠,成本低。本发明的结构简单,易于实现,成本低廉,便于推广。
附图说明
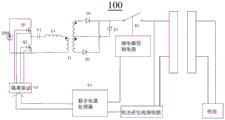
图1是本发明实施例用于数字电源的电池在位检测电路的结构框图。
图2是本发明实施例用于数字电源的电池在位检测电路的电路结构示意图。
图3是本发明实施例用于数字电源的电池在位检测电路的充电控制方法的工作流程示意图。
具体实施方式
本实施例以用于数字电源的电池在位检测电路及其控制方法为例,以下将结合具体实施例和附图对本发明进行详细说明。
请参阅图1和图2,示出本发明实施例提供的一种用于数字电源的电池在位检测电路100,包括开关电源LLC拓扑电路和电池在位检测电路,所述开关电源LLC拓扑电路和所述电池在位检测电路分别连接至充电电池,所述电池在位检测电路用于检测所述充电电池的状态,并依据检测结构向所述开关电源LLC拓扑电路发送相应的操作指令,由所述开关电源LLC拓扑电路向所述充电电池充电;所述电池在位检测电路包括数字电源处理器U1和与所述数字电源处理器U1连接的脉冲发生电路、电池采样电路和信号处理电路;其中,
开关电源LLC拓扑电路,用于向所述数字电源处理器U1、所述脉冲发生电路、所述电池采样电路和所述信号处理电路提供工作电源,并向充电电池提供功率输出;
脉冲发生电路,用于输出脉冲信号;
电池采样电路,用于根据所述脉冲发生电路产生的脉冲信号采集充电电池的状态信息;
信号处理电路,用于根据所述电池采样电路采集的信息判断电池的在位状态;
数字电源处理器U1,用于接收充电电池的在位状态和状态信息,向所述开关电源LLC拓扑电路发送操作指令。
具体地,在本实施例中,数字电源处理器U1采用泰为TAE32F5300AEF128表面贴装芯片。
优选地,所述脉冲发生电路连接至所述数字电源处理器U1的第45引脚,所述脉冲发生电路用于将所述数字电源处理器U1产生的脉冲信号传送至所述信号处理电路。
优选地,所述电池采样电路连接至所述数字电源处理器U1的第15引脚,所述电池采样电路包括依次连接的第二限流电阻R193、第二分压电阻R5和第一分压电阻R6,所述第一分压电阻R6的自由端连接至所述充电电池,所述第二限流电阻R193和所述第二分压电阻R5的中点通过并联的第三滤波电容C2和第三分压电阻R7连接至第五一电容C51的一端,所述第五一电容的另一端连接至SMCU电源。
优选地,所述信号处理电路包括第一限流电阻R1、第一整流二极管D4、第四电容C4、第二电阻R2、第二整流二极管D6、第一限流电阻R370、比较器U2和第四二零电容R420,所述第一限流电阻R1与所述第一整流二极管D4并联后连接至所述第四电容C4,所述第一整流二极管D4的阴极连接至所述脉冲发生电路;所述第四电容C4的一端连接至所述第一限流电阻R1,另一端通过所述第二电阻连接至所述充电电池;所述第二整流二极管D6的阳极连接至所述第一整流二极管D4的阳极,所述第二整流二极管D6的阴极通过所述第一限流电阻R370连接至所述比较器U2的同相输入端,所述比较器U2的输出端通过第四二零电阻R420连接至所述数字电源处理器U1的第26引脚。优选地,所述比较器U2的反相输入端连接至相互串联的第三电阻R3和第三七一电阻R371的中点,所述第三电阻R3的自由端连接至电源SMCU,所述第三七一电阻R371的自由端接地;所述比较器U2的同相输入端和反相输入端之间并联有第七三电容C73,所述比较器U2的输出端通过第七二极管和第五一六电阻R516连接至所述比较器U2的同相输入端;所述比较器U2的输出端还连接至相互串联的第三七四电阻R374和第四二一电阻R421的中点,所述第三七四电阻R374的自由端连接至电源SMCU,所述第四二一电阻R421的自由端接地。优选地,所述信号处理电路还包括第一滤波电容C8、第一分压电阻R4、第二滤波电容C11、第二三二电容C232和第八五双向二极管D85,所述第一滤波电容C8和所述第一分压电阻R4并联后,一端连接至所述第二整流二极管D6的阴极和所述第一限流电阻R370的中点,另一端接地;所述比较器U2的同相输入端还通过第二滤波电容C1接地,所述第四二零电阻R420与所述数字电源处理器U1的连接点通第二三二电容C232和第八五双向二极管D85接地。
具体地,第八五双向二极管D85采用BAV99芯片,在本实施例中,用于ID端口电平的钳位保护。
具体地,所述脉冲发生电路与所述信号处理电路的连接点通过第一稳压二极管Z1接地,所述第一稳压二极管Z1的阴极连接至所述脉冲发生电路和所述信号处理电路,所述第一稳压二极管Z1的阳极接地。
具体地,所述第四二零电阻R420的一端连接至所述第三七四电阻R374和所述第四二一电阻R421的中点,另一端通过第二三二电容C232接地,所述第二三二电容C232的两端还并联有第八五双向二极管D85。
具体地,电源SMCU通过并联的第二一一电容C211、第七四电容C74、第二一二电容C212和第九七电容C97接地。
优选地,所述开关电源LLC拓扑电路包括隔离驱动芯片U3、第一MOS管Q1、第二MOS管Q2和隔离变压器T1,所述数字电源处理器U1的输出端连接至所述隔离驱动芯片U3的输入端,所述隔离驱动芯片U3的两个输出端分别连接至所述第一MOS管Q1的栅极和所述第二MOS管Q2的栅极,所述第一MOS管Q1的源极连接至所述第二MOS管Q2的漏极,所述第一MOS管Q1的漏极和所述第二MOS管Q2的源极分别连接至外接电源的正极和负极,所述第一MOS管Q1的源极与所述第二MOS管Q2的漏极的中点通过相互串联的第一谐振电容C1和第一谐振电感L1连接至所述隔离变压器T1的初级线圈,所述隔离变压器T1的次级线圈的输出端分别连接至第一整流二极管D1的阳极和第二整流二极管D2的阳极。
优选地,所述开关电源LLC拓扑电路还包括继电器K1和继电器控制电路,所述继电器控制电路的输入端连接至所述数字电源处理器U1的输出端,所述第一整流二极管D1的阴极和所述第二整流二极管D2的阴极并联至所述继电器K1的一端,所述继电器K1的另一端通过充电接口连接至所述充电电池。
所述数字电源的电池在位检测电路的工作过程如下:
情形一,充电电池未接入充电接口时,充电器输出端与电池端BAT+未相连,充电器待机,没有输出电压,电池采样电路经第二分压电阻R5、第一分压电阻R6、第二限流电阻R193、第三分压电阻R7、第三滤波电容C2未检测到电池电压,所述数字电源处理器U1的15pin此时的电压为0;所述数字电源处理器U1的45pin输出一个幅度为3.3V、占空比为50%的10KHZ方波,经过第一限流电阻R1、第一整流二极管D4、第二整流二极管D6、第一滤波电容C8、第一分压电阻R4、第一限流电阻R370、第二滤波电容C11整流滤波后接入比较器U2的同相输入端,此时比较器U2的同相输入端的电压接近1.5V;大于比较器U2的反相输入端的基准电压1.25V,比较器U2的输出端输出高电平信号,所述数字电源处理器U1的26pin收到高电平信号后,判断没有电池接入从而发出待机信号,数字电源处理器U1不发送信号给继电器控制电路,继电器K1不导通,充电器输出端无输出。
情形二,充电器接入电池,且电池电压在可充电范围内,充电电池接入后,电池在位检测开始工作,因为集成电路U1-45pin输出的是交流方波,第四电容C4、第二电阻R2与接入的充电电池本体内部MOS管结电容Ciss形成回路,拉低B点电压,从而促使比较器U2的同相输入端电压下降,比较器U2的输出端输出低电平信号,数字电源处理器U1的26pin收到低电平信号后,数字电源处理器U1判断出有电池接入,电池端经过第一分压电阻R6、第二分压电阻R5、第三分压电阻R7、第三滤波电容C2、第二限流电阻R193连接至数字电源处理器U1的15pin,数字电源处理器U1检测到电池电压在可充电电压范围内时,数字电源处理器U1发送信号给继电器控制电路,继电器K1导通,充电器输出端正常输出。
情形三,充电器接入电池,且电池充满或电池过放,充电电池接入后,电池在位检测开始工作,数字电源处理器U1的45pin输出交流方波,第四电容C4、第二电阻R2与接入的充电电池本体内部MOS管结电容Ciss形成回路,拉低B点电压,从而促使比较器U2的同相输入端电压下降,比较器U2的输出端输出低电平信号,数字电源处理器U1的26pin收到低电平信号后,数字电源处理器U1判断出有电池接入,电池端经过第一分压电阻R6、第二分压电阻R5、第三分压电阻R7、第三滤波电容C2、第二限流电阻R193连接至数字电源处理器U1的15pin,数字电源处理器U1未检测到电池电压在可充电电压范围内,数字电源处理器U1不发送信号给继电器控制电路,继电器K1断开,充电器输出端无输出。
以及,请参阅图3,示出一种用于数字电源的电池在位检测的充电控制方法,实现基于如上所述的用于数字电源的电池在位检测电路的充电控制方法,其特征在于,所述充电控制方法的具体步骤包括:
程序初始化,连接充电电池;
电池采样电路采集电池状态信息;
信号处理电路依据电池状态信息判断电池的在位状态;
当电池在位且电池电源处于可充电范围内时,开关电源LLC拓扑电路向充电电池充电;否则,开关电源LLC拓扑电路无输出。
上述用于数字电源的电池在位检测电路及其充电控制方法中,当充电接口未接入充电电池时,所述数字电源处理器U1使所述开关电源LLC拓扑电路无输出,处于待机状态;当充电电池接入充电接口时,所述电池采样电路向所述数字电源处理器U1发送充电电池的状态信息,所述信号处理电路向所述数字电源处理器U1发送充电电池的在位状态信息,当充电电池在位且电池电压在可充电范围内时,所述数字电源处理器U1向所述开关电源LLC拓扑电路发送充电指令,使所述开关电源LLC拓扑电路向充电电池充电,否则,所述开关电源LLC拓扑电路无输出。上述电路中,电源主功率输出拓扑电路和电池在位检测电路实时监测,均由同一集成电路芯片实现,做到了高度集成一体化,电路结构简捷,安全可靠,成本低。本发明的结构简单,易于实现,成本低廉,便于推广。
需要说明的是,以上所述仅为本发明的优选实施例,并不用于限制本发明,对于本领域技术人员而言,本发明可以有各种改动和变化。凡在本发明的精神和原理之内所作的任何修改、等同替换、改进等,均应包含在本发明的保护范围之内。

Claims (9)

1.一种用于数字电源的电池在位检测电路,其特征在于,包括开关电源LLC拓扑电路和电池在位检测电路,所述开关电源LLC拓扑电路和所述电池在位检测电路分别连接至充电电池,所述电池在位检测电路用于检测所述充电电池的状态,并依据检测结构向所述开关电源LLC拓扑电路发送相应的操作指令,由所述开关电源LLC拓扑电路向所述充电电池充电;所述电池在位检测电路包括数字电源处理器U1和与所述数字电源处理器U1连接的脉冲发生电路、电池采样电路和信号处理电路;其中,
开关电源LLC拓扑电路,用于向所述数字电源处理器U1、所述脉冲发生电路、所述电池采样电路和所述信号处理电路提供工作电源,并向充电电池提供功率输出;
脉冲发生电路,用于输出脉冲信号;
电池采样电路,用于根据所述脉冲发生电路产生的脉冲信号采集充电电池的状态信息;
信号处理电路,用于根据所述电池采样电路采集的信息判断电池的在位状态;
数字电源处理器U1,用于接收充电电池的在位状态和状态信息,向所述开关电源LLC拓扑电路发送操作指令。
2.如权利要求1所述的用于数字电源的电池在位检测电路,其特征在于,所述脉冲发生电路连接至所述数字电源处理器U1的第45引脚,所述脉冲发生电路用于将所述数字电源处理器U1产生的脉冲信号传送至所述信号处理电路。
3.如权利要求1所述的用于数字电源的电池在位检测电路,其特征在于,所述电池采样电路连接至所述数字电源处理器U1的第15引脚,所述电池采样电路包括依次连接的第二限流电阻R193、第二分压电阻R5和第一分压电阻R6,所述第一分压电阻R6的自由端连接至所述充电电池,所述第二限流电阻R193和所述第二分压电阻R5的中点通过并联的第三滤波电容C2和第三分压电阻R7连接至第五一电容C51的一端,所述第五一电容的另一端连接至SMCU电源。
4.如权利要求1所述的用于数字电源的电池在位检测电路,其特征在于,所述信号处理电路包括第一限流电阻R1、第一整流二极管D4、第四电容C4、第二电阻R2、第二整流二极管D6、第一限流电阻R370、比较器U2和第四二零电容R420,所述第一限流电阻R1与所述第一整流二极管D4并联后连接至所述第四电容C4,所述第一整流二极管D4的阴极连接至所述脉冲发生电路;所述第四电容C4的一端连接至所述第一限流电阻R1,另一端通过所述第二电阻连接至所述充电电池;所述第二整流二极管D6的阳极连接至所述第一整流二极管D4的阳极,所述第二整流二极管D6的阴极通过所述第一限流电阻R370连接至所述比较器U2的同相输入端,所述比较器U2的输出端通过第四二零电阻R420连接至所述数字电源处理器U1的第26引脚。
5.如权利要求4所述的用于数字电源的电池在位检测电路,其特征在于,所述比较器U2的反相输入端连接至相互串联的第三电阻R3和第三七一电阻R371的中点,所述第三电阻R3的自由端连接至电源SMCU,所述第三七一电阻R371的自由端接地;所述比较器U2的同相输入端和反相输入端之间并联有第七三电容C73,所述比较器U2的输出端通过第七二极管和第五一六电阻R516连接至所述比较器U2的同相输入端;所述比较器U2的输出端还连接至相互串联的第三七四电阻R374和第四二一电阻R421的中点,所述第三七四电阻R374的自由端连接至电源SMCU,所述第四二一电阻R421的自由端接地。
6.如权利要求4所述的用于数字电源的电池在位检测电路,其特征在于,所述信号处理电路还包括第一滤波电容C8、第一分压电阻R4、第二滤波电容C11、第二三二电容C232和第八五双向二极管D85,所述第一滤波电容C8和所述第一分压电阻R4并联后,一端连接至所述第二整流二极管D6的阴极和所述第一限流电阻R370的中点,另一端接地;所述比较器U2的同相输入端还通过第二滤波电容C11接地,所述第四二零电阻R420与所述数字电源处理器U1的连接点通第二三二电容C232和第八五双向二极管D85接地。
7.如权利要求1所述的用于数字电源的电池在位检测电路,其特征在于,所述开关电源LLC拓扑电路包括隔离驱动芯片U3、第一MOS管Q1、第二MOS管Q2和隔离变压器T1,所述数字电源处理器U1的输出端连接至所述隔离驱动芯片U3的输入端,所述隔离驱动芯片U3的两个输出端分别连接至所述第一MOS管Q1的栅极和所述第二MOS管Q2的栅极,所述第一MOS管Q1的源极连接至所述第二MOS管Q2的漏极,所述第一MOS管Q1的漏极和所述第二MOS管Q2的源极分别连接至外接电源的正极和负极,所述第一MOS管Q1的源极与所述第二MOS管Q2的漏极的中点通过相互串联的第一谐振电容C1和第一谐振电感L1连接至所述隔离变压器T1的初级线圈,所述隔离变压器T1的次级线圈的输出端分别连接至第一整流二极管D1的阳极和第二整流二极管D2的阳极。
8.如权利要求7所述的用于数字电源的电池在位检测电路,其特征在于,所述开关电源LLC拓扑电路还包括继电器K1和继电器控制电路,所述继电器控制电路的输入端连接至所述数字电源处理器U1的输出端,所述第一整流二极管D1的阴极和所述第二整流二极管D2的阴极并联至所述继电器K1的一端,所述继电器K1的另一端通过充电接口连接至所述充电电池。
9.一种用于数字电源的电池在位检测的充电控制方法,用于实现基于如权利要求1-8任一项所述的用于数字电源的电池在位检测电路向充电电池充电,其特征在于,所述充电控制方法的具体步骤包括:
程序初始化,连接充电电池;
电池采样电路采集电池状态信息;
信号处理电路依据电池状态信息判断电池的在位状态;
当电池在位且电池电源处于可充电范围内时,开关电源LLC拓扑电路向充电电池充电;否则,开关电源LLC拓扑电路无输出。
CN202310546895.8A 2023-05-16 2023-05-16 一种用于数字电源的电池在位检测电路及其充电控制方法 Active CN116260228B (zh)

Priority Applications (1)

Application Number Priority Date Filing Date Title
CN202310546895.8A CN116260228B (zh) 2023-05-16 2023-05-16 一种用于数字电源的电池在位检测电路及其充电控制方法

Applications Claiming Priority (1)

Application Number Priority Date Filing Date Title
CN202310546895.8A CN116260228B (zh) 2023-05-16 2023-05-16 一种用于数字电源的电池在位检测电路及其充电控制方法

Publications (2)

Publication Number Publication Date
CN116260228A true CN116260228A (zh) 2023-06-13
CN116260228B CN116260228B (zh) 2023-10-27

Family

ID=86682897

Family Applications (1)

Application Number Title Priority Date Filing Date
CN202310546895.8A Active CN116260228B (zh) 2023-05-16 2023-05-16 一种用于数字电源的电池在位检测电路及其充电控制方法

Country Status (1)

Country Link
CN (1) CN116260228B (zh)

Cited By (2)

* Cited by examiner, † Cited by third party
Publication number Priority date Publication date Assignee Title
CN116722631A (zh) * 2023-08-11 2023-09-08 深圳市高斯宝电气技术有限公司 一种宽电压输出充电器接口电路
CN117996694A (zh) * 2024-04-07 2024-05-07 广东高斯宝电气技术有限公司 一种用于数字电源的继电器切换保护电路及其充电控制方法

Citations (8)

* Cited by examiner, † Cited by third party
Publication number Priority date Publication date Assignee Title
CN102243850A (zh) * 2011-06-27 2011-11-16 青岛海信电器股份有限公司 背光源驱动电路及其驱动方法、液晶电视机
CN205829265U (zh) * 2016-07-07 2016-12-21 深圳康圣达电子科技有限公司 充电器及充电系统
CN210327080U (zh) * 2019-08-19 2020-04-14 张振明 蓄电池充电电路
CN111413538A (zh) * 2020-03-31 2020-07-14 西安许继电力电子技术有限公司 无线充电接收侧无桥拓扑电流过零点检测电路及检测方法
CN211127164U (zh) * 2019-08-16 2020-07-28 东莞启益电器机械有限公司 一种具有不同拓扑电源结构的电池充电管理电路
CN113839457A (zh) * 2021-10-26 2021-12-24 重庆先锋渝州电器有限公司 一种用于智能充电机的充电电路
CN215378504U (zh) * 2021-05-31 2021-12-31 易事特集团股份有限公司 双向智能充放电装置和系统
CN114597995A (zh) * 2022-03-10 2022-06-07 无锡玄机电子科技有限公司 一种智能控制的充电电路及其使用方法

Patent Citations (8)

* Cited by examiner, † Cited by third party
Publication number Priority date Publication date Assignee Title
CN102243850A (zh) * 2011-06-27 2011-11-16 青岛海信电器股份有限公司 背光源驱动电路及其驱动方法、液晶电视机
CN205829265U (zh) * 2016-07-07 2016-12-21 深圳康圣达电子科技有限公司 充电器及充电系统
CN211127164U (zh) * 2019-08-16 2020-07-28 东莞启益电器机械有限公司 一种具有不同拓扑电源结构的电池充电管理电路
CN210327080U (zh) * 2019-08-19 2020-04-14 张振明 蓄电池充电电路
CN111413538A (zh) * 2020-03-31 2020-07-14 西安许继电力电子技术有限公司 无线充电接收侧无桥拓扑电流过零点检测电路及检测方法
CN215378504U (zh) * 2021-05-31 2021-12-31 易事特集团股份有限公司 双向智能充放电装置和系统
CN113839457A (zh) * 2021-10-26 2021-12-24 重庆先锋渝州电器有限公司 一种用于智能充电机的充电电路
CN114597995A (zh) * 2022-03-10 2022-06-07 无锡玄机电子科技有限公司 一种智能控制的充电电路及其使用方法

Cited By (4)

* Cited by examiner, † Cited by third party
Publication number Priority date Publication date Assignee Title
CN116722631A (zh) * 2023-08-11 2023-09-08 深圳市高斯宝电气技术有限公司 一种宽电压输出充电器接口电路
CN116722631B (zh) * 2023-08-11 2024-03-22 深圳市高斯宝电气技术有限公司 一种宽电压输出充电器接口电路
CN117996694A (zh) * 2024-04-07 2024-05-07 广东高斯宝电气技术有限公司 一种用于数字电源的继电器切换保护电路及其充电控制方法
CN117996694B (zh) * 2024-04-07 2025-03-07 广东高斯宝电气股份有限公司 一种用于数字电源的继电器切换保护电路及其充电控制方法

Also Published As

Publication number Publication date
CN116260228B (zh) 2023-10-27

Similar Documents

Publication Publication Date Title
CN116260228B (zh) 一种用于数字电源的电池在位检测电路及其充电控制方法
CN109905042A (zh) 一种电源设备及其电源电路
CN202513610U (zh) 充电装置
CN208386212U (zh) 一种不间断电源
CN110739751A (zh) 一种锂电池及其充放电状态监测方法
CN201307776Y (zh) 智能四段式充电器
CN105529801A (zh) 充电系统及其充电方法
CN104393658B (zh) 一种能量管理电路
CN103997086A (zh) 放大器用超级电容器式电池供电系统
CN106515474A (zh) 一种用于电动汽车的充电系统
CN108429321A (zh) 智能充电电路及具有它的充电器
CN111740466A (zh) 一种智能识别锂电池种类和串数的充电器及充电方法
CN214958839U (zh) 智能识别电池包并切换充电电压电流的充电器
CN108964215A (zh) 一种充电器
CN212518552U (zh) 一种改进型无线充电器
CN103248099B (zh) 一种智能充电控制电路
CN108512283A (zh) 一种多功能充电系统
CN210669575U (zh) 一种锂电池
CN110829558A (zh) 一种智能自适应控制的万能电动工具充电器
WO2022217721A1 (zh) 智慧电池
CN102832680A (zh) 一种超级电容作为储能介质的物机
CN209200736U (zh) 一种零待机功耗充电器
CN206673631U (zh) 一种电池充电电路
CN215580523U (zh) 一种医疗设备及其供电管理系统
CN113547943B (zh) 一种电动汽车交流式充电桩

Legal Events

Date Code Title Description
PB01 Publication
PB01 Publication
SE01 Entry into force of request for substantive examination
SE01 Entry into force of request for substantive examination
GR01 Patent grant
GR01 Patent grant