CN116216436A - An articulated cable reel - Google Patents
An articulated cable reel Download PDFInfo
- Publication number
- CN116216436A CN116216436A CN202310289444.0A CN202310289444A CN116216436A CN 116216436 A CN116216436 A CN 116216436A CN 202310289444 A CN202310289444 A CN 202310289444A CN 116216436 A CN116216436 A CN 116216436A
- Authority
- CN
- China
- Prior art keywords
- cable
- frame
- support
- cable reel
- articulated
- Prior art date
- Legal status (The legal status is an assumption and is not a legal conclusion. Google has not performed a legal analysis and makes no representation as to the accuracy of the status listed.)
- Withdrawn
Links
Images
Classifications
-
- B—PERFORMING OPERATIONS; TRANSPORTING
- B65—CONVEYING; PACKING; STORING; HANDLING THIN OR FILAMENTARY MATERIAL
- B65H—HANDLING THIN OR FILAMENTARY MATERIAL, e.g. SHEETS, WEBS, CABLES
- B65H75/00—Storing webs, tapes, or filamentary material, e.g. on reels
- B65H75/02—Cores, formers, supports, or holders for coiled, wound, or folded material, e.g. reels, spindles, bobbins, cop tubes, cans, mandrels or chucks
- B65H75/34—Cores, formers, supports, or holders for coiled, wound, or folded material, e.g. reels, spindles, bobbins, cop tubes, cans, mandrels or chucks specially adapted or mounted for storing and repeatedly paying-out and re-storing lengths of material provided for particular purposes, e.g. anchored hoses, power cables
- B65H75/38—Cores, formers, supports, or holders for coiled, wound, or folded material, e.g. reels, spindles, bobbins, cop tubes, cans, mandrels or chucks specially adapted or mounted for storing and repeatedly paying-out and re-storing lengths of material provided for particular purposes, e.g. anchored hoses, power cables involving the use of a core or former internal to, and supporting, a stored package of material
- B65H75/40—Cores, formers, supports, or holders for coiled, wound, or folded material, e.g. reels, spindles, bobbins, cop tubes, cans, mandrels or chucks specially adapted or mounted for storing and repeatedly paying-out and re-storing lengths of material provided for particular purposes, e.g. anchored hoses, power cables involving the use of a core or former internal to, and supporting, a stored package of material mobile or transportable
- B65H75/42—Cores, formers, supports, or holders for coiled, wound, or folded material, e.g. reels, spindles, bobbins, cop tubes, cans, mandrels or chucks specially adapted or mounted for storing and repeatedly paying-out and re-storing lengths of material provided for particular purposes, e.g. anchored hoses, power cables involving the use of a core or former internal to, and supporting, a stored package of material mobile or transportable attached to, or forming part of, mobile tools, machines or vehicles
- B65H75/425—Cores, formers, supports, or holders for coiled, wound, or folded material, e.g. reels, spindles, bobbins, cop tubes, cans, mandrels or chucks specially adapted or mounted for storing and repeatedly paying-out and re-storing lengths of material provided for particular purposes, e.g. anchored hoses, power cables involving the use of a core or former internal to, and supporting, a stored package of material mobile or transportable attached to, or forming part of, mobile tools, machines or vehicles attached to, or forming part of a vehicle, e.g. truck, trailer, vessel
-
- B—PERFORMING OPERATIONS; TRANSPORTING
- B65—CONVEYING; PACKING; STORING; HANDLING THIN OR FILAMENTARY MATERIAL
- B65H—HANDLING THIN OR FILAMENTARY MATERIAL, e.g. SHEETS, WEBS, CABLES
- B65H75/00—Storing webs, tapes, or filamentary material, e.g. on reels
- B65H75/02—Cores, formers, supports, or holders for coiled, wound, or folded material, e.g. reels, spindles, bobbins, cop tubes, cans, mandrels or chucks
- B65H75/34—Cores, formers, supports, or holders for coiled, wound, or folded material, e.g. reels, spindles, bobbins, cop tubes, cans, mandrels or chucks specially adapted or mounted for storing and repeatedly paying-out and re-storing lengths of material provided for particular purposes, e.g. anchored hoses, power cables
- B65H75/38—Cores, formers, supports, or holders for coiled, wound, or folded material, e.g. reels, spindles, bobbins, cop tubes, cans, mandrels or chucks specially adapted or mounted for storing and repeatedly paying-out and re-storing lengths of material provided for particular purposes, e.g. anchored hoses, power cables involving the use of a core or former internal to, and supporting, a stored package of material
- B65H75/44—Constructional details
- B65H75/4402—Guiding arrangements to control paying-out and re-storing of the material
- B65H75/4405—Traversing devices; means for orderly arranging the material on the drum
-
- B—PERFORMING OPERATIONS; TRANSPORTING
- B65—CONVEYING; PACKING; STORING; HANDLING THIN OR FILAMENTARY MATERIAL
- B65H—HANDLING THIN OR FILAMENTARY MATERIAL, e.g. SHEETS, WEBS, CABLES
- B65H75/00—Storing webs, tapes, or filamentary material, e.g. on reels
- B65H75/02—Cores, formers, supports, or holders for coiled, wound, or folded material, e.g. reels, spindles, bobbins, cop tubes, cans, mandrels or chucks
- B65H75/34—Cores, formers, supports, or holders for coiled, wound, or folded material, e.g. reels, spindles, bobbins, cop tubes, cans, mandrels or chucks specially adapted or mounted for storing and repeatedly paying-out and re-storing lengths of material provided for particular purposes, e.g. anchored hoses, power cables
- B65H75/38—Cores, formers, supports, or holders for coiled, wound, or folded material, e.g. reels, spindles, bobbins, cop tubes, cans, mandrels or chucks specially adapted or mounted for storing and repeatedly paying-out and re-storing lengths of material provided for particular purposes, e.g. anchored hoses, power cables involving the use of a core or former internal to, and supporting, a stored package of material
- B65H75/44—Constructional details
- B65H75/4481—Arrangements or adaptations for driving the reel or the material
- B65H75/4489—Fluid motors
-
- B—PERFORMING OPERATIONS; TRANSPORTING
- B65—CONVEYING; PACKING; STORING; HANDLING THIN OR FILAMENTARY MATERIAL
- B65H—HANDLING THIN OR FILAMENTARY MATERIAL, e.g. SHEETS, WEBS, CABLES
- B65H75/00—Storing webs, tapes, or filamentary material, e.g. on reels
- B65H75/02—Cores, formers, supports, or holders for coiled, wound, or folded material, e.g. reels, spindles, bobbins, cop tubes, cans, mandrels or chucks
- B65H75/34—Cores, formers, supports, or holders for coiled, wound, or folded material, e.g. reels, spindles, bobbins, cop tubes, cans, mandrels or chucks specially adapted or mounted for storing and repeatedly paying-out and re-storing lengths of material provided for particular purposes, e.g. anchored hoses, power cables
- B65H75/38—Cores, formers, supports, or holders for coiled, wound, or folded material, e.g. reels, spindles, bobbins, cop tubes, cans, mandrels or chucks specially adapted or mounted for storing and repeatedly paying-out and re-storing lengths of material provided for particular purposes, e.g. anchored hoses, power cables involving the use of a core or former internal to, and supporting, a stored package of material
- B65H75/44—Constructional details
- B65H75/4481—Arrangements or adaptations for driving the reel or the material
- B65H75/4492—Manual drives
-
- B—PERFORMING OPERATIONS; TRANSPORTING
- B65—CONVEYING; PACKING; STORING; HANDLING THIN OR FILAMENTARY MATERIAL
- B65H—HANDLING THIN OR FILAMENTARY MATERIAL, e.g. SHEETS, WEBS, CABLES
- B65H2701/00—Handled material; Storage means
- B65H2701/30—Handled filamentary material
- B65H2701/34—Handled filamentary material electric cords or electric power cables
-
- Y—GENERAL TAGGING OF NEW TECHNOLOGICAL DEVELOPMENTS; GENERAL TAGGING OF CROSS-SECTIONAL TECHNOLOGIES SPANNING OVER SEVERAL SECTIONS OF THE IPC; TECHNICAL SUBJECTS COVERED BY FORMER USPC CROSS-REFERENCE ART COLLECTIONS [XRACs] AND DIGESTS
- Y02—TECHNOLOGIES OR APPLICATIONS FOR MITIGATION OR ADAPTATION AGAINST CLIMATE CHANGE
- Y02W—CLIMATE CHANGE MITIGATION TECHNOLOGIES RELATED TO WASTEWATER TREATMENT OR WASTE MANAGEMENT
- Y02W30/00—Technologies for solid waste management
- Y02W30/50—Reuse, recycling or recovery technologies
- Y02W30/56—Reuse, recycling or recovery technologies of vehicles
Landscapes
- Storing, Repeated Paying-Out, And Re-Storing Of Elongated Articles (AREA)
Abstract
本发明公开了一种铰接式电缆卷放车,属于电缆铺设与回收领域。该卷放车包括牵引车和铰接在牵引车后部的后车架,后车架采用框架式结构,其框架前端两侧分别设有举升驱动臂,其框架中部两侧分别设有举升油缸,两个举升驱动臂上部用于固定电缆卷筒侧轴,且至少一个举升驱动臂上还设有带动电缆卷筒转动的第一驱动机构;其框架中后端两侧分别设有后轮架结构;其框架后端设置成可开合结构,用于供电缆卷筒从框架后端移出或安装。本发明通过后车架改进实现电缆卷筒的自由装卸,大大方便实际使用需求,减低劳动强度,降低危险系数。铰接式连接减小转弯半径,提升驾驶灵活性。还能实现卷放电缆的整齐排列,提升储缆量,满足不同电缆直径和长度的缠绕需求。
The invention discloses an articulated cable reeling vehicle, which belongs to the field of cable laying and recycling. The unwinding vehicle includes a tractor and a rear frame hinged at the rear of the tractor. The rear frame adopts a frame structure, and the two sides of the front end of the frame are respectively equipped with lifting driving arms, and the two sides of the middle of the frame are respectively equipped with lifting arms. The upper part of the two lifting drive arms is used to fix the side shaft of the cable reel, and at least one of the lifting drive arms is also provided with a first drive mechanism to drive the rotation of the cable reel; the two sides of the rear end of the frame are respectively equipped with The rear wheel frame structure; the rear end of the frame is set as an openable structure, which is used for removing or installing the cable reel from the rear end of the frame. The invention realizes the free loading and unloading of the cable reel through the improvement of the rear frame, which greatly facilitates the actual use requirements, reduces the labor intensity, and reduces the risk factor. The articulated connection reduces the turning radius and improves driving agility. It can also realize the neat arrangement of the unwinding cables, increase the cable storage capacity, and meet the winding requirements of different cable diameters and lengths.
Description
技术领域technical field
本发明涉及煤矿井下电缆铺设与回收技术领域,特别是涉及一种铰接式电缆卷放车。The invention relates to the technical field of underground cable laying and recycling in coal mines, in particular to an articulated cable winding and unwinding vehicle.
背景技术Background technique
在煤矿机电设备安装和回收过程中电缆敷设和回收是矿井建设的关键环节之一,目前井下普遍采用的电缆卷放车均是采用整体车架,使用时电缆卷筒需吊至车架上,运到安装地点后,车辆一边往前走,人员一边将电缆放到地上,最后通过人力将电缆放到电缆钩上。由于电缆截面大、单重大,每根电缆长度在500米左右,每敷设或回收一根电缆需集中20多人同时作业,作业效率低、劳动强度大,且存在很大的安全隐患。并且,电缆回收时由于单重大,回收环境差,很容易在电缆卷筒上排列不整齐,导致电缆卷筒不能有效回收电缆,造成返工,效率低,安全性差。另外,现有的电缆卷放车由于采用一体式车架,导致车体太长,井下掉头困难。装卸电缆卷筒还需要吊车配合,极不方便,费时费力,存在安全隐患。In the process of installation and recovery of electromechanical equipment in coal mines, cable laying and recovery are one of the key links in mine construction. Currently, cable reeling vehicles commonly used in underground mines use integral frames. After being transported to the installation site, while the vehicle is moving forward, the personnel put the cable on the ground, and finally put the cable on the cable hook by manpower. Due to the large cross-section and heavy weight of each cable, the length of each cable is about 500 meters, and more than 20 people need to work at the same time to lay or recover a cable. The operation efficiency is low, the labor intensity is high, and there is a great potential safety hazard. Moreover, when the cables are recycled, due to the large size and the poor recycling environment, they are easy to be arranged irregularly on the cable reels, causing the cable reels to fail to effectively recycle the cables, resulting in rework, low efficiency, and poor safety. In addition, because the existing cable unwinding vehicle adopts an integrated vehicle frame, the vehicle body is too long and it is difficult to turn around underground. Loading and unloading the cable drum also requires the cooperation of a crane, which is extremely inconvenient, time-consuming and laborious, and poses a safety hazard.
由此可见,上述现有的电缆卷放车在结构、方法与使用上,显然仍存在有不便与缺陷,而亟待加以进一步改进。如何能创设一种新的铰接式电缆卷放车,使其通过对后车架的改进设置,以及铰接式连接方式使卷放车转弯半径小,电缆卷筒装卸简便,省时省力,且电缆收放排列整齐,电缆卷筒直径可调,适应不同长度电缆的收放,自动化程度高,劳动强度大大降低,危险系数小,成为本领域急需改进的目标。This shows that the above-mentioned existing cable rolling car obviously still has inconvenience and defects in structure, method and use, and needs to be further improved urgently. How to create a new articulated cable unwinding car, which can make the turning radius of the unwinding car small through the improved setting of the rear frame and the articulated connection method, the cable reel is easy to load and unload, saves time and effort, and the cable The retractable arrangement is neat, the diameter of the cable drum is adjustable, and it is suitable for the retractable and retractable cables of different lengths. The degree of automation is high, the labor intensity is greatly reduced, and the risk factor is small. It has become an urgent need for improvement in this field.
发明内容Contents of the invention
本发明要解决的技术问题是提供一种铰接式电缆卷放车,使其通过对后车架的改进设置,以及铰接式连接方式使卷放车转弯半径小,电缆卷筒装卸简便,省时省力,且电缆收放排列整齐,电缆卷筒直径可调,适应不同长度电缆的收放,自动化程度高,劳动强度大大降低,危险系数小,从而克服现有的电缆卷放车的不足。The technical problem to be solved by the present invention is to provide an articulated cable reeling car, which can make the turning radius of the reeling car small through the improved setting of the rear frame and the hinged connection mode, and the cable reel is easy to load and unload, saving time It saves labor, and the cables are neatly arranged. The diameter of the cable reel is adjustable, which is suitable for the retraction of cables of different lengths.
为解决上述技术问题,本发明提供一种铰接式电缆卷放车,包括牵引车和铰接在所述牵引车后部的后车架,所述后车架采用框架式结构,其框架前端的两侧分别设有向后延伸的举升驱动臂,其框架中部两侧分别设有用于驱动所述举升驱动臂升降的举升油缸,两个所述举升驱动臂的上部用于固定电缆卷筒的侧轴,且至少一个所述举升驱动臂上还设有带动所述电缆卷筒转动的第一驱动机构;所述后车架的框架中后端两侧分别设有供后轮安装的后轮架结构;所述后车架的框架后端设置成可开合结构,用于供所述电缆卷筒从框架后端移出或安装。In order to solve the above technical problems, the present invention provides an articulated cable unwinding vehicle, which includes a tractor and a rear frame hinged at the rear of the tractor. The rear frame adopts a frame structure, and the two front ends of the frame The two sides are respectively equipped with lifting driving arms extending backward, and the two sides of the middle of the frame are respectively equipped with lifting cylinders for driving the lifting driving arms up and down, and the upper parts of the two lifting driving arms are used to fix the cable coil. The side shaft of the drum, and at least one of the lifting drive arms is also provided with a first driving mechanism to drive the rotation of the cable reel; the rear end of the frame of the rear frame is equipped with two sides for the rear wheels to install respectively. The rear wheel frame structure; the frame rear end of the rear frame is configured as an openable structure for the cable reel to be removed or installed from the frame rear end.
进一步改进,所述后车架的框架后端设置成控制箱,所述控制箱的一端通过摆动油缸与后车架可转动连接,其另一端与后车架活动连接。As a further improvement, the rear end of the frame of the rear frame is set as a control box, one end of the control box is rotatably connected to the rear frame through a swing cylinder, and the other end is movably connected to the rear frame.
进一步改进,所述后车架的框架中部两侧分别设有转动支撑,所述转动支撑包括安装座和支撑柱,所述安装座与所述后车架固定连接,所述安装座上部设有安装槽,所述安装槽的开槽方向与所述卷放车行进方向垂直,所述支撑柱的下端可转动的固定在所述安装槽中,所述支撑柱在竖直方向时其上端抵接在所述举升驱动臂的举升端下方,用于实现支撑。As a further improvement, the two sides of the middle part of the frame of the rear frame are provided with rotating supports respectively, and the rotating supports include a mounting seat and a support column, the mounting seat is fixedly connected with the rear frame, and the upper part of the mounting seat is provided with The installation groove, the slotting direction of the installation groove is perpendicular to the traveling direction of the unwinding car, the lower end of the support column is rotatably fixed in the installation groove, and the upper end of the support column is in the vertical direction against the It is connected below the lifting end of the lifting drive arm to realize support.
进一步改进,所述安装槽由两块平行支撑板设置而成,且两块所述支撑板上开设有竖直长腰孔,螺栓穿过所述竖直长腰孔与所述支撑柱下固定连接,且螺栓可在所述竖直长腰孔中移动,实现所述支撑柱的转动。As a further improvement, the installation groove is formed by two parallel support plates, and the two support plates are provided with vertical long waist holes, and the bolts pass through the vertical long waist holes and are fixed under the support column connected, and the bolts can move in the vertical long waist hole to realize the rotation of the support column.
进一步改进,所述电缆卷筒侧部设有与所述第一驱动机构输出齿轮啮合的大齿轮,所述大齿轮的中心通孔与所述电缆卷筒的中心轴通过平键连接,所述大齿轮的中心通孔外侧与所述电缆卷筒的侧轴内端通过螺栓连接,所述侧轴外端与所述举升驱动臂通过销轴转动连接,所述举升驱动臂上还设有与所述侧轴相切的支撑轮,所述支撑轮用于对所述侧轴形成支撑,并由所述侧轴带动旋转;As a further improvement, the side of the cable reel is provided with a large gear that meshes with the output gear of the first drive mechanism, the central through hole of the large gear is connected to the central shaft of the cable reel through a flat key, and the The outer side of the central through hole of the large gear is connected with the inner end of the side shaft of the cable drum through bolts, and the outer end of the side shaft is connected with the lifting drive arm through a pin shaft. There are support wheels tangent to the side shaft, the support wheels are used to support the side shaft and are driven to rotate by the side shaft;
所述控制箱上部设有排缆器,所述排缆器包括排缆架体和设置在其上的滚动丝杆、排缆龙门和第二驱动机构,所述滚动丝杆在第二驱动机构的作用下带动排缆龙门左右移动,所述排缆龙门用于供电缆穿过并带动电缆实现左右摆动。The upper part of the control box is provided with a cable discharge device, which includes a cable discharge frame body and a rolling screw arranged thereon, a cable discharge gantry and a second driving mechanism, and the rolling screw rod is mounted on the second driving mechanism. Drive the cable-discharging gantry to move left and right under the action of the cable-discharging gantry, and the cable-discharging gantry is used for cables to pass through and to drive the cables to swing left and right.
进一步改进,所述举升驱动臂上还设有用于采集电缆卷筒转动圈数的轴编码器,所述轴编码器通过摩擦轮与所述支撑轮连接,所述摩擦轮与所述支撑轮相切并由其带动旋转;所述排缆器上还设有用于检测排缆龙门移动位置的位移传感器;所述控制箱中包括用于采集所述轴编码器和位移传感器的检测数据的控制器,所述控制器根据检测数据控制所述第一驱动机构和第二驱动机构启动,进而控制所述电缆卷筒的转动和所述排缆龙门的移动,实现电缆的整齐卷缆和放缆。As a further improvement, the lifting drive arm is also provided with a shaft encoder for collecting the number of rotations of the cable drum, and the shaft encoder is connected to the support wheel through a friction wheel, and the friction wheel is connected to the support wheel tangent and driven by it to rotate; the cable discharger is also provided with a displacement sensor for detecting the moving position of the cable discharge gantry; the control box includes a control for collecting the detection data of the shaft encoder and the displacement sensor The controller controls the start of the first drive mechanism and the second drive mechanism according to the detection data, and then controls the rotation of the cable reel and the movement of the cable discharge gantry, so as to realize the neat winding and unwinding of cables .
进一步改进,所述位移传感器采用直线位移传感器,所述直线位移传感器与所述排缆器的滚动丝杆平行设置,所述直线位移传感器的滑块与所述排缆龙门固定连接。As a further improvement, the displacement sensor adopts a linear displacement sensor, and the linear displacement sensor is arranged in parallel with the rolling screw of the cable discharger, and the slider of the linear displacement sensor is fixedly connected to the cable discharge gantry.
进一步改进,所述电缆卷筒的外侧面上设有若干个径向分布的支撑管,每个所述支撑管内部设有伸缩杆,所述支撑管的两个相对侧面上设有多组位置对应的调节孔,所述伸缩杆上设有多个与所述调节孔位置对应的限位孔,限位销轴穿过所述调节孔和限位孔实现所述伸缩杆在所述支撑管内部的位置固定,进而实现所述电缆卷筒直径的调节。As a further improvement, a number of radially distributed support tubes are provided on the outer surface of the cable drum, each of the support tubes is provided with a telescopic rod inside, and multiple sets of positions are provided on the two opposite sides of the support tube. Corresponding to the adjustment hole, the telescopic rod is provided with a plurality of limit holes corresponding to the position of the adjustment hole, and the limit pin shaft passes through the adjustment hole and the limit hole to realize the expansion of the telescopic rod in the support tube. The internal position is fixed, thereby realizing the adjustment of the diameter of the cable drum.
进一步改进,所述伸缩杆的伸出端还设有弧形杆,所述弧形杆的圆心与所述电缆卷筒的轴心重合,且所述弧形杆的两端分别设有支撑杆,所述支撑杆的另一端可活动的固定在所述电缆卷筒的外侧面。As a further improvement, the protruding end of the telescopic rod is also provided with an arc rod, the center of the arc rod coincides with the axis of the cable reel, and the two ends of the arc rod are respectively provided with support rods , the other end of the support rod is movably fixed on the outer surface of the cable drum.
进一步改进,所述电缆卷筒的外侧面边缘设有向外延伸的边沿,所述边沿上设有供所述支撑杆穿过的避让孔,所述避让孔为长圆孔,所述支撑杆为螺纹杆,所述螺纹杆通过分别位于所述长圆孔两侧的螺栓固定在所述边沿上。As a further improvement, the outer edge of the cable drum is provided with an outwardly extending edge, and the edge is provided with an avoidance hole for the support rod to pass through, the avoidance hole is an oblong hole, and the support rod is A threaded rod, the threaded rod is fixed on the edge by bolts respectively located on both sides of the oblong hole.
采用这样的设计后,本发明至少具有以下优点:After adopting such design, the present invention has the following advantages at least:
1.本发明电缆卷放车通过对后车架进行改进,使其框架后端设置成可开合结构,并配合举升驱动臂的设置,能实现电缆卷筒的自由装卸,避免采取吊车才能实现装卸,大大方便实际使用需求,省时省力,减低劳动强度,降低危险系数。还通过后车架铰接式连接,减小转弯半径,提升驾驶灵活性。1. The cable reeling car of the present invention improves the rear frame so that the rear end of the frame can be opened and closed, and with the setting of the lifting drive arm, the free loading and unloading of the cable reel can be realized, avoiding the need for a crane. The realization of loading and unloading greatly facilitates the actual use needs, saves time and effort, reduces labor intensity, and reduces the risk factor. Also through the articulated connection of the rear frame, the turning radius is reduced and the driving flexibility is improved.
2.还通过转动支撑的设置,能大大提升电缆卷筒的安全稳定性,并解决了电缆卷筒装卸时的干扰,结构合理,操作方便。2. Through the setting of the rotating support, the safety and stability of the cable reel can be greatly improved, and the interference during loading and unloading of the cable reel can be solved. The structure is reasonable and the operation is convenient.
3. 还通过轴编码器和位移传感器的设置,能实时检测电缆卷筒的转动圈数,以及排缆龙门的位移距离,在此基础上由控制器自动控制第一驱动机构和第二驱动机构的转动,自动实现电缆的整齐卷缆和放缆,自动化程度高,满足电缆卷放标准要求,减少劳动强度,降低危险系数。3. Through the setting of the shaft encoder and displacement sensor, the number of rotations of the cable drum and the displacement distance of the cable gantry can be detected in real time. On this basis, the controller automatically controls the first driving mechanism and the second driving mechanism The rotation of the cable can automatically realize the neat winding and unwinding of the cable, with a high degree of automation, meeting the requirements of the cable unwinding standard, reducing labor intensity and reducing the risk factor.
4.还通过伸缩杆和弧形杆的设置,灵活调整电缆卷筒的直径,达到电缆卷筒的空间扩容,提升储缆量,满足不同电缆直径和长度的缠绕需求,达到合理利用空间的收集电缆,便于电缆存放和运输,还满足电缆卷放车的运输尺寸要求。还通过支撑杆的固定设置,达到电缆卷筒空间扩容后的稳固效果,提升安全性。4. Through the setting of telescopic rods and arc rods, the diameter of the cable reel can be flexibly adjusted to achieve space expansion of the cable reel, increase the amount of cable storage, meet the winding needs of different cable diameters and lengths, and achieve a reasonable collection of space The cable is convenient for cable storage and transportation, and also meets the transportation size requirements of the cable reel truck. Also through the fixed setting of the support rod, the stabilization effect after the space expansion of the cable drum is achieved, and the safety is improved.
附图说明Description of drawings
上述仅是本发明技术方案的概述,为了能够更清楚了解本发明的技术手段,以下结合附图与具体实施方式对本发明作进一步的详细说明。The above is only an overview of the technical solution of the present invention. In order to better understand the technical means of the present invention, the present invention will be further described in detail below in conjunction with the accompanying drawings and specific embodiments.
图1是本发明电缆卷放车的整体结构示意图。Fig. 1 is a schematic diagram of the overall structure of the cable reeling vehicle of the present invention.
图2是本发明电缆卷放车的后车架主体结构示意图。Fig. 2 is a schematic diagram of the main body structure of the rear frame of the cable unwinding vehicle of the present invention.
图3是本发明电缆卷放车中控制箱的结构示意图。Fig. 3 is a structural schematic diagram of the control box in the cable winding car of the present invention.
图4是本发明电缆卷放车中转动支撑的结构示意图。Fig. 4 is a structural schematic diagram of the rotating support in the cable rolling and unwinding vehicle of the present invention.
图5是本发明电缆卷放车中举升驱动臂的结构示意图。Fig. 5 is a structural schematic diagram of the lifting drive arm in the cable unwinding vehicle of the present invention.
图6是本发明电缆卷放车中电缆卷筒的结构示意图。Fig. 6 is a structural schematic diagram of the cable reel in the cable unwinding vehicle of the present invention.
图7是本发明电缆卷放车中电缆卷筒的结构剖视图。Fig. 7 is a structural sectional view of the cable reel in the cable unwinding vehicle of the present invention.
图8是图7中圆形区域的结构放大图。FIG. 8 is an enlarged view of the structure of the circular area in FIG. 7 .
图9是本发明电缆卷放车中排缆器的结构示意图。Fig. 9 is a structural schematic diagram of the cable unwinder in the cable unwinding vehicle of the present invention.
图中:1-牵引车;2-后车架;21-举升驱动臂;22-举升油缸;23-后轮架结构;24-转动支撑; 241-安装座;242-支撑柱;243-安装槽;244-支撑板;245-竖直长腰孔;246-螺栓;25-销轴;3-电缆卷筒;31-侧轴;32-第一驱动机构;33-大齿轮;34-平键;35-支撑轮;36-轴编码器;37-摩擦轮;38-耐磨垫;39-边沿;4-后轮;5-控制箱;51-摆动油缸;6-排缆器;61-排缆架体;62-滚动丝杆;63-排缆龙门;64-第二驱动机构;65-导向杆;66-位移传感器;661-滑块;7-支撑管;71-调节孔;8-伸缩杆;81-限位孔;9-弧形杆;10-支撑杆;20-避让孔;30-螺栓。In the figure: 1-tractor; 2-rear frame; 21-lift driving arm; 22-lift cylinder; 23-rear wheel frame structure; 24-rotation support; -Installation groove; 244-support plate; 245-vertical long waist hole; 246-bolt; 25-pin shaft; 3-cable reel; 31-side shaft; 32-first drive mechanism; -flat key; 35-support wheel; 36-axis encoder; 37-friction wheel; 38-wear pad; 39-edge; 4-rear wheel; 5-control box; 51-swing cylinder; 6-cable ;61-cable rack body; 62-rolling screw; 63-cable gantry; 64-second drive mechanism; 65-guide rod; 66-displacement sensor; 661-slider; 7-support tube; Hole; 8-telescopic rod; 81-limit hole; 9-arc rod; 10-support rod; 20-avoidance hole; 30-bolt.
实施方式Implementation
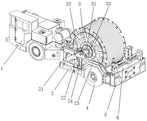
参照附图1所示,本实施例铰接式电缆卷放车,包括牵引车1和铰接在所述牵引车后部的后车架2。所述电缆卷放车的动力系统均由所述牵引车1上的防爆柴油机驱动变量液压泵提供,其行走机构由前轮驱动,后轮随动。所述电缆卷放车的动力系统、液压系统均为现有技术。Referring to the accompanying drawing 1, the present embodiment articulated cable winding vehicle includes a
所述后车架2采用框架式结构,附图2示出了所述后车架2的框架主体,其前部与牵引车1铰接式连接,能减小车辆转弯半径,便于卷放车在狭窄巷道里的转弯、掉头。Described
所述后车架2框架前端的两侧分别设有向后延伸的举升驱动臂21,其框架中部两侧分别设有用于驱动所述举升驱动臂21升降的举升油缸22。两个所述举升驱动臂21的上部用于固定电缆卷筒3的侧轴31。所述举升驱动臂21具有刚性强,高强度的特点,保证了稳定的带动电缆卷筒3升降的动作。且至少一个所述举升驱动臂21上还设有带动所述电缆卷筒3转动的第一驱动机构32。所述第一驱动机构32可采用驱动马达,也可采用手动转轴,带动电缆卷筒3实现正反转,完成卷放缆动作。Both sides of the frame front end of the
所述后车架2的框架中后端两侧分别设有供后轮4安装的后轮架结构23。所述后车架2的框架后端设置成可开合结构,用于供所述电缆卷筒3从框架后端移出或安装。Both sides of the rear end of the frame of the
参照附图3所示,本实施例中所述后车架2的框架后端设置成控制箱5,所述控制箱5的一端通过摆动机构,如摆动油缸51与后车架2可转动连接,其另一端与后车架2活动连接,如通过螺栓或销轴连接,利于打开,便于装卸电缆卷筒3时控制箱5的旋转开启。正常情况下,所述控制箱5将整车连接为一个整体,提高在行车或卷放缆工作过程中的安全性。所述控制箱5中用于安装液压系统、电气系统、控制器、管路、线路、手柄等设备。With reference to shown in accompanying drawing 3, the frame rear end of described
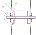
为了提升电缆卷筒的稳固性,所述后车架2的框架中部两侧分别设有转动支撑24。所述转动支撑24靠近电缆卷筒侧轴固定处的下方设置,便于起到更好的支撑作用。参照附图4所示,所述转动支撑24包括安装座241和支撑柱242,所述安装座241与所述后车架2固定连接,所述安装座241上部设有安装槽243。所述安装槽243的开槽方向与所述卷放车行进方向垂直,所述支撑柱242的下端可转动的固定在所述安装槽243中,所述支撑柱242在竖直方向时其上端抵接在所述举升驱动臂21的举升端下方,用于实现对举升驱动臂21的支撑,进而实现对电缆卷筒3的支撑。In order to improve the stability of the cable reel, rotating
所述安装槽243由两块平行支撑板244设置而成,且两块所述支撑板244上开设有竖直长腰孔245,螺栓246穿过所述竖直长腰孔245与所述支撑柱242下固定连接,且螺栓246可在所述竖直长腰孔245中移动,实现所述支撑柱242的转动。即需要转动时,将支撑柱242向上抬起后即可完成支撑柱的转动,简单方便。该转动支撑的转动设置能在电缆卷筒3下放时用于避让举升驱动臂21,利于电缆卷筒的装卸操作。The
参照附图5至8所示,所述电缆卷筒3侧部设有与所述第一驱动机构32输出齿轮啮合的大齿轮33,所述大齿轮33的中心通孔与所述电缆卷筒3的中心轴通过平键34连接,所述大齿轮33的中心通孔外侧与所述侧轴31的内端通过螺栓连接,所述侧轴31的外端与所述举升驱动臂21通过销轴25转动连接。所述销轴25通过螺丝固定于举升驱动臂21上,可插入侧轴31的外端,防止电缆卷筒3在工作或运输过程中脱落。同时,所述销轴25还利于拆卸,便于电缆卷筒3拆卸时,与举升驱动臂21脱离,方便拆装。并且,为了减少举升驱动臂21与侧轴31之间的摩擦,在所述侧轴31的外端侧还设有耐磨垫38,保证设备结构的安全。所述举升驱动臂21上还设有两个支撑轮35,所述支撑轮35与所述侧轴31相切,用于起到支撑侧轴31的作用,并由侧轴31带动旋转。所述电缆卷筒3的卷筒槽底部还设有供电缆端部插入的通孔,所述电缆卷筒3内部设有锁紧环,用于固定电缆端部。则所述第一驱动机构32的驱动轴齿轮与大齿轮33啮合,带动大齿轮33旋转,进而带动电缆卷筒3和侧轴31转动,实现电缆的放卷或收卷,同时侧轴31带动支撑轮35同步转动。Referring to accompanying
参照附图9所示,所述控制箱5上部设有排缆器6,所述排缆器6包括排缆架体61和设置在其上的滚动丝杆62、排缆龙门63和第二驱动机构64,以及导向杆65。所述滚动丝杆62在第二驱动机构64的作用下转动,进而带动所述排缆龙门63在其上左右移动,所述排缆龙门63用于供电缆穿过并带动电缆实现左右摆动,达到在电缆卷筒3的卷缆槽中整齐排列的目的。所述第二驱动机构64同样可采用驱动马达或手动转轴,带动排缆龙门63实现左右摆动,以适应电缆卷筒3横向各层电缆的卷放缆位置。Referring to the accompanying drawing 9, the upper part of the
较优实施例为,所述举升驱动臂21上还设有用于采集电缆卷筒3转动圈数的轴编码器36,所述轴编码器36通过摩擦轮37与所述支撑轮35连接,所述摩擦轮37与所述支撑轮35相切并由其带动旋转,进而将电缆卷筒3的旋转角度圈数传递给轴编码器36,便于轴编码器检测计数。当然,所述轴编码器也可以采用其它现有检测设备进行电缆卷筒3的旋转角度圈数检测。A preferred embodiment is that the lifting
所述排缆器6上还设有用于检测排缆龙门63移动位置的位移传感器66;所述控制箱5中包括用于采集所述轴编码器28和位移传感器66的检测数据的控制器,所述控制器根据检测数据控制所述第一驱动机构32和第二驱动机构64的转动,实现电缆卷筒3与排缆龙门63的联动,如使电缆卷筒3每转动一圈排缆龙门63带动电缆移动一个电缆直径的步距,从而起到排布电缆的作用,实现电缆的整齐排列。即由轴编码器28、位移传感器66和控制器组成的卷放缆机构能实现电缆的整齐卷缆和放缆。The
所述位移传感器66采用直线位移传感器,所述直线位移传感器与所述排缆器的滚动丝杆62平行设置,所述直线位移传感器的滑块661与所述排缆龙门63固定连接,用于实时采集所述排缆龙门63的位置,即实时得出电缆的摆动位置。The
较优实施例为,参照附图6所示,所述电缆卷筒3的挡板外侧面上设有若干个径向分布的支撑管7,每个所述支撑管7内部设有伸缩杆8,所述支撑管7的两个相对侧面上设有多组位置对应的调节孔71,所述伸缩杆8上设有多个与所述调节孔71位置对应的限位孔81。限位销轴穿过所述调节孔71和限位孔81实现所述伸缩杆8在所述支撑管7内部的位置调节,进而实现所述电缆卷筒3直径的调节,使电缆卷筒3的直径可达Ø2m-Ø2.6m,达到对电缆卷筒3的储缆量调节。A preferred embodiment is, as shown in accompanying drawing 6, a plurality of radially distributed
所述伸缩杆8的伸出端还设有弧形杆9,所述弧形杆9的圆心与所述电缆卷筒3的轴心重合。且所述弧形杆9的两端分别设有支撑杆10,所述支撑杆10的另一端可活动的固定在所述电缆卷筒3的外侧面上。The protruding end of the
所述电缆卷筒3的外侧面边缘设有向外延伸的边沿39,所述边沿39上设有供所述支撑杆10穿过的避让孔20。所述避让孔20为长圆孔,所述支撑杆10为螺纹杆,所述螺纹杆通过分别位于所述长圆孔20两侧的螺栓30固定在所述边沿39上。The outer edge of the
本实施例铰接式电缆卷放车中电缆卷筒3可一次性完成外径≤Φ100mm,长度≤500米的矿用电缆的转运与回收。In this embodiment, the
本发明铰接式电缆卷放车使用时包括手动、电动、全自动3种卷缆操作方式:When the articulated cable reeling vehicle of the present invention is in use, it includes three kinds of cable reeling operation modes: manual, electric and fully automatic:
首先,引导电缆端部从电缆卷筒3的卷筒槽表面通孔进入,然后用锁紧环将其压紧;然后调整电缆卷筒3的第一驱动机构32状态手柄,使手柄处于驱动状态:First, guide the end of the cable to enter through the hole on the surface of the reel groove of the
(1)手动驱动 操作第一驱动机构32的控制手柄和排缆器6的控制手柄,保持电缆卷筒3的转速与排缆器6的步距保持协调一致,即可以手动完成卷缆操作。(1) Manual drive Operate the control handle of the
(2)电动驱动 操作遥控器上的第一驱动机构32和排缆器6的控制手柄,在保持电缆卷筒3的转速与排缆器6的步距保持协调一致,即可以电动完成卷缆操作。(2) Electric drive to operate the
(3)全自动驱动 操作遥控器上的自动卷缆操作按钮,根据实际情况调整排缆器6上的排缆龙门63位置并选择排缆方向,由控制器自动控制完成卷缆操作。(3) Fully automatic drive Operate the automatic cable winding operation button on the remote control, adjust the position of the
本发明铰接式电缆卷放车使用时包括主动、被动2种放缆操作方式:When the articulated cable reeling vehicle of the present invention is in use, it includes active and passive cable unwinding operation modes:
(1)主动放缆(1) Active cable release
调整电缆卷筒3的第一驱动机构32状态手柄,使手柄处于驱动状态,并将排缆龙门63移动至中位。操作排缆器6上的第二驱动机构64手柄即可完成放缆操作。Adjust the state handle of the
(2)被动放缆(2) Passive cable release
调整电缆卷筒3的第一驱动机构32状态手柄,使手柄处于浮动状态;作业人员可以将电缆拉出,或将电缆端头固定,车辆前移将电缆放出即可完成被动放缆操作。Adjust the
本发明铰接式电缆卷放车卸电缆卷筒时的操作步骤为:The operation steps when the articulated cable reel of the present invention unloads the cable reel is as follows:
卷放车静止不动,操作人员将电缆卷筒3两侧的第一驱动机构32及销轴25拆掉;驱动举升油缸22升出,驱动举升驱动臂21带动电缆卷筒3升起至极限位置;此时,操作人员将两侧的转动支撑24放倒;再使举升油缸22缩回,将举升驱动臂21落到极限位置;将电缆卷筒3两侧与侧轴31连接的螺栓卸下,将两侧大齿轮33推至电缆卷筒基体内部;此时,控制控制箱5旋转打开,待控制箱5转至90°后,卷放车体缓慢开出电缆卷筒3的位置,完成卸电缆卷筒3的操作。The unwinding car is stationary, and the operator removes the
本发明铰接式电缆卷放车装电缆卷筒时的操作步骤为:The operation steps when the articulated cable reel of the present invention is unloaded into the car and loaded with the cable reel are as follows:
驱动举升驱动臂21下降至极限位置;车辆静止不动,在控制箱5转至90°的状态下,工人推动电缆卷筒3至卷筒安装位置;然后,将大齿轮33从卷筒基体内部拉出并用螺栓与侧轴31固定,再将侧轴31与销轴25连接,完成电缆卷筒3与举升驱动臂21的连接;此时,驱动举升驱动臂21带动电缆卷筒3升起至极限位置;操作人员将两侧转动支撑24复位至竖直状态,再驱动举升驱动臂21带动电缆卷筒3下降至压紧转动支撑24的位置;最后操作人员将第一驱动机构32、销轴25固定好,完成装电缆卷筒3的操作。Drive the
本发明铰接式电缆卷放车可在煤矿井下使用,替代人工完成煤矿井下电缆运输和自动卷放缆作业,实现了电缆回收的机械化作业,不再是由人工装卸、拉运和人工托举,改变了传统的作业方式,极大地提高了电缆铺放效率,可一次性完成外径≤Φ100mm,长度≤500米,矿用电缆的转运与回收。本发明铰接式电缆卷放车能使整车转弯半径≤7.5m,极大的提升驾驶灵活性。本发明还通过轴编码器、位移传感器和控制器的配合设置,自动完成卷放缆操作,实现了电缆铺设与回收的自动化作业,且能达到电缆整齐排列的目的,符合煤矿行业电缆铺设与回收的实际需求。本发明铰接式电缆卷放车整个过程由现有的电气控制和液压控制完成,降低了工人的劳动强度,改善了作业条件,降低了工作危险系数,节省了人工成本,提高了电缆铺设和回收的效率。The articulated cable winding and unwinding vehicle of the present invention can be used in coal mines, instead of manually completing the cable transportation and automatic winding and unwinding operations in coal mines, and realizes the mechanized operation of cable recovery, instead of manual loading, unloading, pulling and lifting, It has changed the traditional operation method, greatly improved the efficiency of cable laying, and can complete the transfer and recycling of mining cables with an outer diameter of ≤Φ100mm and a length of ≤500 meters at one time. The articulated cable unwinding vehicle of the present invention can make the turning radius of the whole vehicle ≤7.5m, greatly improving the driving flexibility. The invention also automatically completes the winding and unwinding operation through the coordinated setting of the shaft encoder, displacement sensor and controller, realizes the automatic operation of cable laying and recycling, and can achieve the purpose of orderly arrangement of cables, which is in line with the cable laying and recycling of the coal mine industry. actual needs. The whole process of the articulated cable reeling vehicle of the present invention is completed by the existing electrical control and hydraulic control, which reduces the labor intensity of workers, improves working conditions, reduces the risk factor of work, saves labor costs, and improves cable laying and recycling. s efficiency.
在本发明的描述中,需要说明的是,术语“上”、“下”、“前”、 “后”等指示的方位或位置关系为基于附图所示的方位或位置关系,仅是为了便于描述本发明和简化描述,而不是指示或暗示所指的装置或元件必须具有特定的方位、以特定的方位构造和操作,因此不能理解为对本发明的限制。In the description of the present invention, it should be noted that the orientation or positional relationship indicated by the terms "upper", "lower", "front", "rear" etc. is based on the orientation or positional relationship shown in the drawings, and is only for It is convenient to describe the present invention and simplify the description, but does not indicate or imply that the device or element referred to must have a specific orientation, be constructed and operate in a specific orientation, and thus should not be construed as limiting the present invention.
在本发明的描述中,需要说明的是,除非另有明确的规定和限定,术语“安装”、“相连”、“连接”应做广义理解,例如,可以是固定连接,也可以是可拆卸连接,或一体地连接;可以是机械连接,也可以是电连接;可以是直接相连,也可以通过中间媒介间接相连,可以是两个元件内部的连通。对于本领域的普通技术人员而言,可以具体情况理解上述术语在本发明中的具体含义。In the description of the present invention, it should be noted that unless otherwise specified and limited, the terms "installation", "connection" and "connection" should be understood in a broad sense, for example, it can be a fixed connection or a detachable connection. Connected, or integrally connected; it may be mechanically connected or electrically connected; it may be directly connected or indirectly connected through an intermediary, and it may be the internal communication of two components. Those of ordinary skill in the art can understand the specific meanings of the above terms in the present invention in specific situations.
以上所述,仅是本发明的较佳实施例而已,并非对本发明作任何形式上的限制,本领域技术人员利用上述揭示的技术内容做出些许简单修改、等同变化或修饰,均落在本发明的保护范围内。The above is only a preferred embodiment of the present invention, and does not limit the present invention in any form. Those skilled in the art make some simple modifications, equivalent changes or modifications using the technical contents disclosed above, all of which fall within the scope of the present invention. within the scope of protection of the invention.
Claims (10)
Priority Applications (1)
| Application Number | Priority Date | Filing Date | Title |
|---|---|---|---|
| CN202310289444.0A CN116216436A (en) | 2023-03-23 | 2023-03-23 | An articulated cable reel |
Applications Claiming Priority (1)
| Application Number | Priority Date | Filing Date | Title |
|---|---|---|---|
| CN202310289444.0A CN116216436A (en) | 2023-03-23 | 2023-03-23 | An articulated cable reel |
Publications (1)
| Publication Number | Publication Date |
|---|---|
| CN116216436A true CN116216436A (en) | 2023-06-06 |
Family
ID=86578721
Family Applications (1)
| Application Number | Title | Priority Date | Filing Date |
|---|---|---|---|
| CN202310289444.0A Withdrawn CN116216436A (en) | 2023-03-23 | 2023-03-23 | An articulated cable reel |
Country Status (1)
| Country | Link |
|---|---|
| CN (1) | CN116216436A (en) |
Cited By (1)
| Publication number | Priority date | Publication date | Assignee | Title |
|---|---|---|---|---|
| CN119568847A (en) * | 2024-12-03 | 2025-03-07 | 国能神东煤炭集团有限责任公司 | Cable winding and unwinding mechanism and cable winding and unwinding vehicle with same for coal mine |
-
2023
- 2023-03-23 CN CN202310289444.0A patent/CN116216436A/en not_active Withdrawn
Cited By (1)
| Publication number | Priority date | Publication date | Assignee | Title |
|---|---|---|---|---|
| CN119568847A (en) * | 2024-12-03 | 2025-03-07 | 国能神东煤炭集团有限责任公司 | Cable winding and unwinding mechanism and cable winding and unwinding vehicle with same for coal mine |
Similar Documents
| Publication | Publication Date | Title |
|---|---|---|
| CN107134741B (en) | Hydraulic type multiple cable promotes conveying device | |
| CN109484980B (en) | Mobile shore power system automatic lifting device based on cable drum separation structure | |
| CN113979230B (en) | A cable reeling vehicle for coal mines | |
| CN106638185A (en) | Track layer automatically changing span in advancing process and use method | |
| CN112693977B (en) | Vehicle-mounted automatic bypass operation cable laying mechanism and control method thereof | |
| CN106677725A (en) | Petroleum drilling machine pipe transferring equipment | |
| CN207200138U (en) | Hydraulic type multiple cable lifts conveying device | |
| CN116216436A (en) | An articulated cable reel | |
| CN104528478B (en) | A kind of electric power cable automatic deploying and retracting line equipment | |
| CN115231395A (en) | An integral coal mine cable winding and unwinding car | |
| CN115217502A (en) | Airborne support system, heading machine and heading support operation method | |
| CN205225115U (en) | Equipment is transferred to oil -well rig pipe utensil | |
| CN220245149U (en) | An automatic moving and disassembly device for mining cables | |
| CN119568847A (en) | Cable winding and unwinding mechanism and cable winding and unwinding vehicle with same for coal mine | |
| CN114314208A (en) | Cable winding and unwinding devices for power engineering | |
| CN217867523U (en) | Labor-saving efficient manual optical cable winding and unwinding vehicle | |
| CN106477398A (en) | A tape dismantling vehicle | |
| CN218025031U (en) | Automatic installation device for wind turbine nacelle cover sheet | |
| CN219489263U (en) | Cable winding and unwinding mechanism of cable winding and unwinding vehicle | |
| CN215592528U (en) | Storage battery replacing device | |
| CN215704076U (en) | Improved film laminating equipment | |
| CN215804411U (en) | Drilling rod is carried and is transferred equipment | |
| CN108860253A (en) | A kind of multilayer proofing telpherage | |
| CN202608623U (en) | Distribution vehicle for battery transfer cabin | |
| CN115385236A (en) | Automatic installation device for wind turbine nacelle cover sheet |
Legal Events
| Date | Code | Title | Description |
|---|---|---|---|
| PB01 | Publication | ||
| PB01 | Publication | ||
| SE01 | Entry into force of request for substantive examination | ||
| SE01 | Entry into force of request for substantive examination | ||
| CB02 | Change of applicant information |
Address after: 065000 Dachang Chaobaihe Industrial Zone, Langfang City, Hebei Province Applicant after: Hebei Jinglong Intelligent Equipment Co.,Ltd. Address before: 065000 Dachang Chaobaihe Industrial Zone, Langfang City, Hebei Province Applicant before: LANGFANG JINGLONG HEAVY MACHINERY Co.,Ltd. |
|
| CB02 | Change of applicant information | ||
| WW01 | Invention patent application withdrawn after publication |
Application publication date: 20230606 |
|
| WW01 | Invention patent application withdrawn after publication |
