CN115823773A - Steam compression high-temperature heat pump system with double-nozzle ejector for synergism and circulation method thereof - Google Patents
Steam compression high-temperature heat pump system with double-nozzle ejector for synergism and circulation method thereof Download PDFInfo
- Publication number
- CN115823773A CN115823773A CN202210631406.4A CN202210631406A CN115823773A CN 115823773 A CN115823773 A CN 115823773A CN 202210631406 A CN202210631406 A CN 202210631406A CN 115823773 A CN115823773 A CN 115823773A
- Authority
- CN
- China
- Prior art keywords
- pressure
- temperature
- outlet
- nozzle
- ejector
- Prior art date
- Legal status (The legal status is an assumption and is not a legal conclusion. Google has not performed a legal analysis and makes no representation as to the accuracy of the status listed.)
- Granted
Links
Images
Classifications
-
- Y—GENERAL TAGGING OF NEW TECHNOLOGICAL DEVELOPMENTS; GENERAL TAGGING OF CROSS-SECTIONAL TECHNOLOGIES SPANNING OVER SEVERAL SECTIONS OF THE IPC; TECHNICAL SUBJECTS COVERED BY FORMER USPC CROSS-REFERENCE ART COLLECTIONS [XRACs] AND DIGESTS
- Y02—TECHNOLOGIES OR APPLICATIONS FOR MITIGATION OR ADAPTATION AGAINST CLIMATE CHANGE
- Y02B—CLIMATE CHANGE MITIGATION TECHNOLOGIES RELATED TO BUILDINGS, e.g. HOUSING, HOUSE APPLIANCES OR RELATED END-USER APPLICATIONS
- Y02B30/00—Energy efficient heating, ventilation or air conditioning [HVAC]
- Y02B30/52—Heat recovery pumps, i.e. heat pump based systems or units able to transfer the thermal energy from one area of the premises or part of the facilities to a different one, improving the overall efficiency
Landscapes
- Jet Pumps And Other Pumps (AREA)
Abstract
本发明公开了一种双喷嘴喷射器增效的蒸气压缩高温热泵系统及其循环方法,该系统包括一台低压压缩机和一台高压压缩机;其中第一冷凝器与低压压缩机相连,用于被加热介质的初步加热;第二冷凝器与高压侧压缩机相连,用于供热介质进一步加热;该循环可以通过双压缩机获得不同的冷凝温度,实现对加热介质梯级升温,从而降低传热不可逆损失;同时,使用回热器来保证压缩机吸气保持一定的过热度,避免压缩机湿压缩,保证了压缩机运行的可靠性。另外,通过双喷嘴喷射器可同时回收两路高压流体的膨胀功,提升压缩机吸气压力。同时,通过双喷嘴喷射器压力提升作用可以实现双温蒸发,有效地降低蒸发器传热温差和不可逆损失,进而提高系统的综合能效水平。
The invention discloses a vapor compression high-temperature heat pump system and its circulation method with double-nozzle injector synergistic effect. The system includes a low-pressure compressor and a high-pressure compressor; wherein the first condenser is connected with the low-pressure compressor, and the The second condenser is connected to the high-pressure side compressor for further heating of the heating medium; this cycle can obtain different condensation temperatures through dual compressors to achieve a stepwise increase in the temperature of the heating medium, thereby reducing the heat transfer rate. Irreversible loss of heat; at the same time, a regenerator is used to ensure that the suction of the compressor maintains a certain degree of superheat, avoiding wet compression of the compressor, and ensuring the reliability of the compressor operation. In addition, the expansion work of two high-pressure fluids can be recovered at the same time through the dual-nozzle ejector to increase the suction pressure of the compressor. At the same time, dual-temperature evaporation can be realized through the pressure boost effect of the dual-nozzle injector, which can effectively reduce the heat transfer temperature difference and irreversible loss of the evaporator, thereby improving the overall energy efficiency level of the system.
Description
技术领域technical field
本发明属于蒸气压缩式热泵供暖技术领域,具体涉及一种双喷嘴喷射器增效的蒸气压缩高温热泵系统及其循环方法。The invention belongs to the technical field of vapor compression heat pump heating, and in particular relates to a vapor compression high-temperature heat pump system and a circulation method thereof with double-nozzle injector synergistic effect.
背景技术Background technique
近年来,能源问题已经成为制约我国社会经济发展的重要因素之一,节能减排、降低能耗和提高能源利用率是解决能源问题的根本途径。目前,高温热泵技术因其具有较高的能量品味提升效果,被广泛应用于化工、食品、石油、制药、陶瓷等行业的余热回收利用领域。因此,开发新型高效的高温热泵节能技术,是目前蒸汽压缩式热泵技术的重要发展方向。In recent years, the energy problem has become one of the important factors restricting the social and economic development of our country. Energy saving, emission reduction, energy consumption reduction and energy utilization rate improvement are the fundamental ways to solve the energy problem. At present, high-temperature heat pump technology is widely used in the field of waste heat recovery and utilization in chemical, food, petroleum, pharmaceutical, ceramic and other industries because of its high energy taste improvement effect. Therefore, the development of new high-efficiency high-temperature heat pump energy-saving technology is an important development direction of vapor compression heat pump technology.
对于传统的高温热泵技术,采用单级压缩热泵系统具有冷凝温度和蒸发温度单一,在实现热源与热汇温跨较大工况运行时,压缩机压比较大,性能衰减严重的特点。首先,单一冷凝温度的高温热泵系统在制冷剂与加热介质换热时存在较大的换热温差,尤其在热汇流体进出口温差较大时,传热过程的不可逆损失,制冷剂与热汇介质温度匹配较差;同样在单一蒸发温度下,制冷剂与热源介质的换热过程也会存在传热损失较大的情况;最后,传统单级压缩高温热泵循环由于高温供热系统冷凝温度较高,导致系统冷凝压力和压比升高,传统节流结构的不可逆损失增加,最终导致系统性能的下降。For the traditional high-temperature heat pump technology, the single-stage compression heat pump system has the characteristics of single condensation temperature and evaporation temperature. When the heat source and heat sink temperature span is large, the compressor pressure is relatively large and the performance is attenuated. First of all, the high-temperature heat pump system with a single condensation temperature has a large heat transfer temperature difference when the refrigerant exchanges heat with the heating medium, especially when the temperature difference between the inlet and outlet of the heat sink fluid is large, the irreversible loss in the heat transfer process, the refrigerant and the heat sink The temperature of the medium is poorly matched; also at a single evaporation temperature, there will be a large heat transfer loss in the heat exchange process between the refrigerant and the heat source medium; finally, the traditional single-stage compression high-temperature heat pump cycle has a relatively high condensation temperature due to the high-temperature heating system. High, resulting in the increase of system condensing pressure and pressure ratio, the irreversible loss of the traditional throttling structure increases, and finally leads to the decline of system performance.
针对上述问题,可以采用双压缩机形成双冷凝压力,从而减少冷源介质与冷凝器传热过程的不可逆损失,同时,利用喷射器升压能力,构建双温蒸发效果,也可以达到减小吸热过程传热不可逆损失的目的。另外,针对大温跨热泵加热过程节流损失过大、压比增加和压缩机性能下降的问题,提出使用双喷嘴喷射器并联压缩的循环系统,既可以最大限度回收膨胀功,又提高了压缩机的吸气压力,降低压缩机压比,减小系统能耗,从而达到节能增效的目的。In view of the above problems, dual compressors can be used to form dual condensing pressures, thereby reducing the irreversible loss in the heat transfer process between the cold source medium and the condenser. The purpose of irreversible loss of heat transfer in thermal processes. In addition, in view of the problems of excessive throttling loss, increase in pressure ratio, and decrease in compressor performance during the heating process of a large-temperature span heat pump, a cycle system using double-nozzle injectors for parallel compression is proposed, which can maximize the recovery of expansion work and improve compression. The suction pressure of the machine can be reduced, the pressure ratio of the compressor can be reduced, and the energy consumption of the system can be reduced, so as to achieve the purpose of energy saving and efficiency enhancement.
发明内容Contents of the invention
本发明的目的在于针对现有高温热泵技术中存在的不足,提供一种双喷嘴喷射器增效的蒸气压缩高温热泵系统及其循环方法,该系统不但可以实现高温制热的需求,还可以进一步提升系统的制热性能。The purpose of the present invention is to address the deficiencies in the existing high-temperature heat pump technology, and provide a double-nozzle ejector synergistic vapor compression high-temperature heat pump system and its circulation method. This system can not only meet the needs of high-temperature heating, but also further Improve the heating performance of the system.
为实现以上目的,本发明采用的技术方案为:For realizing above object, the technical scheme that the present invention adopts is:
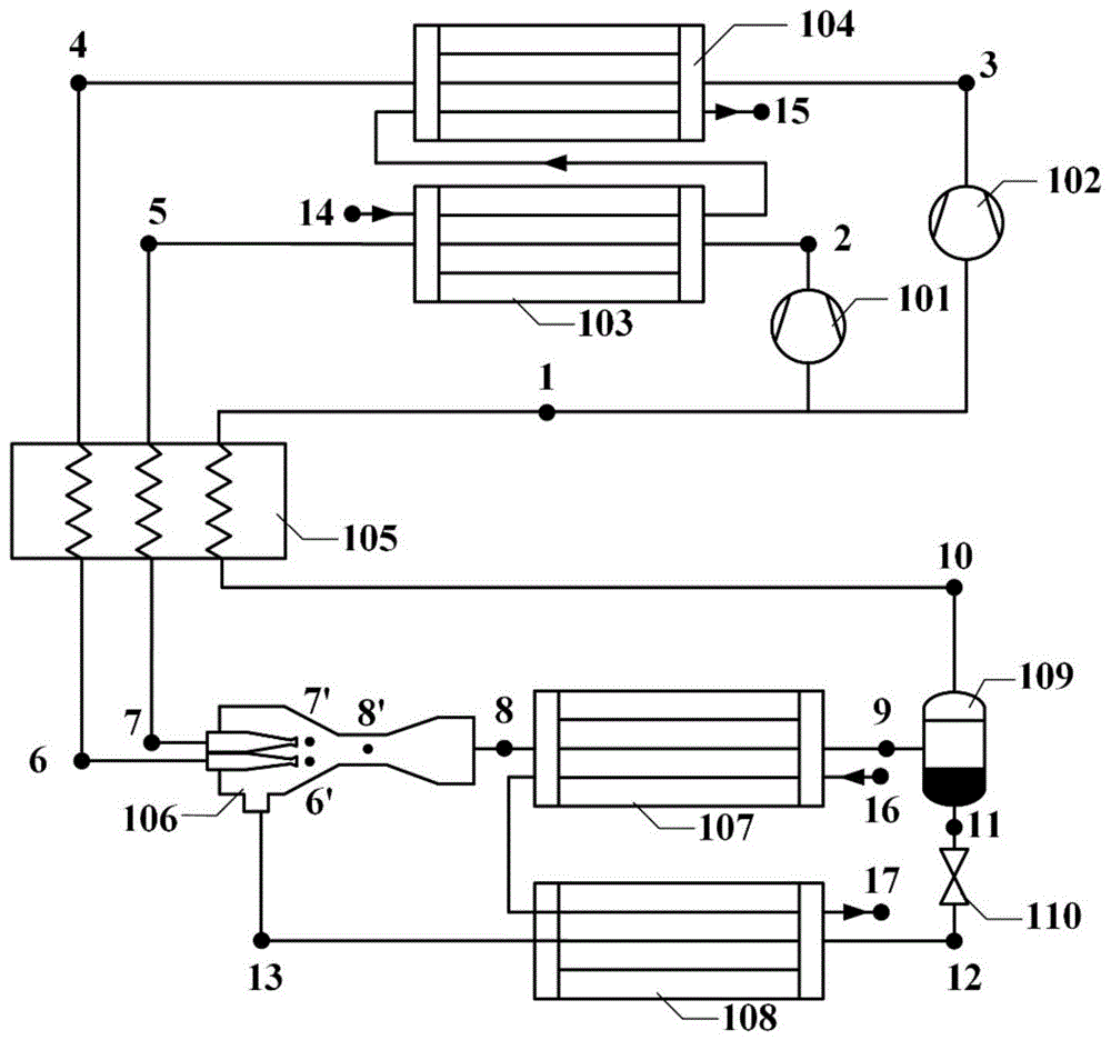
一种双喷嘴喷射器增效的蒸气压缩高温热泵系统,采用双压缩机并联与双喷嘴喷射器耦合的方式实现高温制热;所述系统包括:低压压缩机101、高压压缩机102、第一冷凝器103、第二冷凝器104、回热器105、双喷嘴喷射器106、第一蒸发器107、第二蒸发器108、气液分离器109以及节流装置110;A vapor compression high-temperature heat pump system with double-nozzle injector synergistic effect, which adopts dual-compressor parallel connection and double-nozzle injector coupling to realize high-temperature heating; the system includes: a low-
低压压缩机101出口与第一冷凝器103入口相连;高压压缩机102出口与第二冷凝器104入口相连;第一冷凝器103出口与回热器105中温侧入口相连,回热器105中温侧出口与双喷嘴喷射器106第一喷嘴入口相连;第二冷凝器104出口与回热器105高温侧入口相连,回热器105高温侧出口与双喷嘴喷射器106第二喷嘴入口相连;双喷嘴喷射器106出口与第一蒸发器107入口相连;第一蒸发器107出口与气液分离器109入口相连;气液分离器109液管出口与节流装置110入口相连;节流装置110出口与第二蒸发器108入口相连;第二蒸发器108出口与双喷嘴喷射器106二次流入口相连;气液分离器109气管出口与回热器105低温侧入口相连;回热器105低温侧出口与低压压缩机101和高压压缩机102吸气口相连,从而形成完整的热泵循环系统;The outlet of the low-pressure compressor 101 is connected to the inlet of the first condenser 103; the outlet of the high-pressure compressor 102 is connected to the inlet of the second condenser 104; The outlet is connected to the inlet of the first nozzle of the double nozzle injector 106; the outlet of the second condenser 104 is connected to the inlet of the high temperature side of the regenerator 105, and the outlet of the high temperature side of the regenerator 105 is connected to the inlet of the second nozzle of the double nozzle injector 106; the double nozzle The outlet of the injector 106 is connected with the inlet of the first evaporator 107; the outlet of the first evaporator 107 is connected with the inlet of the gas-liquid separator 109; the outlet of the liquid pipe of the gas-liquid separator 109 is connected with the inlet of the throttle device 110; the outlet of the throttle device 110 is connected with the The inlet of the second evaporator 108 is connected; the outlet of the second evaporator 108 is connected with the secondary inflow inlet of the double-nozzle injector 106; the gas pipe outlet of the gas-liquid separator 109 is connected with the inlet of the low temperature side of the regenerator 105; the outlet of the low temperature side of the regenerator 105 It is connected with the suction ports of the low-pressure compressor 101 and the high-pressure compressor 102 to form a complete heat pump circulation system;
采用双压缩机并联的方式能够对两台压缩机的排量大小进行优化,调节第一冷凝器103及第二冷凝器104供热的负荷,提高系统的整体性能;同时,回热器105保证了低压压缩机101和高压压缩机102吸气带有一定的过热度,有效避免低压压缩机101和高压压缩机102在两相区工作,以此保证了低压压缩机101和高压压缩机102运行的可靠性。另外,利用双喷嘴喷射器最大程度回收膨胀功;以达到节能的目的。The parallel connection of dual compressors can optimize the displacement of the two compressors, adjust the heat supply load of the
利用双喷嘴喷射器106回收第一冷凝器103和第二冷凝器104出口制冷剂膨胀过程的膨胀功,同时利用双喷嘴喷射器引射升压的特性,提升高压缩机和低压压缩机的吸气压力,降低两压缩机压比。The dual-
通过喷射器与蒸发器耦合的方式,所述系统能够实现双蒸发器及双蒸发温度,且第二蒸发器的蒸发温度低于第一蒸发器的蒸发温度。By coupling the injector and the evaporator, the system can realize double evaporators and double evaporating temperatures, and the evaporating temperature of the second evaporator is lower than that of the first evaporator.
通过双喷嘴喷射器将双压缩机和双冷凝器耦合的方式,所述系统在单一吸气压力下,能够实现双冷凝压力和双冷凝温度,且第二冷凝器的冷凝压力高于第一冷凝器的冷凝压力。The dual compressors and the dual condensers are coupled by dual nozzle injectors, the system can achieve dual condensation pressures and dual condensation temperatures under a single suction pressure, and the condensation pressure of the second condenser is higher than that of the first condensation The condensing pressure of the device.
双喷嘴喷射器106的结构形式包括但不限于可调式喷射器、固定结构的喷射器。The structural form of the dual-
所述的一种双喷嘴喷射器增效的蒸气压缩高温热泵系统及其循环方法,低压压缩机101将低温气态制冷剂压缩为中间压力,然后进入第一冷凝器103中冷凝放热为气液两相的中温中压状态,经过回热器105后作为喷射器一次流进入双喷嘴喷射器106的第一喷嘴;高压压缩机102将制冷剂压缩为高温高压的气态制冷剂后进入第二冷凝器104冷凝放热为高温高压的两相态,然后经过回热器105后作为喷射器一次流进入双喷嘴喷射器106的第二喷嘴;双喷嘴喷射器106出口的两相制冷剂进入第一蒸发器107蒸发放热,在第一蒸发器107的出口扔保持两相状态(制冷剂干度增加)进入气液分离器109中,气液分离器109中的饱和液体制冷剂经过节流装置110,以两相状态进入第二蒸发器108,第二蒸发器108出口的气态或两相态工质作为二次流进入双喷嘴喷射器106,并与一次流混合升压;气液分离器109气管出口的饱和气体制冷剂经过回热器105后进入高压缩机101和低压压缩机102,从而实现完整循环。In the above-mentioned vapor compression high-temperature heat pump system with double-nozzle injector synergy and its circulation method, the low-
本发明的技术特点,可以利用所述第一冷凝器先对冷源介质进行初步预热,将冷源介质加热到中间温度,再利用第二冷凝器将中间温度的冷源工质加热到目标温度,实现高温热泵制热工况的同时,降低了冷源工质掺混带来的传热损失。通过双喷嘴喷射器和气液分离器成功地将双冷凝器和双蒸发器耦合起来,有效降低换热器传热温差的同时,也通过喷射器提升了压缩机吸气压力,降低压缩机压比,减小系统耗功。该系统是一种经济、高效可行的改善方案,将有效地促进热泵技术的发展。The technical features of the present invention can use the first condenser to preheat the cold source medium first, heat the cold source medium to an intermediate temperature, and then use the second condenser to heat the cold source medium at the intermediate temperature to the target Temperature, while realizing the heating condition of high-temperature heat pump, it reduces the heat transfer loss caused by the mixing of cold source working fluid. Double condensers and double evaporators are successfully coupled through double-nozzle injectors and gas-liquid separators to effectively reduce the heat transfer temperature difference of heat exchangers, and at the same time increase compressor suction pressure through injectors and reduce compressor pressure ratio , to reduce system power consumption. The system is an economical, efficient and feasible improvement scheme, which will effectively promote the development of heat pump technology.
附图说明Description of drawings
图1为本发明施例一的系统示意图。FIG. 1 is a schematic diagram of the system of
图2为本发明施例一的高温热泵循环系统工作过程的压-焓图(p-h图)Fig. 2 is the pressure-enthalpy diagram (p-h diagram) of the working process of the high-temperature heat pump circulation system of
具体实施方式Detailed ways
为了使本发明的目的、技术方案及优点更加清楚简明,以下结合附图及两种实施例,对本发明进行进一步详细说明。应当理解,此处所描述的具体实施例仅用以解释本发明,并不用于限定本发明。In order to make the object, technical solution and advantages of the present invention more clear and concise, the present invention will be further described in detail below in conjunction with the accompanying drawings and two embodiments. It should be understood that the specific embodiments described here are only used to explain the present invention, not to limit the present invention.
实施例一Embodiment one
如图1所示,所述低压压缩机101、高压压缩机102的类型包括但不限于滚动转子压缩机、螺杆式压缩机和涡旋压缩机等类型,所述低压压缩机101出口与第一冷凝器103入口相连;高压压缩机102出口与第二冷凝器104入口相连;第一冷凝器103出口与回热器105中温侧的入口相连,回热器105中温侧出口与双喷嘴喷射器106第一喷嘴入口相连;第二冷凝器104出口与回热器105高温侧入口相连,回热器105高温侧出口与双喷嘴喷射器106第二喷嘴入口相连;双喷嘴喷射器106出口与第一蒸发器107入口相连;气液分离器109入口与第一蒸发器107出口相连;气液分离器109液管出口与节流装置110相连;第二蒸发器108入口与节流装置110出口相连;第二蒸发器108出口与双喷嘴喷射器106二次流入口相连;气液分离器109气管出口与回热器105低温侧入口相连;回热器105低温侧出口与低压压缩机101和高压压缩机102吸气口相连,由此形成双蒸发温度和双冷凝温度的喷射器增效高温热泵系统。低温水(图1中14点)依次与第一冷凝器103和第二冷凝器104换热后被加热为高温水(图1中15点),以此实现对高温区的供热。蒸发器处的热源介质(图1中16点)依次与第一蒸发器107和第二蒸发器108换热后被冷却到较低温度(图1中17点)。由此增强系统换热器温度匹配,减少传热不可逆损失。As shown in Figure 1, the types of the low-
图2为实施例一的热泵循环系统工作过程的压-焓图(p-h图)。本发明的具体工作过程为:部分低压过热制冷剂气体(图2中1点)作为吸气进入低压压缩机1被压缩为中间压力(图2中2点),之后制冷剂经过第一冷凝器103冷凝放热后,饱和液态制冷剂(图2中5点)经过回热器105换热后变为过冷态(图2中7点)作为一次流进入双喷嘴喷射器106的第一喷嘴中,过冷态制冷剂经过第一喷嘴节流后变为低压两相态制冷剂(图2中7'点);同时,另一部分低压过热制冷剂气体(图2中1点)作为吸气进入高压压缩机102被压缩为高温高压状态(图2中3点),之后制冷剂经过第二冷凝器104冷凝放热后,饱和液态制冷剂(图2中4点)经过回热器105换热后的过冷态制冷剂(图2中6点)作为一次流进入双喷嘴喷射器106的第二喷嘴中,高压过冷态制冷剂经过第二喷嘴节流后变为低压两相态制冷剂(图2中6'点),然后两喷嘴出口的制冷剂与来及第二蒸发器的制冷剂充分混合(图2中8'点),制冷剂经过喷射器扩压段的降速升压后变为两相状态(图2中8点);继而喷射器出口的两相制冷剂进入第一蒸发器107蒸发制冷后扔保持两相状态(图2中9点)进入气液分离器109中,气液分离器109中的液态制冷剂(图2中11点)经过节流装置110节流后变为两相状态(图2中12点),然后进入第二蒸发器108蒸发制冷后变为饱和气态制冷剂(图2中13点)被双喷嘴喷射器引射;气液分离器109中的饱和气体制冷剂(图2中10点)经过回热器105换热后变为过热气体(图2中1点),作为吸气回到高压缩机101和低压压缩机102中,从而完成整个热泵循环。Fig. 2 is a pressure-enthalpy diagram (p-h diagram) of the working process of the heat pump circulation system of the first embodiment. The specific working process of the present invention is: part of the low-pressure superheated refrigerant gas (
Claims (6)
Priority Applications (1)
| Application Number | Priority Date | Filing Date | Title |
|---|---|---|---|
| CN202210631406.4A CN115823773B (en) | 2022-06-06 | 2022-06-06 | Double-nozzle ejector synergistic vapor compression high-temperature heat pump system and circulation method thereof |
Applications Claiming Priority (1)
| Application Number | Priority Date | Filing Date | Title |
|---|---|---|---|
| CN202210631406.4A CN115823773B (en) | 2022-06-06 | 2022-06-06 | Double-nozzle ejector synergistic vapor compression high-temperature heat pump system and circulation method thereof |
Publications (2)
| Publication Number | Publication Date |
|---|---|
| CN115823773A true CN115823773A (en) | 2023-03-21 |
| CN115823773B CN115823773B (en) | 2025-08-12 |
Family
ID=85522651
Family Applications (1)
| Application Number | Title | Priority Date | Filing Date |
|---|---|---|---|
| CN202210631406.4A Active CN115823773B (en) | 2022-06-06 | 2022-06-06 | Double-nozzle ejector synergistic vapor compression high-temperature heat pump system and circulation method thereof |
Country Status (1)
| Country | Link |
|---|---|
| CN (1) | CN115823773B (en) |
Cited By (5)
| Publication number | Priority date | Publication date | Assignee | Title |
|---|---|---|---|---|
| CN117023681A (en) * | 2023-09-21 | 2023-11-10 | 山东迈沃净水科技有限公司 | Steam circulation system for cascade connection of thermal compressor and ejector and control method thereof |
| CN118463562A (en) * | 2024-05-24 | 2024-08-09 | 西安交通大学 | Ejector synergistic double-condenser heat pump drying system for material drying and control method |
| CN118463563A (en) * | 2024-05-24 | 2024-08-09 | 西安交通大学 | Double-temperature condensation air-supplementing enthalpy-increasing heat pump drying system with synergistic ejector and control method |
| CN119383930A (en) * | 2024-12-27 | 2025-01-28 | 中国航空工业集团公司金城南京机电液压工程研究中心 | A high-temperature fuel heat sink evaporation cycle aircraft environmental control system and method |
| CN119393915A (en) * | 2024-11-25 | 2025-02-07 | 中国科学技术大学 | An adjustable multi-stage heat exchange jet type mixed working fluid high temperature heat pump system |
Citations (5)
| Publication number | Priority date | Publication date | Assignee | Title |
|---|---|---|---|---|
| US20090095003A1 (en) * | 2007-10-16 | 2009-04-16 | Denso Corporation | Refrigeration cycle device |
| CN106546026A (en) * | 2016-10-25 | 2017-03-29 | 西安交通大学 | Using the non-azeotropic mixed working medium fractional condensation Duel-temperature refrigeration cycle system of ejector potentiation |
| CN108375233A (en) * | 2018-04-19 | 2018-08-07 | 天津商业大学 | A kind of folding type cooling system with backheat and injection decompression |
| CN111912142A (en) * | 2020-08-10 | 2020-11-10 | 西安交通大学 | Air-supplementing enthalpy-increasing type double-heat-source heat pump circulating system with ejector and working method |
| CN212299531U (en) * | 2020-03-09 | 2021-01-05 | 中国轻工业武汉设计工程有限责任公司 | Single-stage and double-stage switching evaporation supercooling ejector refrigeration heat pump circulation system |
-
2022
- 2022-06-06 CN CN202210631406.4A patent/CN115823773B/en active Active
Patent Citations (5)
| Publication number | Priority date | Publication date | Assignee | Title |
|---|---|---|---|---|
| US20090095003A1 (en) * | 2007-10-16 | 2009-04-16 | Denso Corporation | Refrigeration cycle device |
| CN106546026A (en) * | 2016-10-25 | 2017-03-29 | 西安交通大学 | Using the non-azeotropic mixed working medium fractional condensation Duel-temperature refrigeration cycle system of ejector potentiation |
| CN108375233A (en) * | 2018-04-19 | 2018-08-07 | 天津商业大学 | A kind of folding type cooling system with backheat and injection decompression |
| CN212299531U (en) * | 2020-03-09 | 2021-01-05 | 中国轻工业武汉设计工程有限责任公司 | Single-stage and double-stage switching evaporation supercooling ejector refrigeration heat pump circulation system |
| CN111912142A (en) * | 2020-08-10 | 2020-11-10 | 西安交通大学 | Air-supplementing enthalpy-increasing type double-heat-source heat pump circulating system with ejector and working method |
Cited By (5)
| Publication number | Priority date | Publication date | Assignee | Title |
|---|---|---|---|---|
| CN117023681A (en) * | 2023-09-21 | 2023-11-10 | 山东迈沃净水科技有限公司 | Steam circulation system for cascade connection of thermal compressor and ejector and control method thereof |
| CN118463562A (en) * | 2024-05-24 | 2024-08-09 | 西安交通大学 | Ejector synergistic double-condenser heat pump drying system for material drying and control method |
| CN118463563A (en) * | 2024-05-24 | 2024-08-09 | 西安交通大学 | Double-temperature condensation air-supplementing enthalpy-increasing heat pump drying system with synergistic ejector and control method |
| CN119393915A (en) * | 2024-11-25 | 2025-02-07 | 中国科学技术大学 | An adjustable multi-stage heat exchange jet type mixed working fluid high temperature heat pump system |
| CN119383930A (en) * | 2024-12-27 | 2025-01-28 | 中国航空工业集团公司金城南京机电液压工程研究中心 | A high-temperature fuel heat sink evaporation cycle aircraft environmental control system and method |
Also Published As
| Publication number | Publication date |
|---|---|
| CN115823773B (en) | 2025-08-12 |
Similar Documents
| Publication | Publication Date | Title |
|---|---|---|
| CN115823773A (en) | Steam compression high-temperature heat pump system with double-nozzle ejector for synergism and circulation method thereof | |
| CN110345690B (en) | Double-ejector synergistic refrigeration cycle system for double-temperature refrigerator and working method | |
| CN103759449B (en) | The two-stage steam compression type circulatory system of dual jet synergy | |
| CN104848574B (en) | A kind of fractional condensation type Vapor Compression Refrigeration Cycle system of injector synergy | |
| CN110986414B (en) | A multi-temperature zone and large-temperature cross heat pump circulation system using ejector for synergy | |
| CN103954061B (en) | The one-stage steam compressed formula circulatory system of cold synergy crossed by a kind of injector | |
| CN101825372A (en) | Device and method for combined ejection refrigeration and vapor compression refrigeration cycle | |
| CN109737641B (en) | A Jet Enthalpy Heat Pump Circulation System Using Non-azeotropic Mixture with Subcooler | |
| CN112229085B (en) | A low temperature heat pump circulation system and circulation method suitable for large temperature span | |
| CN110173913A (en) | A kind of steam compressed high temperature heat pump unit of very large super cooling degree | |
| CN111288679B (en) | Single-stage and double-stage switching evaporation supercooling ejector refrigeration heat pump circulation system | |
| CN109869940B (en) | Injection type transcritical carbon dioxide double-stage compression refrigeration system | |
| CN109307377B (en) | Two-stage self-cascading refrigeration cycle system and cycle method using ejector to enhance efficiency | |
| CN101871702B (en) | Double heat source high-efficiency absorption refrigerating plant | |
| CN210089175U (en) | Jet type transcritical carbon dioxide two-stage compression refrigeration system | |
| CN109855323A (en) | Refrigeration system is subcooled in injecting type | |
| CN115111808B (en) | Compression injection type dual-temperature heat pump system | |
| CN217636259U (en) | Ultralow-temperature air source enhanced vapor injection system | |
| CN113899095B (en) | A Quasi-Secondary Compression Circulation System with Ejector Synergy | |
| CN212299531U (en) | Single-stage and double-stage switching evaporation supercooling ejector refrigeration heat pump circulation system | |
| CN105650922B (en) | A kind of overlapping refrigerating cycle system coupled with injector | |
| CN211120091U (en) | Cascade refrigeration system with supercooling and injection depressurization | |
| CN114608050A (en) | Parallel compression transcritical CO with ejector2Air source heat pump heating system | |
| CN211120093U (en) | A dual temperature refrigeration system with dual ejectors | |
| CN218120237U (en) | heat exchange system |
Legal Events
| Date | Code | Title | Description |
|---|---|---|---|
| PB01 | Publication | ||
| PB01 | Publication | ||
| SE01 | Entry into force of request for substantive examination | ||
| SE01 | Entry into force of request for substantive examination | ||
| GR01 | Patent grant | ||
| GR01 | Patent grant |
