CN115788655B - 一种防护式发电机设备 - Google Patents
一种防护式发电机设备 Download PDFInfo
- Publication number
- CN115788655B CN115788655B CN202310052922.6A CN202310052922A CN115788655B CN 115788655 B CN115788655 B CN 115788655B CN 202310052922 A CN202310052922 A CN 202310052922A CN 115788655 B CN115788655 B CN 115788655B
- Authority
- CN
- China
- Prior art keywords
- radiator
- pipeline
- generator
- cooling channel
- hose
- Prior art date
- Legal status (The legal status is an assumption and is not a legal conclusion. Google has not performed a legal analysis and makes no representation as to the accuracy of the status listed.)
- Active
Links
- 230000001681 protective effect Effects 0.000 title abstract description 8
- XLYOFNOQVPJJNP-UHFFFAOYSA-N water Substances O XLYOFNOQVPJJNP-UHFFFAOYSA-N 0.000 claims abstract description 85
- 238000001816 cooling Methods 0.000 claims description 58
- 239000002184 metal Substances 0.000 claims description 30
- 229920000742 Cotton Polymers 0.000 claims description 22
- 229910001220 stainless steel Inorganic materials 0.000 claims description 21
- 239000010935 stainless steel Substances 0.000 claims description 21
- 230000017525 heat dissipation Effects 0.000 claims description 14
- 239000010865 sewage Substances 0.000 claims description 11
- 238000001914 filtration Methods 0.000 claims description 8
- 230000000694 effects Effects 0.000 claims description 6
- 241000883990 Flabellum Species 0.000 claims description 4
- 230000005540 biological transmission Effects 0.000 claims description 3
- 238000009826 distribution Methods 0.000 claims description 3
- 238000012544 monitoring process Methods 0.000 claims description 3
- 238000010030 laminating Methods 0.000 claims description 2
- 239000008400 supply water Substances 0.000 claims 1
- 239000000428 dust Substances 0.000 abstract description 15
- 238000007789 sealing Methods 0.000 description 8
- 230000030279 gene silencing Effects 0.000 description 5
- 238000004140 cleaning Methods 0.000 description 4
- 238000003466 welding Methods 0.000 description 3
- 238000013021 overheating Methods 0.000 description 2
- 238000007790 scraping Methods 0.000 description 2
- 238000000151 deposition Methods 0.000 description 1
- 238000010586 diagram Methods 0.000 description 1
- 238000007599 discharging Methods 0.000 description 1
- 238000005516 engineering process Methods 0.000 description 1
- 230000008676 import Effects 0.000 description 1
- 230000007246 mechanism Effects 0.000 description 1
- 238000004064 recycling Methods 0.000 description 1
- 238000005096 rolling process Methods 0.000 description 1
Images
Landscapes
- Cooling Or The Like Of Electrical Apparatus (AREA)
Abstract
本发明公开了一种防护式发电机设备,涉及到发电机技术领域,包括用于存放发电机组件的静音箱,所述发电机组件包括散热器,所述静音箱的底部设置有底板,所述散热器设置在进出口的位置,所述散热器上设置有水箱和风腔。本发明为了减少静音箱内部容易受湿气、灰尘等影响,在所述静音箱的一端设置有进出口,所述散热器设置在进出口的位置,散热器将进出口密封,利用发电机组上的散热器将静音箱内部密封,使得发电机和控制器周围与静音箱外部隔离,免受湿气和灰尘的影响。
Description
技术领域
本发明涉及发电机技术领域,特别涉及一种防护式发电机设备。
背景技术
柴油发电机,柴油发电机的散热方式是使用风冷和水冷结合的方式,柴油发电机的一侧设置有水箱和风扇,水箱设置在柴油发电机的一侧,水箱中的水循环流通从而将柴油发电机壳体附近的热量带走,风扇吹向水箱,从而使得水箱中的水冷却。柴油发电机组整体包括发电机、控制器、散热器(水箱和风扇)、静音箱等部件,静音箱通常为矩形的箱体结构,静音箱用于装载发电机、控制器、散热器等其他组件,静音箱上需要开设散热孔,以便散热器中的风扇启动时风力通过,静音箱上还需开设有门体,方便发电机、控制器、散热器等部件拆装。
但是静音箱上开设有门体和散热孔的方式,使得静音箱内部容易受湿气、灰尘等影响;且经过静音箱的阻挡,使得风力作用在水箱上时的换热效率有所降低。
因此,提出一种防护式发电机设备来解决上述问题很有必要。
发明内容
本发明的目的在于提供一种防护式发电机设备,以解决上述背景技术中提出的问题。
为实现上述目的,本发明提供如下技术方案:一种防护式发电机设备,包括用于存放发电机组件的静音箱,所述发电机组件包括散热器,所述静音箱的一端设置有进出口,所述静音箱的底部设置有底板,所述散热器设置在进出口的位置,所述散热器上设置有水箱和风腔,所述散热器将进出口密封,所述风腔中固定设置有电机,所述电机上传动连接有转轴,所述转轴上固定设置有扇叶,所述水箱包括水冷却通道和出风槽,所述水冷却通道设置在散热器内部,水冷却通道呈来回弯折的通道结构,出风槽呈矩形槽体结构,出风槽设置有多组,多组出风槽等距离分布,出风槽的一端连通风腔的内部,出风槽的另一端连通散热器远离静音箱的一面外部,所述水冷却通道的两端底部分别设置有第一管道和第二管道,所述第一管道和第二管道均穿过散热器靠近静音箱的一面,第一管道和第二管道的端部伸入静音箱中;
所述静音箱的下端内壁上固定设置有两组供发电机组件滑动的滑轨,两组滑轨之间设置有第二气缸,所述第二气缸的一端固定连接在静音箱远离散热器的一侧内壁上,第二气缸的另一端固定安装有第二连接板,所述第二连接板通过螺钉固定在散热器的表面,第二气缸推动散热器向远离进出口的方向移动时,发电机组件沿着滑轨向静音箱的外部移动。
优选的,所述散热器远离底板的三个侧面上均设置有进风槽,所述进风槽设置有多个,多个进风槽等距离分布,进风槽连通在风腔和散热器的外部之间,所述扇叶的出风方向朝向出风槽。
优选的,所述静音箱的内壁上固定设置有用于监测静音箱内部发电机组附近温度的温度传感器,所述温度传感器设置有多个,多组温度传感器沿着静音箱的长度方向等距离分布。
优选的,所述静音箱的内部设置有用于给发电机组周围空间散热的散热组件,散热组件包括第一软管、金属换热管道和第二软管,所述第一软管、金属换热管道和第二软管依次相互连通,且第一软管远离金属换热管道的一端连通在对应的第一管道或第二管道上,所述第一软管、金属换热管道和第二软管均呈来回弯折的管道结构,第二软管远离金属换热管道的一端与发电机组上冷却组件的进口或出口接通,金属换热管道侧面固定焊接有第一连接板,所述散热器靠近静音箱的一面固定焊接有推动第一连接板沿着静音箱长度方向移动的第一气缸。
优选的,所述第二软管远离金属换热管道的一端通过卡件固定安装在静音箱的下端内壁上,所述卡件包括连接套和固定座,所述连接套套设卡紧在第二软管的外部,所述固定座固定焊接在连接套的下端,所述固定座通过螺钉固定在静音箱的下端内壁上。
优选的,所述风腔的下端设置有排污槽,排污槽贯穿底板的底面。
优选的,所述出风槽的下端内部滑动设置有不锈钢刮板,所述不锈钢刮板的两侧面分别与出风槽的两侧内壁之间活动贴合,多个不锈钢刮板靠近风腔的一端通过基板固定连接,所述风腔的下端内壁上固定安装有推动基板沿着风腔高度方向移动的第三气缸,所述第三气缸与扇叶交错分布。
优选的,所述水冷却通道的下端内部活动设置有第一刮板,所述第一刮板呈矩形框体结构,第一刮板的高度大于水冷却通道的截面宽度,所述第一刮板的内壁上固定设置有磁性板,所述磁性板与不锈钢刮板之间相吸。
优选的,所述水冷却通道的下端内部还固定设置有过滤棉层,所述过滤棉层设置有多个,多个过滤棉层等距离分布,所述底板与静音箱一体设置,底板的内部设置有收集腔,所述水冷却通道的底部,所述水冷却通道的下端内壁上设置有单向孔,所述单向孔与收集腔的内部连通,单向孔中设置有供水冷却通道中水和水垢单向进入收集腔中的单向阀,所述单向孔位于过滤棉层远离第一管道的一侧。
优选的,所述收集腔的一端设置有回流管,所述回流管的上端延伸至水冷却通道的内部,且回流管位于过滤棉层靠近第一管道的一侧,所述回流管连通收集腔的一端设置有过滤棉块。
本发明的技术效果和优点:
1、本发明中为了减少静音箱内部容易受湿气、灰尘等影响,在所述静音箱的一端设置有进出口,所述散热器设置在进出口的位置,散热器将进出口密封,利用发电机组上的散热器将静音箱内部密封,使得发电机和控制器周围与静音箱外部隔离,免受湿气和灰尘的影响;
2、由于发电机、控制器等存储在静音箱的内部,为了避免发电机部分位置过热,在所述静音箱的内部设置有用于给发电机组周围空间散热的散热组件,当温度传感器监测到发电机组附近温度过高时,可通过第一气缸推动金属换热管道移动到发电机组此处温度较高的位置,当水从水冷却通道流入发电机组上的冷却组件中上,水依次经过第一软管、金属换热管道和第二软管,水通过金属换热管道时将金属换热管道附近的热量带走,实现根据发电机组附近热量变化情况而改变散热位置的目的,具有增加发电机散热效率的目的;
3、因为出风槽设置有多个,风力在通过出风槽时,灰尘粘附在出风槽内壁上容易降低水箱整体的换热效率,因此,在所述出风槽的下端内部滑动设置有不锈钢刮板,当第三气缸推动基板沿着风腔高度方向移动时,不锈钢刮板将出风槽内壁上粘附的灰尘刮除,保证了水箱整体的换热效率较高。
附图说明
图1为本发明防护式发电机设备结构示意图。
图2为本发明防护式发电机设备一视角剖视图。
图3为本发明防护式发电机设备另一视角剖视图。
图4为本发明水冷却通道结构示意图。
图5为本发明第一刮板结构示意图。
图6为本发明不锈钢刮板结构示意图。
图7为本发明图4中C处结构放大示意图。
图8为本发明图4中D处结构放大示意图。
图9为本发明防护式发电机设备俯视图。
图10为本发明图9中A-A处截面图。
图11为本发明图9中B-B处截面图。
图12为本发明图10中E处结构放大示意图。
图13为本发明图11中F处结构放大示意图。
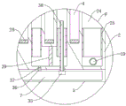
图中:静音箱1、散热器2、进风槽3、出风槽4、底板5、移动轮6、收集腔7、风腔8、水箱9、电机10、扇叶11、温度传感器12、第一软管13、金属换热管道14、第二软管15、滑轨16、第一连接板17、第一气缸18、第一管道19、第二气缸20、第二连接板21、进出口22、密封圈23、水冷却通道24、第一刮板25、第三气缸26、基板27、不锈钢刮板28、磁性板29、排污槽30、连接套31、固定座32、转轴33、第二管道34、过滤棉块35、单向孔36、单向阀37、回流管38、过滤棉层39。
具体实施方式
下面将结合本发明实施例中的附图,对本发明实施例中的技术方案进行清楚、完整地描述,显然,所描述的实施例仅仅是本发明一部分实施例,而不是全部的实施例。基于本发明中的实施例,本领域普通技术人员在没有做出创造性劳动前提下所获得的所有其他实施例,都属于本发明保护的范围。
本发明提供了如图1-图13所示的一种防护式发电机设备,包括用于存放发电机组件的静音箱1,发电机组件包括散热器2、发电机和控制器,发电机和控制器在图中未示出,发电机为市面上可以常规购买的购买发电机,控制器起到控制的作用,也起到保护机组的作用,控制器安装在发电机壳体表面,也同样为现有常见技术,在此不做赘述;散热器2安装在发电机壳体的一侧。
为了减少静音箱内部容易受湿气、灰尘等影响,在静音箱1的一端设置有进出口22,散热器2设置在进出口22的位置,散热器2将进出口22密封,利用发电机组上的散热器2将静音箱1内部密封,使得发电机和控制器周围与静音箱1外部隔离,免受湿气和灰尘的影响,由于静音箱1内部被密封,还提高了静音箱1对发电机组件实现的静音效果。
因为静音箱1侧面未开设有门体,为了方便发电机组进出静音箱1的内部,在静音箱1的下端内壁上固定设置有两组供发电机组件滑动的滑轨16,发电机壳体的下表面安装有在滑轨16上滚动的导向轮,两组滑轨16之间设置有第二气缸20,第二气缸20的一端固定连接在静音箱1远离散热器2的一侧内壁上,第二气缸20的另一端固定安装有第二连接板21,第二连接板21通过螺钉固定在散热器2的表面,第二气缸20推动散热器2向远离进出口22的方向移动时,发电机组件沿着滑轨16向静音箱1的外部移动,方便将发电机组件从静音箱1中取出。
散热器2上设置有水箱9和风腔8,风腔8中固定设置有电机10,电机10上传动连接有转轴33,转轴33上固定设置有扇叶11,在静音箱1的底部设置有底板5,散热器2远离底板5的三个侧面上均设置有进风槽3,进风槽3设置有多个,多个进风槽3等距离分布,进风槽3连通在风腔8和散热器2的外部之间,扇叶11的出风方向朝向出风槽4;当电机10启动时,电机10通过转轴33带动扇叶11转动,扇叶11转动时产生吸力,将散热器2外部的风力从进风槽3处吸入风腔8的内部,风力进入风腔8内部后作用在水箱9上,从而给水箱9中的水散热。
其中,水箱9包括水冷却通道24和出风槽4,水冷却通道24设置在散热器2内部,水冷却通道24呈来回弯折的通道结构,出风槽4呈矩形槽体结构,出风槽4设置有多组,多组出风槽4等距离分布,出风槽4的一端连通风腔8的内部,出风槽4的另一端连通散热器2远离静音箱1的一面外部,水冷却通道24的两端底部分别设置有第一管道19和第二管道34,第一管道19和第二管道34均穿过散热器2靠近静音箱1的一面,第一管道19和第二管道34的端部伸入静音箱1中。
在使用时,将第一管道19和第二管道34伸入静音箱1的一端分别与发电机组上冷却组件的进口或出口接通,从而实现水在水冷却通道24和冷却组件中循环流动的目的,风力从出风槽4处通过时将水冷却通道24中水的热量带走,实现对水的冷却。
需要说明的是,发电机组上的冷却组件为现有技术,在图中未示出,具体为设置在发电机壳体表面的散热管道或者散热箱体,散热管道或者散热箱体的端部匹配有水泵,水泵作为水的动力并用于供水在冷却组件中流通,给发电机壳体表面做换热使用,从而给发电机散热,在此不做赘述。
由于发电机、控制器等存储在静音箱1的内部,为了避免发电机部分位置过热,在静音箱1的内部设置有用于给发电机组周围空间散热的散热组件,散热组件包括第一软管13、金属换热管道14和第二软管15,第一软管13、金属换热管道14和第二软管15依次相互连通,且第一软管13远离金属换热管道14的一端连通在对应的第一管道19或第二管道34上,第一软管13、金属换热管道14和第二软管15均呈来回弯折的管道结构,第二软管15远离金属换热管道14的一端与发电机组上冷却组件的进口或出口接通;金属换热管道14上还固定设置有第一连接板17,散热器2靠近静音箱1的一面固定焊接有推动第一连接板17沿着静音箱1长度方向移动的第一气缸18,静音箱1的内壁上固定设置有用于监测静音箱1内部发电机组附近温度的温度传感器12,温度传感器12设置有多个,多组温度传感器12沿着静音箱1的长度方向等距离分布;当温度传感器12监测到发电机组附近温度过高时,可通过第一气缸18推动金属换热管道14移动到发电机组此处温度较高的位置,当水从水冷却通道24流入发电机组上的冷却组件中上,水依次经过第一软管13、金属换热管道14和第二软管15,水通过金属换热管道14时将金属换热管道14附近的热量带走,实现根据发电机组附近热量变化情况而改变散热位置的目的,具有增加发电机散热效率的目的。
考虑到散热器2进出静音箱1的设置,将第二软管15远离金属换热管道14的一端通过卡件固定安装在静音箱1的下端内壁上,卡件包括连接套31和固定座32,连接套31套设卡紧在第二软管15的外部,固定座32固定焊接在连接套31的下端,固定座32通过螺钉固定在静音箱1的下端内壁上。
为了避免外部的灰尘等进入风腔8中后沉积在风腔8底部,在风腔8的下端设置有排污槽30,排污槽30贯穿底板5的底面,排污槽30用于风腔8内部灰尘排出,根据实际需求,可在排污槽30中设置有电磁阀,当电磁阀开启时,风腔8内部的灰尘从排污槽30处排出,当电磁阀关闭时,风腔8中的风力由进风槽3处进入,避免了排污槽30常开时位于静音箱1底部的灰尘容易被吸入风腔8中的现象。
因为出风槽4设置有多个,风力在通过出风槽4时,灰尘粘附在出风槽4内壁上容易降低水箱9整体的换热效率,因此,在出风槽4的下端内部滑动设置有不锈钢刮板28,不锈钢刮板28的两侧面分别与出风槽4的两侧内壁之间活动贴合,多个不锈钢刮板28靠近风腔8的一端通过基板27固定连接,风腔8的下端内壁上固定安装有推动基板27沿着风腔8高度方向移动的第三气缸26,第三气缸26与扇叶11交错分布;当第三气缸26推动基板27沿着风腔8高度方向移动时,不锈钢刮板28将出风槽4内壁上粘附的灰尘刮除,保证了水箱9整体的换热效率较高。
为了能够方便清理水冷却通道24中产生的水垢,在水冷却通道24的下端内部活动设置有第一刮板25,第一刮板25呈矩形框体结构,第一刮板25的高度大于水冷却通道24的截面宽度,第一刮板25的内壁上固定设置有磁性板29,不锈钢刮板28为不锈钢板,磁性板29与不锈钢刮板28之间相吸;当不锈钢刮板28升降时,不锈钢刮板28能够带动磁性板29上下移动,磁性板29上下移动时第一刮板25同步上下移动,当第一刮板25上下移动时将水冷却通道24内壁上粘附的水垢刮除,方便清理水垢。
考虑到清理水垢后水垢容易堵塞管道,因此,在水冷却通道24的下端内部还固定设置有过滤棉层39,过滤棉层39设置有多个,多个过滤棉层39等距离分布,底板5与静音箱1一体设置,底板5的内部设置有收集腔7,水冷却通道24的底部,水冷却通道24的下端内壁上设置有单向孔36,单向孔36与收集腔7的内部连通,单向孔36中设置有供水冷却通道24中水和水垢单向进入收集腔7中的单向阀37,单向孔36位于过滤棉层39远离第一管道19的一侧;当水冷却通道24中的水垢被刮除后,水垢通过单向孔36中的单向阀37单向进入收集腔7中收集,当水经过过滤棉层39时,过滤棉层39将水中的水垢滤除,避免了水垢流出水冷却通道24的现象。
需要说明的是,在底板5的底面设置有清理口,清理口使用密封塞密封,当打开密封塞时可将收集腔7中收集的水垢排出,清理口和密封塞在图中未示出,清理口和密封塞为现有技术中常见的排污机构,在此不做赘述。
考虑到水也能通过单向阀37进入收集腔7的内部,因此,在收集腔7的一端设置有回流管38,回流管38的上端延伸至水冷却通道24的内部,且回流管38位于过滤棉层39靠近第一管道19的一侧,回流管38连通收集腔7的一端设置有过滤棉块35,进入收集腔7中的水能够通过过滤棉块35的过滤后再通过回流管38排入水冷却通道24中循环利用,使得收集腔7中单独用于收集水垢。
需要说明的是,在静音箱1的底部四角处均安装有移动轮6,方便静音箱1的移动,在静音箱1上进出口22的开口处固定设置有密封圈23,密封圈23实现了散热器2与静音箱1之间的密封。
Claims (8)
1.一种防护式发电机设备,包括用于存放发电机组件的静音箱(1),其特征在于:所述发电机组件包括散热器(2),所述静音箱(1)的一端设置有进出口(22),所述静音箱(1)的底部设置有底板(5),所述散热器(2)设置在进出口(22)的位置,所述散热器(2)上设置有水箱(9)和风腔(8),所述散热器(2)将进出口(22)密封,所述风腔(8)中固定设置有电机(10),所述电机(10)上传动连接有转轴(33),所述转轴(33)上固定设置有扇叶(11),所述水箱(9)包括水冷却通道(24)和出风槽(4),所述水冷却通道(24)设置在散热器(2)内部,水冷却通道(24)呈来回弯折的通道结构,出风槽(4)呈矩形槽体结构,出风槽(4)设置有多组,多组出风槽(4)等距离分布,出风槽(4)的一端连通风腔(8)的内部,出风槽(4)的另一端连通散热器(2)远离静音箱(1)的一面外部,所述水冷却通道(24)的两端底部分别设置有第一管道(19)和第二管道(34),所述第一管道(19)和第二管道(34)均穿过散热器(2)靠近静音箱(1)的一面,第一管道(19)和第二管道(34)的端部伸入静音箱(1)中;
所述静音箱(1)的下端内壁上固定设置有两组供发电机组件滑动的滑轨(16),两组滑轨(16)之间设置有第二气缸(20),所述第二气缸(20)的一端固定连接在静音箱(1)远离散热器(2)的一侧内壁上,第二气缸(20)的另一端固定安装有第二连接板(21),所述第二连接板(21)通过螺钉固定在散热器(2)的表面,第二气缸(20)推动散热器(2)向远离进出口(22)的方向移动时,发电机组件沿着滑轨(16)向静音箱(1)的外部移动;
所述静音箱(1)的内部设置有用于给发电机组周围空间散热的散热组件,散热组件包括第一软管(13)、金属换热管道(14)和第二软管(15),所述第一软管(13)、金属换热管道(14)和第二软管(15)依次相互连通,且第一软管(13)远离金属换热管道(14)的一端连通在对应的第一管道(19)或第二管道(34)上,所述第一软管(13)、金属换热管道(14)和第二软管(15)均呈来回弯折的管道结构,第二软管(15)远离金属换热管道(14)的一端与发电机组上冷却组件的进口或出口接通,金属换热管道(14)侧面固定焊接有第一连接板(17),所述散热器(2)靠近静音箱(1)的一面固定焊接有推动第一连接板(17)沿着静音箱(1)长度方向移动的第一气缸(18);
所述第二软管(15)远离金属换热管道(14)的一端通过卡件固定安装在静音箱(1)的下端内壁上,所述卡件包括连接套(31)和固定座(32),所述连接套(31)套设卡紧在第二软管(15)的外部,所述固定座(32)固定焊接在连接套(31)的下端,所述固定座(32)通过螺钉固定在静音箱(1)的下端内壁上。
2.根据权利要求1所述的一种防护式发电机设备,其特征在于:所述散热器(2)远离底板(5)的三个侧面上均设置有进风槽(3),所述进风槽(3)设置有多个,多个进风槽(3)等距离分布,进风槽(3)连通在风腔(8)和散热器(2)的外部之间,所述扇叶(11)的出风方向朝向出风槽(4)。
3.根据权利要求1所述的一种防护式发电机设备,其特征在于:所述静音箱(1)的内壁上固定设置有用于监测静音箱(1)内部发电机组附近温度的温度传感器(12),所述温度传感器(12)设置有多个,多组温度传感器(12)沿着静音箱(1)的长度方向等距离分布。
4.根据权利要求1所述的一种防护式发电机设备,其特征在于:所述风腔(8)的下端设置有排污槽(30),排污槽(30)贯穿底板(5)的底面。
5.根据权利要求1所述的一种防护式发电机设备,其特征在于:所述出风槽(4)的下端内部滑动设置有不锈钢刮板(28),所述不锈钢刮板(28)的两侧面分别与出风槽(4)的两侧内壁之间活动贴合,多个不锈钢刮板(28)靠近风腔(8)的一端通过基板(27)固定连接,所述风腔(8)的下端内壁上固定安装有推动基板(27)沿着风腔(8)高度方向移动的第三气缸(26),所述第三气缸(26)与扇叶(11)交错分布。
6.根据权利要求5所述的一种防护式发电机设备,其特征在于:所述水冷却通道(24)的下端内部活动设置有第一刮板(25),所述第一刮板(25)呈矩形框体结构,第一刮板(25)的高度大于水冷却通道(24)的截面宽度,所述第一刮板(25)的内壁上固定设置有磁性板(29),所述磁性板(29)与不锈钢刮板(28)之间相吸。
7.根据权利要求1所述的一种防护式发电机设备,其特征在于:所述水冷却通道(24)的下端内部还固定设置有过滤棉层(39),所述过滤棉层(39)设置有多个,多个过滤棉层(39)等距离分布,所述底板(5)与静音箱(1)一体设置,底板(5)的内部设置有收集腔(7),所述水冷却通道(24)的下端内壁上设置有单向孔(36),所述单向孔(36)与收集腔(7)的内部连通,单向孔(36)中设置有供水冷却通道(24)中水和水垢单向进入收集腔(7)中的单向阀(37),所述单向孔(36)位于过滤棉层(39)远离第一管道(19)的一侧。
8.根据权利要求7所述的一种防护式发电机设备,其特征在于:所述收集腔(7)的一端设置有回流管(38),所述回流管(38)的上端延伸至水冷却通道(24)的内部,且回流管(38)位于过滤棉层(39)靠近第一管道(19)的一侧,所述回流管(38)连通收集腔(7)的一端设置有过滤棉块(35)。
Priority Applications (1)
| Application Number | Priority Date | Filing Date | Title |
|---|---|---|---|
| CN202310052922.6A CN115788655B (zh) | 2023-02-03 | 2023-02-03 | 一种防护式发电机设备 |
Applications Claiming Priority (1)
| Application Number | Priority Date | Filing Date | Title |
|---|---|---|---|
| CN202310052922.6A CN115788655B (zh) | 2023-02-03 | 2023-02-03 | 一种防护式发电机设备 |
Publications (2)
| Publication Number | Publication Date |
|---|---|
| CN115788655A CN115788655A (zh) | 2023-03-14 |
| CN115788655B true CN115788655B (zh) | 2023-04-18 |
Family
ID=85429610
Family Applications (1)
| Application Number | Title | Priority Date | Filing Date |
|---|---|---|---|
| CN202310052922.6A Active CN115788655B (zh) | 2023-02-03 | 2023-02-03 | 一种防护式发电机设备 |
Country Status (1)
| Country | Link |
|---|---|
| CN (1) | CN115788655B (zh) |
Family Cites Families (8)
| Publication number | Priority date | Publication date | Assignee | Title |
|---|---|---|---|---|
| DE20309849U1 (de) * | 2003-06-26 | 2004-03-04 | ICEMASTER GmbH Generatoren und Kältetechnik | Mobiles Stromerzeugungsaggregat |
| AT516249B1 (de) * | 2015-05-05 | 2016-04-15 | Ge Jenbacher Gmbh & Co Og | Anordnung aus einem Genset und einem Container |
| CN106762116A (zh) * | 2016-12-08 | 2017-05-31 | 江苏凯普特动力机械有限公司 | 一种风水冷却式柴油静音发电机组 |
| CN110749226B (zh) * | 2019-11-28 | 2024-08-16 | 兰州理工大学 | 一种内置活动式换热器的固-液相变储热装置及使用方法 |
| CN111502825A (zh) * | 2020-05-22 | 2020-08-07 | 泰豪电源技术有限公司 | 一种便于设备维护的集装箱式发电机组 |
| CN213980954U (zh) * | 2020-12-29 | 2021-08-17 | 福建爱宝时电机有限公司 | 一种柴油发电机组水冷散热装置 |
| CN114320586B (zh) * | 2021-11-23 | 2023-12-26 | 福州德塔电源技术有限公司 | 一种柴油发电机组安装柜 |
| CN216925296U (zh) * | 2022-01-17 | 2022-07-08 | 山东朗净新能源技术有限公司 | 一种散热器表面除尘装置 |
-
2023
- 2023-02-03 CN CN202310052922.6A patent/CN115788655B/zh active Active
Also Published As
| Publication number | Publication date |
|---|---|
| CN115788655A (zh) | 2023-03-14 |
Similar Documents
| Publication | Publication Date | Title |
|---|---|---|
| CN117098369A (zh) | 一种用于无功补偿模块的散热装置 | |
| CN115788655B (zh) | 一种防护式发电机设备 | |
| CN215732774U (zh) | 一种密闭无尘高效散热动力柜 | |
| CN208191130U (zh) | 一种具有良好散热功能的通信柜 | |
| CN115405447A (zh) | 一种汽车发动机用进气口过滤装置 | |
| CN211184638U (zh) | 一种散热除尘型自动化电气柜 | |
| CN210660573U (zh) | 一种带有冷却装置的罗茨风机 | |
| CN220042769U (zh) | 一种变电站降温设备 | |
| CN119262260A (zh) | 一种船用组装式空调装置 | |
| CN117895711A (zh) | 一种适用于高温下运行的高效散热型永磁无刷电机 | |
| CN215765459U (zh) | 一种全直流变频室外机装置 | |
| CN117691255A (zh) | 低噪音智能化管理式电池冷却管理机组 | |
| CN218764724U (zh) | 一种换热效能好的翅片式空气冷却器 | |
| CN221724618U (zh) | 一种高换热效果复叠式空气源热泵 | |
| CN221493534U (zh) | 一种计算机机箱除尘装置 | |
| CN211926631U (zh) | 一种合成氨用合压机换热降温装置 | |
| CN223757903U (zh) | 一种具有双重散热功能的电气柜体 | |
| CN218820887U (zh) | 一种具有高效过滤功能的净化装置 | |
| CN222190878U (zh) | 一种动力电池组散热装置 | |
| CN215217253U (zh) | 一种实用型冷却塔 | |
| CN218821749U (zh) | 一种宠物食品生产用的逆流闭式冷却塔 | |
| CN216218349U (zh) | 一种驱动电源的散热结构 | |
| CN220775524U (zh) | 一种电机的防尘装置 | |
| CN223584561U (zh) | 一种散热良好的数据中心机柜 | |
| CN220750538U (zh) | 一种具有高效换热的水冷机 |
Legal Events
| Date | Code | Title | Description |
|---|---|---|---|
| PB01 | Publication | ||
| PB01 | Publication | ||
| SE01 | Entry into force of request for substantive examination | ||
| SE01 | Entry into force of request for substantive examination | ||
| GR01 | Patent grant | ||
| GR01 | Patent grant |