CN115653649A - 多导洞分部台阶开挖单跨支护暗挖大断面车站的修建方法 - Google Patents
多导洞分部台阶开挖单跨支护暗挖大断面车站的修建方法 Download PDFInfo
- Publication number
- CN115653649A CN115653649A CN202211681315.8A CN202211681315A CN115653649A CN 115653649 A CN115653649 A CN 115653649A CN 202211681315 A CN202211681315 A CN 202211681315A CN 115653649 A CN115653649 A CN 115653649A
- Authority
- CN
- China
- Prior art keywords
- excavation
- arch
- pilot tunnel
- station
- temporary
- Prior art date
- Legal status (The legal status is an assumption and is not a legal conclusion. Google has not performed a legal analysis and makes no representation as to the accuracy of the status listed.)
- Pending
Links
- 238000009412 basement excavation Methods 0.000 title claims abstract description 190
- 238000010276 construction Methods 0.000 title claims abstract description 78
- 238000005192 partition Methods 0.000 claims abstract description 103
- 238000000034 method Methods 0.000 claims abstract description 93
- 239000011435 rock Substances 0.000 claims abstract description 57
- 230000008569 process Effects 0.000 claims abstract description 36
- 239000010410 layer Substances 0.000 claims description 78
- 229910000831 Steel Inorganic materials 0.000 claims description 57
- 239000010959 steel Substances 0.000 claims description 57
- 239000004567 concrete Substances 0.000 claims description 47
- 238000005507 spraying Methods 0.000 claims description 31
- 238000009415 formwork Methods 0.000 claims description 17
- 229910001294 Reinforcing steel Inorganic materials 0.000 claims description 14
- 238000005553 drilling Methods 0.000 claims description 10
- 239000002356 single layer Substances 0.000 claims description 5
- 238000004140 cleaning Methods 0.000 claims description 4
- 230000003014 reinforcing effect Effects 0.000 claims description 4
- 239000011083 cement mortar Substances 0.000 claims description 3
- 230000005540 biological transmission Effects 0.000 claims description 2
- 238000011065 in-situ storage Methods 0.000 claims description 2
- 230000007547 defect Effects 0.000 abstract description 3
- 239000002699 waste material Substances 0.000 abstract 1
- 239000002689 soil Substances 0.000 description 30
- 238000013461 design Methods 0.000 description 13
- 239000004570 mortar (masonry) Substances 0.000 description 9
- 238000005422 blasting Methods 0.000 description 6
- 230000008520 organization Effects 0.000 description 3
- 230000006978 adaptation Effects 0.000 description 2
- 238000004364 calculation method Methods 0.000 description 2
- 238000011161 development Methods 0.000 description 2
- 230000007613 environmental effect Effects 0.000 description 2
- 238000004880 explosion Methods 0.000 description 2
- 238000004519 manufacturing process Methods 0.000 description 2
- 239000011378 shotcrete Substances 0.000 description 2
- 238000012546 transfer Methods 0.000 description 2
- 238000003466 welding Methods 0.000 description 2
- 238000004873 anchoring Methods 0.000 description 1
- 230000009286 beneficial effect Effects 0.000 description 1
- 230000008901 benefit Effects 0.000 description 1
- 238000009933 burial Methods 0.000 description 1
- 229910052799 carbon Inorganic materials 0.000 description 1
- 238000003763 carbonization Methods 0.000 description 1
- 238000005266 casting Methods 0.000 description 1
- 238000006243 chemical reaction Methods 0.000 description 1
- 238000005516 engineering process Methods 0.000 description 1
- 238000002347 injection Methods 0.000 description 1
- 239000007924 injection Substances 0.000 description 1
- 230000009191 jumping Effects 0.000 description 1
- 230000007774 longterm Effects 0.000 description 1
- 238000012986 modification Methods 0.000 description 1
- 230000004048 modification Effects 0.000 description 1
- 230000000149 penetrating effect Effects 0.000 description 1
- 230000009467 reduction Effects 0.000 description 1
- 238000004088 simulation Methods 0.000 description 1
- 238000011105 stabilization Methods 0.000 description 1
- 230000003068 static effect Effects 0.000 description 1
- 230000001360 synchronised effect Effects 0.000 description 1
- 230000005641 tunneling Effects 0.000 description 1
Images
Classifications
-
- Y—GENERAL TAGGING OF NEW TECHNOLOGICAL DEVELOPMENTS; GENERAL TAGGING OF CROSS-SECTIONAL TECHNOLOGIES SPANNING OVER SEVERAL SECTIONS OF THE IPC; TECHNICAL SUBJECTS COVERED BY FORMER USPC CROSS-REFERENCE ART COLLECTIONS [XRACs] AND DIGESTS
- Y02—TECHNOLOGIES OR APPLICATIONS FOR MITIGATION OR ADAPTATION AGAINST CLIMATE CHANGE
- Y02E—REDUCTION OF GREENHOUSE GAS [GHG] EMISSIONS, RELATED TO ENERGY GENERATION, TRANSMISSION OR DISTRIBUTION
- Y02E10/00—Energy generation through renewable energy sources
- Y02E10/20—Hydro energy
Landscapes
- Lining And Supports For Tunnels (AREA)
Abstract
本发明公开了多导洞分部台阶开挖单跨支护暗挖大断面车站的修建方法,包括以下步骤:以多个并联平行导洞分部开挖车站上部范围;一次性或分部、分次拆除临时中隔壁结构,全部或分部分块暴露车站下部施工空间;以分部、分块的台阶法型式开挖车站下部范围;仰拱一次浇筑成型;拱墙采用模板台车一次浇筑成型。本发明根据车站所处地层的围岩情况,车站开挖规模,采用多导洞和分部台阶开挖的灵活科学组合实现暗挖大断面开挖,既满足不同地层施工安全稳定及变形控制要求,又解决传统工法不适于大型机械施工、工效低、临时废弃工程量大的不足,更好适应机械化高效作业,隧道开挖和二衬浇筑全程流水作业,提升工效,缩短工期,增加工程经济性。
Description
技术领域
本发明属于涉及暗挖隧道修建技术领域,具体涉及多导洞分部台阶开挖单跨支护暗挖大断面车站的修建方法。
背景技术
充分开发利用城市地下空间,建设紧缩城市(compact city),节省交通能源,助推减排是重要的研究领域,城市地下空间开发将朝着地层更深、规模更大、建设效率更高、工艺工法人性化、低碳化、环境友好化方向快速发展,岩石地层轨道交通大跨度暗挖地下车站,作为城市轨道交通系统的重要组成部分,其修建技术的进步符合城市绿色发展的需要,是当前及很长时间内地下空间开发行业进步的重点领域。
在我国,广泛在岩石地层修建轨道交通的城市主要有青岛、重庆、大连、贵阳等,得益于岩石地层开挖后不同程度具有一定自承能力的特点,大多岩石地层暗挖车站采用空间宽敞、建筑服务功能更优的单拱大跨结构。根据围岩的完整性、岩体强度及车站规模的不同,台阶法、中隔壁(CD)法、交叉中隔壁(CRD)法、双侧壁导坑法、拱盖法以及一些特殊工法都不同程度和不同范围地成功应用于岩石地层暗挖车站的修建。针对开挖跨度普遍在22m以上的暗挖地铁车站隧道,台阶法、中隔壁(CD)法、交叉中隔壁(CRD)法等工法对岩层的完整性及岩石强度要求较高,一般适用于Ⅲ级及更好围岩;拱盖法对拱脚部位岩层的完整性和承载力要求高,在类似重庆区域的砂质泥岩等软岩和较软岩中,计算所需的拱脚尺寸偏大,拱脚部位变形控制难度高,施工风险大,造价和工期优势不明显,适用性不强;双侧壁导坑法作为一种成熟工法,广泛应用于青岛、重庆、大连、贵阳等地的岩石地层暗挖车站施工,在Ⅳ级围岩至Ⅴ级围岩中普遍适用,但该工法也存在以下不足:
其一、全断面分导洞开挖,分部分块多,核心岩柱及中隔壁限制施工空间,施工组织不集中、工序复杂、工效低;中隔壁等临时废弃工程多,经济性不高。
其二、受工序及受力转化的制约,核心岩柱在开挖期间需长时间保留,后期开挖核心岩柱施工难度大、风险高。
其三、随着环境保护和人权意识的增强,爆破施工在城市区域受到越来越多的制约,机械化开挖成为工艺趋势,而双侧壁导坑法施工,各分部作业空间有限,难以满足机械化施工的空间需求。
基于上述现状,研发一种可广泛应用于Ⅰ级围岩至Ⅴ级围岩的岩石地层大跨度地下暗挖车站开挖工法,能同时兼顾施工安全性、施组便利性、工期短、适应机械化作业、投资经济性等方面的需要,是业界的诉求,也是岩石地层大跨度暗挖车站修建技术进步的方向。
发明内容
本发明为解决现有技术存在的问题而提出,其目的是提供多导洞分部台阶开挖单跨支护暗挖大断面车站的修建方法。
本发明的技术方案是:多导洞分部台阶开挖单跨支护暗挖大断面车站的修建方法,包括以下步骤:
A.基于车站的总开挖高度、总开挖跨度,得到由上至下的竖向分层开挖数量、单层开挖高度,并得到导洞层高度、并联平行导洞个数、导洞开挖宽度;
B.开挖导洞层中一对侧边导洞,在导洞拱墙位置打设系统锚杆、架立初支拱架,打设拱脚部位锁脚锚杆,外侧边墙安装临时大拱脚,挂钢筋网片,并喷射早强混凝土形成初期支护结构;
C.紧邻侧边导洞施工中导洞,中导洞与侧边导洞共用相邻的临时中隔壁;紧贴中导洞再施工下一中导洞,两个中导洞共用相邻的临时中隔壁,重复中导洞施工,直至与对侧的侧边导洞连接,至此形成车站导洞层初期支护结构体系;
D.并联平行导洞的开挖深度达到既定条件后,视情况拆除临时中隔壁,形成全部敞开或局部敞开的下部开挖空间;
E.采用台阶法分层分部开挖分部台阶层,在边墙临空面打设系统锚杆,并顺接上部既有格栅钢架或型钢钢架,打设锁脚锚杆,中台阶安装临时大拱脚、挂钢筋网片,喷射早强混凝土形成初期支护结构,在非边墙临空面以稳定坡率放坡;
F.随下部开挖空间向前开挖,顺次拆除导洞层开挖范围内的临时中隔壁,重复步骤E及上述拆除临时中隔壁,直到开挖至车站仰拱预定标高;
G.清理并找平仰拱基面,铺设防水层,绑扎仰拱钢筋,整体浇筑仰拱二衬;
H.铺设拱墙防水层,绑扎拱墙钢筋,采用模板台车一次性浇筑拱墙二衬,二衬成环。
更进一步的,步骤H铺设拱墙防水层,绑扎拱墙钢筋,采用模板台车一次性浇筑拱墙二衬,二衬成环中,还包括以下过程:
在车站侧墙有预留孔洞不适用于模板台车施工部位处,待前后两仓的拱墙二衬施工完毕后,通过现场支模浇筑的方式,最终完成全车站二衬施工。
更进一步的,步骤A基于车站的总开挖高度、总开挖跨度,得到由上至下的竖向分层开挖数量、单层开挖高度,并得到导洞层高度、并联平行导洞个数、导洞开挖宽度,具体过程如下:
首先,竖向分层开挖数量由总开挖高度得到;
然后,导洞层高度、并联平行导洞个数、导洞开挖宽度由总开挖跨度和围岩等级确定。
更进一步的,步骤B开挖导洞层中一对侧边导洞,在导洞拱墙位置打设系统锚杆、架立初支拱架,打设拱脚部位锁脚锚杆,外侧边墙安装临时大拱脚,挂钢筋网片,并喷射早强混凝土形成初期支护结构,具体过程如下:
首先,侧边导洞开挖后,侧墙拱脚部位及导洞分层开挖临时拱脚部位处初支拱架设置两根锁脚锚杆;
然后,锁脚锚杆与格栅钢架采用包围式整体构造焊接固定为一体,锁脚锚杆与地层间采用水泥砂浆锚固;两根锁脚锚杆间的夹角为15°-20°,下侧的锁脚锚杆与竖向成45°夹角;
最后,初期支护结构由系统锚杆、初支拱架、钢筋网片、早强混凝土组成,初支拱架为普通型钢钢架或格栅钢架。
更进一步的,步骤C紧邻侧边导洞施工中导洞,中导洞与侧边导洞共用相邻的临时中隔壁;紧贴中导洞再施工下一中导洞,两个中导洞共用相邻的临时中隔壁,重复中导洞施工,直至与对侧的侧边导洞连接,至此形成车站导洞层初期支护结构体系,具体过程如下:
首先,在共用的临时中隔壁中,临时中隔壁顶部通过T型整体式初支拱架节点和螺栓与格栅钢架连接;
然后,相邻导洞的掌子面在车站纵向上的错开距离不小于5m;
再后,同一导洞内上下台阶开挖面在车站纵向上的错开距离不小于3m。
更进一步的,步骤D并联平行导洞的开挖深度达到既定条件后,视情况拆除临时中隔壁,形成全部敞开或局部敞开的下部开挖空间,具体过程如下:
首先,并联平行导洞的开挖深度达到既定条件中,既定条件为开挖深度均大于一倍车站开挖跨度;
然后,判断确定临时中隔壁的拆除方案;
再后,临时中隔壁拆除过程中,以单次长度不大于车站开挖跨度1/3和5m的步距进行;
最后,经过拆除,形成全部敞开或局部敞开的下部开挖空间。
更进一步的,判断确定临时中隔壁的拆除方案,具体过程如下:
首先,Ⅰ级围岩至Ⅲ级围岩或并联平行导洞个数为2-3个时,临时中隔壁全断面一次性同步拆除,全部一次性敞开下部开挖空间;
然后,并联平行导洞个数为4-5个时,先拆中间的临时中隔壁,局部敞开下部开挖空间,并先行下部开挖;后顺次拆除两侧的临时中隔壁,分批敞开下部开挖空间,并顺次下部开挖;
最后,并联平行导洞个数为4-5个时,先顺次拆除两侧的临时中隔壁,顺次敞开两侧的下部空间,先行顺次下部开挖,后拆除拆中间的临时中隔壁,再跟进中间下部开挖。
更进一步的,拱墙和边墙位置处的初支拱架通过空间双Z交叉型构造的纵向连接筋进行连接,纵向连接筋保证相邻格栅钢架或型钢钢架间形成超静定传力体系。
更进一步的,步骤F至步骤H中,成环的二衬至临时中隔壁拆除位置的最大净距不大于总开挖跨度的二倍,临时中隔壁拆除后二衬未成环区段的拱墙初期支护处于三维空间受力状态。
更进一步的,现场支模浇筑,具体过程如下:
首先,现场支模浇筑段二衬采用微膨胀混凝土浇筑,间隔距离小于50m的两仓现支模浇筑二衬宜同步浇筑;
然后,模板台车浇筑二衬与现支模浇筑二衬间施工缝距离预留孔洞的边缘不小于500mm。
本发明的有益效果如下:
本发明充分利用初支拱架之间的纵向构造及约束,以三维空间受力特性构建和分析初期支护结构承载能力,在适应不同地层对初支结构承载能力、变形控制能力、施工安全保障的同时,能及时分部分块拆除临时中隔壁结构,不同程度敞开下部施工空间、增加了施组的便利性、实现流水作业、提升施工效率、缩短工期,对Ⅰ级围岩至Ⅴ级围岩具有普遍适用性。
本发明车站下部以敞开方式开挖,扩大了施工空间,满足悬臂式掘进机、液压破碎锤等机械化施工的空间要求,适应机械化施工工艺。
本发明可根据车站中下部围岩的开挖及时跟进车站仰拱和拱墙二衬浇筑,形成连续流水作业,解决了采用中隔壁(CD)法、交叉中隔壁(CRD)法、双侧壁导坑法需跳仓拆除中隔壁、分仓浇筑二衬、无法流水作业、工效低等不足。
本发明车站下部以不同程度的敞开方式开挖,可及时提供必要的爆破临空面,有利于微震控制爆破工艺的实施,可最大限度减少爆破作业对周边环境和老百姓工作生活的影响。
本发明车站上部以并联平行导洞型式开挖,车站中下部以敞开形式分部分块开挖,不再预留传统双侧壁导坑法施工的核心岩柱,规避了后期拆除直通车站顶底的高大核心岩柱带来的施工困难及施工风险,增加工程安全性。
本发明车站中下部以不同程度的敞开方式开挖,减少了采用中隔壁(CD)法、交叉中隔壁(CRD)法、双侧壁导坑法等工法所需的竖向临时支撑结构,避免了拱盖法拱脚导洞及大体量拱脚临时支承结构,提升了工程经济性,更加低碳环保。
本发明车站仰拱一次浇筑成型,避免纵向接缝,车站拱墙二衬采用模板台车一次浇筑成型,二衬质量得到进一步保障和提升。
附图说明
图1是本发明中一种车站设计实施例的开挖工序横断面示意图;
图2是图1车站设计实施例的开挖工序平面图;
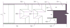
图3是本发明中一种车站设计实施例的开挖工序横断面示意图;
图4是图3车站设计实施例的开挖工序平面图;
图5是本发明中一种车站设计实施例的开挖工序横断面示意图;
图6是图5车站设计实施例的开挖工序平面图;
图7是本发明中一种车站设计实施例的开挖工序横断面示意图;
图8是图7车站设计实施例的开挖工序平面图;
图9是本发明中一种车站设计实施例的开挖工序横断面示意图;
图10是图9车站设计实施例的开挖工序平面图;
图11是本发明中一种车站设计实施例的开挖工序横断面示意图;
图12是本发明中包围式整体构造的左视图;
图13是本发明中包围式整体构造的前视图;
图14是本发明中包围式整体构造的右视图;
图15是本发明中包围式整体构造与格栅钢架连接的俯视图;
图16是本发明中包围式整体构造与型钢钢架连接的俯视图;
图17是本发明中中隔壁顶部节点的一种结构示意图;
图18是本发明中中隔壁顶部节点的另一种结构示意图;
图19是本发明中空间双Z交叉型构造的纵向连接筋用于型钢钢架的俯视图;
图20是图19的前视图;
图21是本发明中空间双Z交叉型构造的纵向连接筋用于格栅钢架的俯视图;
图22是图21的前视图;
图23是本发明中初支拱架、外圈初支拱架交错布置的结构示意图;
图24是本发明中初支拱架、外圈初支拱架重叠布置的结构示意图;
图25是本发明的方法流程图。
附图标记:
101 第一侧边导洞 102 第二侧边导洞
1001 第一侧边导洞下导坑 1002 第二侧边导洞下导坑
201 第一中导洞 202 第二中导洞
2001 第一中导洞下导坑
301 第一外圈初期支护结构 302 第二外圈初期支护结构
303 第三外圈初期支护结构 304 第四外圈初期支护结构
305 第五外圈初期支护结构 306 第六外圈初期支护结构
307 第七外圈初期支护结构 308 第八外圈初期支护结构
3001 第一内圈初期支护结构 3002 第二内圈初期支护结构
3003 第三内圈初期支护结构
401 第一临时中隔壁 402 第二临时中隔壁
403 第三临时中隔壁
501 第一临时大拱脚 502 第二临时大拱脚
503 第三临时大拱脚 504 第四临时大拱脚
601 第一锁脚锚杆 602 第二锁脚锚杆
603 第三锁脚锚杆 604 第四锁脚锚杆
605 第五锁脚锚杆 606 第六锁脚锚杆
607 第七锁脚锚杆 608 第八锁脚锚杆
609 第九锁脚锚杆 610 第十锁脚锚杆
6001 第一竖临时中隔壁锁脚锚杆
6002 第二竖临时中隔壁锁脚锚杆
6003 第三竖临时中隔壁锁脚锚杆
6004 第四竖临时中隔壁锁脚锚杆
701 第一导坑 702 第二导坑
703 第三导坑 704 第四导坑
801 第一土台 802 第二土台
803 第三土台 804 第四土台
900 初支拱架
901 外圈初支拱架 902 内圈初支拱架
904 型钢钢架 903 临时中隔壁初支拱架
9042 型钢钢架翼缘 9041 型钢钢架腹板
905 格栅钢架 9051 格栅钢架主筋
1001 锁脚锚杆一 1002 锁脚锚杆二
1101 U型筋一 1102 U型筋二
1201 Z型纵向连接筋一 1202 Z型纵向连接筋二
1301 螺栓连接节点板
1401 单面焊缝 1402 双面焊缝。
具体实施方式
以下,参照附图和实施例对本发明进行详细说明:
如图1至图25所示,多导洞分部台阶开挖单跨支护暗挖大断面车站的修建方法,包括以下步骤:
A.根据车站总开挖高度及总开挖跨度,由上至下竖向分三层开挖,各层高度大致为总高1/3,导洞层设四个并联平行导洞即,第一侧边导洞101、第二侧边导洞102、第一中导洞201、第二中导洞202,各导洞宽度大致为总开挖跨度的1/4。
B.开挖第一侧边导洞101,拱墙部位安设系统锚杆,架设初支拱架,安装第一临时大拱脚501,打设第一锁脚锚杆601、第一竖临时中隔壁锁脚锚杆6001,挂网喷射混凝土施作第一外圈初期支护结构301、第一临时中隔壁401;之后开挖第二侧边导洞102,拱墙部位安设系统锚杆、架设初支拱架,安装第二临时大拱脚502,打设第二锁脚锚杆602、第二竖临时中隔壁锁脚锚杆6002,挂网喷射混凝土施作第二外圈初期支护结构302、第二临时中隔壁402。
C.一对侧边导洞开挖完成后,紧贴第一侧边导洞101开挖第一中导洞201,拱部及右边墙安设系统锚杆,架设初支拱架,打设第三竖临时中隔壁锁脚锚杆6003,挂网喷射混凝土施作第三外圈初期支护结构303、第三临时中隔壁403;紧贴第一中导洞201开挖第二中导洞202,拱部安设系统锚杆,架设初支拱架,挂网喷射混凝土施作第四外圈初期支护结构304,形成以第一临时大拱脚501、第二临时大拱脚502、第一临时中隔壁401、第二临时中隔壁402、第三临时中隔壁403为竖向支撑,以第一外圈初期支护结构301、第二外圈初期支护结构302、第三外圈初期支护结构303、第四外圈初期支护结构304为拱部支护的车站导洞层初期支护结构体系。
D.车站导洞层以并联平行多导洞方式开挖进尺至一倍车站开挖跨度后,以单次长度不大于车站开挖跨度1/3和5m的步距,视情况拆除临时中隔壁,形成全部敞开或局部敞开的下部开挖空间。
E.根据导洞层第一临时中隔壁401、第二临时中隔壁402、第三临时中隔壁403的拆除情况,采用台阶法分层、分部开挖车站导洞层以下范围即分部台阶层,在车站边墙临空面打设系统锚杆,顺接上部既有格栅钢架或型钢钢架,顺次打设第三锁脚锚杆603、第四锁脚锚杆604、第五锁脚锚杆605、第六锁脚锚杆606,中台阶顺次安装第三临时大拱脚503、第四临时大拱脚504、挂钢筋网片、喷射早强混凝土形成第五外圈初期支护结构305、第六外圈初期支护结构306、第七外圈初期支护结构307、第八外圈初期支护结构308,非边墙临空面以稳定坡率放坡。
F.随下部空间向前开挖,顺次拆除车站导洞层开挖范围内的第一临时中隔壁401、第二临时中隔壁402、第三临时中隔壁403;重复步骤E直到开挖至车站仰拱预定标高;开挖过程中,第一临时大拱脚501、第二临时大拱脚502、第三临时大拱脚503、第四临时大拱脚504待底部土层开挖后拆除。
G.清理、找平仰拱基面、铺设防水层、绑扎仰拱钢筋,整体浇筑仰拱二衬。
H.仰拱二衬到达预定强度后,铺设拱墙防水层,绑扎拱墙钢筋,采用模板台车一次性浇筑拱墙二衬,二衬成环。
I.车站侧墙有预留孔洞等不适用于模板台车施工部位,待前后两仓二衬施工完毕后,通过现场支模浇筑,最终完成全车站二衬施工。
上述步骤中,系统锚杆的设置与一般暗挖工程一致,不做特殊交代;各步骤中,导洞和导坑的开挖可采用爆破、控爆、非爆开挖,适用于机械开挖工艺和微震控制爆破工艺。
上述步骤中,第一外圈初期支护结构301至第八外圈初期支护结构308的参数一致,第一临时中隔壁401至第三临时中隔壁403的参数一致,第一临时大拱脚501至第四临时大拱脚504的参数一致,第一锁脚锚杆601至第六锁脚锚杆606的参数一致,第一临时中隔壁锁脚锚杆6001至第三中隔壁锁脚锚杆6003的参数一致。
上述步骤中,锁脚锚杆需设置两根,两根锁脚锚杆间成15°~20°夹角,下侧锁脚锚杆与竖向成45°夹角,锁脚锚杆长度3m~5m,可采用钢管或钢筋,锁脚锚杆与格栅钢架采用包围式整体构造焊接固定为一体,如图12所示,锁脚锚杆与地层间采用水泥砂浆锚固。
步骤A中,一般地下两层单拱大跨暗挖站竖向开挖宜分为3层,单层开挖高度一般不宜大于8米,为便于导洞层第一侧边导洞101、第二侧边导洞102外侧拱脚部位的开挖,拱脚处弧线与水平向的弦切角不宜小于60°。
步骤A中,导洞层高度、并联平行导洞个数及跨度需根据地层情况及车站总跨度而定,其具体如下:
Ⅰ级围岩至Ⅲ级围岩,导洞层高宜为8m~12m,单个导洞开挖跨度宜为10m~12m。
Ⅲ级围岩至Ⅳ级围岩,导洞层高宜为6m~10m,单个导洞开挖跨度宜为8m~10m,随着围岩等级的下降,跨度宜同步减小,Ⅲ级及Ⅳ偏强围岩可视情况取消临时大拱脚。
Ⅳ级围岩至Ⅴ级围岩,导洞层宜下沉至车站中部位置,如图11所示,导洞层高宜为10m~12m,分上下两层,单个导洞开挖跨度不宜大于8m,导洞层拱墙部位宜采用双层初支结构支护。
该双层初支结构施作时,待第一侧边导洞101、第二侧边导洞102、第一中导洞201开挖支护完成后,架设初支拱架900,打设第七锁脚锚607、第八锁脚锚杆608,挂网喷射混凝土施作第一内圈初期支护结构3001,之后随第一侧边导洞下导坑1001及第二侧边导洞下导坑1002的顺次开挖及支护完成后,架设初支拱架900,安设第三临时大拱脚503和第四临时大拱脚504,打设第九锁脚锚609、第十锁脚锚杆610,挂网喷射混凝土施作第二内圈初期支护结构3002和第三内圈初期支护结构3003,内圈初期支护结构未达到设计强度前,临时中隔壁不得拆除;内圈初支拱架、外圈初支拱架可以重叠布置也可以交错布置。
Ⅵ级围岩及以下等级围岩本方法原则上不宜使用。
步骤A中,侧边导洞及中导洞开挖跨度大致均分车站跨度,若开挖跨度过大,可采用五跨或更多跨型式,若跨度过小,可采用三跨或两跨型式。
所述初期支护结构采用系统锚杆+型钢钢架或格栅钢架+钢筋网片+早强喷射混凝土结构,初期支护结构设计充分利用钢架之间的纵向连接构造及约束,以三维空间受力特性构建和分析初支结构承载能力,通过地层结构模型、采用有限元或有限差分数值模拟计算确定,其厚度一般为250mm~400mm。
所述步骤C中,先开挖导洞与相邻的后开挖导洞共用相邻侧初期支护,共用初期支护顶部构造采用T型整体式初支拱架节点,通过螺栓与相邻格栅钢架连接,既保证先开挖导洞拱部初支结构的稳定性,又保证后挖导洞格栅钢架的顺利牢固连接。
所述步骤C中,导洞层先施工导洞的掌子面与后施工导洞掌子面在车站纵向上错开的距离不小于5m,第一侧边导洞101掌子面与第一侧边导洞下导坑1001掌子面在车站纵向上错开的距离不小于3m,第二侧边导洞102掌子面与第二侧边导洞下导1002坑掌子面在车站纵向上错开的距离不小于3m。
所述步骤D中,顺次最后开挖的第二中导洞202开挖进尺至一倍车站开挖跨度后,以单次长度不大于车站开挖跨度1/3和5m的步距,视情况拆除第一临时中隔壁401、第二临时中隔壁402、第三临时中隔壁403,形成全部敞开或局部敞开的下部开挖空间,其具体如下:
如图3所示,在Ⅰ级围岩至Ⅲ级围岩情况下或2-3导洞情况下,一次性同步拆除第一临时中隔壁401、第二临时中隔壁402,分部台阶层采用盆式开挖并支护,具体过程如下:
e1.开挖第一导坑701。
e2.开挖第一土台801,对该范围的车站边墙临空面安设系统锚杆,架设初支拱架900,打设第三锁脚锚杆603,安设第三临时大拱脚503,挂网喷射混凝土施作第五外圈初期支护结构305。
e3.开挖第二土台802,对该范围的车站边墙临空面安设系统锚杆,架设初支拱架900,打设第四锁脚锚杆604,安设第四临时大拱脚504,挂网喷射混凝土施作第六外圈初期支护结构306。
e4.开挖第二导坑702。
e5.开挖第三土台803,对该范围的车站边墙临空面安设系统锚杆,架设初支拱架900,打设第五锁脚锚杆605,挂网喷射混凝土施作第七外圈初期支护结构307。
e6.开挖第四土台804,对该范围的车站边墙临空面安设系统锚杆,架设初支拱架900,打设第六锁脚锚杆606,挂网喷射混凝土施作第八外圈初期支护结构308。
在Ⅰ级围岩至Ⅲ级围岩情况下或2-3导洞情况下,一次性同步拆除第一临时中隔壁401、第二临时中隔壁402,分部台阶层采用分部台阶层采用平行侧导坑+预留核心土台开挖并支护,具体过程如下:
e1.开挖第一导坑701,对该范围的车站边墙临空面安设系统锚杆、架设初支拱架900,打设第三锁脚锚杆603,安设第三临时大拱脚503,挂网喷射混凝土施作第五外圈初期支护结构305。
e2.开挖第二导坑702,对该范围的车站边墙临空面安设系统锚杆、架设初支拱架900,打设第四锁脚锚杆604,安设第四临时大拱脚504,挂网喷射混凝土施作第六外圈初期支护结构306。
e3.开挖第一土台801。
e4.开挖第三导坑703,对该范围的车站边墙临空面安设系统锚杆、架设初支拱架900,打设第五锁脚锚杆605,挂网喷射混凝土施作第七外圈初期支护结构307。
e5.开挖第四导坑704,对该范围的车站边墙临空面安设系统锚杆、架设初支拱架900,打设第六锁脚锚杆606,挂网喷射混凝土施作第八外圈初期支护结构308。
e6.开挖第二土台802。
如图7所示,在Ⅰ级围岩至Ⅲ级围岩情况下或2-3导洞情况下,一次性同步拆除第一临时中隔壁401、第二临时中隔壁402,分部台阶层采用平行侧导坑开挖并支护,具体过程如下:
e1.开挖第一导坑701;对该范围的车站边墙临空面安设系统锚杆、架设初支拱架900,打设第三锁脚锚杆603,安设第三临时大拱脚503,挂网喷射混凝土施作第五外圈初期支护结构305。
e2.开挖第二导坑702,对该范围的车站边墙临空面安设系统锚杆、架设初支拱架900,打设第四锁脚锚杆604,安设第四临时大拱脚504,挂网喷射混凝土施作第六外圈初期支护结构306。
e3.开挖第三导坑703;对该范围的车站边墙临空面安设系统锚杆、架设初支拱架900,打设第五锁脚锚杆605,挂网喷射混凝土施作第七外圈初期支护结构307。
e4.开挖第四导坑704;对该范围的车站边墙临空面安设系统锚杆、架设初支拱架900,打设第六锁脚锚杆606,挂网喷射混凝土施作第八外圈初期支护结构308。
具体的,在4-5导洞情况下,如图1所示,先拆除第三临时中隔壁403,敞开第一导坑701开挖空间先行施工,后顺次拆除两侧第一临时中隔壁401和第二临时中隔壁402,顺次敞开第一土台801和第二土台802部分开挖空间顺次施工,具体过程如下:
e1.拆除第三临时中隔壁403。
e2.开挖第一导坑701。
e3.拆除第一临时中隔壁401。
e4.开挖第一土台801,对该范围的车站边墙临空面安设系统锚杆、架设初支拱架900,打设第三锁脚锚杆603,安设第三临时大拱脚503,挂网喷射混凝土施作第五外圈初期支护结构305。
e5.拆除第二临时中隔壁402。
e6.开挖第二土台802,对该范围的车站边墙临空面安设系统锚杆、架设初支拱架900,打设第四锁脚锚杆604,安设第四临时大拱脚504,挂网喷射混凝土施作第六外圈初期支护结构306。
e7.开挖第二导坑702。
e8.开挖第三土台803,对该范围的车站边墙临空面安设系统锚杆、架设初支拱架900,打设第五锁脚锚杆605,挂网喷射混凝土施作第七外圈初期支护结构307。
e9.开挖第四土台804,对该范围的车站边墙临空面安设系统锚杆、架设初支拱架900,打设第六锁脚锚杆606,挂网喷射混凝土施作第八外圈初期支护结构308。
具体的,在4-5导洞情况下,如图9所示,先顺次拆除第一临时中隔壁401、第二临时中隔壁402,顺次敞开第一导坑701和第二导坑702部分空间先行顺序施工,后拆除第三临时中隔壁403,再跟进第一土台801开挖,具体过程如下:
e1.拆除第一临时中隔壁401。
e2.开挖第一导坑701,对该范围的车站边墙临空面安设系统锚杆、架设初支拱架900,打设第三锁脚锚杆603,安设第三临时大拱脚503,挂网喷射混凝土施作第五外圈初期支护结构305。
e3.拆除第二临时中隔壁402。
e4.开挖第二导坑702,对该范围的车站边墙临空面安设系统锚杆、架设初支拱架900,打设第四锁脚锚杆604,安设第四临时大拱脚504,挂网喷射混凝土施作第六外圈初期支护结构306。
e5.拆除第三临时中隔壁403。
e6.开挖第一土台801。
e7.开挖第三导坑703,对该范围的车站边墙临空面安设系统锚杆、架设初支拱架900,打设第五锁脚锚杆605,挂网喷射混凝土施作第七外圈初期支护结构307。
e8.开挖第四导坑704,对该范围的车站边墙临空面安设系统锚杆、架设初支拱架900,打设第六锁脚锚杆606,挂网喷射混凝土施作第八外圈初期支护结构308。
e9.开挖第二土台802。
具体的,Ⅳ级围岩至Ⅴ围岩情况,如图11所示,导洞层宜下沉至车站中部位置,分上下两层开挖,分别为第一侧边导洞101、第一侧边导洞下导坑1001、第二侧边导洞102、第二侧边导洞下导坑1002,第一中导洞201、第一中导洞下导坑2001,以双侧壁导坑方式开挖,待第一内圈初期支护结构3001、第二内圈初期支护结构3002、第三内圈初期支护结构3003顺次完成并达到强度后,一次性拆除第一临时中隔壁401至第四临时中隔壁404,车站下部空间可采用盆式开挖、平行侧导坑开挖或平行侧导坑+预留核心土开挖,具体工序在上述实施例中已有,不再赘述;侧边导洞和第一中导洞跨度过大时,导洞层也可以采用四个平行导洞或更多平行导洞型式。
上述步骤中,初支拱架900为型钢拱架或格栅钢架,纵向相邻初支拱架间通过空间双Z交叉型构造的纵向连接筋进行连接,保证沿车站纵向的相邻初支拱架间形成超静定传力体系。
上述步骤中,第一临时大拱脚501至第四临时大拱脚504均为初支拱架+喷射早强混凝土结构,临时大拱脚初支拱架的拱架参数同连接部位的第一外圈初期支护结构301、第二外圈初期支护结构302、第三外圈初期支护结构303、第四外圈初期支护结构304的拱架以及第一内圈初期支护结构3001、第二内圈初期支护结构3002和第三内圈初期支护结构3003的初支拱架,纵向相邻临时大拱脚初支拱架间通过空间双Z交叉型构造的纵向连接筋进行连接,保证沿车站纵向的相邻临时大拱脚初支拱架间形成超静定传力体系。
具体的,第一导坑701至第四导坑704、第一土台801至第四土台804的开挖可根据施工组织需要再进一步分小台阶开挖,不再赘述。
具体的,分部台阶层最上层开挖面坡顶边线距离未拆除竖的第一临时中隔壁401至第三临时中隔壁403最近距离不小于3m,以3m左右且便于施工组织为宜。
具体的,步骤F至步骤H中,导洞层开挖、临时中隔壁拆除、分部台阶层开挖至预定仰拱标高、清理、找平仰拱基面、铺设防水层、绑扎仰拱钢筋、整体浇筑仰拱二衬、铺设拱墙防水层、绑扎拱墙钢筋、采用模板台车一次性浇筑拱墙二衬等工序可采用流水作业,同步进行。
具体的,所述步骤H至步骤I中,各工序流水作业,成环二衬至临时中隔壁拆除位置的最大净距不大于车站开挖跨度的二倍,临时中隔壁拆除后二衬未成环区段拱墙初期支护处于多维空间受力状态。
具体的,步骤I中,现场支模浇筑段二衬采用微膨胀混凝土浇筑,间隔距离小于50m的两仓现支模浇筑二衬宜同步浇筑,模板台车浇筑二衬段与现支模浇筑二衬间施工缝距离侧墙孔洞边缘不小于500mm。
具体的,初支拱架900包括外圈初支拱架901、内圈初支拱架902、临时中隔壁初支拱架903。
所述外圈初支拱架901、内圈初支拱架902为交错布置或重叠布置。
所述锁脚锚杆与格栅钢架905、型钢钢架904采用包围式整体构造焊接固定为一体。
所述型钢钢架904包括型钢钢架腹板9041、型钢钢架翼缘9042。
所述格栅钢架905包括格栅钢架主筋9051。
所述锁脚锚杆包括锁脚锚杆一1001和锁脚锚杆二1002,所述锁脚锚杆一1001和锁脚锚杆二1002对格栅钢架905或型钢钢架904进行包围固定。
具体的,所述锁脚锚杆一1001侧壁处设置有U型筋一1101,所述锁脚锚杆二1002侧壁处设置有U型筋二1102,所述U型筋一1101、U型筋二1102对格栅钢架905或型钢钢架904进行固定。
所述空间双Z交叉型构造的纵向连接筋包括Z型纵向连接筋一1201、Z型纵向连接筋二1202,所述Z型纵向连接筋一1201、Z型纵向连接筋二1202相交叉。
T型整体式初支拱架节点包括螺栓连接节点板1301,所述螺栓连接节点板1301通过螺栓进行相邻件的固定。
具体的,所述Z型纵向连接筋一1201、Z型纵向连接筋二1202采用单面焊缝1401或双面焊缝1402的方式进行固定。
实施例一
多导洞分部台阶开挖单跨支护暗挖大断面车站的修建方法,包括以下步骤:
本实施例为地下双层单拱暗挖岛式站台车站,车站位于中风化砂岩和中风化砂质泥岩地层中,围岩级别IV级。车站站台宽度为16m,车站开挖断面总宽约28m,总高高约24m,总面积约为552㎡,为超大跨度浅埋暗挖车站,车站对应地表及施工影响范围内为高层及中高层商业建筑、商业步行街、市政道路及地下室、地下管线等。
由于隧道开挖跨度超过一般常规地下车站,周边环境复杂,围岩级别IV级,地层自稳能力一般,采用图1、图2所示开挖型式:竖向分三层开挖,每层高度约8m,导洞层分四导洞开挖,导洞宽度6.5m-7.5m,隧道拱顶120°范围系统锚杆选用直径25中空注浆锚管,锚管长度L=6.0m,布设间距环向1.0m、纵向0.75m,梅花型布置,隧道边墙系统锚杆选用HRB400直径22砂浆锚杆,锚杆长度L=4.5m,布设间距环向1.0m、纵向0.75m,梅花型布置,临时中隔壁系统锚杆选用HRB400直径22砂浆锚杆,锚杆长度L=2.5m,布设间距环向1.0m、纵向0.75m,梅花型布置,其余初期支护结构代号及设计参数如下:
1、第一外圈初期支护结构301至第八外圈初期支护结构308、第一临时大拱脚501至第四临时大拱脚504厚度360mm,上述结构采用的初支拱架:工28a型钢,间距0.75m布置。
2、第一临时中隔壁401至第三临时中隔壁403厚度280mm,上述结构采用的初支拱架:工20b型钢,间距0.75m布置。
3、第一锁脚锚杆601、第二锁脚锚杆602、第三锁脚锚杆603、第四锁脚锚杆604,第五锁脚锚杆605、第六锁脚锚杆606:直径42中空注浆锁脚锚管,锚管壁厚t=3.5mm,长度L=6.0m,锁脚锚杆打设角度及与初支拱架的连接作法,详见图12。
4、第一竖临时中隔壁锁脚锚杆6001、第二竖临时中隔壁锁脚锚杆6002、第三竖临时中隔壁锁脚锚杆6003:HRB400直径25砂浆锚杆,锚杆长度L=3m,锁脚锚杆打设角度及与初支拱架的连接作法,详见如图12。
5、分部台阶层非边墙临空面放坡坡率:导坑及土台正面1:0.6,导坑及土台侧面1:0.4。
6、临时中隔壁单次拆除长度5m,临时中隔壁距离分部台阶层开挖面最近距离3m。
7、临时大拱脚水平长度1.5m。
实施例二:
实施例为地下双层单拱暗挖岛式站台车站,车站位于中风化砂岩和中风化砂质泥岩地层中,围岩级别IV级。车站站台宽度为12m,车站开挖断面总宽约23.5m,总高高约20.1m,总面积约为402㎡,为大跨度浅埋暗挖车站,车站对应地表及施工影响范围内为中低层民用建筑、市政道路及地下室、地下管线等。
因隧道开挖跨度大,周边环境相对复杂,围岩级别IV级,地层自稳能力一般,但相对于实施例一,车站开挖跨度及高度、地表环境复杂程度均有所降低,开挖难度相对较小,采用图5、图6所示开挖型式:竖向分三层开挖,每层高度约6.5m-7m,导洞层分三导洞开挖,导洞宽度7.5m-8m,隧道拱顶120°范围系统锚杆选用直径25中空注浆锚管,锚管长度L=4.5m,布设间距环向1.0m、纵向0.75m,梅花型布置,隧道边墙系统锚杆选用HRB400直径22砂浆锚杆,锚杆长度L=4.5m,布设间距环向1.0m、纵向0.75m,梅花型布置,临时中隔壁系统锚杆选用HRB400直径22砂浆锚杆,锚杆长度L=2.5m,布设间距环向1.0m、纵向0.75m,梅花型布置,其余初期支护结构代号及设计参数如下:
1、第一外圈初期支护结301、第二外圈期支护结构302、第五外圈初期支护结构305至第八外圈初期支护结构308、第一临时大拱脚501至第四临时大拱脚504厚度300mm,上述结构采用的初支拱架:工22b型钢,间距0.75m布置。
2、第一临时中隔壁401、第二临时中隔壁402厚度280mm,上述结构采用的初支拱架:工20b型钢,间距0.75m布置。
3、第一锁脚锚杆601、第二锁脚锚杆602、第三锁脚锚杆603、第四锁脚锚杆604,第五锁脚锚杆605、第六锁脚锚杆606:HRB400直径25锁脚锚杆,锚杆长度L=4.5m,锁脚锚杆打设角度及与初支拱架的连接作法,详见图12。
4、第一竖临时中隔壁锁脚锚杆6001、第二竖临时中隔壁锁脚锚杆6002:HRB400直径25砂浆锚杆,锚杆长度L=2.5m,锁脚锚杆打设角度及与初支拱架的连接作法,详见图12。
5、分部台阶层非边墙临空面放坡坡率:导坑及土台正面1:0.5,导坑及土台侧面1:0.4。
6、临时中隔壁单次拆除长度5m,临时中隔壁距离分部台阶层开挖面最近距离3m。
7、临时大拱脚水平长度0.8m。
实施例三:
实施例为地下双层单拱暗挖岛式站台车站,车站位于中风化砂岩和中风化砂质泥岩地层中,围岩级别IV级。车站站台宽度为14m,车站开挖断面总宽约26.2m,总高高约22.3m,总面积约为492.8㎡,为大跨度浅埋-超浅埋暗挖车站,车站对应地表及施工影响范围内为高层民用建筑、沿街商铺、市政道路及地下室、地下管线等。
因隧道开挖跨度大,周边环境复杂,围岩级别IV级,地层自稳能力一般,地表环境复杂,虽相对于实施例一,车站开挖跨度及高度略有减小,但车站局部区段为超浅埋,地层荷载大,对初期支护的承载力及刚度要求更高,开挖难度及手工风险高,车站超浅埋区段采用图11所示的双层初支开挖型式:竖向分三层开挖,每层高度约7m-8m,导洞层下沉至车站中部,竖向分两层,单层高度约7m,水平分三导洞开挖,导洞宽度8.5m-9m,隧道拱顶120°范围系统锚杆选用直径25中空注浆锚管,锚管长度L=4.5m,布设间距环向0.8m、纵向0.75m,梅花型布置,隧道边墙系统锚杆选用HRB400直径22砂浆锚杆,锚杆长度L=4.5m,布设间距环向0.8m、纵向0.75m,梅花型布置,临时中隔壁系统锚杆选用HRB400直径22砂浆锚杆,锚杆长度L=2.5m,布设间距环向0.8m、纵向0.75m,梅花型布置,其余初期支护结构代号及设计参数如下:
1、第一外圈初期支结构301至第三外圈初期支护结构303、第五外圈初期支结构305至第八外圈初期支护结构308、第一内圈初期支护结构3001至第三内圈初期支护结构3003、第一临时大拱脚501至第四临时大拱脚504厚度300mm,上述结构采用的初支拱架:工22b型钢,间距0.5m布置。
2、第一临时中隔壁401至第三临时中隔壁403厚度240mm,上述结构采用的初支拱架:工20b型钢,间距0.5m布置。
3、第一锁脚锚杆601至第十锁脚锚杆610:HRB400直径25锁脚锚杆,锚杆长度L=4.5m,锁脚锚杆打设角度及与初支拱架的连接节点作法,详见图12。
4、第一竖临时中隔壁锁脚锚杆6001至第四竖临时中隔壁锁脚锚杆6004:HRB400直径25砂浆锚杆,锚杆长度L=2.5m,锁脚锚杆打设角度及与初支拱架的连接节点作法,详见图12。
5、分部台阶层非边墙临空面放坡坡率:导坑及土台正面1:0.6,导坑及土台侧面1:0.4。
6、拱墙部位双层初期支护的初支拱架采用重叠布置方式,详见图16相应节点。
7、临时中隔壁顶部节点作法详见图13相应节点。
8、临时中隔壁单次拆除长度5m,临时中隔壁距离分部台阶层开挖面最近距离3m。
9、临时大拱脚水平长度1.0m。
10、分部台阶层采用盆式开挖,类似实施例一,不再赘述。
本领域技术人员在考虑说明书及实践这里公开的公开后,将容易想到本公开的其它实施方案。本申请旨在涵盖本公开的任何变型、用途或者适应性变化,这些变型、用途或者适应性变化遵循本公开的一般性原理并包括本公开未公开的本技术领域中的公知常识或惯用技术手段。说明书和实施例仅被视为示例性的,本公开的真正范围和精神由所附的权利要求指出。
应当理解的是,本公开并不局限于上面已经描述并在附图中示出的精确结构,并且可以在不脱离其范围内进行各种修改和改变。本公开的范围应由所附的权利要求来限制。
Claims (10)
1.多导洞分部台阶开挖单跨支护暗挖大断面车站的修建方法,其特征在于:包括以下步骤:
A.基于车站的总开挖高度、总开挖跨度,得到由上至下的竖向分层开挖数量、单层开挖高度,并得到导洞层高度、并联平行导洞个数、导洞开挖宽度;
B.开挖导洞层中一对侧边导洞,在导洞拱墙位置打设系统锚杆、架立初支拱架,打设拱脚部位锁脚锚杆,外侧边墙安装临时大拱脚,挂钢筋网片,并喷射早强混凝土形成初期支护结构;
C.紧邻侧边导洞施工中导洞,中导洞与侧边导洞共用相邻的临时中隔壁;紧贴中导洞再施工下一中导洞,两个中导洞共用相邻的临时中隔壁,重复中导洞施工,直至与对侧的侧边导洞连接,至此形成车站导洞层初期支护结构体系;
D.并联平行导洞的开挖深度达到既定条件后,视情况拆除临时中隔壁,形成全部敞开或局部敞开的下部开挖空间;
E.采用台阶法分层分部开挖分部台阶层,在边墙临空面打设系统锚杆,并顺接上部既有格栅钢架或型钢钢架,打设锁脚锚杆,中台阶安装临时大拱脚、挂钢筋网片,喷射早强混凝土形成初期支护结构,在非边墙临空面以稳定坡率放坡;
F.随下部开挖空间向前开挖,顺次拆除导洞层开挖范围内的临时中隔壁,重复步骤E及上述拆除临时中隔壁,直到开挖至车站仰拱预定标高;
G.清理并找平仰拱基面,铺设防水层,绑扎仰拱钢筋,整体浇筑仰拱二衬;
H.铺设拱墙防水层,绑扎拱墙钢筋,采用模板台车一次性浇筑拱墙二衬,二衬成环。
2.根据权利要求1所述的多导洞分部台阶开挖单跨支护暗挖大断面车站的修建方法,其特征在于:步骤H铺设拱墙防水层,绑扎拱墙钢筋,采用模板台车一次性浇筑拱墙二衬,二衬成环中,还包括以下过程:
在车站侧墙有预留孔洞不适用于模板台车施工部位处,待前后两仓的拱墙二衬施工完毕后,通过现场支模浇筑的方式,最终完成全车站二衬施工。
3.根据权利要求1所述的多导洞分部台阶开挖单跨支护暗挖大断面车站的修建方法,其特征在于:步骤A基于车站的总开挖高度、总开挖跨度,得到由上至下的竖向分层开挖数量、单层开挖高度,并得到导洞层高度、并联平行导洞个数、导洞开挖宽度,具体过程如下:
首先,竖向分层开挖数量由总开挖高度得到;
然后,导洞层高度、并联平行导洞个数、导洞开挖宽度由总开挖跨度和围岩等级确定。
4.根据权利要求1所述的多导洞分部台阶开挖单跨支护暗挖大断面车站的修建方法,其特征在于:步骤B开挖导洞层中一对侧边导洞,在导洞拱墙位置打设系统锚杆、架立初支拱架,打设拱脚部位锁脚锚杆,外侧边墙安装临时大拱脚,挂钢筋网片,并喷射早强混凝土形成初期支护结构,具体过程如下:
首先,侧边导洞开挖后,侧墙拱脚部位及导洞分层开挖临时拱脚部位处初支拱架设置两根锁脚锚杆;
然后,锁脚锚杆与格栅钢架采用包围式整体构造焊接固定为一体,锁脚锚杆与地层间采用水泥砂浆锚固;两根锁脚锚杆间的夹角为15°-20°,下侧的锁脚锚杆与竖向成45°夹角;
最后,初期支护结构由系统锚杆、初支拱架、钢筋网片、早强混凝土组成,初支拱架为普通型钢钢架或格栅钢架。
5.根据权利要求1所述的多导洞分部台阶开挖单跨支护暗挖大断面车站的修建方法,其特征在于:步骤C紧邻侧边导洞施工中导洞,中导洞与侧边导洞共用相邻的临时中隔壁;紧贴中导洞再施工下一中导洞,两个中导洞共用相邻的临时中隔壁,重复中导洞施工,直至与对侧的侧边导洞连接,至此形成车站导洞层初期支护结构体系,具体过程如下:
首先,在共用的临时中隔壁中,临时中隔壁顶部通过T型整体式初支拱架节点和螺栓与格栅钢架连接;
然后,相邻导洞的掌子面在车站纵向上的错开距离不小于5m;
再后,同一导洞内上下台阶开挖面在车站纵向上的错开距离不小于3m。
6.根据权利要求1所述的多导洞分部台阶开挖单跨支护暗挖大断面车站的修建方法,其特征在于:步骤D并联平行导洞的开挖深度达到既定条件后,视情况拆除临时中隔壁,形成全部敞开或局部敞开的下部开挖空间,具体过程如下:
首先,并联平行导洞的开挖深度达到既定条件中,既定条件为开挖深度均大于一倍车站开挖跨度;
然后,判断确定临时中隔壁的拆除方案;
再后,临时中隔壁拆除过程中,以单次长度不大于车站开挖跨度1/3和5m的步距进行;
最后,经过拆除,形成全部敞开或局部敞开的下部开挖空间。
7.根据权利要求6所述的多导洞分部台阶开挖单跨支护暗挖大断面车站的修建方法,其特征在于:判断确定临时中隔壁的拆除方案,具体过程如下:
首先,Ⅰ级围岩至Ⅲ级围岩或并联平行导洞个数为2-3个时,临时中隔壁全断面一次性同步拆除,全部一次性敞开下部开挖空间;
然后,并联平行导洞个数为4-5个时,先拆中间的临时中隔壁,局部敞开下部开挖空间,并先行下部开挖;后顺次拆除两侧的临时中隔壁,分批敞开下部开挖空间,并顺次下部开挖;
最后,并联平行导洞个数为4-5个时,先顺次拆除两侧的临时中隔壁,顺次敞开两侧的下部空间,先行顺次下部开挖,后拆除拆中间的临时中隔壁,再跟进中间下部开挖。
8.根据权利要求1所述的多导洞分部台阶开挖单跨支护暗挖大断面车站的修建方法,其特征在于:
拱墙和边墙位置处的初支拱架通过空间双Z交叉型构造的纵向连接筋进行连接,纵向连接筋保证相邻格栅钢架或型钢钢架间形成超静定传力体系。
9.根据权利要求1所述的多导洞分部台阶开挖单跨支护暗挖大断面车站的修建方法,其特征在于:步骤F至步骤H中,成环的二衬至临时中隔壁拆除位置的最大净距不大于总开挖跨度的二倍,临时中隔壁拆除后二衬未成环区段的拱墙初期支护处于三维空间受力状态。
10.根据权利要求2所述的多导洞分部台阶开挖单跨支护暗挖大断面车站的修建方法,其特征在于:现场支模浇筑,具体过程如下:
首先,现场支模浇筑段二衬采用微膨胀混凝土浇筑,间隔距离小于50m的两仓现支模浇筑二衬宜同步浇筑;
然后,模板台车浇筑二衬与现支模浇筑二衬间施工缝距离预留孔洞的边缘不小于500mm。
Priority Applications (1)
| Application Number | Priority Date | Filing Date | Title |
|---|---|---|---|
| CN202211681315.8A CN115653649A (zh) | 2022-12-27 | 2022-12-27 | 多导洞分部台阶开挖单跨支护暗挖大断面车站的修建方法 |
Applications Claiming Priority (1)
| Application Number | Priority Date | Filing Date | Title |
|---|---|---|---|
| CN202211681315.8A CN115653649A (zh) | 2022-12-27 | 2022-12-27 | 多导洞分部台阶开挖单跨支护暗挖大断面车站的修建方法 |
Publications (1)
| Publication Number | Publication Date |
|---|---|
| CN115653649A true CN115653649A (zh) | 2023-01-31 |
Family
ID=85022786
Family Applications (1)
| Application Number | Title | Priority Date | Filing Date |
|---|---|---|---|
| CN202211681315.8A Pending CN115653649A (zh) | 2022-12-27 | 2022-12-27 | 多导洞分部台阶开挖单跨支护暗挖大断面车站的修建方法 |
Country Status (1)
| Country | Link |
|---|---|
| CN (1) | CN115653649A (zh) |
Cited By (3)
| Publication number | Priority date | Publication date | Assignee | Title |
|---|---|---|---|---|
| CN117189189A (zh) * | 2023-11-06 | 2023-12-08 | 北京城建设计发展集团股份有限公司 | 交叉换乘地铁车站的暗-盖挖半逆作施工方法 |
| CN119412077A (zh) * | 2024-11-29 | 2025-02-11 | 中国交通建设股份有限公司轨道交通分公司 | 大断面地铁暗挖车站初支拱盖法施工技术 |
| CN119466820A (zh) * | 2024-11-29 | 2025-02-18 | 中国交通建设股份有限公司轨道交通分公司 | 大断面地铁暗挖车站扩大拱脚台阶法施工工法 |
Citations (2)
| Publication number | Priority date | Publication date | Assignee | Title |
|---|---|---|---|---|
| CN112922646A (zh) * | 2021-03-03 | 2021-06-08 | 中国铁路设计集团有限公司 | 叠合拱-墙一体式单跨支护大断面开挖暗挖车站修建方法 |
| CN114607389A (zh) * | 2022-03-25 | 2022-06-10 | 中铁十一局集团有限公司 | 城市超大断面浅埋车站的改进型双侧壁导洞施工方法 |
-
2022
- 2022-12-27 CN CN202211681315.8A patent/CN115653649A/zh active Pending
Patent Citations (2)
| Publication number | Priority date | Publication date | Assignee | Title |
|---|---|---|---|---|
| CN112922646A (zh) * | 2021-03-03 | 2021-06-08 | 中国铁路设计集团有限公司 | 叠合拱-墙一体式单跨支护大断面开挖暗挖车站修建方法 |
| CN114607389A (zh) * | 2022-03-25 | 2022-06-10 | 中铁十一局集团有限公司 | 城市超大断面浅埋车站的改进型双侧壁导洞施工方法 |
Cited By (4)
| Publication number | Priority date | Publication date | Assignee | Title |
|---|---|---|---|---|
| CN117189189A (zh) * | 2023-11-06 | 2023-12-08 | 北京城建设计发展集团股份有限公司 | 交叉换乘地铁车站的暗-盖挖半逆作施工方法 |
| CN117189189B (zh) * | 2023-11-06 | 2024-02-20 | 北京城建设计发展集团股份有限公司 | 交叉换乘地铁车站的暗-盖挖半逆作施工方法 |
| CN119412077A (zh) * | 2024-11-29 | 2025-02-11 | 中国交通建设股份有限公司轨道交通分公司 | 大断面地铁暗挖车站初支拱盖法施工技术 |
| CN119466820A (zh) * | 2024-11-29 | 2025-02-18 | 中国交通建设股份有限公司轨道交通分公司 | 大断面地铁暗挖车站扩大拱脚台阶法施工工法 |
Similar Documents
| Publication | Publication Date | Title |
|---|---|---|
| CN106337686B (zh) | 岩质地层暗挖三层地铁车站伞盖结构及施工方法 | |
| CN112177616B (zh) | 一种无中导洞连拱隧道钢架布设方法 | |
| CN109026064B (zh) | 一种大跨度连拱隧道半明半暗的施工方法 | |
| CN115653649A (zh) | 多导洞分部台阶开挖单跨支护暗挖大断面车站的修建方法 | |
| CN111779510B (zh) | 一种高液限红黏土围岩隧道初支侵限换拱方法 | |
| CN114542086B (zh) | 一种受地下水影响的大跨度断面暗挖隧道的施工方法 | |
| CN101440708A (zh) | Pba浅埋暗挖近距离大断面三洞分离岛式结构施工方法 | |
| CN105064397A (zh) | 一种在地铁区间盾构隧道基础上扩挖车站的明挖施工方法 | |
| JP7503730B1 (ja) | 海陸接合領域における地下鉄の分離型駅構造及びその施工方法 | |
| CN106567718A (zh) | 一种复合地层单拱超大跨地铁车站拉槽支撑代换的施工方法 | |
| CN102410031B (zh) | 桩墙法建造地下空间结构 | |
| CN112922646B (zh) | 叠合拱-墙一体式单跨支护大断面开挖暗挖车站修建方法 | |
| JP7624570B1 (ja) | 交差乗り換え型地下鉄駅の地下掘削-カットアンドカバーセミ逆打ち施工方法 | |
| Paul et al. | Comparative study of construction technologies for underground metro stations in India | |
| CN110486036A (zh) | 一种扩大拱脚初支拱盖法施工方法 | |
| CN115467690B (zh) | 一种浅埋大跨暗挖地铁车站新结构体系及其施工方法 | |
| CN114575852A (zh) | 一种地铁站盾构隧道上扩挖车站的暗挖施工方法 | |
| CN107191206B (zh) | 一种浅埋大跨隧道两单元六步施工方法 | |
| CN111810200A (zh) | 基于中立柱与仰拱的盾构隧道扩挖体系及其方法 | |
| CN113202106B (zh) | 深基坑开挖方法 | |
| CN113898007B (zh) | 一种沿街大跨度连廊结构半逆作施工方法 | |
| CN113775343A (zh) | 地面无破坏式横通道进主体开挖施工方法 | |
| CN111911169B (zh) | 一种既有铁路线路下浅埋深隧道施工方法及结构 | |
| Koyama | Railway construction in Japan | |
| CN202788876U (zh) | 上软下硬地层大跨隧道叠合承载拱结构 |
Legal Events
| Date | Code | Title | Description |
|---|---|---|---|
| PB01 | Publication | ||
| PB01 | Publication | ||
| SE01 | Entry into force of request for substantive examination | ||
| SE01 | Entry into force of request for substantive examination | ||
| RJ01 | Rejection of invention patent application after publication |
Application publication date: 20230131 |
|
| RJ01 | Rejection of invention patent application after publication |