CN115523618A - 一种空调系统的除霜杀菌控制方法 - Google Patents
一种空调系统的除霜杀菌控制方法 Download PDFInfo
- Publication number
- CN115523618A CN115523618A CN202211216390.7A CN202211216390A CN115523618A CN 115523618 A CN115523618 A CN 115523618A CN 202211216390 A CN202211216390 A CN 202211216390A CN 115523618 A CN115523618 A CN 115523618A
- Authority
- CN
- China
- Prior art keywords
- defrosting
- heat exchanger
- conditioning system
- sterilization
- preset
- Prior art date
- Legal status (The legal status is an assumption and is not a legal conclusion. Google has not performed a legal analysis and makes no representation as to the accuracy of the status listed.)
- Pending
Links
- 230000001954 sterilising effect Effects 0.000 title claims abstract description 361
- 238000010257 thawing Methods 0.000 title claims abstract description 319
- 238000004378 air conditioning Methods 0.000 title claims abstract description 310
- 238000000034 method Methods 0.000 title claims abstract description 96
- 238000004659 sterilization and disinfection Methods 0.000 claims abstract description 273
- 239000003507 refrigerant Substances 0.000 claims abstract description 190
- 238000010438 heat treatment Methods 0.000 claims abstract description 30
- 230000006835 compression Effects 0.000 claims description 3
- 238000007906 compression Methods 0.000 claims description 3
- 230000009286 beneficial effect Effects 0.000 abstract description 16
- 230000000694 effects Effects 0.000 description 23
- 239000007788 liquid Substances 0.000 description 20
- 238000010586 diagram Methods 0.000 description 16
- 238000001816 cooling Methods 0.000 description 12
- 230000000844 anti-bacterial effect Effects 0.000 description 5
- 238000004891 communication Methods 0.000 description 5
- 241000894006 Bacteria Species 0.000 description 4
- 244000052616 bacterial pathogen Species 0.000 description 4
- 238000001514 detection method Methods 0.000 description 2
- 238000005516 engineering process Methods 0.000 description 2
- 230000003247 decreasing effect Effects 0.000 description 1
- 238000009434 installation Methods 0.000 description 1
- 239000000463 material Substances 0.000 description 1
- 238000000926 separation method Methods 0.000 description 1
- 238000006467 substitution reaction Methods 0.000 description 1
Images
Classifications
-
- F—MECHANICAL ENGINEERING; LIGHTING; HEATING; WEAPONS; BLASTING
- F24—HEATING; RANGES; VENTILATING
- F24F—AIR-CONDITIONING; AIR-HUMIDIFICATION; VENTILATION; USE OF AIR CURRENTS FOR SCREENING
- F24F11/00—Control or safety arrangements
- F24F11/30—Control or safety arrangements for purposes related to the operation of the system, e.g. for safety or monitoring
- F24F11/41—Defrosting; Preventing freezing
- F24F11/42—Defrosting; Preventing freezing of outdoor units
-
- F—MECHANICAL ENGINEERING; LIGHTING; HEATING; WEAPONS; BLASTING
- F24—HEATING; RANGES; VENTILATING
- F24F—AIR-CONDITIONING; AIR-HUMIDIFICATION; VENTILATION; USE OF AIR CURRENTS FOR SCREENING
- F24F11/00—Control or safety arrangements
- F24F11/50—Control or safety arrangements characterised by user interfaces or communication
- F24F11/61—Control or safety arrangements characterised by user interfaces or communication using timers
-
- F—MECHANICAL ENGINEERING; LIGHTING; HEATING; WEAPONS; BLASTING
- F24—HEATING; RANGES; VENTILATING
- F24F—AIR-CONDITIONING; AIR-HUMIDIFICATION; VENTILATION; USE OF AIR CURRENTS FOR SCREENING
- F24F11/00—Control or safety arrangements
- F24F11/62—Control or safety arrangements characterised by the type of control or by internal processing, e.g. using fuzzy logic, adaptive control or estimation of values
- F24F11/63—Electronic processing
- F24F11/64—Electronic processing using pre-stored data
-
- F—MECHANICAL ENGINEERING; LIGHTING; HEATING; WEAPONS; BLASTING
- F24—HEATING; RANGES; VENTILATING
- F24F—AIR-CONDITIONING; AIR-HUMIDIFICATION; VENTILATION; USE OF AIR CURRENTS FOR SCREENING
- F24F11/00—Control or safety arrangements
- F24F11/62—Control or safety arrangements characterised by the type of control or by internal processing, e.g. using fuzzy logic, adaptive control or estimation of values
- F24F11/63—Electronic processing
- F24F11/65—Electronic processing for selecting an operating mode
-
- F—MECHANICAL ENGINEERING; LIGHTING; HEATING; WEAPONS; BLASTING
- F24—HEATING; RANGES; VENTILATING
- F24F—AIR-CONDITIONING; AIR-HUMIDIFICATION; VENTILATION; USE OF AIR CURRENTS FOR SCREENING
- F24F13/00—Details common to, or for air-conditioning, air-humidification, ventilation or use of air currents for screening
- F24F13/30—Arrangement or mounting of heat-exchangers
-
- F—MECHANICAL ENGINEERING; LIGHTING; HEATING; WEAPONS; BLASTING
- F24—HEATING; RANGES; VENTILATING
- F24F—AIR-CONDITIONING; AIR-HUMIDIFICATION; VENTILATION; USE OF AIR CURRENTS FOR SCREENING
- F24F8/00—Treatment, e.g. purification, of air supplied to human living or working spaces otherwise than by heating, cooling, humidifying or drying
- F24F8/20—Treatment, e.g. purification, of air supplied to human living or working spaces otherwise than by heating, cooling, humidifying or drying by sterilisation
-
- F—MECHANICAL ENGINEERING; LIGHTING; HEATING; WEAPONS; BLASTING
- F25—REFRIGERATION OR COOLING; COMBINED HEATING AND REFRIGERATION SYSTEMS; HEAT PUMP SYSTEMS; MANUFACTURE OR STORAGE OF ICE; LIQUEFACTION SOLIDIFICATION OF GASES
- F25B—REFRIGERATION MACHINES, PLANTS OR SYSTEMS; COMBINED HEATING AND REFRIGERATION SYSTEMS; HEAT PUMP SYSTEMS
- F25B41/00—Fluid-circulation arrangements
- F25B41/20—Disposition of valves, e.g. of on-off valves or flow control valves
-
- F—MECHANICAL ENGINEERING; LIGHTING; HEATING; WEAPONS; BLASTING
- F25—REFRIGERATION OR COOLING; COMBINED HEATING AND REFRIGERATION SYSTEMS; HEAT PUMP SYSTEMS; MANUFACTURE OR STORAGE OF ICE; LIQUEFACTION SOLIDIFICATION OF GASES
- F25B—REFRIGERATION MACHINES, PLANTS OR SYSTEMS; COMBINED HEATING AND REFRIGERATION SYSTEMS; HEAT PUMP SYSTEMS
- F25B41/00—Fluid-circulation arrangements
- F25B41/40—Fluid line arrangements
-
- F—MECHANICAL ENGINEERING; LIGHTING; HEATING; WEAPONS; BLASTING
- F25—REFRIGERATION OR COOLING; COMBINED HEATING AND REFRIGERATION SYSTEMS; HEAT PUMP SYSTEMS; MANUFACTURE OR STORAGE OF ICE; LIQUEFACTION SOLIDIFICATION OF GASES
- F25B—REFRIGERATION MACHINES, PLANTS OR SYSTEMS; COMBINED HEATING AND REFRIGERATION SYSTEMS; HEAT PUMP SYSTEMS
- F25B47/00—Arrangements for preventing or removing deposits or corrosion, not provided for in another subclass
- F25B47/02—Defrosting cycles
-
- F—MECHANICAL ENGINEERING; LIGHTING; HEATING; WEAPONS; BLASTING
- F24—HEATING; RANGES; VENTILATING
- F24F—AIR-CONDITIONING; AIR-HUMIDIFICATION; VENTILATION; USE OF AIR CURRENTS FOR SCREENING
- F24F2110/00—Control inputs relating to air properties
- F24F2110/10—Temperature
-
- F—MECHANICAL ENGINEERING; LIGHTING; HEATING; WEAPONS; BLASTING
- F24—HEATING; RANGES; VENTILATING
- F24F—AIR-CONDITIONING; AIR-HUMIDIFICATION; VENTILATION; USE OF AIR CURRENTS FOR SCREENING
- F24F2110/00—Control inputs relating to air properties
- F24F2110/10—Temperature
- F24F2110/12—Temperature of the outside air
-
- Y—GENERAL TAGGING OF NEW TECHNOLOGICAL DEVELOPMENTS; GENERAL TAGGING OF CROSS-SECTIONAL TECHNOLOGIES SPANNING OVER SEVERAL SECTIONS OF THE IPC; TECHNICAL SUBJECTS COVERED BY FORMER USPC CROSS-REFERENCE ART COLLECTIONS [XRACs] AND DIGESTS
- Y02—TECHNOLOGIES OR APPLICATIONS FOR MITIGATION OR ADAPTATION AGAINST CLIMATE CHANGE
- Y02B—CLIMATE CHANGE MITIGATION TECHNOLOGIES RELATED TO BUILDINGS, e.g. HOUSING, HOUSE APPLIANCES OR RELATED END-USER APPLICATIONS
- Y02B30/00—Energy efficient heating, ventilation or air conditioning [HVAC]
- Y02B30/70—Efficient control or regulation technologies, e.g. for control of refrigerant flow, motor or heating
Landscapes
- Engineering & Computer Science (AREA)
- Mechanical Engineering (AREA)
- General Engineering & Computer Science (AREA)
- Chemical & Material Sciences (AREA)
- Combustion & Propulsion (AREA)
- Physics & Mathematics (AREA)
- Signal Processing (AREA)
- Thermal Sciences (AREA)
- Fuzzy Systems (AREA)
- Mathematical Physics (AREA)
- Human Computer Interaction (AREA)
- Air Conditioning Control Device (AREA)
Abstract
本申请公开一种空调系统的除霜杀菌控制方法,涉及空调技术领域,有利于保证空调系统的杀菌效果。空调系统包括制冷剂循环流路和除霜循环流路,空调系统具有制热模式和除霜杀菌模式,控制方法包括:在运行制热模式的过程中,获取空调系统除霜杀菌模式控制指令;当获取到除霜杀菌模式控制指令时,控制阀打开,进入除霜杀菌模式;检测室内换热器的盘管温度Tc和/或冷媒压力P;根据检测到的室内换热器的盘管温度Tc和/或冷媒压力P,调节空调系统的运行参数以控制室内换热器盘管的温度处于预设杀菌温度区间;判断空调系统是否满足除霜杀菌模式结束条件;若满足,控制空调系统退出除霜杀菌模式。本申请的空调系统的除霜杀菌控制方法用于除霜杀菌。
Description
技术领域
本申请涉及空调技术领域,尤其涉及一种空调系统的除霜杀菌控制方法。
背景技术
相关技术中,空调系统在进行杀菌时,需要控制室内换热器的盘管温度达到杀菌温度值,并持续一定时间对室内换热器进行高温杀菌。当室外环境温度较低,空调系统在进行杀菌时,室外换热器会出现结霜现象,因此,空调系统在完成杀菌后,还需对室外换热器进行除霜,增加了功耗。并且,当空调室外机的温度过低,空调系统在进行杀菌时,此时室外换热器可能存在结霜过多的问题,需要空调系统对室外换热器进行除霜,导致杀菌过程被打断,降低了空调系统的杀菌效果。
发明内容
本申请的实施例提供一种空调系统的除霜杀菌控制方法,有利于保证空调系统的杀菌效果。
为达到上述目的,本申请的实施例采用如下技术方案:
本申请第一方面实施例提供一种空调系统的除霜杀菌控制方法,所述空调系统包括制冷剂循环流路和除霜循环流路,所述制冷剂循环流路包括依次相连通的压缩机、室内换热器和室外换热器,所述除霜循环流路包括所述压缩机、所述室外换热器以及连接在所述压缩机的排气口和所述室外换热器之间的控制阀,所述空调系统具有制热模式和除霜杀菌模式,所述控制方法包括:在运行制热模式的过程中,获取空调系统的除霜杀菌模式控制指令;当获取到除霜杀菌模式控制指令时,控制所述控制阀打开,以进入除霜杀菌模式;检测室内换热器的盘管温度Tc和/或冷媒压力P;根据检测到的室内换热器的盘管温度Tc和/或冷媒压力P,调节空调系统的运行参数以控制室内换热器盘管的温度处于预设杀菌温度区间;判断所述空调系统是否满足除霜杀菌模式结束条件;若满足,控制所述空调系统退出除霜杀菌模式。
本申请实施例提供的空调系统,通过在空调系统进行杀菌的同时对室外换热器进行除霜,可以避免相关技术中出现的空调系统在完成杀菌后,再对室外换热器进行除霜所带来的功耗大的问题,有利于降低空调系统的功耗,并且还可以避免空调系统在杀菌的过程中由于室外换热器结霜过多导致杀菌中断的问题,可以保证空调系统的杀菌效果。此外,空调系统利用压缩机的排气口排出的高温高压的气态冷媒对室外换热器进行显热除霜,使室内换热器可以保持高温高压的状态,并且可以避免空调系统除霜过程中对室内的温度产生影响,使室内可以保持高温状态,有利于提高用户的舒适性。
在一些实施例中,所述空调系统的运行参数包括室内风机的转速和/或压缩机的频率。
在一些实施例中,根据检测到的室内换热器的盘管温度,调节空调系统的运行参数具体步骤包括:先将室内换热器的盘管温度Tc与第一预设温度阈值比较,若室内换热器的盘管温度大于第一预设温度阈值,则控制室内风机的转速升高和/或压缩机的频率降低;若室内换热器的盘管温度小于第一预设温度阈值,再将室内换热器的盘管温度与第二预设温度阈值进行比较;若室内换热器的盘管温度小于或等于第二预设温度阈值,则控制室内风机的转速降低和/或压缩机的频率升高;其中,第一预设温度阈值与所述预设杀菌温度区间的上限值相等,所述第二预设温度阈值与所述预设杀菌温度区间的下限值相等。
在一些实施例中,根据检测到的室内换热器的冷媒压力,调节空调系统的运行参数具体步骤包括:先将室内换热器的冷媒压力与第一预设压力比较,若室内换热器的冷媒压力大于或等于第一预设压力,则控制室内风机的转速升高和/或压缩机的频率降低;若室内换热器的冷媒压力小于第一预设压力,再将室内换热器的冷媒压力与第二预设压力进行比较;若室内换热器的冷媒压力小于或等于第二预设压力,则控制室内风机的转速降低和/或压缩机的频率升高;其中,所述第一预设压力对应的饱和温度为所述预设杀菌温度区间的上限值,所述第二预设压力对应的饱和温度为所述预设杀菌温度区间的下限值。
在一些实施例中,判断所述空调系统是否满足除霜杀菌模式结束条件之前,检测室外换热器的盘管温度Tg1;所述除霜杀菌模式结束条件包括:Tg1大于或等于Tgo,且所述室内换热器的盘管温度在所述预设杀菌温度区间的持续时长达到预设时长。
本申请第二方面实施例提供一种空调系统的除霜杀菌控制方法,所述空调系统包括制冷剂循环流路和多个除霜循环流路,所述制冷剂循环流路包括依次相连通的压缩机、室内换热器和多个并联设置的室外换热器,所述多个除霜循环流路与多个室外换热器一一对应,每个所述除霜循环流路均包括所述压缩机、一个所述室外换热器以及连接在所述压缩机的排气口和所述一个室外换热器之间的控制阀,所述空调系统具有除霜杀菌模式,所述除霜杀菌模式包括多个子除霜杀菌程序,多个子除霜杀菌程序与多个除霜循环流路一一对应,每个子除霜杀菌程序用于对对应的所述除霜循环流路中的室外换热器除霜;所述控制方法包括:在运行制热模式的过程中,获取空调系统的除霜杀菌模式控制指令;当获取到除霜杀菌模式控制指令时,控制其中一个除霜循环流路中的控制阀打开、且控制其余除霜循环流路中的控制阀关闭,以控制所述空调系统进入与所述其中一个除霜循环流路对应的子除霜杀菌程序;判断所述空调系统是否满足当前子除霜杀菌程序结束条件;若满足,控制空调系统退出当前子除霜杀菌程序,控制下一个除霜循环流路中的控制阀打开、且控制其余除霜循环流路中的控制阀关闭,以控制所述空调系统进入与所述下一个除霜循环流路对应的下一个子除霜杀菌程序;当空调系统执行最后一个子除霜杀菌程序时,判断所述空调系统是否满足除霜模式结束条件;若满足,则退出除霜杀菌模式;其中,每个子除霜杀菌程序均包括如下步骤:检测室内换热器的盘管温度Tc和/或冷媒压力P;根据检测到的室内换热器的盘管温度Tc和/或冷媒压力P,调节空调系统的运行参数以控制室内换热器盘管的温度处于预设杀菌温度区间。
在一些实施例中,所述空调系统的运行参数包括室内风机的转速和/或压缩机的频率。
在一些实施例中,根据检测到的室内换热器的盘管温度,调节空调系统的运行参数具体步骤包括:先将室内换热器的盘管温度与第一预设温度阈值比较,若室内换热器的盘管温度大于第一预设温度阈值,则控制室内风机的转速升高和/或压缩机的频率降低;若室内换热器的盘管温度小于第一预设温度阈值,再将室内换热器的盘管温度与第二预设温度阈值进行比较;若室内换热器的盘管温度小于或等于第二预设温度阈值,则控制室内风机的转速降低和/或压缩机的频率升高;其中,第一预设温度阈值与所述预设杀菌温度区间的上限值相等,所述第二预设温度阈值与所述预设杀菌温度区间的下限值相等。
在一些实施例中,根据检测到的室内换热器的冷媒压力,调节空调系统的运行参数具体步骤包括:先将室内换热器的冷媒压力与第一预设压力比较,若室内换热器的冷媒压力大于或等于第一预设压力,则控制室内风机的转速升高和/或压缩机的频率降低;若室内换热器的冷媒压力小于第一预设压力,再将室内换热器的冷媒压力与第二预设压力进行比较;若室内换热器的冷媒压力小于或等于第二预设压力,则控制室内风机的转速降低和/或压缩机的频率升高;其中,所述第一预设压力对应的饱和温度为所述预设杀菌温度区间的上限值,所述第二预设压力对应的饱和温度为所述预设杀菌温度区间的下限值。
在一些实施例中,判断所述空调系统是否满足当前子除霜杀菌程序结束条件之前,检测室外换热器的盘管温度Tg1;所述当前子除霜杀菌程序结束条件包括:Tg1大于或等于Tgo,且所述室内换热器的盘管温度在所述预设杀菌温度区间的持续时长达到预设时长。
在一些实施例中,判断所述空调系统是否满足除霜杀菌模式结束条件之前,检测室外换热器的盘管温度Tg1;所述除霜杀菌模式结束条件包括:Tg1大于或等于Tgo,且所述室内换热器的盘管温度在所述预设杀菌温度区间的持续时长达到预设时长。
附图说明
图1为本申请第一种实施例提供的一种空调系统的组成示意图;
图2为本申请第一种实施例提供的空调系统制冷模式的示意图;
图3为本申请第一种实施例提供的空调系统制热模式的示意图;
图4为本申请第一种实施例提供的空调系统除霜杀菌模式的示意图;
图5为本申请第一种实施例提供的空调系统的第一种除霜杀菌方法的流程图;
图6为本申请第一种实施例提供的空调系统的第二种除霜杀菌方法的流程图;
图7为本申请第一种实施例提供的空调系统的第三种除霜杀菌方法的流程图;
图8为本申请第一种实施例提供的空调系统的第四种除霜杀菌方法的流程图;
图9为本申请第一种实施例提供的空调系统的第五种除霜杀菌方法的流程图;
图10为本申请第一种实施例提供的空调系统的第六种除霜杀菌方法的流程图;
图11为本申请第二种实施例提供的一种空调系统的组成示意图;
图12为本申请第二种实施例提供的空调系统制冷模式的示意图;
图13为本申请第二种实施例提供的空调系统制热模式的示意图;
图14为本申请第二种实施例提供的空调系统子除霜杀菌程序的示意图;
图15为本申请第二种实施例提供的空调系统的第一种除霜杀菌方法的流程图;
图16为本申请第二种实施例提供的空调系统的第二种除霜杀菌方法的流程图;
图17为本申请第二种实施例提供的空调系统的第三种除霜杀菌方法的流程图。
附图标记:
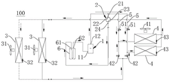
100、空调系统;
1、压缩机;11、吸气口;12、排气口;
2、换向组件;21、第一阀口;22、第二阀口;23、第三阀口;24、第四阀口;
3、室内换热器;31、室内风机;32、传感器;
4、室外换热器;41、室外风扇;42、节流装置;43、室外温度传感器;
5、除霜支路;51、控制阀;
6、气液分离器;61、液体进口;62、气体出口。
具体实施方式
下面结合附图对本申请实施例进行详细描述。
在本申请的描述中,需要理解的是,术语“上”、“下”、“前”、“后”、“内”、“外”等指示的方位或位置关系为基于附图所示的方位或位置关系,仅是为了便于描述本申请和简化描述,而不是指示或暗示所指的装置或元件必须具有特定的方位、以特定的方位构造和操作,因此不能理解为对本申请的限制。
术语“第一”、“第二”仅用于描述目的,而不能理解为指示或暗示相对重要性或者隐含指明所指示的技术特征的数量。由此,限定有“第一”、“第二”的特征可以明示或者隐含地包括一个或者更多个该特征。在本申请的描述中,除非另有说明,“多个”的含义是两个或两个以上。
在本申请的描述中,需要说明的是,除非另有明确的规定和限定,术语“安装”、“相连”、“连接”应做广义理解,例如,可以是固定连接,也可以是可拆卸连接,或一体地连接;可以是直接相连,也可以通过中间媒介间接相连,可以是两个元件内部的连通。对于本领域的普通技术人员而言,可以具体情况理解上述术语在本申请中的具体含义。
相关技术中,空调系统在进行杀菌时,需要控制室内换热器的盘管温度达到杀菌温度值,并持续一定时间对室内换热器进行高温杀菌。当室外环境温度较低,空调系统在进行杀菌时,室外换热器会出现结霜现象,因此,空调系统在完成杀菌后,还需对室外换热器进行除霜,增加了功耗。并且,当空调室外机的温度过低,空调系统在进行杀菌时,此时室外换热器可能存在结霜过多的问题,需要空调系统对室外换热器进行除霜,导致杀菌过程被打断,降低了空调系统的杀菌效果。
为解决上述的技术问题,本申请从在空调系统进行杀菌的同时对室外换热器进行除霜的角度出发对相关技术中的空调系统进行改进。这样一来,可以避免相关技术中出现的空调系统在完成杀菌后,再对室外换热器进行除霜所带来的功耗大的问题,有利于降低空调系统的功耗,并且还可以避免空调系统在杀菌的过程中由于室外换热器结霜过多导致杀菌中断的问题,可以保证空调系统的杀菌效果。此外,空调系统利用压缩机的排气口排出的高温高压的气态冷媒对室外换热器进行显热除霜,使室内换热器可以保持高温高压的状态,并且可以避免空调系统除霜过程中对室内的温度产生影响,使室内可以保持高温状态,有利于提高用户的舒适性。
以下对本申请第一种实施例的空调系统进行说明。
请参阅图1,图1为本申请第一种实施例提供的一种空调系统的组成示意图。空调系统100包括制冷剂循环流路和除霜循环流路。制冷剂循环流路包括依次相连通的压缩机1、室内换热器3和室外换热器4。具体地,在制冷剂循环流路中,室内换热器3的第一端与压缩机1相连,室内换热器3的第二端与室外换热器4的第二端相连,室外换热器4的第一端与压缩机1相连。
示例性的,空调系统100可以为多联机系统。空调系统100包括多个室内机。每个室内机内均设置有室内换热器3。多个室内机并联设置。当然可以理解的是,在其它的示例中,空调系统100也可以仅包括一个室内机。
请继续参阅图1,压缩机1具有吸气口11和排气口12。具体地,压缩机1的吸气口11用于吸气,冷媒通过吸气口11进入到压缩机1的压缩腔内进行压缩,形成高温高压的冷媒,高温高压的冷媒气体再从压缩机1的排气口12排出压缩机1,进而进入到空调系统100内进行冷媒的循环。示例性的,压缩机1可以为涡旋压缩机1、转子压缩机1、螺杆压缩机1或其他类型的压缩机1。
请继续参阅图1,空调系统100还包括换向组件2。换向组件2具有第一阀口21、第二阀口22、第三阀口23和第四阀口24。换向组件2可以位于压缩机1与室外换热器4之间。第一阀口21可以与压缩机1的排气口12相连。第二阀口22可以与室内换热器3的第一端相连。第三阀口23可以与室外换热器4的第二端相连。第四阀口24可以与压缩机1的吸气口11相连。第一阀口21可以与第二阀口22和第三阀口23中的一个换向导通,第四阀口24可以与第二阀口22和第三阀口23中的另一个换向导通。也就是说,当第一阀口21与第二阀口22导通时,第三阀口23与第四阀口24导通;当第一阀口21与第三阀口23导通时,第二阀口22与第四阀口24导通。
示例性的,换向组件2可以为四通换向阀。当对四通换向阀上电时,第一阀口21与第二阀口22导通,第三阀口23与第四阀口24导通;当对四通换向阀断电时,第一阀口21与第三阀口23导通,第二阀口22与第四阀口24导通。当然,可以理解的是,在其它的示例中,当对四通换向阀断电时,第一阀口21与第二阀口22导通,第三阀口23与第四阀口24导通;当对四通换向阀上电时,第一阀口21与第三阀口23导通,第二阀口22与第四阀口24导通。
请继续参阅图1,室外换热器4的第二端与室内换热器3的第二端之间可以连接有节流装置42。节流装置42可以对流经的冷媒进行节流降压。节流装置42还可以起到控制室外换热器4的第二端与室内换热器3的第二端之间的通断的作用。示例性的,节流装置42可以为毛细管、节流阀、电子膨胀阀或热力膨胀阀等。
请继续参阅图1,除霜循环流路包括压缩机1、室外换热器4以及连接在压缩机1的排气口12和室外换热器4之间的控制阀51。具体地,在除霜循环流路中,室内换热器3的第一端与压缩机1相连,室内换热器3的第二端与室外换热器4的第二端相连,室外换热器4的第二端还与压缩机1的排气口12相连,且通过连接在压缩机1的排气口12与室外换热器4之间的控制阀51控制压缩机1的排气口12与室外换热器4之间连接的通断,室外换热器4的第一端与压缩机1相连。
请继续参阅图1,在一些实施例中,空调系统100还包括除霜支路5,除霜支路5的第一端与压缩机1的排气口12相连。除霜支路5的第二端与室外换热器4的第二端相连。除霜支路5上串联有控制阀51,控制阀51可以控制除霜支路5的通断。由此,当室外换热器4上有霜时,可以通过控制控制阀51打开,使从压缩机1的排气口12排出的高温高压的气态冷媒可以沿着除霜支路5进入室外换热器4,可以利用压缩机1排气的显热对室外换热器4进行除霜。同时当无需对室外换热器4进行除霜时,可以通过控制控制阀51关闭,可以避免从压缩机1的排气口12排出的高温高压的气态冷媒流向除霜支路5,以此影响空调系统100的正常工作,有利于提高空调系统100运行的可靠性。
根据本申请第一种实施例的空调系统100具有制冷模式、制热模式和除霜杀菌模式。下面对本申请第一种实施例提供的制冷模式、制热模式和除霜杀菌模式的控制过程和冷媒的流向进行详细说明。
制冷模式
请参阅图2,图2为本申请第一种实施例提供的空调系统制冷模式的示意图。当空调系统100处于制冷模式时,换向组件2的第一阀口21与第三阀口23导通,第二阀口22与第四阀口24导通,节流装置42节流,控制阀51关闭。
冷媒流向:从压缩机1的排气口12排出的高温高压的气态冷媒流向换向组件2,流向换向组件2的冷媒经过第一阀口21流入换向组件2,并且从第三阀口23流出换向组件2。从第三阀口23流出的冷媒流向室外换热器4,并在室外换热器4内充分换热后变成高温中压的液态冷媒。然后从室外换热器4流出的冷媒流经节流装置42进行节流降压后变成低温低压的两相冷媒。经过降压后的冷媒流入室内换热器3,并在室内换热器3进行换热后变成低温低压的气态冷媒,最后依次通过第二阀口22、第四阀口24流回压缩机1的吸气口11。
制热模式
请参阅图3,图3为本申请第一种实施例提供的空调系统制热模式的示意图。当空调系统100处于制热模式时,换向组件2的第一阀口21与第二阀口22导通,第三阀口23与第四阀口24导通,节流装置42节流,控制阀51关闭。
冷媒流向:从压缩机1的排气口12排出的高温高压的气态冷媒流向换向组件2,流向换向组件2的冷媒经过第一阀口21流入换向组件2,并且从第二阀口22流出换向组件2。从第二阀口22流出的冷媒流向室内换热器3,在室内换热器3进行换热后变成高压中温的液态冷媒,然后从室内换热器3流出后流向节流装置42,经过节流装置42节流降压后变成低温低压的两相冷媒。接着从节流装置42流向室外换热器4,在室外换热器4中蒸发为低温低压的气态冷媒,最后从室外换热器4流出的冷媒依次通过第三阀口23、第四阀口24流回压缩机1的吸气口11。
除霜杀菌模式
请参阅图4,图4为本申请第一种实施例提供的空调系统除霜杀菌模式的示意图。当空调系统100处于除霜杀菌模式时,换向组件2的第一阀口21与第二阀口22导通,第三阀口23与第四阀口24导通,节流装置42节流,控制阀51打开。
冷媒流向:从压缩机1的排气口12排出的高温高压的气态冷媒分别流向换向组件2和除霜支路5,流向除霜支路5的高温高压的气态冷媒流入室外换热器4。流向换向组件2的冷媒经过第一阀口21流入换向组件2,并且从第二阀口22流出换向组件2。从第二阀口22流出的冷媒流向室内换热器3,在室内换热器3进行换热后变成高压中温的液态冷媒,然后从室内换热器3流出后流向节流装置42,经过节流装置42节流降压后变成低温低压的两相冷媒。接着从节流装置42流向室外换热器4。从除霜支路5流出的高温高压的冷媒与从节流装置42流出的低温低压的两相冷媒流入室外换热器4,对室外换热器4的霜进行去除。最后从室外换热器4流出的冷媒依次通过第三阀口23、第四阀口24流回压缩机1的吸气口11。
请继续参阅图4,在一些实施例中,室外换热器4的一侧可以设有室外风扇41。这样设置可以提高室外换热器4的换热效率。
基于上述的空调系统100的结构,下面对本申请第一种实施例的空调系统100的第一种除霜杀菌控制方法进行说明。
请参阅图5,图5为本申请第一种实施例提供的空调系统的第一种除霜杀菌方法的流程图。
空调系统100的除霜杀菌控制方法包括:
S1:在运行制热模式的过程中,获取空调系统100的除霜杀菌模式控制指令。其中,在空调系统100处于制热模式时,室内换热器3与压缩机1的排气口12连通,室外换热器4与压缩机1的吸气口11连通,控制阀51关闭。
S2:当获取到除霜杀菌模式控制指令时,控制控制阀51打开,以进入除霜杀菌模式。其中,除霜杀菌模式控制指令的获取可以是空调系统100判断室外换热器4满足除霜条件时自动获取的;也可以是用户手动控制以使空调系统100进入除霜杀菌模式,例如,空调遥控器上设置有除霜杀菌按键,当用户触发除霜杀菌按键时,空调系统即可获取该除霜杀菌模式控制指令。
由此,在除霜杀菌模式下,保持室内换热器3与压缩机1的排气口12连通,室外换热器4与压缩机1的吸气口11连通,控制阀51打开。此时,除霜杀菌模式的冷媒的流向可以是:从压缩机1的排气口12排出的高温高压的气态冷媒分别流向室内换热器3和室外换热器4,高温高压的气态冷媒流入室外换热器4。流向室内换热器3的冷媒,在室内换热器3中进行换热后变成高压中温的液态冷媒,然后从室内换热器3流出后流向室外换热器4。从压缩机1的排气口12流出的高温高压的冷媒与从室内换热器3流出的冷媒流入室外换热器4,对室外换热器4的霜进行去除。最后从室外换热器4流出的冷媒流回压缩机1的吸气口11。
S3:检测室内换热器3的盘管温度Tc。
示例性的,在图4所示的实施例中,可以在室内换热器3的盘管设置室内温度传感器32,用于获取室内换热器3的盘管温度Tc。
S4:根据检测到的室内换热器3的盘管温度Tc,调节空调系统100的运行参数以控制室内换热器3盘管的温度处于预设杀菌温度区间。由此,当室内换热器3盘管的温度处于预设杀菌温度区间时,可以利用室内换热器3盘管的高温使室内换热器3翅片表面滋生的细菌和病菌灭活,可以保证空调系统100的杀菌效果。
S5:判断空调系统100是否满足除霜杀菌模式结束条件。
S6:若空调系统100满足除霜杀菌模式结束条件,控制控制阀51关闭,以退出除霜杀菌模式。
由此一来,在空调系统100进行杀菌的同时可以对室外换热器4进行除霜,可以避免相关技术中的空调系统100在完成杀菌后,再对室外换热器4进行除霜出现的功耗大的问题,有利于降低空调系统100的功耗,并且还可以避免空调系统100在杀菌的过程中由于室外换热器4结霜过多导致杀菌中断的问题,可以保证空调系统100的杀菌效果。此外,空调系统100利用压缩机1的排气口12排出的高温高压的气态冷媒对室外换热器4进行显热除霜,使室内换热器3可以保持高温高压的状态,并且可以避免空调系统100除霜过程中对室内的温度产生影响,使室内可以保持高温状态,有利于提高用户的舒适性。
请继续参阅图5,在一些实施例中,空调系统100的运行参数包括压缩机1的频率。通过对压缩机1的频率进行调节,以控制室内换热器3盘管的温度处于预设杀菌温度区间,控制方式简单、快捷。
在一些实施例中,根据检测到的室内换热器3的盘管温度,调节空调系统100的运行参数具体步骤包括:先将室内换热器3的盘管温度Tc与第一预设温度阈值比较,若室内换热器3的盘管温度大于第一预设温度阈值,则控制压缩机1的频率降低;若室内换热器3的盘管温度小于第一预设温度阈值,再将室内换热器3的盘管温度与第二预设温度阈值进行比较。若室内换热器3的盘管温度小于或等于第二预设温度阈值,则控制压缩机1的频率升高。其中,第一预设温度阈值与预设杀菌温度区间的上限值相等,第二预设温度阈值与预设杀菌温度区间的下限值相等。通过先将室内换热器3的盘管温度Tc与预设杀菌温度区间的上限值相比较,可以避免空调系统100在杀菌过程中触发空调系统100的高压保护,进而避免空调系统100在杀菌过程中被打断,可以保证空调系统100的杀菌效果。
请参阅图6,图6为本申请第一种实施例提供的空调系统的第二种除霜杀菌方法的流程图。在一些实施例中,空调系统100的运行参数包括室内风机31的转速。通过对室内风机31的转速进行调节,以控制室内换热器3盘管的温度处于预设杀菌温度区间,控制方式简单、快捷。
在一些实施例中,根据检测到的室内换热器3的盘管温度,调节空调系统100的运行参数具体步骤包括:先将室内换热器3的盘管温度Tc与第一预设温度阈值比较,若室内换热器3的盘管温度大于第一预设温度阈值,则控制室内风机31的转速升高;若室内换热器3的盘管温度小于第一预设温度阈值,再将室内换热器3的盘管温度与第二预设温度阈值进行比较。若室内换热器3的盘管温度小于或等于第二预设温度阈值,则控制室内风机31的转速降低。其中,第一预设温度阈值与预设杀菌温度区间的上限值相等,第二预设温度阈值与预设杀菌温度区间的下限值相等。通过先将室内换热器3的盘管温度Tc与预设杀菌温度区间的上限值相比较,可以避免空调系统100在杀菌过程中触发空调系统100的高压保护,进而避免空调系统100在杀菌过程中被打断,可以保证空调系统100的杀菌效果。
当然,本申请不限于此,请参阅图7,图7为本申请第一种实施例提供的空调系统的第三种除霜杀菌方法的流程图。在一些实施例中,通过对室内风机31的转速和压缩机1的频率进行调节,以控制室内换热器3盘管的温度处于预设杀菌温度区间。
示例性的,第一预设温度阈值的取值范围为60-75℃之间。第二预设温度阈值的取值范围为45-60℃之间。例如,当冷媒为R410A时,第一预设温度阈值可以为64℃,第二预设温度阈值可以为56℃。
在一些实施例中,空调系统100的运行参数还可以包括与室内换热器3连接的电子膨胀阀的开度或通过排气温度与内机过冷度等参数。
在一些实施例中,判断空调系统100是否满足除霜杀菌模式结束条件之前,检测室外换热器4的盘管温度Tg1。除霜杀菌模式结束条件包括:Tg1大于或等于Tgo,且室内换热器3的盘管温度在预设杀菌温度区间的持续时长达到预设时长。由此,可以在除霜杀菌模式结束条件满足时,及时退出除霜杀菌模式,并且也可以保证在除霜的同时保证杀菌效果,有利于提高空调系统100除霜杀菌的可靠性。
示例性的,在图4所示的实施例中,可以在室外换热器4的盘管设置室外温度传感器43,用于获取室外换热器4的盘管温度Tg1。
在一些实施例中,除霜杀菌模式结束条件可以为:Tg1大于或等于Tgo,且室内换热器3的盘管温度在预设杀菌温度区间内,除霜杀菌模式的持续时长达到预设时长。其中,除霜杀菌模式的持续时长为进入除霜杀菌模式至退出除霜杀菌模式的时长。
在一些实施例中,空调系统100在除霜杀菌模式时,室外风扇41可以保持关闭。这样设置可以避免室外风扇41对除霜效果的影响。
请参阅图8,图8为本申请第一种实施例提供的空调系统的第四种除霜杀菌方法的流程图。
空调系统100的除霜杀菌控制方法包括:
S1:在运行制热模式的过程中,获取空调系统100的除霜杀菌模式控制指令。其中,在空调系统100处于制热模式时,室内换热器3与压缩机1的排气口12连通,室外换热器4与压缩机1的吸气口11连通,控制阀51关闭。
S2:当获取到除霜杀菌模式控制指令时,控制控制阀51打开,以进入除霜杀菌模式。其中,除霜杀菌模式控制指令的获取可以是空调系统100判断室外换热器4满足除霜条件,从而自动获取到除霜杀菌模式控制指令;也可以是用户手动控制以使空调系统100进入除霜杀菌模式。
由此,在除霜杀菌模式下,保持室内换热器3与压缩机1的排气口12连通,室外换热器4与压缩机1的吸气口11连通,控制阀51打开。此时,除霜杀菌模式的冷媒的流向可以是:从压缩机1的排气口12排出的高温高压的气态冷媒分别流向室内换热器3和室外换热器4,高温高压的气态冷媒流入室外换热器4。流向室内换热器3的冷媒,在室内换热器3中进行换热后变成高压中温的液态冷媒,然后从室内换热器3流出后流向室外换热器4。从压缩机1的排气口12流出的高温高压的冷媒与从室内换热器3流出的冷媒流入室外换热器4,对室外换热器4的霜进行去除。最后从室外换热器4流出的冷媒流回压缩机1的吸气口11。
S3:检测室内换热器3的冷媒压力P。
示例性的,在图4所示的实施例中,可以在室内换热器3上设置压力传感器32,用于获取室内换热器3的冷媒压力P。
S4:根据检测到的室内换热器3的冷媒压力P,调节空调系统100的运行参数以控制室内换热器3盘管的温度处于预设杀菌温度区间。由此,当室内换热器3盘管的温度处于预设杀菌温度区间时,可以利用室内换热器3盘管的高温使室内换热器3翅片表面滋生的细菌和病菌灭活,可以保证空调系统100的杀菌效果。
S5:判断空调系统100是否满足除霜杀菌模式结束条件。
S6:若空调系统100满足除霜杀菌模式结束条件,控制控制阀51关闭,以退出除霜杀菌模式。
由此一来,在空调系统100进行杀菌的同时可以对室外换热器4进行除霜,可以避免相关技术中的空调系统100在完成杀菌后,再对室外换热器4进行除霜出现的功耗大的问题,有利于降低空调系统100的功耗,并且还可以避免空调系统100在杀菌的过程中由于室外换热器4结霜过多导致杀菌中断的问题,可以保证空调系统100的杀菌效果。此外,空调系统100利用压缩机1的排气口12排出的高温高压的气态冷媒对室外换热器4进行显热除霜,使室内换热器3可以保持高温高压的状态,并且可以避免空调系统100除霜过程中对室内的温度产生影响,使室内可以保持高温状态,有利于提高用户的舒适性。
请继续参阅图8,在一些实施例中,空调系统100的运行参数包括压缩机1的频率。通过对压缩机1的频率进行调节,以控制室内换热器3盘管的温度处于预设杀菌温度区间,控制方式简单、快捷。
在一些实施例中,根据检测到的室内换热器3的冷媒压力,调节空调系统100的运行参数具体步骤包括:先将室内换热器3的冷媒压力与第一预设压力比较,若室内换热器3的冷媒压力大于或等于第一预设压力,则控制压缩机1的频率降低;若室内换热器3的冷媒压力小于第一预设压力,再将室内换热器3的冷媒压力与第二预设压力进行比较;若室内换热器3的冷媒压力小于或等于第二预设压力,则控制压缩机1的频率升高;其中,第一预设压力对应的饱和温度为预设杀菌温度区间的上限值,第二预设压力对应的饱和温度为预设杀菌温度区间的下限值。通过先将室内换热器3的冷媒压力与第一预设压力相比较,可以避免空调系统100在杀菌过程中触发空调系统100的高压保护,进而避免空调系统100在杀菌过程中被打断,可以保证空调系统100的杀菌效果。
请参阅图9,图9为本申请第一种实施例提供的空调系统的第五种除霜杀菌方法的流程图。在一些实施例中,空调系统100的运行参数包括室内风机31的转速。通过对室内风机31的转速进行调节,以控制室内换热器3盘管的温度处于预设杀菌温度区间,控制方式简单、快捷。
在一些实施例中,根据检测到的室内换热器3的冷媒压力,调节空调系统100的运行参数具体步骤包括:先将室内换热器3的冷媒压力与第一预设压力比较,若室内换热器3的冷媒压力大于或等于第一预设压力,则室内风机31的转速升高;若室内换热器3的冷媒压力小于第一预设压力,再将室内换热器3的冷媒压力与第二预设压力进行比较;若室内换热器3的冷媒压力小于或等于第二预设压力,则室内风机31的转速降低;其中,第一预设压力对应的饱和温度为预设杀菌温度区间的上限值,第二预设压力对应的饱和温度为预设杀菌温度区间的下限值。通过先将室内换热器3的冷媒压力与第一预设压力相比较,可以避免空调系统100在杀菌过程中触发空调系统100的高压保护,进而避免空调系统100在杀菌过程中被打断,可以保证空调系统100的杀菌效果。
当然,本申请不限于此,请参阅图10,图10为本申请第一种实施例提供的空调系统的第六种除霜杀菌方法的流程图。在一些实施例中,通过对室内风机31的转速和压缩机1的频率进行调节,以控制室内换热器3盘管的温度处于预设杀菌温度区间。
示例性的,当冷媒为R410A时,第一预设压力的取值范围为4-5Mpa,第二预设压力的取值范围为3-4Mpa。例如,当冷媒为R410A时,第一预设压力的取值范围为4.15Mpa,第二预设压力的取值范围为3.51Mp,第一预设压力对应的饱和温度为64℃,第二预设压力对应的饱和温度为56℃。
在一些实施例中,空调系统100的运行参数还可以包括与室内换热器3连接的电子膨胀阀的开度或通过排气温度与内机过冷度等参数。
在一些实施例中,判断空调系统100是否满足除霜杀菌模式结束条件之前,检测室外换热器4的盘管温度Tg1。除霜杀菌模式结束条件包括:Tg1大于或等于Tgo,且室内换热器3的盘管温度在预设杀菌温度区间的持续时长达到预设时长。由此,可以在除霜杀菌模式结束条件满足时,及时退出除霜杀菌模式,并且也可以保证在除霜的同时保证杀菌效果,有利于提高空调系统100除霜杀菌的可靠性。
示例性的,在图4所示的实施例中,可以在室外换热器4的盘管设置室外温度传感器43,用于获取室外换热器4的盘管温度Tg1。
在一些实施例中,除霜杀菌模式结束条件可以为:Tg1大于或等于Tgo,且室内换热器3的盘管温度在预设杀菌温度区间内,除霜杀菌模式的持续时长达到预设时长。其中,除霜杀菌模式的持续时长为进入除霜杀菌模式至退出除霜杀菌模式的时长。
在一些实施例中,在步骤S3处,可以检测室内换热器3的盘管温度Tc和冷媒压力P。这样设置可以提高检测的准确性。其中,控制方法与上述的控制方法相同,此处不再赘述。
以下对本申请第二种实施例的空调系统100进行说明。
请参阅图11,图11为本申请第二种实施例提供的一种空调系统的组成示意图。空调系统100包括制冷剂循环流路和多个除霜循环流路。制冷剂循环流路包括依次相连通的压缩机1、室内换热器3和多个并联设置的室外换热器4。具体地,在制冷剂循环流路中,室内换热器3的第一端与压缩机1相连,室内换热器3的第二端与多个并联设置的室外换热器4的第二端相连,多个并联设置的室外换热器4的第一端与压缩机1相连。
示例性的,空调系统100可以为多联机系统。空调系统100包括多个室内机。每个室内机内均设置有室内换热器3。多个室内机并联设置。当然可以理解的是,在其它的示例中,空调系统100也可以仅包括一个室内机。
请继续参阅图11,压缩机1具有吸气口11和排气口12。具体地,压缩机1的吸气口11用于吸气,冷媒通过吸气口11进入到压缩机1的压缩腔内进行压缩,形成高温高压的冷媒,高温高压的冷媒气体再从压缩机1的排气口12排出压缩机1,进而进入到空调系统100内进行冷媒的循环。示例性的,压缩机1可以为涡旋压缩机1、转子压缩机1、螺杆压缩机1或其他类型的压缩机1。
请继续参阅图11,空调系统100还包括换向组件2。换向组件2具有第一阀口21、第二阀口22、第三阀口23和第四阀口24。换向组件2可以位于压缩机1与多个并联设置的室外换热器4之间。第一阀口21可以与压缩机1的排气口12相连。第二阀口22可以与室内换热器3的第一端相连。第三阀口23可以与多个并联设置的室外换热器4的第二端相连。第四阀口24可以与压缩机1的吸气口11相连。第一阀口21可以与第二阀口22和第三阀口23中的一个换向导通,第四阀口24可以与第二阀口22和第三阀口23中的另一个换向导通。
请继续参阅图11,一个室外换热器4的第二端与室内换热器3的第二端之间可以连接有节流装置42。节流装置42可以对流经的冷媒进行节流降压。节流装置42还可以控制一个室外换热器4的第二端与室内换热器3的第二端之间的通断的作用。示例性的,节流装置42可以为毛细管、节流阀、电子膨胀阀或热力膨胀阀。
请继续参阅图11,多个除霜循环流路与多个室外换热器4一一对应,每个除霜循环流路均包括压缩机1、一个室外换热器4以及连接在压缩机1的排气口12和一个室外换热器4之间的控制阀51。在每个除霜循环流路中,室内换热器3的第一端与压缩机1相连,室内换热器3的第二端与一个室外换热器4的第二端相连,一个室外换热器4的第二端还与压缩机1的排气口12相连,且通过连接在压缩机1的排气口12与室外换热器4之间的一个控制阀51控制压缩机1的排气口12与室外换热器4之间连接的通断,一个室外换热器4的第一端与压缩机1相连。
请继续参阅图11,在一些实施例中,空调系统100还包括多条除霜支路5,每条除霜支路5的第一端与压缩机1的排气口12相连。每条除霜支路5的第二端与一个室外换热器4的第二端相连。每条除霜支路5上串联有一个控制阀51,控制阀51可以控制除霜支路5的通断。由此,当一个室外换热器4上有霜时,可以通过控制控制阀51打开,使从压缩机1的排气口12排出的高温高压的气态冷媒可以沿着除霜支路5进入需要除霜的室外换热器4,可以利用压缩机1排气的显热对室外换热器4进行除霜。同时当无需对室外换热器4进行除霜时,可以通过控制控制阀51关闭,可以避免从压缩机1的排气口12排出的高温高压的气态冷媒流向除霜支路5,以此影响空调系统100的正常工作,有利于提高空调系统100运行的可靠性。
请继续参阅图11,在一些实施例中,空调系统100还包括气液分离器6。气液分离器6设置于压缩机1与换向组件2之间。气液分离器6具有液体进口61和气体出口62。液体进口61与第四阀口24相连。气体出口62与吸气口11相连。通过设置气液分离器6,可以对进入到压缩机1的冷媒进行气液分离作用,避免对压缩机1产生液击问题,从而有利于保护压缩机1。
根据本申请第二种实施例的空调系统100具有制冷模式、制热模式和子除霜杀菌程序。下面对本申请第二种实施例提供的制冷模式、制热模式和子除霜杀菌程序的控制过程和冷媒的流向进行详细说明。
制冷模式
请参阅图12,图12为本申请第二种实施例提供的空调系统制冷模式的示意图。当空调系统100处于制冷模式时,换向组件2的第一阀口21与第三阀口23导通,第二阀口22与第四阀口24导通,每个节流装置42均节流,全部的控制阀51关闭。
冷媒流向:从压缩机1的排气口12排出的高温高压的气态冷媒流向换向组件2,流向换向组件2的冷媒经过第一阀口21流入换向组件2,并且从第三阀口23流出换向组件2。从第三阀口23流出的冷媒分别流向多个并联设置的室外换热器4,在室外换热器4内充分换热后变成高温中压的液态冷媒。然后从一个的室外换热器4流出的冷媒流经与其相连的节流装置42,在节流装置42内进行节流降压后变成低温低压的两相冷媒。从多个节流装置42流出的冷媒流入室内换热器3,并在室内换热器3进行换热后变成低温低压的气态冷媒,最后依次通过第二阀口22、第四阀口24流回压缩机1的吸气口11。
制热模式
请参阅图13,图13为本申请第二种实施例提供的空调系统制热模式的示意图。当空调系统100处于制热模式时,换向组件2的第一阀口21与第二阀口22导通,第三阀口23与第四阀口24导通,每个节流装置42均节流,全部的控制阀51关闭。
冷媒流向:从压缩机1的排气口12排出的高温高压的气态冷媒流向换向组件2,流向换向组件2的冷媒经过第一阀口21流入换向组件2,并且从第二阀口22流出换向组件2。从第二阀口22流出的冷媒流向室内换热器3,在室内换热器3进行换热后变成高压中温的液态冷媒,然后从室内换热器3流出后分别流向多个并联设置的节流装置42,经过节流装置42节流降压后变成低温低压的两相冷媒。接着从一个节流装置42流出后流向对应的室外换热器4,在室外换热器4中蒸发为低温低压的气态冷媒,最后从多个并联设置的室外换热器4流出的冷媒依次通过第三阀口23、第四阀口24流回压缩机1的吸气口11。
子除霜杀菌程序
请参阅图14,图14为本申请第二种实施例提供的空调系统子除霜杀菌程序的示意图。当空调系统100处于除霜杀菌模式时,换向组件2的第一阀口21与第二阀口22导通,第三阀口23与第四阀口24导通,与需要进行除霜的室外换热器4相连的节流装置42全关,其余的节流装置42节流,与需要进行除霜的室外换热器4相连的控制阀51打开,其余的控制阀51关闭。
冷媒流向:从压缩机1的排气口12排出的高温高压的气态冷媒分别流向换向组件2和需要进行除霜的一个除霜支路5,流向除霜支路5的高温高压的气态冷媒流入需要被除霜的一个室外换热器4。流向换向组件2的冷媒经过第一阀口21流入换向组件2,并且从第二阀口22流出换向组件2。从第二阀口22流出的冷媒流向室内换热器3,在室内换热器3进行换热后变成高压中温的液态冷媒,然后从室内换热器3流出后分别流向除与需要进行除霜的室外换热器4相连的节流装置42以外的多个节流装置42,经过节流装置42节流降压后变成低温低压的两相冷媒。接着从节流装置42流向对应的室外换热器4。从需要被除霜的室外换热器4流出的冷媒与从其余的室外换热器4流出的冷媒依次通过第三阀口23、第四阀口24流回压缩机1的吸气口11。
请继续参阅图14,在一些实施例中,室外换热器4的一侧可以设有室外风扇41。这样设置可以提高室外换热器4的换热效率。
基于上述的空调系统100的结构,下面对本申请第二种实施例的空调系统100的第一种除霜杀菌控制方法进行说明。
空调系统100具有除霜杀菌模式,除霜杀菌模式包括多个子除霜杀菌程序,多个子除霜杀菌程序与多个除霜循环流路一一对应,每个子除霜杀菌程序用于对对应的除霜循环流路中的室外换热器4除霜。
请参阅图15,图15为本申请第二种实施例提供的空调系统的第一种除霜杀菌方法的流程图。空调系统100的除霜杀菌控制方法包括:
S1:在运行制热模式的过程中,获取空调系统100的除霜杀菌模式控制指令。其中,在空调系统100处于制热模式时,室内换热器3与压缩机1的排气口12连通,室外换热器4与压缩机1的吸气口11连通,控制阀51关闭。
S2:当获取到除霜杀菌模式控制指令时,控制其中一个除霜循环流路中的控制阀51打开,以控制空调系统100进入与其中一个除霜循环流路对应的子除霜杀菌程序。其中,除霜杀菌模式控制指令的获取可以是空调系统100判断室外换热器4满足除霜条件,从而自动获取到除霜杀菌模式控制指令;也可以是用户手动控制以使空调系统100进入除霜杀菌模式。
由此,在子除霜杀菌程序下,保持其中一个除霜循环流路连通,其余的除霜循环流路关闭。此时,从压缩机1的排气口12排出的高温高压的气态冷媒分别流向室内换热器3和其中一个室外换热器4。流向室内换热器3的冷媒,在室内换热器3进行换热后变成高压中温的液态冷媒,然后从室内换热器3流出后分别流向其余的室外换热器4。最后从其中一个室外换热器4和从其余室外换热器4流出的冷媒流回压缩机1的吸气口11。
S3:检测室内换热器3的盘管温度Tc。
S4:根据检测到的室内换热器3的盘管温度Tc,调节空调系统100的运行参数以控制室内换热器3盘管的温度处于预设杀菌温度区间。由此,当室内换热器3盘管的温度处于预设杀菌温度区间时,可以利用室内换热器3盘管的高温使室内换热器3翅片表面滋生的细菌和病菌灭活,可以保证空调系统100的杀菌效果。
S5:判断空调系统100是否满足当前子除霜杀菌程序结束条件;
S6:若空调系统100满足当前子除霜杀菌程序结束条件,控制下一个除霜循环流路中的控制阀51打开、且控制其余除霜循环流路中的控制阀51关闭,以控制空调系统100进入与下一个除霜循环流路对应的下一个子除霜杀菌程序。
S7:当空调系统100执行最后一个子除霜杀菌程序时,判断空调系统100是否满足除霜模式结束条件;
S8:若满足除霜模式结束条件,则退出除霜杀菌模式。
由此一来,在空调系统100进行杀菌的同时可以对室外换热器4进行除霜,可以避免相关技术中的空调系统100在完成杀菌后,再对室外换热器4进行除霜出现的功耗大的问题,有利于降低空调系统100的功耗,并且还可以避免空调系统100在杀菌的过程中由于室外换热器4结霜过多导致杀菌中断的问题,可以保证空调系统100的杀菌效果。此外,空调系统100在对其中一个室外换热器4进行除霜时,利用压缩机1的排气口12的一部分冷媒至其中一个换热器进行除霜,此时,其余的室外换热器4可以作为蒸发器继续保证空调系统100的制热循环。可以实现轮流对多个并联设置的室外换热器4的其中一个进行除霜的同时,依然保证室内换热器3可以保持高温高压的状态,可以避免空调系统100除霜过程中对室内的温度产生影响,使室内可以保持高温状态,有利于提高用户的舒适性。
请继续参阅图15,空调系统100的运行参数包括压缩机1的频率。通过对压缩机1的频率进行调节,以控制室内换热器3盘管的温度处于预设杀菌温度区间,控制方式简单、快捷。
在一些实施例中,根据检测到的室内换热器3的盘管温度,调节空调系统100的运行参数具体步骤包括:先将室内换热器3的盘管温度与第一预设温度阈值比较,若室内换热器3的盘管温度大于第一预设温度阈值,则控制压缩机1的频率降低;若室内换热器3的盘管温度小于第一预设温度阈值,再将室内换热器3的盘管温度与第二预设温度阈值进行比较;若室内换热器3的盘管温度小于或等于第二预设温度阈值,则控制压缩机1的频率升高;其中,第一预设温度阈值与预设杀菌温度区间的上限值相等,第二预设温度阈值与预设杀菌温度区间的下限值相等。通过先将室内换热器3的盘管温度Tc与预设杀菌温度区间的上限值相比较,可以避免空调系统100在杀菌过程中触发空调系统100的高压保护,进而避免空调系统100在杀菌过程中被打断,可以保证空调系统100的杀菌效果。
请参阅图16,图16为本申请第二种实施例提供的空调系统的第二种除霜杀菌方法的流程图。空调系统100的运行参数包括室内风机31的转速。通过对室内风机31的转速进行调节,以控制室内换热器3盘管的温度处于预设杀菌温度区间,控制方式简单、快捷。
在一些实施例中,根据检测到的室内换热器3的盘管温度,调节空调系统100的运行参数具体步骤包括:先将室内换热器3的盘管温度与第一预设温度阈值比较,若室内换热器3的盘管温度大于第一预设温度阈值,则控制室内风机31的转速升高;若室内换热器3的盘管温度小于第一预设温度阈值,再将室内换热器3的盘管温度与第二预设温度阈值进行比较;若室内换热器3的盘管温度小于或等于第二预设温度阈值,则控制室内风机31的转速降低;其中,第一预设温度阈值与预设杀菌温度区间的上限值相等,第二预设温度阈值与预设杀菌温度区间的下限值相等。通过先将室内换热器3的盘管温度Tc与预设杀菌温度区间的上限值相比较,可以避免空调系统100在杀菌过程中触发空调系统100的高压保护,进而避免空调系统100在杀菌过程中被打断,可以保证空调系统100的杀菌效果。
当然,本申请不限于此,请参阅图17,图17为本申请第二种实施例提供的空调系统的第三种除霜杀菌方法的流程图。在一些实施例中,通过对室内风机31的转速和压缩机1的频率进行调节,以控制室内换热器3盘管的温度处于预设杀菌温度区间。
示例性的,第一预设温度阈值的取值范围为60-75℃之间。第二预设温度阈值的取值范围为45-60℃之间。例如,当冷媒为R410A时,第一预设温度阈值可以为64℃,第二预设温度阈值可以为56℃。
在一些实施例中,空调系统100的运行参数还可以包括与室内换热器3连接的电子膨胀阀的开度或通过排气温度与内机过冷度等参数。
在一些实施例中,判断空调系统100是否满足当前子除霜杀菌程序结束条件之前,检测室外换热器4的盘管温度Tg1。当前子除霜杀菌程序结束条件包括:Tg1大于或等于Tgo,且室内换热器3的盘管温度在预设杀菌温度区间的持续时长达到预设时长。由此,可以在子除霜杀菌程序结束条件满足时,及时退出子除霜杀菌程序,并且也可以保证在除霜的同时保证杀菌效果,有利于提高空调系统100除霜杀菌的可靠性。
在一些实施例中,判断空调系统100是否满足除霜杀菌模式结束条件之前,检测室外换热器4的盘管温度Tg1。除霜杀菌模式结束条件包括:Tg1大于或等于Tgo,且室内换热器3的盘管温度在预设杀菌温度区间的持续时长达到预设时长。由此,可以在除霜杀菌模式结束条件满足时,及时退出除霜杀菌模式,并且也可以保证在除霜的同时保证杀菌效果,有利于提高空调系统100除霜杀菌的可靠性。
在一些实施例中,除霜杀菌模式结束条件的预设时长可以大于或等于与全部的子除霜杀菌程序的结束的预设时长。
在一些实施例中,除霜杀菌模式结束条件可以为:Tg1大于或等于Tgo,且室内换热器3的盘管温度在预设杀菌温度区间内,除霜杀菌模式的持续时长达到预设时长。其中,除霜杀菌模式的持续时长为进入除霜杀菌模式至退出除霜杀菌模式的时长。
在一些实施例中,空调系统100在除霜杀菌模式时,室外风扇41可以保持关闭。这样设置可以避免室外风扇41对除霜效果的影响。
在另一些实施例中,空调系统100的除霜杀菌控制方法包括:
S1:在运行制热模式的过程中,获取空调系统100的除霜杀菌模式控制指令。其中,在空调系统100处于制热模式时,室内换热器3与压缩机1的排气口12连通,室外换热器4与压缩机1的吸气口11连通,控制阀51关闭。
S2:当获取到除霜杀菌模式控制指令时,控制其中一个除霜循环流路中的控制阀51打开,以控制空调系统100进入与其中一个除霜循环流路对应的子除霜杀菌程序。其中,除霜杀菌模式控制指令的获取可以是空调系统100判断室外换热器4满足除霜条件,从而自动获取到除霜杀菌模式控制指令;也可以是用户手动控制以使空调系统100进入除霜杀菌模式。
由此,在子除霜杀菌程序下,保持其中一个除霜循环流路连通,其余的除霜循环流路关闭。此时,从压缩机1的排气口12排出的高温高压的气态冷媒分别流向室内换热器3和其中一个室外换热器4。流向室内换热器3的冷媒,在室内换热器3进行换热后变成高压中温的液态冷媒,然后从室内换热器3流出后分别流向其余的室外换热器4。最后从其中一个室外换热器4和从其余室外换热器4流出的冷媒流回压缩机1的吸气口11。
S3:检测室内换热器3的冷媒压力P。
S4:根据检测到的室内换热器3的冷媒压力P,调节空调系统100的运行参数以控制室内换热器3盘管的温度处于预设杀菌温度区间。由此,当室内换热器3盘管的温度处于预设杀菌温度区间时,可以利用室内换热器3盘管的高温使室内换热器3翅片表面滋生的细菌和病菌灭活,可以保证空调系统100的杀菌效果。
S5:判断空调系统100是否满足当前子除霜杀菌程序结束条件;
S6:若空调系统100满足当前子除霜杀菌程序结束条件,控制下一个除霜循环流路中的控制阀51打开、且控制其余除霜循环流路中的控制阀51关闭,以控制空调系统100进入与下一个除霜循环流路对应的下一个子除霜杀菌程序。
S7:当空调系统100执行最后一个子除霜杀菌程序时,判断空调系统100是否满足除霜模式结束条件;
S8:若满足除霜模式结束条件,则退出除霜杀菌模式。
由此一来,在空调系统100进行杀菌的同时可以对室外换热器4进行除霜,可以避免相关技术中空调系统100在完成杀菌后,再对室外换热器4进行除霜出现的功耗大的问题,有利于降低空调系统100的功耗,并且还可以避免空调系统100在杀菌的过程中由于室外换热器4结霜过多导致杀菌中断的问题,可以保证空调系统100的杀菌效果。此外,空调系统100在对其中一个室外换热器4进行除霜时,利用压缩机1的排气口12的一部分冷媒至其中一个换热器进行除霜,此时,其余的室外换热器4可以作为蒸发器继续保证空调系统100的制热循环。可以实现轮流对多个并联设置的室外换热器4的其中一个进行除霜的同时,依然保证室内换热器3可以保持高温高压的状态,可以避免空调系统100除霜过程中对室内的温度产生影响,使室内可以保持高温状态,有利于提高用户的舒适性。
在一些实施例中,通过对压缩机1的频率进行调节,以控制室内换热器3盘管的温度处于预设杀菌温度区间,控制方式简单、快捷。
在一些实施例中,根据检测到的室内换热器3的冷媒压力,调节空调系统100的运行参数具体步骤包括:先将室内换热器3的冷媒压力与第一预设压力比较,若室内换热器3的冷媒压力大于或等于第一预设压力,则控制压缩机1的频率降低;若室内换热器3的冷媒压力小于第一预设压力,再将室内换热器3的冷媒压力与第二预设压力进行比较;若室内换热器3的冷媒压力小于或等于第二预设压力,则控制压缩机1的频率升高;其中,第一预设压力对应的饱和温度为预设杀菌温度区间的上限值,第二预设压力对应的饱和温度为预设杀菌温度区间的下限值。通过先将室内换热器3的冷媒压力与第一预设压力相比较,可以避免空调系统100在杀菌过程中触发空调系统100的高压保护,进而避免空调系统100在杀菌过程中被打断,可以保证空调系统100的杀菌效果。
在一些实施例中,通过对室内风机31的转速进行调节,以控制室内换热器3盘管的温度处于预设杀菌温度区间,控制方式简单、快捷。
在一些实施例中,根据检测到的室内换热器3的冷媒压力,调节空调系统100的运行参数具体步骤包括:先将室内换热器3的冷媒压力与第一预设压力比较,若室内换热器3的冷媒压力大于或等于第一预设压力,则室内风机31的转速升高;若室内换热器3的冷媒压力小于第一预设压力,再将室内换热器3的冷媒压力与第二预设压力进行比较;若室内换热器3的冷媒压力小于或等于第二预设压力,则室内风机31的转速降低;其中,第一预设压力对应的饱和温度为预设杀菌温度区间的上限值,第二预设压力对应的饱和温度为预设杀菌温度区间的下限值。通过先将室内换热器3的冷媒压力与第一预设压力相比较,可以避免空调系统100在杀菌过程中触发空调系统100的高压保护,进而避免空调系统100在杀菌过程中被打断,可以保证空调系统100的杀菌效果。
当然,本申请不限于此,在一些实施例中,通过对室内风机31的转速和压缩机1的频率进行调节,以控制室内换热器3盘管的温度处于预设杀菌温度区间。
示例性的,当冷媒为R410A时,第一预设压力的取值范围为4-5Mpa,第二预设压力的取值范围为3-4Mpa。例如,当冷媒为R410A时,第一预设压力的取值范围为4.15Mpa,第二预设压力的取值范围为3.51Mp,第一预设压力对应的饱和温度为64℃,第二预设压力对应的饱和温度为56℃。
在一些实施例中,空调系统100的运行参数还可以包括与室内换热器3连接的电子膨胀阀的开度或通过排气温度与内机过冷度等参数。
在一些实施例中,判断空调系统100是否满足当前子除霜杀菌程序结束条件之前,检测室外换热器4的盘管温度Tg1。当前子除霜杀菌程序结束条件包括:Tg1大于或等于Tgo,且室内换热器3的盘管温度在预设杀菌温度区间的持续时长达到预设时长。由此,可以在子除霜杀菌程序结束条件满足时,及时退出子除霜杀菌程序,并且也可以保证在除霜的同时保证杀菌效果,有利于提高空调系统100除霜杀菌的可靠性。
在一些实施例中,判断空调系统100是否满足除霜杀菌模式结束条件之前,检测室外换热器4的盘管温度Tg1。除霜杀菌模式结束条件包括:Tg1大于或等于Tgo,且室内换热器3的盘管温度在预设杀菌温度区间的持续时长达到预设时长。由此,可以在除霜杀菌模式结束条件满足时,及时退出除霜杀菌模式,并且也可以保证在除霜的同时保证杀菌效果,有利于提高空调系统100除霜杀菌的可靠性。
在一些实施例中,除霜杀菌模式结束条件的预设时长可以大于或等于与全部的子除霜杀菌程序的结束的预设时长。
在一些实施例中,除霜杀菌模式结束条件可以为:Tg1大于或等于Tgo,且室内换热器3的盘管温度在预设杀菌温度区间内,除霜杀菌模式的持续时长达到预设时长。其中,除霜杀菌模式的持续时长为进入除霜杀菌模式至退出除霜杀菌模式的时长。
在一些实施例中,空调系统100在除霜杀菌模式时,室外风扇41可以保持关闭。这样设置可以避免室外风扇41对除霜效果的影响。
在一些实施例中,在步骤S3处,可以检测室内换热器3的盘管温度Tc和冷媒压力P。这样设置可以提高检测的准确性。其中,控制方法与上述的控制方法相同,此处不再赘述。
在本说明书的描述中,具体特征、结构、材料或者特点可以在任何的一个或多个实施例或示例中以合适的方式结合。
以上所述,仅为本申请的具体实施方式,但本申请的保护范围并不局限于此,任何熟悉本技术领域的技术人员在本申请揭露的技术范围内,可轻易想到变化或替换,都应涵盖在本申请的保护范围之内。因此,本申请的保护范围应以所述权利要求的保护范围为准。
Claims (10)
1.一种空调系统的除霜杀菌控制方法,其特征在于,所述空调系统包括制冷剂循环流路和除霜循环流路,所述制冷剂循环流路包括依次相连通的压缩机、室内换热器和室外换热器,所述除霜循环流路包括所述压缩机、所述室外换热器以及连接在所述压缩机的排气口和所述室外换热器之间的控制阀,所述空调系统具有制热模式和除霜杀菌模式,所述控制方法包括:
在运行制热模式的过程中,获取空调系统的除霜杀菌模式控制指令;
当获取到除霜杀菌模式控制指令时,控制所述控制阀打开,以进入除霜杀菌模式;
检测室内换热器的盘管温度Tc和/或冷媒压力P;
根据检测到的室内换热器的盘管温度Tc和/或冷媒压力P,调节空调系统的运行参数以控制室内换热器盘管的温度处于预设杀菌温度区间;
判断所述空调系统是否满足除霜杀菌模式结束条件;
若满足,控制所述空调系统退出除霜杀菌模式。
2.根据权利要求1所述的空调系统的除霜杀菌控制方法,其特征在于,所述空调系统的运行参数包括室内风机的转速和/或压缩机的频率。
3.根据权利要求2所述的空调系统的除霜杀菌控制方法,其特征在于,根据检测到的室内换热器的盘管温度,调节空调系统的运行参数具体步骤包括:
先将室内换热器的盘管温度Tc与第一预设温度阈值比较,若室内换热器的盘管温度大于第一预设温度阈值,则控制室内风机的转速升高和/或压缩机的频率降低;若室内换热器的盘管温度小于第一预设温度阈值,再将室内换热器的盘管温度与第二预设温度阈值进行比较;若室内换热器的盘管温度小于或等于第二预设温度阈值,则控制室内风机的转速降低和/或压缩机的频率升高;其中,第一预设温度阈值与所述预设杀菌温度区间的上限值相等,所述第二预设温度阈值与所述预设杀菌温度区间的下限值相等。
4.根据权利要求2所述的空调系统的除霜杀菌控制方法,其特征在于,根据检测到的室内换热器的冷媒压力,调节空调系统的运行参数具体步骤包括:
先将室内换热器的冷媒压力与第一预设压力比较,若室内换热器的冷媒压力大于或等于第一预设压力,则控制室内风机的转速升高和/或压缩机的频率降低;若室内换热器的冷媒压力小于第一预设压力,再将室内换热器的冷媒压力与第二预设压力进行比较;若室内换热器的冷媒压力小于或等于第二预设压力,则控制室内风机的转速降低和/或压缩机的频率升高;其中,所述第一预设压力对应的饱和温度为所述预设杀菌温度区间的上限值,所述第二预设压力对应的饱和温度为所述预设杀菌温度区间的下限值。
5.根据权利要求1所述的空调系统的除霜杀菌控制方法,其特征在于,判断所述空调系统是否满足除霜杀菌模式结束条件之前,检测室外换热器的盘管温度Tg1;
所述除霜杀菌模式结束条件包括:Tg1大于或等于Tgo,且所述室内换热器的盘管温度在所述预设杀菌温度区间的持续时长达到预设时长。
6.一种空调系统的除霜杀菌控制方法,其特征在于,所述空调系统包括制冷剂循环流路和多个除霜循环流路,所述制冷剂循环流路包括依次相连通的压缩机、室内换热器和多个并联设置的室外换热器,所述多个除霜循环流路与多个室外换热器一一对应,每个所述除霜循环流路均包括所述压缩机、一个所述室外换热器以及连接在所述压缩机的排气口和所述一个室外换热器之间的控制阀,所述空调系统具有除霜杀菌模式,所述除霜杀菌模式包括多个子除霜杀菌程序,多个子除霜杀菌程序与多个除霜循环流路一一对应,每个子除霜杀菌程序用于对对应的所述除霜循环流路中的室外换热器除霜;所述控制方法包括:
在运行制热模式的过程中,获取空调系统的除霜杀菌模式控制指令;
当获取到除霜杀菌模式控制指令时,控制其中一个除霜循环流路中的控制阀打开、且控制其余除霜循环流路中的控制阀关闭,以控制所述空调系统进入与所述其中一个除霜循环流路对应的子除霜杀菌程序;
判断所述空调系统是否满足当前子除霜杀菌程序结束条件;
若满足,控制空调系统退出当前子除霜杀菌程序,控制下一个除霜循环流路中的控制阀打开、且控制其余除霜循环流路中的控制阀关闭,以控制所述空调系统进入与所述下一个除霜循环流路对应的下一个子除霜杀菌程序;
当空调系统执行最后一个子除霜杀菌程序时,判断所述空调系统是否满足除霜模式结束条件;
若满足,则退出除霜杀菌模式;
其中,每个子除霜杀菌程序均包括如下步骤:
检测室内换热器的盘管温度Tc和/或冷媒压力P;
根据检测到的室内换热器的盘管温度Tc和/或冷媒压力P,调节空调系统的运行参数以控制室内换热器盘管的温度处于预设杀菌温度区间。
7.根据权利要求6所述的空调系统的除霜杀菌控制方法,其特征在于,所述空调系统的运行参数包括室内风机的转速和/或压缩机的频率。
8.根据权利要求7所述的空调系统的除霜杀菌控制方法,其特征在于,根据检测到的室内换热器的盘管温度,调节空调系统的运行参数具体步骤包括:
先将室内换热器的盘管温度与第一预设温度阈值比较,若室内换热器的盘管温度大于第一预设温度阈值,则控制室内风机的转速升高和/或压缩机的频率降低;若室内换热器的盘管温度小于第一预设温度阈值,再将室内换热器的盘管温度与第二预设温度阈值进行比较;若室内换热器的盘管温度小于或等于第二预设温度阈值,则控制室内风机的转速降低和/或压缩机的频率升高;其中,第一预设温度阈值与所述预设杀菌温度区间的上限值相等,所述第二预设温度阈值与所述预设杀菌温度区间的下限值相等。
9.根据权利要求7所述的空调系统的除霜杀菌控制方法,其特征在于,根据检测到的室内换热器的冷媒压力,调节空调系统的运行参数具体步骤包括:
先将室内换热器的冷媒压力与第一预设压力比较,若室内换热器的冷媒压力大于或等于第一预设压力,则控制室内风机的转速升高和/或压缩机的频率降低;若室内换热器的冷媒压力小于第一预设压力,再将室内换热器的冷媒压力与第二预设压力进行比较;若室内换热器的冷媒压力小于或等于第二预设压力,则控制室内风机的转速降低和/或压缩机的频率升高;其中,所述第一预设压力对应的饱和温度为所述预设杀菌温度区间的上限值,所述第二预设压力对应的饱和温度为所述预设杀菌温度区间的下限值。
10.根据权利要求6所述的空调系统的除霜杀菌控制方法,其特征在于,判断所述空调系统是否满足当前子除霜杀菌程序结束条件之前,检测室外换热器的盘管温度Tg1;
所述当前子除霜杀菌程序结束条件包括:Tg1大于或等于Tgo,且所述室内换热器的盘管温度在所述预设杀菌温度区间的持续时长达到预设时长,和/或所述除霜杀菌模式结束条件包括:Tg1大于或等于Tgo,且所述室内换热器的盘管温度在所述预设杀菌温度区间的持续时长达到预设时长。
Priority Applications (1)
| Application Number | Priority Date | Filing Date | Title |
|---|---|---|---|
| CN202211216390.7A CN115523618A (zh) | 2022-09-30 | 2022-09-30 | 一种空调系统的除霜杀菌控制方法 |
Applications Claiming Priority (1)
| Application Number | Priority Date | Filing Date | Title |
|---|---|---|---|
| CN202211216390.7A CN115523618A (zh) | 2022-09-30 | 2022-09-30 | 一种空调系统的除霜杀菌控制方法 |
Publications (1)
| Publication Number | Publication Date |
|---|---|
| CN115523618A true CN115523618A (zh) | 2022-12-27 |
Family
ID=84702111
Family Applications (1)
| Application Number | Title | Priority Date | Filing Date |
|---|---|---|---|
| CN202211216390.7A Pending CN115523618A (zh) | 2022-09-30 | 2022-09-30 | 一种空调系统的除霜杀菌控制方法 |
Country Status (1)
| Country | Link |
|---|---|
| CN (1) | CN115523618A (zh) |
Cited By (1)
| Publication number | Priority date | Publication date | Assignee | Title |
|---|---|---|---|---|
| CN119222707A (zh) * | 2024-09-20 | 2024-12-31 | 青岛海尔空调器有限总公司 | 可变分流热流除霜控制方法、装置及空调器 |
Citations (6)
| Publication number | Priority date | Publication date | Assignee | Title |
|---|---|---|---|---|
| CN101187516A (zh) * | 2006-11-17 | 2008-05-28 | 海尔集团公司 | 空调除霜方法 |
| CN102032730A (zh) * | 2010-11-25 | 2011-04-27 | 佛山市中格威电子有限公司 | 一种用于变频空调器的热气旁通除霜系统 |
| CN111380153A (zh) * | 2020-03-27 | 2020-07-07 | 广东美的制冷设备有限公司 | 高温除菌控制方法、装置、空调器及存储介质 |
| CN111536674A (zh) * | 2020-05-13 | 2020-08-14 | 广东美的制冷设备有限公司 | 空调器的高温杀菌控制方法、空调器及计算机存储介质 |
| CN111692683A (zh) * | 2020-06-15 | 2020-09-22 | 云能科技有限公司 | 一种空气源热泵系统及其除霜、消毒方法 |
| CN113405235A (zh) * | 2021-06-25 | 2021-09-17 | 海信(山东)空调有限公司 | 空调器的杀菌控制方法及装置、空调器和存储介质 |
-
2022
- 2022-09-30 CN CN202211216390.7A patent/CN115523618A/zh active Pending
Patent Citations (6)
| Publication number | Priority date | Publication date | Assignee | Title |
|---|---|---|---|---|
| CN101187516A (zh) * | 2006-11-17 | 2008-05-28 | 海尔集团公司 | 空调除霜方法 |
| CN102032730A (zh) * | 2010-11-25 | 2011-04-27 | 佛山市中格威电子有限公司 | 一种用于变频空调器的热气旁通除霜系统 |
| CN111380153A (zh) * | 2020-03-27 | 2020-07-07 | 广东美的制冷设备有限公司 | 高温除菌控制方法、装置、空调器及存储介质 |
| CN111536674A (zh) * | 2020-05-13 | 2020-08-14 | 广东美的制冷设备有限公司 | 空调器的高温杀菌控制方法、空调器及计算机存储介质 |
| CN111692683A (zh) * | 2020-06-15 | 2020-09-22 | 云能科技有限公司 | 一种空气源热泵系统及其除霜、消毒方法 |
| CN113405235A (zh) * | 2021-06-25 | 2021-09-17 | 海信(山东)空调有限公司 | 空调器的杀菌控制方法及装置、空调器和存储介质 |
Cited By (1)
| Publication number | Priority date | Publication date | Assignee | Title |
|---|---|---|---|---|
| CN119222707A (zh) * | 2024-09-20 | 2024-12-31 | 青岛海尔空调器有限总公司 | 可变分流热流除霜控制方法、装置及空调器 |
Similar Documents
| Publication | Publication Date | Title |
|---|---|---|
| EP2719966B1 (en) | Refrigeration air-conditioning device | |
| CN104729163B (zh) | 空调系统及其化霜控制方法 | |
| KR20080112670A (ko) | 동시 냉난방형 멀티 공기조화기 및 그 제어방법 | |
| CN114165899B (zh) | 多联机系统 | |
| JP2010506132A (ja) | 空気調和機の停止運転制御方法及び装置 | |
| CN105004114A (zh) | 空调器及其除霜方法 | |
| WO2022110761A1 (zh) | 一种空调器 | |
| WO2022267886A1 (zh) | 空调器的防结霜控制方法及空调器 | |
| JPH09310927A (ja) | 空気調和機の冷媒制御装置 | |
| CN109442792B (zh) | 一种空调器的除霜系统和除霜控制方法及空调器 | |
| CN115574427B (zh) | 空调系统和空调系统的除霜控制方法 | |
| CN116576513A (zh) | 一种空调系统及其控制方法 | |
| CN115523618A (zh) | 一种空调系统的除霜杀菌控制方法 | |
| CN113883684B (zh) | 用于增加深度睡眠时间的空调噪音控制方法和空调 | |
| CN108444141B (zh) | 空调器系统、空调器和空调器的控制方法 | |
| CN111947283A (zh) | 一种空调器和温度补偿的控制方法 | |
| JPH07332795A (ja) | 多室型空気調和装置 | |
| CN206310639U (zh) | 空调器 | |
| EP1696125A1 (en) | Capacity-variable air conditioner | |
| CN115654670A (zh) | 一种空调器及其控制方法 | |
| KR20090069915A (ko) | 공기조화 시스템 | |
| CN113685916A (zh) | 一种空调系统及其控制方法 | |
| CN115046288B (zh) | 一种不停机除霜的控制方法及相应的空调设备 | |
| US20260029147A1 (en) | Air conditioning system | |
| CN111928343A (zh) | 一种热泵空调系统及其除霜方法 |
Legal Events
| Date | Code | Title | Description |
|---|---|---|---|
| PB01 | Publication | ||
| PB01 | Publication | ||
| SE01 | Entry into force of request for substantive examination | ||
| SE01 | Entry into force of request for substantive examination |