CN115468475A - A measuring tool and an installation method of scientific research fin track - Google Patents

A measuring tool and an installation method of scientific research fin track Download PDF

Info

Publication number
CN115468475A
CN115468475A CN202211284718.9A CN202211284718A CN115468475A CN 115468475 A CN115468475 A CN 115468475A CN 202211284718 A CN202211284718 A CN 202211284718A CN 115468475 A CN115468475 A CN 115468475A
Authority
CN
China
Prior art keywords
connecting rod
track
rail
measuring tool
measuring
Prior art date
Legal status (The legal status is an assumption and is not a legal conclusion. Google has not performed a legal analysis and makes no representation as to the accuracy of the status listed.)
Pending
Application number
CN202211284718.9A
Other languages
Chinese (zh)
Inventor
曾芸先
刘天夫
蔡睿眸
章贤涛
Current Assignee (The listed assignees may be inaccurate. Google has not performed a legal analysis and makes no representation or warranty as to the accuracy of the list.)
Guangzhou Shipyard International Co Ltd
Original Assignee
Guangzhou Shipyard International Co Ltd
Priority date (The priority date is an assumption and is not a legal conclusion. Google has not performed a legal analysis and makes no representation as to the accuracy of the date listed.)
Filing date
Publication date
Application filed by Guangzhou Shipyard International Co Ltd filed Critical Guangzhou Shipyard International Co Ltd
Priority to CN202211284718.9A priority Critical patent/CN115468475A/en
Publication of CN115468475A publication Critical patent/CN115468475A/en
Pending legal-status Critical Current

Links

Images

Classifications

    • GPHYSICS
    • G01MEASURING; TESTING
    • G01BMEASURING LENGTH, THICKNESS OR SIMILAR LINEAR DIMENSIONS; MEASURING ANGLES; MEASURING AREAS; MEASURING IRREGULARITIES OF SURFACES OR CONTOURS
    • G01B5/00Measuring arrangements characterised by the use of mechanical techniques
    • G01B5/14Measuring arrangements characterised by the use of mechanical techniques for measuring distance or clearance between spaced objects or spaced apertures
    • BPERFORMING OPERATIONS; TRANSPORTING
    • B63SHIPS OR OTHER WATERBORNE VESSELS; RELATED EQUIPMENT
    • B63BSHIPS OR OTHER WATERBORNE VESSELS; EQUIPMENT FOR SHIPPING 
    • B63B73/00Building or assembling vessels or marine structures, e.g. hulls or offshore platforms
    • B63B73/20Building or assembling prefabricated vessel modules or parts other than hull blocks, e.g. engine rooms, rudders, propellers, superstructures, berths, holds or tanks
    • BPERFORMING OPERATIONS; TRANSPORTING
    • B63SHIPS OR OTHER WATERBORNE VESSELS; RELATED EQUIPMENT
    • B63BSHIPS OR OTHER WATERBORNE VESSELS; EQUIPMENT FOR SHIPPING 
    • B63B73/00Building or assembling vessels or marine structures, e.g. hulls or offshore platforms
    • B63B73/60Building or assembling vessels or marine structures, e.g. hulls or offshore platforms characterised by the use of specific tools or equipment; characterised by automation, e.g. use of robots

Landscapes

  • Engineering & Computer Science (AREA)
  • Architecture (AREA)
  • Structural Engineering (AREA)
  • Chemical & Material Sciences (AREA)
  • Combustion & Propulsion (AREA)
  • Mechanical Engineering (AREA)
  • Ocean & Marine Engineering (AREA)
  • Physics & Mathematics (AREA)
  • General Physics & Mathematics (AREA)
  • Robotics (AREA)
  • Machines For Laying And Maintaining Railways (AREA)

Abstract

The invention discloses a measuring tool and a mounting method of a scientific investigation fin plate track, and belongs to the technical field of ships. The measuring tool is used for measuring the distance between three tracks arranged on the ship body, the three tracks are positioned on three vertexes of a triangle, the measuring tool comprises a support, a limiting unit and a measuring connecting unit, the support comprises a first connecting rod and a second connecting rod which are vertically connected with each other, one end of the second connecting rod is connected to the middle of the first connecting rod, the lengths of the first connecting rod and the second connecting rod respectively correspond to the preset distance between the three tracks, and the support is provided with a center mark which can be coincided with the center line of the fin plate; the limiting unit is connected to the bracket and used for limiting the three tracks; the measuring and connecting unit is connected to the support and used for being fixed with the three rails. The invention can quickly install the rail, shorten the construction period and improve the installation precision and efficiency of the rail and the fin plate.

Description

一种测量工具及科考鳍板轨道的安装方法A measuring tool and an installation method for scientific research fin track

技术领域technical field

本发明涉及船舶领域,尤其涉及一种测量工具及科考鳍板轨道的安装方法。The invention relates to the field of ships, in particular to a measuring tool and a method for installing a scientific research fin track.

背景技术Background technique

在海洋科考船上,基于科学考察的需求,常常在设置一套科考升降鳍系统,升降鳍系统包括鳍板和多根导轨,鳍板可伸至水线下作业,鳍板同时沿多根导轨运动提高移动精度和可靠性,因此,对导轨的安装精度要求较高。现有多根导轨的安装方法是:先安装一根导轨,单独测量及调整一根导轨的垂直或水平的精度,之后,同理安装其他导轨;然而,测量工作量较大,且不便于实时监控(受温度、湿度的影响,不同时测量误差的概率较大)多根导轨的状态,后续安装易出现返工。On marine scientific research ships, based on the needs of scientific investigations, a set of scientific research elevating fin systems is often installed. The elevating fin system includes fins and multiple guide rails. The movement of the guide rail improves the movement accuracy and reliability, so the installation accuracy of the guide rail is required to be higher. The existing method of installing multiple guide rails is: install one guide rail first, measure and adjust the vertical or horizontal accuracy of one guide rail separately, and then install other guide rails in the same way; however, the measurement workload is large and it is not convenient for real-time Monitor the status of multiple guide rails (affected by temperature and humidity, and the probability of measurement error is high at different times), and subsequent installation is prone to rework.

发明内容Contents of the invention

本发明的目的在于提供一种测量工具及科考鳍板轨道的安装方法,可以快速安装轨道,缩短施工周期,提高轨道及鳍板安装精度及效率。The object of the present invention is to provide a measuring tool and a method for installing the track of the scientific research fin, which can quickly install the track, shorten the construction period, and improve the installation accuracy and efficiency of the track and the fin.

为达此目的,本发明采用以下技术方案:For reaching this purpose, the present invention adopts following technical scheme:

一方面,提供一种测量工具,用于测量安装在船体上的三个轨道之间的距离,三个所述轨道位于三角形的三个顶点上,所述测量工具包括:In one aspect, a measuring tool is provided for measuring the distance between three rails installed on a hull, the three rails being located on three vertices of a triangle, the measuring tool comprising:

支架,包括相互垂直连接的第一连接杆和第二连接杆,所述第二连接杆的一端连接于所述第一连接杆的中部,所述第一连接杆和所述第二连接杆的长度分别与三个所述轨道之间的预设距离相对应,所述支架上设有能够与鳍板的中心线重合的中心标记;The bracket includes a first connecting rod and a second connecting rod vertically connected to each other, one end of the second connecting rod is connected to the middle part of the first connecting rod, and the first connecting rod and the second connecting rod The lengths correspond to the preset distances between the three rails, and the bracket is provided with a center mark that can coincide with the center line of the fin;

限位单元,连接于所述支架,所述限位单元用于与三个所述轨道限位;a limiting unit connected to the bracket, and the limiting unit is used for limiting with the three rails;

测量连接单元,连接于所述支架,所述测量连接单元用于与三个所述轨道相固定。The measurement connection unit is connected to the bracket, and the measurement connection unit is used to be fixed to the three rails.

在一些可能的实施方式中,所述测量连接单元包括两个量板组件,两个所述量板组件分别连接于所述第一连接杆的两端,所述量板组件用于连接于所述轨道。In some possible implementations, the measurement connection unit includes two measuring plate assemblies, the two measuring plate assemblies are respectively connected to both ends of the first connecting rod, and the measuring plate assemblies are used to connect to the described track.

在一些可能的实施方式中,所述轨道包括相互连接的第一导轨部和第二导轨部,所述第一导轨部和所述第二导轨部在所述轨道的横向上呈夹角设置,所述量板组件包括两个连接板,所述连接板连接于所述第一连接杆,两个所述连接板分别连接于所述第一导轨部和所述第二导轨部。In some possible implementation manners, the track includes a first guide rail part and a second guide rail part connected to each other, and the first guide rail part and the second guide rail part are arranged at an angle in the transverse direction of the track, The measuring plate assembly includes two connecting plates, the connecting plates are connected to the first connecting rod, and the two connecting plates are respectively connected to the first guide rail part and the second guide rail part.

在一些可能的实施方式中,所述连接板设有插槽,所述轨道能够插入所述插槽,所述连接板上设有紧固件,所述轨道插入所述插槽时所述紧固件能够顶紧在所述轨道上。In some possible implementation manners, the connecting plate is provided with a slot, the track can be inserted into the slot, the connecting plate is provided with a fastener, and the fastening member is provided when the track is inserted into the slot. The fasteners can be fastened against the rails.

在一些可能的实施方式中,所述轨道包括相互连接的第一导轨部和第二导轨部,所述第一导轨部和所述第二导轨部在所述轨道的横向上呈夹角设置,所述限位单元包括:In some possible implementation manners, the track includes a first guide rail part and a second guide rail part connected to each other, and the first guide rail part and the second guide rail part are arranged at an angle in the transverse direction of the track, The limiting unit includes:

两个第一限位板,两个所述第一限位板分别连接于所述第一连接杆的两端,所述第一限位板的外形与所述轨道的弧度相适应,所述第一限位板与所述轨道相抵接;Two first limiting plates, the two first limiting plates are respectively connected to the two ends of the first connecting rod, the shape of the first limiting plates is adapted to the radian of the track, the The first limiting plate abuts against the track;

第二限位板,连接于所述第二连接杆背离所述第一连接杆的端部,所述第二限位板的外形与所述轨道的弧度相适应,所述第二限位板与所述轨道相抵接。The second limiting plate is connected to the end of the second connecting rod away from the first connecting rod, the shape of the second limiting plate is adapted to the radian of the track, and the second limiting plate abut against the track.

在一些可能的实施方式中,所述第二限位板设有V型凹槽,所述第二连接杆包括相互连接的横杆和竖杆,所述第二连接杆呈T字型,所述竖杆连接于所述第一连接杆的中部,所述横杆的两端连接于所述凹槽的两个槽壁。In some possible implementations, the second limiting plate is provided with a V-shaped groove, the second connecting rod includes a cross bar and a vertical rod connected to each other, and the second connecting rod is T-shaped, so The vertical rod is connected to the middle part of the first connecting rod, and the two ends of the horizontal rod are connected to the two groove walls of the groove.

在一些可能的实施方式中,所述第一限位板和所述第二限位板的外表面通过精加工制成,所述第一限位板和所述第二限位板的外表面分别用于测量所述轨道的垂向平面度。In some possible implementations, the outer surfaces of the first limiting plate and the second limiting plate are finished, and the outer surfaces of the first limiting plate and the second limiting plate are used to measure the vertical flatness of the track respectively.

在一些可能的实施方式中,所述中心标记呈线型沿所述第二连接杆的长度方向设置,且所述中心标记设于所述第二连接杆的沿所述第一连接杆延伸方向的中部。In some possible implementation manners, the center mark is arranged linearly along the length direction of the second connecting rod, and the center mark is arranged on the extending direction of the second connecting rod along the extending direction of the first connecting rod of the middle.

另一方面,提供一种科考鳍板轨道的安装方法,鳍板沿三个轨道移动,采用上述的测量工具,包括以下步骤:On the other hand, there is provided a method for installing the rails of scientific research fins, the fins move along three rails, and the above-mentioned measuring tool is used, including the following steps:

将三个所述轨道设于船体上;providing three said tracks on the hull;

将测量工具的测量连接单元与三个轨道相对应,使三个所述轨道粗定位于船体;Corresponding the measuring connection unit of the measuring tool to the three rails, so that the three rails are roughly positioned on the hull;

调整所述测量工具的支架,使所述测量工具的中心标记与鳍板的中心线重合;Adjust the bracket of the measuring tool so that the center mark of the measuring tool coincides with the center line of the fin;

调整所述测量工具,使限位单元对所述轨道进行限位;Adjust the measuring tool so that the limit unit limits the track;

连接测量连接单元和所述轨道;connecting the measuring connection unit and the track;

将所述轨道固定于所述船体。The track is secured to the hull.

在一些可能的实施方式中,调整所述测量工具,使所述限位单元对所述轨道进行限位时,所述限位单元与所述轨道之间的间隙差不大于1mm,所述轨道的平面度不大于1mm。In some possible implementations, the measuring tool is adjusted so that when the limit unit limits the track, the gap difference between the limit unit and the track is not greater than 1 mm, and the track The flatness is not greater than 1mm.

本发明的有益效果:Beneficial effects of the present invention:

本发明提供的一种测量工具及科考鳍板轨道的安装方法,测量连接单元和限位单元均连接于支架上,使测量工具形成一体结构,便于测量使用,方便操作。第一连接杆和第二连接杆连接后形成的三个端点与三个轨道一一对应,第一连接杆和第二连接杆的长度根据轨道之间的预设距离进行设置,通过支架同时测量三个轨道之间的距离,限位单元同时对三个进行限位,测量连接单元同时与三个轨道进行固定,通过测量工具可以同时对三个导轨按预设距离限位及固定,之后可以将导轨固定到船体上,可缩短轨道及鳍板的安装施工周期,提高了轨道及鳍板的安装效率,并且提高了三个轨道的安装精度,有利于后续鳍板的使用及维护。The invention provides a measuring tool and a method for installing the scientific research fin track. Both the measuring connection unit and the limiting unit are connected to the bracket, so that the measuring tool forms an integrated structure, which is convenient for measurement and operation. The three end points formed by the connection of the first connecting rod and the second connecting rod correspond to the three rails one by one. The length of the first connecting rod and the second connecting rod is set according to the preset distance between the rails and measured simultaneously through the bracket The distance between the three rails, the limit unit simultaneously limits the three rails, and the measuring connection unit fixes the three rails at the same time. Through the measuring tool, the three rails can be simultaneously limited and fixed according to the preset distance, and then can be Fixing the guide rails to the hull can shorten the installation and construction period of the rails and the fins, improve the installation efficiency of the rails and the fins, and improve the installation accuracy of the three rails, which is beneficial to the use and maintenance of the subsequent fins.

附图说明Description of drawings

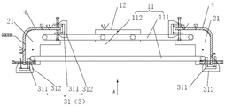
图1是本发明的具体实施方式提供的测量工具测量轨道时的示意图;Fig. 1 is the schematic diagram when the measuring tool that the specific embodiment of the present invention provides provides to measure track;

图2是本发明的具体实施方式提供的测量工具的示意图;Fig. 2 is the schematic diagram of the measurement tool that the specific embodiment of the present invention provides;

图3是图2的A向示意图;Fig. 3 is a schematic diagram of the direction A of Fig. 2;

图4是本发明的具体实施方式提供的一个角度下量板组件的示意图;Fig. 4 is a schematic diagram of an angle lower measuring plate assembly provided by a specific embodiment of the present invention;

图5是本发明的具体实施方式提供的另一个角度下量板组件的示意图。Fig. 5 is a schematic diagram of another angle lower measuring plate assembly provided by a specific embodiment of the present invention.

图中:In the picture:

1、支架;11、第一连接杆;111、连杆;112、连接部;12、第二连接杆;121、中心标记;122、横杆;123、竖杆;1. Bracket; 11. First connecting rod; 111. Connecting rod; 112. Connecting part; 12. Second connecting rod; 121. Center mark; 122. Cross bar; 123. Vertical bar;

2、限位单元;21、第一限位板;22、第二限位板;221、凹槽;2. Limiting unit; 21. First limiting plate; 22. Second limiting plate; 221. Groove;

3、测量连接单元;31、量板组件;311、连接板;3111、插槽;3112、螺纹孔;312、固定块;313、紧固件;3. Measurement connection unit; 31. Measuring plate assembly; 311. Connection plate; 3111. Slot; 3112. Threaded hole; 312. Fixed block; 313. Fastener;

4、轨道;41、第一导轨部;42、第二导轨部;4. Track; 41. The first guide rail part; 42. The second guide rail part;

5、船体。5. Hull.

具体实施方式detailed description

为使本发明解决的技术问题、采用的技术方案和达到的技术效果更加清楚,下面将结合附图对本发明实施例的技术方案做进一步的详细描述,显然,所描述的实施例仅仅是本发明一部分实施例,而不是全部的实施例。基于本发明中的实施例,本领域技术人员在没有做出创造性劳动前提下所获得的所有其他实施例,都属于本发明保护的范围。In order to make the technical problems solved by the present invention, the technical solutions adopted and the technical effects achieved clearer, the technical solutions of the embodiments of the present invention will be further described in detail below in conjunction with the accompanying drawings. Obviously, the described embodiments are only the technical solutions of the present invention. Some, but not all, embodiments. Based on the embodiments of the present invention, all other embodiments obtained by those skilled in the art without making creative efforts belong to the protection scope of the present invention.

在本发明的描述中,除非另有明确的规定和限定,术语“相连”、“连接”、“固定”应做广义理解,例如,可以是固定连接,也可以是可拆卸连接,或成一体;可以是机械连接,也可以是电连接;可以是直接相连,也可以通过中间媒介间接相连,可以是两个元件内部的连通或两个元件的相互作用关系。对于本领域的普通技术人员而言,可以具体情况理解上述术语在本发明中的具体含义。In the description of the present invention, unless otherwise clearly specified and limited, the terms "connected", "connected" and "fixed" should be understood in a broad sense, for example, it can be a fixed connection, a detachable connection, or an integrated ; It can be a mechanical connection or an electrical connection; it can be a direct connection or an indirect connection through an intermediary, and it can be the internal communication of two components or the interaction relationship between two components. Those of ordinary skill in the art can understand the specific meanings of the above terms in the present invention in specific situations.

在本发明中,除非另有明确的规定和限定,第一特征在第二特征之“上”或之“下”可以包括第一和第二特征直接接触,也可以包括第一和第二特征不是直接接触而是通过它们之间的另外的特征接触。而且,第一特征在第二特征“之上”、“上方”和“上面”包括第一特征在第二特征正上方和斜上方,或仅仅表示第一特征水平高度高于第二特征。第一特征在第二特征“之下”、“下方”和“下面”包括第一特征在第二特征正下方和斜下方,或仅仅表示第一特征水平高度小于第二特征。In the present invention, unless otherwise clearly specified and limited, a first feature being "on" or "under" a second feature may include direct contact between the first and second features, and may also include the first and second features Not in direct contact but through another characteristic contact between them. Moreover, "above", "above" and "above" the first feature on the second feature include that the first feature is directly above and obliquely above the second feature, or simply means that the first feature is horizontally higher than the second feature. "Below", "beneath" and "under" the first feature to the second feature include that the first feature is directly below and obliquely below the second feature, or simply means that the first feature has a lower level than the second feature.

科考船上设有升降鳍系统,如图1所示,升降鳍系统包括鳍板和固定于船体5上的三个轨道4,一般地,三个轨道4位于三角形的三个顶点上,鳍板沿三个轨道4移动。本实施例提供了一种测量工具,如图1-图3所示,其包括支架1、限位单元2和测量连接单元3,支架1包括相互垂直连接的第一连接杆11和第二连接杆12,第二连接杆12的一端连接于第一连接杆11的中部,第一连接杆11和第二连接杆12的长度分别与三个轨道4之间的预设距离相对应,支架1上设有能够与鳍板的中心线重合的中心标记121,限位单元2连接于支架1,限位单元2用于与三个轨道4限位,测量连接单元3连接于支架1,测量连接单元3用于与三个轨道4相固定。The scientific research ship is provided with a lifting fin system, as shown in Figure 1, the lifting fin system includes a fin plate and three rails 4 fixed on the hull 5, generally, the three rails 4 are located on the three vertices of the triangle, and the fin plate Move along three tracks4. This embodiment provides a measurement tool, as shown in Figures 1-3, it includes a bracket 1, a limit unit 2 and a measurement connection unit 3, the bracket 1 includes a first connecting rod 11 and a second connecting rod 11 connected vertically to each other Rod 12, one end of the second connecting rod 12 is connected to the middle part of the first connecting rod 11, the lengths of the first connecting rod 11 and the second connecting rod 12 are respectively corresponding to the preset distances between the three rails 4, the support 1 There is a center mark 121 that can coincide with the center line of the fin plate. The limit unit 2 is connected to the bracket 1. The limit unit 2 is used to limit the position with the three rails 4. The measurement connection unit 3 is connected to the bracket 1. The measurement connection Unit 3 is used for fixing with three rails 4 .

测量连接单元3和限位单元2均连接于支架1上,使测量工具形成一体结构,便于测量使用,方便操作。第一连接杆11和第二连接杆12连接后形成的三个端点与三个轨道4一一对应,第一连接杆11和第二连接杆12的长度根据轨道4之间的预设距离进行设置,第一连接杆11用于测量第一连接杆11两端的轨道4的距离,第二连接杆12用于测量第三个轨道4的距离。通过支架1同时测量三个轨道4之间的距离,限位单元2同时对三个进行限位,测量连接单元3同时与三个轨道4进行固定,通过测量工具可以同时对三个导轨按预设距离限位及固定,之后可以将导轨固定到船体5上,可缩短轨道4及鳍板的安装施工周期,提高了轨道4及鳍板的安装效率,并且提高了三个轨道4的安装精度,有利于后续鳍板的使用及维护。Both the measurement connection unit 3 and the limit unit 2 are connected to the bracket 1, so that the measurement tool forms an integrated structure, which is convenient for measurement and operation. The three end points formed after the connection of the first connecting rod 11 and the second connecting rod 12 correspond to the three rails 4 one by one, and the length of the first connecting rod 11 and the second connecting rod 12 is determined according to the preset distance between the rails 4 It is provided that the first connecting rod 11 is used for measuring the distance between the rails 4 at both ends of the first connecting rod 11 , and the second connecting rod 12 is used for measuring the distance of the third rail 4 . Measure the distance between the three rails 4 at the same time through the bracket 1, the limit unit 2 limits the three rails at the same time, the measurement connection unit 3 is fixed with the three rails 4 at the same time, and the three rails can be simultaneously adjusted according to the predetermined distance through the measuring tool. Set the distance limit and fix, and then the guide rail can be fixed on the hull 5, which can shorten the installation and construction period of the rail 4 and the fin, improve the installation efficiency of the rail 4 and the fin, and improve the installation accuracy of the three rails 4 , which is beneficial to the use and maintenance of subsequent fins.

在一种实施方式中,如图1和图2所示,测量连接单元3包括两个量板组件31,两个量板组件31分别连接于第一连接杆11的两端,量板组件31用于连接于轨道4,从而实现测量连接单元3与位于第一连接杆11两端的轨道4的固定。In one embodiment, as shown in FIGS. 1 and 2 , the measurement connection unit 3 includes two measuring plate assemblies 31, and the two measuring plate assemblies 31 are respectively connected to the two ends of the first connecting rod 11. The measuring plate assemblies 31 It is used for connecting to the track 4 so as to realize the fixing of the measuring connection unit 3 and the track 4 at both ends of the first connecting rod 11 .

在一种实施方式中,如图1所示,轨道4包括相互连接的第一导轨部41和第二导轨部42,第一导轨部41和第二导轨部42在轨道4的横向上呈夹角设置,相应地鳍板与三个轨道4的形状相适应,参照现有技术即可,不再赘述。进一步地,第一导轨部41和第二导轨部42呈90°夹角。In one embodiment, as shown in FIG. 1 , the track 4 includes a first guide rail portion 41 and a second guide rail portion 42 connected to each other, and the first guide rail portion 41 and the second guide rail portion 42 are sandwiched in the transverse direction of the track 4 . Angle setting, corresponding fin plate and the shape of three rails 4 adapt, just refer to the prior art, no more details. Further, the first guide rail part 41 and the second guide rail part 42 form an angle of 90°.

在一种实施方式中,如图2所示,量板组件31包括两个连接板311,连接板311连接于第一连接杆11,两个连接板311分别连接于第一导轨部41和第二导轨部42,两个连接板311分别与第一导轨部41和第二导轨部42连接,提高了连接效果,且第一导轨部41和第二导轨部42呈夹角设置,通过连接板311对轨道4的固定实现了两个方向的限位。具体第一连接杆11包括两个连杆111和连接连杆111的连接部112,两个连杆111的两端均连接连接板311,位于两个连杆111同一端的两个连接板311形成一个量板组件31。In one embodiment, as shown in FIG. 2 , the measuring plate assembly 31 includes two connecting plates 311, the connecting plates 311 are connected to the first connecting rod 11, and the two connecting plates 311 are respectively connected to the first rail part 41 and the second rail part 41. Two guide rail parts 42, two connecting plates 311 are respectively connected with the first guide rail part 41 and the second guide rail part 42, which improves the connection effect, and the first guide rail part 41 and the second guide rail part 42 are arranged at an angle, through the connecting plate The fixing of the track 4 by 311 realizes the limitation in two directions. Specifically, the first connecting rod 11 includes two connecting rods 111 and a connecting portion 112 connecting the connecting rods 111, the two ends of the two connecting rods 111 are connected to the connecting plate 311, and the two connecting plates 311 at the same end of the two connecting rods 111 form a A measuring plate assembly 31.

在一种实施方式中,如图3-图5所示,连接板311设有插槽3111,轨道4能够插入插槽3111,连接板311上设有紧固件313,轨道4插入插槽3111时紧固件313能够顶紧在轨道4上,首先轨道4插接于插槽3111内进行限位,之后拧紧紧固件313如螺栓等进行固定,方便拆装操作,且提高了轨道4与连接板311的连接可靠性,并且当调整完成后方便取下测量工具。进一步地,连接板311上开设有螺纹孔3112,螺栓贯穿且螺纹连接于螺纹孔3112。具体连接板311可以焊接在连杆111上,量板组件31还包括固定块312,固定块312焊接于连接板311提高连接板311的结构强度。In one embodiment, as shown in FIGS. 3-5 , the connecting plate 311 is provided with a slot 3111, the track 4 can be inserted into the slot 3111, the connecting plate 311 is provided with a fastener 313, and the track 4 is inserted into the slot 3111 When the fastener 313 can be fastened on the track 4, firstly the track 4 is plugged into the slot 3111 to limit the position, and then the fastener 313 is tightened such as a bolt to fix it, which is convenient for disassembly and assembly, and improves the connection between the track 4 and the track 4. The connection reliability of the connecting plate 311 is improved, and it is convenient to take off the measuring tool after the adjustment is completed. Further, the connecting plate 311 is provided with a threaded hole 3112 , and the bolt passes through and is threadedly connected to the threaded hole 3112 . Specifically, the connecting plate 311 can be welded on the connecting rod 111 , and the measuring plate assembly 31 further includes a fixing block 312 , and the fixing block 312 is welded to the connecting plate 311 to improve the structural strength of the connecting plate 311 .

在一种实施方式中,如图1所示,限位单元2包括第二限位板22和两个第一限位板21,两个第一限位板21分别连接于第一连接杆11的两端,第一限位板21的外形与轨道4的弧度相适应,第一限位板21与轨道4相抵接,保证第一限位板21与轨道4相贴合,提高定位精度;同理,第二限位板22连接于第二连接杆12背离第一连接杆11的端部,第二限位板22的外形与轨道4的弧度相适应,第二限位板22与轨道4相抵接,保证第二限位板22与轨道4相贴合,提高定位精度。In one embodiment, as shown in FIG. 1 , the limiting unit 2 includes a second limiting plate 22 and two first limiting plates 21, and the two first limiting plates 21 are connected to the first connecting rod 11 respectively. The two ends of the first limiting plate 21 are compatible with the radian of the track 4, and the first limiting plate 21 is in contact with the track 4 to ensure that the first limiting plate 21 fits with the track 4 to improve positioning accuracy; In the same way, the second limiting plate 22 is connected to the end of the second connecting rod 12 away from the first connecting rod 11, the shape of the second limiting plate 22 is adapted to the radian of the track 4, and the second limiting plate 22 is aligned with the track 4. 4 abut against each other to ensure that the second limiting plate 22 fits with the track 4 and improve the positioning accuracy.

在一种实施方式中,如图1所示,第二限位板22朝向第二连接杆12的一侧设有V型凹槽221,第二连接杆12包括相互连接的横杆122和竖杆123,第二连接杆12呈T字型,竖杆123连接于第一连接杆11的中部,横杆122的两端连接于凹槽221的两个槽壁,提高第二连接杆12与第二限位板22的连接可靠性和稳定性。具体横杆122和竖杆123可以焊接,竖杆123与第一连接杆11焊接,横杆122与槽壁焊接。In one embodiment, as shown in FIG. 1 , the second limiting plate 22 is provided with a V-shaped groove 221 on one side facing the second connecting rod 12, and the second connecting rod 12 includes a cross bar 122 and a vertical bar connected to each other. Rod 123, the second connecting rod 12 is T-shaped, the vertical rod 123 is connected to the middle part of the first connecting rod 11, the two ends of the cross bar 122 are connected to the two groove walls of the groove 221, and the second connecting rod 12 and the The connection reliability and stability of the second limiting plate 22 . Specifically, the horizontal bar 122 and the vertical bar 123 can be welded, the vertical bar 123 is welded with the first connecting rod 11, and the horizontal bar 122 is welded with the groove wall.

在一种实施方式中,如图1和图2所示,第一限位板21和第二限位板22的外表面通过精加工制成,第一限位板21和第二限位板22的外表面分别用于测量轨道4的垂向平面度。通过精加工降低第一限位板21和第二限位板22的外表面粗糙度,进而提高了测量的轨道4垂向平面度的可靠性和精度。具体是在支架1、第一限位板21和第二限位板22焊接校平之后,机加工第一限位板21和第二限位板22的外表面,可选地,外表面的粗糙度为Ra6.3。In one embodiment, as shown in Figure 1 and Figure 2, the outer surfaces of the first limiting plate 21 and the second limiting plate 22 are made by finishing, the first limiting plate 21 and the second limiting plate The outer surfaces of 22 are used to measure the vertical flatness of the track 4 respectively. The outer surface roughness of the first limiting plate 21 and the second limiting plate 22 is reduced by finishing, thereby improving the reliability and accuracy of measuring the vertical flatness of the track 4 . Specifically, after the bracket 1, the first limiting plate 21 and the second limiting plate 22 are welded and leveled, the outer surfaces of the first limiting plate 21 and the second limiting plate 22 are machined. Optionally, the outer surfaces of the outer surfaces The roughness is Ra6.3.

在一种实施方式中,如图1所示,中心标记121呈线型沿第二连接杆12的长度方向设置,且中心标记121设于第二连接杆12的沿第一连接杆11延伸方向的中部,中线标记用于对准鳍板竖井中线钢丝线,一般在机加工测量工具之后,再在第二连接杆12的中心线标记处打好洋冲记号即中心标记121。安装时,通过调整支架1时中心标记121与鳍板中心线重合。In one embodiment, as shown in FIG. 1 , the center mark 121 is arranged in a linear shape along the length direction of the second connecting rod 12 , and the center mark 121 is arranged on the extending direction of the second connecting rod 12 along the extending direction of the first connecting rod 11 In the middle part, the centerline mark is used to align the steel wire line of the centerline of the fin shaft. Generally, after machining the measuring tool, the foreign punch mark, that is, the center mark 121, is marked at the centerline mark of the second connecting rod 12. During installation, the center mark 121 coincides with the center line of the fin plate when the bracket 1 is adjusted.

本实施例提供一种科考鳍板轨道的安装方法,采用上述的测量工具,包括以下步骤:This embodiment provides a method for installing the scientific research fin track, using the above-mentioned measuring tool, including the following steps:

S1:将三个轨道4设于船体5上;S1: setting three tracks 4 on the hull 5;

S2:将测量工具的测量连接单元3与三个轨道4相对应,使三个轨道4粗定位于船体5;S2: Corresponding the measurement connection unit 3 of the measurement tool to the three rails 4, so that the three rails 4 are roughly positioned on the hull 5;

S3:调整测量工具的支架1,使测量工具的中心标记121与鳍板的中心线重合;S3: adjust the bracket 1 of the measuring tool so that the center mark 121 of the measuring tool coincides with the center line of the fin;

S4:调整测量工具,使限位单元2对轨道4进行限位;S4: Adjust the measuring tool so that the limit unit 2 limits the track 4;

S5:连接测量连接单元3和轨道4;S5: connect the measurement connection unit 3 and the track 4;

S6:将轨道4固定于船体5。S6: Fix the track 4 to the hull 5 .

先将支架1放在三个轨道4之间,根据测量连接单元3与轨道4的位置调节支架1,进行轨道4粗定位,之后找正测量工具的位置作为定位基准,再根据限位单元2和轨道4的位置调节支架1,进行轨道4精定位,通过两次调节提高了轨道4定位精度,且方便同时对三个轨道4进行调节,提高了安装效率。一般地,调整好轨道4位置后,将轨道4烧焊在船体5上。First place the bracket 1 between the three rails 4, adjust the bracket 1 according to the position of the measurement connection unit 3 and the rail 4, perform rough positioning of the rail 4, and then find out the position of the measuring tool as a positioning reference, and then according to the limit unit 2 and the position adjustment bracket 1 of the track 4 to perform precise positioning of the track 4, the positioning accuracy of the track 4 is improved through two adjustments, and it is convenient to adjust three tracks 4 at the same time, which improves the installation efficiency. Generally, after adjusting the position of the track 4, the track 4 is welded on the hull 5.

在一种实施方式中,调整测量工具,使限位单元2对轨道4进行限位时,检查调整支架1,限位单元2与轨道4之间的间隙差不大于1mm,轨道4的平面度不大于1mm,保证安装后的轨道4精度在允许范围内。同时检查两个第一限位板21和第二限位板22与相应轨道4的间隙差,以及轨道4的平面度,尤其是位于第一连接杆11两端的两个轨道4的平面度,如果有偏差,则进行调整轨道4,直到满足精度要求。In one embodiment, adjust the measuring tool to make the limit unit 2 limit the track 4, check and adjust the bracket 1, the gap difference between the limit unit 2 and the track 4 is not more than 1mm, and the flatness of the track 4 No more than 1mm, to ensure that the accuracy of the track 4 after installation is within the allowable range. Simultaneously check the gap difference between the two first limiting plates 21 and the second limiting plate 22 and the corresponding track 4, and the flatness of the track 4, especially the flatness of the two tracks 4 positioned at the two ends of the first connecting rod 11, If there is a deviation, adjust track 4 until the accuracy requirements are met.

还包括S7:调整完成后,取下测量工具,以便于手续使用。Also includes S7: When adjustments are complete, remove the measuring tool for formal access.

显然,本发明的上述实施例仅仅是为了清楚说明本发明所作的举例,而并非是对本发明的实施方式的限定。对于所属领域的普通技术人员来说,在上述说明的基础上还可以做出其它不同形式的变化或变动。这里无需也无法对所有的实施方式予以穷举。凡在本发明的精神和原则之内所作的任何修改、等同替换和改进等,均应包含在本发明权利要求的保护范围之内。Apparently, the above-mentioned embodiments of the present invention are only examples for clearly illustrating the present invention, rather than limiting the implementation of the present invention. For those of ordinary skill in the art, on the basis of the above description, other changes or changes in different forms can also be made. It is not necessary and impossible to exhaustively list all the implementation manners here. All modifications, equivalent replacements and improvements made within the spirit and principles of the present invention shall be included within the protection scope of the claims of the present invention.

Claims (10)

1. A measuring tool for measuring the distance between three tracks (4) mounted on a ship's hull (5), the three tracks (4) being located at the three vertices of a triangle, the measuring tool comprising:
the support (1) comprises a first connecting rod (11) and a second connecting rod (12) which are vertically connected with each other, one end of the second connecting rod (12) is connected to the middle of the first connecting rod (11), the lengths of the first connecting rod (11) and the second connecting rod (12) respectively correspond to the preset distance between the three tracks (4), and a center mark (121) which can be overlapped with the center line of the fin plate is arranged on the support (1);
the limiting unit (2) is connected to the support (1), and the limiting unit (2) is used for limiting the three tracks (4);
the measuring and connecting unit (3) is connected to the support (1), and the measuring and connecting unit (3) is used for being fixed with the three rails (4).
2. The measuring tool according to claim 1, characterized in that the measuring connection unit (3) comprises two gauge plate assemblies (31), the two gauge plate assemblies (31) being connected to the two ends of the first connecting rod (11), respectively, the gauge plate assemblies (31) being adapted to be connected to the rail (4).
3. The measuring tool according to claim 2, wherein the rail (4) comprises a first rail part (41) and a second rail part (42) connected to each other, the first rail part (41) and the second rail part (42) being angled in a transverse direction of the rail (4), the gage plate assembly (31) comprising two connection plates (311), the connection plates (311) being connected to the first connection rod (11), the two connection plates (311) being connected to the first rail part (41) and the second rail part (42), respectively.
4. The measuring tool according to claim 3, characterized in that the connection plate (311) is provided with a slot (3111) into which the rail (4) can be inserted, a fastening element (313) being provided on the connection plate (311), the fastening element (313) being able to abut against the rail (4) when the rail (4) is inserted into the slot (3111).
5. The measuring tool according to any of the claims 1-4, wherein the rail (4) comprises a first rail part (41) and a second rail part (42) connected to each other, the first rail part (41) and the second rail part (42) being arranged at an angle in a transverse direction of the rail (4), the stop unit (2) comprising:
the two first limiting plates (21) are respectively connected to two ends of the first connecting rod (11), the appearance of each first limiting plate (21) is matched with the radian of the track (4), and the first limiting plates (21) are abutted to the track (4);
the second limiting plate (22) is connected to the end portion, deviating from the first connecting rod (11), of the second connecting rod (12), the appearance of the second limiting plate (22) is matched with the radian of the rail (4), and the second limiting plate (22) is abutted to the rail (4).
6. The measuring tool according to claim 5, characterized in that the second limiting plate (22) is provided with a V-shaped groove (221), the second connecting rod (12) comprises a cross rod (122) and a vertical rod (123) which are connected with each other, the second connecting rod (12) is T-shaped, the vertical rod (123) is connected to the middle of the first connecting rod (11), and two ends of the cross rod (122) are connected to two groove walls of the groove (221).
7. The measuring tool according to claim 5, characterized in that the outer surfaces of the first limiting plate (21) and the second limiting plate (22) are made by finish machining, the outer surfaces of the first limiting plate (21) and the second limiting plate (22) being respectively used for measuring the vertical flatness of the rail (4).
8. The measuring tool according to any one of claims 1 to 4, wherein the center mark (121) is provided in a linear shape along a length direction of the second connecting rod (12), and the center mark (121) is provided at a middle portion of the second connecting rod (12) along an extending direction of the first connecting rod (11).
9. A method of mounting a scientific fin track, wherein the fin moves along three tracks (4) using a measuring tool according to any one of claims 1 to 8, comprising the steps of:
arranging the three tracks (4) on a ship body (5);
corresponding a measuring connecting unit (3) of a measuring tool with the three tracks (4) to roughly position the three tracks (4) on the ship body (5);
adjusting the support (1) of the measuring tool so that the center mark (121) of the measuring tool coincides with the center line of the fin plate;
adjusting the measuring tool to enable a limiting unit (2) to limit the track (4);
-connecting the measuring connection unit (3) and the rail (4);
-fixing the track (4) to the hull (5).
10. The method of mounting a scientific fin track according to claim 9, characterized in that the measuring tool is adjusted so that when the stop unit (2) stops the track (4), the gap difference between the stop unit (2) and the track (4) is not more than 1mm and the flatness of the track (4) is not more than 1mm.
CN202211284718.9A 2022-10-17 2022-10-17 A measuring tool and an installation method of scientific research fin track Pending CN115468475A (en)

Priority Applications (1)

Application Number Priority Date Filing Date Title
CN202211284718.9A CN115468475A (en) 2022-10-17 2022-10-17 A measuring tool and an installation method of scientific research fin track

Applications Claiming Priority (1)

Application Number Priority Date Filing Date Title
CN202211284718.9A CN115468475A (en) 2022-10-17 2022-10-17 A measuring tool and an installation method of scientific research fin track

Publications (1)

Publication Number Publication Date
CN115468475A true CN115468475A (en) 2022-12-13

Family

ID=84336655

Family Applications (1)

Application Number Title Priority Date Filing Date
CN202211284718.9A Pending CN115468475A (en) 2022-10-17 2022-10-17 A measuring tool and an installation method of scientific research fin track

Country Status (1)

Country Link
CN (1) CN115468475A (en)

Cited By (1)

* Cited by examiner, † Cited by third party
Publication number Priority date Publication date Assignee Title
CN116834922A (en) * 2023-07-20 2023-10-03 江南造船(集团)有限责任公司 Installation method of lifting fin support plate and guide rail of scientific investigation ship

Citations (5)

* Cited by examiner, † Cited by third party
Publication number Priority date Publication date Assignee Title
CN2715104Y (en) * 2004-08-13 2005-08-03 刘健 A ruler for measuring distance between circle centers of main shaft and pitman shaft
CN110001866A (en) * 2019-03-15 2019-07-12 沪东中华造船(集团)有限公司 A kind of installation and detection method of flipper guide rail
CN112428194A (en) * 2020-10-23 2021-03-02 中船黄埔文冲船舶有限公司 Auxiliary tool for mounting lifting fin
CN215447708U (en) * 2021-06-16 2022-01-07 比亚迪股份有限公司 A device for measuring the distance between guide surfaces of track beams
CN114111519A (en) * 2021-10-15 2022-03-01 沪东中华造船(集团)有限公司 Fin elevator guide rail interval auxiliary measurement's device

Patent Citations (5)

* Cited by examiner, † Cited by third party
Publication number Priority date Publication date Assignee Title
CN2715104Y (en) * 2004-08-13 2005-08-03 刘健 A ruler for measuring distance between circle centers of main shaft and pitman shaft
CN110001866A (en) * 2019-03-15 2019-07-12 沪东中华造船(集团)有限公司 A kind of installation and detection method of flipper guide rail
CN112428194A (en) * 2020-10-23 2021-03-02 中船黄埔文冲船舶有限公司 Auxiliary tool for mounting lifting fin
CN215447708U (en) * 2021-06-16 2022-01-07 比亚迪股份有限公司 A device for measuring the distance between guide surfaces of track beams
CN114111519A (en) * 2021-10-15 2022-03-01 沪东中华造船(集团)有限公司 Fin elevator guide rail interval auxiliary measurement's device

Cited By (1)

* Cited by examiner, † Cited by third party
Publication number Priority date Publication date Assignee Title
CN116834922A (en) * 2023-07-20 2023-10-03 江南造船(集团)有限责任公司 Installation method of lifting fin support plate and guide rail of scientific investigation ship

Similar Documents

Publication Publication Date Title
CN114166458B (en) Wind tunnel body component suspension system and method
CN115468475A (en) A measuring tool and an installation method of scientific research fin track
CN115077404B (en) Laser measuring instrument calibration system, installation and debugging method and calibration method
CN110193671B (en) Installation and adjustment method for base of cold-rolled large-sized plate strip laser welding machine
CN110548844B (en) Square billet continuous casting sector section assembling method
WO2025232018A1 (en) Automatic positioning and adjusting system and method for maglev functional component on guideway
CN115431070B (en) Mounting tool for machining equipment rail and rail laying method
CN114838639B (en) Discontinuous space combination detection platform and flatness detection method thereof
CN111780687A (en) Calibration device for profile detection system and its working method
CN111230777A (en) Electromagnet module assembling tool and method
CN115930717A (en) telescopic measuring ruler
CN111412815A (en) Measuring tool, groove compensation method and method for measuring thickness difference of two plates to be measured
CN114279350A (en) A kind of laser measuring device and measuring method of connecting rod thickness
CN221550916U (en) Laser track gauge measuring device
RU89513U1 (en) LASER LEVEL OF THE DUCK
CN223216805U (en) A relative height and flatness inspection tool
CN117283260B (en) An assembly mechanism and method for adjusting the gap of air-floating guide rail guide grooves
CN120395376A (en) A high-precision assembly process for three parallel guide rails
CN120156678A (en) A press-fitting auxiliary device for rudder stock and rudder pintle
CN223075192U (en) Precast slab joint controlling means
CN206095099U (en) Steel plate length inspects tool
CN222873321U (en) A crystallizer ingot cage calibration device
CN115301910B (en) Zero section fixing device of slab continuous casting machine
CN112504082B (en) Frog working edge detection tool
CN223302879U (en) Aircraft tie rod adjuster

Legal Events

Date Code Title Description
PB01 Publication
PB01 Publication
SE01 Entry into force of request for substantive examination
SE01 Entry into force of request for substantive examination