CN115388484A - 光伏直驱的直膨式太阳能热泵热电联供系统及其控制方法 - Google Patents

光伏直驱的直膨式太阳能热泵热电联供系统及其控制方法 Download PDF

Info

Publication number
CN115388484A
CN115388484A CN202210806810.0A CN202210806810A CN115388484A CN 115388484 A CN115388484 A CN 115388484A CN 202210806810 A CN202210806810 A CN 202210806810A CN 115388484 A CN115388484 A CN 115388484A
Authority
CN
China
Prior art keywords
heat
electric
way valve
heating
subsystem
Prior art date
Legal status (The legal status is an assumption and is not a legal conclusion. Google has not performed a legal analysis and makes no representation as to the accuracy of the status listed.)
Granted
Application number
CN202210806810.0A
Other languages
English (en)
Other versions
CN115388484B (zh
Inventor
狄彦强
龙鹤
赵晨
廉雪丽
李颜颐
孔舒婷
Current Assignee (The listed assignees may be inaccurate. Google has not performed a legal analysis and makes no representation or warranty as to the accuracy of the list.)
Qinghai University
China Academy of Building Research CABR
Original Assignee
Qinghai University
China Academy of Building Research CABR
Priority date (The priority date is an assumption and is not a legal conclusion. Google has not performed a legal analysis and makes no representation as to the accuracy of the date listed.)
Filing date
Publication date
Application filed by Qinghai University, China Academy of Building Research CABR filed Critical Qinghai University
Priority to CN202210806810.0A priority Critical patent/CN115388484B/zh
Publication of CN115388484A publication Critical patent/CN115388484A/zh
Application granted granted Critical
Publication of CN115388484B publication Critical patent/CN115388484B/zh
Active legal-status Critical Current
Anticipated expiration legal-status Critical

Links

Images

Classifications

    • FMECHANICAL ENGINEERING; LIGHTING; HEATING; WEAPONS; BLASTING
    • F24HEATING; RANGES; VENTILATING
    • F24FAIR-CONDITIONING; AIR-HUMIDIFICATION; VENTILATION; USE OF AIR CURRENTS FOR SCREENING
    • F24F5/00Air-conditioning systems or apparatus not covered by F24F1/00 or F24F3/00, e.g. using solar heat or combined with household units such as an oven or water heater
    • F24F5/0007Air-conditioning systems or apparatus not covered by F24F1/00 or F24F3/00, e.g. using solar heat or combined with household units such as an oven or water heater cooling apparatus specially adapted for use in air-conditioning
    • F24F5/0017Air-conditioning systems or apparatus not covered by F24F1/00 or F24F3/00, e.g. using solar heat or combined with household units such as an oven or water heater cooling apparatus specially adapted for use in air-conditioning using cold storage bodies, e.g. ice
    • FMECHANICAL ENGINEERING; LIGHTING; HEATING; WEAPONS; BLASTING
    • F24HEATING; RANGES; VENTILATING
    • F24FAIR-CONDITIONING; AIR-HUMIDIFICATION; VENTILATION; USE OF AIR CURRENTS FOR SCREENING
    • F24F11/00Control or safety arrangements
    • F24F11/30Control or safety arrangements for purposes related to the operation of the system, e.g. for safety or monitoring
    • F24F11/46Improving electric energy efficiency or saving
    • FMECHANICAL ENGINEERING; LIGHTING; HEATING; WEAPONS; BLASTING
    • F24HEATING; RANGES; VENTILATING
    • F24FAIR-CONDITIONING; AIR-HUMIDIFICATION; VENTILATION; USE OF AIR CURRENTS FOR SCREENING
    • F24F11/00Control or safety arrangements
    • F24F11/62Control or safety arrangements characterised by the type of control or by internal processing, e.g. using fuzzy logic, adaptive control or estimation of values
    • F24F11/63Electronic processing
    • F24F11/64Electronic processing using pre-stored data
    • FMECHANICAL ENGINEERING; LIGHTING; HEATING; WEAPONS; BLASTING
    • F24HEATING; RANGES; VENTILATING
    • F24FAIR-CONDITIONING; AIR-HUMIDIFICATION; VENTILATION; USE OF AIR CURRENTS FOR SCREENING
    • F24F11/00Control or safety arrangements
    • F24F11/70Control systems characterised by their outputs; Constructional details thereof
    • FMECHANICAL ENGINEERING; LIGHTING; HEATING; WEAPONS; BLASTING
    • F24HEATING; RANGES; VENTILATING
    • F24FAIR-CONDITIONING; AIR-HUMIDIFICATION; VENTILATION; USE OF AIR CURRENTS FOR SCREENING
    • F24F5/00Air-conditioning systems or apparatus not covered by F24F1/00 or F24F3/00, e.g. using solar heat or combined with household units such as an oven or water heater
    • F24F5/0007Air-conditioning systems or apparatus not covered by F24F1/00 or F24F3/00, e.g. using solar heat or combined with household units such as an oven or water heater cooling apparatus specially adapted for use in air-conditioning
    • F24F5/001Compression cycle type
    • FMECHANICAL ENGINEERING; LIGHTING; HEATING; WEAPONS; BLASTING
    • F24HEATING; RANGES; VENTILATING
    • F24FAIR-CONDITIONING; AIR-HUMIDIFICATION; VENTILATION; USE OF AIR CURRENTS FOR SCREENING
    • F24F5/00Air-conditioning systems or apparatus not covered by F24F1/00 or F24F3/00, e.g. using solar heat or combined with household units such as an oven or water heater
    • F24F5/0046Air-conditioning systems or apparatus not covered by F24F1/00 or F24F3/00, e.g. using solar heat or combined with household units such as an oven or water heater using natural energy, e.g. solar energy, energy from the ground
    • HELECTRICITY
    • H02GENERATION; CONVERSION OR DISTRIBUTION OF ELECTRIC POWER
    • H02JCIRCUIT ARRANGEMENTS OR SYSTEMS FOR SUPPLYING OR DISTRIBUTING ELECTRIC POWER; SYSTEMS FOR STORING ELECTRIC ENERGY
    • H02J3/00Circuit arrangements for AC mains or AC distribution networks
    • H02J3/28Arrangements for balancing of the load in a network by storage of energy
    • H02J3/32Arrangements for balancing of the load in a network by storage of energy using batteries with converting means
    • HELECTRICITY
    • H02GENERATION; CONVERSION OR DISTRIBUTION OF ELECTRIC POWER
    • H02JCIRCUIT ARRANGEMENTS OR SYSTEMS FOR SUPPLYING OR DISTRIBUTING ELECTRIC POWER; SYSTEMS FOR STORING ELECTRIC ENERGY
    • H02J3/00Circuit arrangements for AC mains or AC distribution networks
    • H02J3/38Arrangements for parallely feeding a single network by two or more generators, converters or transformers
    • H02J3/381Dispersed generators
    • HELECTRICITY
    • H02GENERATION; CONVERSION OR DISTRIBUTION OF ELECTRIC POWER
    • H02JCIRCUIT ARRANGEMENTS OR SYSTEMS FOR SUPPLYING OR DISTRIBUTING ELECTRIC POWER; SYSTEMS FOR STORING ELECTRIC ENERGY
    • H02J3/00Circuit arrangements for AC mains or AC distribution networks
    • H02J3/38Arrangements for parallely feeding a single network by two or more generators, converters or transformers
    • H02J3/388Islanding, i.e. disconnection of local power supply from the network
    • FMECHANICAL ENGINEERING; LIGHTING; HEATING; WEAPONS; BLASTING
    • F24HEATING; RANGES; VENTILATING
    • F24FAIR-CONDITIONING; AIR-HUMIDIFICATION; VENTILATION; USE OF AIR CURRENTS FOR SCREENING
    • F24F5/00Air-conditioning systems or apparatus not covered by F24F1/00 or F24F3/00, e.g. using solar heat or combined with household units such as an oven or water heater
    • F24F5/0046Air-conditioning systems or apparatus not covered by F24F1/00 or F24F3/00, e.g. using solar heat or combined with household units such as an oven or water heater using natural energy, e.g. solar energy, energy from the ground
    • F24F2005/0064Air-conditioning systems or apparatus not covered by F24F1/00 or F24F3/00, e.g. using solar heat or combined with household units such as an oven or water heater using natural energy, e.g. solar energy, energy from the ground using solar energy
    • F24F2005/0067Air-conditioning systems or apparatus not covered by F24F1/00 or F24F3/00, e.g. using solar heat or combined with household units such as an oven or water heater using natural energy, e.g. solar energy, energy from the ground using solar energy with photovoltaic panels
    • FMECHANICAL ENGINEERING; LIGHTING; HEATING; WEAPONS; BLASTING
    • F24HEATING; RANGES; VENTILATING
    • F24FAIR-CONDITIONING; AIR-HUMIDIFICATION; VENTILATION; USE OF AIR CURRENTS FOR SCREENING
    • F24F2221/00Details or features not otherwise provided for
    • F24F2221/18Details or features not otherwise provided for combined with domestic apparatus
    • FMECHANICAL ENGINEERING; LIGHTING; HEATING; WEAPONS; BLASTING
    • F24HEATING; RANGES; VENTILATING
    • F24FAIR-CONDITIONING; AIR-HUMIDIFICATION; VENTILATION; USE OF AIR CURRENTS FOR SCREENING
    • F24F2221/00Details or features not otherwise provided for
    • F24F2221/34Heater, e.g. gas burner, electric air heater
    • HELECTRICITY
    • H02GENERATION; CONVERSION OR DISTRIBUTION OF ELECTRIC POWER
    • H02JCIRCUIT ARRANGEMENTS OR SYSTEMS FOR SUPPLYING OR DISTRIBUTING ELECTRIC POWER; SYSTEMS FOR STORING ELECTRIC ENERGY
    • H02J2300/00Systems for supplying or distributing electric power characterised by decentralized, dispersed, or local generation
    • H02J2300/20The dispersed energy generation being of renewable origin
    • H02J2300/22The renewable source being solar energy
    • H02J2300/24The renewable source being solar energy of photovoltaic origin
    • YGENERAL TAGGING OF NEW TECHNOLOGICAL DEVELOPMENTS; GENERAL TAGGING OF CROSS-SECTIONAL TECHNOLOGIES SPANNING OVER SEVERAL SECTIONS OF THE IPC; TECHNICAL SUBJECTS COVERED BY FORMER USPC CROSS-REFERENCE ART COLLECTIONS [XRACs] AND DIGESTS
    • Y02TECHNOLOGIES OR APPLICATIONS FOR MITIGATION OR ADAPTATION AGAINST CLIMATE CHANGE
    • Y02BCLIMATE CHANGE MITIGATION TECHNOLOGIES RELATED TO BUILDINGS, e.g. HOUSING, HOUSE APPLIANCES OR RELATED END-USER APPLICATIONS
    • Y02B10/00Integration of renewable energy sources in buildings
    • Y02B10/10Photovoltaic [PV]
    • YGENERAL TAGGING OF NEW TECHNOLOGICAL DEVELOPMENTS; GENERAL TAGGING OF CROSS-SECTIONAL TECHNOLOGIES SPANNING OVER SEVERAL SECTIONS OF THE IPC; TECHNICAL SUBJECTS COVERED BY FORMER USPC CROSS-REFERENCE ART COLLECTIONS [XRACs] AND DIGESTS
    • Y02TECHNOLOGIES OR APPLICATIONS FOR MITIGATION OR ADAPTATION AGAINST CLIMATE CHANGE
    • Y02EREDUCTION OF GREENHOUSE GAS [GHG] EMISSIONS, RELATED TO ENERGY GENERATION, TRANSMISSION OR DISTRIBUTION
    • Y02E10/00Energy generation through renewable energy sources
    • Y02E10/60Thermal-PV hybrids

Landscapes

  • Engineering & Computer Science (AREA)
  • Mechanical Engineering (AREA)
  • General Engineering & Computer Science (AREA)
  • Chemical & Material Sciences (AREA)
  • Combustion & Propulsion (AREA)
  • Life Sciences & Earth Sciences (AREA)
  • Sustainable Development (AREA)
  • Power Engineering (AREA)
  • Signal Processing (AREA)
  • Sustainable Energy (AREA)
  • Physics & Mathematics (AREA)
  • Fuzzy Systems (AREA)
  • Mathematical Physics (AREA)
  • Heat-Pump Type And Storage Water Heaters (AREA)

Abstract

本发明涉及光伏直驱的直膨式太阳能热泵热电联供系统及其控制方法,系统包括:控制结构、电供应子系统、以及共用蓄热水箱的热收集子系统、生活热水供应子系统和多源互补供暖子系统;所述电供应子系统与热收集子系统共用太阳能光伏光热一体化组件。本发明电供应子系统为用户高效的提供电能;热收集子系统利用双回路方式解决直膨式太阳能热泵持续高能耗问题,在保证太阳能光伏光热一体化组件降温效果的同时减少耗能;生活热水供应子系统利用双水箱结构解决热水需求与集热板散热不协调问题;多源互补供暖子系统为四回路结构,其针对不同季节、不同太阳辐射强度下用户的用能需求,提出了相应的控制运行策略;整个系统的协调合作提高了供能稳定性。

Description

光伏直驱的直膨式太阳能热泵热电联供系统及其控制方法
技术领域
本发明涉及光伏光热一体化热电联供技术领域,尤其涉及光伏直驱的直膨式太阳能热泵热电联供系统及其控制方法。
背景技术
传统的太阳能利用分为光热转换和光电转换两种方式,而且都是分开两种装置两套用能系统进行供能,存在能源利用能效低、装备安装复杂、成本高占地大等不足。单独的光伏发电系统仅有10%~20%转换效率,其中80%~90%的辐射能除部分被反射回去外,其余全部转变为热能,使电池温度升高,降低了电输出。研究表明,光伏电池平均每升高1℃,光电转换效率下降3‰-5‰。采用新型的光伏光热一体化(PV/T)热电联供技术可以实现电能和热能的一体利用,其中由光伏发电输出电能,然后利用背部的流体通道吸收走光伏板的热量给建筑供暖或提供生活热水,是一种对太阳能光伏和光热综合利用的技术,根据背部通道内的冷却流体种类可将PV/T太阳能集热器分为空气型,热水型,热管型,冷剂型等四大类。
目前,光伏光热一体化(PV/T)热电联供技术在理论分析、模拟研究和实验研究等方面取得了良好的发展,可适合于家庭热水、供暖和其他需要低湿热源的民用和工业用途。
但是目前利用PV/T光伏光热一体化构建的热电联供系统或多或少的存在着一些缺陷,例如热电联供系统难以协调寒冷地区生活热水需求和光伏板散热需求、将太阳能光伏光热一体化板与热泵相结合使用的热电联供系统没有考虑到太阳能不充足时热泵耗能大于产热时的运行策略造成了能源浪费情况以及针对有太阳能供暖需求的用户设计的热电联供系统未考虑太阳能丰富但不需要供暖的夏季热量存储利用的问题等缺陷,这些缺陷不利于热电联供系统的大力推广使用。
发明内容
针对现有技术存在的问题,本发明实施例提供一种克服上述问题或者至少部分地解决上述问题的光伏直驱的直膨式太阳能热泵热电联供系统及其控制方法。
第一个方面,本发明提供一种光伏直驱的直膨式太阳能热泵热电联供系统,所述系统包括:控制结构、电供应子系统、以及共用蓄热水箱的热收集子系统、生活热水供应子系统和多源互补供暖子系统;所述电供应子系统与热收集子系统共用太阳能光伏光热一体化组件;
所述蓄热水箱内置有换热盘管,所述太阳能光伏光热一体化组件内置有金属通道;
其中,所述电供应子系统还包括:离并网光伏逆控一体机和太阳能光伏储能胶体蓄电池;所述离并网光伏逆控一体机分别与太阳能光伏储能胶体蓄电池、太阳能光伏光热一体化组件和电网电连接;
所述生活热水供应子系统还包括:第七电动二通阀、第三电动二通阀和生活热水水箱;所述蓄热水箱通过第七电动二通阀与自来水连通,并通过第三电动二通阀与生活热水水箱连通;
所述多源互补供暖子系统由内部流走制冷剂的第一热能转移回路和第二热能转移回路构成;所述第一/二热能转移回路,经过金属通道和换热盘管,用于在太阳能充足/不充足时将太阳能光伏光热一体化组件热量转移至蓄热水箱;
所述多源互补供暖子系统由水流流经蓄热水箱的第一供暖回路、第二供暖回路和散热回路,以及水流不流经蓄热水箱的供冷回路构成;所述第一供暖回路、第二供暖回路、供冷回路和散热回路,对应用于存在供暖需求但供暖需求未超过预设强度阈值、存在供暖需求且供暖需求超过预设强度阈值、存在供冷需求、无供暖且无供冷需求四种情况;
所述控制结构,用于控制热收集子系统、生活热水供应子系统和多源互补供暖子系统中受控设备的运行。
根据本发明提供的光伏直驱的直膨式太阳能热泵热电联供系统,所述第一热能转移回路,由金属管道、压缩机、第五电动二通阀、换热盘管、第二电动二通阀和热力膨胀阀首尾顺序连通而成;
所述第二热能转移回路,由金属管道、第四电动二通阀、换热盘管和第一电动二通阀首尾顺序连通而成。
根据本发明提供的光伏直驱的直膨式太阳能热泵热电联供系统,所述第一供暖回路,由蓄热水箱、第六电动二通阀、地暖末端、第十一电动二通阀、水泵和第九电动二通阀首尾顺序连通而成;
所述第二供暖回路由蓄热水箱、第八电动二通阀、多功能生物质炉具的水管、地暖末端、第十二电动二通阀、浅层地埋管、水泵和第九电动二通阀首尾顺序连通而成;
所述供冷回路由地暖末端、第十二电动二通阀、浅层地埋管、水泵和第十电动二通阀首尾顺序连通而成;
所述散热回路由蓄热水箱、第六电动二通阀、第十二电动二通阀、浅层地埋管、水泵和第九电动二通阀首尾顺序连通而成。
根据本发明提供的光伏直驱的直膨式太阳能热泵热电联供系统,所述控制结构,包括:控制器、第一热电偶温度计、第二热电偶温度计、第三热电偶温度计和第四热电偶温度计;
所述第一热电偶温度计、第二热电偶温度计、第三热电偶温度计和第四热电偶温度计分别置于太阳能光伏光热一体化组件、太阳能光伏光热一体化组件的金属管道出口、蓄热水箱和生活热水水箱的表面;
所述控制器,用于监测第一热电偶温度计、第二热电偶温度计、第三热电偶温度计和第四热电偶温度计的温度数据,并基于温度数据实现对热收集子系统、生活热水供应子系统和多源互补供暖子系统中受控设备的控制。
根据本发明提供的光伏直驱的直膨式太阳能热泵热电联供系统,所述太阳能光伏光热一体化组件包括多层板结构以及将多层板结构固定的边框;
所述多层板结构包括:由上而下设置的玻璃层、空气层、第一EVA 胶层、光伏电池板、第二EVA胶层、TPT膜层、导热金属板、绝热层和背封;
所述绝热层由众多并联排布的金属管道组成,金属管道的出口与所述压缩机的进口连通;金属管道的进口与所述热力膨胀阀的出口连通。
根据本发明提供的光伏直驱的直膨式太阳能热泵热电联供系统,所述多功能生物质炉具,包括:燃烧室和水管;
其中,所述燃烧室留有灶口、生物质燃料放置口和出灰口;所述水管设置于燃烧室的四壁。
根据本发明提供的光伏直驱的直膨式太阳能热泵热电联供系统,所述生活热水水箱中内置有电辅助加热器,外部连接有方面用户取水的手动阀门。
根据本发明提供的光伏直驱的直膨式太阳能热泵热电联供系统,离并网光伏逆控一体机,还与控制结构、热收集子系统、生活热水供应子系统和多源互补供暖子系统中的用电设备电连接。
根据本发明提供的光伏直驱的直膨式太阳能热泵热电联供系统,所述导热金属板为导热铜板;所述金属管道为铜管。
第二方面,本发明还提供一种光伏直驱的直膨式太阳能热泵热电联供系统的控制方法,所述方法实现对电供应子系统、热收集子系统、生活热水供应子系统和多源互补供暖子系统的控制;
所述对电供应子系统的控制,包括:在太阳能光伏光热一体化组件产生的电量充足的情况下,利用离并网光伏逆控一体机将电能按照负载、太阳能光伏储能胶体蓄电池和电网的次序进行供给;
在太阳能光伏光热一体化组件产生的电量不充足的情况下,利用离并网光伏逆控一体机将负载缺乏的电量按照太阳能光伏储能胶体蓄电池和电网的次序进行调用;
其中,所述负载包括:控制结构、热收集子系统、生活热水供应子系统和多源互补供暖子系统中的用电设备,以及其它家用电器。
根据本发明提供的光伏直驱的直膨式太阳能热泵热电联供系统的控制方法,所述对热收集子系统的控制,包括:
在第一热电偶温度计的温度高于第一温度设定值的情况下,控制第二电动二通阀和第五电动二通阀导通,第一电动二通阀和第四电动二通阀关断,以利用第一热能转移回路将太阳能光伏光热一体化组件热量转移至蓄热水箱;
在第一热电偶温度计的温度不高于第一温度设定值,且第二热电偶温度计的温度高于第三热电偶温度计的温度的情况下,控制第一电动二通阀和第四电动二通阀导通,第二电动二通阀和第五电动二通阀关断,以利用第二热能转移回路将太阳能光伏光热一体化组件热量转移至蓄热水箱;
在第二热电偶温度计的温度不高于第三热电偶温度计的温度的情况下,控制第一电动二通阀、第四电动二通阀、第二电动二通阀和第五电动二通阀关断,以暂停集热。
根据本发明提供的光伏直驱的直膨式太阳能热泵热电联供系统的控制方法,所述对生活热水供应子系统的控制,包括:
在生活热水水箱的水位低于预设水位值的情况下,导通第三电动二通阀和第七电动二通阀,以使蓄热水箱的热水流通至生活热水水箱,并使自来水补充至蓄热水箱。
根据本发明提供的光伏直驱的直膨式太阳能热泵热电联供系统的控制方法,所述在生活热水水箱的水位低于预设水位值的情况下,导通第三电动二通阀和第七电动二通阀的同时,还包括:
在第四热电偶温度计的温度低于第二温度设定值的情况下,利用电辅助加热器对生活热水水箱中的水进行加热,以使其达到第二温度设定值。
根据本发明提供的光伏直驱的直膨式太阳能热泵热电联供系统的控制方法,所述对多源互补供暖子系统的控制方法,包括:
确定用户需求情况;
基于用户需求情况,控制第一供暖回路、第二供暖回路、散热回路或供冷回路工作;
其中,所述用户需求情况,包括:存在供暖需求但供暖需求未超过预设强度阈值、存在供暖需求且供暖需求超过预设强度阈值、存在供冷需求以及无供暖且无供冷需求。
根据本发明提供的光伏直驱的直膨式太阳能热泵热电联供系统的控制方法,所述基于用户需求情况,控制第一供暖回路、第二供暖回路、散热回路或供冷回路工作,包括:
当用户存在供暖需求但供暖需求未超过预设强度阈值时,控制第一供暖回路中电动二通阀和水泵导通,所述多源互补供暖子系统中其余电动二通阀关断;
当用户存在供暖需求且供暖需求超过预设强度阈值时,控制第二供暖回路中电动二通阀和水泵导通,所述多源互补供暖子系统中其余电动二通阀关断;
当用户存在供冷需求时,控制供冷回路中电动二通阀和水泵导通,所述多源互补供暖子系统中其余电动二通阀关断;
当用户无供暖且无供冷需求时,控制散热回路中电动二通阀和水泵导通,所述多源互补供暖子系统中其余电动二通阀关断。
本发明提供的光伏直驱的直膨式太阳能热泵热电联供系统及其控制方法,在热收集子系统利用双回路方式解决直膨式太阳能热泵持续高能耗问题;在生活热水供应子系统利用双水箱结构解决热水需求与集热板散热不协调问题;在多源互补供暖子系统中利用四回路结构应对不同季节、不同太阳辐射强度下用户的用能需求;最后通过控制结构、电供应子系统、热收集子系统、生活热水供应子系统和多源互补供暖子系统协调运用,很好地满足寒冷地区用户的用电、取暖及热水的基本需求,同时也尽可能的减少了能耗。
附图说明
为了更清楚地说明本发明或现有技术中的技术方案,下面将对实施例或现有技术描述中所需要使用的附图作一简单地介绍,显而易见地,下面描述中的附图是本发明的一些实施例,对于本领域普通技术人员来讲,在不付出创造性劳动的前提下,还可以根据这些附图获得其他的附图。
图1是本发明提供的光伏直驱的直膨式太阳能热泵热电联供系统结构示意图;
图2是本发明提供的太阳能光伏光热一体化组件结构图;
图3是本发明提供的光伏直驱的直膨式太阳能热泵热电联供系统中电供应子系统的控制方法流程图;
图4是本发明提供的光伏直驱的直膨式太阳能热泵热电联供系统中热收集子系统的控制方法流程图;
图5是本发明提供的光伏直驱的直膨式太阳能热泵热电联供系统中生活热水供应子系统的控制方法流程图;
图6是本发明提供的光伏直驱的直膨式太阳能热泵热电联供系统中多源互补供暖子系统的控制方法流程图;
附图标记:
1:太阳能光伏光热一体化组件;2:压缩机;
3:换热盘管; 4:蓄热水箱;
5:热力膨胀阀; 6:生活热水水箱;
7:电辅助加热器; 8:多功能生物质炉具;
9:地暖末端; 10:浅层地埋管;
11:水泵 12:太阳能光伏储能胶体蓄电池;
13:离并网光伏逆控一体机; 14:第一电动二通阀;
15:第二电动二通阀; 16:第三电动二通阀;
17:第四电动二通阀; 18:第五电动二通阀;
19:第六电动二通阀; 20:第七电动二通阀;
21:第八电动二通阀; 22:第九电动二通阀;
23:第十电动二通阀; 24:第十一电动二通阀;
25:第十二电动二通阀; 26:第一热电偶温度计;
27:第二热电偶温度计; 28:第三热电偶温度计;
29:第四热电偶温度计; 30:手动阀门;
31:控制器。
具体实施方式
为使本发明的目的、技术方案和优点更加清楚,下面将结合本发明中的附图,对本发明中的技术方案进行清楚、完整地描述,显然,所描述的实施例是本发明一部分实施例,而不是全部的实施例。基于本发明中的实施例,本领域普通技术人员在没有作出创造性劳动前提下所获得的所有其他实施例,都属于本发明保护的范围。
随着社会经济高速发展,能源短缺和环境污染越发引起人们的重视,绿色清洁可再生能源的推广使用是当下解决能源短缺和环境污染的主要手段;目前已提出一种光伏光热一体化(PV/T)热电联供技术,该技术可以实现电能和热能的一体利用,其中由光伏发电输出电能,然后利用背部的流体通道吸收走光伏板的热量给建筑供暖或生活热水,是一种对太阳能光伏和光热综合利用的技术。
但是,利用PV/T光伏光热一体化构建的热电联供系统或多或少地存在着一些缺点,例如:不稳定性大、地域性差异大、接收装置运转效率低、成本高以及产生的热能难以达到实际用能要求等缺陷;
以实际情况举例说明:
(1)热电联供系统A在光伏发电通过水冷循环系统降温提升水温后,通过物理加热和电加热等辅助加热形式提升水温,满足正常热能需求,解决了常规光伏光热利用的能效利用效果差、水温难以提升以及系统效率低等难题。但是热电联供系统A的蓄热水箱和光伏板间通过水管连通,当需要生活热水而存放生活热水的蓄热水箱水温不够时,直接采用辅助加热提高蓄热水箱内温度会影响光伏板与水管间的换热温差,甚至导致水给光伏板加热。尤其是生活热水用水时间不固定,间接性多次给蓄热水箱加热可能使该热电联供系统丧失利用水管带走光伏组件余热,提高其光电转换效率的意义。
(2)热电联供系统B将太阳能光伏光热一体化板与热泵相结合, 高效带走光伏板的热量,提高发电效率;同时利用蓄热水箱改善热电联供系统B中热量散失和能源分配不足问题。但是热电联供系统B没有考虑到太阳能不充足时热泵的运行问题,在清晨或傍晚时分,太阳能辐射较弱,一味采用热泵运行反而压缩机的耗电损失大于集热收益,浪费能源。
(3)应用于户式或分布式的热电联供系统C,以光伏发电为主余热利用为辅,冷却循环水及时吸收并转移光伏余热,提高了光电转换效率。但是该系统采用传统水冷型扁盒式的冷却板,光电转换效率一般,且其未考虑在夏季不需要供暖时的能量存储问题,造成了一定的能源浪费。
因此,本发明期望在现有技术的基础上进行设计,以解决或者部分解决现有技术存在的缺陷。
下面结合图1-图6描述本发明光伏直驱的直膨式太阳能热泵热电联供系统及其控制方法。
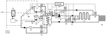
第一方面,如图1所示,本发明提供的一种光伏直驱的直膨式太阳能热泵热电联供系统,包括:控制结构、电供应子系统、以及共用蓄热水箱4的热收集子系统、生活热水供应子系统和多源互补供暖子系统;所述电供应子系统与热收集子系统共用太阳能光伏光热一体化组件1;所述蓄热水箱4内置有换热盘管3,所述太阳能光伏光热一体化组件1内置有金属通道;
在本发明的具体实施例中,蓄热水箱4内装满水,内置换热盘管3 与热收集子系统的冷凝端(金属通道出口端)进行换热,并储存起来。上侧接市政水管给蓄热水箱4进行补水排气,左侧接生活热水水箱6,中间用第三电动二通阀16相接,右侧上方接多源互补供暖子系统热水出口,右侧下方接多源互补供暖子系统热水回水。太阳能光伏光热一体化组件1的光伏电池将吸收太阳能转换为电能,背部的流动通道也可将组件吸收的太阳辐射得热带走转换为热量,一般安装于屋顶或者庭院的平地。
其中,所述电供应子系统还包括:离并网光伏逆控一体机13和太阳能光伏储能胶体蓄电池12;所述离并网光伏逆控一体机13分别与太阳能光伏储能胶体蓄电池12、太阳能光伏光热一体化组件1和电网电连接;
在本发明中电供应子系统具体包括:离并网光伏逆控一体机13、太阳能光伏储能胶体蓄电池12和太阳能光伏光热一体化组件1;离并网光伏逆控一体机13内置有逆变器、控制结构和隔离变压器等,其作用是在太阳辐射充足时,将太阳能光伏光热一体化组件1产生的直流电转换为交流电,优先给用户的负载供电、有富余时将电能储存在太阳能光伏储能胶体蓄电池12中,太阳能光伏储能胶体蓄电池12充满电后还有富余,则上传给国家电网。在太阳辐射不充足时,太阳能光伏光热一体化组件1不足负担用户负载,此时需要优先从太阳能光伏储能胶体蓄电池12调用电能,再有不足时,由电网提供电能。
自然,太阳能光伏储能胶体蓄电池12的作用是储存富余的由太阳能光伏光热一体化组件1产生的电能,在太阳能不足是用以补充负荷用电。
需要说明的是,这里指的用户负载,指的是控制结构、热收集子系统、生活热水供应子系统和多源互补供暖子系统中的用电设备,以及其它家用电器。
所述生活热水供应子系统还包括:第七电动二通阀20、第三电动二通阀16和生活热水水箱6;所述蓄热水箱4通过第七电动二通阀20 与自来水连通,并通过第三电动二通阀16与生活热水水箱6连通;
即在本发明中,生活热水供应子系统包括蓄热水箱4、第七电动二通阀20、第三电动二通阀16和生活热水水箱6;生活热水水箱6:用于直接给用户提供生活热水,其右端与蓄热水箱4直接相连,左端接手动阀门30,满足用户随时自主取热水需求,内置电辅助加热器7,当蓄热水箱4中水不满足热水用水水温需求时给予辅助加热,使水温达到要求。当生活热水水箱6的水位低于预设水位值的情况下,导通第三电动二通阀16,由蓄热水箱4向生活热水水箱6进行补水,同时,也要导通第七电动二通阀20,由市政管网的自来水给予补充,保证蓄热水箱4水量充足。
所述多源互补供暖子系统由内部流走制冷剂的第一热能转移回路和第二热能转移回路构成;所述第一/二热能转移回路,经过金属通道和换热盘管3,用于在太阳能充足/不充足时将太阳能光伏光热一体化组件1热量转移至蓄热水箱4;
在本发明中,所述多源互补供暖子系统包括:蓄热水箱4、压缩机2、热力膨胀阀5、第一电动二通阀14、第二电动二通阀15、第四电动二通阀17和第五电动二通阀18;这些部件之间组合连接构建了两条热能转移回路,分别应对在太阳能充足和不充足时将太阳能光伏光热一体化组件1热量转移至蓄热水箱4,因为受季节、天气等因素影响,太阳辐射是不稳定的,常规的技术是通过热泵高效带走光伏板的热量,提高发电效率,但是其没有考虑到太阳能不充足时热泵的运行问题,在清晨或傍晚时分,太阳能辐射较弱,一味采用热泵运行反而压缩机 2的耗电损失大于集热收益,浪费能源。本发明在此基础上进行改进,将太阳辐射不充足的情况考虑进去,以减少能耗;且考虑太阳辐射的不稳定性,还提高了设备的实用性。
所述多源互补供暖子系统由水流流经蓄热水箱4的第一供暖回路、第二供暖回路和散热回路,以及水流不流经蓄热水箱4的供冷回路构成;所述第一供暖回路、第二供暖回路、供冷回路和散热回路,对应用于存在供暖需求但供暖需求未超过预设强度阈值、存在供暖需求且供暖需求超过预设强度阈值、存在供冷需求、无供暖且无供冷需求四种情况;
在本发明中,所述多源互补供暖子系统包括:蓄热水箱4、多功能生物质炉具8、地暖末端9、浅层地埋管10、水泵11、第六电动二通阀19、第八电动二通阀21、第九电动二通阀22、第十电动二通阀23、第十一电动二通阀24和第十二电动二通阀25;多功能生物质炉具8的作用为在冬季辅助地暖末端9供暖,在供暖水温不达要求时开启,提高供水温度。地暖末端9置于用户房间地板下方,用于满足室内供暖需求,出口接浅层地埋管10。浅层地埋管10置于建筑或庭院土壤下 6-10m,水平安装。水泵11为多源互补供暖子系统提供动力。这些部件之间组合连接构建了四条能量流通回路,以应对存在供暖需求但供暖需求未超过预设强度阈值、存在供暖需求且供暖需求超过预设强度阈值、存在供冷需求、无供暖且无供冷需求四种情况;可以适用于不同季节。
所述控制结构,用于控制热收集子系统、生活热水供应子系统和多源互补供暖子系统中受控设备的运行。
在本发明中,控制结构包括:控制器31、第一热电偶温度计26、第二热电偶温度计27、第三热电偶温度计28和第四热电偶温度计29;控制器31连接热电联供系统上所有电动二通阀,热电偶温度计,电辅助加热器7,压缩机2等部件,监测所有的热电偶温度计,以控制热电联供系统上受控设备的运行,这里的受控设备包括但不限于:电动二通阀、电辅助加热器7,压缩机2和水泵11等。
需要说明的是,为保证图1的清晰明了,图1中只示例了控制器31 与电动二通阀和热电偶温度计之间的通信线;这并不代表控制器31 与压缩机2、水泵11和电辅助加热设备7等受控设备之间没有控制关系;同样,离并网光伏逆控一体机13实际上与控制结构、电供应子系统、热收集子系统、生活热水供应子系统和多源互补供暖子系统中的用电设备均有电连接,图1中仅示例了离并网光伏逆控一体机13与压缩机2 和电辅助加热器7之间的电连接,这并不代表离并网光伏逆控一体机 13与热电联供系统中其它用电设备之间无用电关系。
本发明提供的光伏直驱的直膨式太阳能热泵热电联供系统,在热收集子系统利用双回路方式解决直膨式太阳能热泵持续高能耗问题;在生活热水供应子系统利用双水箱结构解决热水需求与集热板散热不协调问题;在多源互补供暖子系统中利用四回路结构应对不同季节、不同太阳辐射强度下用户的用能需求;最后通过控制结构、电供应子系统、热收集子系统、生活热水供应子系统和多源互补供暖子系统协调运用,很好地满足寒冷地区用户的用电、取暖及热水的基本需求,同时也尽可能的减少了能耗。
在上述各实施例的基础上,作为一种可选的实施例,所述第一热能转移回路,由金属管道、压缩机2、第五电动二通阀18、换热盘管3、第二电动二通阀15和热力膨胀阀5首尾顺序连通而成;
所述第二热能转移回路,由金属管道、第四电动二通阀17、换热盘管3和第一电动二通阀14首尾顺序连通而成。
在本发明中,压缩机2将太阳能光伏光热一体化组件1金属管道出口(冷凝端、制冷剂出口端)高温低压的气态制冷剂压缩成高温高压的液态制冷剂,并给循环提供动力,促使制冷剂流向蓄热水箱4中的换热盘管3进行换热。热力膨胀阀5承接从换热盘管3中流出的低温高压的液态制冷剂,制冷剂通过绝热膨胀变成低温低压流体,流向一体化组件进行吸热。
热收集子系统采用双循环结构,太阳能光伏光热一体化组件1背部的流体通道内走制冷剂,不仅可以起到带走太阳能光伏光热一体化组件1背部热量的作用,还可以解决冬季管道防冻问题。太阳能充足时,第一热能转移回路工作,第二热能转移回路不工作;此时由太阳能光伏光热一体化组件1吸收太阳辐射发电,同时利用背部的流体通道中的制冷剂溶液蒸发吸热,将太阳辐射的热量以及发电产生的热量带走,降低太阳能光伏光热一体化组件1温度,提高其光电转换效率,制冷剂通过压缩机2变成高温高压气体,通过换热盘管3将热量传给蓄热水箱4,由蓄热水箱4将热量储存起来,此时制冷剂流体变成低温高压的气体,流经热力膨胀阀5变成低温低压的流体回到太阳能光伏光热一体化组件1继续吸热,至此完成一次循环。而当太阳辐射强度不够时,即第一热电偶温度计26监测温度未达到设定值,制冷剂无法通过吸热蒸发成气体,此时第二热能转移回路工作、第一热能转移回路不工作,通过自然重力作用,形成新的回流循环,制冷剂在太阳能光伏光热一体化组件1中吸热,变成高温流体,流过第四电动二通阀18 到达换热盘管3,与蓄热水箱4中的水换热变成低温流体,流过第一电动二通阀14回到太阳能光伏光热一体化组1,完成新的一轮循环。而当太阳辐射强度完全不够时,即第二热电偶温度计27监测的出口制冷剂温度小于第三热电偶温度计28监测的蓄热水箱4水温,此时太阳能光伏光热一体化组件1不能给蓄热水箱4供热,此时第一热能转移回路和第二热能转移回路均不工作,暂停其集热功能。本发明在热收集子系统利用双回路方式解决直膨式太阳能热泵持续高能耗问题,在保证太阳能光伏光热一体化组件1降温效果的同时减少耗能。
在上述各实施例的基础上,作为一种可选的实施例,所述第一供暖回路,由蓄热水箱4、第六电动二通阀19、地暖末端9、第十一电动二通阀24、水泵11和第九电动二通阀22首尾顺序连通而成;
在过渡季,当用户有供暖需求时,考虑到寒冷地区过渡季供暖需求不大,即供暖需求未超过预设强度阈值,可以直接由蓄热水箱4提供热量,此时采用第一供暖回路进行供暖,蓄热水箱4中的热水从水箱上部流出至用户需求段的地暖末端9,完成供暖需求后通过水泵11 加压流回蓄热水箱4中,形成一个循环。
所述第二供暖回路由蓄热水箱4、第八电动二通阀21、多功能生物质炉具8的水管、地暖末端9、第十二电动二通阀25、浅层地埋管10、水泵11和第九电动二通阀22首尾顺序连通而成;
在本发明中,多源互补供暖子系统利用太阳能(蓄热水箱4中储能)、生物质能、浅层地热能等多种清洁可再生能源为用户供暖。在冬季,用户供暖需求超过预设强度阈值,即有强供暖需求,此时采用第二供暖回路为用户供暖,蓄热水箱4中的热水从水箱上部流出,经过多功能生物质炉8到达用户需求段的地暖末端9,完成供暖需求后流过浅层地埋管10,再通过水泵11加压流回蓄热水箱4中,形成一个循环。当蓄热水箱4中的温度没有达到设定值,即不能直接满足地暖末端9用能需求时,开启多功能生物质炉具8,水流过多功能生物质炉具 8时进行加热,同时,使用多功能生物质炉具8也可以满足用户炊事需求和作为室内热源辅助供暖,弥补太阳辐射强度因气候天气等原因导致蓄热水箱4温度不够,影响供暖稳定性问题,与此同时也舍弃了给蓄热水箱4加电辅助设备,电辅助设备的存在会导致有供暖需求时蓄热水箱4内温度需要长时间处于较高温度而影响太阳能光伏光热一体化组1背部散热问题,多功能生物质炉具8的加入可以在辅助提高供水温度但对蓄热水箱4温度影响不大,即不会较大影响换热盘管3的换热温差,避免大幅降低对太阳能光伏光热一体化组1背部散热问题的影响。
所述供冷回路由地暖末端9、第十二电动二通阀25、浅层地埋管 10、水泵11和第十电动二通阀23首尾顺序连通而成;
当用户有供冷需求时,考虑到寒冷地区供冷需求不大,可以直接由浅层地埋管10提供,即采用浅层地埋管10和地暖末端9串联供冷;此时使用的是供冷回路;
所述散热回路由蓄热水箱4、第六电动二通阀19、第十二电动二通阀25、浅层地埋管10、水泵11和第九电动二通阀22首尾顺序连通而成。
在夏季,寒冷地区一般没有或很少有供暖或供冷需求,即用户无供暖且无供冷需求,由于白天太阳辐射较强,蓄热水箱4中的温度上升较快,当第三热电偶温度计28监测水温达到设定值时(判定水温较高,再高可能影响换热盘管3,同时保证蓄热水箱4水温不至于过低而使其失去供给生活热水的作用),使用散热回路进行散热,蓄热水箱4 中的热水从水箱上部流出,直接通过浅层地埋管10,将热量散到土壤中去,同时也可以避免因为过多取热而使土壤失去热平衡。浅层地埋管10的加入可以解决夏季蓄热水箱4无处散热问题,同时也可满足少量供暖需求,浅层地埋管10储存的热量也可以在冬季反馈给蓄热水箱 4。
在上述各实施例的基础上,作为一种可选的实施例,所述控制结构,包括:控制器31、第一热电偶温度计26、第二热电偶温度计27、第三热电偶温度计28和第四热电偶温度计29;
所述第一热电偶温度计26、第二热电偶温度计27、第三热电偶温度计28和第四热电偶温度计29分别置于太阳能光伏光热一体化组件1、太阳能光伏光热一体化组件1的金属管道出口、蓄热水箱4和生活热水水箱6的表面;
所述控制器31,用于监测第一热电偶温度计26、第二热电偶温度计27、第三热电偶温度计28和第四热电偶温度计29的温度数据,并基于温度数据实现对热收集子系统、生活热水供应子系统和多源互补供暖子系统中受控设备的运行。
在本发明中,控制器31是热收集子系统、生活热水供应子系统和多源互补供暖子系统的控制核心,其通过控制如电动二通阀、电辅助加热器7、压缩机2和水泵11等受控设备,实现热收集子系统、生活热水供应子系统和多源互补供暖子系统工作状态的切换,在控制器31 以温度数据作为控制基础,可以使得热收集子系统、生活热水供应子系统和多源互补供暖子系统相互之间可以融洽。
在上述各实施例的基础上,作为一种可选的实施例,所述太阳能光伏光热一体化组件1包括多层板结构以及将多层板结构固定的边框;
所述多层板结构包括:由上而下设置的玻璃层、空气层、第一EVA 胶层、光伏电池板、第二EVA胶层、TPT膜层、导热金属板、绝热层和背封;
在本发明中图2示例了一种太阳能光伏光热一体化组件1的结构图,如图2所示,光伏电池板上下两层均为EVA胶层,即第一EVA胶层和第二EVA胶层;边框可选择塑料边框,导热金属板可以选择导热铜板,绝热层中的金属管道为铜管;
利用图2对多层板结构进一步说明,玻璃层通常采用高透光率的钢化玻璃,用于保护PV电池(光伏电池)防尘和防雨;空气层在前面起到保温层的作用,减少通过玻璃盖的热量损失;乙烯-醋酸乙烯酯(EVA)可用于保护光伏电池板;光伏电池板可采用单晶硅结构;TPT膜它是光伏电池的电绝缘体也可作为吸热涂层;吸热铜板增强电池与铜管的导热,同时作为光伏电池的底板;铜管内走制冷剂流体,通过导热和对流换热带走光伏电池组件的热量;绝热层铜管外部填充保温棉,作为绝缘材料减少模块背面的热量损失;背板和边框,可以将所有组件固定和封装在一起。
需要说明的是,EVA胶和TPT膜可以用能起到同等作用的其它材料替换。
所述绝热层由众多并联排布的金属管道组成,金属管道的出口与所述压缩机2的进口连通;金属管道的进口与所述热力膨胀阀5的出口连通。
需要注意的是,热收集子系统中所述第一热能转移回路,由金属管道、压缩机2、第五电动二通阀18、换热盘管3、第二电动二通阀15 和热力膨胀阀5首尾顺序连通而成;所述第二热能转移回路,由金属管道、第四电动二通阀17、换热盘管3和第一电动二通阀14首尾顺序连通而成。可以看出第一热能转移回路中压缩机2和第五电动二通阀 18构成的支路与第二热能转移回路中第四电动二通阀17构成的支路是并联关系,第一热能转移回路中第二电动二通阀15和热力膨胀阀5 构成的支路与第二热能转移回路中第一电动二通阀14构成的支路是并联关系;
因此金属管道的出口与所述压缩机2的进口连通,同时也相当于金属管道的出口与第四电动二通阀17的进口连通;金属管道的进口与所述热力膨胀阀5的出口连通,同时也相当于金属管道的进口与第一电动二通阀14的出口连接。
在上述各实施例的基础上,作为一种可选的实施例,所述多功能生物质炉具8,包括:燃烧室和水管;
其中,所述燃烧室留有灶口、生物质燃料放置口和出灰口;所述水管设置于燃烧室的四壁。
在本发明实施例中,多功能生物质炉具8结构主要是燃烧室,内部烧生物质产热,上部可打开放生物质成型燃料,底部留有出灰口,燃烧室四壁有水管,从蓄热水箱4中流出的热水经过燃烧室加热后流向地暖末端9;另外左上方留有灶口满足炊事需求。
当蓄热水箱4不能直接满足用户用能需求时,开启多功能生物质炉具8,水流过多功能生物质炉具8时进行加热,同时,使用多功能生物质炉具8也可以满足用户炊事需求和作为室内热源辅助供暖,弥补太阳辐射强度因气候天气等原因导致蓄热水箱4温度不够,影响供暖稳定性问题。
同时,在不需要利用多功能生物质炉具8辅助供暖,依旧可以使用多功能生物质炉具8满足用户炊事需求。
在上述各实施例的基础上,作为一种可选的实施例,所述生活热水水箱6中内置有电辅助加热器7,外部连接有方面用户取水的手动阀门30。
本发明生活热水水箱6用于直接给用户提供生活热水,其右端与蓄热水箱4直接相连,左端接手动阀门30,满足用户随时自主取热水需求,内置电辅助加热器7,当蓄热水箱4中水不满足热水用水水温需求时给予辅助加热,使水温达到要求。
在上述各实施例的基础上,作为一种可选的实施例,所述离并网光伏逆控一体机13,还与控制结构、热收集子系统、生活热水供应子系统和多源互补供暖子系统中的用电设备电连接。
在本发明中,所述用电设备包括:控制器31、热电偶温度计、电动二通阀、水泵11、压缩机2和电辅助加热器7等,将热电联供系统中控制结构、热收集子系统、生活热水供应子系统和多源互补供暖子系统中的用电设备归入负载中进行优先供电,以满足热电联供系统的可靠运行,保证用户的使用体验。
在上述各实施例的基础上,作为一种可选的实施例,所述导热金属板为导热铜板;所述金属管道为铜管。
因为铜有很好的导热特性,因此本发明选择导热铜板和铜管建造太阳能光伏光热一体化组件1。
第二方面,对本发明提供的光伏直驱的直膨式太阳能热泵热电联供系统的控制方法进行描述,下文描述的光伏直驱的直膨式太阳能热泵热电联供系统的控制方法与上文描述的光伏直驱的直膨式太阳能热泵热电联供系统可相互对应参照。所述方法实现对电供应子系统、热收集子系统、生活热水供应子系统和多源互补供暖子系统的控制;
图3示例了一种光伏直驱的直膨式太阳能热泵热电联供系统中电供应子系统的控制流程图,如图3所示,所述对电供应子系统的控制,包括:
在太阳能光伏光热一体化组件1产生的电量充足的情况下,利用离并网光伏逆控一体机13将电能按照负载、太阳能光伏储能胶体蓄电池12和电网的次序进行供给;
在太阳能光伏光热一体化组件1产生的电量不充足的情况下,利用离并网光伏逆控一体机13将负载缺乏的电量按照太阳能光伏储能胶体蓄电池12和电网的次序进行调用;
其中,所述负载包括:控制结构、热收集子系统、生活热水供应子系统和多源互补供暖子系统中的用电设备电以及其它家用电器。
在本发明实施例中,太阳能光伏板长期处于工作状态,将产生的直流电通过离并网光伏逆控一体机13转换为交流电,优先将电能给如压缩机2和电辅助加热器7等用电设备以及其他家用电器使用,在有电剩余时,先储存在太阳能光伏储能胶体蓄电池12中,当太阳能光伏储能胶体蓄电池12蓄满后,将还有富余的电上传给电网。而太阳能不充足时,优先使用太阳能光伏储能胶体蓄电池12中的电能,再不足时则由电网进行补充,保证供电的稳定性。
本发明提供的光伏直驱的直膨式太阳能热泵热电联供系统中电供应子系统的控制逻辑,通过合理的分配太阳能充足时太阳能光伏板产生的电能以及在太阳能不充足时进行合理的电取用,保证了供电的稳定性。
图4示例了光伏直驱的直膨式太阳能热泵热电联供系统中热收集子系统的控制流程图,如图4所示,对热收集子系统的控制,包括:
在第一热电偶温度计26的温度高于第一温度设定值的情况下,控制第二电动二通阀15和第五电动二通阀18导通,第一电动二通阀14 和第四电动二通阀17关断,以利用第一热能转移回路将太阳能光伏光热一体化组件1热量转移至蓄热水箱4;
在本发明中,太阳能充足时,第一热能转移回路工作,第二热能转移回路不工作;即导通二电动二通阀15和第五电动二通阀18,关断第一电动二通阀14和第四电动二通阀17;此时由太阳能光伏光热一体化组件1吸收太阳辐射发电,同时利用背部的流体通道中的制冷剂溶液蒸发吸热,将太阳辐射的热量以及发电产生的热量带走,降低太阳能光伏光热一体化组件1温度,提高其光电转换效率,需要说明的是,本发明在第一热电偶温度计26的温度高于第一温度设定值时认定为太阳能充足。
在第一热电偶温度计26的温度不高于第一温度设定值且第二热电偶温度计27的温度高于第三热电偶温度计28的温度的情况下,控制第一电动二通阀14和第四电动二通阀17导通,第二电动二通阀15和第五电动二通阀18关断,以利用第二热能转移回路将太阳能光伏光热一体化组件1热量转移至蓄热水箱4;
在本发明中,当太阳辐射强度不够时,即第一热电偶温度计26 监测温度未达到设定值,制冷剂无法通过吸热蒸发成气体,因此第一热能转移回路不工作,而由于第二热电偶温度计27的温度高于第三热电偶温度计28的温度,因此还是存在换热的必要,因此第二热能转移回路工作;即当前需要导通第一电动二通阀14和第四电动二通阀17,关断第二电动二通阀15和第五电动二通阀18;在这种情况下通过自然重力作用,可形成新的回流循环,将太阳辐射的热量以及发电产生的热量带走,降低太阳能光伏光热一体化组件1温度,提高其光电转换效率,
在第二热电偶温度计27的温度不高于第三热电偶温度计28的温度的情况下,控制第一电动二通阀14、第四电动二通阀17、第二电动二通阀15和第五电动二通阀18关断,以暂停集热。
当太阳辐射强度完全不够时,即第二热电偶温度计27监测的出口制冷剂温度小于第三热电偶温度计28监测的蓄热水箱4水温,此时太阳能光伏光热一体化组件1不能给蓄热水箱4供热,此时第一热能转移回路和第二热能转移回路均不工作,暂停其集热功能。
本发明提供的光伏直驱的直膨式太阳能热泵热电联供系统中热收集子系统的控制逻辑,利用双回路方式解决直膨式太阳能热泵持续高能耗问题,在保证太阳能光伏光热一体化组件1降温效果的同时减少耗能。
图5示例了光伏直驱的直膨式太阳能热泵热电联供系统中生活热水供应子系统的控制流程图,如图5所示,对生活热水供应子系统的控制,包括:
在生活热水水箱6的水位低于预设水位值的情况下,导通第三电动二通阀16和第七电动二通阀20,以使蓄热水箱4的热水流通至生活热水水箱6,并使自来水补充至蓄热水箱4。
在本发明中,由生活热水水箱6直接为用户供给生活热水,用户可通过自主开启手动阀门30随时满足用水需求。当生活热水水箱6中水位低于设定值时,开启电动二通阀16和20,利用蓄热水箱4中的热水补充,同时利用市政管网的自来水给予补充,保证蓄热水箱4水量充足。
本发明提供的光伏直驱的直膨式太阳能热泵热电联供系统中生活热水供应子系统的控制逻辑,利用双水箱结构解决热水需求与太阳能光伏光热一体化组件1散热不协调问题。
在上述各实施例的基础上,作为一种可选的实施例,所述在生活热水水箱6的水位低于预设水位值的情况下,导通第三电动二通阀16 和第七电动二通阀20的同时,还包括:
在第四热电偶温度计29的温度低于第二温度设定值的情况下,利用电辅助加热器7对生活热水水箱6中的水进行加热,以使其达到第二温度设定值。
在本发明中当生活热水水箱6中第四热电偶温度计29监测的水温没达到设定值时,利用电辅助加热器7辅助加热以达到设定温度。考虑双水箱结构可以很好的解决生活热水需求小但水温要求高、不固定时间的问题。仅采用一个蓄热水箱4,需要用到生活热水时必须直接给予加热,使蓄热水箱4中水温达到设定值,这不仅会造成无端浪费 (长时间多次给水箱加热,散热损失大)同时也会因为蓄热水箱4长时间处于高温而削弱其与换热盘管3间的换热效果。
图6示例了光伏直驱的直膨式太阳能热泵热电联供系统中多源互补供暖子系统的控制流程图,如图6所示,对多源互补供暖子系统的控制,包括:
步骤S11:确定用户需求情况;
步骤S12:基于用户需求情况,控制第一供暖回路、第二供暖回路、散热回路或供冷回路工作;
其中,所述用户需求情况,包括:存在供暖需求但供暖需求未超过预设强度阈值、存在供暖需求且供暖需求超过预设强度阈值、存在供冷需求以及无供暖且无供冷需求。
在本发明实施例中,由于寒冷地区用能一般可归纳为存在供暖需求但供暖需求未超过预设强度阈值、存在供暖需求且供暖需求超过预设强度阈值、存在供冷需求以及无供暖且无供冷需求四种类型,因此对应设计了第一供暖回路、第二供暖回路、散热回路和供冷回路的四回路结构,使用时根据用户的用能需求类型对应进行控制即可,操作方便且实用性强。
本发明提供的光伏直驱的直膨式太阳能热泵热电联供系统中多源互补供暖子系统的控制逻辑,利用四回路结构,对不同季节、不同太阳辐射强度下用户的不同用能需求,进行了相应的控制运行,提高了供能稳定性。
在上述各实施例的基础上,作为一种可选的实施例,所述基于用户需求情况,控制第一供暖回路、第二供暖回路、散热回路或供冷回路工作,包括:
当用户存在供暖需求但供暖需求未超过预设强度阈值时,控制第一供暖回路中电动二通阀和水泵导通,所述多源互补供暖子系统中其余电动二通阀关断;
当用户存在供暖需求且供暖需求超过预设强度阈值时,控制第二供暖回路中电动二通阀和水泵导通,所述多源互补供暖子系统中其余电动二通阀关断;
当用户存在供冷需求时,控制供冷回路中电动二通阀和水泵导通,所述多源互补供暖子系统中其余电动二通阀关断;
当用户无供暖且无供冷需求时,控制散热回路中电动二通阀和水泵导通,所述多源互补供暖子系统中其余电动二通阀关断。
在本发明实施例中,第一供暖回路工作,即为控制第六电动二通阀19、第九电动二通阀22、第十一电动二通阀24和水泵11导通,控制第八电动二通阀21、第十电动二通阀23和第十二电动二通阀25关断;
在过渡季,当用户有供暖需求时,考虑到寒冷地区过渡季供暖需求不大,即供暖需求未超过预设强度阈值,可以直接由蓄热水箱4提供热量,此时采用第一供暖回路进行供暖,蓄热水箱4中的热水从水箱上部流出,用户需求段的地暖末端9,完成供暖需求后通过水泵11 加压流回蓄热水箱4中,形成一个循环。
第二供暖回路工作即为控制第八电动二通阀21、第九电动二通阀 22和第十二电动二通阀25和水泵11导通,控制第六电动二通阀19、第十电动二通阀23和第十一电动二通阀24关断;
在冬季,用户供暖需求超过预设强度阈值,即有强供暖需求,此时采用第二供暖回路为用户供暖,蓄热水箱4中的热水从水箱上部流出,经过多功能生物质炉8到达用户需求段的地暖末端9,完成供暖需求后流过浅层地埋管10,再通过水泵11加压流回蓄热水箱4中,形成一个循环。当蓄热水箱4中的温度没有达到设定值,即不能直接满足地暖末端9用能需求时,开启多功能生物质炉具8,水流过多功能生物质炉具8时进行加热,同时,使用多功能生物质炉具8也可以满足用户炊事需求和作为室内热源辅助供暖,弥补太阳辐射强度因气候天气等原因导致蓄热水箱4温度不够,影响供暖稳定性问题,与此同时也舍弃了给蓄热水箱4加电辅助加热器7,电辅助加热器7的存在会导致有供暖需求时蓄热水箱4内温度需要长时间处于较高温度而影响太阳能光伏光热一体化组1背部散热问题,多功能生物质炉具8的加入可以在辅助提高供水温度但对蓄热水箱4温度影响不大,即不会较大影响换热盘管3的换热温差,避免大幅降低对太阳能光伏光热一体化组1背部散热问题的影响。
供冷回路工作,即为控制第十电动二通阀23、第十二电动二通阀 25和水泵11导通,控制第六电动二通阀19、第八电动二通阀21、第九电动二通阀22和第十一电动二通阀24关断;
当用户有供冷需求时,考虑到寒冷地区供冷需求不大,可以直接由浅层地埋管10提供,即采用浅层地埋管10和地暖末端9串联供冷;此时使用的是供冷回路;
散热回路工作,即为控制第六电动二通阀19、第九电动二通阀22、第十二电动二通阀25和水泵11导通,控制第八电动二通阀21、第十电动二通阀23和第十一电动二通阀24关断。
在夏季,寒冷地区一般没有或很少有供暖或供冷需求,即用户无供暖且无供冷需求,由于白天太阳辐射较强,蓄热水箱4中的温度上升较快,当第三热电偶温度计28监测水温达到设定值时(判定水温较高,再高可能影响换热盘管3,同时保证蓄热水箱4水温不至于过低而使其失去供给生活热水的作用),使用散热回路进行散热,蓄热水箱4 中的热水从水箱上部流出,直接通过浅层地埋管10,将热量散到土壤中去,同时也可以避免因为过多取热而使土壤失去热平衡。浅层地埋管10的加入可以解决夏季蓄热水箱4无处散热问题,同时也可满足少量供暖需求,浅层地埋管10储存的热量也可以在冬季反馈给蓄热水箱 4。
本发明多源互补供暖子系统利用太阳能(蓄热水箱4中储能)、生物质能、浅层地热能等多种清洁可再生能源为用户供暖;同时还可以满足夏季用户供冷需求。
总之,本发明提供的光伏直驱的直膨式太阳能热泵热电联供系统及其控制方法,尤其适用于寒冷地区的农村,其利用光伏直驱太阳能热泵,满足该地区用户的用电、取暖、炊事及热水四项基本需求。具体讲,该系统利用双回路方式解决直膨式太阳能热泵持续高能耗问题;利用双水箱结构解决热水需求与太阳能光伏光热一体化组件1散热不协调问题;利用浅层地埋管10解决夏季农户不供暖时热量转移问题;利用多功能生物质炉补充多云天气、夜晚等太阳不充足时供暖稳定性问题,同时可满足农户炊事需求。相较于一般的太阳能热电联供系统,该系统针对不同季节,不同气候条件下太阳辐射强度等工况,并针对用户末端用能需求,提出了相应的控制运行策略,能很好的满足大多数工况下寒冷地区用户的四大基本需求。
通过以上的实施方式的描述,本领域的技术人员可以清楚地了解到各实施方式可借助软件加必需的通用硬件平台的方式来实现,当然也可以通过硬件。基于这样的理解,上述技术方案本质上或者说对现有技术做出贡献的部分可以以软件产品的形式体现出来,该计算机软件产品可以存储在计算机可读存储介质中,如ROM/RAM、磁碟、光盘等,包括若干指令用以使得一台计算机设备(可以是个人计算机,服务器,或者网络设备等)执行各个实施例或者实施例的某些部分所述的方法。
最后应说明的是:以上实施例仅用以说明本发明的技术方案,而非对其限制;尽管参照前述实施例对本发明进行了详细的说明,本领域的普通技术人员应当理解:其依然可以对前述各实施例所记载的技术方案进行修改,或者对其中部分技术特征进行等同替换;而这些修改或者替换,并不使相应技术方案的本质脱离本发明各实施例技术方案的精神和范围。

Claims (15)

1.一种光伏直驱的直膨式太阳能热泵热电联供系统,其特征在于,所述系统包括:控制结构、电供应子系统、以及共用蓄热水箱的热收集子系统、生活热水供应子系统和多源互补供暖子系统;所述电供应子系统与热收集子系统共用太阳能光伏光热一体化组件;
所述蓄热水箱内置有换热盘管,所述太阳能光伏光热一体化组件内置有金属通道;
其中,所述电供应子系统还包括:离并网光伏逆控一体机和太阳能光伏储能胶体蓄电池;所述离并网光伏逆控一体机分别与太阳能光伏储能胶体蓄电池、太阳能光伏光热一体化组件和电网电连接;
所述生活热水供应子系统还包括:第七电动二通阀、第三电动二通阀和生活热水水箱;所述蓄热水箱通过第七电动二通阀与自来水连通,并通过第三电动二通阀与生活热水水箱连通;
所述多源互补供暖子系统由内部流走制冷剂的第一热能转移回路和第二热能转移回路构成;所述第一/二热能转移回路,经过金属通道和换热盘管,用于在太阳能充足/不充足时将太阳能光伏光热一体化组件热量转移至蓄热水箱;
所述多源互补供暖子系统由水流流经蓄热水箱的第一供暖回路、第二供暖回路和散热回路以及水流不流经蓄热水箱的供冷回路构成;所述第一供暖回路、第二供暖回路、供冷回路和散热回路,对应用于存在供暖需求但供暖需求未超过预设强度阈值、存在供暖需求且供暖需求超过预设强度阈值、存在供冷需求、无供暖且无供冷需求四种情况;
所述控制结构,用于控制热收集子系统、生活热水供应子系统和多源互补供暖子系统中受控设备的运行。
2.根据权利要求1所述的光伏直驱的直膨式太阳能热泵热电联供系统,其特征在于,所述第一热能转移回路,由金属管道、压缩机、第五电动二通阀、换热盘管、第二电动二通阀和热力膨胀阀首尾顺序连通而成;
所述第二热能转移回路,由金属管道、第四电动二通阀、换热盘管和第一电动二通阀首尾顺序连通而成。
3.根据权利要求1所述的光伏直驱的直膨式太阳能热泵热电联供系统,其特征在于,所述第一供暖回路,由蓄热水箱、第六电动二通阀、地暖末端、第十一电动二通阀、水泵和第九电动二通阀首尾顺序连通而成;
所述第二供暖回路由蓄热水箱、第八电动二通阀、多功能生物质炉具的水管、地暖末端、第十二电动二通阀、浅层地埋管、水泵和第九电动二通阀首尾顺序连通而成;
所述供冷回路由地暖末端、第十二电动二通阀、浅层地埋管、水泵和第十电动二通阀首尾顺序连通而成;
所述散热回路由蓄热水箱、第六电动二通阀、第十二电动二通阀、浅层地埋管、水泵和第九电动二通阀首尾顺序连通而成。
4.根据权利要求1所述的光伏直驱的直膨式太阳能热泵热电联供系统,其特征在于,所述控制结构,包括:控制器、第一热电偶温度计、第二热电偶温度计、第三热电偶温度计和第四热电偶温度计;
所述第一热电偶温度计、第二热电偶温度计、第三热电偶温度计和第四热电偶温度计分别置于太阳能光伏光热一体化组件、太阳能光伏光热一体化组件的金属管道出口、蓄热水箱和生活热水水箱的表面;
所述控制器,用于监测第一热电偶温度计、第二热电偶温度计、第三热电偶温度计和第四热电偶温度计的温度数据,并基于温度数据实现对热收集子系统、生活热水供应子系统和多源互补供暖子系统中受控设备的控制。
5.根据权利要求2所述的光伏直驱的直膨式太阳能热泵热电联供系统,其特征在于,所述太阳能光伏光热一体化组件包括多层板结构以及将多层板结构固定的边框;
所述多层板结构包括:由上而下设置的玻璃层、空气层、第一EVA胶层、光伏电池板、第二EVA胶层、TPT膜层、导热金属板、绝热层和背封;
所述绝热层由众多并联排布的金属管道组成,金属管道的出口与所述压缩机的进口连通;金属管道的进口与所述热力膨胀阀的出口连通。
6.根据权利要求3所述的光伏直驱的直膨式太阳能热泵热电联供系统,其特征在于,所述多功能生物质炉具,包括:燃烧室和水管;
其中,所述燃烧室留有灶口、生物质燃料放置口和出灰口;所述水管设置于燃烧室的四壁。
7.根据权利要求1所述的光伏直驱的直膨式太阳能热泵热电联供系统,其特征在于,所述生活热水水箱中内置有电辅助加热器,外部连接有方面用户取水的手动阀门。
8.根据权利要求2所述的光伏直驱的直膨式太阳能热泵热电联供系统,其特征在于,所述离并网光伏逆控一体机,还与控制结构、热收集子系统、生活热水供应子系统和多源互补供暖子系统中的用电设备电连接。
9.根据权利要求5所述的光伏直驱的直膨式太阳能热泵热电联供系统,其特征在于,所述导热金属板为导热铜板;所述金属管道为铜管。
10.一种光伏直驱的直膨式太阳能热泵热电联供系统的控制方法,其特征在于,所述方法实现对电供应子系统、热收集子系统、生活热水供应子系统和多源互补供暖子系统的控制;
所述对电供应子系统的控制,包括:在太阳能光伏光热一体化组件产生的电量充足的情况下,利用离并网光伏逆控一体机将电能按照负载、太阳能光伏储能胶体蓄电池和电网的次序进行供给;
在太阳能光伏光热一体化组件产生的电量不充足的情况下,利用离并网光伏逆控一体机将负载缺乏的电量按照太阳能光伏储能胶体蓄电池和电网的次序进行调用;
其中,所述负载包括:控制结构、热收集子系统、生活热水供应子系统和多源互补供暖子系统中的用电设备,以及其它家用电器。
11.根据权利要求10所述的光伏直驱的直膨式太阳能热泵热电联供系统的控制方法,其特征在于,所述对热收集子系统的控制,包括:
在第一热电偶温度计的温度高于第一温度设定值的情况下,控制第二电动二通阀和第五电动二通阀导通,第一电动二通阀和第四电动二通阀关断,以利用第一热能转移回路将太阳能光伏光热一体化组件热量转移至蓄热水箱;
在第一热电偶温度计的温度不高于第一温度设定值且第二热电偶温度计的温度高于第三热电偶温度计的温度的情况下,控制第一电动二通阀和第四电动二通阀导通,第二电动二通阀和第五电动二通阀关断,以利用第二热能转移回路将太阳能光伏光热一体化组件热量转移至蓄热水箱;
在第二热电偶温度计的温度不高于第三热电偶温度计的温度的情况下,控制第一电动二通阀、第四电动二通阀、第二电动二通阀和第五电动二通阀关断,以暂停集热。
12.根据权利要求10所述的光伏直驱的直膨式太阳能热泵热电联供系统的控制方法,其特征在于,所述对生活热水供应子系统的控制包括:
在生活热水水箱的水位低于预设水位值的情况下,导通第三电动二通阀和第七电动二通阀,以使蓄热水箱的热水流通至生活热水水箱,并使自来水补充至蓄热水箱。
13.根据权利要求12所述的光伏直驱的直膨式太阳能热泵热电联供系统的控制方法,其特征在于,所述在生活热水水箱的水位低于预设水位值的情况下,导通第三电动二通阀和第七电动二通阀的同时,还包括:
在第四热电偶温度计的温度低于第二温度设定值的情况下,利用电辅助加热器对生活热水水箱中的水进行加热,以使其达到第二温度设定值。
14.根据权利要求10所述的光伏直驱的直膨式太阳能热泵热电联供系统的控制方法,其特征在于,所述对多源互补供暖子系统的控制包括:
确定用户需求情况;
基于用户需求情况,控制第一供暖回路、第二供暖回路、散热回路或供冷回路工作;
其中,所述用户需求情况,包括:存在供暖需求但供暖需求未超过预设强度阈值、存在供暖需求且供暖需求超过预设强度阈值、存在供冷需求以及无供暖且无供冷需求。
15.根据权利要求14所述的光伏直驱的直膨式太阳能热泵热电联供系统的控制方法,其特征在于,所述基于用户需求情况,控制第一供暖回路、第二供暖回路、散热回路或供冷回路工作,包括:
当用户存在供暖需求但供暖需求未超过预设强度阈值时,控制第一供暖回路中电动二通阀和水泵导通,所述多源互补供暖子系统中其余电动二通阀关断;
当用户存在供暖需求且供暖需求超过预设强度阈值时,控制第二供暖回路中电动二通阀和水泵导通,所述多源互补供暖子系统中其余电动二通阀关断;
当用户存在供冷需求时,控制供冷回路中电动二通阀和水泵导通,所述多源互补供暖子系统中其余电动二通阀关断;
当用户无供暖且无供冷需求时,控制散热回路中电动二通阀和水泵导通,所述多源互补供暖子系统中其余电动二通阀关断。
CN202210806810.0A 2022-07-08 2022-07-08 光伏直驱的直膨式太阳能热泵热电联供系统及其控制方法 Active CN115388484B (zh)

Priority Applications (1)

Application Number Priority Date Filing Date Title
CN202210806810.0A CN115388484B (zh) 2022-07-08 2022-07-08 光伏直驱的直膨式太阳能热泵热电联供系统及其控制方法

Applications Claiming Priority (1)

Application Number Priority Date Filing Date Title
CN202210806810.0A CN115388484B (zh) 2022-07-08 2022-07-08 光伏直驱的直膨式太阳能热泵热电联供系统及其控制方法

Publications (2)

Publication Number Publication Date
CN115388484A true CN115388484A (zh) 2022-11-25
CN115388484B CN115388484B (zh) 2024-01-02

Family

ID=84116558

Family Applications (1)

Application Number Title Priority Date Filing Date
CN202210806810.0A Active CN115388484B (zh) 2022-07-08 2022-07-08 光伏直驱的直膨式太阳能热泵热电联供系统及其控制方法

Country Status (1)

Country Link
CN (1) CN115388484B (zh)

Cited By (3)

* Cited by examiner, † Cited by third party
Publication number Priority date Publication date Assignee Title
CN116382194A (zh) * 2022-11-30 2023-07-04 河北雄安许继电科综合能源技术有限公司 一种光电热综合产能用能协调控制方法及系统
WO2024119571A1 (zh) * 2022-12-05 2024-06-13 青岛理工大学 一种太阳能源热泵系统的设计方法、系统及控制方法
CN120368334A (zh) * 2025-06-25 2025-07-25 中国建筑西南设计研究院有限公司 一种多回路变电压工作的热电联供系统及控制方法

Citations (8)

* Cited by examiner, † Cited by third party
Publication number Priority date Publication date Assignee Title
CN110762664A (zh) * 2019-10-14 2020-02-07 珠海格力电器股份有限公司 一种基于pvt结合跨季节蓄热和露点蒸发冷却的装置、空调
CN213746957U (zh) * 2020-10-10 2021-07-20 华北电力大学(保定) 一种具有新型集热结构的pv/t联合地源热泵供暖系统
CN114165831A (zh) * 2021-11-15 2022-03-11 国网天津市电力公司电力科学研究院 基于光伏光热综合利用系统的零耗能bipv/t方法
CN114165832A (zh) * 2021-12-28 2022-03-11 重庆大学 一种太阳能综合利用方法
CN114183802A (zh) * 2021-12-28 2022-03-15 重庆大学 太阳能光伏光热蓄热转换系统
CN114263995A (zh) * 2021-11-22 2022-04-01 河北工业大学 一种太阳能光伏光热为驱动的冷热电三联供系统
WO2022094156A1 (en) * 2020-10-29 2022-05-05 Fafco Incorporated Thermal solar assisted water heating system
CN216481365U (zh) * 2021-11-23 2022-05-10 青岛中科能匠科技有限公司 户式分体机热泵与太阳能pvt板一体化智能两联系统

Patent Citations (8)

* Cited by examiner, † Cited by third party
Publication number Priority date Publication date Assignee Title
CN110762664A (zh) * 2019-10-14 2020-02-07 珠海格力电器股份有限公司 一种基于pvt结合跨季节蓄热和露点蒸发冷却的装置、空调
CN213746957U (zh) * 2020-10-10 2021-07-20 华北电力大学(保定) 一种具有新型集热结构的pv/t联合地源热泵供暖系统
WO2022094156A1 (en) * 2020-10-29 2022-05-05 Fafco Incorporated Thermal solar assisted water heating system
CN114165831A (zh) * 2021-11-15 2022-03-11 国网天津市电力公司电力科学研究院 基于光伏光热综合利用系统的零耗能bipv/t方法
CN114263995A (zh) * 2021-11-22 2022-04-01 河北工业大学 一种太阳能光伏光热为驱动的冷热电三联供系统
CN216481365U (zh) * 2021-11-23 2022-05-10 青岛中科能匠科技有限公司 户式分体机热泵与太阳能pvt板一体化智能两联系统
CN114165832A (zh) * 2021-12-28 2022-03-11 重庆大学 一种太阳能综合利用方法
CN114183802A (zh) * 2021-12-28 2022-03-15 重庆大学 太阳能光伏光热蓄热转换系统

Cited By (4)

* Cited by examiner, † Cited by third party
Publication number Priority date Publication date Assignee Title
CN116382194A (zh) * 2022-11-30 2023-07-04 河北雄安许继电科综合能源技术有限公司 一种光电热综合产能用能协调控制方法及系统
WO2024119571A1 (zh) * 2022-12-05 2024-06-13 青岛理工大学 一种太阳能源热泵系统的设计方法、系统及控制方法
GB2631195A (en) * 2022-12-05 2024-12-25 Univ Qingdao Technology Design method for solar-source heat pump system, system, and control method
CN120368334A (zh) * 2025-06-25 2025-07-25 中国建筑西南设计研究院有限公司 一种多回路变电压工作的热电联供系统及控制方法

Also Published As

Publication number Publication date
CN115388484B (zh) 2024-01-02

Similar Documents

Publication Publication Date Title
CN115388484B (zh) 光伏直驱的直膨式太阳能热泵热电联供系统及其控制方法
CN103398474B (zh) 一种太阳能光伏-光热-热电综合利用系统
CN101964606B (zh) 太阳能联合供能系统及其方法
WO2023231726A1 (zh) Pv/t耦合双源热泵建筑综合供能系统的控制方法
WO2007000112A1 (en) Method for producing hot water utilizing combined heat resources of solar energy and heat pump in the manner of heating water at multiple stages and accumulating energy and a device especially for carrying out the method
CN210154106U (zh) 一种基于双冷凝器的热管光伏光热系统
CN115388485A (zh) 一种户用式多源互补热电联供系统及其控制方法
CN103267365A (zh) 一种联合制热水系统
CN110068038A (zh) 一种太阳能或空气能热电联供系统及其方法
CN216716614U (zh) 一种风光电热互补式冷热水双供系统
CN207196964U (zh) 太阳能热电联产装置
CN220538982U (zh) 一种采用微通道平板热管的建筑一体化光伏光热幕墙组件
CN104764081B (zh) 太阳能热电联供地暖系统
CN102538065A (zh) 采用太阳能及空气源制热水方法及制热水系统
CN111750550A (zh) 光伏光热水箱模块-特朗伯墙结合系统及工作方法
CN116558149A (zh) 一种光伏直驱直膨式pvt双源热泵装置系统及运行方法
CN206300246U (zh) 生活热水系统
CN212692158U (zh) 适用于建筑的多热源间接式pvt热泵系统
CN219034188U (zh) 一种附加阳光间主被动耦合供暖太阳房
CN116058215B (zh) 一种用于设施农业温室的pvt热泵复合供能系统
CN114183801B (zh) 一种房屋温控方法
CN109217811A (zh) 一种光电光热一体化组件以及热水系统
CN116025199A (zh) 一种附加阳光间主被动耦合供暖太阳房
CN212253200U (zh) 光伏光热水箱模块-特朗伯墙结合系统
CN117091301A (zh) 基于太阳能集热耦合多种能源加热的油田原油加热系统

Legal Events

Date Code Title Description
PB01 Publication
PB01 Publication
SE01 Entry into force of request for substantive examination
SE01 Entry into force of request for substantive examination
GR01 Patent grant
GR01 Patent grant