CN115316284B - Livestock-raising ventilation equipment with adjustable - Google Patents
Livestock-raising ventilation equipment with adjustable Download PDFInfo
- Publication number
- CN115316284B CN115316284B CN202211237414.7A CN202211237414A CN115316284B CN 115316284 B CN115316284 B CN 115316284B CN 202211237414 A CN202211237414 A CN 202211237414A CN 115316284 B CN115316284 B CN 115316284B
- Authority
- CN
- China
- Prior art keywords
- frame
- air
- shaped
- air inlet
- pipe
- Prior art date
- Legal status (The legal status is an assumption and is not a legal conclusion. Google has not performed a legal analysis and makes no representation as to the accuracy of the status listed.)
- Active
Links
- 238000009423 ventilation Methods 0.000 title claims abstract description 40
- 239000000428 dust Substances 0.000 claims abstract description 51
- 230000017105 transposition Effects 0.000 claims abstract description 37
- 238000001914 filtration Methods 0.000 claims abstract description 16
- 230000007246 mechanism Effects 0.000 claims description 35
- 238000007599 discharging Methods 0.000 claims description 10
- 244000144972 livestock Species 0.000 claims description 10
- 238000004140 cleaning Methods 0.000 claims description 9
- 230000000149 penetrating effect Effects 0.000 claims description 3
- OKTJSMMVPCPJKN-UHFFFAOYSA-N Carbon Chemical compound [C] OKTJSMMVPCPJKN-UHFFFAOYSA-N 0.000 abstract description 22
- 238000009395 breeding Methods 0.000 abstract description 19
- 230000001488 breeding effect Effects 0.000 abstract description 19
- 230000000694 effects Effects 0.000 description 6
- 230000006835 compression Effects 0.000 description 5
- 238000007906 compression Methods 0.000 description 5
- 238000004887 air purification Methods 0.000 description 4
- 241000883990 Flabellum Species 0.000 description 2
- 230000002146 bilateral effect Effects 0.000 description 2
- 230000000903 blocking effect Effects 0.000 description 2
- 230000004048 modification Effects 0.000 description 2
- 238000012986 modification Methods 0.000 description 2
- 238000010248 power generation Methods 0.000 description 2
- 230000001105 regulatory effect Effects 0.000 description 2
- 241000894006 Bacteria Species 0.000 description 1
- 230000009286 beneficial effect Effects 0.000 description 1
- 238000007664 blowing Methods 0.000 description 1
- 230000001276 controlling effect Effects 0.000 description 1
- 230000001877 deodorizing effect Effects 0.000 description 1
- 230000005611 electricity Effects 0.000 description 1
- 238000003912 environmental pollution Methods 0.000 description 1
- 230000006872 improvement Effects 0.000 description 1
- 239000012535 impurity Substances 0.000 description 1
- 238000000034 method Methods 0.000 description 1
- 244000144977 poultry Species 0.000 description 1
- 230000008569 process Effects 0.000 description 1
- 238000007790 scraping Methods 0.000 description 1
Images
Classifications
-
- A—HUMAN NECESSITIES
- A01—AGRICULTURE; FORESTRY; ANIMAL HUSBANDRY; HUNTING; TRAPPING; FISHING
- A01K—ANIMAL HUSBANDRY; AVICULTURE; APICULTURE; PISCICULTURE; FISHING; REARING OR BREEDING ANIMALS, NOT OTHERWISE PROVIDED FOR; NEW BREEDS OF ANIMALS
- A01K1/00—Housing animals; Equipment therefor
- A01K1/0047—Air-conditioning, e.g. ventilation, of animal housings
-
- B—PERFORMING OPERATIONS; TRANSPORTING
- B01—PHYSICAL OR CHEMICAL PROCESSES OR APPARATUS IN GENERAL
- B01D—SEPARATION
- B01D46/00—Filters or filtering processes specially modified for separating dispersed particles from gases or vapours
- B01D46/02—Particle separators, e.g. dust precipitators, having hollow filters made of flexible material
-
- B—PERFORMING OPERATIONS; TRANSPORTING
- B01—PHYSICAL OR CHEMICAL PROCESSES OR APPARATUS IN GENERAL
- B01D—SEPARATION
- B01D46/00—Filters or filtering processes specially modified for separating dispersed particles from gases or vapours
- B01D46/10—Particle separators, e.g. dust precipitators, using filter plates, sheets or pads having plane surfaces
-
- B—PERFORMING OPERATIONS; TRANSPORTING
- B01—PHYSICAL OR CHEMICAL PROCESSES OR APPARATUS IN GENERAL
- B01D—SEPARATION
- B01D46/00—Filters or filtering processes specially modified for separating dispersed particles from gases or vapours
- B01D46/66—Regeneration of the filtering material or filter elements inside the filter
- B01D46/68—Regeneration of the filtering material or filter elements inside the filter by means acting on the cake side involving movement with regard to the filter elements
- B01D46/681—Regeneration of the filtering material or filter elements inside the filter by means acting on the cake side involving movement with regard to the filter elements by scrapers, brushes or the like
-
- B—PERFORMING OPERATIONS; TRANSPORTING
- B01—PHYSICAL OR CHEMICAL PROCESSES OR APPARATUS IN GENERAL
- B01D—SEPARATION
- B01D46/00—Filters or filtering processes specially modified for separating dispersed particles from gases or vapours
- B01D46/66—Regeneration of the filtering material or filter elements inside the filter
- B01D46/74—Regeneration of the filtering material or filter elements inside the filter by forces created by movement of the filter element
- B01D46/76—Regeneration of the filtering material or filter elements inside the filter by forces created by movement of the filter element involving vibrations
-
- B—PERFORMING OPERATIONS; TRANSPORTING
- B01—PHYSICAL OR CHEMICAL PROCESSES OR APPARATUS IN GENERAL
- B01D—SEPARATION
- B01D46/00—Filters or filtering processes specially modified for separating dispersed particles from gases or vapours
- B01D46/88—Replacing filter elements
-
- Y—GENERAL TAGGING OF NEW TECHNOLOGICAL DEVELOPMENTS; GENERAL TAGGING OF CROSS-SECTIONAL TECHNOLOGIES SPANNING OVER SEVERAL SECTIONS OF THE IPC; TECHNICAL SUBJECTS COVERED BY FORMER USPC CROSS-REFERENCE ART COLLECTIONS [XRACs] AND DIGESTS
- Y02—TECHNOLOGIES OR APPLICATIONS FOR MITIGATION OR ADAPTATION AGAINST CLIMATE CHANGE
- Y02P—CLIMATE CHANGE MITIGATION TECHNOLOGIES IN THE PRODUCTION OR PROCESSING OF GOODS
- Y02P60/00—Technologies relating to agriculture, livestock or agroalimentary industries
- Y02P60/50—Livestock or poultry management
- Y02P60/52—Livestock or poultry management use of renewable energies
Landscapes
- Chemical & Material Sciences (AREA)
- Chemical Kinetics & Catalysis (AREA)
- Life Sciences & Earth Sciences (AREA)
- Environmental Sciences (AREA)
- Zoology (AREA)
- Animal Husbandry (AREA)
- Biodiversity & Conservation Biology (AREA)
- Greenhouses (AREA)
- Ventilation (AREA)
Abstract
The invention relates to the technical field of cultivation ventilation, in particular to adjustable livestock-raising ventilation equipment, which comprises a U-shaped pipe with a downward opening, wherein a filtering device is arranged at the left end of the U-shaped pipe, an adjusting device is detachably arranged at the right lower end of the U-shaped pipe, and an air inlet device is arranged at the lower end of the adjusting device. After the fan in the filtering device is started, air in the breeding room can be pumped out through the U-shaped pipe, the cylindrical pipe, the corrugated hose, the communicating pipe and the air inlet frame, a dust collecting bag is arranged in the dust collecting barrel, when the air passes through the dust collecting bag, fine dust in the air is collected by the dust collecting bag, the air enters the transposition pipe through the air outlet hole, then the air enters the placing frame through the circular through hole, the activated carbon of the placing frame adsorbs peculiar smell in the air, and the dust collecting bag and the activated carbon act together, so that the air is purified, and the influence on the surrounding environment after the air in the breeding room is discharged is avoided.
Description
Technical Field
The invention relates to the technical field of cultivation ventilation, in particular to adjustable ventilation equipment for livestock cultivation.
Background
The ventilation of livestock breeding refers to the discharge of air in the breeding room, and new air enters the breeding room, so that the circulation flow of air is realized, the breeding of bacteria in the breeding room can be reduced by ventilation of the breeding room, and the inside of the breeding room is ensured to be in a dry state.
The utility model discloses a poultry plant ventilation unit of patent number CN201822276246.8, can absorb the wind of the inside of culture room through air exhauster, induced draft cover and collection tuber pipe, carry the blowout of blowing head with the wind by the air duct again, the spun wind drives the power generation flabellum and rotates, then the power generation flabellum drives aerogenerator and rotates, so that let aerogenerator generate electricity, turn into alternating current by the dc-to-ac converter, again store and provide the air exhauster by the battery and utilize, the effectual wind-force that has been realized utilizes is generated, the consumption to the energy when ventilation unit uses has been reduced, the energy-concerving and environment-protective effect in the ventilation unit use has been improved, but this device is direct with the air discharge in the culture room to outside, and can not carry out purifying treatment to the air in the culture room, peculiar smell object, impurity etc. contained in the air can cause the influence to surrounding environment, polluted environment, and this device is the air discharge in the culture room from the upper end, new air gets into the culture room through the window, thereby realize air circulation, but the air that is located the window is difficult for flowing, thereby the effect of ventilation has been influenced.
Disclosure of Invention
The technical problems to be solved are as follows: the adjustable livestock breeding ventilation equipment provided by the invention can solve the problems in ventilation of the livestock breeding.
The technical scheme is as follows: in order to achieve the above purpose, the invention adopts the following technical scheme that the adjustable livestock-raising ventilation equipment comprises a U-shaped pipe with a downward opening, wherein a filtering device is arranged at the left end of the U-shaped pipe, an adjusting device is detachably arranged at the right lower end of the U-shaped pipe, and an air inlet device is detachably arranged at the lower end of the adjusting device.
The filter equipment is including installing mounting panel on the left pipe wall of U type pipe, and the middle part slip through connection of mounting panel has the lifter that is the T type, and the vertical section cover of lifter is equipped with the reset spring of installing in the mounting panel upper end, and the vertical section lower extreme of lifter is provided with filtering mechanism, and the outlet duct is installed to the mounting panel left end, and the inside fan that has through rack-mount in outlet duct left end.
The air inlet device comprises two air inlet frames which are distributed in a bilateral symmetry mode, the upper end of the air inlet frame is located on the left side and is detachably mounted and communicated with the adjusting device, the air inlet frames are fixedly connected and communicated through two telescopic pipes which are distributed in a bilateral symmetry mode, rectangular holes are formed in the opposite faces of the air inlet frames, pushing mechanisms are mounted in the air inlet frames, and anti-blocking mechanisms are mounted on the opposite faces of the air inlet frames.
As a preferred technical scheme of the invention, the filter mechanism comprises a transposition pipe rotationally connected to the lower end of the lifting rod, the transposition pipe consists of two U-shaped pipes which are in crisscross intercommunication connection, openings of the U-shaped pipes are all upward, limit sleeves are all installed at four ports of the transposition pipe, supporting columns are all installed in four vertical pipe walls of the transposition pipe, a placing frame and a dust collecting barrel are respectively placed on two supporting columns in the same U-shaped pipe, a plurality of uniformly distributed air outlet holes are formed in the bottom wall of the dust collecting barrel, an annular placing opening is formed in the inner annular surface of the dust collecting barrel near the upper end, a dust collecting bag is placed in the dust collecting barrel, a compression ring is installed in the inner annular surface of the dust collecting bag near the upper end and is in plug-in fit with the annular placing opening, and a cover plate is plugged at the upper end of the limit sleeve.
As a preferable technical scheme of the invention, the pushing mechanism comprises an electric push rod arranged on the inner bottom surface of the air inlet frame, one end of the electric push rod, which is close to the rectangular hole, penetrates through the air inlet frame wall and is provided with a pushing plate, the upper end of the pushing plate is provided with a discharging opening, the discharging opening is rotationally connected with a jacking block through a torsion spring, and the lower end of the pushing plate is provided with a cleaning brush.
As a preferable technical scheme of the invention, the anti-blocking mechanism comprises a fan-shaped frame arranged on the opposite surface of the air inlet frame, the fan-shaped frame is positioned at a rectangular hole, lifting columns vertically penetrate through the arc walls of the fan-shaped frame, a connecting plate is arranged at the lower ends of the lifting columns, auxiliary springs sleeved on the lifting columns are arranged between the upper ends of the connecting plate and the intrados of the arc walls of the fan-shaped frame, filter screens are arranged at the front end and the rear end of the connecting plate, the filter screens are in sliding connection with the inner walls of the fan-shaped frame, a plurality of uniformly distributed movable columns are arranged at the lower ends of the connecting plate, and spherical surfaces are arranged at the lower ends of the movable columns.
As a preferable technical scheme of the invention, the adjusting device comprises a cylindrical pipe which is detachably arranged at the right lower end of the U-shaped pipe, a corrugated hose is arranged at the lower end of the cylindrical pipe, an adjusting mechanism is arranged at the lower end of the corrugated hose, a communicating pipe is arranged at the lower end of the adjusting mechanism, and the lower end of the communicating pipe is detachably connected and communicated with the air inlet frame at the left side.
As a preferable technical scheme of the invention, the adjusting mechanism comprises an adjusting frame arranged at the lower end of the corrugated hose, the front side wall and the rear side wall of the adjusting frame penetrate through together and are rotationally connected with a rotating rod, a baffle plate is arranged on the outer ring surface of the rotating rod and is positioned in the adjusting frame, a telescopic rod is arranged at the front end of the rotating rod, a rectangular bar is arranged at the front end of the telescopic rod, the telescopic rod is positioned in a threaded sleeve coaxial with the telescopic rod, the threaded sleeve is fixedly connected with the front end of the adjusting frame, a rotating handle is connected with the threaded sleeve in a threaded manner, a square through hole is formed in the middle of the rotating handle, and the square through hole is in sliding fit with the rectangular bar.
As a preferable technical scheme of the invention, the placing frame is of an annular structure, the middle part of the upper wall of the placing frame is provided with the lifting column, the upper wall of the placing frame is symmetrically provided with two discharging openings relative to the lifting column, and the bottom wall of the placing frame is provided with a plurality of evenly distributed circular through holes.
As a preferable technical scheme of the invention, a rubber ring is arranged on the inner ring surface of the limit sleeve, and an annular chamfer is arranged on the outer ring surface of the upper end of the limit sleeve.
As a preferable technical scheme of the invention, the air outlet pipe is of a U-shaped structure with a downward opening, and the left lower end of the air outlet pipe is provided with a filter plate.
The beneficial effects are that: 1. the adjustable livestock-raising ventilation equipment provided by the invention has the advantages that the activated carbon and the dust collecting bag in the filtering device are used for deodorizing and dedusting the discharged air, so that the influence of the discharged air on the surrounding environment is reduced, and the environmental pollution is avoided.
2. The adjustable livestock-raising ventilation equipment provided by the invention has the advantages that the activated carbon and dust collecting bag inside the filtering device can be quickly replaced, the air purification efficiency in a cultivation room is ensured, the long-time air purification effect is improved, the operation is simple, and the ventilation process of the cultivation room is not influenced.
3. The air inlet device adopted by the adjustable livestock breeding ventilation equipment provided by the invention can realize the function of scraping sundries, can scrape the sundries adsorbed on the filter screen, avoids the sundries from blocking the air flow in the breeding house, and ensures the success rate of the air flow.
4. The air inlet device adopted by the adjustable livestock breeding ventilation equipment can be adjusted in size in a certain range, so that the flexibility of the ventilation equipment in use is improved.
5. The adjustable livestock breeding ventilation equipment provided by the invention has the advantages that the adopted adjusting mechanism can adjust the air flow, so that the requirements of different occasions are met.
6. The air inlet device adopted by the adjustable livestock breeding ventilation equipment provided by the invention can absorb air from the indoor bottom, so that new air can enter from a window and flow downwards, the complete flow of indoor air is facilitated, and the ventilation effect of a cultivation room is improved.
Drawings
The invention will be further described with reference to the drawings and examples.
Fig. 1 is a schematic perspective view of a first view of the present invention.
Fig. 2 is a schematic view of a second perspective structure of the present invention.
Fig. 3 is a front view of the present invention.
Fig. 4 is a left side view of the present invention.
Figure 5 is a cross-sectional view of A-A of figure 3 in accordance with the present invention.
Fig. 6 is an enlarged view of the invention at D in fig. 5.
Fig. 7 is a cross-sectional view of B-B of fig. 4 in accordance with the present invention.
Fig. 8 is an enlarged view of the invention at N in fig. 7.
Fig. 9 is an enlarged view of the present invention at X in fig. 7.
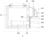
In the figure: 1. a U-shaped tube; 2. a filtering device; 21. a mounting plate; 22. a lifting rod; 23. a return spring; 24. a filtering mechanism; 241. a transposition tube; 242. a limit sleeve; 243. placing a frame; 244. a dust collection barrel; 245. a dust collecting bag; 246. a compression ring; 247. a cover plate; 248. a support column; 25. an air outlet pipe; 26. a blower; 3. an adjusting device; 31. a cylindrical tube; 32. a corrugated hose; 33. an adjusting mechanism; 331. an adjusting frame; 332. a rotating rod; 333. a baffle plate; 334. a telescopic rod; 335. a rectangular bar; 336. a threaded sleeve; 337. rotating the handle; 34. a communicating pipe; 4. an air intake device; 41. an air inlet frame; 42. a telescopic tube; 43. a pushing mechanism; 431. an electric push rod; 432. a pushing plate; 433. a jacking block; 434. cleaning brushes; 44. an anti-blocking mechanism; 441. a fan-shaped frame; 442. lifting columns; 443. a connecting plate; 444. an auxiliary spring; 445. a filter screen; 446. and (3) moving the column.
Detailed Description
Embodiments of the invention are described in detail below with reference to the attached drawings, but the invention can be implemented in a number of different ways, which are defined and covered by the claims.
Referring to fig. 1-4, an adjustable ventilation device for livestock breeding comprises a U-shaped pipe 1 with a downward opening, wherein a filtering device 2 is installed at the left end of the U-shaped pipe 1, an adjusting device 3 is detachably installed at the right lower end of the U-shaped pipe 1, and an air inlet device 4 is detachably installed at the lower end of the adjusting device 3.
Referring to fig. 1 and 7, the filtering device 2 includes a mounting plate 21 mounted on the left pipe wall of the U-shaped pipe 1, a lifting rod 22 in a T shape is slidably connected in the middle of the mounting plate 21, a reset spring 23 mounted at the upper end of the mounting plate 21 is sleeved on a vertical section of the lifting rod 22, a filtering mechanism 24 is disposed at the lower end of the vertical section of the lifting rod 22, an air outlet pipe 25 is mounted at the left end of the mounting plate 21, the air outlet pipe 25 is in a U-shaped structure with a downward opening, a filter plate is mounted at the left lower end of the air outlet pipe 25, and a fan 26 is mounted inside the left end of the air outlet pipe 25 through a frame.
During specific work, in the initial state, the U-shaped pipe 1 and the adjusting device 3 are in a separated state, the middle section of the U-shaped pipe 1 is manually installed on the wall of a cultivation room in a penetrating mode, and the U-shaped pipe 1 drives the lifting rod 22 and the filtering mechanism 24 to be in a suspended state through the mounting plate 21.
Referring to fig. 5 and 7, the adjusting device 3 includes a cylindrical tube 31 detachably mounted at the right lower end of the U-shaped tube 1, a corrugated hose 32 is mounted at the lower end of the cylindrical tube 31, an adjusting mechanism 33 is mounted at the lower end of the corrugated hose 32, a communicating tube 34 is mounted at the lower end of the adjusting mechanism 33, and the lower end of the communicating tube 34 is detachably connected and communicated with the air inlet device 4.
Referring to fig. 7, in a specific operation, after the U-shaped tube 1 is installed on a wall, the cylindrical tube 31 is fixedly connected to the right lower end of the U-shaped tube 1 by an existing connecting screw, and then the bellows 32 is manually pulled downwards according to the height of the wall, and the bellows 32 extends and drives the adjusting mechanism 33 and the communicating tube 34 to move downwards to a desired position.
Referring to fig. 1, 7 and 9, the air intake device 4 includes two air intake frames 41 symmetrically distributed left and right, the upper ends of the air intake frames 41 located at the left side are detachably mounted and communicated with the communicating pipe 34, the left and right air intake frames 41 are fixedly connected and communicated through two telescopic pipes 42 symmetrically distributed front and back, rectangular holes are formed in opposite surfaces of the air intake frames 41, a pushing mechanism 43 is mounted in the air intake frames 41, and an anti-blocking mechanism 44 is mounted on opposite surfaces of the air intake frames 41.
Referring to fig. 7 and 9, in specific operation, two air inlet frames 41 and two telescopic pipes 42 are manually placed on the ground of a cultivation room, then according to the size of the cultivation room, the distance between the two air inlet frames 41 is manually adjusted, the air inlet frames 41 drive the telescopic pipes 42 to move, the telescopic pipes 42 play a role of communicating the two air inlet frames 41, and then the air inlet frames 41 positioned on the left side are manually fixedly connected with the lower end of the communicating pipe 34 through connecting screws.
Referring to fig. 5-7, the adjusting mechanism 33 includes an adjusting frame 331 mounted at the lower end of the bellows 32, front and rear side walls of the adjusting frame 331 are penetrated together and rotatably connected with a rotating rod 332, a baffle 333 is mounted on an outer ring surface of the rotating rod 332, the baffle 333 is located in the adjusting frame 331, a telescopic rod 334 is mounted at the front end of the rotating rod 332, a rectangular bar 335 is mounted at the front end of the telescopic rod 334, the telescopic rod 334 is located in a threaded sleeve 336 coaxial with the telescopic rod 334, the threaded sleeve 336 is fixedly connected with the front end of the adjusting frame 331, a rotating handle 337 is connected with internal threads of the threaded sleeve 336, a square through hole is arranged in the middle of the rotating handle 337, and the square through hole is in sliding fit with the rectangular bar 335.
Referring to fig. 5-7, during specific operation, the rectangular bar 335 is manually slid into the square through hole, then the rotary handle 337 is rotated according to the actually required air outlet amount, the rotary handle 337 drives the telescopic rod 334 to rotate through the rectangular bar 335, the telescopic rod 334 drives the baffle 333 to rotate through the rotary rod 332, thereby controlling the size of the conveying channel of air in the regulating frame 331, changing the air outlet amount of the regulating frame 331, facilitating the regulation of the air circulation rate in the culture room, and the threaded sleeve 336 is in threaded fit with the rotary handle 337 to limit the rotary baffle 333, so as to avoid the self-deflection of the baffle 333.
Referring to fig. 7 and 8, the filtering mechanism 24 includes a transposition tube 241 rotatably connected to the lower end of the lifting rod 22, the transposition tube 241 is composed of two U-tubes connected in a crisscross and intercommunicating manner, openings of the U-tubes are all upward, limit caps 242 are all installed at four ports of the transposition tube 241, rubber rings are disposed on inner annular surfaces of the limit caps 242, support columns 248 are all installed in four vertical tube walls of the transposition tube 241, a placement frame 243 and a dust collection barrel 244 are respectively disposed on the two support columns 248 in the same U-tube, the placement frame 243 is in an annular structure, lifting columns are installed in the middle of the upper wall of the placement frame 243, two discharging openings are symmetrically disposed on the upper wall of the placement frame 243 with respect to the lifting columns, a plurality of evenly distributed circular through holes are formed in the bottom wall of the placement frame 243, a plurality of evenly distributed air outlet holes are formed in the bottom wall of the dust collection barrel 244, annular placement openings are formed in the inner annular surfaces of the dust collection barrel 244 near the upper end, dust collection bags 245 are disposed in the dust collection barrel 244, the inner annular surfaces near the upper ends are provided with compression rings 246, compression rings 246 are matched with the annular placement openings, and the compression rings 247 are inserted and inserted into the upper ends of the limit caps.
Referring to fig. 1, 7 and 8, in particular, when the ventilation device is installed, the existing activated carbon is manually placed in the placement frame 243 through the discharge opening, then the placement frame 243 is placed on one support column 248 in the transposition tube 241 through the lifting column, then the dust collection barrel 244 is placed on the other support column 248 on the same U-shaped tube as the placement frame 243, then the dust collection bag 245 is placed in the dust collection barrel 244, and then the pressing ring 246 is inserted into the annular placement opening, thereby fixing the dust collection bag 245 in the dust collection barrel 244, the transposition tube 241 is manually pulled downwards, the lifting rod 22 synchronously moves downwards vertically, then the transposition tube 241 is rotated, the placement frame 243 in the transposition tube 241 is moved to the right lower end of the air outlet tube 25, the dust collection bag 245 in the transposition tube 241 is moved to the left lower end of the U-shaped tube 1, then the transposition tube 241 is pushed upwards, the transposition tube 241 drives the corresponding two limiting sleeves 242 to be respectively in plug-in fit with the air outlet tube 25 and the U-shaped tube 1, the rubber ring in the limiting sleeve 242 plays a role in increasing friction force, the phenomenon that the transposition tube 241 drops downwards is avoided, meanwhile, the rubber ring is utilized to improve the connection tightness, the reset spring 23 plays a role in lifting the transposition tube 241, the connection tightness of the transposition tube 241, the air outlet tube 25 and the U-shaped tube 1 is further improved, the upper end of the limiting sleeve 242 which is not connected with the air outlet tube 25 and the U-shaped tube 1 is connected with the cover plate 247 in an inserted mode, the fan 26 is started, the fan 26 pumps out air in the breeding room through the U-shaped tube 1, the cylindrical tube 31, the corrugated hose 32, the communicating tube 34 and the air inlet frame 41, when the air passes through the dust collecting bag 245, the dust collecting bag 245 collects fine dust in the air, the air enters the transposition tube 241 through the air outlet hole, then the air enters the placing frame 243 through the circular through holes, the activated carbon of the placing frame 243 adsorbs peculiar smell in the air, the dust collecting bag 245 and the activated carbon act together to purify air, the influence on the surrounding environment after the air in the culture room is discharged is avoided, after a period of air ventilation, the unused activated carbon is manually placed in the unused placing frame 243, the unused dust collecting bag 245 is placed in the unused dust collecting barrel 244, then the cover plate 247 is manually removed, the unused placing frame 243 and the unused dust collecting bag 245 are respectively placed on the two unused support columns 248 on the transposition tube 241, the transposition tube 241 is pulled downwards and rotated, the transposition tube 241 connects the two unused U-tube ports with the air outlet tube 25 and the U-shaped tube 1 respectively through the limiting sleeve 242, the function of replacing the activated carbon and the dust collecting bag 245 is realized, the air purification efficiency in the culture room is ensured, the long-time air purification effect is improved, the operation is simple, the progress of the culture room is not influenced, the placing frame 243 and the dust collecting barrel 244 after the work is manually taken out from the transposition tube 241 and cleaned, and the next use is convenient.
Referring to fig. 7 and 9, the pushing mechanism 43 includes an electric push rod 431 installed on the inner bottom surface of the air inlet frame 41, one end of the electric push rod 431, which is close to the rectangular hole, penetrates through the frame wall of the air inlet frame 41 and is provided with a pushing plate 432, the upper end of the pushing plate 432 is provided with a discharging opening, a jacking block 433 is rotatably connected in the discharging opening through a torsion spring, and the lower end of the pushing plate 432 is provided with a cleaning brush 434.
Referring to fig. 2, 7 and 9, the anti-blocking mechanism 44 includes a fan-shaped frame 441 mounted on the opposite surface of the air inlet frame 41, the fan-shaped frame 441 is located at a rectangular hole, a lifting column 442 vertically penetrates through the arc wall of the fan-shaped frame 441, a connecting plate 443 is mounted at the lower end of the lifting column 442, an auxiliary spring 444 sleeved on the lifting column 442 is mounted between the upper end of the connecting plate 443 and the intrados of the arc wall of the fan-shaped frame 441, filter screens 445 are mounted at the front end and the rear end of the connecting plate 443, the filter screens 445 are slidably connected with the inner wall of the fan-shaped frame 441, a plurality of uniformly distributed moving columns 446 are mounted at the lower end of the connecting plate 443, and a spherical surface is disposed at the lower end of the moving column 446.
Referring to fig. 1, 7 and 9, in specific operation, the air inlet frame 41 sucks air in the culture room through the rectangular hole and the fan-shaped frame 441, the air enters the fan-shaped frame 441 through the filter screen 445, the air in the fan-shaped frame 441 enters the air inlet frame 41 through the rectangular hole, the filter screen 445 separates sundries such as feed and leaves mixed in the air, the sundries are prevented from entering the device to cause blocking, continuous operation of the device is ensured, after a period of ventilation, the fan 26 is closed, the electric push rod 431 is started, the electric push rod 431 drives the push plate 432 to move, the push plate 432 drives the lifting block 433 to move, the lifting block 433 pushes the spherical surface at the lower end of the moving column 446, the moving column 446 is stressed and drives the filter screen 445 to be lifted upwards through the connecting plate 443, the auxiliary spring 444 drives the filter screen 445 to reset through the connecting plate 443 after the moving column 446 is separated from the lifting block 433, the sundries adsorbed on the filter screen 445 are removed, the effect of quick cleaning of the filter screen is avoided, meanwhile, the push plate 432 drives the cleaning brush to clean sundries on the ground 434, and after the filter screen 26 is started, and ventilation is continued.
When ventilation is performed: s1: the middle section of the U-shaped pipe 1 is manually installed on the wall of a culture room in a penetrating way, the cylindrical pipe 31 is fixedly connected to the right lower end of the U-shaped pipe 1 through an existing connecting screw, then two air inlet frames 41 and two telescopic pipes 42 are manually placed on the ground of the culture room, then the distance between the two air inlet frames 41 is manually adjusted according to the size of the culture room, the air inlet frames 41 drive the telescopic pipes 42 to move, then the air inlet frames 41 positioned on the left side are manually fixedly connected with the lower end of the communicating pipe 34 through the connecting screw, and then the air outlet amount of the adjusting mechanism 33 is changed.
S2: the existing activated carbon is manually placed in the placement frame 243 through the discharging opening, then the placement frame 243 is placed on one support column 248 in the transposition tube 241 through the lifting column, then the dust collection barrel 244 is placed on the other support column 248 on the same U tube as the placement frame 243, then the dust collection bag 245 is placed in the dust collection barrel 244, then the pressing ring 246 is inserted into the annular placement opening, so that the dust collection bag 245 is fixed in the dust collection barrel 244, the transposition tube 241 is manually pulled downwards, the lifting rod 22 synchronously moves vertically downwards, then the transposition tube 241 is rotated, the placement frame 243 in the transposition tube 241 moves to the right lower end of the air outlet tube 25, the dust collection bag 245 in the transposition tube 241 moves to the left lower end of the U-shaped tube 1, the transposition tube 241 is pushed upwards, and the transposition tube 241 drives the corresponding two limiting sleeves 242 to be respectively in plug-in fit with the air outlet tube 25 and the U-shaped tube 1.
S3: the fan 26 is started, the fan 26 pumps out the air in the breeding house through the U-shaped pipe 1, the cylindrical pipe 31, the corrugated hose 32, the communicating pipe 34 and the air inlet frame 41, when the air passes through the dust collecting bag 245, the dust collecting bag 245 collects fine dust in the air, the air enters the transposition pipe 241 through the air outlet hole, then the air enters the placing frame 243 through the circular through hole, the activated carbon of the placing frame 243 adsorbs peculiar smell in the air, and the purified air is discharged.
S4: after ventilating for a period of time, the fan 26 is closed, the electric push rod 431 is started, the electric push rod 431 drives the pushing plate 432 to move, the pushing plate 432 drives the lifting block 433 to move, the lifting block 433 pushes the spherical surface at the lower end of the moving column 446, the moving column 446 is stressed and drives the filter screen 445 to be pulled upwards through the connecting plate 443, after the moving column 446 is separated from the lifting block 433, the auxiliary spring 444 drives the filter screen 445 to reset through the connecting plate 443, so that the filter screen 445 is vibrated, sundries adsorbed on the filter screen 445 are removed, the function of quick cleaning of the filter screen is realized, the influence on air flow is avoided, meanwhile, the pushing plate 432 drives the cleaning brush 434 to clean sundries on the ground, and after the filter screen is cleaned, the fan 445 is continuously started for ventilation 26.
The above description is only of the preferred embodiments of the present invention and is not intended to limit the present invention, but various modifications and variations can be made to the present invention by those skilled in the art. Any modification, equivalent replacement, improvement, etc. made within the spirit and principle of the present invention should be included in the protection scope of the present invention.
Claims (7)
1. An adjustable livestock-raising ventilation equipment, includes U type pipe (1) that the opening is decurrent, its characterized in that: the left end of the U-shaped pipe (1) is provided with a filtering device (2), the right lower end of the U-shaped pipe (1) is detachably provided with an adjusting device (3), and the lower end of the adjusting device (3) is detachably provided with an air inlet device (4); wherein:
the filtering device (2) comprises a mounting plate (21) arranged on the left pipe wall of the U-shaped pipe (1), a T-shaped lifting rod (22) is connected in a sliding and penetrating manner in the middle of the mounting plate (21), a reset spring (23) arranged at the upper end of the mounting plate (21) is sleeved on the vertical section of the lifting rod (22), a filtering mechanism (24) is arranged at the lower end of the vertical section of the lifting rod (22), an air outlet pipe (25) is arranged at the left end of the mounting plate (21), and a fan (26) is arranged in the left end of the air outlet pipe (25) through a frame;
the air inlet device (4) comprises two air inlet frames (41) which are symmetrically distributed left and right, the upper ends of the air inlet frames (41) which are positioned at the left side are detachably arranged and communicated with the adjusting device (3), the left air inlet frame (41) and the right air inlet frame (41) are fixedly connected and communicated through two telescopic pipes (42) which are symmetrically distributed front and back, rectangular holes are formed in the opposite surfaces of the air inlet frames (41), a pushing mechanism (43) is arranged in the air inlet frames (41), and an anti-blocking mechanism (44) is arranged on the opposite surfaces of the air inlet frames (41);
the pushing mechanism (43) comprises an electric push rod (431) arranged on the inner bottom surface of the air inlet frame (41), one end, close to the rectangular hole, of the electric push rod (431) penetrates through the frame wall of the air inlet frame (41) and is provided with a pushing plate (432), a discharging opening is formed in the upper end of the pushing plate (432), a jacking block (433) is connected in the discharging opening in a rotating mode through a torsion spring, and a cleaning brush (434) is arranged at the lower end of the pushing plate (432);
the anti-blocking mechanism (44) comprises a fan-shaped frame (441) arranged on the opposite surface of the air inlet frame (41), the fan-shaped frame (441) is positioned at a rectangular hole, lifting columns (442) vertically penetrate through the arc-shaped wall of the fan-shaped frame (441), a connecting plate (443) is arranged at the lower end of the lifting columns (442), an auxiliary spring (444) sleeved on the lifting columns (442) is arranged between the upper end of the connecting plate (443) and the intrados of the arc-shaped wall of the fan-shaped frame (441), filter screens (445) are arranged at the front end and the rear end of the connecting plate (443), the filter screens (445) are in sliding connection with the inner wall of the fan-shaped frame (441), a plurality of uniformly distributed moving columns (446) are arranged at the lower end of the connecting plate (443), and spherical surfaces are arranged at the lower ends of the moving columns (446);
the air in the culture room is sucked through the rectangular holes and the fan-shaped frame (441), the air enters the fan-shaped frame (441) through the filter screen (445), the air in the fan-shaped frame (441) enters the air inlet frame (41) through the rectangular holes, the filter screen (445) separates sundries mixed in the air, after ventilation is carried out for a period of time, the fan (26) is closed, the electric push rod (431) is started, the electric push rod (431) drives the push plate (432) to move, the push plate (432) drives the jacking block (433) to move, the jacking block (433) pushes the spherical surface at the lower end of the movable column (446), the movable column (446) is stressed and drives the filter screen (445) to be pulled upwards through the connecting plate (443), the auxiliary spring (444) drives the filter screen (445) to reset through the connecting plate (443), the sundries adsorbed on the filter screen (445) are removed after the filter screen (445) is vibrated, meanwhile, the push plate (432) drives the cleaning brush (434) to clean sundries on the ground, and the fan (26) is started after the ventilation is continued.
2. An adjustable livestock-raising ventilation apparatus according to claim 1, characterized in that: the filter mechanism (24) comprises a transposition pipe (241) which is rotationally connected to the lower end of the lifting rod (22), the transposition pipe (241) is composed of two U-shaped pipes which are connected in a crisscross intercommunication mode, openings of the U-shaped pipes are upward, limit sleeves (242) are arranged at four ports of the transposition pipe (241), supporting columns (248) are arranged in four vertical pipe walls of the transposition pipe (241), a placing frame (243) and a dust collecting barrel (244) are respectively arranged on the two supporting columns (248) in the same U-shaped pipe, a plurality of evenly distributed air outlet holes are formed in the bottom wall of the dust collecting barrel (244), an annular placing opening is formed in the position, close to the upper end, of the inner annular surface of the dust collecting barrel (244), a dust collecting bag (245) is arranged in the dust collecting barrel (244), a pressing ring (246) is arranged at the position, close to the upper end, of the inner annular surface of the dust collecting bag (245), the pressing ring (246) is in plug-in fit with the annular placing opening, and a cover plate (247) is plugged at the upper end of the limit sleeve (242).
3. An adjustable livestock-raising ventilation apparatus according to claim 1, characterized in that: the adjusting device (3) comprises a cylindrical tube (31) which is detachably arranged at the right lower end of the U-shaped tube (1), a corrugated hose (32) is arranged at the lower end of the cylindrical tube (31), an adjusting mechanism (33) is arranged at the lower end of the corrugated hose (32), a communicating tube (34) is arranged at the lower end of the adjusting mechanism (33), and the lower end of the communicating tube (34) is detachably connected and communicated with the air inlet frame (41) which is arranged at the left side.
4. An adjustable livestock raising ventilation apparatus according to claim 3, wherein: the utility model provides a corrugated hose, including adjusting mechanism (33), including installing adjusting frame (331) of corrugated hose (32) lower extreme, both sides wall runs through jointly and rotates around adjusting frame (331) and is connected with rotary rod (332), install baffle (333) on rotary rod (332) outer anchor ring, baffle (333) are located adjusting frame (331), telescopic link (334) are installed to rotary rod (332) front end, rectangular strip (335) are installed to telescopic link (334) front end, telescopic link (334) are located rather than coaxial screw sleeve (336), screw sleeve (336) and adjusting frame (331) front end fixed connection, screw sleeve (336) internal thread connection has rotatory handle (337), rotatory handle (337) middle part is provided with square through-hole, square through-hole and rectangular strip (335) sliding fit.
5. An adjustable livestock-raising ventilation apparatus according to claim 2, characterized in that: the placing frame (243) is of an annular structure, lifting columns are installed in the middle of the upper wall of the placing frame (243), two discharging openings are symmetrically formed in the upper wall of the placing frame (243) relative to the lifting columns, and a plurality of evenly distributed circular through holes are formed in the bottom wall of the placing frame (243).
6. An adjustable livestock-raising ventilation apparatus according to claim 2, characterized in that: and a rubber ring is arranged on the inner ring surface of the limit sleeve (242).
7. An adjustable livestock-raising ventilation apparatus according to claim 1, characterized in that: the air outlet pipe (25) is of a U-shaped structure with a downward opening, and a filter plate is arranged at the left lower end of the air outlet pipe (25).
Priority Applications (1)
| Application Number | Priority Date | Filing Date | Title |
|---|---|---|---|
| CN202211237414.7A CN115316284B (en) | 2022-10-11 | 2022-10-11 | Livestock-raising ventilation equipment with adjustable |
Applications Claiming Priority (1)
| Application Number | Priority Date | Filing Date | Title |
|---|---|---|---|
| CN202211237414.7A CN115316284B (en) | 2022-10-11 | 2022-10-11 | Livestock-raising ventilation equipment with adjustable |
Publications (2)
| Publication Number | Publication Date |
|---|---|
| CN115316284A CN115316284A (en) | 2022-11-11 |
| CN115316284B true CN115316284B (en) | 2023-05-16 |
Family
ID=83915018
Family Applications (1)
| Application Number | Title | Priority Date | Filing Date |
|---|---|---|---|
| CN202211237414.7A Active CN115316284B (en) | 2022-10-11 | 2022-10-11 | Livestock-raising ventilation equipment with adjustable |
Country Status (1)
| Country | Link |
|---|---|
| CN (1) | CN115316284B (en) |
Families Citing this family (1)
| Publication number | Priority date | Publication date | Assignee | Title |
|---|---|---|---|---|
| CN115999281A (en) * | 2023-03-20 | 2023-04-25 | 北京新领智能科技有限公司 | Automatic dust pelletizing system is filtered in beasts and birds house return air |
Family Cites Families (9)
| Publication number | Priority date | Publication date | Assignee | Title |
|---|---|---|---|---|
| CN106474881A (en) * | 2016-10-31 | 2017-03-08 | 刘绍兵 | A kind of livestock culturing field exhaust treatment system |
| CN207102295U (en) * | 2017-08-08 | 2018-03-16 | 宁雪松 | A kind of livestock culturing field exhaust emission device |
| CN208694576U (en) * | 2018-06-26 | 2019-04-05 | 李晓颖 | A kind of energy-saving emission-reducing apparatus discharged for discarding gas |
| CN212327788U (en) * | 2020-04-07 | 2021-01-12 | 青岛奥利普自动化控制系统有限公司 | Air purification filter for pharmacy |
| CN212753667U (en) * | 2020-06-04 | 2021-03-23 | 杜娟 | Novel livestock-raising ventilation device |
| CN213214736U (en) * | 2020-06-29 | 2021-05-18 | 江苏思威博生物科技有限公司 | Ventilating and deodorizing device for farm |
| CN212680542U (en) * | 2020-07-09 | 2021-03-12 | 福建省梦娇兰日用化学品有限公司 | A filter that reduces pollution |
| CN213343832U (en) * | 2020-08-20 | 2021-06-04 | 杭州仕越环境工程有限公司 | Interior formula ventilation unit that establishes in plant |
| AU2020103239A4 (en) * | 2020-11-04 | 2021-01-14 | Institute of Animal Husbandry of Heilongjiang Academy of Agricultural Sciences | Exhaust and purification equipment for livestock breeding house |
-
2022
- 2022-10-11 CN CN202211237414.7A patent/CN115316284B/en active Active
Also Published As
| Publication number | Publication date |
|---|---|
| CN115316284A (en) | 2022-11-11 |
Similar Documents
| Publication | Publication Date | Title |
|---|---|---|
| CN115316284B (en) | Livestock-raising ventilation equipment with adjustable | |
| CN115264723A (en) | Medical and health advanced air purification device and purification steps thereof | |
| CN208588016U (en) | A kind of wall-mounted air purification device | |
| CN211903192U (en) | Air mixing device, base station fresh air dust blocking equipment and base station circulating and purifying combined control system | |
| CN218221658U (en) | Air purification atomizing device | |
| CN216023769U (en) | Smoke and dust purifier of adjustable amount of wind | |
| CN119178206B (en) | A smart ceiling-mounted fresh air system filter box | |
| CN210905381U (en) | Medical air filter | |
| CN210948386U (en) | Intelligent purification fresh air window | |
| CN110657542A (en) | A fresh air purification device | |
| CN219243811U (en) | Building design ventilation equipment | |
| CN218296050U (en) | Purifier of central air conditioning supply-air outlet | |
| CN115095939A (en) | A high-efficiency and energy-saving fresh fan | |
| CN118208802A (en) | An air disinfection machine based on photocatalyst | |
| CN212274192U (en) | Indoor ventilation device | |
| CN212081572U (en) | Wall-hanging new trend system wind-force structure of intelligence | |
| CN115899920A (en) | Environment-friendly energy-saving type air interchanger | |
| CN210951628U (en) | Central air conditioning air filter with prevent stifled function | |
| CN210356376U (en) | Dust removing device | |
| CN115282706A (en) | Atmospheric environmental pollution monitoring administers device | |
| CN215336717U (en) | Warm pipeline air regulation device that leads to | |
| CN112361509A (en) | Curtain ventilation unit for building | |
| CN218421573U (en) | Air purification device capable of replacing filter element | |
| CN220931303U (en) | Fresh air system for realizing efficient dust removal based on HEPA filtration | |
| CN221991999U (en) | A portable air purification box |
Legal Events
| Date | Code | Title | Description |
|---|---|---|---|
| PB01 | Publication | ||
| PB01 | Publication | ||
| SE01 | Entry into force of request for substantive examination | ||
| SE01 | Entry into force of request for substantive examination | ||
| GR01 | Patent grant | ||
| GR01 | Patent grant |