CN115259606A - Sludge squeezing and drying equipment - Google Patents
Sludge squeezing and drying equipment Download PDFInfo
- Publication number
- CN115259606A CN115259606A CN202210986700.7A CN202210986700A CN115259606A CN 115259606 A CN115259606 A CN 115259606A CN 202210986700 A CN202210986700 A CN 202210986700A CN 115259606 A CN115259606 A CN 115259606A
- Authority
- CN
- China
- Prior art keywords
- fixedly connected
- box
- drying
- sludge
- squeezing
- Prior art date
- Legal status (The legal status is an assumption and is not a legal conclusion. Google has not performed a legal analysis and makes no representation as to the accuracy of the status listed.)
- Withdrawn
Links
- 238000001035 drying Methods 0.000 title claims abstract description 82
- 239000010802 sludge Substances 0.000 title claims abstract description 68
- 238000010438 heat treatment Methods 0.000 claims abstract description 16
- 239000000463 material Substances 0.000 claims description 17
- 238000001125 extrusion Methods 0.000 claims description 8
- 229910000831 Steel Inorganic materials 0.000 claims description 6
- 239000010959 steel Substances 0.000 claims description 6
- 238000007493 shaping process Methods 0.000 claims description 4
- 238000005265 energy consumption Methods 0.000 abstract description 4
- 238000007599 discharging Methods 0.000 description 12
- 239000010865 sewage Substances 0.000 description 9
- 238000001914 filtration Methods 0.000 description 4
- 230000000694 effects Effects 0.000 description 3
- 238000004140 cleaning Methods 0.000 description 2
- 230000009286 beneficial effect Effects 0.000 description 1
- 230000005540 biological transmission Effects 0.000 description 1
- 230000018044 dehydration Effects 0.000 description 1
- 238000006297 dehydration reaction Methods 0.000 description 1
- 230000004048 modification Effects 0.000 description 1
- 238000012986 modification Methods 0.000 description 1
- 230000001737 promoting effect Effects 0.000 description 1
- 238000010791 quenching Methods 0.000 description 1
- 230000000171 quenching effect Effects 0.000 description 1
- 230000006641 stabilisation Effects 0.000 description 1
- 238000011105 stabilization Methods 0.000 description 1
- 238000005496 tempering Methods 0.000 description 1
Images
Classifications
-
- C—CHEMISTRY; METALLURGY
- C02—TREATMENT OF WATER, WASTE WATER, SEWAGE, OR SLUDGE
- C02F—TREATMENT OF WATER, WASTE WATER, SEWAGE, OR SLUDGE
- C02F11/00—Treatment of sludge; Devices therefor
- C02F11/12—Treatment of sludge; Devices therefor by de-watering, drying or thickening
- C02F11/121—Treatment of sludge; Devices therefor by de-watering, drying or thickening by mechanical de-watering
-
- C—CHEMISTRY; METALLURGY
- C02—TREATMENT OF WATER, WASTE WATER, SEWAGE, OR SLUDGE
- C02F—TREATMENT OF WATER, WASTE WATER, SEWAGE, OR SLUDGE
- C02F11/00—Treatment of sludge; Devices therefor
- C02F11/12—Treatment of sludge; Devices therefor by de-watering, drying or thickening
- C02F11/13—Treatment of sludge; Devices therefor by de-watering, drying or thickening by heating
Landscapes
- Engineering & Computer Science (AREA)
- Mechanical Engineering (AREA)
- Life Sciences & Earth Sciences (AREA)
- Hydrology & Water Resources (AREA)
- Environmental & Geological Engineering (AREA)
- Water Supply & Treatment (AREA)
- Chemical & Material Sciences (AREA)
- Organic Chemistry (AREA)
- Drying Of Solid Materials (AREA)
- Treatment Of Sludge (AREA)
Abstract
The invention discloses sludge squeezing and drying equipment, which belongs to the field of sludge squeezing and drying, and comprises a drying box, wherein the top of the drying box is fixedly connected with a squeezing box communicated with the drying box, one side of the squeezing box is provided with a squeezing assembly, the squeezing assembly comprises a first motor, the first motor is fixedly connected to the outer wall of one side of the squeezing box, the output end of the first motor is fixedly connected with a lead screw, a sliding block is in threaded connection with the lead screw, one side of the sliding block is fixedly connected with a push rod, a squeezing plate is fixedly connected to the push rod, a forming plate is arranged inside the squeezing box, a plurality of groups of through holes are formed in the forming plate, the sludge is squeezed into a thin cylindrical shape through the squeezing plate for drying, the sludge drying efficiency is improved, meanwhile, the sludge is squeezed into a shape with a uniform diameter, the sludge drying uniformity is improved, the long-time drying of large-caking sludge is avoided, and the drying and heating energy consumption is reduced.
Description
Technical Field
The invention relates to the technical field of sludge squeezing and drying, in particular to sludge squeezing and drying equipment.
Background
Sludge treatment is to mud carry out the concentration, the quenching and tempering, the dehydration, it is stable, minimizing such as mummification or incineration, stabilization, innoxious course of working is in sludge treatment, and when sludge treatment, adopt sludge drying equipment to dry the operation usually, among the prior art, when sludge drying equipment dried mud, need carry out broken chunky earlier mud usually, then send into the stoving incasement and heat and dry, but when current drying device carried out the breakage to mud, broken mud block size differs, when getting into the stoving incasement and drying, little block stoving speed is very fast, but big block stoving speed is slow, need increase stoving time or increase stoving temperature, drying efficiency has been reduced, drying energy consumption has been improved.
Disclosure of Invention
In order to overcome the technical problems, the invention aims to provide sludge squeezing and drying equipment, which extrudes sludge into a thin strip cylinder shape through an extrusion plate for drying, improves the sludge drying efficiency, simultaneously extrudes the sludge into a shape with a uniform diameter, improves the sludge drying uniformity, avoids the long-time drying time of large-caking sludge, and reduces the drying and heating energy consumption.
The purpose of the invention can be realized by the following technical scheme:
the utility model provides a sludge squeezing and drying equipment, includes the stoving case, the hot-blast apparatus that stoving case one side fixedly connected with and stoving case are linked together, stoving incasement portion rotates and is connected with the conveyer belt, the squeezing box of stoving roof portion fixedly connected with intercommunication with it, squeezing box one side is provided with squeezes the subassembly, squeeze the subassembly and include first motor, first motor fixed connection is on squeezing box one side outer wall, first motor output runs through squeezing box and fixedly connected with lead screw, threaded connection has the slider on the lead screw, slider one side fixedly connected with push rod, the one end fixedly connected with stripper plate of slider is kept away from to the push rod, squeezing box bottom fixedly connected with filter plate, filter plate bottom fixedly connected with collecting box, the inside one side of keeping away from first motor of squeezing box is provided with the profiled sheeting, the multiunit through-hole has been seted up on the profiled sheeting.
As a further scheme of the invention: the conveyer belt is provided with two sets ofly, two sets of the conveyer belt sets up at the stoving incasement from top to bottom, four hot plates of group of fixedly connected with in the stoving incasement, multiunit venthole has been seted up on the hot plate, fixedly connected with intake pipe on the hot plate, the one end that the hot plate was kept away from to the intake pipe runs through stoving case and hot-blast apparatus and is linked together.
As a further scheme of the invention: the improved filter is characterized in that one side of the drying box is slidably connected with a slide bar, one end of the slide bar penetrates through the collecting box and the fixed block, the top of the fixed block is fixedly connected with an air outlet cover, the top of the air outlet cover is attached to the bottom of the filter plate, one end, far away from the collecting box, of the slide bar penetrates through the squeezing box and is connected with the slide block, the outer wall of one side of the drying box is fixedly connected with an air pump, the output end of the air pump is fixedly connected with an air outlet pipe, and the air outlet pipe penetrates through the drying box and the collecting box and is communicated with the air outlet cover.
As a further scheme of the invention: the improved squeezing box is characterized in that a feeding groove is formed in the top of the squeezing box, an inlet pipe is fixedly connected to the feeding groove, a second motor is fixedly connected to one side of the inlet pipe, a rotating rod is fixedly connected to the output end of the second motor, a crushing rod is arranged on the rotating rod, and the crushing rod is located inside the feeding pipe.
As a further scheme of the invention: squeeze roof portion one side sliding connection and have two sets of carriage release levers, it is two sets of the carriage release lever lower extreme runs through the equal fixedly connected with connecting block of squeeze box, the connecting block pastes mutually with one side of profiled sheeting, and is two sets of fixedly connected with steel wire between the connecting block, it is two sets of the common fixedly connected with connecting plate in carriage release lever top, the one end that the second motor was kept away from to the dwang runs through inlet pipe fixedly connected with eccentric wheel, the eccentric wheel pastes mutually with the connecting plate top, the carriage release lever outer wall cover is equipped with the spring, the both ends of spring offset with squeeze box and connecting plate respectively.
As a further scheme of the invention: the push rods are arranged in two groups, the two groups of push rods are respectively located on two sides of the sliding block, a limiting plate is fixedly connected inside the squeezing box, and the two groups of push rods are connected to the limiting plate in a sliding mode.
As a further scheme of the invention: the filter plate is characterized in that a fixing frame is fixedly connected to the top of the filter plate, the two groups of extrusion plates are respectively located on two sides of the fixing frame, a drainage cavity is formed in the fixing frame, the bottom of the drainage cavity is communicated with the filter plate, and two groups of auxiliary plates are fixedly connected to two sides of the drainage cavity.
As a further scheme of the invention: and the tops of the two groups of extrusion plates are respectively and fixedly connected with a material baffle plate.
As a further scheme of the invention: the drying box is characterized in that a material discharging groove is formed in one side of the drying box, a material receiving plate is fixedly connected to the inner wall of the bottom of the material discharging groove, one end, far away from the material discharging groove, of the material receiving plate extends to the lower portion of the conveying belt, and a baffle is rotatably connected to the top of the material discharging groove.
The invention has the beneficial effects that:
1. according to the invention, the sludge is extruded into the thin cylindrical strips through the extrusion plate to be dried, so that the sludge drying efficiency is improved, the drying time is reduced, meanwhile, the sludge is extruded into the shape with the uniform diameter, the sludge drying uniformity is improved, the long-time drying time of the large caking sludge is avoided, and the drying and heating energy consumption is reduced.
2. According to the invention, heated air enters the air outlet holes in the upper side and the lower side of the belt surface of the transmission belt in the heating plate through the air inlet pipe by the hot air device and is blown out, so that sludge is heated and dried in a short distance, and the drying efficiency of the sludge is improved.
3. According to the invention, the screw rod drives the sliding block to move, and simultaneously the sliding rod drives the fixed block to reciprocate to drive the air outlet cover to reciprocate at the bottom of the filter plate, the air outlet cover blows air at the bottom of the filter plate to reversely clean the filter plate, so that the blockage of sludge on the filter plate is reduced, and the effect of sludge squeezing sewage discharge is improved.
Drawings
The invention is further described below with reference to the accompanying drawings.
FIG. 1 is a schematic overall sectional view of the present invention;
FIG. 2 is a schematic view of the overall structure of the present invention;
FIG. 3 is a schematic view of the internal structure of the drying box of the present invention;
FIG. 4 is a schematic view of the internal structure of the press box of the present invention;
FIG. 5 is a schematic top view of the internal structure of the press box of the present invention;
FIG. 6 is a schematic view of the internal structure of the fixing frame of the present invention;
FIG. 7 is a schematic view of the travel bar configuration of the present invention;
fig. 8 is an enlarged view of a portion a of fig. 1 according to the present invention.
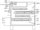
In the figure: 1. a drying box; 101. a discharge chute; 1011. a material receiving plate; 102. a baffle plate; 2. a hot air device; 3. a conveyor belt; 301. a drive motor; 4. a press box; 401. a discharge chute; 402. a feed chute; 403. filtering the plate; 4031. a collection box; 404. forming a plate; 4041. a through hole; 405. a striker plate; 406. a fixed mount; 4061. a drainage cavity; 4062. an auxiliary plate; 5. a press assembly; 501. a first motor; 502. a screw rod; 503. a slider; 5031. a push rod; 504. a pressing plate; 505. a limiting plate; 6. heating plates; 601. an air outlet; 602. an air inlet pipe; 7. a slide bar; 701. a fixed block; 702. an air outlet cover; 703. an air pump; 704. an air outlet pipe; 8. a feed pipe; 801. a second motor; 802. rotating the rod; 803. a crushing rod; 9. a travel bar; 901. connecting blocks; 902. a steel wire; 903. a connecting plate; 904. an eccentric wheel; 905. a spring.
Detailed Description
The technical solutions in the embodiments of the present invention will be clearly and completely described below with reference to the drawings in the embodiments of the present invention, and it is obvious that the described embodiments are only a part of the embodiments of the present invention, and not all of the embodiments. All other embodiments, which can be derived by a person skilled in the art from the embodiments given herein without making any creative effort, shall fall within the protection scope of the present invention.
As shown in figures 1-8, a sludge squeezing and drying device comprises a drying box 1, a discharge chute 101 is arranged on one side of the drying box 1 for discharging dried sludge, a hot air device 2 communicated with the drying box 1 is fixedly connected on one side of the drying box 1 for supplying heat to the inside of the drying box 1, a conveyor belt 3 is rotatably connected inside the drying box 1 for conveying and drying sludge, a driving motor 301 for driving the conveyor belt 3 is fixedly connected on the outer wall of the drying box 1, a squeezing box 4 is fixedly connected on the top of the drying box 1, the squeezing box 4 is communicated with the drying box 1 through a discharge chute 401, a feed chute 402 is arranged on the top of the squeezing box 4, a squeezing component 5 is arranged on one side of the squeezing box 4 away from the discharge chute 401, the squeezing component 5 comprises a first motor 501, the first motor 501 is fixedly connected on the outer wall of one side of the squeezing box 4, the output end of the first motor 501 penetrates through the squeezing box 4 and is fixedly connected with a screw rod 502, the screw rod 502 is a reciprocating screw rod, a sliding block 503 is connected to the screw rod 502 in a threaded manner, a push rod 5031 is fixedly connected to one side of the sliding block 503, one end, far away from the sliding block 503, of the push rod 5031 is fixedly connected with a squeezing plate 504, the first motor 501 drives the squeezing plate 504 to move to squeeze sludge entering from the feeding chute 402, a filtering plate 403 is fixedly connected to the bottom of the squeezing box 4, the filtering plate 403 discharges squeezed sewage, a collecting box 4031 is fixedly connected to the bottom of the filtering plate 403, the sewage is collected, a forming plate 404 is arranged inside the squeezing box 4 and is attached to the squeezed sludge, a plurality of groups of through holes 4041 are formed in the forming plate 404, the through holes 4041 are circular through holes 4041, the sludge is squeezed into a thin cylindrical shape through the through holes 4041, and then falls into the drying box 1 from the discharging chute 401.
As shown in fig. 1, fig. 2 and fig. 3, the conveyor belt 3 has two sets, two sets of conveyor belts 3 are arranged in the drying box 1 from top to bottom, four sets of heating plates 6 of fixedly connected with in the drying box 1, two pairs of heating plates 6 of the four sets are arranged oppositely, and the heating plates 6 arranged oppositely are respectively arranged on the upper side and the lower side of the belt surface at the top of the conveyor belt 3, a plurality of sets of air outlets 601 are arranged on the heating plates 6, an air inlet pipe 602 is fixedly connected to the heating plates 6, one end of the air inlet pipe 602 far away from the heating plates 6 penetrates through the drying box 1 to be communicated with the hot air device 2, sludge falls into the conveyor belt 3 through the discharge chute 401, two sets of driving motors 301 are started to rotate oppositely to convey sludge, the hot air device 2 is started simultaneously, heated air of the hot air device 2 enters into the heating plates 6 through the air inlet pipe 602, sludge is heated and dried through the air outlets 601 on the upper side and the lower side of the belt surface of the conveyor belt 3 in a short distance, and drying efficiency of the sludge is improved.
As shown in fig. 1, 2 and 3, one side of the drying box 1 is slidably connected with a slide bar 7, one end of the slide bar 7 penetrates through the collection box 4031 and is fixedly connected with a fixed block 701, the top of the fixed block 701 is fixedly connected with an air outlet cover 702, the top of the air outlet cover 702 is attached to the bottom of the filter plate 403, one end of the slide bar 7, which is far away from the collection box 4031, penetrates through the squeezing box 4 and is connected with a slide block 503, the outer wall of one side of the drying box 1 is fixedly connected with an air pump 703, the output end of the air pump 703 is fixedly connected with an air outlet pipe 704, the air outlet pipe 704 penetrates through the drying box 1 and the collection box 4031 and is communicated with the air outlet cover 702, the air is pumped from the outside and is sent into the air outlet cover 702 through the air outlet pipe 704 to be blown at the bottom of the filter plate 403 through the air outlet cover 702, the filter plate 403 is reversely cleaned, the blockage of sludge on the filter plate 403 is reduced, the effect of discharging sludge pressing sewage is improved, meanwhile, the slide block 503 is driven by the slide bar 7 to reciprocate by the slide bar 701, the fixed block 701 drives the air outlet pipe 701 to reciprocate at the bottom of the filter plate 403 to reciprocate, the filter plate 403, the filter plate 704 further improve the cleaning effect of the cleaning, and the telescopic pipe 704.
As shown in fig. 1, fig. 2 and fig. 3, a feed chute 402 has been seted up at the top of the press box 4, fixedly connected with inlet pipe 8 on the feed chute 402, inlet pipe 8 one side fixedly connected with second motor 801, second motor 801 output end fixedly connected with dwang 802, be provided with crushing pole 803 on the dwang 802, crushing pole 803 is located inside the inlet pipe 8, when mud enters into inlet pipe 8, start second motor 801, second motor 801 drives crushing pole 803 through dwang 802 and rotates, crushing pole 803 is broken the sludge cake, reduce the volume of sludge cake, when convenient crushing board 504 extrudes mud, extrude the inside sewage of mud.
As shown in fig. 1, fig. 2, fig. 4 and fig. 7, two sets of movable rods 9 are slidably connected to one side of the top of the press box 4, the lower ends of the two sets of movable rods 9 penetrate through the connecting blocks 901 which are fixedly connected to the press box 4, the connecting blocks 901 are attached to one side of the forming plate 404, steel wires 902 are fixedly connected between the two sets of connecting blocks 901, a connecting plate 903 is fixedly connected to the top ends of the two sets of movable rods 9 together, one end of the rotating rod 802, which is far away from the second motor 801, penetrates through the eccentric wheel 904 which is fixedly connected to the feeding pipe 8, the eccentric wheel 904 is attached to the top of the connecting plate 903, the outer wall of the movable rod 9 is sleeved with a spring 905, two ends of the spring 905 respectively abut against the press box 4 and the connecting plate 903, when the rotating rod 802 drives the crushing rod 803 to crush sludge, the eccentric wheel 904 rotates to abut against the connecting plate 903, the connecting plate 903 is pushed to slide downwards, the connecting plate 903 drives the steel wires to move downwards through the movable rod 9 and the connecting blocks 901, the steel wires 902 move downwards to cut cylindrical sludge extruded from the through hole 4041, so that the sludge is extruded to form a uniform length, and the sludge can be prevented from being extruded together.
As shown in fig. 1 and 4, two groups of push rods 5031 are provided, the two groups of push rods 5031 are respectively located at two sides of the sliding block 503, the inside of the squeezing box 4 is fixedly connected with a limiting plate 505, and the two groups of push rods 5031 are slidably connected to the limiting plate 505, so as to improve the moving stability of the squeezing plate 504.
As shown in fig. 1, 4, 5 and 6, a fixing frame 406 is fixedly connected to the top of the filter plate 403, two sets of pressing plates 504 are respectively located on two sides of the fixing frame 406, a drainage cavity 4061 is formed inside the fixing frame 406, the bottom of the drainage cavity 4061 is communicated with the filter plate 403, two sets of auxiliary plates 4062 are respectively and fixedly connected to the fixing frames 406 on two sides of the drainage cavity 4061, sludge falls into two sides of the fixing frame 406 through the feeding pipe 8, when the pressing plates 504 move to press sludge, the pressing plates 504 slide against the fixing frame 406 to press sludge, sewage extruded by sludge is filtered and extruded into the drainage cavity 4061 through the auxiliary plates 4062, then the sewage is fed into the collection box 4031 through the filter plate 403, the auxiliary plates 4062 are arranged to filter, and the efficiency of the pressing plates 504 for discharging the sewage extruded by sludge is improved.
As shown in fig. 1 and 4, a striker plate 405 is fixedly connected to the top of the extrusion plate 504, the extrusion plate 504 drives the striker plate 405 to move when moving, the striker plate 405 moves to be attached to the feed chute 402, the feed chute 402 is closed, and sludge is prevented from falling into the rear side of the extrusion plate 504.
As shown in fig. 1 and 3, the material receiving plate 1011 is fixedly connected to the inner wall of the bottom of the material discharging groove 101, one end, far away from the material discharging groove 101, of the material receiving plate 1011 extends to the lower side of the conveying belt 3 to discharge the sludge conveyed by the conveying belt 3, the top of the material discharging groove 101 is rotatably connected with the baffle plate 102, the material discharging groove 101 is sealed through the baffle plate 102, and the heat loss in the drying box 1 is reduced.
The working principle of the invention is as follows: when the user uses, send into inlet pipe 8 through the charging equipment among the prior art or directly with mud, start second motor 801, second motor 801 drives crushing pole 803 through dwang 802 and rotates and carry out the breakage to mud, reduce the size of mud block, then mud falls into inside squeezing box 4 through feed chute 402, start first motor 501 and drive lead screw 502 to rotate, lead screw 502 drives stripper plate 504 to remove through slider 503 and push rod 5031, stripper plate 504 promotes mud and pastes with shaping board 404, squeeze mud, the sewage that the mud was squeezed out passes through the filter plate discharge of squeezing box 4 bottom and collects in collection box 4031, stripper plate 504 continues to exert pressure, when promoting mud and continue to squeeze, mud extrudes through the through-hole 4041 on shaping board 404, extrude mud into slender cylinder, mud after the shaping falls into on conveyer belt 3 through blown down tank 401, export through conveyer belt 3, while hot-air apparatus 2 heats in drying box 1, dry mud, extrude mud into thin strip through stripper plate 504, the drying efficiency that dries the mud is improved, the drying efficiency of drying is reduced, the drying sludge caking diameter that need be heated for a long time, drying sludge caking is reduced.
While one embodiment of the present invention has been described in detail, the description is only a preferred embodiment of the present invention and should not be taken as limiting the scope of the invention. All equivalent changes and modifications made within the scope of the present invention shall fall within the scope of the present invention.
Claims (9)
1. The utility model provides a sludge pressing and drying equipment, includes stoving case (1), hot-blast apparatus (2) that stoving case (1) one side fixedly connected with and stoving case (1) are linked together, stoving case (1) inside rotation is connected with conveyer belt (3), its characterized in that, the press box (4) of stoving case (1) top fixedly connected with intercommunication with it, press box (4) one side and be provided with and squeeze subassembly (5), squeeze subassembly (5) including first motor (501), first motor (501) fixed connection is on press box (4) one side outer wall, first motor (501) output runs through press box (4) and fixedly connected with lead screw (502), threaded connection has slider (503) on lead screw (502), slider (503) one side fixedly connected with push rod (5031), the one end fixedly connected with stripper plate (504) of slider (503) are kept away from to push rod (5031), press box (4) bottom fixedly connected with filter plate (403), collecting box (403) bottom fixedly connected with collecting box (4031), the inside one side of keeping away from first motor (40501) of first motor (404) of case (4) is provided with the multiunit through-hole (41) on the shaping board (41).
2. The sludge pressing and drying equipment according to claim 1, wherein the conveying belts (3) are arranged in two groups, the two groups of conveying belts (3) are arranged in the drying box (1) up and down, four groups of heating plates (6) are fixedly connected in the drying box (1), a plurality of groups of air outlet holes (601) are formed in the heating plates (6), an air inlet pipe (602) is fixedly connected on the heating plates (6), and one end, far away from the heating plates (6), of the air inlet pipe (602) penetrates through the drying box (1) and is communicated with the hot air equipment (2).
3. The sludge squeezing and drying equipment according to claim 1, wherein a sliding rod (7) is slidably connected to one side of the drying box (1), one end of the sliding rod (7) penetrates through the collection box (4031) and is fixedly connected with a fixed block (701), an air outlet cover (702) is fixedly connected to the top of the fixed block (701), the top of the air outlet cover (702) is attached to the bottom of the filter plate (403), one end, far away from the collection box (4031), of the sliding rod (7) penetrates through the squeezing box (4) and is connected with the sliding block (503), an air pump (703) is fixedly connected to the outer wall of one side of the drying box (1), an air outlet pipe (704) is fixedly connected to the output end of the air pump (703), and the air outlet pipe (704) penetrates through the drying box (1) and the collection box (4031) and is communicated with the air outlet cover (702).
4. The sludge pressing and drying device according to claim 1, wherein a feed chute (402) is formed in the top of the press box (4), the feed chute (402) is fixedly connected with a feed pipe (8), one side of the feed pipe (8) is fixedly connected with a second motor (801), an output end of the second motor (801) is fixedly connected with a rotating rod (802), the rotating rod (802) is provided with a crushing rod (803), and the crushing rod (803) is located inside the feed pipe (8).
5. The sludge pressing and drying equipment according to claim 4, wherein two groups of moving rods (9) are slidably connected to one side of the top of the press box (4), the lower ends of the two groups of moving rods (9) penetrate through the press box (4) and are fixedly connected with connecting blocks (901), the connecting blocks (901) are attached to one side of the forming plate (404), steel wires (902) are fixedly connected between the two groups of connecting blocks (901), a connecting plate (903) is fixedly connected to the top of the two groups of moving rods (9) together, one end of the rotating rod (802), which is far away from the second motor (801), penetrates through the feeding pipe (8) and is fixedly connected with an eccentric wheel (904), the eccentric wheel (904) is attached to the top of the connecting plate (903), a spring (905) is sleeved on the outer wall of the moving rod (9), and two ends of the spring (905) are respectively abutted against the press box (4) and the connecting plate (903).
6. The sludge squeezing and drying device according to claim 1, wherein the push rods (5031) are provided in two groups, the two groups of push rods (5031) are respectively located at two sides of the slide block (503), a limiting plate (505) is fixedly connected inside the squeezing tank (4), and the two groups of push rods (5031) are slidably connected to the limiting plate (505).
7. The sludge pressing and drying device according to claim 6, wherein a fixing frame (406) is fixedly connected to the top of the filter plate (403), two sets of the pressing plates (504) are respectively located on two sides of the fixing frame (406), a drainage cavity (4061) is formed inside the fixing frame (406), the bottom of the drainage cavity (4061) is communicated with the filter plate (403), and two sets of auxiliary plates (4062) are fixedly connected to two sides of the drainage cavity (4061).
8. The sludge pressing and drying equipment as claimed in claim 4, wherein the top of each of the two groups of the extrusion plates (504) is fixedly connected with a material baffle plate (405).
9. The sludge pressing and drying equipment as claimed in claim 1, wherein a discharge groove (101) is formed in one side of the drying box (1), a material receiving plate (1011) is fixedly connected to the inner wall of the bottom of the discharge groove (101), one end, far away from the discharge groove (101), of the material receiving plate (1011) extends to the position below the conveyor belt (3), and a baffle (102) is rotatably connected to the top of the discharge groove (101).
Priority Applications (1)
| Application Number | Priority Date | Filing Date | Title |
|---|---|---|---|
| CN202210986700.7A CN115259606A (en) | 2022-08-17 | 2022-08-17 | Sludge squeezing and drying equipment |
Applications Claiming Priority (1)
| Application Number | Priority Date | Filing Date | Title |
|---|---|---|---|
| CN202210986700.7A CN115259606A (en) | 2022-08-17 | 2022-08-17 | Sludge squeezing and drying equipment |
Publications (1)
| Publication Number | Publication Date |
|---|---|
| CN115259606A true CN115259606A (en) | 2022-11-01 |
Family
ID=83753146
Family Applications (1)
| Application Number | Title | Priority Date | Filing Date |
|---|---|---|---|
| CN202210986700.7A Withdrawn CN115259606A (en) | 2022-08-17 | 2022-08-17 | Sludge squeezing and drying equipment |
Country Status (1)
| Country | Link |
|---|---|
| CN (1) | CN115259606A (en) |
Cited By (1)
| Publication number | Priority date | Publication date | Assignee | Title |
|---|---|---|---|---|
| CN116947287A (en) * | 2023-08-04 | 2023-10-27 | 江西挺进环保科技股份有限公司 | A comprehensive utilization device of municipal sludge resources |
-
2022
- 2022-08-17 CN CN202210986700.7A patent/CN115259606A/en not_active Withdrawn
Cited By (1)
| Publication number | Priority date | Publication date | Assignee | Title |
|---|---|---|---|---|
| CN116947287A (en) * | 2023-08-04 | 2023-10-27 | 江西挺进环保科技股份有限公司 | A comprehensive utilization device of municipal sludge resources |
Similar Documents
| Publication | Publication Date | Title |
|---|---|---|
| CN109328674B (en) | A straw wet material crushing and granulating device | |
| CN208466877U (en) | A kind of Extrusion Process of Aluminum Alloy Profile molding machine | |
| CN103007614A (en) | High-efficiency energy-saving belt filter press | |
| CN213865881U (en) | Sludge thickener | |
| CN115259606A (en) | Sludge squeezing and drying equipment | |
| CN209552503U (en) | A kind of extrusion separation and purification equipment | |
| CN211695623U (en) | But drying device is used in lees dish production that moisture was extruded in advance | |
| CN221094009U (en) | Sludge dewatering device for sewage treatment | |
| CN111631026A (en) | Forage drying device for livestock industry | |
| CN220784536U (en) | Waste material collecting device for plastic processing | |
| CN219894563U (en) | Edible fungus can processing container | |
| CN217499037U (en) | Sludge dewatering device for water conservancy river ecological management | |
| CN114656122B (en) | A sludge continuous squeezing device with rollers | |
| CN212610201U (en) | Device capable of quickly separating sewage and sludge | |
| CN116173573A (en) | Filter press for DSD acid production and production process | |
| CN213652233U (en) | Hydraulic type sludge rapid dehydration device | |
| CN2239885Y (en) | Screw extruding filter plate water extracter | |
| CN222804768U (en) | A dry-wet separation device for sewage treatment | |
| CN220793594U (en) | Multistage drying device is used in soybean meal production | |
| CN223202298U (en) | Water conservancy construction trash remover | |
| CN220012447U (en) | Screw conveyer convenient to mud compression | |
| CN117363414B (en) | Rapeseed oil purification equipment with quality on-line detection mechanism | |
| CN217483102U (en) | High-efficient solid-liquid separation equipment | |
| CN208085038U (en) | Special production line is extracted in Seed Oil of Pistacia Bunge cold press | |
| CN220951508U (en) | Silt drying device for environmental pollution treatment |
Legal Events
| Date | Code | Title | Description |
|---|---|---|---|
| PB01 | Publication | ||
| PB01 | Publication | ||
| SE01 | Entry into force of request for substantive examination | ||
| SE01 | Entry into force of request for substantive examination | ||
| WW01 | Invention patent application withdrawn after publication |
Application publication date: 20221101 |
|
| WW01 | Invention patent application withdrawn after publication |