CN115193892A - 工业废盐有机物脱除系统及工艺 - Google Patents

工业废盐有机物脱除系统及工艺 Download PDF

Info

Publication number
CN115193892A
CN115193892A CN202110386607.8A CN202110386607A CN115193892A CN 115193892 A CN115193892 A CN 115193892A CN 202110386607 A CN202110386607 A CN 202110386607A CN 115193892 A CN115193892 A CN 115193892A
Authority
CN
China
Prior art keywords
rotary kiln
waste salt
gas
inlet
melting furnace
Prior art date
Legal status (The legal status is an assumption and is not a legal conclusion. Google has not performed a legal analysis and makes no representation as to the accuracy of the status listed.)
Granted
Application number
CN202110386607.8A
Other languages
English (en)
Other versions
CN115193892B (zh
Inventor
马旭晖
李博
张学林
房豪杰
冯波
邓四化
刘宇
王希伟
茹斌
徐月亭
Current Assignee (The listed assignees may be inaccurate. Google has not performed a legal analysis and makes no representation or warranty as to the accuracy of the list.)
Shanghai Institute of Electromechanical Engineering
Original Assignee
Shanghai Institute of Electromechanical Engineering
Priority date (The priority date is an assumption and is not a legal conclusion. Google has not performed a legal analysis and makes no representation as to the accuracy of the date listed.)
Filing date
Publication date
Application filed by Shanghai Institute of Electromechanical Engineering filed Critical Shanghai Institute of Electromechanical Engineering
Priority to CN202110386607.8A priority Critical patent/CN115193892B/zh
Publication of CN115193892A publication Critical patent/CN115193892A/zh
Application granted granted Critical
Publication of CN115193892B publication Critical patent/CN115193892B/zh
Active legal-status Critical Current
Anticipated expiration legal-status Critical

Links

Images

Classifications

    • BPERFORMING OPERATIONS; TRANSPORTING
    • B09DISPOSAL OF SOLID WASTE; RECLAMATION OF CONTAMINATED SOIL
    • B09BDISPOSAL OF SOLID WASTE NOT OTHERWISE PROVIDED FOR
    • B09B3/00Destroying solid waste or transforming solid waste into something useful or harmless
    • BPERFORMING OPERATIONS; TRANSPORTING
    • B09DISPOSAL OF SOLID WASTE; RECLAMATION OF CONTAMINATED SOIL
    • B09BDISPOSAL OF SOLID WASTE NOT OTHERWISE PROVIDED FOR
    • B09B5/00Operations not covered by a single other subclass or by a single other group in this subclass
    • FMECHANICAL ENGINEERING; LIGHTING; HEATING; WEAPONS; BLASTING
    • F27FURNACES; KILNS; OVENS; RETORTS
    • F27BFURNACES, KILNS, OVENS OR RETORTS IN GENERAL; OPEN SINTERING OR LIKE APPARATUS
    • F27B14/00Crucible or pot furnaces
    • F27B14/08Details specially adapted for crucible or pot furnaces
    • F27B14/14Arrangements of heating devices
    • F27B14/143Heating of the crucible by convection of combustion gases

Landscapes

  • Engineering & Computer Science (AREA)
  • Environmental & Geological Engineering (AREA)
  • Chemical & Material Sciences (AREA)
  • Combustion & Propulsion (AREA)
  • Mechanical Engineering (AREA)
  • General Engineering & Computer Science (AREA)
  • Processing Of Solid Wastes (AREA)
  • Gasification And Melting Of Waste (AREA)

Abstract

本发明涉及一种工业废盐有机物脱除系统及工艺。所述系统包括回转窑、斗式提升机(7)、熔融炉、洗涤装置(14)、喷淋塔(15)、冷凝器(21);所述回转窑包括回转窑进料仓(1)、回转窑进料绞龙(2)、回转窑本体(3)、回转窑出料绞龙(4)、回转窑出料仓(5)和第一气体出口(6);所述熔融炉为旋流式并包括顶部料仓(8)、熔融炉进料绞龙(9)、熔融炉本体(10)、底部出料桶(11)、第一气体进口(12)和第二气体出口(13);所述喷淋塔设置第一反应腔、第二反应腔和底部水封池(16)。本发明能够针对不同熔点的单一废盐和混杂废盐等提供不同的有机物脱除工艺路线,使得工业废盐经过有机物脱除处理后,能满足资源化利用要求。

Description

工业废盐有机物脱除系统及工艺
技术领域
本发明涉及工业废盐处理技术,特别涉及一种工业废盐有机物脱除系统及工艺。
背景技术
工业废盐是工业生产过程中产生的各类副产结晶盐类,其主要来源包括化工生产副产物及纯水制备、化学制备、高盐废水处理等水处理过程。工业废盐一般可分为单一废盐和混杂废盐,其中,单一废盐通常是分别以氯化钠、硫酸钠、氯化钾或硝酸钾等为主要成分的盐,其熔点一般高于800℃,而混杂废盐为Na+、Mg2+、Ca2+、K+、Cl-、SO4 2-、NO3-等各种盐类物质混杂构成,其熔点一般不超过800℃。同时,工业废盐中还包含成分复杂的有机物杂质,其有机物杂质含量一般在1%~10%,而在某些工业行业产生的废盐中含有剧毒有机物,危害巨大,会造成环境污染并严重危害人体健康。
工业废盐处理及资源化利用需要去除其包含的有机物杂质,一般要求工业废盐在经过有机物脱除处理后其有机物杂质(TOC)达到小于10mg/L废盐饱和溶液的指标要求,但由于单一废盐的熔点通常较高而混杂废盐的熔点通常较低,单一废盐如若处理温度较低则无法确保有机物脱除效果,混杂废盐如若处理温度较高则容易产生结焦、结渣,因此目前的工业废盐处理技术存在处置废盐种类较单一、无法针对性处理多种废盐以及有机物脱除效果达不到资源化要求等问题。例如,中国专利201610953100.5公开了一种用于废盐精制的多级热脱附工艺及装备,通过二级热风加热炉和二级转窑以达到有机物脱附的效果,但该工艺只能用于处理熔点较高的单一废盐,而对于熔点较低的混杂废盐则容易在设备中产生结焦等问题,但运行温度太低又会影响到有机物热脱附效果。又如,中国专利201811423280.1公开了一种工业废盐高效熔化焚烧装置,对工业废盐高温碳化,使工业废盐达到熔融状态,从而达到去除有机物的目的,但该装置的缺点在于废盐在熔化焚烧炉内的流动性不好,与高温烟气混合不够充分,影响有机物脱除效果。
发明内容
本发明的目的在于提供一种工业废盐有机物脱除系统及工艺,所述系统针对不同熔点的单一废盐、混杂废盐以及含较难脱除有机物废盐提供合适的有机物脱除工艺路线,使得工业废盐经过有机物脱除处理后其有机物杂质含量能满足资源化利用要求。
本发明是这样实现的:
一种工业废盐有机物脱除系统,包括回转窑、斗式提升机、熔融炉、洗涤装置、喷淋塔、冷凝器;
所述回转窑包括回转窑进料仓、回转窑进料绞龙、回转窑本体、回转窑出料绞龙、回转窑出料仓和第一气体出口;所述回转窑进料仓进口供废盐进入,回转窑进料仓出口经回转窑进料绞龙连通回转窑本体进口,回转窑本体出口设置管路连通第一气体出口和回转窑出料绞龙进口,回转窑出料绞龙出口连通回转窑出料仓进口,回转窑出料仓出口靠近斗式提升机进口设置;
所述熔融炉为旋流式并包括顶部料仓、熔融炉进料绞龙、熔融炉本体、底部出料桶、第一气体进口和第二气体出口;所述顶部料仓进口连通斗式提升机出口,顶部料仓出口经熔融炉进料绞龙连通熔融炉本体进口,第一气体进口设置在熔融炉本体筒壁上部,第二气体出口设置在熔融炉本体筒壁下部,第二气体出口经管路连通洗涤装置进口;
所述喷淋塔设置第一反应腔、第二反应腔和底部水封池;所述第一反应腔设置第二气体进口和第三气体出口,所述第一气体出口经管路连通第二气体进口,第三气体出口经管路连通冷凝器进口,冷凝器出口经管路连通第一气体进口;所述第二反应腔设置第三气体进口和第四气体出口,所述洗涤装置出口经管路连通第三气体进口,第四气体出口连通至大气。
所述熔融炉本体顶部设置天然气燃烧器。
所述底部出料桶设置水冷夹套。
所述洗涤装置为卧式水幕洗涤筒。
所述冷凝器为列管式冷凝器。
一种工业废盐有机物脱除工艺,采用所述的工业废盐有机物脱除系统,所述工艺包括如下步骤:
当处理熔点高于800℃的废盐时,废盐经破碎后投入回转窑进料仓,通过回转窑进料绞龙进入回转窑本体内,废盐在热解温度条件下发生有机物热解反应并生成热解气,废盐在回转窑本体内停留并完成热解后,再通过回转窑出料绞龙进入回转窑出料仓并等待送入下游无机除杂系统;所述热解气依次通过第一气体出口、第二气体进口进入第一反应腔后在喷淋水作用下进行降温并脱除有机物和废盐颗粒,接着通过第三气体出口进入冷凝器并在冷凝水作用下进行冷却和水汽脱除成为不凝热解气,然后不凝热解气通过第一气体进口进入熔融炉本体内进行燃烧并生成烟气,烟气依次通过第二气体出口、洗涤装置、第三气体进口进入第二反应腔,烟气在喷淋水作用下进行降温并脱除粉尘后并由第四气体出口排入大气;
当处理熔点不超过800℃或含较难脱除有机物的废盐时,废盐经破碎后投入回转窑进料仓,通过回转窑进料绞龙进入回转窑本体内,废盐在干燥温度条件下进行脱水干燥并生成干燥气,废盐在回转窑本体内停留并完成干燥后,再通过回转窑出料绞龙进入回转窑出料仓;接着废盐由斗式提升机进入顶部料仓后,通过熔融炉进料绞龙进入熔融炉本体内,废盐在燃烧温度条件下进行有机物燃烧并生成烟气,同时废盐发生熔融反应并沿熔融炉本体内壁进入底部出料桶并等待送入下游无机除杂系统;所述干燥气依次通过第一气体出口、第二气体进口进入第一反应腔后在喷淋水作用下脱除水分和有机物,接着通过第三气体出口进入冷凝器并在冷凝水作用下进行冷却和水汽脱除成为不凝干燥气,然后不凝干燥气通过第一气体进口进入熔融炉本体内进行焚烧处置;烟气通过第二气体出口进入洗涤装置后进行冷却,同时烟气中盐蒸气冷却溶解,随后烟气通过第三气体进口进入第二反应腔,烟气在喷淋水作用下进行降温并脱除粉尘后并由第四气体出口排入大气。
所述回转窑为间壁式电加热方式。
所述热解温度条件为450~700℃。
所述干燥温度条件为150~300℃。
所述燃烧温度条件为1000~1200℃。
本发明工业废盐有机物脱除系统,基于回转窑、熔融炉、喷淋塔和冷凝器实现工业废盐高效处置,其中,回转窑可作为热解单元对熔点较高单一废盐进行热处理以彻底脱除有机物杂质,回转窑亦可作为干燥单元对熔点较低混杂废盐和含较难脱除有机物杂质废盐进行干燥处理,再结合下游的熔融炉对废盐进行有机物杂质脱除,同时喷淋塔和冷凝器作为气相处理单元对上游工艺产生的热解气或干燥气、以及烟气进行冷却、净化处理,使得气体排放达标。
本发明工业废盐有机物脱除工艺,基于所述工业废盐有机物脱除系统,提供了一套完整的工业废盐高效热法有机物脱除集成工艺,可适用于不同熔点的工业废盐,既能有效脱除工业废盐中的有机物杂质,又能避免混杂废盐在设备中结焦。另外,工业废盐进入到熔融炉内受热至熔融态进行有机物杂质脱除,提高了气固相传质和传热效率,有效增强有机物杂质脱除效果。由此,不同种类工艺废盐在经过相应的工艺处理后,其有机物杂质(TOC)均能达到小于10mg/L废盐饱和溶液的指标要求。
本发明与现有技术相比,具有如下有益效果:能对不同种类工业废盐进行有机物杂质脱除处理,具备较好的适用性,满足工业废盐有机物杂质脱除要求,有助于工业废盐资源化利用,同时系统结构简洁、运行稳定、可持续运行时间长。
附图说明
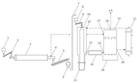
图1为本发明工业废盐有机物脱除系统的结构示意图。
图中,1回转窑进料仓,2回转窑进料绞龙,3回转窑本体,4回转窑出料绞龙,5回转窑出料仓,6第一气体出口,7斗式提升机,8顶部料仓,9熔融炉进料绞龙,10熔融炉本体,11底部出料桶,12第一气体进口,13第二气体出口,14洗涤装置,15喷淋塔,16底部水封池,17第二气体进口,18第三气体出口,19第三气体进口,20第四气体出口,21冷凝器。
具体实施方式
下面结合附图和具体实施例对本发明作进一步说明。
参见图1,一种工业废盐有机物脱除系统,用于脱除工业废盐中的有机物杂质,以实现工业废盐资源化利用。所述系统包括回转窑、斗式提升机7、熔融炉、洗涤装置14、喷淋塔15、冷凝器21。
回转窑包括回转窑进料仓1、回转窑进料绞龙2、回转窑本体3、回转窑出料绞龙4、回转窑出料仓5和第一气体出口6。回转窑进料仓1进口供废盐进入,回转窑进料仓1出口经回转窑进料绞龙2连通回转窑本体3进口,回转窑本体3出口设置管路连通第一气体出口6和回转窑出料绞龙4进口,回转窑出料绞龙4出口连通回转窑出料仓5进口。回转窑出料仓5出口靠近斗式提升机7进口设置。当处理熔点高于800℃的废盐时,废盐进入到回转窑出料仓后暂存并等待送入下游无机除杂系统,而当处理熔点不超过800℃或者含较难脱除有机物的废盐时,废盐进入到回转窑出料仓暂存并继续由斗式提升机送入熔融炉进行处理。本实施例中,回转窑为间壁式电加热方式。
熔融炉包括顶部料仓8、熔融炉进料绞龙9、熔融炉本体10、底部出料桶11、第一气体进口12和第二气体出口13。顶部料仓8进口连通斗式提升机7出口,顶部料仓8出口经熔融炉进料绞龙9连通熔融炉本体10进口,第一气体进口12设置在熔融炉本体10筒壁上部,第二气体出口13设置在熔融炉本体10筒壁下部,第二气体出口13经管路连通洗涤装置14进口。本实施例中,熔融炉采用旋流燃烧方式,熔融炉本体10顶部设置天然气燃烧器。底部出料桶11设置水冷夹套,用于降低底部出料桶表面温度。
洗涤装置14为卧式水幕洗涤筒,洗涤装置14用于对熔融炉排出的烟气进行初步冷却,同时将烟气中的盐蒸气冷却溶解。
喷淋塔15设置第一反应腔、第二反应腔和底部水封池16,第一反应腔用于处理回转窑排出的气体,第二反应腔用于处理熔融炉排出的气体,底部水封池16用于储存喷淋水废水。第一反应腔设置第二气体进口17和第三气体出口18,第一气体出口6经管路连通第二气体进口17,第三气体出口18经管路连通冷凝器21进口。第二反应腔设置第三气体进口19和第四气体出口20,洗涤装置14出口经管路连通第三气体进口19,第四气体出口20连通至大气。底部水封池16有密封作用,同时可以通过水泵将喷淋水废水送入喷淋循环水罐中,实现喷淋水循环利用。
冷凝器21为列管式冷凝器,用于对由第一反应腔体排出气体进行冷却和水汽去除处理,冷凝器21进口经管路连通喷淋塔15的第三气体出口18,冷凝器21出口经管路连通熔融炉的第一气体进口12。另外,冷凝器21中产生的冷凝水经管路送入喷淋塔15的底部水封池16,亦可实现冷凝水循环利用。
根据所述工业废盐有机物脱除系统,工业废盐有机物脱除工艺包括如下步骤:
当处理熔点高于800℃的废盐时,废盐经破碎后投入回转窑进料仓1,通过回转窑进料绞龙2进入回转窑本体3内,回转窑通过设定热解温度条件为450~700℃对废盐进行间接加热,废盐在热解温度条件下发生有机物热解反应并生成热解气,废盐在回转窑本体3内停留约1小时以满足有机物彻底脱除的调节,废盐完成热解后再通过回转窑出料绞龙4进入回转窑出料仓5暂存并等待送入下游无机除杂系统作进一步提纯。回转窑本体3内生成的热解气依次通过第一气体出口6、第二气体进口17进入第一反应腔,热解气在喷淋水作用下进行急冷降温并脱除有机物和废盐颗粒,接着热解气通过第三气体出口18进入冷凝器21并在冷凝水作用下进行冷却和水汽脱除成为不凝热解气,然后不凝热解气通过第一气体进口12进入熔融炉本体10内,此时熔融炉作为气体焚烧炉使用,不凝热解气在熔融炉本体10内进行高温燃烧并生成烟气,通过高温燃烧能有效脱除挥发性有机物(VOCs)等可燃杂质以满足可排放标准,烟气依次通过第二气体出口13、洗涤装置14、第三气体进口19进入第二反应腔,烟气在第二反应腔内喷淋水作用下进行急冷降温和粉尘脱除,最后由第四气体出口20排入大气。
由此,针对熔点高于800℃的废盐,回转窑作为热解单元并提供高熔点废盐中有机物发生裂解反应所需的热量,使得其有机物杂质受热裂解成小分子有机物、无机酸、CO、CH4、H2等不可冷凝可燃小分子气体和CO2、H2O等不燃气体等,同时回转窑产生的热解气通过喷淋塔的第一反应腔、冷凝器脱除水汽后送入熔融炉内进行燃烧以脱除VOCs,再经过喷淋塔的第二反应腔进行冷却和净化,使得最后排出气体达到可排放标准。
当处理熔点不超过800℃的废盐或废盐中含有较难脱除有机物杂质时,废盐经破碎后投入回转窑进料仓1,通过回转窑进料绞龙2进入回转窑本体3内,回转窑通过设定干燥温度条件为150~300℃对废盐进行间接加热,废盐在干燥温度条件下进行脱水干燥并生成干燥气,废盐在回转窑本体3内停留约1小时以实现废盐脱水干燥,废盐完成干燥后再通过回转窑出料绞龙4进入回转窑出料仓5暂存;接着废盐通过人工送入斗式提升机7并由斗式提升机7进入顶部料仓8后,通过熔融炉进料绞龙9进入熔融炉本体10内,熔融炉设定燃烧温度条件为1000~1200℃,废盐在燃烧温度条件下使得有机物得到充分燃烧、深度脱除并生成烟气,同时废盐发生熔融反应并沿熔融炉本体10内壁进入底部出料桶11并等待送入下游无机除杂系统。回转窑本体3内生成的干燥气主要含有水蒸汽和少部分VOCs,干燥气依次通过第一气体出口6、第二气体进口17进入第一反应腔,干燥气在喷淋水作用下脱除水分和VOCs,接着干燥气通过第三气体出口18进入冷凝器21并在冷凝水作用下进行冷却和水汽脱除成为不凝干燥气,然后不凝干燥气通过第一气体进口12进入熔融炉本体10内,不凝干燥气在熔融炉本体10内进行焚烧处置以进一步脱除其含有VOCs,不凝干燥气经焚烧处置后随废盐燃烧生成烟气一起由第二气体出口13排出。烟气通过第二气体出口13进入洗涤装置14后进行冷却,同时烟气中盐蒸气冷却溶解,随后烟气通过第三气体19进口进入第二反应腔,烟气在第二反应腔内喷淋水作用下进行急冷降温和粉尘脱除,最后由第四气体出口20排入大气。
由此,针对熔点不超过800℃或含较难脱除有机物杂质的废盐时,尤其是当废盐熔点低于热解温度时导致无法通过热解工艺实现有机物杂质有效脱除的情况下,采用回转窑和熔融炉结合的方式,即先通过回转窑对废盐采用干燥(或称中热解)工艺,回转窑内温度设定在较低温度(150~300℃)使得废盐中游离水和结合水逐渐蒸发脱除,再通过熔融炉对废盐采用高温稀相旋流熔融工艺,熔融炉内的高温和旋流燃烧方式能增强炉内颗粒的旋转流动,强化气固传热传质反应,使废盐中有机物得到充分燃烧、深度脱除。通过洗涤装置对熔融炉生成的烟气进行冷却并溶解烟气中盐蒸气,能有效防止盐蒸气凝结堵塞设备管路。
通过所述工业废盐有机物脱除工艺,废盐(包括单一废盐、混杂废盐或含有较难脱除有机物杂质废盐)在经过相应的工艺处理后,其有机物杂质(TOC)满足小于10mg/L废盐饱和溶液的指标。
本发明工业废盐有机物脱除系统及工艺,提供了一套完整的基于热解-熔融耦合工艺的废盐处理技术,适用于不同熔点的单一废盐、混杂废盐和含较难脱除有机物杂质废盐,可根据工业废盐的成分和处理要求调整运行方式,系统结构简洁且运行稳定,具备较好的适用性。本发明能有效脱除工业废盐中的有机物杂质,亦能避免工业废盐在单一热解设备中熔化、结渣,经处理后工业废盐满足资源化利用的技术参数指标,而且处理过程中生成烟气符合可排放要求。
上仅为本发明的较佳实施例而已,并非用于限定本发明的保护范围,因此,凡在本发明的精神和原则之内所作的任何修改、等同替换、改进等,均应包含在本发明的保护范围之内。

Claims (10)

1.一种工业废盐有机物脱除系统,其特征在于:包括回转窑、斗式提升机(7)、熔融炉、洗涤装置(14)、喷淋塔(15)、冷凝器(21);
所述回转窑包括回转窑进料仓(1)、回转窑进料绞龙(2)、回转窑本体(3)、回转窑出料绞龙(4)、回转窑出料仓(5)和第一气体出口(6);所述回转窑进料仓(1)进口供废盐进入,回转窑进料仓(1)出口经回转窑进料绞龙(2)连通回转窑本体(3)进口,回转窑本体(3)出口设置管路连通第一气体出口(6)和回转窑出料绞龙(4)进口,回转窑出料绞龙(4)出口连通回转窑出料仓(5)进口,回转窑出料仓(5)出口靠近斗式提升机(7)进口设置;
所述熔融炉为旋流式并包括顶部料仓(8)、熔融炉进料绞龙(9)、熔融炉本体(10)、底部出料桶(11)、第一气体进口(12)和第二气体出口(13);所述顶部料仓(8)进口连通斗式提升机(7)出口,顶部料仓(8)出口经熔融炉进料绞龙(9)连通熔融炉本体(10)进口,第一气体进口(12)设置在熔融炉本体(10)筒壁上部,第二气体出口(13)设置在熔融炉本体(10)筒壁下部,第二气体出口(13)经管路连通洗涤装置(14)进口;
所述喷淋塔(15)设置第一反应腔、第二反应腔和底部水封池(16);所述第一反应腔设置第二气体进口(17)和第三气体出口(18),所述第一气体出口(6)经管路连通第二气体进口(17),第三气体出口(18)经管路连通冷凝器(21)进口,冷凝器(21)出口经管路连通第一气体进口(12);所述第二反应腔设置第三气体进口(19)和第四气体出口(20),所述洗涤装置(14)出口经管路连通第三气体进口(19),第四气体出口(20)连通至大气。
2.根据权利要求1所述的工业废盐有机物脱除系统,其特征在于:所述熔融炉本体(10)顶部设置天然气燃烧器。
3.根据权利要求1所述的工业废盐有机物脱除系统,其特征在于:所述底部出料桶(11)设置水冷夹套。
4.根据权利要求1所述的工业废盐有机物脱除系统,其特征在于:所述洗涤装置(14)为卧式水幕洗涤筒。
5.根据权利要求1所述的工业废盐有机物脱除系统,其特征在于:所述冷凝器(21)为列管式冷凝器。
6.一种工业废盐有机物脱除工艺,采用权利要求1所述的工业废盐有机物脱除系统,其特征在于:所述工艺包括如下步骤:
当处理熔点高于800℃的废盐时,废盐经破碎后投入回转窑进料仓(1),通过回转窑进料绞龙(2)进入回转窑本体(3)内,废盐在热解温度条件下发生有机物热解反应并生成热解气,废盐在回转窑本体(3)内停留并完成热解后,再通过回转窑出料绞龙(4)进入回转窑出料仓(5)并等待送入下游无机除杂系统;所述热解气依次通过第一气体出口(6)、第二气体进口(17)进入第一反应腔后在喷淋水作用下进行降温并脱除有机物和废盐颗粒,接着通过第三气体出口(18)进入冷凝器(21)并在冷凝水作用下进行冷却和水汽脱除成为不凝热解气,然后不凝热解气通过第一气体进口(12)进入熔融炉本体(10)内进行燃烧并生成烟气,烟气依次通过第二气体出口(13)、洗涤装置(14)、第三气体进口(19)进入第二反应腔,烟气在喷淋水作用下进行降温并脱除粉尘后并由第四气体出口(20)排入大气;
当处理熔点不超过800℃或含较难脱除有机物的废盐时,废盐经破碎后投入回转窑进料仓(1),通过回转窑进料绞龙(2)进入回转窑本体(3)内,废盐在干燥温度条件下进行脱水干燥并生成干燥气,废盐在回转窑本体(3)内停留并完成干燥后,再通过回转窑出料绞龙(4)进入回转窑出料仓(5);接着废盐由斗式提升机(7)进入顶部料仓(8)后,通过熔融炉进料绞龙(9)进入熔融炉本体(10)内,废盐在燃烧温度条件下进行有机物燃烧并生成烟气,同时废盐发生熔融反应并沿熔融炉本体(10)内壁进入底部出料桶(11)并等待送入下游无机除杂系统;所述干燥气依次通过第一气体出口(6)、第二气体进口(17)进入第一反应腔后在喷淋水作用下脱除水分和有机物,接着通过第三气体出口(18)进入冷凝器(21)并在冷凝水作用下进行冷却和水汽脱除成为不凝干燥气,然后不凝干燥气通过第一气体进口(12)进入熔融炉本体(10)内进行焚烧处置;烟气通过第二气体出口(13)进入洗涤装置(14)后进行冷却,同时烟气中盐蒸气冷却溶解,随后烟气通过第三气体(19)进口进入第二反应腔,烟气在喷淋水作用下进行降温并脱除粉尘后并由第四气体出口(20)排入大气。
7.根据权利要求6所述的工业废盐有机物脱除工艺,其特征在于:所述回转窑为间壁式电加热方式。
8.根据权利要求6所述的工业废盐有机物脱除工艺,其特征在于:所述热解温度条件为450~700℃。
9.根据权利要求6所述的工业废盐有机物脱除工艺,其特征在于:所述干燥温度条件为150~300℃。
10.根据权利要求6所述的工业废盐有机物脱除工艺,其特征在于:所述燃烧温度条件为1000~1200℃。
CN202110386607.8A 2021-04-12 2021-04-12 工业废盐有机物脱除系统及工艺 Active CN115193892B (zh)

Priority Applications (1)

Application Number Priority Date Filing Date Title
CN202110386607.8A CN115193892B (zh) 2021-04-12 2021-04-12 工业废盐有机物脱除系统及工艺

Applications Claiming Priority (1)

Application Number Priority Date Filing Date Title
CN202110386607.8A CN115193892B (zh) 2021-04-12 2021-04-12 工业废盐有机物脱除系统及工艺

Publications (2)

Publication Number Publication Date
CN115193892A true CN115193892A (zh) 2022-10-18
CN115193892B CN115193892B (zh) 2024-09-27

Family

ID=83571495

Family Applications (1)

Application Number Title Priority Date Filing Date
CN202110386607.8A Active CN115193892B (zh) 2021-04-12 2021-04-12 工业废盐有机物脱除系统及工艺

Country Status (1)

Country Link
CN (1) CN115193892B (zh)

Citations (11)

* Cited by examiner, † Cited by third party
Publication number Priority date Publication date Assignee Title
US20040024279A1 (en) * 2002-07-31 2004-02-05 Mason J. Bradley In-drum pyrolysis system
JP2006078189A (ja) * 2004-09-07 2006-03-23 Japan Nuclear Cycle Development Inst States Of Projects 塩廃棄物の処理方法及び処理装置
CN106475398A (zh) * 2016-10-12 2017-03-08 辽宁东大粉体工程技术有限公司 一种工业废盐碳化处理方法
CN106914474A (zh) * 2017-04-17 2017-07-04 辽宁东大粉体工程技术有限公司 一种工业废盐分级分解碳化无害化处理的工艺及设备
CN109681880A (zh) * 2018-11-16 2019-04-26 常州工学院 一种含有机物的高盐固体废弃物的处理方法
CN110805907A (zh) * 2019-10-16 2020-02-18 北京航化节能环保技术有限公司 一种处理含水含有机物和含其它溶解性气体的固体废盐裂解炉工艺及装置
CN111167841A (zh) * 2020-02-27 2020-05-19 亚德(上海)环保系统有限公司 一种流化床处理工业废盐的系统及其方法
CN111288473A (zh) * 2020-02-14 2020-06-16 河海大学 一种用于脱除化工废盐中有机物的热解处理系统
CN111288472A (zh) * 2020-02-14 2020-06-16 河海大学 一种化工行业废盐的受控梯级热解回收与二噁英防控方法
CN211694924U (zh) * 2019-08-21 2020-10-16 天津天大清能环境工程有限公司 一种废盐炭化炉
CN215143281U (zh) * 2021-04-12 2021-12-14 上海市机电设计研究院有限公司 工业废盐有机物脱除系统

Patent Citations (11)

* Cited by examiner, † Cited by third party
Publication number Priority date Publication date Assignee Title
US20040024279A1 (en) * 2002-07-31 2004-02-05 Mason J. Bradley In-drum pyrolysis system
JP2006078189A (ja) * 2004-09-07 2006-03-23 Japan Nuclear Cycle Development Inst States Of Projects 塩廃棄物の処理方法及び処理装置
CN106475398A (zh) * 2016-10-12 2017-03-08 辽宁东大粉体工程技术有限公司 一种工业废盐碳化处理方法
CN106914474A (zh) * 2017-04-17 2017-07-04 辽宁东大粉体工程技术有限公司 一种工业废盐分级分解碳化无害化处理的工艺及设备
CN109681880A (zh) * 2018-11-16 2019-04-26 常州工学院 一种含有机物的高盐固体废弃物的处理方法
CN211694924U (zh) * 2019-08-21 2020-10-16 天津天大清能环境工程有限公司 一种废盐炭化炉
CN110805907A (zh) * 2019-10-16 2020-02-18 北京航化节能环保技术有限公司 一种处理含水含有机物和含其它溶解性气体的固体废盐裂解炉工艺及装置
CN111288473A (zh) * 2020-02-14 2020-06-16 河海大学 一种用于脱除化工废盐中有机物的热解处理系统
CN111288472A (zh) * 2020-02-14 2020-06-16 河海大学 一种化工行业废盐的受控梯级热解回收与二噁英防控方法
CN111167841A (zh) * 2020-02-27 2020-05-19 亚德(上海)环保系统有限公司 一种流化床处理工业废盐的系统及其方法
CN215143281U (zh) * 2021-04-12 2021-12-14 上海市机电设计研究院有限公司 工业废盐有机物脱除系统

Also Published As

Publication number Publication date
CN115193892B (zh) 2024-09-27

Similar Documents

Publication Publication Date Title
CN101126035B (zh) 一种酚水封闭运行高转化率煤气化生产工艺
WO2022061958A1 (zh) 一种油泥无害化、资源化集成处理方法和系统
CN100526716C (zh) 等离子医疗垃圾焚烧方法
CN111609406A (zh) 处理生活垃圾的方法
CN103256608B (zh) 污泥焚烧方法
CN209550214U (zh) 一种固体废弃物处理系统
CN215143281U (zh) 工业废盐有机物脱除系统
CN106987275A (zh) 工业废弃物的高温等离子体气化熔融处理系统及方法
CN106244186B (zh) 一种有机高分子废弃物料处理装置
CN102889602B (zh) 一种高浓度含盐废液焚烧装置及其处理方法
CN105737162A (zh) 基于过程解耦和洗气燃烧的生活垃圾低温热解系统及方法
CN112898999A (zh) 一种含有机污染物废盐的催化热解-氧化多段炉处理集成装置与方法
CN106765142B (zh) 固体废弃物分级气化系统
CN114890604B (zh) 一种基于液中焚烧技术的含盐废液处理系统及方法
CN116177832A (zh) 一种污泥制备生物炭系统
CN114110604B (zh) 一种基于全自动化垃圾热解系统的热解方法
CN104390220B (zh) 一种化工污泥处理方法及设备系统
CN115193892B (zh) 工业废盐有机物脱除系统及工艺
CN111978966A (zh) 一种基于三段式回转窑的含油污泥处理系统
CN111536520A (zh) 一种用于对固体废物进行无害化及减量化的处理系统及固体废物处理方法
CN117447039B (zh) 半炭化耦合炭化工艺处理市政污泥的方法和集成设备
CN215667833U (zh) 一种有机含氟废液处理和回收的系统
CN105953239A (zh) 一种丙烯酸废水的汽提蒸发减量化焚烧急冷装置及方法
CN215062116U (zh) 一种高盐高cod废水处理系统
CN214147897U (zh) 一种适用于生活垃圾高温热解处理的尾气净化设备

Legal Events

Date Code Title Description
PB01 Publication
PB01 Publication
SE01 Entry into force of request for substantive examination
SE01 Entry into force of request for substantive examination
GR01 Patent grant
GR01 Patent grant