CN115128094A - 一种大体积混凝土内部观测及测温装置 - Google Patents

一种大体积混凝土内部观测及测温装置 Download PDF

Info

Publication number
CN115128094A
CN115128094A CN202210653444.XA CN202210653444A CN115128094A CN 115128094 A CN115128094 A CN 115128094A CN 202210653444 A CN202210653444 A CN 202210653444A CN 115128094 A CN115128094 A CN 115128094A
Authority
CN
China
Prior art keywords
locking
temperature
temperature measuring
pipe
measuring hole
Prior art date
Legal status (The legal status is an assumption and is not a legal conclusion. Google has not performed a legal analysis and makes no representation as to the accuracy of the status listed.)
Pending
Application number
CN202210653444.XA
Other languages
English (en)
Inventor
郭二伟
王颂扬
万浩
刘宗通
程菁康
Current Assignee (The listed assignees may be inaccurate. Google has not performed a legal analysis and makes no representation or warranty as to the accuracy of the list.)
Henan University of Science and Technology
Original Assignee
Henan University of Science and Technology
Priority date (The priority date is an assumption and is not a legal conclusion. Google has not performed a legal analysis and makes no representation as to the accuracy of the date listed.)
Filing date
Publication date
Application filed by Henan University of Science and Technology filed Critical Henan University of Science and Technology
Priority to CN202210653444.XA priority Critical patent/CN115128094A/zh
Publication of CN115128094A publication Critical patent/CN115128094A/zh
Pending legal-status Critical Current

Links

Images

Classifications

    • GPHYSICS
    • G01MEASURING; TESTING
    • G01NINVESTIGATING OR ANALYSING MATERIALS BY DETERMINING THEIR CHEMICAL OR PHYSICAL PROPERTIES
    • G01N21/00Investigating or analysing materials by the use of optical means, i.e. using sub-millimetre waves, infrared, visible or ultraviolet light
    • G01N21/84Systems specially adapted for particular applications
    • G01N21/88Investigating the presence of flaws or contamination
    • G01N21/95Investigating the presence of flaws or contamination characterised by the material or shape of the object to be examined
    • GPHYSICS
    • G01MEASURING; TESTING
    • G01KMEASURING TEMPERATURE; MEASURING QUANTITY OF HEAT; THERMALLY-SENSITIVE ELEMENTS NOT OTHERWISE PROVIDED FOR
    • G01K1/00Details of thermometers not specially adapted for particular types of thermometer
    • G01K1/14Supports; Fastening devices; Arrangements for mounting thermometers in particular locations
    • GPHYSICS
    • G01MEASURING; TESTING
    • G01KMEASURING TEMPERATURE; MEASURING QUANTITY OF HEAT; THERMALLY-SENSITIVE ELEMENTS NOT OTHERWISE PROVIDED FOR
    • G01K13/00Thermometers specially adapted for specific purposes
    • GPHYSICS
    • G01MEASURING; TESTING
    • G01KMEASURING TEMPERATURE; MEASURING QUANTITY OF HEAT; THERMALLY-SENSITIVE ELEMENTS NOT OTHERWISE PROVIDED FOR
    • G01K7/00Measuring temperature based on the use of electric or magnetic elements directly sensitive to heat ; Power supply therefor, e.g. using thermoelectric elements
    • GPHYSICS
    • G01MEASURING; TESTING
    • G01KMEASURING TEMPERATURE; MEASURING QUANTITY OF HEAT; THERMALLY-SENSITIVE ELEMENTS NOT OTHERWISE PROVIDED FOR
    • G01K7/00Measuring temperature based on the use of electric or magnetic elements directly sensitive to heat ; Power supply therefor, e.g. using thermoelectric elements
    • G01K7/02Measuring temperature based on the use of electric or magnetic elements directly sensitive to heat ; Power supply therefor, e.g. using thermoelectric elements using thermoelectric elements, e.g. thermocouples
    • GPHYSICS
    • G01MEASURING; TESTING
    • G01KMEASURING TEMPERATURE; MEASURING QUANTITY OF HEAT; THERMALLY-SENSITIVE ELEMENTS NOT OTHERWISE PROVIDED FOR
    • G01K7/00Measuring temperature based on the use of electric or magnetic elements directly sensitive to heat ; Power supply therefor, e.g. using thermoelectric elements
    • G01K7/16Measuring temperature based on the use of electric or magnetic elements directly sensitive to heat ; Power supply therefor, e.g. using thermoelectric elements using resistive elements
    • G01K7/22Measuring temperature based on the use of electric or magnetic elements directly sensitive to heat ; Power supply therefor, e.g. using thermoelectric elements using resistive elements the element being a non-linear resistance, e.g. thermistor
    • GPHYSICS
    • G01MEASURING; TESTING
    • G01NINVESTIGATING OR ANALYSING MATERIALS BY DETERMINING THEIR CHEMICAL OR PHYSICAL PROPERTIES
    • G01N21/00Investigating or analysing materials by the use of optical means, i.e. using sub-millimetre waves, infrared, visible or ultraviolet light
    • G01N21/01Arrangements or apparatus for facilitating the optical investigation
    • GPHYSICS
    • G01MEASURING; TESTING
    • G01NINVESTIGATING OR ANALYSING MATERIALS BY DETERMINING THEIR CHEMICAL OR PHYSICAL PROPERTIES
    • G01N21/00Investigating or analysing materials by the use of optical means, i.e. using sub-millimetre waves, infrared, visible or ultraviolet light
    • G01N21/01Arrangements or apparatus for facilitating the optical investigation
    • G01N2021/0106General arrangement of respective parts
    • G01N2021/0112Apparatus in one mechanical, optical or electronic block

Landscapes

  • Physics & Mathematics (AREA)
  • General Physics & Mathematics (AREA)
  • Health & Medical Sciences (AREA)
  • Life Sciences & Earth Sciences (AREA)
  • Chemical & Material Sciences (AREA)
  • Analytical Chemistry (AREA)
  • Biochemistry (AREA)
  • General Health & Medical Sciences (AREA)
  • Immunology (AREA)
  • Pathology (AREA)
  • Nonlinear Science (AREA)
  • Measuring Temperature Or Quantity Of Heat (AREA)

Abstract

本发明公开了一种大体积混凝土内部观测及测温装置,包括支撑机构、卡锁机构以及监测机构;支撑机构包括中空导杆以及套管,监测机构用于观测测温孔底部的裂缝情况及测量测温孔内的温度,所述监测机构设于中空导杆的底部;卡锁机构安装于套管外部,卡锁机构包括至少一个卡锁组件,所述卡锁组件包括卡锁单元,上限位管和下限位管,通过调节上限位管和下限位管之间的间距能够调节卡锁单元的伸出长度以及与测温孔内壁的夹角,适用于不同直径的测温孔。该装置具有轻便灵活,移动自由,卡锁牢固,易于长期观测等优点,较为方便的应用于大体积混凝土养护期间的测温孔裂缝观测和温度测试。

Description

一种大体积混凝土内部观测及测温装置
技术领域
本发明涉及土木工程大体积混凝土浇筑养护期间内部观测及测温技术领域,具体的说是一种大体积混凝土内部观测及测温装置。
背景技术
随着建筑行业的飞速发展,建筑结构形式多变,向超高、超长、超大方向发展。混凝土浇筑体量巨大,时常涉及到大体积混凝土浇筑施工,如超高层建筑、大型设备基础、大型水坝等大体积混凝土施工。其主要特点是混凝土体积巨大,截面尺寸大于1米,水泥水化热比较集中、内部升温快、内外温差大、使得混凝土内部和外部易产生温度裂缝,严重影响结构的安全和正常使用。
大体积混凝土的裂缝控制措施,有降温法和保温法,都主要依据大体积混凝土测温孔的观测和测温数据,不断调整预防裂缝的温控措施。为了掌握大体积砼的温升和降温的变化规律,以及各种温控措施在各种条件下的温度影响,需要对大体积混凝土内部进行详细的观测和连续温度监测。
大体积混凝土的测温点的布置必须具有代表性和可比性。沿浇筑的高度,应布置在底部、中部和表面,垂直测点间距一般为500~800mm。垂直测温一般采用预留测温孔洞方法测温,一个测温孔只能反映一个深度测点的数据。不同深度需采用不同深度的测温孔进行观测。
在混凝土温度上升阶段每2~4h测一次,温度下降阶段每8h测一次,同时应测大气温度。为了及时控制大体积混凝土内外两个温差,以及校验计算值与实测值的差别,随时掌握混凝土温度变化的动态,一般采用热电偶,采用热电偶测温时,还应配合普通温度计,进行校验,确保测温的准确性。根据温差情况和测温孔孔壁的裂缝情况,及时采用加强保温或延缓拆除保温材料等温控措施,以防止大体积混凝土产生温差应力和裂缝,确保大体积混凝土工程质量。
发明内容
为了解决现有技术中的不足,本发明提供一种大体积混凝土内部观测及测温装置,通过该装置能够较方便的观测测温孔的内部情况,同时进行长时间的温度监测。
为了实现上述目的,本发明采用的具体方案为:
一种大体积混凝土内部观测及测温装置,包括:
支撑机构,所述支撑机构包括能够伸入测温孔中的中空导杆以及套装于中空导杆上并能够沿中空导杆上下滑动的套管;
监测机构,所述监测机构用于观测测温孔底部的裂缝情况及测量测温孔内的温度,所述监测机构设于中空导杆的底部;
卡锁机构,所述卡锁机构安装于套管外部,根据测温孔直径的不同,通过对卡锁机构的伸出长度和与测温孔内壁的夹角进行调整,能够使其始终与测温孔内壁相抵接以保证稳定监测。
进一步地,所述卡锁机构包括一个卡锁组件;
或;
所述卡锁机构包括自下而上设置的第一至第N个卡锁组件,N≥2。
进一步地,当卡锁机构包括一个卡锁组件,所述卡锁组件包括套装于套管上的卡锁单元、设于卡锁单元上方的上限位管、以及设于卡锁单元下方的下限位管,所述上限位管和下限位管均与套管螺纹连接,通过调节上限位管和下限位管之间的距离能够调节卡锁单元与测温孔内壁的间距。
进一步地,当卡锁机构包括N个卡锁组件时,N个卡锁组件均包括卡锁单元、设于卡锁单元上方的上限位管、以及设于卡锁单元下方的下限位管;
其中,第一个卡锁组件中,卡锁单元套装于套管上,上限位管和下限位管均与套管螺纹连接;第二至第N个卡锁组件中,第m+1个卡锁组件中的卡锁单元套装于第m个卡锁组件中的上限位管上,第m+1个卡锁组件中的上限位管和下限位管均与第m个卡锁组件中的上限位管螺纹连接,1≤m≤N。
进一步地,相邻两个卡锁单元之间的间距不小于50mm。
进一步地,所述卡锁组件包括一套环以及三条与套环外侧壁相铰接的均匀分布的支腿。
进一步地,所述支腿包括与套环铰接的支杆I、与支杆I远离套环的一端螺纹连接的螺纹管I、与螺纹管I远离支杆I的一端螺纹连接的支杆II、以及设于支杆II远离螺纹管I一端的能够与测温孔内壁紧贴的支脚,支杆I、支杆II以及螺纹管I同轴设置。
进一步地,所述监测机构包括用于观测测温孔底部的裂缝情况的探头组件以及用于测量测温孔内温度的测温组件;
所述探头组件包括与中空导杆底端固定连接的内旋转头、与内旋转头转动连接的外旋转头、与外旋转头铰接的保护罩以及设于保护罩内的摄像头;
所述测温组件包括设于中空导杆内的中心测温元件、与中空导杆底部螺纹连接的横杆I、与横杆I远离中空导杆的一端螺纹连接的螺纹管II、与螺纹管II远离横杆I的一端螺纹连接的横杆II、与横杆II远离螺纹管II一端相连接的边部测温元件,横杆I、横杆II以及螺纹管II 同轴设置。
进一步地,螺纹管I与支杆I、支杆II的螺纹咬合长度不小于10mm;
或;
螺纹管II与横杆I、横杆II的螺纹咬合长度不小于10mm。
进一步地,所述中空导杆的外表面上沿其轴线方向设有刻度。
有益效果:
1)、本发明中的装置包括支撑机构、卡锁机构以及监测机构,a)根据测温孔直径的不同,通过对卡锁机构的伸出长度和与测温孔内壁的夹角进行调整,能够使其始终与测温孔内壁相抵接以保证稳定监测;b)所述监测机构用于观测测温孔底部的裂缝情况及测量测温孔内的温度,所述监测机构设于中空导杆的底部;通过支撑机构、卡锁机构以及监测机构的配合,能够测量不同深度、不同孔径的测温孔内部的数据,并能够保证长时间稳定监测。
2)卡锁机构包括至少一个卡锁组件,所述卡锁组件包括卡锁单元,上限位管和下限位管,通过调节上限位管和下限位管之间的间距能够调节卡锁单元的伸出长度和与测温孔内壁的夹角,适用于不同直径的测温孔
3)、本发明中的支腿包括支杆I、螺纹管I以及支杆II,通过旋转螺纹管I调节支支杆II的外伸长度,进而适应更大孔径的测温孔。
4)、本发明探头组件中的摄像头通过外旋转头可沿轴向360°旋转,可以任意角度观测测温孔底部的裂缝情况。保护罩和摄像头可以相对于外旋转头左右不大于169°摆动,可以自由观测测温孔孔壁的裂缝发展情况。
5)、本发明中的测温元件以中心测温元件为主,两个边部测温元件为辅,也可以三者的平均值作为温度测量值,提高其测温的精确度。
附图说明
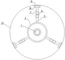
图1为本发明中包含两个卡锁组件的观测及测温装置的结构示意图。
图2为图1的正视图。
图3为包含一个卡锁组件的观测及测温装置的结构示意图。
图4为图3中A处的俯视图。
图5为本发明中第一限位管3的结构示意图。
图示标记:1、中空导杆,2、套管,3、第一上限位管,4、第二上限位管,5、支杆I,6、螺纹管I,7、支杆II,8、支脚,9、防滑垫片,10、第二下限位管,11、第一下限位管;12、中心测温元件,13、横杆I、14、螺纹管II,15、横杆II,16、内旋转头,17、保护罩,18、摄像头,19、外旋转头,20、边部测温元件,21、测温孔,22、套环。
具体实施方式
下面将结合具体实施例对本发明的技术方案进行清楚、完整地描述,显然,所描述的实施例仅仅是本发明一部分实施例,而不是全部的实施例。基于本发明中的实施例,本领域普通技术人员在没有做出创造性劳动的前提下所获得的所有其他实施例,都属于本发明的保护范围。
在本发明的描述中,需要理解的是,术语“上”“下”等指示的方位或位置关系为基于附图1所示的方位或位置关系,仅是为了便于描述本发明和简化描述,而不是指示或暗示所指的装置或元件必须具有特定的方位、以特定的方位构造和操作,因此不能理解为对本发明保护范围的限制。
需要说明的是,本发明中术语“包含”和“具有”以及他们的任何变形,意图在于覆盖不排他的包含,例如,包含了一系列步骤或单元的过程、方法、系统、产品或设备不必限于清楚地列出的那些步骤或单元,而是可包括没有清楚地列出的或对于这些过程、方法、产品或设备固有的其他步骤或单元。
为了实现上述目的,本发明采用的具体方案为:
一种大体积混凝土内部观测及测温装置,包括:
支撑机构,所述支撑机构包括能够伸入测温孔中的中空导杆1以及套装于中空导杆1上并能够沿中空导杆1上下滑动的套管2;
监测机构,所述监测机构用于观测测温孔21底部的裂缝情况及测量测温孔21内的温度,所述监测机构设于中空导杆1的底部;
卡锁机构,所述卡锁机构安装于套管2外部,根据测温孔21直径的不同,通过对卡锁机构的伸出长度和与测温孔21内壁的夹角进行调整,能够使其始终与测温孔21内壁相抵接以保证稳定监测。
其中:(a)中空导杆1的直径为15~25mm,中心孔的直径为5~15mm,长度为 800~1000mm,且可以在套管2中上下自由滑动,满足一般结构的测温深度需求。(b)对于更深的测温需求,可以由中空导杆1上端预留的内螺纹孔M6~M8配合加长杆进行加长使用。 (c)中空导杆1的外表面上沿其轴线设有刻度线,精确至0.1mm,满足工程需要的精度。
需要说明的是,所述卡锁机构的结构包含以下情况:
(1)所述卡锁机构包括一个卡锁组件,所述卡锁组件包括套装于套管2上的卡锁单元、设于卡锁单元上方的上限位管、以及设于卡锁单元下方的下限位管,所述上限位管和下限位管均与套管2螺纹连接,通过调节上限位管和下限位管之间的距离能够调节卡锁单元与测温孔 21内壁的间距。
(2)所述卡锁机构包括自下而上设置的第一至第N个卡锁组件,N≥2,N个卡锁组件均包括卡锁单元、设于卡锁单元上方的上限位管、以及设于卡锁单元下方的下限位管;其中,第一个卡锁组件中的卡锁单元套装于套管2上,第一个卡锁组件中的上限位管和下限位管均与套管2螺纹连接;第二至第N个卡锁组件中,第m+1个卡锁组件中的卡锁单元套装于第m 个卡锁组件中的上限位管上,第m+1个卡锁组件中的上限位管和下限位管均与第m个卡锁组件中的上限位管螺纹连接,1≤m≤N,相邻两个卡锁单元之间的间距不小于50mm。
详细地,所述卡锁单元包括一套环22以及三条与套环22外侧壁相铰接的均匀分布的支腿8。所述支腿8包括与套环铰接的支杆I 5、与支杆I 5远离套环22的一端螺纹连接的螺纹管I 6、与螺纹管I 6远离支杆I 5的一端螺纹连接的支杆II 7、以及设于支杆II 7远离螺纹管I 6一端的能够与测温孔21内壁紧贴的支脚8,支杆I 5、支杆II 7以及螺纹管I 6同轴设置,螺纹管I 6与支杆I 5、支杆II 7的螺纹咬合长度不小于10mm。
详细地,支脚8朝向测温孔21内壁的一侧固定有橡胶材质的防滑垫片9,在支脚8与测温孔21内壁相接触时,确保不滑动,保持卡锁组件的稳定性。
需要解释的是,所述监测机构包括用于观测测温孔21底部的裂缝情况的探头组件以及用于测量测温孔21内温度的测温组件;
所述探头组件包括与中空导杆1底端固定连接的内旋转头16、与内旋转头16转动连接的外旋转头19、与外旋转头19铰接的保护罩17以及设于保护罩17内的自带光源的摄像头18。所述测温组件包括设于中空导杆11内的中心测温元件12、与中空导杆1底部螺纹连接的横杆I13、与横杆I13远离中空导杆1的一端螺纹连接的螺纹管II 14、与螺纹管II 14远离横杆I13的一端螺纹连接的横杆II 15、与横杆II 15远离螺纹管II 14一端相连接的边部测温元件20,横杆I13、横杆II 15以及螺纹管II 14同轴设置,通过螺纹管II 14能够调节横杆I 13、横杆II 15邻近端的间距,螺纹管II 14与横杆I13、横杆II 15的螺纹咬合长度不小于10mm。
本发明中的摄像头18通过外旋转头19可沿轴向360°旋转,可以任意角度观测测温孔21底部的裂缝情况。保护罩17和摄像头18可以相对于外旋转头19左右不大于169°摆动,可以自由观测测温孔21孔壁的裂缝发展情况。
详细地,本发明中的中心测温元件12和边部测温元件20可以为热电偶、半导体、热敏电阻等温度传感器,温度传感器的导线能够沿中空导杆1的中心孔穿出。本发明中的测温元件以中心测温元件12为主,两个边部测温元件20为辅,也可以三者的平均值作为温度测量值,提高其测温的精确度。
通过旋转中空导杆1,可以监测测温孔21四周不同角度位置的温度及裂纹情况。
实施例1
请参考图3和图4,一种大体积混凝土内部观测及测温装置,包括:
支撑机构,所述支撑机构包括能够伸入测温孔21中的中空导杆1以及套装于中空导杆1上并能够沿中空导杆1上下滑动的套管2;
监测机构,所述监测机构用于观测测温孔21底部的裂缝情况及测量测温孔21内的温度,所述监测机构设于中空导杆1的底部;
卡锁机构,所述卡锁机构安装于套管2外部,根据测温孔21直径的不同,通过对卡锁机构的伸出长度和与测温孔21内壁的夹角进行调整,能够使其始终与测温孔21内壁相抵接以保证稳定监测。
所述卡锁机构包括一个卡锁组件,所述卡锁组件包括套装于套管2上的卡锁单元、设于卡锁单元上方的第一上限位管3、以及设于卡锁单元下方的第一下限位管11,所述第一上限位管3和第一下限位管11均与套管2螺纹连接,通过调节第一上限位管3和第一下限位管11之间的距离能够调节卡锁单元与测温孔21内壁的间距。
详细地,所述卡锁单元包括一套环22以及三条与套环22外侧壁相铰接的均匀分布的支腿8。所述支腿8包括与套环铰接的支杆I 5、与支杆I 5远离套环22的一端螺纹连接的螺纹管I 6、与螺纹管I 6远离支杆I 5的一端螺纹连接的支杆II 7、以及设于支杆II 7远离螺纹管I 6一端的能够与测温孔21内壁紧贴的支脚8,支杆I 5、支杆II 7以及螺纹管I 6同轴设置,螺纹管I 6与支杆I 5、支杆II 7的螺纹咬合长度不小于10mm。
详细地,支脚8朝向测温孔21内壁的一侧固定有橡胶材质的防滑垫片9,在支脚8与测温孔21内壁相接触时,确保不滑动,保持卡锁组件的稳定性。
需要解释的是,所述监测机构包括用于观测测温孔21底部的裂缝情况的探头组件以及用于测量测温孔21内温度的测温组件;
所述探头组件包括与中空导杆1底端固定连接的内旋转头16、与内旋转头16转动连接的外旋转头19、与外旋转头19铰接的保护罩17以及设于保护罩17内的摄像头18;
所述测温组件包括设于中空导杆11内的中心测温元件12、与中空导杆1底部螺纹连接的横杆I13、与横杆I13远离中空导杆1的一端螺纹连接的螺纹管II 14、与螺纹管II 14远离横杆I13的一端螺纹连接的横杆II 15、与横杆II 15远离螺纹管II 14一端相连接的边部测温元件20,横杆I13、横杆II 15以及螺纹管II 14同轴设置,螺纹管II 14与横杆I13、横杆II 15的螺纹咬合长度不小于10mm。
实施例2
请参考图1和图2,实施例2与实施例1的不同仅在于,所述卡锁机构包含自下而上设置的两个卡锁组件,其中,第一卡锁组件的结构与实施例1中卡锁组件的结构相同,第二卡锁组件包括套装于第一上限位管3上的卡锁单元、设于卡锁单元上方的第二上限位管4、以及设于卡锁单元下方的第二下限位管10;第二上限位管4和第二下限位管10均与第一上限位管3螺纹连接,相邻两个卡锁单元之间的间距不小于50mm。
对于大体积混凝土的测温监测,一般都在浇筑混凝土时,预留相当数量的测温孔,在测温孔成型之后,即可使用该装置进行内部观测和测温。下面以实施例2为例,介绍一下该装置的使用方法:
一、装置拼接调试
1、测量测温孔21的直径,依此通过旋转螺纹管II 14,调节边部测温杆20距离测温孔21 内壁的间距;
2、测试中心测温元件12和边部测温杆20,确保测温元件在正常使用工作状态;
3、将中空导杆1穿入套管2,穿入到合适的位置;
4、将第一下限位管11拧到套管2上面,调节到合适位置;
5、将第一卡锁组件的套环22套入到套管2上面,并与第一下限位管11接触;
6、将第一上限位管3拧入到套管2上面,并与第一卡锁组件的套环22接触;
7、通过旋转螺纹管I 6,依据测温孔21的直径,粗调节支杆II 7的远近;
8、将第二下限位管10拧到第一上限位管3,调节到合适位,注意:两个拉锁单元中支脚距离H不小于50mm;
9、将第二卡锁组件的套环22向下套入到第一上限位管3上面,并与第二下限位管10接触;
10、将第二上限位管4拧入到第一上限位管3上面,并与第二卡锁组件的套环22接触;
11、调试温度传感器导线信号是否正常;
二、装置放置安装
1、将拼装的整个装置,将保护罩17和摄像头18一起调整到合适的角度,沿测温孔21孔壁放入到测温孔21底部或合适的深度;注意:放置过程,避免边部测温元件20与测温孔21 孔壁碰撞,造成边部测温元件20损坏;
2、调节第一卡锁组件:通过旋转第一上限位管3,使第一上限位管3下端压紧与套环22相铰连接的支杆I 5,使得与支杆II 7相连的支脚8和防滑垫片9支撑在测温孔21孔壁上;通过调节第一上限位管3的下压紧力,调节支脚8的支撑力度的大小,防止装置滑动;
3、调节第一卡锁组件:通过旋转第二上限位管4,使第二上限位管4下端压紧与套环22相铰连接的支杆I 5,使得与支杆II 7相连的支脚8和防滑垫片9支撑在测温孔孔壁上;通过调节第二上限位管4的下压紧力,调节支脚8的支撑力度的大小,防止装置滑动;
三、观察与测温
1、通过温度传感器导线,接通电源,使摄像头18自带的光源照亮测温孔;
2、通过摄像头18对测温孔孔壁进行观测,是否有裂缝出现、裂缝的宽度、裂缝的发展情况等;
3、通过调整中空导杆1的深度,可以观测不同深度的测温孔21孔壁的裂缝情况,通过中空导杆1上设置的刻度,可知裂缝发生的位置(深度)和裂缝的长度;
4、通过调整中空导杆1的深度,可以监测不同深度处,测温孔21的不同深度的温度变化,有助于采用相应的保温措施;
5、通过旋转中空导杆1的角度,可以监测测温孔21四周不同角度位置的温度,测温孔的不同角度的温度变化,有助于采用相应的保温措施。
通过对该观测和测温装置的多次使用发现,该装置具有轻便灵活,移动自由,卡锁牢固,易于长期观测等优点,特别适合用于大体积混凝土养护期间的测温孔裂缝观测和温度测试,有很好的使用前景。
以上所述,仅是本发明的较佳实施例而已,并非随本发明作任何形式上的限制。凡根据本发明的实质所做的等效变换或修饰,都应该涵盖在本发明的保护范围之内。

Claims (10)

1.一种大体积混凝土内部观测及测温装置,其特征在于,包括:
支撑机构,所述支撑机构包括能够伸入测温孔中的中空导杆以及套装于中空导杆上并能够沿中空导杆上下滑动的套管;
监测机构,所述监测机构用于观测测温孔底部的裂缝情况及测量测温孔内的温度,所述监测机构设于中空导杆的底部;
卡锁机构,所述卡锁机构安装于套管外部,根据测温孔直径的不同,通过对卡锁机构的伸出长度和与测温孔内壁的夹角进行调整,能够使其始终与测温孔内壁相抵接以保证稳定监测。
2.根据权利要求1所述的一种大体积混凝土内部观测及测温装置,其特征在于,所述卡锁机构包括一个卡锁组件;
或;
所述卡锁机构包括自下而上设置的第一至第N个卡锁组件,N≥2。
3.根据权利要求2所述的一种大体积混凝土内部观测及测温装置,其特征在于,当卡锁机构包括一个卡锁组件,所述卡锁组件包括套装于套管上的卡锁单元、设于卡锁单元上方的上限位管、以及设于卡锁单元下方的下限位管,所述上限位管和下限位管均与套管螺纹连接,通过调节上限位管和下限位管之间的距离能够调节卡锁单元与测温孔内壁的间距。
4.根据权利要求2所述的一种大体积混凝土内部观测及测温装置,其特征在于,当卡锁机构包括N个卡锁组件时,N个卡锁组件均包括卡锁单元、设于卡锁单元上方的上限位管、以及设于卡锁单元下方的下限位管;
其中,第一个卡锁组件中的卡锁单元套装于套管上,第一个卡锁组件中的上限位管和下限位管均与套管螺纹连接;
第二至第N个卡锁组件中,第m+1个卡锁组件中的卡锁单元套装于第m个卡锁组件中的上限位管上,第m+1个卡锁组件中的上限位管和下限位管均与第m个卡锁组件中的上限位管螺纹连接,1≤m≤N。
5.根据权利要求4所述的一种大体积混凝土内部观测及测温装置,其特征在于,相邻两个卡锁单元之间的间距不小于50mm。
6.根据权利要求2所述的一种大体积混凝土内部观测及测温装置,其特征在于,所述卡锁单元包括一套环以及三条与套环外侧壁相铰接的均匀分布的支腿。
7.根据权利要求6所述的一种大体积混凝土内部观测及测温装置,其特征在于,所述支腿包括与套环铰接的支杆I、与支杆I远离套环的一端螺纹连接的螺纹管I、与螺纹管I远离支杆I的一端螺纹连接的支杆II、以及设于支杆II远离螺纹管I一端的能够与测温孔内壁紧贴的支脚,支杆I、支杆II以及螺纹管I同轴设置。
8.根据权利要求1所述的一种大体积混凝土内部观测及测温装置,其特征在于,所述监测机构包括用于观测测温孔底部的裂缝情况的探头组件以及用于测量测温孔内温度的测温组件;
所述探头组件包括与中空导杆底端固定连接的内旋转头、与内旋转头转动连接的外旋转头、与外旋转头铰接的保护罩以及设于保护罩内的自带光源的摄像头;
所述测温组件包括设于中空导杆内的中心测温元件、与中空导杆底部螺纹连接的横杆I、与横杆I远离中空导杆的一端螺纹连接的螺纹管II、与螺纹管II远离横杆I的一端螺纹连接的横杆II、与横杆II远离螺纹管II一端相连接的边部测温元件,横杆I、横杆II以及螺纹管II同轴设置。
9.根据权利要求7或8所述的一种大体积混凝土内部观测及测温装置,其特征在于,
螺纹管I与支杆I、支杆II的螺纹咬合长度不小于10mm;
或;
螺纹管II与横杆I、横杆II的螺纹咬合长度不小于10mm。
10.根据权利要求1所述的一种大体积混凝土内部观测及测温装置,其特征在于,所述中空导杆的外表面上沿其轴线方向设有刻度。
CN202210653444.XA 2022-06-09 2022-06-09 一种大体积混凝土内部观测及测温装置 Pending CN115128094A (zh)

Priority Applications (1)

Application Number Priority Date Filing Date Title
CN202210653444.XA CN115128094A (zh) 2022-06-09 2022-06-09 一种大体积混凝土内部观测及测温装置

Applications Claiming Priority (1)

Application Number Priority Date Filing Date Title
CN202210653444.XA CN115128094A (zh) 2022-06-09 2022-06-09 一种大体积混凝土内部观测及测温装置

Publications (1)

Publication Number Publication Date
CN115128094A true CN115128094A (zh) 2022-09-30

Family

ID=83378691

Family Applications (1)

Application Number Title Priority Date Filing Date
CN202210653444.XA Pending CN115128094A (zh) 2022-06-09 2022-06-09 一种大体积混凝土内部观测及测温装置

Country Status (1)

Country Link
CN (1) CN115128094A (zh)

Cited By (3)

* Cited by examiner, † Cited by third party
Publication number Priority date Publication date Assignee Title
CN115900983A (zh) * 2022-12-30 2023-04-04 浙江华东工程建设管理有限公司 一种可调节测温深度的双金属温度计
CN116539191A (zh) * 2023-05-17 2023-08-04 上海新烟检测技术有限公司 一种气溶胶生成装置的测温装置
CN118794550A (zh) * 2024-08-06 2024-10-18 西安交通大学 一种可移动管道内壁多点温度测量装置及方法

Citations (15)

* Cited by examiner, † Cited by third party
Publication number Priority date Publication date Assignee Title
CN101334368A (zh) * 2007-06-27 2008-12-31 宝山钢铁股份有限公司 钢管离心混凝土管桩完整性的内窥检测方法
KR101125785B1 (ko) * 2011-10-19 2012-03-27 김미화 콘크리트 양생관리를 위한 무선 온습도 계측 장치
US20140249788A1 (en) * 2013-03-01 2014-09-04 Simco Technologies Inc. Method and system for estimating degradation and durability of concrete structures and asset management system making use of same
JP2018128316A (ja) * 2017-02-07 2018-08-16 大成建設株式会社 ひび割れ検出方法
CN209820644U (zh) * 2019-06-26 2019-12-20 中国电建集团福建工程有限公司 大体积混凝土测温管排
CN209894365U (zh) * 2018-12-04 2020-01-03 中交一公局集团有限公司 一种大体积混凝土测温孔测温装置
CN110793825A (zh) * 2019-10-30 2020-02-14 长安大学 一种适用于多工况的土工模型实验压实装置
CN210813193U (zh) * 2019-09-11 2020-06-23 河北工程大学附属医院 一种血液科用输血装置
KR102185481B1 (ko) * 2020-09-18 2020-12-02 주식회사 신라이앤씨 초음파법을 이용한 비파괴방식 콘크리트 강도 또는 균열 측정방법
CN214618586U (zh) * 2020-12-28 2021-11-05 瑜瑾奥丰(天津)科技发展有限公司 一种通讯传输设备用机架便于拆卸的支撑机构
CN214668262U (zh) * 2021-04-22 2021-11-09 中国建材检验认证集团云南合信有限公司 一种钢纤维混凝土井盖承载试验裂缝观察装置
CN214794505U (zh) * 2021-03-03 2021-11-19 三一筑工科技股份有限公司 混凝土裂缝检测装置
CN214959896U (zh) * 2021-07-06 2021-11-30 大连长兴岛经济技术开发区住房和城乡建设局 一种双机位检查岸壁水下混凝土裂缝的装置
CN215574854U (zh) * 2021-06-17 2022-01-18 浙江省一建建设集团有限公司 一种大体积混凝土温度梯度裂缝监测装置
CN114112052A (zh) * 2021-12-04 2022-03-01 安徽万纬工程管理有限责任公司 用于工程监理现场的混凝土测温装置

Patent Citations (15)

* Cited by examiner, † Cited by third party
Publication number Priority date Publication date Assignee Title
CN101334368A (zh) * 2007-06-27 2008-12-31 宝山钢铁股份有限公司 钢管离心混凝土管桩完整性的内窥检测方法
KR101125785B1 (ko) * 2011-10-19 2012-03-27 김미화 콘크리트 양생관리를 위한 무선 온습도 계측 장치
US20140249788A1 (en) * 2013-03-01 2014-09-04 Simco Technologies Inc. Method and system for estimating degradation and durability of concrete structures and asset management system making use of same
JP2018128316A (ja) * 2017-02-07 2018-08-16 大成建設株式会社 ひび割れ検出方法
CN209894365U (zh) * 2018-12-04 2020-01-03 中交一公局集团有限公司 一种大体积混凝土测温孔测温装置
CN209820644U (zh) * 2019-06-26 2019-12-20 中国电建集团福建工程有限公司 大体积混凝土测温管排
CN210813193U (zh) * 2019-09-11 2020-06-23 河北工程大学附属医院 一种血液科用输血装置
CN110793825A (zh) * 2019-10-30 2020-02-14 长安大学 一种适用于多工况的土工模型实验压实装置
KR102185481B1 (ko) * 2020-09-18 2020-12-02 주식회사 신라이앤씨 초음파법을 이용한 비파괴방식 콘크리트 강도 또는 균열 측정방법
CN214618586U (zh) * 2020-12-28 2021-11-05 瑜瑾奥丰(天津)科技发展有限公司 一种通讯传输设备用机架便于拆卸的支撑机构
CN214794505U (zh) * 2021-03-03 2021-11-19 三一筑工科技股份有限公司 混凝土裂缝检测装置
CN214668262U (zh) * 2021-04-22 2021-11-09 中国建材检验认证集团云南合信有限公司 一种钢纤维混凝土井盖承载试验裂缝观察装置
CN215574854U (zh) * 2021-06-17 2022-01-18 浙江省一建建设集团有限公司 一种大体积混凝土温度梯度裂缝监测装置
CN214959896U (zh) * 2021-07-06 2021-11-30 大连长兴岛经济技术开发区住房和城乡建设局 一种双机位检查岸壁水下混凝土裂缝的装置
CN114112052A (zh) * 2021-12-04 2022-03-01 安徽万纬工程管理有限责任公司 用于工程监理现场的混凝土测温装置

Non-Patent Citations (2)

* Cited by examiner, † Cited by third party
Title
张少勇;王浩军;廖承桂;: "风机基础大体积混凝土温度监测与保温保湿养护研究", 中国战略新兴产业, no. 40, 12 September 2018 (2018-09-12) *
鲁力;栾瑞宣;肖银武;: "冻结井井筒中大体积混凝土裂缝的信息化监测和分析", 四川建材, no. 06, 18 December 2012 (2012-12-18) *

Cited By (3)

* Cited by examiner, † Cited by third party
Publication number Priority date Publication date Assignee Title
CN115900983A (zh) * 2022-12-30 2023-04-04 浙江华东工程建设管理有限公司 一种可调节测温深度的双金属温度计
CN116539191A (zh) * 2023-05-17 2023-08-04 上海新烟检测技术有限公司 一种气溶胶生成装置的测温装置
CN118794550A (zh) * 2024-08-06 2024-10-18 西安交通大学 一种可移动管道内壁多点温度测量装置及方法

Similar Documents

Publication Publication Date Title
CN115128094A (zh) 一种大体积混凝土内部观测及测温装置
CN103558246B (zh) 路面用水泥混凝土膨胀系数测试装置及方法
CN211877899U (zh) 一种用于检验电缆防火防水性能的试验装置
CN206397162U (zh) 一种楼板厚度控制模具
CN109387349B (zh) 一种不规则天线窗表面热流密度和压力测量装置
CN111983203A (zh) 一种涂抹成型耐火泥浆收缩率测量工具及测量方法
CN104964918B (zh) 一种钢筋锈蚀率测定装置及测定方法
CN207457001U (zh) 一种混凝土流变测定装置
CN203551488U (zh) 路面用水泥混凝土膨胀系数测试装置
CN109211422B (zh) 基于煤气化炉外壁温度监测模拟实验装置的使用方法
CN114034808A (zh) 一种水泥基材料碱骨料反应测量装置及测量方法
CN207300757U (zh) 一种拉伸试验机
CN209069321U (zh) 恒温恒湿箱温湿度检测校准用多传感器布置装置
CN216870388U (zh) 一种用于监测水分蒸发的水泥砂浆抗裂性能测试装置
CN218937603U (zh) 一种路面沥青温度检测探头
CN106813581A (zh) 一种用于强化纤维玻璃熔炼窑炉的测量方法
CN109405999B (zh) 一种对煤气化炉外壁温度变化监测的模拟实验装置
CN206670520U (zh) 蜗杆小径快速检测装置
CN215574765U (zh) 沥青软化点测量装置
CN209102329U (zh) 一种不规则天线窗表面热流密度和压力测量装置
CN209858573U (zh) 一种半柔性路面灌浆材料干缩试验装置
CN208505282U (zh) 一种用于混凝土多孔砖墙体检测设备
CN221826341U (zh) 一种便携式温度仪表检测工具
CN208091346U (zh) 板厚测量装置
CN214585433U (zh) 一种全自动砂浆竖向膨胀率测量仪

Legal Events

Date Code Title Description
PB01 Publication
PB01 Publication
SE01 Entry into force of request for substantive examination
SE01 Entry into force of request for substantive examination