CN115031563A - Thermal power plant coupling step heat storage peak regulation system and heat storage peak regulation method thereof - Google Patents

Thermal power plant coupling step heat storage peak regulation system and heat storage peak regulation method thereof Download PDF

Info

Publication number
CN115031563A
CN115031563A CN202210698429.7A CN202210698429A CN115031563A CN 115031563 A CN115031563 A CN 115031563A CN 202210698429 A CN202210698429 A CN 202210698429A CN 115031563 A CN115031563 A CN 115031563A
Authority
CN
China
Prior art keywords
molten salt
heat transfer
heater
transfer oil
steam
Prior art date
Legal status (The legal status is an assumption and is not a legal conclusion. Google has not performed a legal analysis and makes no representation as to the accuracy of the status listed.)
Pending
Application number
CN202210698429.7A
Other languages
Chinese (zh)
Inventor
周健铿
吴亚军
樊星
张同翔
刘宁波
Current Assignee (The listed assignees may be inaccurate. Google has not performed a legal analysis and makes no representation or warranty as to the accuracy of the list.)
China United Engineering Corp Ltd
Original Assignee
China United Engineering Corp Ltd
Priority date (The priority date is an assumption and is not a legal conclusion. Google has not performed a legal analysis and makes no representation as to the accuracy of the date listed.)
Filing date
Publication date
Application filed by China United Engineering Corp Ltd filed Critical China United Engineering Corp Ltd
Priority to CN202210698429.7A priority Critical patent/CN115031563A/en
Publication of CN115031563A publication Critical patent/CN115031563A/en
Pending legal-status Critical Current

Links

Images

Classifications

    • FMECHANICAL ENGINEERING; LIGHTING; HEATING; WEAPONS; BLASTING
    • F28HEAT EXCHANGE IN GENERAL
    • F28DHEAT-EXCHANGE APPARATUS, NOT PROVIDED FOR IN ANOTHER SUBCLASS, IN WHICH THE HEAT-EXCHANGE MEDIA DO NOT COME INTO DIRECT CONTACT
    • F28D20/00Heat storage plants or apparatus in general; Regenerative heat-exchange apparatus not covered by groups F28D17/00 or F28D19/00
    • F28D20/0034Heat storage plants or apparatus in general; Regenerative heat-exchange apparatus not covered by groups F28D17/00 or F28D19/00 using liquid heat storage material
    • FMECHANICAL ENGINEERING; LIGHTING; HEATING; WEAPONS; BLASTING
    • F28HEAT EXCHANGE IN GENERAL
    • F28FDETAILS OF HEAT-EXCHANGE AND HEAT-TRANSFER APPARATUS, OF GENERAL APPLICATION
    • F28F27/00Control arrangements or safety devices specially adapted for heat-exchange or heat-transfer apparatus
    • F28F27/006Control arrangements or safety devices specially adapted for heat-exchange or heat-transfer apparatus specially adapted for regenerative heat-exchange apparatus
    • FMECHANICAL ENGINEERING; LIGHTING; HEATING; WEAPONS; BLASTING
    • F28HEAT EXCHANGE IN GENERAL
    • F28DHEAT-EXCHANGE APPARATUS, NOT PROVIDED FOR IN ANOTHER SUBCLASS, IN WHICH THE HEAT-EXCHANGE MEDIA DO NOT COME INTO DIRECT CONTACT
    • F28D20/00Heat storage plants or apparatus in general; Regenerative heat-exchange apparatus not covered by groups F28D17/00 or F28D19/00
    • F28D20/0034Heat storage plants or apparatus in general; Regenerative heat-exchange apparatus not covered by groups F28D17/00 or F28D19/00 using liquid heat storage material
    • F28D2020/0047Heat storage plants or apparatus in general; Regenerative heat-exchange apparatus not covered by groups F28D17/00 or F28D19/00 using liquid heat storage material using molten salts or liquid metals
    • YGENERAL TAGGING OF NEW TECHNOLOGICAL DEVELOPMENTS; GENERAL TAGGING OF CROSS-SECTIONAL TECHNOLOGIES SPANNING OVER SEVERAL SECTIONS OF THE IPC; TECHNICAL SUBJECTS COVERED BY FORMER USPC CROSS-REFERENCE ART COLLECTIONS [XRACs] AND DIGESTS
    • Y02TECHNOLOGIES OR APPLICATIONS FOR MITIGATION OR ADAPTATION AGAINST CLIMATE CHANGE
    • Y02EREDUCTION OF GREENHOUSE GAS [GHG] EMISSIONS, RELATED TO ENERGY GENERATION, TRANSMISSION OR DISTRIBUTION
    • Y02E70/00Other energy conversion or management systems reducing GHG emissions
    • Y02E70/30Systems combining energy storage with energy generation of non-fossil origin

Landscapes

  • Engineering & Computer Science (AREA)
  • Physics & Mathematics (AREA)
  • Thermal Sciences (AREA)
  • Mechanical Engineering (AREA)
  • General Engineering & Computer Science (AREA)
  • Engine Equipment That Uses Special Cycles (AREA)

Abstract

本发明提供一种火力发电厂耦合梯级蓄热调峰系统及其蓄热调峰方法,在火力发电厂热力系统的基础上,设置熔盐‑导热油耦合蓄热系统,相比于现有的蓄热技术可更加灵活得应对电力调峰,深度挖掘电厂的蓄热调峰能力,同时可避免因负荷变动过大使机组运行效率降低及金属疲劳等问题。当电力负荷降低时,可先抽取锅炉再热器出口蒸汽用于加热熔岩蓄热,当电力负荷更低时,再抽取中压缸排汽的蒸汽,用于加热导热油蓄热,进一步降低机组发电量。当电力负荷逐步升高时,存储在熔盐和导热油的热量也可逐步释放,分别用于加热再热冷段蒸汽和凝结水。

Figure 202210698429

The invention provides a thermal power plant coupled cascade heat storage and peak regulation system and a heat storage peak regulation method. On the basis of the thermal power system of the thermal power plant, a molten salt-conducting oil coupled thermal storage system is provided, which is compared with the existing one. The thermal storage technology can more flexibly cope with power peak shaving, deeply excavate the thermal storage and peak shaving capacity of the power plant, and at the same time avoid problems such as the reduction of unit operating efficiency and metal fatigue due to excessive load changes. When the power load is reduced, the steam from the outlet of the boiler reheater can be extracted first to heat the lava for heat storage. When the power load is lower, the steam exhausted from the medium-pressure cylinder can be extracted to heat the heat transfer oil for heat storage, further reducing the unit’s cost. power generation. When the power load is gradually increased, the heat stored in the molten salt and heat transfer oil can also be gradually released to heat the reheated cold section steam and condensed water, respectively.

Figure 202210698429

Description

Thermal power plant coupling step heat storage peak regulation system and heat storage peak regulation method thereof
Technical Field
The invention relates to a coupling step heat storage peak regulation system of a thermal power plant and a heat storage peak regulation method thereof.
Background
The electric power industry is the key field of national carbon emission reduction, and the meaning of electric power low-carbon transformation on the goals of carbon peak reaching and carbon neutralization is self-evident. At present, China promotes energy transformation, realizes carbon neutral vision, and needs to accelerate the construction of a novel power system taking new energy as a main body.
By the end of 2022 years, the cumulative installed capacity of renewable energy power generation in China exceeds 10 hundred million kilowatts, and the proportion of the cumulative installed capacity of renewable energy power generation in China to the total installed capacity of power generation in China reaches 45.4%. Wherein, the installed capacities of wind power generation and solar power generation respectively reach 3.28 hundred million kilowatts and 3.07 hundred million kilowatts, which are the first in the world. With the promotion of 'double-carbon' schemes such as photovoltaic whole-county development and the like, the installed scale of new energy power generation is further and rapidly developed. Because new energy power generation such as wind power generation, solar power generation and the like is restricted by natural factors such as weather and wind power, the generated energy fluctuation is large, and more large-scale high-parameter thermal power generating sets start to play a role in peak regulation.
The method is provided in 'notice on developing national coal-electricity set reconstruction and upgrade' (2021) 1519 issued by national development and improvement committee and national energy agency on the near day, and takes project delivery and nearby consumption peak regulation requirements of large-scale wind-electricity photovoltaic bases into consideration, and arranges the matched coal-electricity peak regulation power supply reconstruction and upgrade properly in relevant areas by taking a regional power grid as a basic unit to improve the operation level and the peak regulation capacity of the coal-electricity set.
In order to improve the peak regulation capability of the thermal power generating unit, more and more researches are focused on the field of peak regulation and heat storage in recent years. At present, researches of extracting steam from a reheating pipeline and utilizing fused salt to perform heat storage peak regulation are carried out, but high-pressure cylinders and medium-pressure cylinders of a large-sized steam turbine are mostly symmetrically arranged, steam extraction from a hot section of the reheating pipeline during heat storage can cause unequal steam exhaust quantity of the high-pressure cylinders and steam inlet quantity of the medium-pressure cylinders, once the steam extraction quantity is too large, the axial thrust of the steam turbine is increased and exceeds an allowable value, and the safe operation of a unit is influenced; when heat is released, steam is extracted from a cold section of a reheating pipeline, so that the problems of overtemperature of a boiler reheater and the like can be caused, and therefore the peak regulation capacity of the technology is limited.
Disclosure of Invention
The invention aims to overcome the defects in the prior art, and provides a coupled cascade thermal storage peak regulation system of a thermal power plant and a thermal storage peak regulation method thereof, which are reasonable in design, can more flexibly deal with electric power peak regulation, and deeply excavate the thermal storage peak regulation capacity of the power plant.
The technical scheme adopted by the invention for solving the problems is as follows: a thermal power plant coupling step heat accumulation peak regulation system comprises a thermal power plant thermodynamic system, wherein the thermal power plant thermodynamic system comprises a boiler, a high-pressure cylinder, a medium-pressure cylinder, a low-pressure cylinder, a steam seal heater, a low-pressure heater and a deaerator; the steam outlet of the high-pressure cylinder is connected with the steam inlet of the low-pressure cylinder through a steam outlet pipeline, the water outlet of the steam seal heater is connected with the water inlet of the low-pressure heater, and the water outlet of the low-pressure heater is connected with the water inlet of the deaerator;
the method is characterized in that: the molten salt-heat conducting oil coupling heat storage system comprises a low-temperature molten salt storage tank, a low-temperature molten salt pump, a molten salt heater, a high-temperature molten salt storage tank, a high-temperature molten salt pump, a molten salt cooler, a molten salt heating steam regulating valve group, a molten salt heater drainage regulating valve group, a molten salt cooling steam regulating valve group, a reheat steam shutoff valve, a low-temperature heat conducting oil storage tank, a low-temperature heat conducting oil pump, a heat conducting oil heater, a high-temperature heat conducting oil storage tank, a high-temperature heat conducting oil pump, a heat conducting oil cooler, a condensate water regulating valve group, a heat conducting oil heating steam regulating valve group, a heat conducting oil heater drainage pump and a condensate water shutoff valve;
the molten salt outlet of the low-temperature molten salt storage tank is connected with the molten salt inlet of the low-temperature molten salt pump, the molten salt outlet of the low-temperature molten salt pump is connected with the molten salt inlet of the molten salt heater, the molten salt outlet of the molten salt heater is connected with the molten salt inlet of the high-temperature molten salt storage tank, the molten salt inlet of the low-temperature molten salt storage tank is connected with the molten salt outlet of the molten salt cooler, the molten salt inlet of the molten salt cooler is connected with the molten salt outlet of the high-temperature molten salt pump, and the molten salt inlet of the high-temperature molten salt pump is connected with the molten salt outlet of the high-temperature molten salt storage tank;
an outlet pipeline of a reheater of the boiler is connected with a steam inlet of the molten salt heater through a molten salt heating steam regulating valve group; the drain port of the molten salt heater is connected with the preceding stage drain port of the heat conducting oil heater through a drain valve group of the molten salt heater; the exhaust pipeline of the high-pressure cylinder is connected with the steam inlet of the molten salt cooler through a molten salt cooling steam regulating valve group, and the steam outlet of the molten salt cooler is connected with the outlet pipeline of the reheater of the boiler through a reheated steam shutoff valve;
a heat conduction oil outlet of the low-temperature heat conduction oil storage tank is connected with a heat conduction oil inlet of the low-temperature heat conduction oil pump, a heat conduction oil outlet of the low-temperature heat conduction oil pump is connected with a heat conduction oil inlet of the heat conduction oil heater, and a heat conduction oil outlet of the heat conduction oil heater is connected with a heat conduction oil inlet of the high-temperature heat conduction oil storage tank; a heat conduction oil inlet of the low-temperature heat conduction oil storage tank is connected with a heat conduction oil outlet of a heat conduction oil cooler, a heat conduction oil inlet of the heat conduction oil cooler is connected with a heat conduction oil outlet of a high-temperature heat conduction oil pump, and a heat conduction oil inlet of the high-temperature heat conduction oil pump is connected with a heat conduction oil outlet of the high-temperature heat conduction oil storage tank;
the steam exhaust pipeline of the intermediate pressure cylinder is connected with the steam inlet of the heat-conducting oil heater through a heat-conducting oil heating steam regulating valve group, and the drainage outlet of the heat-conducting oil heater is connected with the water inlet of the deaerator through a drainage pump of the heat-conducting oil heater; the water outlet of the steam seal heater is connected with the water inlet of the heat conducting oil cooler through a condensed water regulating valve group, and the water outlet of the heat conducting oil cooler is connected with the water inlet of the deaerator through a condensed water shutoff valve.
The thermodynamic system of the thermal power plant also comprises a condenser and a condensate pump, wherein an exhaust steam outlet of the low-pressure cylinder is connected with an exhaust steam inlet of the condenser, a condensate outlet of the condenser is connected with a water inlet of the condensate pump, and a water outlet of the condensate pump is connected with a water inlet of the steam seal heater.
The low-pressure heater comprises a first-stage low-pressure heater, a second-stage low-pressure heater, a third-stage low-pressure heater and a fourth-stage low-pressure heater, wherein the first-stage low-pressure heater, the second-stage low-pressure heater, the third-stage low-pressure heater and the fourth-stage low-pressure heater are sequentially connected in series.
The steam extraction port of the intermediate pressure cylinder is connected with the heating steam interface of the deaerator.
The steam extraction port of the low-pressure cylinder is connected with the heating steam interface of the low-pressure heater.
A thermal storage peak regulation method of a thermal power plant coupling cascade thermal storage peak regulation system is characterized in that: the method comprises the following steps:
(1) when the power load demand decreases: starting a low-temperature molten salt pump, a molten salt heating steam valve regulating set, a molten salt heater drainage valve regulating set, a low-temperature heat conduction oil pump and a heat conduction oil heater drainage pump; the low-temperature molten salt flows out of the low-temperature molten salt storage tank, is pressurized by a low-temperature molten salt pump, enters a molten salt heater to exchange heat with reheated steam introduced from an outlet of a boiler reheater, and is heated to enter the high-temperature molten salt storage tank for storage; the low-temperature heat conduction oil flows out of the low-temperature heat conduction oil storage tank, is pressurized by a low-temperature heat conduction oil pump, then enters a heat conduction oil heater to perform secondary heat exchange with drain water from a molten salt heater, and is heated and then enters the high-temperature heat conduction oil storage tank to be stored; the drain of the heat-conducting oil heater is connected to a deaerator through a drain pump of the heat-conducting oil heater;
(2) when the power load demand is further reduced: starting a heat conduction oil heating steam valve group, enabling steam exhausted by the intermediate pressure cylinder and drainage from the molten salt heater to enter a heat conduction oil heater together, enabling low-temperature heat conduction oil to flow out of the low-temperature heat conduction oil storage tank, enabling the low-temperature heat conduction oil to enter the heat conduction oil heater for heat exchange after being pressurized by a low-temperature heat conduction oil pump, and enabling the heated heat conduction oil to enter the high-temperature heat conduction oil storage tank for storage; the drain of the heat-conducting oil heater is connected to a deaerator through a drain pump of the heat-conducting oil heater;
(3) when the power load demand rises: starting a high-temperature molten salt pump, a molten salt cooling steam valve regulating group, a reheating thermal section shutoff valve, a high-temperature heat conduction oil pump, a condensed water valve regulating group and a condensed water shutoff valve; the high-temperature molten salt flows out of the high-temperature molten salt storage tank, is pressurized by a high-temperature molten salt pump and then enters a molten salt cooler to exchange heat with exhaust steam from a high-pressure cylinder, the temperature of the molten salt after heat exchange is reduced, the molten salt enters a low-temperature molten salt storage tank to be stored, and the temperature of the steam after heat exchange is increased, is connected to an outlet pipeline of a reheater of a boiler and enters a medium-pressure cylinder to do work; high-temperature heat conduction oil flows out of the high-temperature heat conduction oil storage tank, enters the heat conduction oil cooler to exchange heat with condensed water after being pressurized by the low-temperature heat conduction oil pump, the temperature of the heat conduction oil after heat exchange is reduced, the heat conduction oil enters the low-temperature heat conduction oil storage tank to be stored, and the temperature of the condensed water after heat exchange is increased and enters the deaerator.
Compared with the prior art, the invention has the following advantages and effects:
1. on the basis of a thermal system of a thermal power plant, a fused salt-heat conducting oil coupling heat storage system is arranged, and compared with the existing heat storage technology, the fused salt-heat conducting oil coupling heat storage system can flexibly deal with electric power peak shaving and deeply excavate the heat storage peak shaving capacity of the power plant. Meanwhile, the problems of reduction of the unit operation efficiency, metal fatigue and the like caused by overlarge load change can be avoided.
2. When the power load is reduced, steam at the outlet of the boiler reheater can be extracted firstly for heating molten rock for heat storage, and when the power load is lower, steam exhausted by the intermediate pressure cylinder is extracted for heating heat-conducting oil for heat storage, so that the generating capacity of the unit is further reduced. When the power load is gradually increased, the heat stored in the molten salt and the heat conducting oil can be gradually released and is respectively used for heating the steam and the condensed water of the reheating cold section.
3. Through reasonable switching operation, the load of the boiler can be maintained in a relatively stable interval, large-amplitude fluctuation can not occur, and the safe and efficient operation of the unit is ensured.
Drawings
Fig. 1 is a schematic structural diagram of an embodiment of the present invention.
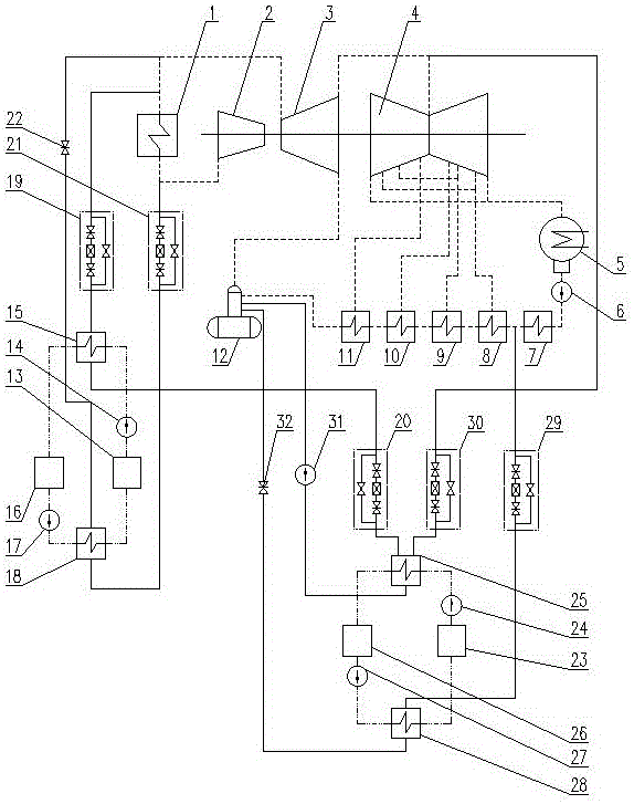
The reference numbers in the drawings are as follows: 1-boiler, 2-high pressure cylinder, 3-intermediate pressure cylinder, 4-low pressure cylinder, 5-condenser, 6-condensate pump, 7-steam seal heater, 8-low pressure heater, 9-low pressure heater, 10-low pressure heater, 11-low pressure heater, 12-deaerator, 13-low temperature fused salt storage tank, 14-low temperature fused salt pump, 15-fused salt heater, 16-high temperature fused salt storage tank, 17-high temperature fused salt pump, 18-fused salt cooler, 19-fused salt heating steam regulating valve group, 20-fused salt heater drainage regulating valve group, 21-fused salt cooling steam regulating valve group, 22-reheating steam shut-off valve, 23-low temperature heat conducting oil storage tank, 24-low temperature heat conducting oil pump, 25-heat conducting oil heater, 26-a high-temperature heat conduction oil storage tank, 27-a high-temperature heat conduction oil pump, 28-a heat conduction oil cooler, 29-a condensed water regulating valve group, 30-a heat conduction oil heating steam regulating valve group, 31-a heat conduction oil heater drain pump and 32-a condensed water shutoff valve.
Detailed Description
The present invention will be described in further detail below by way of examples with reference to the accompanying drawings, which are illustrative of the present invention and are not to be construed as limiting the present invention.
The embodiment of the invention comprises a thermal power plant thermodynamic system and a molten salt-heat conducting oil coupling heat storage system.
The thermal power plant thermodynamic system comprises a boiler 1, a high-pressure cylinder 2, an intermediate pressure cylinder 3, a low-pressure cylinder 4, a condenser 5, a condensate pump 6, a steam seal heater 7, a low-pressure heater and a deaerator 12.
The steam exhaust port of the high pressure cylinder 2 is connected with the inlet of a reheater of the boiler 1 through a steam exhaust pipeline, the outlet of the reheater of the boiler 1 is connected with the steam inlet of the intermediate pressure cylinder 3 through a reheater outlet pipeline, the steam exhaust port of the intermediate pressure cylinder 3 is connected with the steam inlet of the low pressure cylinder 4 through a steam exhaust pipeline, the exhaust steam outlet of the low pressure cylinder 4 is connected with the exhaust steam inlet of the condenser 5 through a pipeline, the exhaust steam generated by the low pressure cylinder 4 doing work enters the condenser 5 to be cooled into condensate water, the condensate water outlet of the condenser 5 is connected with the water inlet of the condensate pump 6, the water outlet of the condensate pump 6 is connected with the water inlet of the steam seal heater 7, the water outlet of the steam seal heater 7 is connected with the water inlet of the low pressure heater, and the water outlet of the low pressure heater is connected with the water inlet of the deaerator 12; the steam extraction port of the intermediate pressure cylinder 3 is connected with the heating steam interface of the deaerator 12 through a pipeline, and the steam extraction port of the low pressure cylinder 4 is connected with the heating steam interface of the low pressure heater through a pipeline. The low-pressure heater comprises a first-stage low-pressure heater 11, a second-stage low-pressure heater 10, a third-stage low-pressure heater 9 and a fourth-stage low-pressure heater 8, wherein the first-stage low-pressure heater 11, the second-stage low-pressure heater 10, the third-stage low-pressure heater 9 and the fourth-stage low-pressure heater 8 are sequentially connected in series.
The fused salt-heat conducting oil coupling heat storage system comprises a low-temperature fused salt storage tank 13, a low-temperature fused salt pump 14, a fused salt heater 15, a high-temperature fused salt storage tank 16, a high-temperature fused salt pump 17, a fused salt cooler 18, a fused salt heating steam valve adjusting set 19, a fused salt heater draining valve adjusting set 20, a fused salt cooling steam valve adjusting set 21, a reheating steam shut-off valve 22, a low-temperature heat conducting oil storage tank 23, a low-temperature heat conducting oil pump 24, a heat conducting oil heater 25, a high-temperature heat conducting oil storage tank 26, a high-temperature heat conducting oil pump 27, a heat conducting oil cooler 28, a condensate water valve adjusting set 29, a heat conducting oil heating steam valve adjusting set 30, a heat conducting oil heater drain pump 31 and a condensate water shut-off valve 32.
The fused salt export of low temperature fused salt storage tank 13 and the fused salt access connection of low temperature fused salt pump 14, the fused salt export of low temperature fused salt pump 14 and the fused salt access connection of fused salt heater 15, the fused salt export of fused salt heater 15 and the fused salt import of high temperature fused salt storage tank 16 pass through the pipe connection, the fused salt import of low temperature fused salt storage tank 13 and the fused salt exit connection of fused salt cooler 18, the fused salt import of fused salt cooler 18 and the fused salt exit connection of high temperature fused salt pump 17, the fused salt import of high temperature fused salt pump 17 and the fused salt export of high temperature fused salt storage tank 16 pass through the pipe connection.
A branch is led out from a reheater outlet pipeline of the boiler 1 and is connected with a steam inlet of the molten salt heater 15 through a molten salt heating steam regulating valve group 19; the drain port of the molten salt heater 15 is connected with the preceding stage drain port of the heat conducting oil heater 25 through a molten salt heater drain water regulating valve group 20; a branch is led out from a steam exhaust pipeline of the high-pressure cylinder 2 and is connected with a steam inlet of a molten salt cooler 18 through a molten salt cooling steam regulating valve group 21, and a steam outlet of the molten salt cooler 18 is connected with a reheater outlet pipeline of the boiler 1 through a reheated steam shut-off valve 22.
A heat transfer oil outlet of the low-temperature heat transfer oil storage tank 23 is connected with a heat transfer oil inlet of the low-temperature heat transfer oil pump 24, a heat transfer oil outlet of the low-temperature heat transfer oil pump 24 is connected with a heat transfer oil inlet of the heat transfer oil heater 25, and a heat transfer oil outlet of the heat transfer oil heater 25 is connected with a heat transfer oil inlet of the heat transfer oil heater 25
The heat conducting oil inlet of the high-temperature heat conducting oil storage tank 26 is connected through a pipeline; the heat conducting oil inlet of the low-temperature heat conducting oil storage tank 23 is connected with the heat conducting oil outlet of the heat conducting oil cooler 28, the heat conducting oil inlet of the heat conducting oil cooler 28 is connected with the heat conducting oil outlet of the high-temperature heat conducting oil pump 27, and the heat conducting oil inlet of the high-temperature heat conducting oil pump 27 is connected with the heat conducting oil outlet of the high-temperature heat conducting oil storage tank 26 through a pipeline.
A branch is arranged on a steam exhaust pipeline of the intermediate pressure cylinder 3 and is connected with a steam inlet of a heat-conducting oil heater 25 through a heat-conducting oil heating steam regulating valve group 30, and a drainage outlet of the heat-conducting oil heater 25 is connected with a water inlet of a deaerator 12 through a heat-conducting oil heater drainage pump 31; a branch is led out from a condensed water outlet pipeline of a water outlet of the steam seal heater 7 and is connected with a water inlet of a heat-conducting oil cooler 28 through a condensed water regulating valve group 29, and a water outlet of the heat-conducting oil cooler 28 is connected with a water inlet of a deaerator 12 through a condensed water shutoff valve 32.
A heat storage peak regulation method of a thermal power plant coupling cascade heat storage peak regulation system comprises the following steps:
(1) and (3) during normal operation: exhaust steam generated by the high-pressure cylinder 2 doing work enters the boiler 1 for reheating, reheated steam generated by the boiler 1 enters the intermediate-pressure cylinder 3 for doing work, exhaust steam generated by the intermediate-pressure cylinder 3 for doing work enters the low-pressure cylinder 4 for doing work, exhaust steam generated by the low-pressure cylinder 4 for doing work enters the condenser 5 to be cooled into condensed water, and the condensed water is pressurized by the condensed water pump 6 and then enters the deaerator 12 after being heated by the steam seal heater 7 and the low-pressure heater; the intermediate pressure cylinder 3 and the low pressure cylinder 4 are respectively connected with a steam extraction device 12 and a low pressure heater as heating steam.
(2) When the power load demand decreases: and starting a low-temperature molten salt pump 14, a molten salt heating steam valve group 19, a molten salt heater drainage valve group 20, a low-temperature heat conduction oil pump 24 and a heat conduction oil heater drainage pump 31. The low-temperature molten salt flows out of the low-temperature molten salt storage tank 13, is pressurized by the low-temperature molten salt pump 14, enters the molten salt heater 15 to exchange heat with reheated steam introduced from the outlet of the reheater of the boiler 1, and is heated to enter the high-temperature molten salt storage tank 16 for storage; the low-temperature heat conducting oil flows out of the low-temperature heat conducting oil storage tank 23, is pressurized by the low-temperature heat conducting oil pump 24 and then enters the heat conducting oil heater 25 to perform secondary heat exchange with the drain from the molten salt heater 15, so that the cascade utilization of energy is realized, and the heated heat conducting oil enters the high-temperature heat conducting oil storage tank 26 to be stored; the drain of the heat conducting oil heater 25 is connected to the deaerator 12 through a heat conducting oil heater drain pump 31.
(3) When the electrical load demand is further reduced: then the heat conduction oil heating steam valve group 30 is opened, steam exhausted by the intermediate pressure cylinder 3 and drainage from the molten salt heater 15 enter the heat conduction oil heater 25 together, low-temperature heat conduction oil flows out of the low-temperature heat conduction oil storage tank 23, is pressurized by the low-temperature heat conduction oil pump 24 and then enters the heat conduction oil heater 25 for heat exchange, and the heated heat conduction oil enters the high-temperature heat conduction oil storage tank 26 for storage; the drain of the heat conducting oil heater 25 is connected to the deaerator 12 through a heat conducting oil heater drain pump 31.
The low-temperature heat-conducting oil pump 24 and the heat-conducting oil heater drain pump 31 are controlled by frequency conversion to adapt to the change of heating quantity and drainage quantity in the peak regulation process. At this time, part of the heat of the reheat hot section steam and part of the heat of the intermediate pressure cylinder exhaust steam are stored in the high temperature molten salt storage tank 16 and the high temperature conduction oil storage tank 26 through heat exchange. Because the steam amount entering the intermediate pressure cylinder 3 and the low pressure cylinder 4 is reduced, the shaft power of the steam turbine is reduced, and the generating capacity of the generator is reduced accordingly. The power generation amount can be adjusted by adjusting the steam consumption of the molten salt heating steam and the heat transfer oil heating steam. In the whole process, the heat load of the boiler 1 is relatively stable, and the high-efficiency operation interval can be maintained all the time.
(4) When the power load demand rises: and starting a high-temperature molten salt pump 17, a molten salt cooling steam regulating valve group 21, a reheating thermal section shutoff valve 22, a high-temperature heat conduction oil pump 27, a condensed water regulating valve group 29 and a condensed water shutoff valve 32. The high-temperature molten salt flows out of a high-temperature molten salt storage tank 16, is pressurized by a high-temperature molten salt pump 17 and then enters a molten salt cooler 18 to exchange heat with exhaust steam from the high-pressure cylinder 2, the temperature of the molten salt after heat exchange is reduced and then enters a low-temperature molten salt storage tank 13 to be stored, and the temperature of the steam after heat exchange is increased and then is connected to an outlet pipeline of a reheater of the boiler 1 and then enters the intermediate-pressure cylinder 3 to do work; the high-temperature heat conducting oil flows out of the high-temperature heat conducting oil storage tank 26, enters the heat conducting oil cooler 28 to exchange heat with the condensed water after being pressurized by the low-temperature heat conducting oil pump 27, the temperature of the heat conducting oil after heat exchange is reduced, the heat conducting oil enters the low-temperature heat conducting oil storage tank 23 to be stored, and the temperature of the condensed water after heat exchange is increased and enters the deaerator 12.
At this time, the heat stored in the high-temperature molten salt storage tank 16 and the high-temperature conduction oil storage tank 26 is used to heat the reheat cold stage steam and the condensate water.
In addition, it should be noted that the specific embodiments described in the present specification may be different in the components, the shapes of the components, the names of the components, and the like, and the above description is only an illustration of the structure of the present invention. Equivalent or simple changes in the structure, characteristics and principles of the invention are included in the protection scope of the patent.

Claims (6)

1.一种火力发电厂耦合梯级蓄热调峰系统,包括火力发电厂热力系统,火力发电厂热力系统包括锅炉、高压缸、中压缸、低压缸、汽封加热器、低压加热器和除氧器;高压缸的排汽口通过排汽管道与锅炉的再热器入口相连,锅炉的再热器出口通过再热器出口管道与中压缸的蒸汽进口连接,中压缸的排汽口通过排汽管道与低压缸的蒸汽入口连接,汽封加热器的出水口与低压加热器的进水口连接,低压加热器的出水口与除氧器的进水口连接;1. A coupled cascade heat storage and peak regulation system for a thermal power plant, comprising a thermal power plant thermal system, which includes a boiler, a high-pressure cylinder, a medium-pressure cylinder, a low-pressure cylinder, a seal heater, a low-pressure heater, and a dehydrator. Oxygenator; the steam exhaust port of the high pressure cylinder is connected to the reheater inlet of the boiler through the steam exhaust pipe, the reheater outlet of the boiler is connected to the steam inlet of the medium pressure cylinder through the reheater outlet pipe, and the steam exhaust port of the medium pressure cylinder The steam exhaust pipe is connected with the steam inlet of the low pressure cylinder, the water outlet of the steam seal heater is connected with the water inlet of the low pressure heater, and the water outlet of the low pressure heater is connected with the water inlet of the deaerator; 其特征在于:还包括熔盐-导热油耦合蓄热系统,熔盐-导热油耦合蓄热系统包括低温熔盐储罐、低温熔盐泵、熔盐加热器、高温熔盐储罐、高温熔盐泵、熔盐冷却器、熔盐加热蒸汽调阀组、熔盐加热器疏水调阀组、熔盐冷却蒸汽调阀组、再热蒸汽关断阀、低温导热油储罐、低温导热油泵、导热油加热器、高温导热油储罐、高温导热油泵、导热油冷却器、凝结水调阀组、导热油加热蒸汽调阀组、导热油加热器疏水泵和凝结水关断阀;It is characterized in that: it also includes a molten salt-conducting oil coupled thermal storage system, and the molten salt-conducting oil coupled thermal storage system includes a low-temperature molten salt storage tank, a low-temperature molten salt pump, a molten salt heater, a high-temperature molten salt storage tank, a high-temperature molten salt storage tank, and a high-temperature molten salt storage tank. Salt pump, molten salt cooler, molten salt heating steam regulating valve group, molten salt heater drain regulating valve group, molten salt cooling steam regulating valve group, reheat steam shut-off valve, low temperature heat transfer oil storage tank, low temperature heat transfer oil pump, Heat transfer oil heater, high temperature heat transfer oil storage tank, high temperature heat transfer oil pump, heat transfer oil cooler, condensate water control valve group, heat transfer oil heating steam control valve group, heat transfer oil heater drain pump and condensate water shut-off valve; 低温熔盐储罐的熔盐出口与低温熔盐泵的熔盐进口连接,低温熔盐泵的熔盐出口与熔盐加热器的熔盐进口连接,熔盐加热器的熔盐出口与高温熔盐储罐的熔盐进口连接,低温熔盐储罐的熔盐进口与熔盐冷却器的熔盐出口连接,熔盐冷却器的熔盐进口与高温熔盐泵的熔盐出口连接,高温熔盐泵的熔盐进口与高温熔盐储罐的熔盐出口连接;The molten salt outlet of the low temperature molten salt storage tank is connected with the molten salt inlet of the low temperature molten salt pump, the molten salt outlet of the low temperature molten salt pump is connected with the molten salt inlet of the molten salt heater, and the molten salt outlet of the molten salt heater is connected with the high temperature molten salt. The molten salt inlet of the salt storage tank is connected, the molten salt inlet of the low temperature molten salt storage tank is connected with the molten salt outlet of the molten salt cooler, the molten salt inlet of the molten salt cooler is connected with the molten salt outlet of the high temperature molten salt pump, and the high temperature molten salt The molten salt inlet of the salt pump is connected with the molten salt outlet of the high temperature molten salt storage tank; 锅炉的再热器出口管道通过熔盐加热蒸汽调阀组与熔盐加热器的蒸汽进口连接;熔盐加热器的疏水口通过熔盐加热器疏水调阀组与导热油加热器的前级疏水口连接;高压缸的排汽管道通过熔盐冷却蒸汽调阀组与熔盐冷却器的蒸汽进口连接,熔盐冷却器的蒸汽出口通过再热蒸汽关断阀与锅炉的再热器出口管道连接;The outlet pipe of the reheater of the boiler is connected with the steam inlet of the molten salt heater through the molten salt heating steam regulating valve group; the drain port of the molten salt heater is connected with the front-stage drainage of the heat transfer oil heater through the molten salt heater drainage regulating valve group The steam exhaust pipe of the high pressure cylinder is connected to the steam inlet of the molten salt cooler through the molten salt cooling steam regulating valve group, and the steam outlet of the molten salt cooler is connected to the reheater outlet pipe of the boiler through the reheat steam shut-off valve ; 低温导热油储罐的导热油出口与低温导热油泵的导热油进口连接,低温导热油泵的导热油出口与导热油加热器的导热油进口连接,导热油加热器的导热油出口与高温导热油储罐的导热油进口连接;低温导热油储罐的导热油进口与导热油冷却器的导热油出口连接,导热油冷却器的导热油进口与高温导热油泵的导热油出口连接,高温导热油泵的导热油进口与高温导热油储罐的导热油出口连接;The heat transfer oil outlet of the low temperature heat transfer oil storage tank is connected with the heat transfer oil inlet of the low temperature heat transfer oil pump, the heat transfer oil outlet of the low temperature heat transfer oil pump is connected with the heat transfer oil inlet of the heat transfer oil heater, and the heat transfer oil outlet of the heat transfer oil heater is connected with the high temperature heat transfer oil storage The heat transfer oil inlet of the tank is connected; the heat transfer oil inlet of the low temperature heat transfer oil storage tank is connected with the heat transfer oil outlet of the heat transfer oil cooler, the heat transfer oil inlet of the heat transfer oil cooler is connected with the heat transfer oil outlet of the high temperature heat transfer oil pump, and the heat transfer oil of the high temperature heat transfer oil pump is connected. The oil inlet is connected with the heat transfer oil outlet of the high temperature heat transfer oil storage tank; 中压缸的排汽管道通过导热油加热蒸汽调阀组与导热油加热器的蒸汽进口连接,导热油加热器的疏水出口通过导热油加热器疏水泵与除氧器的进水口连接;汽封加热器的出水口通过凝结水调阀组与导热油冷却器的进水口连接,导热油冷却器的出水口通过凝结水关断阀与除氧器的进水口连接。The steam exhaust pipe of the medium pressure cylinder is connected to the steam inlet of the heat transfer oil heater through the heat transfer oil heating steam regulating valve group, and the drain outlet of the heat transfer oil heater is connected to the water inlet of the deaerator through the heat transfer oil heater drain pump; the steam seal The water outlet of the heater is connected with the water inlet of the heat transfer oil cooler through the condensate water regulating valve group, and the water outlet of the heat transfer oil cooler is connected with the water inlet of the deaerator through the condensate water shut-off valve. 2.根据权利要求1所述的火力发电厂耦合梯级蓄热调峰系统,其特征在于:所述的火力发电厂热力系统还包括凝汽器和凝结水泵,低压缸的乏汽出口与凝汽器的乏汽进口连接,凝汽器的凝结水出口与凝结水泵的进水口连接,凝结水泵的出水口与汽封加热器的进水口连接。2 . The coupled cascade heat storage and peak regulation system of a thermal power plant according to claim 1 , wherein the thermal power system of the thermal power plant further comprises a condenser and a condensate pump, and the exhausted steam outlet of the low-pressure cylinder is connected to the condensate pump. 3 . The exhaust steam inlet of the condenser is connected, the condensate water outlet of the condenser is connected with the water inlet of the condensate pump, and the water outlet of the condensate pump is connected with the water inlet of the steam seal heater. 3.根据权利要求1所述的火力发电厂耦合梯级蓄热调峰系统,其特征在于:所述的低压加热器包括一级低压加热器、二级低压加热器、三级低压加热器和四级低压加热器,一级低压加热器、二级低压加热器、三级低压加热器和四级低压加热器依次串联。3 . The coupled cascade heat storage and peak regulation system of a thermal power plant according to claim 1 , wherein the low-pressure heater comprises a first-stage low-pressure heater, a second-stage low-pressure heater, a third-stage low-pressure heater and a four-stage low-pressure heater. 4 . The first stage low pressure heater, the first stage low pressure heater, the second stage low pressure heater, the third stage low pressure heater and the fourth stage low pressure heater are connected in series in sequence. 4.根据权利要求1所述的火力发电厂耦合梯级蓄热调峰系统,其特征在于:所述的中压缸的抽汽口与除氧器的加热蒸汽接口连接。4 . The coupled cascade heat storage and peak regulation system of a thermal power plant according to claim 1 , wherein the steam extraction port of the medium pressure cylinder is connected to the heating steam interface of the deaerator. 5 . 5.根据权利要求4所述的火力发电厂耦合梯级蓄热调峰系统,其特征在于:所述的低压缸的抽汽口与低压加热器的加热蒸汽接口连接。5 . The coupled cascade heat storage and peak regulation system of a thermal power plant according to claim 4 , wherein the steam extraction port of the low pressure cylinder is connected to the heating steam interface of the low pressure heater. 6 . 6.一种如权利要求1-5任一权利要求所述的火力发电厂耦合梯级蓄热调峰系统的蓄热调峰方法,其特征在于:包括如下步骤:6. A heat storage and peak regulation method for coupling cascade heat storage and peak regulation system of a thermal power plant according to any one of claims 1-5, characterized in that: comprising the following steps: (1)电力负荷需求降低时:(1) When the power load demand decreases: 开启低温熔盐泵、熔盐加热蒸汽调阀组、熔盐加热器疏水调阀组、低温导热油泵、导热油加热器疏水泵;低温熔盐自低温熔盐储罐流出,经低温熔盐泵加压后进入熔盐加热器与从锅炉再热器出口引入的再热蒸汽换热,经加热后熔盐进入高温熔盐储罐储存;低温导热油自低温导热油储罐流出,经低温导热油泵加压后进入导热油加热器与熔盐加热器来的疏水进行二次换热,经加热后导热油进入高温导热油储罐储存;导热油加热器的疏水经导热油加热器疏水泵接入除氧器;Turn on the low temperature molten salt pump, the molten salt heating steam regulating valve group, the molten salt heater drain regulating valve group, the low temperature heat transfer oil pump, and the heat transfer oil heater drain pump; the low temperature molten salt flows out from the low temperature molten salt storage tank, and passes through the low temperature molten salt pump After being pressurized, it enters the molten salt heater and exchanges heat with the reheated steam introduced from the outlet of the boiler reheater. After heating, the molten salt enters the high temperature molten salt storage tank for storage; After the oil pump is pressurized, it enters the heat transfer oil heater and the drain from the molten salt heater for secondary heat exchange. After heating, the heat transfer oil enters the high temperature heat transfer oil storage tank for storage; the drain of the heat transfer oil heater is connected by the heat transfer oil heater drain pump. into the deaerator; (2)电力负荷需求进一步降低时:(2) When the power load demand is further reduced: 再开启导热油加热蒸汽调阀组,中压缸排汽来的蒸汽与熔盐加热器来的疏水一起进入导热油加热器,低温导热油自低温导热油储罐流出经低温导热油泵加压后进入导热油加热器进行换热,经加热后导热油进入高温导热油储罐储存;导热油加热器的疏水经导热油加热器疏水泵接入除氧器;Then open the heat transfer oil heating steam regulating valve group, the steam from the medium pressure cylinder exhaust steam and the drain from the molten salt heater enter the heat transfer oil heater together, and the low temperature heat transfer oil flows out from the low temperature heat transfer oil storage tank and is pressurized by the low temperature heat transfer oil pump. Enter the heat transfer oil heater for heat exchange. After heating, the heat transfer oil enters the high temperature heat transfer oil storage tank for storage; the drain of the heat transfer oil heater is connected to the deaerator through the heat transfer oil heater drain pump; (3)电力负荷需求升高时:(3) When the power load demand increases: 开启高温熔盐泵、熔盐冷却蒸汽调阀组、再热热段关断阀、高温导热油泵、凝结水调阀组、凝结水关断阀;高温熔盐自高温熔盐储罐流出,经高温熔盐泵加压后进入熔盐冷却器与来自高压缸的排汽换热,换热后熔盐温度降低进入低温熔盐储罐储存,换热后的蒸汽温度升高接入锅炉的再热器出口管道,进入中压缸做功;高温导热油自高温导热油储罐流出,经低温导热油泵加压后进入导热油冷却器与凝结水换热,换热后的导热油温度降低进入低温导热油储罐储存,换热后的凝结水温度升高进入除氧器。Turn on the high-temperature molten salt pump, molten salt cooling steam regulating valve group, reheat hot section shut-off valve, high-temperature heat transfer oil pump, condensate water regulating valve group, and condensate water shut-off valve; the high-temperature molten salt flows out from the high-temperature molten salt storage tank and passes through After the high temperature molten salt pump is pressurized, it enters the molten salt cooler and exchanges heat with the exhaust steam from the high pressure cylinder. After the heat exchange, the molten salt temperature decreases and enters the low temperature molten salt storage tank for storage. The outlet pipe of the heater enters the medium pressure cylinder to do work; the high-temperature heat-conducting oil flows out from the high-temperature heat-conducting oil storage tank, and is pressurized by the low-temperature heat-conducting oil pump and enters the heat-conducting oil cooler to exchange heat with the condensed water. The heat transfer oil is stored in the storage tank, and the temperature of the condensed water after heat exchange rises and enters the deaerator.
CN202210698429.7A 2022-06-20 2022-06-20 Thermal power plant coupling step heat storage peak regulation system and heat storage peak regulation method thereof Pending CN115031563A (en)

Priority Applications (1)

Application Number Priority Date Filing Date Title
CN202210698429.7A CN115031563A (en) 2022-06-20 2022-06-20 Thermal power plant coupling step heat storage peak regulation system and heat storage peak regulation method thereof

Applications Claiming Priority (1)

Application Number Priority Date Filing Date Title
CN202210698429.7A CN115031563A (en) 2022-06-20 2022-06-20 Thermal power plant coupling step heat storage peak regulation system and heat storage peak regulation method thereof

Publications (1)

Publication Number Publication Date
CN115031563A true CN115031563A (en) 2022-09-09

Family

ID=83125550

Family Applications (1)

Application Number Title Priority Date Filing Date
CN202210698429.7A Pending CN115031563A (en) 2022-06-20 2022-06-20 Thermal power plant coupling step heat storage peak regulation system and heat storage peak regulation method thereof

Country Status (1)

Country Link
CN (1) CN115031563A (en)

Cited By (3)

* Cited by examiner, † Cited by third party
Publication number Priority date Publication date Assignee Title
CN115930198A (en) * 2022-12-13 2023-04-07 西安交通大学 Coal-fired power generating unit coupled with steam energy storage and operation method thereof
CN117489428A (en) * 2023-11-02 2024-02-02 华北电力大学 Energy storage and peak shaving system and method integrating molten salt heat storage and steam energy accumulator
WO2025044454A1 (en) * 2023-08-28 2025-03-06 暨南大学 Adjustment system of water supply thermal storage type thermoelectric generating set, and design method and operation method therefor

Citations (7)

* Cited by examiner, † Cited by third party
Publication number Priority date Publication date Assignee Title
GB1524236A (en) * 1974-12-16 1978-09-06 Exxon Research Engineering Co Energy storage and transference by means of liquid heat retention materials
JP2001289528A (en) * 2000-04-10 2001-10-19 Fuji Electric Co Ltd Thermal storage refrigeration and air conditioning system
CN101586879A (en) * 2008-10-08 2009-11-25 中国华电工程(集团)有限公司 Solar thermal utilization system combined with gas-steam combined cycle
CN108316980A (en) * 2018-03-14 2018-07-24 西安热工研究院有限公司 A kind of fired power generating unit fused salt accumulation of heat heat release peak regulation system
CN109139151A (en) * 2018-08-30 2019-01-04 华能国际电力股份有限公司丹东电厂 A kind of thermoelectricity decoupled system with heat accumulation
CN112653197A (en) * 2020-12-16 2021-04-13 山西大学 Coal-electricity internal heat circulation system and method for improving wind power consumption level thereof
CN114216108A (en) * 2021-12-07 2022-03-22 北京工业大学 A hybrid heating molten salt heat storage and peak regulation system

Patent Citations (7)

* Cited by examiner, † Cited by third party
Publication number Priority date Publication date Assignee Title
GB1524236A (en) * 1974-12-16 1978-09-06 Exxon Research Engineering Co Energy storage and transference by means of liquid heat retention materials
JP2001289528A (en) * 2000-04-10 2001-10-19 Fuji Electric Co Ltd Thermal storage refrigeration and air conditioning system
CN101586879A (en) * 2008-10-08 2009-11-25 中国华电工程(集团)有限公司 Solar thermal utilization system combined with gas-steam combined cycle
CN108316980A (en) * 2018-03-14 2018-07-24 西安热工研究院有限公司 A kind of fired power generating unit fused salt accumulation of heat heat release peak regulation system
CN109139151A (en) * 2018-08-30 2019-01-04 华能国际电力股份有限公司丹东电厂 A kind of thermoelectricity decoupled system with heat accumulation
CN112653197A (en) * 2020-12-16 2021-04-13 山西大学 Coal-electricity internal heat circulation system and method for improving wind power consumption level thereof
CN114216108A (en) * 2021-12-07 2022-03-22 北京工业大学 A hybrid heating molten salt heat storage and peak regulation system

Cited By (4)

* Cited by examiner, † Cited by third party
Publication number Priority date Publication date Assignee Title
CN115930198A (en) * 2022-12-13 2023-04-07 西安交通大学 Coal-fired power generating unit coupled with steam energy storage and operation method thereof
WO2025044454A1 (en) * 2023-08-28 2025-03-06 暨南大学 Adjustment system of water supply thermal storage type thermoelectric generating set, and design method and operation method therefor
CN117489428A (en) * 2023-11-02 2024-02-02 华北电力大学 Energy storage and peak shaving system and method integrating molten salt heat storage and steam energy accumulator
CN117489428B (en) * 2023-11-02 2025-05-13 华北电力大学 Energy storage and peak shaving system and method integrating molten salt heat storage and steam energy accumulator

Similar Documents

Publication Publication Date Title
WO2021184773A1 (en) Flexible peak regulation system and method for air energy storage by power plant
CN115435626B (en) A thermal power unit steam extraction thermal storage peak regulation system based on molten salt heat storage and its working method
CN115406284B (en) A steam-electric coupled molten salt heat storage peak-shaving system for a thermal power unit and its working method
CN115031563A (en) Thermal power plant coupling step heat storage peak regulation system and heat storage peak regulation method thereof
CN212003284U (en) A thermal power unit molten salt cascade storage and discharge energy peak regulation system
CN102758746A (en) Coupled power generating system using solar thermal collector assisted coal-fired unit
CN110259531B (en) Combined power generation system based on waste incineration waste heat and photo-thermal and operation method thereof
CN115807700B (en) Nuclear-storage power generation system with low-pressure steam extraction throttling frequency modulation function and working method thereof
CN114893265B (en) Heavy-duty gas-steam combined cycle power generation system with heat storage and energy storage module
CN115030789B (en) Thermal power unit heat storage peak regulation device and method, thermal power unit and power generation system
CN212054836U (en) A flexible peak-shaving system for air energy storage in power plants
CN114999684A (en) Nuclear power unit temperature drainage waste heat utilization system
CN116591791B (en) Compressed air energy storage system combined with thermal power and operation method
CN219141588U (en) Steam-electricity coupling fused salt heat storage peak regulation system of thermal power generating unit
CN210118178U (en) Combined power generation system based on waste incineration waste heat and photo-thermal
CN217382910U (en) Full-cutting-cylinder combined heat and power generation system based on high-pressure injection temperature-reduction heat and power decoupling
CN216278054U (en) Molten salt heat storage and steam supply system for supplying black start power supply
CN111485961A (en) A gas-steam combined cycle thermal system with steam extraction and recuperation
CN202659432U (en) Coupling power generation system of glass cover vacuum type trough type solar thermal collector auxiliary coal-fired unit
CN212202149U (en) Gas-steam combined cycle thermal system with extraction steam recuperation
CN110318961B (en) Steam turbine unit of a power station and its power generation method
CN210564686U (en) Steam extraction power generation and heat supply system for coupling condensing extraction back heat supply
CN220849795U (en) Industrial steam supply system for cascade utilization of high-side steam of thermal power plant
CN216077238U (en) Energy-saving steam turbine power generation device
CN218214661U (en) Nuclear power unit warm drainage waste heat utilization system

Legal Events

Date Code Title Description
PB01 Publication
PB01 Publication
SE01 Entry into force of request for substantive examination
SE01 Entry into force of request for substantive examination
RJ01 Rejection of invention patent application after publication

Application publication date: 20220909

RJ01 Rejection of invention patent application after publication