CN115008997B - 一种适用于重型卡车的双电机多挡位混联混动系统 - Google Patents

一种适用于重型卡车的双电机多挡位混联混动系统 Download PDF

Info

Publication number
CN115008997B
CN115008997B CN202210952914.2A CN202210952914A CN115008997B CN 115008997 B CN115008997 B CN 115008997B CN 202210952914 A CN202210952914 A CN 202210952914A CN 115008997 B CN115008997 B CN 115008997B
Authority
CN
China
Prior art keywords
gear
transmission gear
hollow shaft
transmission
generator
Prior art date
Legal status (The legal status is an assumption and is not a legal conclusion. Google has not performed a legal analysis and makes no representation as to the accuracy of the status listed.)
Active
Application number
CN202210952914.2A
Other languages
English (en)
Other versions
CN115008997A (zh
Inventor
甄天辉
任福臣
杨都都
王资政
张永刚
杨伟玲
胡凯
Current Assignee (The listed assignees may be inaccurate. Google has not performed a legal analysis and makes no representation or warranty as to the accuracy of the list.)
China National Heavy Duty Truck Group Jinan Power Co Ltd
Original Assignee
China National Heavy Duty Truck Group Jinan Power Co Ltd
Priority date (The priority date is an assumption and is not a legal conclusion. Google has not performed a legal analysis and makes no representation as to the accuracy of the date listed.)
Filing date
Publication date
Application filed by China National Heavy Duty Truck Group Jinan Power Co Ltd filed Critical China National Heavy Duty Truck Group Jinan Power Co Ltd
Priority to CN202210952914.2A priority Critical patent/CN115008997B/zh
Publication of CN115008997A publication Critical patent/CN115008997A/zh
Application granted granted Critical
Publication of CN115008997B publication Critical patent/CN115008997B/zh
Active legal-status Critical Current
Anticipated expiration legal-status Critical

Links

Images

Classifications

    • BPERFORMING OPERATIONS; TRANSPORTING
    • B60VEHICLES IN GENERAL
    • B60KARRANGEMENT OR MOUNTING OF PROPULSION UNITS OR OF TRANSMISSIONS IN VEHICLES; ARRANGEMENT OR MOUNTING OF PLURAL DIVERSE PRIME-MOVERS IN VEHICLES; AUXILIARY DRIVES FOR VEHICLES; INSTRUMENTATION OR DASHBOARDS FOR VEHICLES; ARRANGEMENTS IN CONNECTION WITH COOLING, AIR INTAKE, GAS EXHAUST OR FUEL SUPPLY OF PROPULSION UNITS IN VEHICLES
    • B60K6/00Arrangement or mounting of plural diverse prime-movers for mutual or common propulsion, e.g. hybrid propulsion systems comprising electric motors and internal combustion engines
    • B60K6/20Arrangement or mounting of plural diverse prime-movers for mutual or common propulsion, e.g. hybrid propulsion systems comprising electric motors and internal combustion engines the prime-movers consisting of electric motors and internal combustion engines, e.g. HEVs
    • B60K6/22Arrangement or mounting of plural diverse prime-movers for mutual or common propulsion, e.g. hybrid propulsion systems comprising electric motors and internal combustion engines the prime-movers consisting of electric motors and internal combustion engines, e.g. HEVs characterised by apparatus, components or means specially adapted for HEVs
    • B60K6/26Arrangement or mounting of plural diverse prime-movers for mutual or common propulsion, e.g. hybrid propulsion systems comprising electric motors and internal combustion engines the prime-movers consisting of electric motors and internal combustion engines, e.g. HEVs characterised by apparatus, components or means specially adapted for HEVs characterised by the motors or the generators
    • BPERFORMING OPERATIONS; TRANSPORTING
    • B60VEHICLES IN GENERAL
    • B60KARRANGEMENT OR MOUNTING OF PROPULSION UNITS OR OF TRANSMISSIONS IN VEHICLES; ARRANGEMENT OR MOUNTING OF PLURAL DIVERSE PRIME-MOVERS IN VEHICLES; AUXILIARY DRIVES FOR VEHICLES; INSTRUMENTATION OR DASHBOARDS FOR VEHICLES; ARRANGEMENTS IN CONNECTION WITH COOLING, AIR INTAKE, GAS EXHAUST OR FUEL SUPPLY OF PROPULSION UNITS IN VEHICLES
    • B60K6/00Arrangement or mounting of plural diverse prime-movers for mutual or common propulsion, e.g. hybrid propulsion systems comprising electric motors and internal combustion engines
    • B60K6/20Arrangement or mounting of plural diverse prime-movers for mutual or common propulsion, e.g. hybrid propulsion systems comprising electric motors and internal combustion engines the prime-movers consisting of electric motors and internal combustion engines, e.g. HEVs
    • B60K6/22Arrangement or mounting of plural diverse prime-movers for mutual or common propulsion, e.g. hybrid propulsion systems comprising electric motors and internal combustion engines the prime-movers consisting of electric motors and internal combustion engines, e.g. HEVs characterised by apparatus, components or means specially adapted for HEVs
    • B60K6/36Arrangement or mounting of plural diverse prime-movers for mutual or common propulsion, e.g. hybrid propulsion systems comprising electric motors and internal combustion engines the prime-movers consisting of electric motors and internal combustion engines, e.g. HEVs characterised by apparatus, components or means specially adapted for HEVs characterised by the transmission gearings
    • B60K6/365Arrangement or mounting of plural diverse prime-movers for mutual or common propulsion, e.g. hybrid propulsion systems comprising electric motors and internal combustion engines the prime-movers consisting of electric motors and internal combustion engines, e.g. HEVs characterised by apparatus, components or means specially adapted for HEVs characterised by the transmission gearings with the gears having orbital motion
    • BPERFORMING OPERATIONS; TRANSPORTING
    • B60VEHICLES IN GENERAL
    • B60KARRANGEMENT OR MOUNTING OF PROPULSION UNITS OR OF TRANSMISSIONS IN VEHICLES; ARRANGEMENT OR MOUNTING OF PLURAL DIVERSE PRIME-MOVERS IN VEHICLES; AUXILIARY DRIVES FOR VEHICLES; INSTRUMENTATION OR DASHBOARDS FOR VEHICLES; ARRANGEMENTS IN CONNECTION WITH COOLING, AIR INTAKE, GAS EXHAUST OR FUEL SUPPLY OF PROPULSION UNITS IN VEHICLES
    • B60K6/00Arrangement or mounting of plural diverse prime-movers for mutual or common propulsion, e.g. hybrid propulsion systems comprising electric motors and internal combustion engines
    • B60K6/20Arrangement or mounting of plural diverse prime-movers for mutual or common propulsion, e.g. hybrid propulsion systems comprising electric motors and internal combustion engines the prime-movers consisting of electric motors and internal combustion engines, e.g. HEVs
    • B60K6/42Arrangement or mounting of plural diverse prime-movers for mutual or common propulsion, e.g. hybrid propulsion systems comprising electric motors and internal combustion engines the prime-movers consisting of electric motors and internal combustion engines, e.g. HEVs characterised by the architecture of the hybrid electric vehicle
    • B60K6/44Series-parallel type
    • BPERFORMING OPERATIONS; TRANSPORTING
    • B60VEHICLES IN GENERAL
    • B60KARRANGEMENT OR MOUNTING OF PROPULSION UNITS OR OF TRANSMISSIONS IN VEHICLES; ARRANGEMENT OR MOUNTING OF PLURAL DIVERSE PRIME-MOVERS IN VEHICLES; AUXILIARY DRIVES FOR VEHICLES; INSTRUMENTATION OR DASHBOARDS FOR VEHICLES; ARRANGEMENTS IN CONNECTION WITH COOLING, AIR INTAKE, GAS EXHAUST OR FUEL SUPPLY OF PROPULSION UNITS IN VEHICLES
    • B60K6/00Arrangement or mounting of plural diverse prime-movers for mutual or common propulsion, e.g. hybrid propulsion systems comprising electric motors and internal combustion engines
    • B60K6/20Arrangement or mounting of plural diverse prime-movers for mutual or common propulsion, e.g. hybrid propulsion systems comprising electric motors and internal combustion engines the prime-movers consisting of electric motors and internal combustion engines, e.g. HEVs
    • B60K6/50Architecture of the driveline characterised by arrangement or kind of transmission units
    • B60K6/54Transmission for changing ratio
    • B60K6/543Transmission for changing ratio the transmission being a continuously variable transmission
    • YGENERAL TAGGING OF NEW TECHNOLOGICAL DEVELOPMENTS; GENERAL TAGGING OF CROSS-SECTIONAL TECHNOLOGIES SPANNING OVER SEVERAL SECTIONS OF THE IPC; TECHNICAL SUBJECTS COVERED BY FORMER USPC CROSS-REFERENCE ART COLLECTIONS [XRACs] AND DIGESTS
    • Y02TECHNOLOGIES OR APPLICATIONS FOR MITIGATION OR ADAPTATION AGAINST CLIMATE CHANGE
    • Y02TCLIMATE CHANGE MITIGATION TECHNOLOGIES RELATED TO TRANSPORTATION
    • Y02T10/00Road transport of goods or passengers
    • Y02T10/60Other road transportation technologies with climate change mitigation effect
    • Y02T10/62Hybrid vehicles

Landscapes

  • Engineering & Computer Science (AREA)
  • Chemical & Material Sciences (AREA)
  • Combustion & Propulsion (AREA)
  • Transportation (AREA)
  • Mechanical Engineering (AREA)
  • Hybrid Electric Vehicles (AREA)

Abstract

本发明公开一种适用于重型卡车的双电机多挡位混联混动系统,属于重型卡车传动系统技术领域,包括壳体、发电机、驱动电机、发动机、车桥和双行星排机构;后齿圈与车桥连接,并与前行星架连接;发动机通过中心轴与后行星架连接,后太阳轮连接有与发电机连接的内空心轴,前太阳轮连接有与驱动电机连接的外空心轴,壳体上安装有滑套锁止装置。通过发电机对后太阳轮调速实现无级变速,提升整车舒适性;发动机转速和车速解耦,持续运行经济区间提升整车经济性;通过发电机和发动机扭矩补偿实现换挡过程中动力不中断,提升整车安全性;提高整车动力性的同时满足换挡过程整车动力不中断、无级变速、发动机转速和车速解耦等要求。

Description

一种适用于重型卡车的双电机多挡位混联混动系统
技术领域
本发明属于重型卡车传动系统技术领域,具体地说是一种适用于重型卡车的双电机多挡位混联混动系统。
背景技术
新能源汽车主要包括混合动力汽车、纯电动汽车和燃料电池汽车等类型,混合动力汽车在新能源各类型汽车中增加成本最低,技术相对比较成熟。
混合动力系统形式主要包括串联式、并联式和混联式,在重型卡车领域主要采用P2并联式混动系统,此构型采用的变速箱和传统能源变速箱结构基本一致,具有结构成熟、简单等特点,但是存在换挡动力中断、轴向布置困难、节油率偏低等问题。
混联式混动系统在乘用车领域应用广泛,可解决换挡动力中断和发动机转速解耦问题,但乘用车负载率变化小,速比范围窄且传递扭矩小。然而重型卡车负载率变化大,而且存在恶劣工地等非道路脱困场景,对于重载车辆爬坡过程中的换挡动力中断问题对整车运行安全带来极大隐患,目前的混联系统无法适应工况更复杂、恶劣的重型卡车领域。
截止目前,没有适用于重型卡车的混联混动系统,可以提高整车动力性的同时,满足换挡动力不中断、无级变速、发动机转速和车速解耦等要求。
发明内容
为解决上述问题,本发明提供一种适用于重型卡车的双电机多挡位混联混动系统,提高整车动力性的同时满足换挡过程整车动力不中断、无级变速、发动机转速和车速解耦等要求,可以较好的适用于重型卡车领域。
本发明是通过下述技术方案来实现的:
一种适用于重型卡车的双电机多挡位混联混动系统,包括壳体、发电机、驱动电机、发动机、车桥和双行星排机构;
双行星排机构包括前行星排动力耦合机构和后行星排动力耦合机构,两者的行星齿轮外圈分别啮合有前齿圈和后齿圈;后齿圈与车桥传动连接,并与前行星排动力耦合机构的前行星架连接;
发动机通过中心轴与后行星排动力耦合机构的后行星架连接,后行星排动力耦合机构的后太阳轮连接有内空心轴,发电机与内空心轴传动连接;前行星排动力耦合机构的前太阳轮连接有外空心轴,驱动电机通过驱动电机变速箱系统与外空心轴传动连接;
中心轴、内空心轴和外空心轴呈从内到外同轴布置;
壳体上安装有能够对中心轴和内空心轴分别锁止的滑套锁止装置。
本发明的进一步改进还有,驱动电机变速箱系统包括与驱动电机输出轴连接的第一传动齿轮、通过中间轴连接安装的第九传动齿轮、第二传动齿轮和第三传动齿轮;第九传动齿轮与第一传动齿轮啮合;外空心轴上转动安装有与第二传动齿轮和第三传动齿轮分别啮合的第四传动齿轮和第五传动齿轮;外空心轴上安装有能够与第四传动齿轮和第五传动齿轮分别连接的主箱换挡机构;前齿圈上安装有能够与前太阳轮和壳体分别连接的副箱换挡机构;发电机通过爬挡换挡机构与第四传动齿轮传动连接。
本发明的进一步改进还有,滑套锁止装置包括与中心轴连接安装的中心轴齿毂、与内空心轴连接安装的内空心轴齿毂和安装于壳体上的滑套;滑套具有三挡位,分别为与中心轴齿毂连接、与内空心轴齿毂连接和空挡。
本发明的进一步改进还有,主箱换挡机构具有三挡位,分别为与第四传动齿轮连接、与第五传动齿轮连接和空挡。
本发明的进一步改进还有,副箱换挡机构具有两挡位,分别为与前太阳轮连接和与壳体连接。
本发明的进一步改进还有,壳体上安装有用于与副箱换挡机构连接的传扭板。
本发明的进一步改进还有,发动机通过扭转减振器与中心轴传动连接。
本发明的进一步改进还有,发电机通过发电机减速系统与内空心轴传动连接;发电机减速系统包括依次啮合的第十传动齿轮、第六传动齿轮和第八传动齿轮;第十传动齿轮与发电机输出轴连接安装,第八传动齿轮与内空心轴连接安装;爬挡换挡机构通过转接轴与第六传动齿轮连接,转接轴上转动安装有与第四传动齿轮啮合的第七传动齿轮;爬挡换挡机构能够与第七传动齿轮连接或分离。
本发明的进一步改进还有,中心轴、内空心轴和外空心轴分别通过轴承与壳体转动安装。
从以上技术方案可以看出,本发明的有益效果是:
具有三个动力源:发电机、驱动电机和发动机,发电机可以在行车时将发动机的能量功率分流反向充电,发电机也可在纯电动模式中进行动力输出驱动车辆;车辆正常行驶前进时,驱动电机的动力通过齿轮传动至外空心轴、前太阳轮、前行星架和后齿圈输出至轮端;整车减速制动能量回收时驱动电机也可进行反向发电,将制动能量转化为电能进行储存;发动机的动力通过中心轴传递至后行星架;发电机通过内空心轴与后太阳轮传动连接,实现对后太阳轮的转速调节及反向充电,通过双行星机构将发动机、发电机和驱动电机根据整车动力需求进行动力耦合。系统整体结构简单,设计紧凑,实用性好。
通过设置爬挡换挡机构和第七传动齿轮,可将驱动电机和发电机的扭矩在第四传动齿轮位置进行耦合,经前太阳轮和前行星架进行大扭矩输出,增强整车低速、爬坡或脱困的动力性;通过主箱换挡机构和副箱换挡机构的位置调节,拓宽变速箱速比范围,满足不同车速和正常路况的动力需求;通过发电机对后太阳轮调速实现整车无级变速、发动机的转速和车速解耦,发动机可定速持续运行在高效区间,降低整车油耗。通过调整滑套锁止装置中滑套的位置以实现复杂工况下的纯电动模式、混动模式和发动机直驱模式的灵活切换。通过发电机和发动机扭矩补偿实现各工作模式下换挡过程中输出动力的不中断。
可广泛运用于新能源商用车领域,尤其是对于工况复杂、上下坡较多、动力需求高和油耗高的重型卡车,在增强整车动力性的同时,提高了整车舒适性、安全性和经济性,具有广阔的推广运用前景,实用性好。
附图说明
为了更清楚地说明本发明的技术方案,下面将对描述中所需要使用的附图作简单地介绍,显而易见地,下面描述中的附图仅仅是本发明的一些实施例,对于本领域普通技术人员来讲,在不付出创造性劳动的前提下,还可以根据这些附图获得其他的附图。
图1为本发明具体实施方式的结构示意图。
图2为本发明具体实施方式的滑套锁止装置结构示意图。
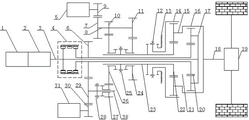
附图中:1、发动机,2、扭转减振器,3、中心轴,4、滑套锁止装置,5、驱动电机,6、第八传动齿轮,7、第九传动齿轮,8、中间轴,9、第一传动齿轮,10、第二传动齿轮,11、第三传动齿轮,12、副箱换挡机构,13、传扭板,14、前齿圈,15、前行星架,16、后齿圈,17、后行星架,18、输出轴,19、车桥,20、后太阳轮,21、双行星排机构,22、前太阳轮,23、外空心轴,24、第五传动齿轮,25、主箱换挡机构,26、第四传动齿轮,27、第七传动齿轮,28、爬挡换挡机构,29、第六传动齿轮,30、第十传动齿轮,31、发电机,32、中心轴齿毂,33、滑套,34、拨叉,35、壳体,36、内空心轴齿毂,37、内空心轴,38、转接轴。
具体实施方式
为使得本发明的目的、特征、优点能够更加的明显和易懂,下面将结合本具体实施例中的附图,对本发明中的技术方案进行清楚、完整地描述,显然,下面所描述的实施例仅仅是本发明一部分实施例,而非全部的实施例。基于本专利中的实施例,本领域普通技术人员在没有做出创造性劳动前提下所获得的所有其它实施例,都属于本专利保护的范围。
如图1-2所示所示,本发明公开一种适用于重型卡车的双电机多挡位混联混动系统,包括壳体35、发电机31、驱动电机5、发动机1、车桥19和双行星排机构21;
双行星排机构21包括前行星排动力耦合机构和后行星排动力耦合机构,前行星排动力耦合机构包括前太阳轮22、前行星架15和安装于前行星架15上的若干个行星齿轮,后行星排动力耦合机构包括后太阳轮20、后行星架17和安装于后行星架17上的若干个行星齿轮;前行星排动力耦合机构的行星齿轮和后行星排动力耦合机构的行星齿轮外圈分别啮合有前齿圈14和后齿圈16;前齿圈14与后齿圈16分别通过轴承与壳体35转动连接安装;后齿圈16通过输出轴18与车桥19传动连接,以对车轮进行驱动,实现行进或倒车,后齿圈16与前行星排动力耦合机构的前行星架15连接;
发动机1通过中心轴3与后行星架17连接,后太阳轮20连接有内空心轴37,发电机31与内空心轴37传动连接;前太阳轮22连接有外空心轴23,驱动电机5通过驱动电机变速箱系统与外空心轴23传动连接;
中心轴3、内空心轴37和外空心轴23呈从内到外同轴布置;空间布置更紧凑,保证较高的集成度;
壳体35上安装有能够对中心轴3和内空心轴37分别锁止的滑套锁止装置4。通过滑套锁止装置4实现各个驱动模式的灵活切换。
发动机1通过扭转减振器2与中心轴3传动连接。通过扭转减振器2可有效降低发动机1的转速和扭矩波动,提高整个混动系统乃至整车的稳定性。
如图1所示,驱动电机变速箱系统包括与驱动电机5输出轴连接的第一传动齿轮9、通过中间轴8连接安装的第九传动齿轮7、第二传动齿轮10和第三传动齿轮11;第九传动齿轮7与第一传动齿轮9啮合;外空心轴23上转动安装有与第二传动齿轮10和第三传动齿轮11分别啮合的第四传动齿轮26和第五传动齿轮24,第四传动齿轮26和第五传动齿轮24分别通过轴承套装于外空心轴23上;外空心轴23上安装有能够与第四传动齿轮26和第五传动齿轮24分别连接的主箱换挡机构25;前齿圈14上安装有能够与前太阳轮22(外空心轴23)和壳体35分别连接的副箱换挡机构12,前齿圈14与副箱换挡机构12通过套筒连接,套筒转动套装于外空心轴23外侧;发电机31通过爬挡换挡机构28与第四传动齿轮26传动连接。通过主箱换挡机构25和副箱换挡机构12的设置,可实现多个挡位的布置,可拓宽变速箱速比范围增强整车动力性;且爬挡换挡机构28的设置增大了混动系统的头挡速比值,在不增加系统轴向长度的同时增强了整车在重载下的脱困和爬坡能力。
壳体35上安装有用于与副箱换挡机构12连接的传扭板13。传扭板13进行扭矩的传递,其具有较高的结构强度,在副箱换挡机构12与传扭板13连接时,保证对前齿圈14定位可靠性,防止前齿圈14转动。
第四传动齿轮26、第五传动齿轮24、前行星排动力耦合机构和后行星排动力耦合机构从左到右依次设置,主箱换挡机构25设置于第四传动齿轮26与第五传动齿轮24之间,副箱换挡机构12设置于第五传动齿轮24与前行星排动力耦合机构之间。保证空间布置的紧凑型、合理性。
发电机31通过发电机减速系统与内空心轴37传动连接;发电机减速系统包括依次啮合的第十传动齿轮30、第六传动齿轮29和第八传动齿轮6;第十传动齿轮30与发电机31输出轴连接安装,第八传动齿轮6与内空心轴37连接安装;爬挡换挡机构28通过转接轴38与第六传动齿轮29连接,转接轴38上转动安装有与第四传动齿轮26啮合的第七传动齿轮27;爬挡换挡机构28能够与第七传动齿轮27连接或分离。保证发电机31动力传递的可靠性和对发电机31反向充电的稳定性;且通过爬挡换挡机构28的调节,发动机1输出时,可实现两种挡位调节:爬挡换挡机构28向右移动时,将转接轴38与第七传动齿轮27连接,此时处于低挡区;爬挡换挡机构28位于左端时,发电机31动力依次由第十传动齿轮30、第六传动齿轮29和第八传动齿轮6传递至后太阳轮20,此时处于高挡区。
主箱换挡机构25具有三挡位,分别为与第四传动齿轮26连接、与第五传动齿轮24连接和空挡。副箱换挡机构12具有两挡位,分别为与前太阳轮22连接和与壳体35连接。通过主箱换挡机构25和副箱换挡机构12的挡位调节,可实现多种工作模式的实现,结构简单,实现容易。
通过设置主箱换挡机构25、副箱换挡机构12和爬挡换挡机构28拓宽了系统动力的耦合方式和速比范围,增强了整车动力性以及适用复杂工况的能力。其中,第二传动齿轮10与第四传动齿轮26的传动比和第三传动齿轮11与第五传动齿轮24的传动比不同,第六传动齿轮29与第八传动齿轮6的传动比和第七传动齿轮27与第四传动齿轮26的传动比不同,可保证具有较宽的转速输出范围,满足车辆不同负载时的动力需求。
通过主箱换挡机构25和副箱换挡机构12的调节,可实现以下四种运行挡位调节:
副箱换挡机构12向右移动时,前齿圈14通过副箱换挡机构12花键与传扭板13连接,从而实现前齿圈14可靠固定,此时副箱处于低挡区;副箱换挡机构12向左移动时,前齿圈14与前太阳轮22通过副箱换挡机构12花键连接,前太阳轮22与前齿圈14转速一致,此时副箱处于高挡区。主箱换挡机构25左右移动,可实现将外空心轴23分别与第四传动齿轮26和第五传动齿轮24的连接,挡位分别为低挡和高挡;从而主箱具有高挡区和低挡区。通过主箱的高挡区和低挡区分别与副箱的高挡区和低挡区组合,可实现四个挡位的设置:高挡、中高挡、中低挡和低挡。
如图1-2所示,滑套锁止装置4包括与中心轴3连接安装的中心轴齿毂32、与内空心轴37连接安装的内空心轴齿毂36和安装于壳体35上的滑套33,壳体35上安装有对滑套33左右调节的拨叉34;滑套33具有三挡位,分别为与中心轴齿毂32连接(滑套33在左侧,中心轴3无法转动)、与内空心轴齿毂36连接(滑套33在右侧,内空心轴37无法转动)和空挡(滑套33处于中间位置)。通过拨叉34可实现对滑套33的滑动调节,通过滑套33在左、中、右三个挡位,可实现多种模式的灵活切换,不同模式具体如下:
单电机纯电动模式:滑套33处于中间位置,根据不同需求工况选择主箱换挡机构25和副箱换挡机构12的挡位,驱动电机5通过齿轮传动将动力依次传递至外空心轴23、前太阳轮22,经前行星架15和后齿圈16传递至输出轴18和车桥19。
双电机纯电动模式(重载爬坡或脱困):整车重载爬坡或者需脱困时,此时滑套33处于中间位置,爬挡换挡机构28将爬挡轮27和转接轴38连接(处于右侧位置),驱动电机5和发电机31均将动力传递至第四传动齿轮26,此时主箱换挡机构25处于低挡位(左侧),依次将动力传递至外空心轴23、前太阳轮22、前行星架15、后齿圈16、输出轴18和后桥19。
双电机纯电动模式(中高速超车或者换挡扭矩补偿):整车中高速超车或者换挡扭矩补偿需求时,将滑套33处于最左侧位置将中心轴锁止,爬挡换挡机构28处于空挡位置(处于左侧位置),驱动电机5通过齿轮传动将动力依次传递至外空心轴23、前太阳轮22,经双行星排机构21、前行星架15和后齿圈16。发电机31将动力依次传递至第十传动齿轮30、第六传动齿轮29、第八传动齿轮6、内空心轴37、后太阳轮20和后齿圈16,双电机动力在后齿圈16位置处进行耦合输出至输出轴18和后桥19;主箱换挡机构25和副箱换挡机构12进行换挡时,发电机31的动力经齿轮传动至后太阳轮20和后齿圈16进行扭矩补偿,因此双电机纯电动模式下换挡过程中整车动力不中断。
混动模式:滑套33处于中间空挡位置,发动机1的动力通过扭转减振器2、中心轴3传递至后行星架17进行动力分流,动力分别分流至后齿圈16和后太阳轮20,依次通过后太阳轮20、内空心轴37、第八传动齿轮6、第六传动齿轮29和第十传动齿轮30将动力传递至发电机31进行发电。若动力不足时,驱动电机5的动力经齿轮传动通过外空心轴23传递至前太阳轮22,驱动电机5动力和发动机1的动力在齿圈16处进行动力耦合进行输出。在发动机1定转速在高效区间时,通过调整发电机31的转速进而可调整后太阳轮20的转速,进而改变后齿圈16、输出轴18的转速,最终改变整车行驶速度。此时,发动机1的转速和车速解耦且无级变速。主箱换挡机构25和副箱换挡机构12进行换挡时,发动机1的动力经中心轴3传递至后行星架17和后齿圈16,对整车动力进行扭矩补偿,因此混动模式下换挡过程中整车动力不中断。
发动机直驱模式:滑套33处于最右侧位置,内空心轴37和后太阳轮20固定,发动机1动力通过扭转减振器2和中心轴3传递至后行星架17,并通过后齿圈16传递至输出轴18和车桥19。
制动能量回收模式:整车在进行下坡或者进行减速时,为降低能量损失减小油耗,将制动能量进行回收,轮端制动能量依次经过车桥19、输出轴18、后齿圈16、前行星架15、前太阳轮22、外空心轴23,经齿轮传动至驱动电机5进行反向充电。
其中,中心轴3、内空心轴37、中间轴8、转接轴38和外空心轴23分别通过轴承与壳体35转动安装。后齿圈16、输出轴18、第一传动齿轮9和第十传动齿轮30的中心轴均通过轴承与壳体35转动安装,发电机31、驱动电机5和发动机1固定安装于壳体35上。需要指出的是,壳体35指的是对传动部件进行密封、支承的壳体;可以同时具有多个,如变速箱壳体、传动箱壳体等。
本适用于重型卡车的双电机多挡位混联混动系统,具有三个动力源:发电机31、驱动电机5和发动机1,发电机31可以在行车时将发动机1的能量功率分流反向充电,发电机31也可在纯电动模式中进行动力输出驱动车辆;车辆正常行驶前进时,驱动电机5的动力通过齿轮传动至外空心轴23、前太阳轮22、前行星架15和后齿圈16输出至轮端;整车减速制动能量回收时驱动电机5也可进行反向发电,将制动能量转化为电能进行储存;发动机1的动力通过中心轴3传递至后行星架17;发电机31通过内空心轴37与后太阳轮20传动连接,实现对后太阳轮20的转速调节及反向充电,通过双行星机构21将发动机1、发电机31和驱动电机5根据整车动力需求进行动力耦合。系统整体结构简单,设计紧凑,实用性好。
通过设置爬挡换挡机构28和第七传动齿轮27,可将驱动电机5和发电机31的扭矩在第四传动齿轮26位置进行耦合,经前太阳轮22和前行星架15进行大扭矩输出,增强整车低速、爬坡或脱困的动力性;通过主箱换挡机构25和副箱换挡机构12的位置调节,拓宽变速箱速比范围,满足不同车速和正常路况的动力需求;通过发电机31对后太阳轮20调速实现整车无级变速、发动机1的转速和车速解耦,发动机1可定速持续运行在高效区间,降低整车油耗。通过调整滑套锁止装置4中滑套33的位置以实现复杂工况下的纯电动模式、混动模式和发动机直驱模式的灵活切换。通过发电机31和发动机1扭矩补偿实现各工作模式下换挡过程中输出动力的不中断。
本适用于重型卡车的双电机多挡位混联混动系统,可广泛运用于新能源商用车领域,尤其是对于工况复杂、上下坡较多、动力需求高和油耗高的重型卡车,在增强整车动力性的同时,提高了整车舒适性、安全性和经济性,具有广阔的推广运用前景,实用性好。
本说明书中各个实施例采用递进的方式描述,每个实施例重点说明的都是与其他实施例的不同之处,各个实施例之间相同、相似部分互相参见即可。
本发明的说明书和权利要求书及上述附图中的术语“上”、“下”、“外侧”“内侧”等如果存在是用于区别位置上的相对关系,而不必给予定性。应该理解这样使用的数据在适当情况下可以互换,以便这里描述的本发明的实施例能够以除了在这里图示或描述的那些以外的顺序实施。此外,术语“包括”和“具有”以及他们的任何变形,意图在于覆盖不排他的包含。
对所公开的实施例的上述说明,使本领域专业技术人员能够实现或使用本发明。对这些实施例的多种修改对本领域的专业技术人员来说将是显而易见的,本文中所定义的一般原理可以在不脱离本发明的精神或范围的情况下,在其它实施例中实现。因此,本发明将不会被限制于本文所示的这些实施例,而是要符合与本文所公开的原理和新颖特点相一致的最宽的范围。

Claims (7)

1.一种适用于重型卡车的双电机多挡位混联混动系统,其特征在于,包括壳体(35)、发电机(31)、驱动电机(5)、发动机(1)、车桥(19)和双行星排机构(21);双行星排机构(21)包括前行星排动力耦合机构和后行星排动力耦合机构,两者的行星齿轮外圈分别啮合有前齿圈(14)和后齿圈(16);后齿圈(16)与车桥(19)传动连接,并与前行星排动力耦合机构的前行星架(15)连接;发动机(1)通过中心轴(3)与后行星排动力耦合机构的后行星架(17)连接,后行星排动力耦合机构的后太阳轮(20)连接有内空心轴(37),发电机(31)与内空心轴(37)传动连接;前行星排动力耦合机构的前太阳轮(22)连接有外空心轴(23),驱动电机(5)通过驱动电机变速箱系统与外空心轴(23)传动连接;中心轴(3)、内空心轴(37)和外空心轴(23)呈从内到外同轴布置;壳体(35)上安装有能够对中心轴(3)和内空心轴(37)分别锁止的滑套锁止装置(4);驱动电机变速箱系统包括与驱动电机(5)输出轴连接的第一传动齿轮(9)、通过中间轴(8)连接安装的第九传动齿轮(7)、第二传动齿轮(10)和第三传动齿轮(11);第九传动齿轮(7)与第一传动齿轮(9)啮合;外空心轴(23)上转动安装有与第二传动齿轮(10)和第三传动齿轮(11)分别啮合的第四传动齿轮(26)和第五传动齿轮(24);外空心轴(23)上安装有能够与第四传动齿轮(26)和第五传动齿轮(24)分别连接的主箱换挡机构(25);前齿圈(14)上安装有能够与前太阳轮(22)和壳体(35)分别连接的副箱换挡机构(12);发电机(31)通过爬挡换挡机构(28)与第四传动齿轮(26)传动连接;发电机(31)通过发电机减速系统与内空心轴(37)传动连接;发电机减速系统包括依次啮合的第十传动齿轮(30)、第六传动齿轮(29)和第八传动齿轮(6);第十传动齿轮(30)与发电机(31)输出轴连接安装,第八传动齿轮(6)与内空心轴(37)连接安装;爬挡换挡机构(28)通过转接轴(38)与第六传动齿轮(29)连接,转接轴(38)上转动安装有与第四传动齿轮(26)啮合的第七传动齿轮(27);爬挡换挡机构(28)能够与第七传动齿轮(27)连接或分离。
2.根据权利要求1所述的适用于重型卡车的双电机多挡位混联混动系统,其特征在于,滑套锁止装置(4)包括与中心轴(3)连接安装的中心轴齿毂(32)、与内空心轴(37)连接安装的内空心轴齿毂(36)和安装于壳体(35)上的滑套(33);滑套(33)具有三挡位,分别为与中心轴齿毂(32)连接、与内空心轴齿毂(36)连接和空挡。
3.根据权利要求1所述的适用于重型卡车的双电机多挡位混联混动系统,其特征在于,主箱换挡机构(25)具有三挡位,分别为与第四传动齿轮(26)连接、与第五传动齿轮(24)连接和空挡。
4.根据权利要求1所述的适用于重型卡车的双电机多挡位混联混动系统,其特征在于,副箱换挡机构(12)具有两挡位,分别为与前太阳轮(22)连接和与壳体(35)连接。
5.根据权利要求4所述的适用于重型卡车的双电机多挡位混联混动系统,其特征在于,壳体(35)上安装有用于与副箱换挡机构(12)连接的传扭板(13)。
6.根据权利要求1所述的适用于重型卡车的双电机多挡位混联混动系统,其特征在于,发动机(1)通过扭转减振器(2)与中心轴(3)传动连接。
7.根据权利要求1所述的适用于重型卡车的双电机多挡位混联混动系统,其特征在于,中心轴(3)、内空心轴(37)和外空心轴(23)分别通过轴承与壳体(35)转动安装。
CN202210952914.2A 2022-08-10 2022-08-10 一种适用于重型卡车的双电机多挡位混联混动系统 Active CN115008997B (zh)

Priority Applications (1)

Application Number Priority Date Filing Date Title
CN202210952914.2A CN115008997B (zh) 2022-08-10 2022-08-10 一种适用于重型卡车的双电机多挡位混联混动系统

Applications Claiming Priority (1)

Application Number Priority Date Filing Date Title
CN202210952914.2A CN115008997B (zh) 2022-08-10 2022-08-10 一种适用于重型卡车的双电机多挡位混联混动系统

Publications (2)

Publication Number Publication Date
CN115008997A CN115008997A (zh) 2022-09-06
CN115008997B true CN115008997B (zh) 2022-11-11

Family

ID=83065457

Family Applications (1)

Application Number Title Priority Date Filing Date
CN202210952914.2A Active CN115008997B (zh) 2022-08-10 2022-08-10 一种适用于重型卡车的双电机多挡位混联混动系统

Country Status (1)

Country Link
CN (1) CN115008997B (zh)

Families Citing this family (2)

* Cited by examiner, † Cited by third party
Publication number Priority date Publication date Assignee Title
CN114604075B (zh) * 2022-03-25 2024-08-13 中国重汽集团济南动力有限公司 一种具有复合取力和跛行回家功能的重卡混动系统
CN115467967B (zh) * 2022-09-30 2023-10-10 中国重汽集团济南动力有限公司 一种适用于手动挡商用车的挡位限制方法及挡位限制系统

Citations (4)

* Cited by examiner, † Cited by third party
Publication number Priority date Publication date Assignee Title
WO2018108053A1 (zh) * 2016-12-12 2018-06-21 郑州宇通客车股份有限公司 车辆、混联式混合动力系统及混合动力系统控制方法
CN111559237A (zh) * 2020-05-22 2020-08-21 中国重汽集团济南动力有限公司 一种纯电动车多动力耦合驱动系统及车辆
CN112706597A (zh) * 2021-01-12 2021-04-27 中国重汽集团济南动力有限公司 一种双电机电驱动桥
CN114475217A (zh) * 2022-03-25 2022-05-13 中国重汽集团济南动力有限公司 一种适用于重型卡车的三动力源耦合混动系统

Family Cites Families (1)

* Cited by examiner, † Cited by third party
Publication number Priority date Publication date Assignee Title
KR101575272B1 (ko) * 2014-08-26 2015-12-07 현대자동차 주식회사 하이브리드 차량용 변속장치

Patent Citations (4)

* Cited by examiner, † Cited by third party
Publication number Priority date Publication date Assignee Title
WO2018108053A1 (zh) * 2016-12-12 2018-06-21 郑州宇通客车股份有限公司 车辆、混联式混合动力系统及混合动力系统控制方法
CN111559237A (zh) * 2020-05-22 2020-08-21 中国重汽集团济南动力有限公司 一种纯电动车多动力耦合驱动系统及车辆
CN112706597A (zh) * 2021-01-12 2021-04-27 中国重汽集团济南动力有限公司 一种双电机电驱动桥
CN114475217A (zh) * 2022-03-25 2022-05-13 中国重汽集团济南动力有限公司 一种适用于重型卡车的三动力源耦合混动系统

Non-Patent Citations (1)

* Cited by examiner, † Cited by third party
Title
"双电机混合动力电动汽车驱动模式分析";徐东;《无锡商业职业技术学院学报》;20170630;第17卷(第3期);97-100页 *

Also Published As

Publication number Publication date
CN115008997A (zh) 2022-09-06

Similar Documents

Publication Publication Date Title
CN115534646B (zh) 电驱动总成、四轮驱动系统及汽车
CN201736790U (zh) 混合动力汽车驱动装置
JPH11217025A (ja) ハイブリッド車
CN114475217B (zh) 一种适用于重型卡车的三动力源耦合混动系统
CN106976390B (zh) 一种行星混联式双模混合动力车辆驱动系统
CN112477686A (zh) 一种无中间传动轴的换电式运载车辆
CN102259580A (zh) 混合动力传动系统
CN103085643A (zh) 一种混合动力变速器
CN115008997B (zh) 一种适用于重型卡车的双电机多挡位混联混动系统
CN110834549A (zh) 一种电动汽车双电机驱动系统及其功率耦合综合控制方法
CN210062670U (zh) 四驱系统及车辆
CN220548930U (zh) 动力传动系统和车辆
CN110329055A (zh) 一种混合动力车辆传动系统及汽车
CN218197905U (zh) 一种混合动力汽车驱动系统
CN110001371A (zh) 一种对置式双电机动力耦合自动变速器
CN217145626U (zh) 一种行星换挡双电机电驱动桥
CN116587836A (zh) 一种多挡混动驱动系统及驱动控制方法
CN207670178U (zh) 差动多模混合动力车辆驱动系统
CN214874180U (zh) 一种带轮边减速器双电机电驱动桥总成
CN114393982A (zh) 一种双电机电驱动桥
CN114953969A (zh) 一种混合动力车辆多档位驱动系统
CN221233466U (zh) 动力传动系统和车辆
CN112477570A (zh) 一种驱动合成装置以及电动车辆
CN217145627U (zh) 一种双电机电驱动桥
CN216833217U (zh) 一种利用行星轮系与定轴轮系的电动车辆两档变速机构

Legal Events

Date Code Title Description
PB01 Publication
PB01 Publication
SE01 Entry into force of request for substantive examination
SE01 Entry into force of request for substantive examination
GR01 Patent grant
GR01 Patent grant