CN114919441A - Charging device and method for new energy automobile - Google Patents
Charging device and method for new energy automobile Download PDFInfo
- Publication number
- CN114919441A CN114919441A CN202210371909.2A CN202210371909A CN114919441A CN 114919441 A CN114919441 A CN 114919441A CN 202210371909 A CN202210371909 A CN 202210371909A CN 114919441 A CN114919441 A CN 114919441A
- Authority
- CN
- China
- Prior art keywords
- charging
- air outlet
- box
- temperature sensor
- movable rod
- Prior art date
- Legal status (The legal status is an assumption and is not a legal conclusion. Google has not performed a legal analysis and makes no representation as to the accuracy of the status listed.)
- Withdrawn
Links
- 238000000034 method Methods 0.000 title claims abstract description 26
- 238000001816 cooling Methods 0.000 claims abstract description 61
- 238000005057 refrigeration Methods 0.000 claims abstract description 50
- 239000004065 semiconductor Substances 0.000 claims abstract description 50
- 230000017525 heat dissipation Effects 0.000 claims abstract description 27
- 239000002184 metal Substances 0.000 claims description 20
- 229910052751 metal Inorganic materials 0.000 claims description 20
- 238000012544 monitoring process Methods 0.000 claims description 15
- 229910045601 alloy Inorganic materials 0.000 claims description 11
- 239000000956 alloy Substances 0.000 claims description 11
- 125000006850 spacer group Chemical group 0.000 claims description 7
- 238000009413 insulation Methods 0.000 claims description 4
- 238000005520 cutting process Methods 0.000 claims description 2
- 230000005611 electricity Effects 0.000 claims 1
- 238000007789 sealing Methods 0.000 claims 1
- 239000003507 refrigerant Substances 0.000 abstract description 4
- 239000007789 gas Substances 0.000 description 72
- 238000010586 diagram Methods 0.000 description 23
- 238000004891 communication Methods 0.000 description 9
- 238000013461 design Methods 0.000 description 6
- 238000013021 overheating Methods 0.000 description 6
- 230000009471 action Effects 0.000 description 5
- 230000000694 effects Effects 0.000 description 4
- 230000000903 blocking effect Effects 0.000 description 3
- 239000000428 dust Substances 0.000 description 3
- 239000012535 impurity Substances 0.000 description 3
- 230000000630 rising effect Effects 0.000 description 3
- QVGXLLKOCUKJST-UHFFFAOYSA-N atomic oxygen Chemical compound [O] QVGXLLKOCUKJST-UHFFFAOYSA-N 0.000 description 2
- 238000009434 installation Methods 0.000 description 2
- 239000001301 oxygen Substances 0.000 description 2
- 229910052760 oxygen Inorganic materials 0.000 description 2
- XLYOFNOQVPJJNP-UHFFFAOYSA-N water Chemical compound O XLYOFNOQVPJJNP-UHFFFAOYSA-N 0.000 description 2
- 238000007792 addition Methods 0.000 description 1
- 230000032683 aging Effects 0.000 description 1
- 238000005452 bending Methods 0.000 description 1
- 230000009286 beneficial effect Effects 0.000 description 1
- 230000008859 change Effects 0.000 description 1
- 238000006243 chemical reaction Methods 0.000 description 1
- 239000000084 colloidal system Substances 0.000 description 1
- 230000007812 deficiency Effects 0.000 description 1
- 230000002950 deficient Effects 0.000 description 1
- 238000001514 detection method Methods 0.000 description 1
- 238000005516 engineering process Methods 0.000 description 1
- 230000006870 function Effects 0.000 description 1
- 230000005484 gravity Effects 0.000 description 1
- 239000004519 grease Substances 0.000 description 1
- 238000010438 heat treatment Methods 0.000 description 1
- 230000010354 integration Effects 0.000 description 1
- 238000012986 modification Methods 0.000 description 1
- 230000004048 modification Effects 0.000 description 1
- 229910052759 nickel Inorganic materials 0.000 description 1
- 238000005457 optimization Methods 0.000 description 1
- 229920001296 polysiloxane Polymers 0.000 description 1
- 230000001737 promoting effect Effects 0.000 description 1
- 239000007787 solid Substances 0.000 description 1
- 230000007480 spreading Effects 0.000 description 1
- 238000003892 spreading Methods 0.000 description 1
- 238000003860 storage Methods 0.000 description 1
- 238000006467 substitution reaction Methods 0.000 description 1
- 238000009423 ventilation Methods 0.000 description 1
Images
Classifications
-
- B—PERFORMING OPERATIONS; TRANSPORTING
- B60—VEHICLES IN GENERAL
- B60L—PROPULSION OF ELECTRICALLY-PROPELLED VEHICLES; SUPPLYING ELECTRIC POWER FOR AUXILIARY EQUIPMENT OF ELECTRICALLY-PROPELLED VEHICLES; ELECTRODYNAMIC BRAKE SYSTEMS FOR VEHICLES IN GENERAL; MAGNETIC SUSPENSION OR LEVITATION FOR VEHICLES; MONITORING OPERATING VARIABLES OF ELECTRICALLY-PROPELLED VEHICLES; ELECTRIC SAFETY DEVICES FOR ELECTRICALLY-PROPELLED VEHICLES
- B60L53/00—Methods of charging batteries, specially adapted for electric vehicles; Charging stations or on-board charging equipment therefor; Exchange of energy storage elements in electric vehicles
- B60L53/30—Constructional details of charging stations
- B60L53/31—Charging columns specially adapted for electric vehicles
-
- B—PERFORMING OPERATIONS; TRANSPORTING
- B60—VEHICLES IN GENERAL
- B60L—PROPULSION OF ELECTRICALLY-PROPELLED VEHICLES; SUPPLYING ELECTRIC POWER FOR AUXILIARY EQUIPMENT OF ELECTRICALLY-PROPELLED VEHICLES; ELECTRODYNAMIC BRAKE SYSTEMS FOR VEHICLES IN GENERAL; MAGNETIC SUSPENSION OR LEVITATION FOR VEHICLES; MONITORING OPERATING VARIABLES OF ELECTRICALLY-PROPELLED VEHICLES; ELECTRIC SAFETY DEVICES FOR ELECTRICALLY-PROPELLED VEHICLES
- B60L53/00—Methods of charging batteries, specially adapted for electric vehicles; Charging stations or on-board charging equipment therefor; Exchange of energy storage elements in electric vehicles
- B60L53/10—Methods of charging batteries, specially adapted for electric vehicles; Charging stations or on-board charging equipment therefor; Exchange of energy storage elements in electric vehicles characterised by the energy transfer between the charging station and the vehicle
- B60L53/14—Conductive energy transfer
- B60L53/16—Connectors, e.g. plugs or sockets, specially adapted for charging electric vehicles
-
- B—PERFORMING OPERATIONS; TRANSPORTING
- B60—VEHICLES IN GENERAL
- B60L—PROPULSION OF ELECTRICALLY-PROPELLED VEHICLES; SUPPLYING ELECTRIC POWER FOR AUXILIARY EQUIPMENT OF ELECTRICALLY-PROPELLED VEHICLES; ELECTRODYNAMIC BRAKE SYSTEMS FOR VEHICLES IN GENERAL; MAGNETIC SUSPENSION OR LEVITATION FOR VEHICLES; MONITORING OPERATING VARIABLES OF ELECTRICALLY-PROPELLED VEHICLES; ELECTRIC SAFETY DEVICES FOR ELECTRICALLY-PROPELLED VEHICLES
- B60L53/00—Methods of charging batteries, specially adapted for electric vehicles; Charging stations or on-board charging equipment therefor; Exchange of energy storage elements in electric vehicles
- B60L53/30—Constructional details of charging stations
- B60L53/302—Cooling of charging equipment
-
- Y—GENERAL TAGGING OF NEW TECHNOLOGICAL DEVELOPMENTS; GENERAL TAGGING OF CROSS-SECTIONAL TECHNOLOGIES SPANNING OVER SEVERAL SECTIONS OF THE IPC; TECHNICAL SUBJECTS COVERED BY FORMER USPC CROSS-REFERENCE ART COLLECTIONS [XRACs] AND DIGESTS
- Y02—TECHNOLOGIES OR APPLICATIONS FOR MITIGATION OR ADAPTATION AGAINST CLIMATE CHANGE
- Y02T—CLIMATE CHANGE MITIGATION TECHNOLOGIES RELATED TO TRANSPORTATION
- Y02T90/00—Enabling technologies or technologies with a potential or indirect contribution to GHG emissions mitigation
- Y02T90/10—Technologies relating to charging of electric vehicles
- Y02T90/16—Information or communication technologies improving the operation of electric vehicles
Landscapes
- Engineering & Computer Science (AREA)
- Power Engineering (AREA)
- Transportation (AREA)
- Mechanical Engineering (AREA)
- Cooling Or The Like Of Electrical Apparatus (AREA)
Abstract
本申请提供一种用于新能源汽车的充电装置及方法,装置包括箱体、枪体和管体三部分,管体设有冷却制容纳腔、气体通道和线体通道。本装置工作时,外部空气在吸风机的负压作用下进入气体通道,半导体制冷片的冷端通过热交换为气体通道内的空气降温,冷空气进入箱体内与散热元件进行热交换后排出装置外部,达到散热降温目的。本申请在使用空间受限的情况下,将传统风冷系统在箱体的占用空间转移至管体,充分利用管体的可用空间,为外部空气提供足够长的冷却通道,从而获取低温气体,制冷效率高的同时节约占地空间。本方案无需借助任何制冷剂,安全无污染的同时制冷速度快且安全可控,半导体制冷片超大的温差范围完全能够满足家用充电装置的散热需求。
The present application provides a charging device and method for a new energy vehicle. The device includes three parts: a box body, a gun body and a tube body. The tube body is provided with a cooling chamber, a gas channel and a wire channel. When the device is in operation, the outside air enters the gas channel under the negative pressure of the suction fan, the cold end of the semiconductor refrigerating sheet cools the air in the gas channel through heat exchange, and the cold air enters the box for heat exchange with the cooling element and then is discharged from the device External, to achieve the purpose of heat dissipation and cooling. In the case of limited use space, the application transfers the occupied space of the traditional air cooling system in the box to the tube body, makes full use of the available space of the tube body, and provides a long enough cooling channel for the outside air, so as to obtain low-temperature gas, The cooling efficiency is high and the floor space is saved. This solution does not need any refrigerant, and is safe and pollution-free, and the cooling speed is fast and safe and controllable. The large temperature difference range of the semiconductor refrigeration sheet can fully meet the heat dissipation requirements of household charging devices.
Description
技术领域technical field
本发明涉及新能源汽车技术领域,尤其涉及一种用于新能源汽车的充电装置及方法。The invention relates to the technical field of new energy vehicles, in particular to a charging device and method for new energy vehicles.
背景技术Background technique
充电桩按照安装地点可分为公共充电桩和专用充电桩,公共充电桩通常为社会车辆提供公共充电服务,专用充电桩通常安装于居民小区的地下停车场,为用户私人使用。由于居民区的地下停车场空间紧凑,因此,专用充电桩一般不单独设置支撑结构,而是借助于墙体或工程柱来固定充电桩的箱体结构。充电桩在供电时,其内部的充电模块、通信模块、控制器、继电器等散热单元会持续输出热量,相对密封的箱体结构仅依靠金属壳体难以将热量及时排出,尤其是与墙体或工程柱接触的一侧,其附近区域的温度将急剧上升,带来安全隐患。加之地下停车场空气流通性差、空间受限等因素,使得专用充电桩的散热手段受到严重制约,散热难度进一步增加。Charging piles can be divided into public charging piles and special charging piles according to the installation location. Public charging piles usually provide public charging services for social vehicles, and special charging piles are usually installed in underground parking lots of residential areas for private use by users. Due to the compact space of underground parking lots in residential areas, special charging piles generally do not have a separate support structure, but use walls or engineering columns to fix the box structure of the charging piles. When the charging pile is supplying power, its internal charging modules, communication modules, controllers, relays and other cooling units will continuously output heat. On the side where the engineering column is in contact, the temperature of the nearby area will rise sharply, bringing safety hazards. Coupled with factors such as poor air circulation and limited space in the underground parking lot, the heat dissipation methods of dedicated charging piles are severely restricted, and the difficulty of heat dissipation is further increased.
居民区的地下停车场,车辆集中且靠近生活区域,一旦出现安全隐患将带来不可估量的经济损失,且危及人身安全,可见,针对居民区地下停车场这一特殊场景,急需设计一种散热效率高且空间占用量低的充电桩。In the underground parking lot of residential areas, vehicles are concentrated and close to the living area. Once there is a safety hazard, it will bring immeasurable economic losses and endanger personal safety. It can be seen that for the special scene of the underground parking lot in residential areas, it is urgent to design a cooling system. High-efficiency and low-space-consuming charging piles.
发明内容SUMMARY OF THE INVENTION
本发明针对现有技术的不足,提供一种用于新能源汽车的充电装置及方法,以克服现有技术散热效率低,占用空间大的技术问题。Aiming at the deficiencies of the prior art, the present invention provides a charging device and method for a new energy vehicle, so as to overcome the technical problems of low heat dissipation efficiency and large space occupation in the prior art.
本发明是通过如下技术方案实现的,本申请提供一种用于新能源汽车的充电装置,包括安装于墙体上的箱体、枪体,连接于所述箱体和所述枪体之间的管体,以及设置于所述箱体内部的主控制器,所述管体沿径向依次设置有冷却制容纳腔、气体通道和线体通道,其中,所述气体通道和所述线体通道与所述箱体相连通,所述气体通道的进气端设置于靠近所述枪体的一侧,所述气体通道的出气端设置于所述箱体与所述管体的连接处,所述线体通道安装有连接所述箱体和所述枪体的充电线,所述冷却制容纳腔内排布有多个半导体制冷片,所述半导体制冷片的冷端贴附于所述冷却制容纳腔和所述气体通道之间的金属隔片上,所述半导体制冷片的热端表面贴附有导热片,靠近所述墙体的箱体侧面贯穿设置有容纳凹槽,所述容纳凹槽内同向排布有多个金属散热片,所述容纳凹槽内还设有吸风机和对应的出风口,所述主控制器与所述箱体内置的充电模块、所述半导体制冷片和所述吸风机电连接。The present invention is achieved through the following technical solutions. The present application provides a charging device for a new energy vehicle, comprising a box body and a gun body mounted on a wall and connected between the box body and the gun body The tube body, and the main controller arranged inside the box body, the tube body is radially provided with a cooling chamber, a gas channel and a wire body channel in sequence, wherein the gas channel and the wire body The channel is communicated with the box body, the gas inlet end of the gas channel is arranged on the side close to the gun body, and the gas outlet end of the gas channel is arranged at the connection between the box body and the pipe body, The wire body channel is installed with a charging wire connecting the box body and the gun body, a plurality of semiconductor refrigeration sheets are arranged in the cooling system accommodating cavity, and the cold end of the semiconductor refrigeration sheet is attached to the On the metal spacer between the cooling accommodating cavity and the gas channel, a heat-conducting sheet is attached to the hot end surface of the semiconductor refrigeration sheet, and an accommodating groove is provided through the side of the box close to the wall. A plurality of metal heat sinks are arranged in the same direction in the groove, a suction fan and a corresponding air outlet are also arranged in the receiving groove, the main controller, the charging module built in the box, the semiconductor refrigeration The sheet is electrically connected to the suction fan.
优选的,所述冷却制容纳腔远离所述气体通道的一侧设置有多个进风孔,所述冷却制容纳腔与所述箱体的连接处设置有出风孔,所述出风口包括通过连接板连接的第一出风口和第二出风口,所述箱体内沿靠近所述冷却制容纳腔的一侧设有绝热板,所述第一出风口与所述出风孔通过所述绝热板相联通。Preferably, a plurality of air inlet holes are provided on the side of the cooling system accommodating cavity away from the gas channel, and an air outlet hole is provided at the connection between the cooling system accommodating cavity and the box body, and the air outlet includes A first air outlet and a second air outlet are connected by a connecting plate, a heat insulating plate is provided in the box along the side close to the cooling chamber, and the first air outlet and the air outlet pass through the Insulation boards are connected.
优选的,所述气体通道内部沿轴向设置有螺旋形导流板。Preferably, a helical baffle is arranged inside the gas channel along the axial direction.
优选的,所述出风口的上端自上而下依次设置有电磁铁和挡板,所述挡板包括相互垂直连接的滑动端和磁吸端,所述出风口的两侧设置有滑槽,所述滑动端与所述滑槽滑动连接,所述滑动端的长度与所述出风口的长度相匹配,所述磁吸端的宽度大于所述滑槽的宽度,所述电磁铁与所述主控制器电连接,所述磁吸端与所述电磁铁磁性连接。Preferably, the upper end of the air outlet is provided with an electromagnet and a baffle plate in sequence from top to bottom, the baffle plate includes a sliding end and a magnetic suction end that are vertically connected to each other, and two sides of the air outlet are provided with sliding grooves, The sliding end is slidably connected with the chute, the length of the sliding end matches the length of the air outlet, the width of the magnetic end is greater than the width of the chute, the electromagnet is connected to the main control The magnetic suction end is magnetically connected with the electromagnet.
优选的,所述箱体内还设置有与所述主控制器电连接的第一温度传感器和第二温度传感器,所述第一温度传感器设置于所述出气端处,所述第二温度传感器设置于所述出风口处。Preferably, a first temperature sensor and a second temperature sensor that are electrically connected to the main controller are further arranged in the box, the first temperature sensor is arranged at the gas outlet, and the second temperature sensor is arranged at the air outlet.
优选的,所述箱体内还设置有与所述主控制器电连接的第三温度传感器,所述第三温度传感器贴附于主散热元件的表面。Preferably, a third temperature sensor electrically connected to the main controller is further provided in the box, and the third temperature sensor is attached to the surface of the main heat dissipation element.
优选的,所述枪体包括线体连接端和车体连接端,所述充电线包括与所述线体连接端相连接的第一充电线以及与所述车体连接端相连接的第二充电线,所述线体连接端设有纵向的定位板,所述定位板横向贯穿有定位槽,所述定位槽的接入端固定连接所述第一充电线,所述定位槽的输出端连接过热保护装置,所述过热保护装置包括与所述定位槽的输出端垂直连接的限位滑道,与所述限位滑道滑动连接的连通块,所述连通块与所述第二充电线相连接,所述限位滑道的另一侧安装有固定块,所述固定块与第一活动杆铰接,所述第一活动杆的另一端与第二活动杆的中心位置铰接,所述第二活动杆的两端分别与第三活动杆和连通块铰接,所述第三活动杆远离所述线体连接端的一侧固定有膨胀件,所述膨胀件包括依次连接第一连接柱、热膨胀合金和第二连接柱,所述第一连接柱的另一端与所述枪体的侧壁相连接,第二连接柱的另一端与所述第三活动杆相连接,所述枪体的顶部还设有开口,正常工作状态下,所述第二活动杆处于水平状态,所述第三活动杆与所述开口密封连接。Preferably, the gun body includes a wire body connection end and a vehicle body connection end, and the charging cable includes a first charging wire connected to the wire body connection end and a second charging wire connected to the vehicle body connection end A charging cable, the connecting end of the cable body is provided with a vertical positioning plate, the positioning plate is transversely penetrated with a positioning slot, the access end of the positioning slot is fixedly connected to the first charging cable, and the output end of the positioning slot is An overheating protection device is connected, the overheating protection device includes a limit slideway vertically connected to the output end of the positioning groove, a communication block slidably connected with the limiter slideway, and the communication block is connected to the second charging A fixed block is installed on the other side of the limit slide, the fixed block is hinged with the first movable rod, and the other end of the first movable rod is hinged with the center position of the second movable rod, so Both ends of the second movable rod are hinged with the third movable rod and the communication block respectively, and an expansion piece is fixed on the side of the third movable rod away from the connecting end of the wire body, and the expansion piece comprises sequentially connecting the first connecting columns. , thermal expansion alloy and a second connecting column, the other end of the first connecting column is connected with the side wall of the gun body, the other end of the second connecting column is connected with the third movable rod, the gun body There is also an opening at the top of the hood. Under normal working conditions, the second movable rod is in a horizontal state, and the third movable rod is sealedly connected to the opening.
本发明还提供一种上述所述的充电装置的充电方法,所述方法包括:The present invention also provides a charging method for the above-mentioned charging device, the method comprising:
检测充电模块是否处于通电状态;Detect whether the charging module is powered on;
当所述充电模块处于通电状态时,启动半导体制冷片和吸风机。When the charging module is in a power-on state, the semiconductor refrigeration chip and the suction fan are activated.
优选的,所述方法还包括:Preferably, the method further includes:
获取第一温度传感器的监测温度T1和第二温度传感器的监测温度T2;Obtain the monitoring temperature T1 of the first temperature sensor and the monitoring temperature T2 of the second temperature sensor;
当T1>t1时,提高半导体制冷片的输入功率;When T1>t1, increase the input power of the semiconductor refrigeration chip;
当T1≤t1且T2>t2时,提高吸风机转速;When T1≤t1 and T2>t2, increase the speed of the suction fan;
当T1>t3且T2>t3时,切断所述充电模块的供电,其中,所述t1为低温阈值,t2为高温阈值,t3为预警阈值。When T1>t3 and T2>t3, the power supply of the charging module is cut off, wherein t1 is a low temperature threshold, t2 is a high temperature threshold, and t3 is an early warning threshold.
优选的,所述方法还包括:Preferably, the method further includes:
获取第三温度传感器的监测温度T3;Obtain the monitoring temperature T3 of the third temperature sensor;
当T1、T2、T3均大于t4时,切断充电模块和电磁铁的供电,其中,所述t4为火险预警温度。When T1, T2, and T3 are all greater than t4, the power supply of the charging module and the electromagnet is cut off, wherein t4 is the fire warning temperature.
本发明实施例提供的技术方案可以包含以下有益效果:The technical solutions provided by the embodiments of the present invention may include the following beneficial effects:
为了解决现有充电装置散热效率低且占用空间大的技术问题,本申请提供了一种用于新能源汽车的充电装置,包括箱体、枪体和连接于二者之间的管体三部分,其中管体为本装置的关键部件,设有冷却制容纳腔、气体通道和线体通道,其中气体通道可通过进气端和出气端构成管体-箱体的气体通路;冷却制容纳腔可通过内置的半导体制冷片降低气体通道内的气体温度;线体通道可通过内部的充电线构成箱体-管体-枪体的电性通路。本装置工作时,主控制器启动吸风机和半导体制冷片,外部空气在吸风机的负压作用下进入气体通道,同时半导体制冷片的冷端可通过热交换为气体通道内的空气降温,冷空气进入箱体内与散热元件进行充分热交换后,自出风口排出装置外部,达到散热降温目的。本申请针对家用充电桩这一特殊应用场景,在使用空间受限的情况下,将传统风冷系统在箱体的占用空间转移至管体,充分利用管体的可用空间,为外部空气提供足够长的冷却通道,从而获取低温气体,制冷效率高的同时节约占地空间。另外,本方案充分利用半导体制冷片的制冷特性,无需借助任何制冷剂,安全无污染的同时制冷速度快且安全可控,超大的温差范围完全能够满足家用充电装置的散热需求。同时,箱体背面的容纳凹槽设计可进一步压缩可用空间,设置于其中的金属散热片不仅能够增强箱体背面的散热效率,同时可将系统置换出的热空气快速导流,离开箱体背面,避免热量聚集。In order to solve the technical problems of low heat dissipation efficiency and large space occupation of existing charging devices, the present application provides a charging device for new energy vehicles, which includes three parts: a box body, a gun body and a tube body connected between the two. , in which the tube body is the key component of the device, and is provided with a cooling system accommodating cavity, a gas channel and a wire body channel, wherein the gas channel can form a gas passage between the tube body and the box body through the inlet end and the gas outlet end; the cooling system accommodating cavity The temperature of the gas in the gas channel can be reduced by the built-in semiconductor refrigeration sheet; the wire channel can form an electrical path from the box body to the tube body to the gun body through the internal charging wire. When the device is working, the main controller starts the suction fan and the semiconductor refrigeration sheet, and the external air enters the gas channel under the action of the negative pressure of the suction fan. At the same time, the cold end of the semiconductor refrigeration sheet can cool the air in the gas passage through heat exchange. After the air enters the box and conducts sufficient heat exchange with the heat dissipation element, it is discharged from the air outlet to the outside of the device to achieve the purpose of heat dissipation and cooling. This application is aimed at the special application scenario of household charging piles. In the case of limited use space, the space occupied by the traditional air-cooling system in the box body is transferred to the tube body, and the available space of the tube body is fully utilized to provide sufficient external air. Long cooling channel, so as to obtain low-temperature gas, high cooling efficiency and space saving. In addition, this solution makes full use of the refrigeration characteristics of the semiconductor refrigeration sheet, without any refrigerant, it is safe and pollution-free, while the refrigeration speed is fast and safe and controllable, and the large temperature difference range can fully meet the heat dissipation requirements of household charging devices. At the same time, the design of the accommodating groove on the back of the box can further compress the available space, and the metal heat sink arranged in it can not only enhance the heat dissipation efficiency of the back of the box, but also quickly divert the hot air replaced by the system and leave the back of the box. , to avoid heat build-up.
附图说明Description of drawings
为了更清楚的说明本发明实施例或现有技术中的技术方案,下面将对实施例或现有技术描述中所需要使用的附图作简单介绍,显而易见的,对于本领域技术人员而言,在不付出创造性劳动的前提下,还可以根据这些附图获得其他的附图。In order to more clearly illustrate the embodiments of the present invention or the technical solutions in the prior art, the following briefly introduces the accompanying drawings that need to be used in the description of the embodiments or the prior art. Obviously, for those skilled in the art, On the premise of no creative work, other drawings can also be obtained from these drawings.
图1为本发明实施例提供的一种新能源汽车充电装置的结构示意图;FIG. 1 is a schematic structural diagram of a new energy vehicle charging device according to an embodiment of the present invention;
图2为本发明实施例提供的一种管体的结构示意图;2 is a schematic structural diagram of a pipe body provided by an embodiment of the present invention;
图3为本发明实施例提供的一种箱体背面的结构示意图;3 is a schematic structural diagram of the back of a box body provided by an embodiment of the present invention;
图4为本发明实施例提供的另一种新能源汽车充电装置的结构示意图;FIG. 4 is a schematic structural diagram of another new energy vehicle charging device according to an embodiment of the present invention;
图5为本发明实施例提供的一种气体通道的结构示意图;5 is a schematic structural diagram of a gas channel provided by an embodiment of the present invention;
图6为本发明实施例提供的一种出风口的结构示意图;6 is a schematic structural diagram of an air outlet provided by an embodiment of the present invention;
图7为本发明实施例提供的一种主控制器连接示意图;FIG. 7 is a schematic diagram of connection of a main controller according to an embodiment of the present invention;
图8为本发明实施例提供的一种枪体的通电状态结构示意图;8 is a schematic structural diagram of a power-on state of a gun body according to an embodiment of the present invention;
图9为本发明实施例提供的一种枪体的断电状态结构示意图;9 is a schematic structural diagram of a power-off state of a gun body according to an embodiment of the present invention;
图10为本发明实施例提供的一种枪体的过热保护装置的结构示意图;10 is a schematic structural diagram of an overheat protection device for a gun body according to an embodiment of the present invention;
图11为本发明实施例提供的一种枪体的通电状态的剖面结构示意图;11 is a schematic cross-sectional structural diagram of a gun body in an energized state according to an embodiment of the present invention;
图12为本发明实施例提供的一种枪体的断电状态的剖面结构示意图;12 is a schematic cross-sectional structural diagram of a gun body in a power-off state according to an embodiment of the present invention;
图13为本发明实施例提供的第一种充电方法的流程图;13 is a flowchart of a first charging method provided by an embodiment of the present invention;
图14为本发明实施例提供的第二种充电方法的流程图;14 is a flowchart of a second charging method provided by an embodiment of the present invention;
图15为本发明实施例提供的第三种充电方法的流程图;15 is a flowchart of a third charging method provided by an embodiment of the present invention;
图中所示:Shown in the picture:
1-箱体、2-枪体、3-管体、4-主控制器;1-box body, 2-gun body, 3-tube body, 4-main controller;
11-容纳凹槽、12-金属散热片、13-吸风机、14-出风口、15-连接板、16-绝热板、21-充电线、22-线体连接端、23-车体连接端、25-开口、31-冷却制容纳腔、32-气体通道、33-线体通道、34-半导体制冷片、35-金属隔片、36-导热片;11-Accommodating groove, 12-Metal heat sink, 13-Suction fan, 14-Air outlet, 15-Connecting plate, 16-Insulation plate, 21-Charging cable, 22-Wire body connection end, 23-Car body connection end , 25-opening, 31-cooling accommodating cavity, 32-gas channel, 33-wire channel, 34-semiconductor refrigeration sheet, 35-metal spacer, 36-conductive sheet;
141-第一出风口、142-第二出风口、143-电磁铁、144-挡板、145-滑槽、171-第一温度传感器、172-第二温度传感器、173-第三温度传感器、211-第一充电线、212-第二充电线、221-定位板、222-定位槽、241-限位滑道、242-连通块、243-固定块、244-第一活动杆、245-第二活动杆、246-第三活动杆、247-膨胀件、311-进风孔、312-出风孔、321-进气端、322-出气端、323-螺旋形导流板;141-First air outlet, 142-Second air outlet, 143-Electromagnet, 144-Baffle plate, 145-Chute, 171-First temperature sensor, 172-Second temperature sensor, 173-Third temperature sensor, 211-First charging cable, 212-Second charging cable, 221-Locating plate, 222-Locating slot, 241-Limiting slideway, 242-Connecting block, 243-Fixing block, 244-First movable rod, 245- The second movable rod, 246-the third movable rod, 247-expansion piece, 311-air inlet hole, 312-air outlet hole, 321-air inlet end, 322-air outlet end, 323-spiral deflector;
1441-滑动端、1442-磁吸端、2221-接入端、2222-输出端、2471-第一连接柱、2472-热膨胀合金、2473-第二连接柱。1441-Sliding end, 1442-Magnetic end, 2221-Access end, 2222-Output end, 2471-First connection post, 2472- Thermal expansion alloy, 2473-Second connection post.
具体实施方式Detailed ways
为了使本技术领域的人员更好地理解本发明中的技术方案,下面将对本发明实施例中的技术方案进行清楚、完整地描述,显然,所描述的实施例仅仅是本发明一部分实施例,而不是全部的实施例。基于本发明中的实施例,本领域技术人员在没有做出创造性劳动前提下所获得的所有其他实施例,都应当属于本发明的保护范围。In order to make those skilled in the art better understand the technical solutions of the present invention, the technical solutions in the embodiments of the present invention will be described clearly and completely below. Obviously, the described embodiments are only a part of the embodiments of the present invention, not all examples. Based on the embodiments of the present invention, all other embodiments obtained by those skilled in the art without creative work shall fall within the protection scope of the present invention.
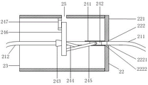
现有技术的散热方式无法调和散热效率和占用空间的矛盾,因此,针对家用充电桩这一特殊应用场景,本申请提供了一种用于新能源汽车的充电装置,请参考图1,所示为本发明实施例提供的一种新能源汽车充电装置的结构示意图。由图1可见,本装置主要包括箱体1、枪体2和管体3三大组成部分。箱体1通常具有金属外壳结构,内设有电源模块、电路主板、开关等模块,电路主板上集成设置有充电子模块、通信子模块、继电器、功能电容、电阻等模块和电子元件,是充电装置主要的发热区域。本申请将箱体1安装于停车场的墙体上,可以是实体墙,也可以是工程柱的墙体,以便节约占用空间,同时避免多余结构影响车辆停放,造成意外剐蹭的情况。枪体2是本装置与车辆对接的一端,使用时,枪体2可以直接安装在车辆的充电口处,接通电源后自动充电。The heat dissipation methods in the prior art cannot reconcile the contradiction between heat dissipation efficiency and space occupation. Therefore, for the special application scenario of household charging piles, the present application provides a charging device for new energy vehicles. Please refer to FIG. 1 , as shown in FIG. A schematic structural diagram of a charging device for a new energy vehicle provided by an embodiment of the present invention. It can be seen from Figure 1 that the device mainly includes three components: a box body 1, a
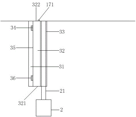
本实施例中,管体3与箱体1的正面(远离墙体的一面)相连接,最大幅度提升冷空气的热交换空间。管体3为本申请特殊设计的关键部件,一方面其内部的充电线21可将箱体1和枪体2电性联通,另一方面,本装置主要通过风冷系统辅助箱体1进行散热,管体3可作为风冷系统的进气源提供源源不断的低温气体。请参考图2,所示为本发明实施例提供的一种管体的结构示意图。由图2可见,管体3沿径向依次有冷却制容纳腔31、气体通道32和线体通道33。冷却制容纳腔31用于降低气体通道32内的气体温度;气体通道32可通过靠近枪体2一侧的进气端321和设置于与所述管体3连接处的出气端322构成箱体-管体的气体通路;线体通道33可通过内部的充电线21构成箱体-管体-枪体的电性通路。冷却制容纳腔31和气体通道32之间可通过金属隔片35隔离,气体通道32和线体通道33之间可通过软胶体隔离。本申请其他实施例中,气体通道32和线体通道33也可以融合为一个共用通道,气体和线体均可以通过该通道进去箱体1。但是考虑到气体可能携带的水蒸气、灰尘等杂质会污染腐蚀充电线21,因此,本实施例将气体通道32和线体通道33进行单独隔离设置。In this embodiment, the
具体的,所述冷却制容纳腔31内排布有多个半导体制冷片34,所述半导体制冷片34的冷端通过导热硅脂贴附于所述冷却制容纳腔31和所述气体通道32之间的金属隔片35上,所述半导体制冷片34的热端表面贴附有导热片36。当电流通过半导体制冷片34时,半导体制冷片34的两端即可分别吸收热量和放出热量,将其冷端贴附于金属隔片35上,可与气体通道32内的空气进行热交换,从而实现制冷的目的。半导体制冷片34不需要任何制冷剂辅助,无污染源,可连续工作且制冷速度快,另外,半导体制冷片34的温差范围大,90℃-130℃均可实现,完全可以满足家用充电装置的散热需求。另外,本实施例中,也可以通过将多个半导体制冷片34组合成电堆,再将电堆进行串、并联组合成制冷系统,从而进一步提升其制冷效率。另外,也可以通过软性胶体替代一部分金属隔片35,以便管体3的弯折和存放。Specifically, a plurality of
此外,请参考图3,所示为本发明实施例提供的一种箱体背面的结构示意图。由图3可见,在靠近所述墙体的箱体1的侧面还贯穿设置有容纳凹槽11,所述容纳凹槽11内同向排布有多个金属散热片12,所述容纳凹槽11内还设有吸风机13和对应的出风口14。本实施例可通过吸风机13为箱体1提供负压,引导空气自气体通道32的进气端321进入系统,经过气体通道32的冷却降温后,冷空气进入箱体1内部与散热元件进行热交换,再从箱体1背面的出风口14处排出装置外部,形成气体通道-箱体本体-出风口的气流通道。同时,经过气体通道32的冷却降温后,冷空气还能够为线体通道33内的充电线21进行适当降温,以免装置长时间处于充电状态下,充电线21过热造成老化甚至漏电、起火的风险。本实施例设置的容纳凹槽11,可充分利用箱体空间,同时凹陷设计不会影响箱体1与墙面安装的稳定性。容纳凹槽11既是金属散热片12和吸风机13的容纳部件,同时也是气体的导流部件,其中设置的金属散热片12一方面能够增加箱体1背面(即靠近墙体的一面)的散热面积,增强其散热效率;另一方面,由于金属散热片12的延伸方向与容纳凹槽11的延伸方向相同,自出风口14排出的热空气可以沿着金属散热片12之间的间隙快速溢出,金属散热片12还起到了不错的气体导流效果。In addition, please refer to FIG. 3 , which is a schematic structural diagram of the back of a box according to an embodiment of the present invention. As can be seen from FIG. 3 , a receiving
此外,本装置还在箱体1内部设有主控制器4,主控制器4可通过所述箱体1内置的充电模块(图中未示出)检测枪体2与新能源车体的通电状态,所述主控制器4还分别与所述半导体制冷片34、所述吸风机13电连接,可根据枪体2的通电状态和/或箱体1的内部温度来控制半导体制冷片34和吸风机13的启动、关闭,以及功率大小等,从而根据实际需求改变系统的制冷效率。本方案其他实施例中,也可以通过主控制器4或者设置分控制器来单独控制每一个半导体制冷片34的启停和功率,从而进一步精准控温,但是结构复杂,可根据实际需求灵活选择装配方案。主控制器4可集成于箱体1内的电路主板上,以提高系统集成度。本申请优选实施例中,主控制器4单独设置于箱体1内远离电路主板的位置,避免由于电路主板及附近温度过高而影响本装置的主要控制单元。In addition, the device is also provided with a
另外,半导体制冷片具有通过改变通电电流方向实现冷热端相互转换的特性,本申请优选实施例可充分利用该特性,在冬季气温较低时,通过主控制器4将半导体制冷片34的冷热端互换,从而为进入气体通道32的空气进行加热,热空气进入箱体1,可提高箱体1内部电子元件的工作温度,避免极低温度影响本装置的充电效率。该方案的结构与上述实施例基本一致,在电流方向上进行调整,这里不再赘述。In addition, the semiconductor refrigeration chip has the characteristic of realizing the mutual conversion of cold and hot ends by changing the direction of the current. The preferred embodiment of the present application can make full use of this characteristic. The hot ends are exchanged, so as to heat the air entering the
本装置设置有箱体1、枪体2和连接于二者之间的管体3三部分,其中管体3为本装置的关键部件,设有冷却制容纳腔31、气体通道32和线体通道33,其中气体通道32可通过进气端321和出气端322构成管体-箱体的气体通路;冷却制容纳腔31可通过内置的半导体制冷片34降低气体通道32内的气体温度;线体通道33可通过内部的充电线21构成箱体-管体-枪体的电性通路。本装置工作时,主控制器4启动吸风机13和半导体制冷片34,外部空气在吸风机13的负压作用下进入气体通道32,同时半导体制冷片34的冷端可通过热交换为气体通道32内的空气降温,冷空气进入箱体1内与散热元件进行充分热交换后,自出风口14排出装置外部,达到散热降温目的。本申请针对家用充电桩这一特殊应用场景,在使用空间受限的情况下,将传统风冷系统在箱体的占用空间转移至管体,充分利用管体3的可用空间,为外部空气提供足够长的冷却通道,从而获取低温气体,制冷效率高的同时节约占地空间。另外,本方案充分利用半导体制冷片的制冷特性,无需借助任何制冷剂,安全无污染的同时制冷速度快且安全可控,超大的温差范围完全能够满足家用充电装置的散热需求。同时,箱体1背面的容纳凹槽11设计可进一步压缩可用空间,设置于其中的金属散热片12不仅能够增强箱体1背面的散热效率,同时可将系统置换出的热空气快速导流,离开箱体1背面,避免热量聚集。The device is provided with three parts: a box body 1, a
半导体制冷片34热端的温度过高则容易影响其冷端的制冷效果。本方案可通过热端表面贴附的导热片36将热量传导至冷却制容纳腔31内部,但是冷却制容纳腔31内部空间有限且气体流通性较差,热量难以及时排出。针对以上情况,本申请优选实施例中,可单独设置一条气流通道,促进冷却制容纳腔31内的气体流通。具体的,请参考图4,所示为本发明实施例提供的另一种新能源汽车充电装置的结构示意图。由图4可见,所述冷却制容纳腔31远离所述气体通道32的一侧设置有多个进风孔311,所述冷却制容纳腔31与所述箱体1的连接处设置有出风孔312,所述出风口14包括通过连接板15连接的第一出风口141和第二出风口142,所述箱体1内沿靠近所述冷却制容纳腔31的一侧设有绝热板16,所述第一出风口141与所述出风孔312通过所述绝热板16相联通。本实施例通过绝热板16将箱体1分离为两个独立的气流通道,其一是冷却制容纳腔31-出风孔312-第一出风口141形成的热空气流通通道;其二是气体通道32-出气端322-第二出风口142形成的冷空气流通通道,二者通过绝热板16形成物理隔离和热量隔离。具体的,在吸风机13的引力作用下,外界空气自进风孔311进入冷却制容纳腔31,将其中的热空气自出风孔312带入热空气流通通道,最后自第一出风口141排出系统之外。本实施例充分利用吸风机13的负压作用,促进冷却制容纳腔31内部的气体流动,能够有效将其中的热空气排出,从而提高其冷端的制冷效果。If the temperature of the hot end of the
进一步的,本申请优选实施例中,为了进一步提高制冷效率,可延长空气在气体通道32内部的停留时间,具体的,请参考图5,所示为本发明实施例提供的一种气体通道的结构示意图。由图5可见,本实施例在气体通道32内部沿轴向设置有螺旋形导流板323,外部进入气体通道32内的气体可沿着螺旋形导流板323向出气端322运动,延长了空气在气体通道32内的停留时间,以及与半导体制冷片34冷端的热交换时间,从而进一步提高本装置的制冷效率。Further, in the preferred embodiment of the present application, in order to further improve the refrigeration efficiency, the residence time of the air in the
请参考图6,所示为本发明实施例提供的一种出风口的结构示意图。由图6可见,所述出风口14的上端自上而下依次设置有电磁铁143和挡板144,所述挡板144包括相互垂直连接的滑动端1441和磁吸端1442,所述出风口14的两侧设置有滑槽145,所述滑动端1441与所述滑槽145滑动连接,所述滑动端1441的长度与所述出风口14的长度相匹配,所述磁吸端1442的宽度大于所述滑槽145的宽度,所述电磁铁143与所述主控制器4电连接,所述磁吸端1442与所述电磁铁143磁性连接。本实施例通过电磁铁143和挡板144的设置,可实现出风口14的开合控制。当装置需要进行散热时,通过主控制器4控制电磁铁143通电吸引磁吸端1442,磁吸端1442带动滑动端1441沿着滑槽145向上移动,开启出风口14。当本装置处于非工作状态时,可通过切断电磁铁143电流,使得挡板144在重力作用下向下移动,遮挡出风口14,以免外界粉尘、杂质进入箱体1内部,影响其中电子元件的使用寿命。另外,本实施例中的出风口14开关设计,还能够在箱体1内出现意外着火时起到关键作用。由于本装置工作时直接与新能源车相连接,一旦箱体1内由于高温、短路等原因意外起火,火势很可能波及汽车本体,造成更大的经济损失。因此,当主控制器4检测到有箱体1内存在火源时,可立即通过电磁铁143和挡板144关闭出风口14,从而切断箱体1内部的空气流通,避免火势的进一步扩散。本实施例中,滑槽145为L形滑槽而非U形凹槽,其短边与出风口14外缘的箱体1内壁直接相连接,这样,挡板144能够直接与箱体1相接触,贴合程度更高,在非使用状态下和意外着火时的密封性更强。本申请优选实施例中,可在气体通道32的出气端322处设置膨胀橡胶、记忆金属等高温变形件,一旦箱体1着火,其内部急剧升高的气温可使其膨胀变形,封堵出气端322,这样,箱体1即可完全封闭为独立空间,隔绝外部空气后箱体1内处于缺氧状态,阻断火源进一步燃烧,避免火势蔓延至汽车本体。本实施例采用膨胀橡胶作为高温变形件,将带有多个小通孔的膨胀橡胶填充于出气端322,正常工作状态下,气体可通过通孔进入箱体1;当出现火情时,温度急剧升高,膨胀橡胶受热后,通孔被挤压封闭,从而封堵出气端322。Please refer to FIG. 6 , which is a schematic structural diagram of an air outlet according to an embodiment of the present invention. As can be seen from FIG. 6 , the upper end of the
进一步优化的,本装置还配置有与主控制器4相连的两个温度传感器(请参考图2、图3和图7),分别为设置于出气端322处的第一温度传感器171和设置于出风口14处的第二温度传感器172,第一温度传感器171用于监测进入箱体1的冷空气温度,第二温度传感器172用于监测排出箱体1的热空气温度。主控制器4实时监测第一温度传感器171和第二温度传感器172的温度数据,并根据二者的监测数据对半导体制冷片34和吸风机13的工作参数进行调节,确保箱体1内部温度保持在适宜范围内。比如,当第一温度传感器171的监测温度过高,说明半导体制冷片34的制冷效率不足,主控制器4可通过控制半导体制冷片34的启动数量、输入功率等参数进行调节;当第二温度传感器172的监测温度过高而第一温度传感器171的监测温度处于正常范围时,说明半导体制冷片34制冷效率较高,但气体流动性不足,冷空气无法高效置换箱体1内部热空气,此时,主控制器4可提高吸风机13的转速,从而促进箱体1内部的气体流通。另外,当遇到极端情况,如第一温度传感器171和第二温度传感器172长时间处于高温预警范围(如55℃-70℃)时,主控制器4可切断箱体1内充电模块电源,暂停供电,以减缓箱体1内温度攀升速度,从而缓解半导体制冷片34的制冷压力,待第一温度传感器171和第二温度传感器172的监测温度降低至高温预警范围以下时,主控制器4可恢复充电模块的供电功能。For further optimization, the device is also configured with two temperature sensors connected to the main controller 4 (please refer to FIG. 2 , FIG. 3 and FIG. 7 ), which are the
此外,本申请优选实施例中,所述箱体1内还设置有与所述主控制器4电连接的第三温度传感器173,请参考图7,所示为本发明实施例提供的一种主控制器连接示意图,所述第三温度传感器173贴附于主散热元件的表面(图中未示出)。本实施例中,主散热元件是箱体1内热量的主要来源,可以是散热元件,也可以是散热模块,如充电模块等,具体可具体实际情况确定。第三温度传感器173作为第一温度传感器171和第二温度传感器172的辅助传感器,能够在第一时间监测主要热源的发热情况。当第三温度传感器173的监测温度大幅升高时,箱体1内整体温度也将随之攀升。此时,主控制器4可根据第三温度传感器173的监测数据进行预判,提前对半导体制冷片34和吸风机13的运行参数进行调整。另外,当第一温度传感器171、第二温度传感器172和第三温度传感器173的监测温度同时达到火险预警温度(如85-95℃)时,表明箱体1可能已出现火情,此时,主控制器4控制箱体1内充电模块停止供电,同时控制电磁铁143断电,利用挡板144封闭出风口14,同时出气端322处的高温变形件受热膨胀封堵出气端322,使箱体1成为独立的密封箱体,火源在缺氧条件下自动熄灭,避免火势外延至新能源车体。此外,本申请优选实施例中,也可在出风孔312处设置高温变形件,在遇到火情时,可将热空气通道进行同步封堵。In addition, in the preferred embodiment of the present application, the box body 1 is further provided with a
枪体2是充电装置的重要组件之一,具有直接接触新能源车体的特殊性,因此,其内部散热的安全性也是需要重点关注的对象。通常情况下,枪体2内部空间十分有限且结构紧凑,不宜设计安装风冷系统、水冷系统等过于复杂的散热结构。本实施例可在枪体2与车体接触的一端设置细小的通风孔,气体通道32与枪体2的连接处设置一小型吸风机,将枪体2内的气体吸入气体通道32内,从而与箱体1的散热通道相连接,促进枪体2内气体流动进行散热。The
此外,本申请还可以在枪体2内设置一简单的过热保护装置,为车体安全提供进一步保障。具体的,请参考图8至图12,所示分别为本发明实施例提供的一种枪体的通电状态结构示意图、一种枪体的断电状态结构示意图、一种枪体的过热保护装置的结构示意图、一种枪体的通电状态的剖面结构示意图、以及一种枪体的断电状态的剖面结构示意图。由图8至图12可见,本实施例中,枪体2包括线体连接端22和车体连接端23,所述充电线21包括与所述线体连接端22相连接的第一充电线211以及与所述车体连接端23相连接的第二充电线212。所述线体连接端22设有纵向的定位板221,所述定位板221横向贯穿有定位槽222,所述定位槽222的接入端2221固定连接所述第一充电线211,所述定位槽222的输出端2222连接过热保护装置。具体的,所述过热保护装置包括与所述定位槽222的输出端垂直连接的限位滑道241,与所述限位滑道241滑动连接的连通块242,所述连通块242远离所述定位槽222的一端与第二充电线212相连接。所述限位滑道241的另一侧安装有固定块243,所述固定块243与第一活动杆244铰接,所述第一活动杆244的另一端与第二活动杆245的中心位置铰接,所述第二活动杆245的两端分别与第三活动杆246和连通块242铰接,所述第三活动杆246远离所述线体连接端22的一侧固定有膨胀件247,所述膨胀件247包括依次连接第一连接柱2471、热膨胀合金2472和第二连接柱2473,所述第一连接柱2471的另一端与所述枪体2的侧壁相连接,第二连接柱2473的另一端与所述第三活动杆246相连接,所述枪体2的顶部还设有开口25,正常工作状态下,所述第二活动杆245处于水平状态,所述第三活动杆246与所述开口25密封连接。In addition, in the present application, a simple overheating protection device can also be arranged in the
所述热膨胀合金2472为高热膨胀合金,在一定温度范围具有高的热膨胀系数,20-100℃膨胀系数一般≥15×10-6/℃,20-200℃膨胀系数一般≥17×10-6/℃。高热膨胀合金主要有FeNiMn系,FeNiCr系,MnNiCu系。本申请可以选择FeNiMn系高热膨胀合金,通过调整Fe、Ni、Mn的含量,调整热膨胀合金的膨胀系数。The
本实施例中过热保护装置的工作原理如下:在枪体2正常充电时(请参考图8和图11),连通块242通过限位滑道241滑动至定位槽222的输出端,使得第一充电线211与第二充电线212处于接通状态;当枪体2内部过热时(请参考图9和图12),热膨胀合金2472受热膨胀下移,通过第二连接柱2473带动第三活动杆246向下移动,第三活动杆246在固定块243和第一活动杆244的辅助作用下带动第二活动杆245的一端向下移动,使连通块242与第一充电线211断开连接,从而带动第二充电线212与第一充电线211断开连接,同时,由于第三活动杆246下移,使得开口25处于开放状态,枪体2内部的热空气能够顺着开口25快速排放至枪体2外部,从而降低枪体2内部温度。当枪体2内部温度恢复正常区间后,热膨胀合金2472恢复原状,带动着第三活动杆246上移,进一步推动第二活动杆245向线体连接端22移动,从而带动第二充电线212与第一充电线211恢复正常通电状态,同时,上移的第三活动杆246封堵开口25,可防止灰尘等杂质进入枪体2内部,影响线体散热。The working principle of the overheat protection device in this embodiment is as follows: when the
本实施例设计的过热保护装置不依赖主控制器4,无需借助复杂的动力源以及检测元件,能够从阻断热量来源和促进热量排放两个方面进行同步优化,即使在主控制器4受损的情况下,依然能够确保枪体2内部处于适宜的温度区间,为车体提供最后的安全保障。The overheating protection device designed in this embodiment does not depend on the
与本方案提出的充电装置相对应的,本申请优选实施例中,还提出一种充电方法。具体的,请参考图13,所示为本发明实施例提供的一种充电方法的流程图。由图13可见,本方法包括如下步骤:Corresponding to the charging device proposed in this solution, in a preferred embodiment of the present application, a charging method is also proposed. Specifically, please refer to FIG. 13 , which is a flowchart of a charging method provided by an embodiment of the present invention. As can be seen from Figure 13, this method includes the following steps:
步骤S11:检测充电模块是否处于通电状态;Step S11: Detecting whether the charging module is in a power-on state;
步骤S12:当所述充电模块处于通电状态时,启动半导体制冷片和吸风机。Step S12 : when the charging module is in a power-on state, start the semiconductor refrigeration chip and the suction fan.
本实施例中,主控制器可通过检测充电模块的电流来检测充电模块是否处于通电状态,或者,通过检测本充电装置充电开关的起合状态来判断充电模块的通电状态,通电状态下,充电模块及其他电子元件持续散热会导致箱体内温度升高,此时,主控制器可启动半导体制冷片和吸风机,为箱体散热。In this embodiment, the main controller can detect whether the charging module is in the power-on state by detecting the current of the charging module, or judge the power-on state of the charging module by detecting the on-off state of the charging switch of the charging device. In the power-on state, the charging The continuous heat dissipation of modules and other electronic components will cause the temperature in the box to rise. At this time, the main controller can start the semiconductor cooling chip and the suction fan to dissipate heat for the box.
请参考图14,所示为本发明实施例提供的第二种充电方法的流程图。由图14可见,本方法包括如下步骤:Please refer to FIG. 14 , which is a flowchart of a second charging method provided by an embodiment of the present invention. As can be seen from Figure 14, this method includes the following steps:
步骤S21:检测充电模块是否处于通电状态;Step S21: Detecting whether the charging module is in a power-on state;
步骤S22:当所述充电模块处于通电状态时,启动半导体制冷片和吸风机;Step S22: when the charging module is in the power-on state, start the semiconductor refrigeration chip and the suction fan;
步骤S23:获取第一温度传感器的监测温度T1和第二温度传感器的监测温度T2;Step S23: obtaining the monitoring temperature T1 of the first temperature sensor and the monitoring temperature T2 of the second temperature sensor;
步骤S24:当T1>t1时,提高半导体制冷片的输入功率;Step S24: when T1>t1, increase the input power of the semiconductor refrigeration chip;
步骤S25:当T1≤t1且T2>t2时,提高吸风机转速;Step S25: when T1≤t1 and T2>t2, increase the rotational speed of the suction fan;
步骤S26:当T1>t3且T2>t3时,切断所述充电模块的供电,其中,所述t1为低温阈值,t2为高温阈值,t3为预警阈值。Step S26: When T1>t3 and T2>t3, cut off the power supply of the charging module, wherein t1 is a low temperature threshold, t2 is a high temperature threshold, and t3 is an early warning threshold.
请参考图15,所示为本发明实施例提供的第三种充电方法的流程图。由图15可见,本方法包括如下步骤:Please refer to FIG. 15 , which is a flowchart of a third charging method provided by an embodiment of the present invention. As can be seen from Figure 15, this method includes the following steps:
步骤S31:检测充电模块是否处于通电状态;Step S31: Detecting whether the charging module is in a power-on state;
步骤S32:当所述充电模块处于通电状态时,启动半导体制冷片和吸风机;Step S32: when the charging module is in the power-on state, start the semiconductor refrigeration chip and the suction fan;
步骤S33:获取第一温度传感器的监测温度T1和第二温度传感器的监测温度T2;Step S33: obtaining the monitoring temperature T1 of the first temperature sensor and the monitoring temperature T2 of the second temperature sensor;
步骤S34:当T1>t1时,提高半导体制冷片的输入功率;Step S34: when T1>t1, increase the input power of the semiconductor refrigeration chip;
步骤S35:当T1≤t1且T2>t2时,提高吸风机转速;Step S35: when T1≤t1 and T2>t2, increase the rotational speed of the suction fan;
步骤S36:当T1>t3且T2>t3时,切断所述充电模块的供电;Step S36: when T1>t3 and T2>t3, cut off the power supply of the charging module;
步骤S37:获取第三温度传感器的监测温度T3;Step S37: obtaining the monitoring temperature T3 of the third temperature sensor;
步骤S38:当T1、T2、T3均大于t4时,切断充电模块和电磁铁的供电,其中,所述t1为低温阈值,t2为高温阈值,t3为预警阈值,t4为火险预警温度。本实施例中,t1的温度范围可为20℃-25℃,t2的温度范围可为35℃-45℃,t3的温度范围可为55℃-70℃,t4的温度范围可为85℃-95℃。以上方法在上述装置实施例中均有描述,这里不再赘述。Step S38: When T1, T2, and T3 are all greater than t4, the power supply of the charging module and the electromagnet is cut off, wherein t1 is the low temperature threshold, t2 is the high temperature threshold, t3 is the warning threshold, and t4 is the fire warning temperature. In this embodiment, the temperature range of t1 may be 20°C-25°C, the temperature range of t2 may be 35°C-45°C, the temperature range of t3 may be 55°C-70°C, and the temperature range of t4 may be 85°C- 95°C. The above methods are all described in the above apparatus embodiments, and are not repeated here.
当然,上述说明也并不仅限于上述举例,本发明未经描述的技术特征可以通过或采用现有技术实现,在此不再赘述;以上实施例仅用于说明本发明的技术方案并非是对本发明的限制,参照优选的实施方式对本发明进行了详细说明,本领域的普通技术人员应当理解,本技术领域的普通技术人员在本发明的实质范围内所做出的变化、改型、添加或替换都不脱离本发明的宗旨,也应属于本发明的权利要求保护范围。Of course, the above description is not limited to the above examples, and the undescribed technical features of the present invention can be realized by or using the existing technology, and will not be repeated here; the above embodiments are only used to illustrate the technical solutions of the present invention, not to the present invention The present invention is described in detail with reference to the preferred embodiments, and those of ordinary skill in the art should understand that changes, modifications, additions or substitutions made by those of ordinary skill in the art are within the scope of the present invention. It does not deviate from the spirit of the present invention, and should also belong to the protection scope of the claims of the present invention.
Claims (10)
Priority Applications (1)
| Application Number | Priority Date | Filing Date | Title |
|---|---|---|---|
| CN202210371909.2A CN114919441A (en) | 2022-04-11 | 2022-04-11 | Charging device and method for new energy automobile |
Applications Claiming Priority (1)
| Application Number | Priority Date | Filing Date | Title |
|---|---|---|---|
| CN202210371909.2A CN114919441A (en) | 2022-04-11 | 2022-04-11 | Charging device and method for new energy automobile |
Publications (1)
| Publication Number | Publication Date |
|---|---|
| CN114919441A true CN114919441A (en) | 2022-08-19 |
Family
ID=82804419
Family Applications (1)
| Application Number | Title | Priority Date | Filing Date |
|---|---|---|---|
| CN202210371909.2A Withdrawn CN114919441A (en) | 2022-04-11 | 2022-04-11 | Charging device and method for new energy automobile |
Country Status (1)
| Country | Link |
|---|---|
| CN (1) | CN114919441A (en) |
Cited By (2)
| Publication number | Priority date | Publication date | Assignee | Title |
|---|---|---|---|---|
| CN117440666A (en) * | 2023-12-18 | 2024-01-23 | 深圳市乐雅科技有限公司 | Liquid crystal display with heat radiation structure |
| CN117590893A (en) * | 2024-01-19 | 2024-02-23 | 维屿(深圳)科技有限公司 | Precious temperature intelligent monitoring system charges is inhaled to magnetism |
-
2022
- 2022-04-11 CN CN202210371909.2A patent/CN114919441A/en not_active Withdrawn
Cited By (4)
| Publication number | Priority date | Publication date | Assignee | Title |
|---|---|---|---|---|
| CN117440666A (en) * | 2023-12-18 | 2024-01-23 | 深圳市乐雅科技有限公司 | Liquid crystal display with heat radiation structure |
| CN117440666B (en) * | 2023-12-18 | 2024-03-19 | 深圳市乐雅科技有限公司 | An LCD screen with a heat dissipation structure |
| CN117590893A (en) * | 2024-01-19 | 2024-02-23 | 维屿(深圳)科技有限公司 | Precious temperature intelligent monitoring system charges is inhaled to magnetism |
| CN117590893B (en) * | 2024-01-19 | 2024-05-14 | 维屿(深圳)科技有限公司 | Precious temperature intelligent monitoring system charges is inhaled to magnetism |
Similar Documents
| Publication | Publication Date | Title |
|---|---|---|
| CN104795610B (en) | A kind of power battery thermal management system based on thermoelectric-cooled | |
| CN108448200B (en) | A kind of cooling method of power supply system and system thereof | |
| CN114919441A (en) | Charging device and method for new energy automobile | |
| CN117039269B (en) | Energy storage system, temperature control method thereof and computer readable storage medium | |
| WO2021129865A1 (en) | Automatic temperature control system and power exchange station and energy storage station comprising same | |
| CN211404389U (en) | Circuit breaker vacuum interrupter that thermal diffusivity is better | |
| CN210519361U (en) | Ventilation and heat dissipation system for outdoor cabinet | |
| CN218526652U (en) | Electrical apparatus box and air conditioner | |
| CN209217759U (en) | Wireless charger | |
| CN105874283A (en) | Electric equipment housing | |
| CN115782640A (en) | Charging pile cooling system capable of monitoring temperature of flowing medium | |
| KR101138526B1 (en) | Vehicle having thermoelectric generation system using waste heat | |
| CN220963485U (en) | Energy storage thermal management system using refrigerant for cooling electric cabinet | |
| CN115483474B (en) | Battery charging monitoring system | |
| CN110602926A (en) | Cooling method of communication base station | |
| CN116512949A (en) | Vertical charging pile of electric bicycle and control method thereof | |
| WO2019062970A1 (en) | Charging device for vehicle, and vehicle | |
| CN116648032A (en) | Cooling device that recovers energy | |
| CN208504790U (en) | A kind of semiconductor refrigeration radiating device | |
| CN211556073U (en) | A battery temperature control device | |
| CN211208919U (en) | High-efficient radiating high-low voltage distribution cabinet | |
| CN115158059A (en) | A method of maintaining constant temperature and heat dissipation of power exchange cabinet | |
| CN217388001U (en) | Heat radiator of passive distribution box | |
| CN216204455U (en) | Air energy condensing device | |
| CN112382803B (en) | Power battery pack system |
Legal Events
| Date | Code | Title | Description |
|---|---|---|---|
| PB01 | Publication | ||
| PB01 | Publication | ||
| SE01 | Entry into force of request for substantive examination | ||
| SE01 | Entry into force of request for substantive examination | ||
| WW01 | Invention patent application withdrawn after publication |
Application publication date: 20220819 |
|
| WW01 | Invention patent application withdrawn after publication |
