CN114843863A - Copper part alignment device for processing power strip - Google Patents

Copper part alignment device for processing power strip Download PDF

Info

Publication number
CN114843863A
CN114843863A CN202210491156.9A CN202210491156A CN114843863A CN 114843863 A CN114843863 A CN 114843863A CN 202210491156 A CN202210491156 A CN 202210491156A CN 114843863 A CN114843863 A CN 114843863A
Authority
CN
China
Prior art keywords
alignment
copper
copper sheet
plate
workbench
Prior art date
Legal status (The legal status is an assumption and is not a legal conclusion. Google has not performed a legal analysis and makes no representation as to the accuracy of the status listed.)
Pending
Application number
CN202210491156.9A
Other languages
Chinese (zh)
Inventor
王松
刘杰
陈虎
Current Assignee (The listed assignees may be inaccurate. Google has not performed a legal analysis and makes no representation or warranty as to the accuracy of the list.)
Anhui Tuofei Electrical Appliance Co ltd
Original Assignee
Anhui Tuofei Electrical Appliance Co ltd
Priority date (The priority date is an assumption and is not a legal conclusion. Google has not performed a legal analysis and makes no representation as to the accuracy of the date listed.)
Filing date
Publication date
Application filed by Anhui Tuofei Electrical Appliance Co ltd filed Critical Anhui Tuofei Electrical Appliance Co ltd
Priority to CN202210491156.9A priority Critical patent/CN114843863A/en
Publication of CN114843863A publication Critical patent/CN114843863A/en
Pending legal-status Critical Current

Links

Images

Classifications

    • HELECTRICITY
    • H01ELECTRIC ELEMENTS
    • H01RELECTRICALLY-CONDUCTIVE CONNECTIONS; STRUCTURAL ASSOCIATIONS OF A PLURALITY OF MUTUALLY-INSULATED ELECTRICAL CONNECTING ELEMENTS; COUPLING DEVICES; CURRENT COLLECTORS
    • H01R43/00Apparatus or processes specially adapted for manufacturing, assembling, maintaining, or repairing of line connectors or current collectors or for joining electric conductors
    • H01R43/20Apparatus or processes specially adapted for manufacturing, assembling, maintaining, or repairing of line connectors or current collectors or for joining electric conductors for assembling or disassembling contact members with insulating base, case or sleeve
    • BPERFORMING OPERATIONS; TRANSPORTING
    • B65CONVEYING; PACKING; STORING; HANDLING THIN OR FILAMENTARY MATERIAL
    • B65GTRANSPORT OR STORAGE DEVICES, e.g. CONVEYORS FOR LOADING OR TIPPING, SHOP CONVEYOR SYSTEMS OR PNEUMATIC TUBE CONVEYORS
    • B65G47/00Article or material-handling devices associated with conveyors; Methods employing such devices
    • B65G47/02Devices for feeding articles or materials to conveyors
    • B65G47/04Devices for feeding articles or materials to conveyors for feeding articles
    • B65G47/12Devices for feeding articles or materials to conveyors for feeding articles from disorderly-arranged article piles or from loose assemblages of articles
    • B65G47/14Devices for feeding articles or materials to conveyors for feeding articles from disorderly-arranged article piles or from loose assemblages of articles arranging or orientating the articles by mechanical or pneumatic means during feeding
    • B65G47/1407Devices for feeding articles or materials to conveyors for feeding articles from disorderly-arranged article piles or from loose assemblages of articles arranging or orientating the articles by mechanical or pneumatic means during feeding the articles being fed from a container, e.g. a bowl
    • B65G47/1442Devices for feeding articles or materials to conveyors for feeding articles from disorderly-arranged article piles or from loose assemblages of articles arranging or orientating the articles by mechanical or pneumatic means during feeding the articles being fed from a container, e.g. a bowl by means of movement of the bottom or a part of the wall of the container
    • B65G47/1457Rotating movement in the plane of the rotating part
    • HELECTRICITY
    • H01ELECTRIC ELEMENTS
    • H01RELECTRICALLY-CONDUCTIVE CONNECTIONS; STRUCTURAL ASSOCIATIONS OF A PLURALITY OF MUTUALLY-INSULATED ELECTRICAL CONNECTING ELEMENTS; COUPLING DEVICES; CURRENT COLLECTORS
    • H01R4/00Electrically-conductive connections between two or more conductive members in direct contact, i.e. touching one another; Means for effecting or maintaining such contact; Electrically-conductive connections having two or more spaced connecting locations for conductors and using contact members penetrating insulation
    • H01R4/26Connections in which at least one of the connecting parts has projections which bite into or engage the other connecting part in order to improve the contact

Landscapes

  • Engineering & Computer Science (AREA)
  • Mechanical Engineering (AREA)
  • Manufacturing & Machinery (AREA)
  • Automatic Assembly (AREA)

Abstract

The invention provides a copper part alignment device for processing a power strip, which comprises a workbench and also comprises: the blanking unit is used for sequentially and downwards transmitting the copper sheets and is arranged at one end of the workbench; the alignment unit is used for aligning the position of the transmitted copper sheet, the alignment unit is connected with the blanking unit and is arranged on one side of the workbench, the copper sheet is transmitted forwards according to the sequence through the blanking hopper and the transmission belt, the copper sheet is transmitted, the copper sheet abutting position is screened out through the first screening assembly and the second screening assembly and is transmitted downwards continuously, the locking portion and the alignment column are used for respectively positioning the protruding portion and the blind hole portion of the copper sheet by taking the locking portion and the alignment column as the reference, and finally the alignment unit is used for carrying out position abutting on the two groups of copper sheets, so that the accuracy of abutting is realized, and the problem that the connection stability is influenced due to inaccurate position abutting in the existing abutting process is solved.

Description

一种插排加工用铜件对准装置A copper alignment device for socket processing

技术领域technical field

本发明涉及插排加工,尤其涉及一种插排加工用铜件对准装置。The invention relates to plug-and-socket processing, in particular to an alignment device for copper parts used for plug-and-socket processing.

背景技术Background technique

插排即是带线多位插座,也称插线板或排插,学名电线加长组件或延长线插座。插排指的是带电源线和插头且可以移动的多位插座。可以连接一个以上的电源插头,既节省了空间又节省了线路。The plug-in strip is a multi-position socket with a line, also known as a plug-in board or a plug-in strip, the scientific name is a wire extension component or an extension cord socket. A strip refers to a multi-position outlet with a power cord and plug that can be moved. More than one power plug can be connected, saving both space and wiring.

插排内部含有许多铜片,插排在组装过程中,先需要将各个分散的铜片进行对准连接,将对准后的铜片再安装在插排中即可完成对插排内部的部件组装。There are many copper sheets inside the socket. During the assembly process of the socket, it is necessary to align and connect the scattered copper sheets first, and then install the aligned copper sheets in the socket to complete the alignment of the components inside the socket. assembled.

在实际操作中,是使用人工手持的方式将带有凸起的铜片放置在工作台上,再使用另一只手将带有盲孔的铜片与其对准并将两者连接,但是,这种方式对准时,由于看不到盲孔的具体位置,在向下对准的瞬间,导致铜片与铜片之间对位不准确,且铜片在制造中各个铜片的凸起部分可能会出现角度倾斜的误差,从而直接影响凸起与盲孔之间对位更加不准确,造成插排在后续使用过程中的安全问题,为此,我们提出一种插排加工用铜件对准装置。In actual operation, the copper sheet with protrusions is placed on the workbench by hand, and then the copper sheet with blind holes is aligned and connected with the other hand. However, When aligning in this way, since the specific position of the blind hole cannot be seen, at the moment of downward alignment, the alignment between the copper sheet and the copper sheet is inaccurate, and the copper sheet is in the protruding part of each copper sheet during manufacture. There may be an error in the angle of inclination, which directly affects the inaccuracy of the alignment between the bump and the blind hole, resulting in safety problems in the subsequent use of the socket. standard device.

发明内容SUMMARY OF THE INVENTION

本发明的目的是针对现有技术的不足之处,提供一种插排加工用铜件对准装置,通过下料斗和传输带将铜片依序向前传输,传输的铜片经第一筛选组件和第二筛选组件将铜片对接位置筛选出来并向下继续传输,利用锁紧部和对位柱分别对铜片的凸起部位和盲孔部位以锁紧部和对位柱为基准进行定位,最后利用对接单元对两组铜片进行位置对接,实现了对接的准确性,解决了现有的在对接过程中,位置对接不准确影响连接的稳定性的问题。The purpose of the present invention is to aim at the deficiencies of the prior art, and to provide an alignment device for copper pieces for plug-and-socket processing. The copper sheets are sequentially transported forward through a lower hopper and a conveyor belt, and the transported copper sheets are first screened. The assembly and the second screening assembly screen out the docking position of the copper sheet and continue to transmit it downwards, and use the locking part and the alignment post to screen the convex part and the blind hole part of the copper sheet respectively based on the locking part and the alignment post. Positioning, and finally using the docking unit to dock the two sets of copper sheets, to achieve the accuracy of docking, and solve the existing problem of inaccurate location docking affecting the stability of the connection during the docking process.

为实现上述目的,本发明提供如下技术方案:To achieve the above object, the present invention provides the following technical solutions:

一种插排加工用铜件对准装置,包括工作台,还包括:An alignment device for copper parts for plug-and-socket processing, comprising a workbench, and further comprising:

下料单元,用于依序向下传输铜片的所述下料单元设于工作台的一端;A blanking unit, the blanking unit for sequentially transporting the copper sheets downward is arranged at one end of the workbench;

对位单元,用于将传输的铜片位置对正的所述对位单元与下料单元连接;an alignment unit, which is used to connect the alignment unit that aligns the position of the transmitted copper sheet with the blanking unit;

所述对位单元包括:The alignment unit includes:

对柱组件,用于找准带有凸起的铜片位置的对柱组件与下料单元连接,设于工作台的一侧;以及The column alignment assembly, which is used for locating the position of the protruding copper sheet, is connected to the blanking unit, and is arranged on one side of the workbench; and

对孔组件,用于找准带有盲孔的铜片位置的对孔组件与下料单元连接,设于工作台的另一侧;The hole-aligning component, which is used to locate the copper sheet with blind holes, is connected to the blanking unit, and is located on the other side of the workbench;

对接单元,用于连接已对位的铜片的所述对接单元与对位单元连接,设于工作台的另一端。The docking unit, which is used for connecting the aligned copper sheets, is connected to the alignment unit, and is arranged at the other end of the worktable.

作为优选的,所述下料单元包括:Preferably, the blanking unit includes:

下料斗,用于装载两种铜片的下料斗设于工作台的两侧;Lower hopper, the lower hopper for loading two kinds of copper sheets is located on both sides of the workbench;

下料轨道,用于两种铜片依序向下传输的所述下料轨道与下料斗连接,设于下料斗的底部,且所述下料轨道的两侧均设有滚动辊;The unloading track, which is used for the sequential downward transmission of the two copper sheets, is connected with the unloading hopper, and is arranged at the bottom of the unloading hopper, and both sides of the unloading track are provided with rolling rollers;

传输带,用于承接并传输两种铜片的传送带与下料轨道连接,设于下料轨道的底部;以及A conveyor belt, which is used for receiving and transporting two kinds of copper sheets, is connected with the unloading track, and is arranged at the bottom of the unloading track; and

筛选组件,用于筛选两种铜片对接部位的筛选组件与传输带连接,设于工作台上。The screening component is used for screening the butting parts of the two copper sheets. The screening component is connected with the transmission belt and is arranged on the workbench.

作为优选的,所述筛选组件包括:Preferably, the screening component includes:

限位板,用于限位铜片移动位置的所述限位板设于传输带的两侧;Limiting plates, the limiting plates used to limit the moving position of the copper sheet are arranged on both sides of the transmission belt;

第一筛选部,用于筛选出铜片凸起部位并向后传输的第一筛选部设于传输带的顶部;a first screening part, the first screening part used for screening out the convex part of the copper sheet and transferring it backward is arranged on the top of the conveying belt;

第二筛选部,用于调整铜片位置并向后传输的第二筛选部设于传输带的顶部。The second screening part, which is used for adjusting the position of the copper sheet and transferring it backwards, is arranged on the top of the conveying belt.

作为优选的,所述对柱组件包括:Preferably, the pair of column assemblies includes:

找柱机构,用于找准凸起部位确定铜片位置的所述找柱机构设于工作台的一侧;A column-seeking mechanism, the column-seeking mechanism used to locate the convex part and determine the position of the copper sheet is arranged on one side of the workbench;

第一固定机构,用于固定已找准凸起部位铜片位置的所述第一固定机构与传输带连接,设于工作台上。The first fixing mechanism, which is used for fixing the position of the copper sheet of the convex part, is connected to the transmission belt, and is arranged on the workbench.

作为优选的,所述找柱机构包括:Preferably, the column-seeking mechanism includes:

第一承接板,用于承接传输铜片的所述第一承接板与传输带连接,设于工作台上;a first receiving plate, the first receiving plate used for receiving the transmission copper sheet is connected to the transmission belt, and is arranged on the workbench;

移动部,用于带动端部部件移动的所述第一移动部设于工作台的一侧;a moving part, the first moving part used to drive the end part to move is arranged on one side of the workbench;

对位板,用于压持作用在铜片上的对位板与移动部连接,且所述对位板上开设有与铜片凸起对应的对位孔;an alignment plate, used for pressing and holding the alignment plate acting on the copper sheet to be connected with the moving part, and the alignment plate is provided with alignment holes corresponding to the protrusions of the copper sheet;

锁紧部,用于带动部件以圆周方向缩小来锁紧确定柱体的所述锁紧部设于对位孔内。The locking portion, which is used for driving the component to shrink in the circumferential direction to lock the determining cylinder, is arranged in the alignment hole.

作为优选的,所述第一固定机构包括:Preferably, the first fixing mechanism includes:

第一夹紧板,所述第一夹紧板弹性设于第一承接板的两侧;a first clamping plate, the first clamping plate is elastically arranged on both sides of the first receiving plate;

第一压持板,所述第一压持板滑动连接于第一夹紧板上。A first pressing and holding plate, the first pressing and holding plate is slidably connected to the first clamping plate.

作为优选的,所述对孔组件包括:Preferably, the pair of holes assembly includes:

找孔机构,用于找准盲孔位置确定铜片位置的找孔机构与传输带连接,设于工作台上;以及A hole-finding mechanism, the hole-finding mechanism for pinpointing the position of the blind hole and determining the position of the copper sheet is connected to the transmission belt, and is arranged on the workbench; and

第二固定机构,用于固定已确定位置的铜片的所述第二固定机构设于找孔机构的上方。The second fixing mechanism, the second fixing mechanism for fixing the copper sheet whose position has been determined is arranged above the hole-finding mechanism.

作为优选的,所述找孔机构包括:Preferably, the hole-finding mechanism includes:

第二承接板,所述第二承接板与传输带连接,设于工作台上;a second receiving plate, the second receiving plate is connected with the transmission belt and is arranged on the workbench;

双向聚拢部,用于带动端部部件相向移动的所述双向聚拢部设于第二承接板内;以及a two-way gathering part, the two-way gathering part for driving the end parts to move toward each other is arranged in the second receiving plate; and

对位柱,所述对位柱与双向聚拢部连接;an alignment post, the alignment post is connected with the bidirectional gathering part;

双向聚拢部带动对位柱一起呈聚拢式相向运动,以对位柱来确定铜片的位置。The two-way gathering part drives the alignment posts to move toward each other in a gathered manner, and the alignment posts are used to determine the position of the copper sheet.

作为优选的,所述第二固定机构包括:Preferably, the second fixing mechanism includes:

顶板,所述顶板设于第二承接板的顶部,且所述顶板上开设有避让槽;a top plate, the top plate is arranged on the top of the second receiving plate, and an escape groove is opened on the top plate;

第二固定板,所述第二固定板与顶板连接,弹性设于顶板的两侧;a second fixing plate, the second fixing plate is connected with the top plate and is elastically arranged on both sides of the top plate;

第二压持板,所述第二压持板滑动设于第二固定板上。The second holding plate is slidably arranged on the second fixing plate.

作为优选的,所述对接单元包括:Preferably, the docking unit includes:

第一连接柱,所述第一连接柱与第一对位板连接;a first connecting column, the first connecting column is connected with the first alignment plate;

第一对接部,用于带动端部部件沿着轨迹移动并相互靠近的所述第一对接部设于工作台的两侧;The first butt joints, which are used to drive the end parts to move along the track and approach each other, are arranged on both sides of the workbench;

第二对接部,用于带动已靠近的铜片相互对准的第二对接部设于工作台上;the second abutting part, the second abutting part used to drive the approached copper sheets to align with each other is arranged on the workbench;

对准杆,用于将对准的铜片相互挤压对接的所述对准杆设于工作台的一端。An alignment rod, which is used to press and butt the aligned copper sheets to each other, is provided at one end of the workbench.

本发明的有益效果在于:The beneficial effects of the present invention are:

本发明通过下料单元,将铜片放置到下料斗中依序沿着下料轨道移动向下,直至落至传输带上,利用第一筛选组件和第二筛选组件的翻转作用,来确保每组铜片在传输带上的放置均为可对接状态的放置,实现了自动化对铜片的传输取料,解决了现有的使用人工的方式来区分,浪费时间。In the present invention, the copper sheet is placed in the unloading hopper and moves down along the unloading track sequentially through the unloading unit until it falls on the conveyor belt, and the overturning effect of the first screening component and the second screening component is used to ensure that each The placement of the group of copper sheets on the conveyor belt is in a docking state, which realizes the automatic transmission and retrieval of copper sheets, and solves the problem of using manual methods to distinguish and waste time.

本发明通过对柱组件,利用锁紧部的中心位置来锁紧凸柱,并调整铜片的位置,调整位置后的铜片利用第一夹紧板先对其位置进行预定位后,再利用第一压持板对其进行纵向压持,限制第一夹紧板不能左右移动,实现对铜片的固定,解决了现有的铜片位置不确定的问题。The present invention uses the center position of the locking portion to lock the convex column by aligning the column assembly, and adjusts the position of the copper sheet. After the position of the adjusted copper sheet is pre-positioned by the first clamping plate, the The first pressing and holding plate presses it longitudinally, restricts the first clamping plate from moving left and right, realizes the fixing of the copper sheet, and solves the existing problem of the uncertain position of the copper sheet.

本发明通过对孔组件,利用对位柱的缩进最小位置来对抵接盲孔位置,并在抵接过程中来调整铜片的位置,利用第二固定板和第二压持板的作用,实现了准确定铜片的位置,解决了现有的铜片位置定位不准确的问题。The present invention uses the position of the blind hole to abut the blind hole through the hole alignment assembly, and uses the minimum retraction position of the alignment post to adjust the position of the copper sheet during the abutment process, and utilizes the functions of the second fixing plate and the second pressing plate. , the position of the copper sheet can be accurately determined, and the problem of inaccurate positioning of the existing copper sheet is solved.

本发明通过对接组件,将已经对准好位置的铜片进行移动,利用第一移动件和第二移动件对两组对接的铜片进行相对移动,使其相对移动的距离相同,实现了两组铜片的对接,解决了现有的铜片对接过程中位置发生偏移,影响后续安全使用的问题。In the present invention, the copper sheets that have been aligned are moved through the docking assembly, and the first moving part and the second moving part are used to relatively move the two groups of butted copper sheets, so that the relative moving distances are the same, and the two groups are realized. The butt joint of the group copper sheets solves the problem that the position of the existing copper sheets is offset during the butt joint process, which affects the subsequent safe use.

综上所述,本发明具有自动化、工序完整和对接准确等优点。To sum up, the present invention has the advantages of automation, complete process and accurate docking.

附图说明Description of drawings

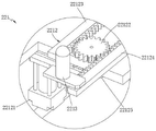
图1为本发明整体正视结构示意图;Fig. 1 is the overall frontal structure schematic diagram of the present invention;

图2为本发明整体俯视结构示意图;Fig. 2 is the overall top view structure schematic diagram of the present invention;

图3为本发明部分剖面结构示意图Figure 3 is a schematic diagram of a partial cross-sectional structure of the present invention

图4为本发明第一筛选部的部分结构示意图;Fig. 4 is the partial structure schematic diagram of the first screening part of the present invention;

图5为本发明锁紧部部分剖面结构示意图;5 is a schematic diagram of a partial cross-sectional structure of the locking portion of the present invention;

图6为本发明第二筛选部的部分结构示意图;Fig. 6 is the partial structure schematic diagram of the second screening part of the present invention;

图7为本发明第一对接部的部分结构示意图;7 is a partial structural schematic diagram of the first docking portion of the present invention;

图8为本发明图7中A处放大结构示意图;Fig. 8 is a schematic view of the enlarged structure at the place A in Fig. 7 of the present invention;

图9为本发明移动部移动方式结构示意图;FIG. 9 is a schematic structural diagram of the movement mode of the moving part of the present invention;

图10为本发明移动对接流程结构示意图;10 is a schematic structural diagram of a mobile docking process according to the present invention;

图11为本发明整体移动流程结构示意图。FIG. 11 is a schematic structural diagram of the overall movement process of the present invention.

图中:100-工作台;1-下料单元;11-下料斗;12-下料轨道;121-滚动辊;13-传输带;14-筛选组件;141-限位板;142-第一筛选部;1421-第一安装座;1422-拦截板;1423-吸附板;143-第二筛选部;1431-第二安装座;1432-伸缩板;1433-吸附杆;1434-对距块;2-对位单元;21-对柱组件;22-对孔组件;211-找柱机构;2111-第一承接板;2112-移动部;21121-固定板;21121a-第一限制轨道;21121b-第二限制轨道;21122-移动柱;21123-连接横杆;21123a-通槽;21124-限制柱;2113-对位板;21131-对位孔;2114-锁紧部;21141-齿轮圈;21142-主动齿轮;21143-从动齿轮;21144-传送条;21145-锁紧板;212-第一固定机构;2121-第一夹紧板;2122-第一压持板;221-找孔机构;2211-第二承接板;2212-双向聚拢部;22121-升降装置;22122-第一齿轮;22123-第一齿条;22124-第二齿条;22125-传动装置;2213-对位柱;222-第二固定机构; 2221-顶板;22211-避让槽;2222-第二固定板;2223-第二压持板;3-对接单元;31-第一连接柱;32-第一对接部;33-第二对接部;34-对准杆;321-安装板;322-移动板;323-第一连杆;324-第二连杆;331-齿轮;332-第一移动齿条;333-第二移动齿条。In the figure: 100-worktable; 1-unloading unit; 11-unloading hopper; 12-unloading track; 121-roller; 13-conveyor belt; 14-screening component; 141-limiting plate; 142-first Screening part; 1421-first mounting seat; 1422-intercepting plate; 1423-adsorption plate; 143-second screening part; 1431-second mounting seat; 1432- telescopic plate; 1433-adsorption rod; 2-alignment unit; 21-column assembly; 22-hole assembly; 211-column finding mechanism; 2111-first receiving plate; 2112-moving part; 21121-fixing plate; 21121a-first limiting track; 21122-moving column; 21123-connecting cross bar; 21123a-through groove; 21124-limiting column; 2113-alignment plate; 21131-alignment hole; 2114-locking part; 21141-gear ring; 21142 - driving gear; 21143 - driven gear; 21144 - transmission bar; 21145 - locking plate; 212 - first fixing mechanism; 2121 - first clamping plate; 2122 - first pressing plate; 221 - finding hole mechanism; 2211-second receiving plate; 2212-two-way gathering part; 22121-lifting device; 22122-first gear; 22123-first rack; 22124-second rack; 22125-transmission device; 2213-alignment column; 222 - second fixing mechanism; 2221 - top plate; 22211 - avoidance groove; 2222 - second fixing plate; 2223 - second pressing plate; 3 - docking unit; 31 - first connecting column; 32 - first docking part; - second docking part; 34 - alignment rod; 321 - mounting plate; 322 - moving plate; 323 - first link; 324 - second link; 331 - gear; 332 - first moving rack; 333 - The second moves the rack.

具体实施方式Detailed ways

下面将结合本发明实施例中的附图,对本发明实施例中的技术方案进行清楚、完整地描述,显然,所描述的实施例仅仅是本发明一部分实施例,而不是全部的实施例。基于本发明中的实施例,本领域普通技术人员在没有做出创造性劳动前提下所获得的所有其他实施例,都属于本发明保护的范围。The technical solutions in the embodiments of the present invention will be clearly and completely described below with reference to the accompanying drawings in the embodiments of the present invention. Obviously, the described embodiments are only a part of the embodiments of the present invention, rather than all the embodiments. Based on the embodiments of the present invention, all other embodiments obtained by those of ordinary skill in the art without creative efforts shall fall within the protection scope of the present invention.

在本发明的描述中,需要理解的是,术语“中心”、“纵向”、“横向”、“长度”、“宽度”、“厚度”、“上”、“下”、“前”、“后”、“左”、“右”、“竖直”、“水平”、“顶”、“底”、“内”、“外”、“ 顺时针”、“逆时针”等指示的方位或位置关系为基于附图所示的方位或位置关系,仅是为了便于描述本发明和简化描述,而不是指示或暗示所指的设备或元件必须具有特定的方位、以特定的方位构造和操作,因此不能理解为对本发明的限制。此外,术语“第一”、“第二”仅用于描述目的,而不能理解为指示或暗示相对重要性或者隐含指明所指示的技术特征的数量。由此,限定有“第一”、“第二”的特征可以明示或者隐含地包括一个或者更多个该特征。在本发明的描述中,“多个”的含义是两个或两个以上,除非另有明确具体的限定。In the description of the present invention, it should be understood that the terms "center", "longitudinal", "lateral", "length", "width", "thickness", "upper", "lower", "front", " Rear, Left, Right, Vertical, Horizontal, Top, Bottom, Inner, Outer, Clockwise, Counterclockwise, etc. The positional relationship is based on the orientation or positional relationship shown in the accompanying drawings, only for the convenience of describing the present invention and simplifying the description, rather than indicating or implying that the device or element referred to must have a specific orientation, be constructed and operated in a specific orientation, Therefore, it should not be construed as a limitation of the present invention. In addition, the terms "first" and "second" are only used for descriptive purposes, and should not be construed as indicating or implying relative importance or implying the number of indicated technical features. Thus, a feature defined as "first" or "second" may expressly or implicitly include one or more of that feature. In the description of the present invention, "plurality" means two or more, unless otherwise expressly and specifically defined.

实施例一Example 1

如图1-2所示,一种插排加工用铜件对准装置,包括工作台100,还包括:As shown in Figures 1-2, a copper alignment device for socket and row processing includes a workbench 100, and further includes:

下料单元1,用于依序向下传输铜片的所述下料单元1设于工作台100的一端;A blanking unit 1, the blanking unit 1 for sequentially transporting the copper sheets downward is arranged at one end of the workbench 100;

对位单元2,用于将传输的铜片位置对正的所述对位单元2与下料单元1连接,设于工作台100的中部;The alignment unit 2 is used to connect the alignment unit 2 for aligning the position of the transmitted copper sheet with the blanking unit 1, and is located in the middle of the workbench 100;

所述对位单元2包括:The alignment unit 2 includes:

对柱组件21,用于找准带有凸起的铜片位置的对柱组件21与下料单元1连接,设于工作台100的一侧;以及The alignment column assembly 21, which is used for locating the position of the copper sheet with the protrusions, is connected to the blanking unit 1, and is arranged on one side of the workbench 100; and

对孔组件22,用于找准带有盲孔的铜片位置的对孔组件22与下料单元1连接,设于工作台100的另一侧;The hole alignment assembly 22, which is used for locating the position of the copper sheet with blind holes, is connected to the blanking unit 1, and is arranged on the other side of the workbench 100;

对接单元3,用于连接已对位的铜片的所述对接单元3与对位单元2连接,设于工作台100的另一端。The docking unit 3 , which is used for connecting the aligned copper sheets, is connected to the alignment unit 2 , and is provided at the other end of the workbench 100 .

进一步,如图3所示,所述下料单元1包括:Further, as shown in Figure 3, the blanking unit 1 includes:

下料斗11,用于装载两种铜片的下料斗11设于工作台100的两侧;The lower hopper 11, the lower hopper 11 for loading two kinds of copper sheets is arranged on both sides of the workbench 100;

下料轨道12,用于两种铜片依序向下传输的所述下料轨道12与下料斗11连接,设于下料斗11的底部,且所述下料轨道12的两侧均设有滚动辊121;The unloading rail 12, which is used for the two kinds of copper sheets to be transported downward in sequence, is connected to the lowering hopper 11, and is arranged at the bottom of the lowering hopper 11, and both sides of the unloading rail 12 are provided with rolling roller 121;

传输带13,用于承接并传输两种铜片的传送带与下料轨道12连接,设于下料轨道12的底部;以及The conveyor belt 13, which is used for receiving and transporting two kinds of copper sheets, is connected with the unloading rail 12, and is arranged at the bottom of the unloading rail 12; and

筛选组件14,用于筛选两种铜片对接部位的筛选组件14与传输带13连接,设于工作台100上;The screening assembly 14, the screening assembly 14 used for screening the butting parts of the two copper sheets is connected to the conveyor belt 13, and is arranged on the workbench 100;

将两种铜片分别放置到两组下料斗11中,分别使其沿着下料轨道12向下移动,并且为了减少与下料轨道12之间的摩擦力,下料轨道12的两侧均设有滚动辊121,铜片最终落入到传输带13上,再进行下一步的操作。The two kinds of copper sheets are placed in the two sets of unloading hoppers 11 respectively, and they are moved down along the unloading track 12 respectively, and in order to reduce the friction with the unloading track 12, both sides of the unloading track 12 A rolling roller 121 is provided, and the copper sheet finally falls onto the conveyor belt 13, and then the next operation is performed.

进一步,如图5所示,所述对柱组件21包括:Further, as shown in FIG. 5 , the pair of column assemblies 21 includes:

找柱机构211,用于找准凸起部位确定铜片位置的所述找柱机构211设于工作台100的一侧;A column-seeking mechanism 211, the column-seeking mechanism 211 used for pinpointing the convex part and determining the position of the copper sheet is arranged on one side of the workbench 100;

第一固定机构212,用于固定已找准凸起部位铜片位置的所述第一固定机构212与传输带13连接,设于工作台100上。The first fixing mechanism 212 , which is used to fix the position of the copper sheet at the identified convex portion, is connected to the transmission belt 13 , and is arranged on the workbench 100 .

进一步,如图4-5、图9所示,所述找柱机构211包括:Further, as shown in FIGS. 4-5 and 9 , the column-seeking mechanism 211 includes:

第一承接板2111,用于承接传输铜片的所述第一承接板2111与传输带13连接,设于工作台100上;The first receiving plate 2111, the first receiving plate 2111 for receiving the transmission copper sheet is connected to the transmission belt 13, and is arranged on the workbench 100;

移动部2112,用于带动端部部件移动的所述第一移动部2112设于工作台100的一侧;a moving part 2112, the first moving part 2112 for driving the end parts to move is arranged on one side of the workbench 100;

对位板2113,用于压持作用在铜片上的对位板2113与移动部2112连接,且所述对位板2113上开设有与铜片凸起对应的对位孔21131;The alignment plate 2113 is used to press and hold the alignment plate 2113 acting on the copper sheet to be connected with the moving part 2112, and the alignment plate 2113 is provided with alignment holes 21131 corresponding to the protrusions of the copper sheet;

锁紧部2114,用于带动部件以圆周方向缩小来锁紧确定柱体的所述锁紧部2114设于对位孔21131内。The locking portion 2114 is arranged in the alignment hole 21131 , the locking portion 2114 used for driving the component to shrink in the circumferential direction to lock the determining cylinder.

所述移动部2112包括:The moving part 2112 includes:

固定板21121,所述固定板21121与工作台100连接,设于工作台100的一侧,且所述固定板21121上分别开设有第一限制轨道21121a和第二限制轨道21121b;a fixing plate 21121, the fixing plate 21121 is connected to the workbench 100 and is arranged on one side of the workbench 100, and the fixing plate 21121 is respectively provided with a first restricting rail 21121a and a second restricting rail 21121b;

移动柱21122,所述移动柱21122与第一限制轨道21121a滑动连接;a moving column 21122, the moving column 21122 is slidably connected with the first limiting track 21121a;

连接横杆21123,所述连接横杆21123分别与移动柱21122和对位板2113连接,且所述连接横杆21123上开设有通槽21123a;Connecting crossbars 21123, the connecting crossbars 21123 are respectively connected with the moving column 21122 and the alignment plate 2113, and the connecting crossbars 21123 are provided with through grooves 21123a;

限制柱21124,所述限制柱21124分别与通槽21123a和第二限制轨道21121b滑动连接;restricting posts 21124, the restricting posts 21124 are respectively slidably connected with the through grooves 21123a and the second restricting rails 21121b;

所述锁紧部2114包括:The locking portion 2114 includes:

齿轮圈21141,所述齿轮圈21141设于对位孔21131内;The gear ring 21141, the gear ring 21141 is arranged in the alignment hole 21131;

主动齿轮21142,所述主动齿轮21142与齿轮圈21141连接,设于齿轮圈21141的外部;The driving gear 21142, the driving gear 21142 is connected with the gear ring 21141, and is arranged outside the gear ring 21141;

从动齿轮21143,所述从动齿轮21143与齿轮圈21141连接,设于齿轮圈21141的内部,且设置有多组;A driven gear 21143, the driven gear 21143 is connected with the gear ring 21141, is arranged inside the gear ring 21141, and is provided with multiple groups;

传送条21144,所述传送条21144与从动齿轮21143连接,设于齿轮圈21141的底部;A transmission bar 21144, the transmission bar 21144 is connected with the driven gear 21143, and is arranged at the bottom of the gear ring 21141;

锁紧板21145,用于以圆周缩小的方式来锁紧铜片上凸起的锁紧板21145与传送条21144连接;以及A locking plate 21145 for locking the raised locking plate 21145 on the copper sheet to connect with the conveying bar 21144 in a manner of reducing the circumference; and

连动装置,用于带动各个主动齿轮21142同时转动,优选为电机和齿轮331带的方式,且为了进一步增加连接的稳定性,在齿轮331带的周边设有压紧辊,挤压齿轮331带使其连接的更加紧密;The linkage device is used to drive each driving gear 21142 to rotate at the same time, preferably in the form of a motor and a gear 331 belt, and in order to further increase the stability of the connection, a pressing roller is arranged around the gear 331 belt to squeeze the gear 331 belt make it more closely connected;

带有凸起的铜片沿着传输带13移动,移动至第一承接板2111上后,移动柱21122可沿着第一限制轨道21121a移动,并且移动柱21122与连接横杆21123连接,且连接横杆21123与对位板2113连接,移动柱21122沿着第一限制轨道21121a移动,带动对位板2113向着靠近第一承接板2111的位置移动,并且为了减少对位板2113在移动中会发生转动,利用限制柱21124沿着通槽21123a和第二限制轨道21121b内移动,使对位板2113始终向着第二承接板2211的位置移动,直至移动到铜片的正上方时,此时距离铜片还具有一定距离,利用连动装置,即电机带动齿轮331带,使四组主动齿轮21142均发生转动,转动的同时带动齿轮圈21141发生转动,在齿轮圈21141的带动下,使从动齿轮21143转动,最终使传送条21144带动锁紧板21145向内收缩,若铜片的凸柱有角度的变化,可在锁紧板21145收缩的过程中,将铜片位置进行调整。The copper sheet with protrusions moves along the conveyor belt 13, and after moving to the first receiving plate 2111, the moving column 21122 can move along the first restricting track 21121a, and the moving column 21122 is connected with the connecting cross bar 21123, and is connected The cross bar 21123 is connected with the alignment plate 2113, and the moving column 21122 moves along the first limit track 21121a, which drives the alignment plate 2113 to move toward the position close to the first receiving plate 2111, and in order to reduce the occurrence of the alignment plate 2113 during the movement Rotate, and use the restricting column 21124 to move along the through groove 21123a and the second restricting track 21121b, so that the alignment plate 2113 always moves toward the position of the second receiving plate 2211 until it moves directly above the copper sheet. The film also has a certain distance. The use of the linkage device, that is, the motor drives the gear 331 belt, makes the four groups of driving gears 21142 rotate, and drives the gear ring 21141 to rotate at the same time. Driven by the gear ring 21141, the driven gear 21143 rotates, and finally the transfer bar 21144 drives the locking plate 21145 to shrink inward. If the angle of the convex column of the copper sheet changes, the position of the copper sheet can be adjusted during the shrinking process of the locking plate 21145.

进一步,如图6所示,所述对孔组件22包括:Further, as shown in FIG. 6 , the hole-pairing assembly 22 includes:

找孔机构221,用于找准盲孔位置确定铜片位置的找孔机构221与传输带13连接,设于工作台100上;以及A hole finding mechanism 221, the hole finding mechanism 221 for pinpointing the position of the blind hole and determining the position of the copper sheet is connected to the transmission belt 13, and is arranged on the workbench 100; and

第二固定机构222,用于固定已确定位置的铜片的所述第二固定机构222设于找孔机构221的上方。The second fixing mechanism 222 , the second fixing mechanism 222 for fixing the copper sheet whose position has been determined is arranged above the hole-finding mechanism 221 .

进一步,如图7-8所示,所述找孔机构221包括:Further, as shown in FIGS. 7-8 , the hole finding mechanism 221 includes:

第二承接板2211,所述第二承接板2211与传输带13连接,设于工作台100上;The second receiving plate 2211, the second receiving plate 2211 is connected with the transmission belt 13, and is arranged on the workbench 100;

双向聚拢部2212,用于带动端部部件相向移动的所述双向聚拢部2212设于第二承接板2211内;以及Two-way gathering portion 2212, the two-way gathering portion 2212 for driving the end parts to move toward each other is provided in the second receiving plate 2211; and

对位柱2213,所述对位柱2213与双向聚拢部2212连接;an alignment post 2213, the alignment post 2213 is connected with the bidirectional gathering part 2212;

双向聚拢部2212带动对位柱2213一起呈聚拢式相向运动,以对位柱2213来确定铜片的位置;The two-way gathering part 2212 drives the alignment posts 2213 to move toward each other in a gathered manner, and the alignment posts 2213 are used to determine the position of the copper sheet;

所述双向聚拢部2212包括:The two-way gathering portion 2212 includes:

升降装置22121,所述升降装置22121与第二承接板2211连接;升降装置22121优选为气缸和固定板21121;Lifting device 22121, the lifting device 22121 is connected with the second receiving plate 2211; the lifting device 22121 is preferably a cylinder and a fixing plate 21121;

第一齿轮22122,所述第一齿轮22122与升降装置22121连接,设于第二承接板2211的内部;The first gear 22122, the first gear 22122 is connected with the lifting device 22121, and is arranged inside the second receiving plate 2211;

第一齿条22123,所述第一齿条22123与第一齿轮22122连接,设于第一齿轮22122的一侧;a first rack 22123, the first rack 22123 is connected with the first gear 22122, and is arranged on one side of the first gear 22122;

第二齿条22124,所述第二齿条22124与第一齿轮22122连接,设于第一齿轮22122远离第一齿条22123的一侧;a second rack 22124, the second rack 22124 is connected to the first gear 22122, and is disposed on the side of the first gear 22122 away from the first rack 22123;

传动装置22125,用于同时带动多组第一齿条22123和第二齿条22124相对移动的所述传动装置22125设于升降装置22121上,传动装置22125优选为齿轮331和齿轮331带,由电机作为动力源;The transmission device 22125, the transmission device 22125 for simultaneously driving multiple sets of the first rack 22123 and the second rack 22124 to move relative to each other is set on the lifting device 22121, and the transmission device 22125 is preferably a gear 331 and a belt of the gear 331, which are driven by a motor as a power source;

当铜片移动到第二承接板2211后,对位柱2213首先在气缸和固定板21121的带动下,向上移动,直至将对位杆伸入到铜片的盲孔内,再利用传动装置22125即电机和齿轮331带作为主动动力源,带动第一齿轮22122转动,经第一齿轮22122的转动后,使第一齿条22123和第二齿条22124发生相向移动,带动对位杆也发生相向移动直至对位杆均移动到两组盲孔最短的距离后停止移动,此时,将铜片的位置确定。When the copper sheet moves to the second receiving plate 2211, the alignment post 2213 is first driven by the cylinder and the fixing plate 21121 to move upward until the alignment rod extends into the blind hole of the copper sheet, and then the transmission device 22125 is used. That is, the motor and the gear 331 are used as the active power source to drive the first gear 22122 to rotate. After the rotation of the first gear 22122, the first rack 22123 and the second rack 22124 are moved toward each other, and the alignment rods are also moved toward each other. Move until the alignment rods move to the shortest distance between the two sets of blind holes and then stop moving. At this time, the position of the copper sheet is determined.

进一步,如图8所示,所述第二固定机构222包括:Further, as shown in FIG. 8 , the second fixing mechanism 222 includes:

顶板2221,所述顶板2221设于第二承接板2211的顶部,且所述顶板2221上开设有避让槽22211;a top plate 2221, the top plate 2221 is arranged on the top of the second receiving plate 2211, and the top plate 2221 is provided with an escape groove 22211;

第二固定板2222,所述第二固定板2222与顶板2221连接,弹性设于顶板2221的两侧;the second fixing plate 2222, the second fixing plate 2222 is connected with the top plate 2221, and is elastically arranged on both sides of the top plate 2221;

第二压持板2223,所述第二压持板2223滑动设于第二固定板2222上;the second holding plate 2223, the second holding plate 2223 is slidably disposed on the second fixing plate 2222;

使用推动装置,利用第二固定板2222将通过对位柱2213对准位置的铜片两端进行位置固定,固定后再利用推动装置向下压持第二压持板2223,使铜片的位置不会发生偏移,从而达到将铜片位置固定的目的。Using the pushing device, use the second fixing plate 2222 to fix the position of the two ends of the copper sheet aligned by the alignment post 2213, and then use the pushing device to press down the second pressing plate 2223 to make the position of the copper sheet. There will be no offset, so as to achieve the purpose of fixing the position of the copper sheet.

进一步,如图10-11所示,所述对接单元3包括:Further, as shown in Figures 10-11, the docking unit 3 includes:

第一连接柱31,所述第一连接柱31与第一对位板2113连接;the first connecting column 31, the first connecting column 31 is connected with the first alignment plate 2113;

第一对接部32,用于带动端部部件沿着轨迹移动并相互靠近的所述第一对接部32设于工作台100的两侧;The first butt joints 32, which are used to drive the end parts to move along the track and approach each other, are provided on both sides of the workbench 100;

第二对接部33,用于带动已靠近的铜片相互对准的第二对接部33设于工作台100上;The second abutting portion 33 is arranged on the workbench 100 for driving the adjacent copper sheets to align with each other.

对准杆34,用于将对准的铜片相互挤压对接的所述对准杆34设于工作台100的一端。The alignment rod 34 is provided at one end of the workbench 100 for pressing the aligned copper sheets to butt joint with each other.

所述第一对接部32包括:The first docking portion 32 includes:

安装板321,所述安装板321设于工作台100的两端,且两组所述安装板321上开设有相反的滑槽3211;Mounting plates 321, the mounting plates 321 are arranged on both ends of the workbench 100, and two sets of the mounting plates 321 are provided with opposite sliding grooves 3211;

移动板322,所述移动板322与安装板321连接,且两组移动板322上均开设有相反的限位槽3221;a moving plate 322, the moving plate 322 is connected with the mounting plate 321, and the two sets of moving plates 322 are provided with opposite limit slots 3221;

第一连杆323,所述第一连杆323与移动板322连接;a first connecting rod 323, the first connecting rod 323 is connected with the moving plate 322;

第二连杆324,所述第二连杆324与第一连杆323连接;the second connecting rod 324, the second connecting rod 324 is connected with the first connecting rod 323;

电机转动,带动第二连杆324转动,在第二连杆324的驱动下,带动第一连杆323以及与第一连杆323连接的移动板322沿着滑槽3211移动,随后,且两组安装板321上开设的滑槽3211相反,可使两组铜片上下的距离在电机的带动下,纵向距离靠近;The rotation of the motor drives the second connecting rod 324 to rotate. Under the driving of the second connecting rod 324, the first connecting rod 323 and the moving plate 322 connected with the first connecting rod 323 are driven to move along the chute 3211, and then the two The chute 3211 opened on the group mounting plate 321 is opposite, so that the distance between the upper and lower groups of the two groups of copper sheets can be driven by the motor, and the longitudinal distance is close;

所述第二对接部33包括:The second docking portion 33 includes:

齿轮331,所述齿轮331设在工作台100上;a gear 331, the gear 331 is provided on the workbench 100;

第一移动齿条332,所述第一移动齿条332与安装板321连接,设于工作台100的一端;a first moving rack 332, the first moving rack 332 is connected to the mounting plate 321, and is disposed at one end of the workbench 100;

第二移动齿条333,所述第二移动齿条333与安装板321安装,设于工作台100的另一端。The second moving rack 333 is mounted on the mounting plate 321 and is disposed at the other end of the worktable 100 .

电机驱动齿轮331转动,齿轮331转动使第一移动齿条332和第二移动齿条333发生相对运动,从而使两个铜片能够快速移动至对准的位置;The motor drives the gear 331 to rotate, and the rotation of the gear 331 causes the first moving rack 332 and the second moving rack 333 to move relative to each other, so that the two copper sheets can quickly move to the aligned position;

当两组铜片的位置处于重合状态后,对位杆使力将其作用到最上端的铜片上,并将其向下压,将两组铜片进行对准下压,从而使两组铜片可连接到一起。When the positions of the two sets of copper sheets are in a coincident state, the alignment rod applies force to the uppermost copper sheet and presses it down, and aligns the two sets of copper sheets, so that the two sets of copper sheets are pressed down. can be connected together.

需要说明的是,对准杆34的原理相当于伸缩杆,可上下移动,使用时将两组铜片压持对准,不使用时,其保持在工作台100的一端,属于现有技术,在此不做过多赘述。It should be noted that the principle of the alignment rod 34 is equivalent to a telescopic rod, which can move up and down. When in use, the two sets of copper sheets are pressed and aligned, and when not in use, they are kept at one end of the workbench 100, which belongs to the prior art. I won't go into details here.

注:带有盲孔的铜片对准位置面积小于带有凸起铜片面积。Note: The alignment position area of the copper sheet with blind holes is smaller than the area of the copper sheet with protrusions.

实施例二Embodiment 2

如图3-4、图6所示,其中与实施例一中相同或相应的部件采用与实施例一相应的附图标记,为简便起见,下文仅描述与实施例一的区别点。该实施例二与实施例一的不同之处在于:As shown in FIGS. 3-4 and 6 , the same or corresponding components as in the first embodiment are marked with the corresponding reference numerals. For simplicity, only the differences from the first embodiment are described below. The difference between the second embodiment and the first embodiment is:

进一步,如图3-4所示,所述第一筛选部142包括:Further, as shown in FIGS. 3-4 , the first screening unit 142 includes:

第一安装座1421,所述第一安装座1421设于工作台100上;a first mounting seat 1421, the first mounting seat 1421 is arranged on the workbench 100;

拦截板1422,所述拦截板1422设于第一安装上;an intercepting plate 1422, the intercepting plate 1422 is arranged on the first installation;

吸附板1423,所述吸附板1423与拦截板1422连接,设于第一安装座1421的一侧;an adsorption plate 1423, the adsorption plate 1423 is connected with the intercepting plate 1422, and is arranged on one side of the first mounting seat 1421;

拦截板1422阻拦铜片从下料斗11内落入到传输带13上时,出现侧面放置在传输带13上的情况,使铜片需要对准的位置发生变化,无法进行对准;When the intercepting plate 1422 blocks the copper sheet from falling into the conveyor belt 13 from the lower hopper 11, the side is placed on the conveyor belt 13, so that the position where the copper sheet needs to be aligned changes, and the alignment cannot be performed;

由于侧面放置在传输带13上的铜片高度高于正确放置在传输带13上的高度,正确放置的铜片可随着传输带13继续向前移动,限位板141的前端设有导正板,其宽度大于铜片的宽度,便于铜片的进入,进入后的铜经过限位板141的作用使其固定位置向后移动;Since the height of the copper sheet placed on the conveyor belt 13 at the side is higher than the height of the correctly placed copper sheet on the conveyor belt 13, the correctly placed copper sheet can continue to move forward with the conveyor belt 13, and the front end of the limit plate 141 is provided with a guide The width of the plate is larger than the width of the copper sheet, which is convenient for the entry of the copper sheet, and the copper after entering moves the fixed position backward through the action of the limit plate 141;

侧面放置的铜片经过拦截板1422位置后,被拦截板1422拦截下来,此时,吸附板1423在动力装置的带动下,将其逆时针或者顺时针转动,将铜片的凸起部位转动至正上方即可,且现有技术能够达到将其准确放置,在此不做过多赘述。After the copper sheet placed on the side passes the position of the intercepting plate 1422, it is intercepted by the intercepting plate 1422. At this time, the adsorption plate 1423 is driven by the power device to rotate it counterclockwise or clockwise, and the convex part of the copper sheet is rotated to Just above it is enough, and the prior art can achieve accurate placement, so it will not be repeated here.

进一步,如图6所示,第二筛选部143包括:Further, as shown in FIG. 6 , the second screening unit 143 includes:

第二安装座1431,所述第二安装座1431设于传输带13的一侧;the second mounting seat 1431, the second mounting seat 1431 is arranged on one side of the conveyor belt 13;

伸缩板1432,所述伸缩板1432与第二安装座1431连接,设于安装座的一侧;a telescopic plate 1432, the telescopic plate 1432 is connected to the second mounting seat 1431, and is arranged on one side of the mounting seat;

吸附杆1433,用于转动铜片位置的所述吸附杆1433设于第二安装座1431的顶部;an adsorption rod 1433, the adsorption rod 1433 for rotating the position of the copper sheet is arranged on the top of the second mounting seat 1431;

对距块1434,所述对距块1434设于第二安装座1431的两侧;The distance block 1434, the distance block 1434 is arranged on both sides of the second mounting seat 1431;

与上述铜片对位的铜片在下料的过程中,也会出现需要对位的位置不准确的情况;In the process of blanking the copper sheet aligned with the above-mentioned copper sheet, the position that needs to be aligned will also be inaccurate;

当位置不准确时,先在伸缩板1432的阻拦作用下,将铜片阻拦,随后使用对距块1434来对铜片位置进行固定的同时能够测量两侧的距离,此处需要说,因为铜片的形状要求,正确放置的铜片两侧距离要小于两侧错误放置铜片的距离,最后判定出来是否正确,不正确的铜片则以吸附杆1433为中心发生转动90度,使其转动到准确的位置。When the position is inaccurate, first block the copper sheet under the blocking action of the telescopic plate 1432, and then use the distance block 1434 to fix the position of the copper sheet and measure the distance on both sides. The shape of the sheet requires that the distance between the two sides of the correctly placed copper sheet should be smaller than the distance between the two sides of the incorrectly placed copper sheet. Finally, it is determined whether it is correct or not. The incorrect copper sheet is rotated 90 degrees with the adsorption rod 1433 as the center to make it rotate. to the exact location.

实施例三Embodiment 3

如图4所示,其中与实施例一中相同或相应的部件采用与实施例一相应的附图标记,为简便起见,下文仅描述与实施例一的区别点。该实施例一与实施例一的不同之处在于:As shown in FIG. 4 , the same or corresponding components as those in the first embodiment are marked with reference numerals corresponding to those in the first embodiment. For the sake of brevity, only the differences from the first embodiment are described below. The difference between the first embodiment and the first embodiment is:

所述第一固定机构212包括:The first fixing mechanism 212 includes:

第一夹紧板2121,所述第一夹紧板2121弹性设于第一承接板2111的两侧;a first clamping plate 2121, the first clamping plate 2121 is elastically arranged on both sides of the first receiving plate 2111;

第一压持板2122,所述第一压持板2122滑动连接于第一夹紧板2121上;a first pressing plate 2122, the first pressing plate 2122 is slidably connected to the first clamping plate 2121;

推动装置向前推动,带动弹性连接在第一夹紧板2121与推动装置之间的弹性件来挤压铜片,位置固定后的第一夹紧板2121的外部设有外壳,利用推动装置推动第一压持板2122第一压持板2122弹性连接在外壳内并将第一压持2122按压在第一承接板2111上,达到将已经对准好凸起的铜片位置固定,不会发生偏移。The pushing device pushes forward, and drives the elastic piece elastically connected between the first clamping plate 2121 and the pushing device to squeeze the copper sheet. The outer part of the first clamping plate 2121 after the position is fixed is provided with a casing, which is pushed by the pushing device. First pressing plate 2122 The first pressing plate 2122 is elastically connected in the casing and presses the first pressing plate 2122 on the first receiving plate 2111, so as to fix the position of the copper sheet that has been aligned with the protrusions. offset.

工作步骤Work steps

步骤一、将铜片放置到下料斗11中,使铜片可依序沿着下料轨道12移动向下,为了减少摩擦,在下料轨道12中滚动设置有滚动辊121,可进一步促进铜片的下料,直至落至传输带13上;Step 1. Put the copper sheets into the lowering hopper 11, so that the copper sheets can move down along the blanking track 12 in sequence. In order to reduce friction, rolling rollers 121 are arranged in the blanking track 12, which can further promote the copper sheets. The material is unloaded until it falls on the conveyor belt 13;

步骤二、落至传输带13上的铜片,经第一筛选组件14和第二筛选组件14的拦截,并对其进行正确的转动角度,使其在传输带13上以对接的状态继续向前运输,再经限位板141的限位作用,使铜片可固定位置移至下一工位;Step 2: The copper sheet falling on the conveyor belt 13 is intercepted by the first screening assembly 14 and the second screening assembly 14, and is rotated at the correct angle, so that it continues to move toward the conveyor belt 13 in a docked state. Before transportation, and then through the limiting action of the limiting plate 141, the copper sheet can be moved to the next station in a fixed position;

步骤三、继续向前移动的铜片,分别到第一承接板2111和第二承接板2211上,第一承接板2111上的铜片利用对柱组件21对其进行位置确定,第二承接板2211上的铜片利用对孔组件22对其进行位置的确定;Step 3. The copper pieces that continue to move forward are respectively placed on the first receiving plate 2111 and the second receiving plate 2211. The copper plates on the first receiving plate 2111 are positioned by the column assembly 21. The second receiving plate The position of the copper sheet on 2211 is determined by the hole assembly 22;

步骤四、第一承接板2111上的铜片上的凸起向上,利用对位孔21131内的锁紧板21145以圆周方向收缩的锁紧作用。来与凸柱进行接触,在凸柱之间可能发生偏移时,锁紧板21145可将凸柱以锁紧板21145为中心进行位置调整,使铜片始终以对位孔21131的中心为基准来与另一个铜片进行对准,锁紧板21145对铜片的位置调整后,重合在铜片的表面,具有一定的压持作用,此时,利用第一夹紧板2121和第一压持板2122的夹紧作用,来保证铜片的位置不发生偏移;Step 4: The protrusion on the copper sheet on the first receiving plate 2111 is upward, and the locking effect of the locking plate 21145 in the alignment hole 21131 is used to shrink in the circumferential direction. When there may be deviation between the protruding posts, the locking plate 21145 can adjust the position of the protruding post with the locking plate 21145 as the center, so that the copper sheet is always based on the center of the alignment hole 21131 To align with another copper sheet, after the position of the copper sheet is adjusted by the locking plate 21145, it overlaps on the surface of the copper sheet and has a certain pressing effect. At this time, the first clamping plate 2121 and the first pressing The clamping action of the holding plate 2122 ensures that the position of the copper sheet does not shift;

步骤五、第二承接板2211上的铜片始终保持盲孔朝下,且呈工字型放置,利用四组对位柱2213以相向收紧的方向同时运动来与铜片内的盲孔接触,以推动盲孔的方式来对铜片进行定位,从而铜片始终以对位柱2213为基准,同时,也利用第一夹紧板2121和第二压持板2223的作用,将铜片进行固定;Step 5. The copper sheet on the second receiving plate 2211 always keeps the blind hole facing down and is placed in an I-shape, and uses four sets of alignment posts 2213 to move simultaneously in the direction of opposite tightening to contact the blind hole in the copper sheet. , the copper sheet is positioned by pushing the blind hole, so that the copper sheet is always based on the alignment post 2213, and at the same time, the copper sheet is also fixed;

步骤六、固定后的两组铜片经过第一对接部32的移动使带有凸起的铜片可先向前随后垂直向上移动,且设有盲孔的铜片也先向前随后向下移动,直至两个铜片的距离相距最近;Step 6. The fixed two sets of copper sheets move through the first butt portion 32, so that the copper sheets with protrusions can move forward first and then vertically upward, and the copper sheets with blind holes also move forward first and then downward. Move until the distance between the two copper pieces is the closest;

步骤七、随后,利用第二对接部33使两组铜片相向移动,直至使铜片对接的位置上下重合时,停止移动;Step 7. Subsequently, use the second docking portion 33 to move the two groups of copper sheets toward each other, and stop moving until the positions of the butt joints of the copper sheets are overlapped up and down;

步骤八、最后,在对准杆34穿过避让槽22211,将力作用到带有盲孔的铜片上,将其向下压持,使其与带有凸起的铜片完全重合,可使盲孔和凸起的位置均以对位柱2213和锁紧板21145为基准进行对接,使其对准的位置更准确。Step 8. Finally, when the alignment rod 34 passes through the avoidance groove 22211, the force is applied to the copper sheet with blind holes, and it is pressed down so that it completely overlaps with the copper sheet with protrusions, so that the The positions of the blind holes and the protrusions are all docked based on the alignment post 2213 and the locking plate 21145, so that the alignment positions are more accurate.

以上所述仅为本发明的较佳实施例而已,并不用以限制本发明,凡在本发明的精神和原则之内所作的任何修改、等同替换和改进等,均应包含在本发明的保护范围之内。The above descriptions are only preferred embodiments of the present invention and are not intended to limit the present invention. Any modifications, equivalent replacements and improvements made within the spirit and principles of the present invention shall be included in the protection of the present invention. within the range.

Claims (10)

1. The utility model provides a row of inserting processing is with copper spare aligning device, includes the workstation, its characterized in that still includes:
the blanking unit is used for sequentially and downwards transmitting the copper sheets and is arranged at one end of the workbench;
the alignment unit is used for connecting the alignment unit which aligns the position of the transmitted copper sheet with the blanking unit;
the alignment unit includes:
the column alignment assembly is used for aligning the position of the copper sheet with the bulge and is connected with the blanking unit; and
the hole aligning component is used for aligning the position of the copper sheet with the blind hole and is connected with the blanking unit;
and the butt joint unit is used for connecting the butt joint unit of the aligned copper sheet with the alignment unit.
2. The copper member alignment device for socket processing according to claim 1,
the unloading unit includes:
the discharging hoppers are used for loading two copper sheets and are arranged on two sides of the workbench;
the blanking track is used for connecting the blanking track and a blanking hopper, the two copper sheets are sequentially conveyed downwards, the blanking track is arranged at the bottom of the blanking hopper, and rolling rollers are arranged on two sides of the blanking track;
the conveying belt is used for carrying and conveying two types of copper sheets, is connected with the blanking track and is arranged at the bottom of the blanking track; and
and the screening component is used for screening the butt joint parts of the two copper sheets, is connected with the transmission belt and is arranged on the workbench.
3. The copper member alignment device for socket processing according to claim 2,
the screening subassembly includes:
the limiting plates are used for limiting the moving position of the copper sheet and are arranged on two sides of the conveying belt;
the first screening part is used for screening the convex part of the copper sheet and transmitting the copper sheet backwards and is arranged at the top of the transmission belt;
and the second screening part is used for adjusting the position of the copper sheet and is arranged at the top of the conveying belt.
4. The copper member alignment device for socket processing according to claim 1,
the pair of post assemblies includes:
the column finding mechanism is used for finding the position of the protruding part to determine the position of the copper sheet and is arranged on one side of the workbench;
and the first fixing mechanism is used for fixing the position of the copper sheet at the aligned raised part, is connected with the transmission belt and is arranged on the workbench.
5. The copper member alignment apparatus for socket processing according to claim 4,
look for post mechanism includes:
the first bearing plate is used for bearing the copper sheet to be transmitted, is connected with the transmission belt and is arranged on the workbench;
the moving part is used for driving the end part to move and is arranged on one side of the workbench;
the alignment plate is used for pressing and holding the alignment plate acting on the copper sheet to be connected with the moving part, and alignment holes corresponding to the protrusions of the copper sheet are formed in the alignment plate;
and the locking part is used for driving the component to shrink in the circumferential direction to lock the determined column body and is arranged in the alignment hole.
6. The copper member alignment apparatus for socket working according to claims 4 to 5,
the first fixing mechanism includes:
the first clamping plates are elastically arranged on two sides of the first bearing plate;
the first pressing plate is connected to the first clamping plate in a sliding mode.
7. The copper member alignment device for socket processing according to claim 1,
the pair of hole assemblies includes:
the hole finding mechanism is used for finding the blind hole position and determining the position of the copper sheet, is connected with the conveying belt and is arranged on the workbench; and
and the second fixing mechanism is used for fixing the copper sheet with the determined position and is arranged above the hole finding mechanism.
8. The copper member alignment apparatus for socket processing according to claim 7,
the hole finding mechanism comprises:
the second bearing plate is connected with the conveying belt and arranged on the workbench;
the two-way gathering part is used for driving the end parts to move oppositely and is arranged in the second bearing plate; and
the alignment post is connected with the bidirectional gathering part;
the two-way gathering part drives the alignment posts to move in a gathering type opposite direction together, and the positions of the copper sheets are determined by the alignment posts.
9. The copper member alignment apparatus for socket processing according to claims 7-8,
the second fixing mechanism includes:
the top plate is arranged at the top of the second bearing plate, and an avoidance groove is formed in the top plate;
the second fixing plate is connected with the top plate and elastically arranged on two sides of the top plate;
and the second pressing and holding plate is arranged on the second fixing plate in a sliding manner.
10. The copper member alignment device for socket processing according to claim 1,
the docking unit includes:
the first connecting column is connected with the first alignment plate;
the first butt joint part is used for driving the end part components to move along the track and is arranged on two sides of the workbench;
the second butt joint part is used for driving the second butt joint parts which are close to the copper sheets to be aligned with each other to be arranged on the workbench;
and the alignment rod is used for enabling the aligned copper sheets to be mutually extruded and butted and is arranged at one end of the workbench.
CN202210491156.9A 2022-05-07 2022-05-07 Copper part alignment device for processing power strip Pending CN114843863A (en)

Priority Applications (1)

Application Number Priority Date Filing Date Title
CN202210491156.9A CN114843863A (en) 2022-05-07 2022-05-07 Copper part alignment device for processing power strip

Applications Claiming Priority (1)

Application Number Priority Date Filing Date Title
CN202210491156.9A CN114843863A (en) 2022-05-07 2022-05-07 Copper part alignment device for processing power strip

Publications (1)

Publication Number Publication Date
CN114843863A true CN114843863A (en) 2022-08-02

Family

ID=82566895

Family Applications (1)

Application Number Title Priority Date Filing Date
CN202210491156.9A Pending CN114843863A (en) 2022-05-07 2022-05-07 Copper part alignment device for processing power strip

Country Status (1)

Country Link
CN (1) CN114843863A (en)

Citations (7)

* Cited by examiner, † Cited by third party
Publication number Priority date Publication date Assignee Title
KR20040027237A (en) * 2002-09-26 2004-04-01 주식회사 풍산마이크로텍 Riveting machine for electronic parts assembly
CN204524751U (en) * 2015-02-26 2015-08-05 宁波市鄞州亚大汽车管件有限公司 A kind of modified clamp system of crimping device
CN206083981U (en) * 2016-08-31 2017-04-12 中山市三乐电子有限公司 Copper sheet automatic cutting feeder
CN111029883A (en) * 2019-11-25 2020-04-17 浙江凯美特电器科技有限公司 Automatic socket copper sheet assembling equipment
CN211768864U (en) * 2020-03-18 2020-10-27 南京中江新材料科技有限公司 Novel copper sheet of DBC ceramic substrate and equipment of potsherd automatic feeding to fritting furnace
CN214518046U (en) * 2021-03-05 2021-10-29 连天剑智能装备(苏州)有限公司 Automatic assembly production line of upper cover and copper sheet
CN114334552A (en) * 2021-12-01 2022-04-12 吉门保险丝制造(厦门)有限公司 Square fuse automatic assembly machine and square fuse automatic assembly method

Patent Citations (7)

* Cited by examiner, † Cited by third party
Publication number Priority date Publication date Assignee Title
KR20040027237A (en) * 2002-09-26 2004-04-01 주식회사 풍산마이크로텍 Riveting machine for electronic parts assembly
CN204524751U (en) * 2015-02-26 2015-08-05 宁波市鄞州亚大汽车管件有限公司 A kind of modified clamp system of crimping device
CN206083981U (en) * 2016-08-31 2017-04-12 中山市三乐电子有限公司 Copper sheet automatic cutting feeder
CN111029883A (en) * 2019-11-25 2020-04-17 浙江凯美特电器科技有限公司 Automatic socket copper sheet assembling equipment
CN211768864U (en) * 2020-03-18 2020-10-27 南京中江新材料科技有限公司 Novel copper sheet of DBC ceramic substrate and equipment of potsherd automatic feeding to fritting furnace
CN214518046U (en) * 2021-03-05 2021-10-29 连天剑智能装备(苏州)有限公司 Automatic assembly production line of upper cover and copper sheet
CN114334552A (en) * 2021-12-01 2022-04-12 吉门保险丝制造(厦门)有限公司 Square fuse automatic assembly machine and square fuse automatic assembly method

Similar Documents

Publication Publication Date Title
CN113511460B (en) Plate lifting device and plate conveyor belt inspection table
CN109775212B (en) A test production line
CN117858377B (en) Positioning device for welding of Printed Circuit Board (PCB) dual-in-package (DIP) chip
CN112362663B (en) An edge patrol detection mechanism and panel edge patrol detection method
CN215699329U (en) Conveying and positioning tool and welding system
CN110919359A (en) Automatic assembling method of network terminal
CN116238860A (en) Automatic transfer system and automatic transfer method convenient for automatic production of lithium batteries
CN114843863A (en) Copper part alignment device for processing power strip
CN212349512U (en) A detect and close a set all-in-one for bearing inner and outer lane
CN114069015B (en) Self-adaptive centering stacking device
CN210155287U (en) Finished product testing machine battery supply delivery testing device
CN118491881A (en) A bearing appearance inspection machine
CN112539727A (en) Detection device
CN113233178B (en) Detect unloading equipment
CN222389039U (en) Assembly line positioning and transferring mechanism
CN116713749A (en) Mobile phone middle frame processing equipment and processing method
CN210952940U (en) Synchronous detection device
CN112130097A (en) A port detection device for network transformer production
CN223619603U (en) Conveying mechanism with clamping function
CN219532334U (en) Press elastic force detection device
CN217859877U (en) Caster tube assembling mechanism
CN120962597B (en) A Quasi-Optical Feed Network Device Assembly and Testing Platform
CN218193485U (en) A positioning device and welding equipment
CN222098861U (en) Positioning mechanism of stacking tool for lithium battery
CN220702483U (en) Battery module discharging device

Legal Events

Date Code Title Description
PB01 Publication
PB01 Publication
SE01 Entry into force of request for substantive examination
SE01 Entry into force of request for substantive examination