CN114789651A - 机电耦合传动装置及汽车 - Google Patents
机电耦合传动装置及汽车 Download PDFInfo
- Publication number
- CN114789651A CN114789651A CN202110099179.0A CN202110099179A CN114789651A CN 114789651 A CN114789651 A CN 114789651A CN 202110099179 A CN202110099179 A CN 202110099179A CN 114789651 A CN114789651 A CN 114789651A
- Authority
- CN
- China
- Prior art keywords
- gear
- motor
- transmission device
- electromechanical coupling
- coupling transmission
- Prior art date
- Legal status (The legal status is an assumption and is not a legal conclusion. Google has not performed a legal analysis and makes no representation as to the accuracy of the status listed.)
- Pending
Links
Images
Classifications
-
- B—PERFORMING OPERATIONS; TRANSPORTING
- B60—VEHICLES IN GENERAL
- B60K—ARRANGEMENT OR MOUNTING OF PROPULSION UNITS OR OF TRANSMISSIONS IN VEHICLES; ARRANGEMENT OR MOUNTING OF PLURAL DIVERSE PRIME-MOVERS IN VEHICLES; AUXILIARY DRIVES FOR VEHICLES; INSTRUMENTATION OR DASHBOARDS FOR VEHICLES; ARRANGEMENTS IN CONNECTION WITH COOLING, AIR INTAKE, GAS EXHAUST OR FUEL SUPPLY OF PROPULSION UNITS IN VEHICLES
- B60K6/00—Arrangement or mounting of plural diverse prime-movers for mutual or common propulsion, e.g. hybrid propulsion systems comprising electric motors and internal combustion engines
- B60K6/20—Arrangement or mounting of plural diverse prime-movers for mutual or common propulsion, e.g. hybrid propulsion systems comprising electric motors and internal combustion engines the prime-movers consisting of electric motors and internal combustion engines, e.g. HEVs
- B60K6/42—Arrangement or mounting of plural diverse prime-movers for mutual or common propulsion, e.g. hybrid propulsion systems comprising electric motors and internal combustion engines the prime-movers consisting of electric motors and internal combustion engines, e.g. HEVs characterised by the architecture of the hybrid electric vehicle
- B60K6/44—Series-parallel type
- B60K6/442—Series-parallel switching type
-
- B—PERFORMING OPERATIONS; TRANSPORTING
- B60—VEHICLES IN GENERAL
- B60K—ARRANGEMENT OR MOUNTING OF PROPULSION UNITS OR OF TRANSMISSIONS IN VEHICLES; ARRANGEMENT OR MOUNTING OF PLURAL DIVERSE PRIME-MOVERS IN VEHICLES; AUXILIARY DRIVES FOR VEHICLES; INSTRUMENTATION OR DASHBOARDS FOR VEHICLES; ARRANGEMENTS IN CONNECTION WITH COOLING, AIR INTAKE, GAS EXHAUST OR FUEL SUPPLY OF PROPULSION UNITS IN VEHICLES
- B60K6/00—Arrangement or mounting of plural diverse prime-movers for mutual or common propulsion, e.g. hybrid propulsion systems comprising electric motors and internal combustion engines
- B60K6/20—Arrangement or mounting of plural diverse prime-movers for mutual or common propulsion, e.g. hybrid propulsion systems comprising electric motors and internal combustion engines the prime-movers consisting of electric motors and internal combustion engines, e.g. HEVs
- B60K6/22—Arrangement or mounting of plural diverse prime-movers for mutual or common propulsion, e.g. hybrid propulsion systems comprising electric motors and internal combustion engines the prime-movers consisting of electric motors and internal combustion engines, e.g. HEVs characterised by apparatus, components or means specially adapted for HEVs
- B60K6/36—Arrangement or mounting of plural diverse prime-movers for mutual or common propulsion, e.g. hybrid propulsion systems comprising electric motors and internal combustion engines the prime-movers consisting of electric motors and internal combustion engines, e.g. HEVs characterised by apparatus, components or means specially adapted for HEVs characterised by the transmission gearings
- B60K6/365—Arrangement or mounting of plural diverse prime-movers for mutual or common propulsion, e.g. hybrid propulsion systems comprising electric motors and internal combustion engines the prime-movers consisting of electric motors and internal combustion engines, e.g. HEVs characterised by apparatus, components or means specially adapted for HEVs characterised by the transmission gearings with the gears having orbital motion
-
- B—PERFORMING OPERATIONS; TRANSPORTING
- B60—VEHICLES IN GENERAL
- B60K—ARRANGEMENT OR MOUNTING OF PROPULSION UNITS OR OF TRANSMISSIONS IN VEHICLES; ARRANGEMENT OR MOUNTING OF PLURAL DIVERSE PRIME-MOVERS IN VEHICLES; AUXILIARY DRIVES FOR VEHICLES; INSTRUMENTATION OR DASHBOARDS FOR VEHICLES; ARRANGEMENTS IN CONNECTION WITH COOLING, AIR INTAKE, GAS EXHAUST OR FUEL SUPPLY OF PROPULSION UNITS IN VEHICLES
- B60K6/00—Arrangement or mounting of plural diverse prime-movers for mutual or common propulsion, e.g. hybrid propulsion systems comprising electric motors and internal combustion engines
- B60K6/20—Arrangement or mounting of plural diverse prime-movers for mutual or common propulsion, e.g. hybrid propulsion systems comprising electric motors and internal combustion engines the prime-movers consisting of electric motors and internal combustion engines, e.g. HEVs
- B60K6/22—Arrangement or mounting of plural diverse prime-movers for mutual or common propulsion, e.g. hybrid propulsion systems comprising electric motors and internal combustion engines the prime-movers consisting of electric motors and internal combustion engines, e.g. HEVs characterised by apparatus, components or means specially adapted for HEVs
- B60K6/38—Arrangement or mounting of plural diverse prime-movers for mutual or common propulsion, e.g. hybrid propulsion systems comprising electric motors and internal combustion engines the prime-movers consisting of electric motors and internal combustion engines, e.g. HEVs characterised by apparatus, components or means specially adapted for HEVs characterised by the driveline clutches
- B60K6/387—Actuated clutches, i.e. clutches engaged or disengaged by electric, hydraulic or mechanical actuating means
Landscapes
- Engineering & Computer Science (AREA)
- Chemical & Material Sciences (AREA)
- Combustion & Propulsion (AREA)
- Transportation (AREA)
- Mechanical Engineering (AREA)
- Electric Propulsion And Braking For Vehicles (AREA)
Abstract
本发明属于新能源技术领域,特别是涉及一种机电耦合传动装置及汽车。该机电耦合传动装置包括发动机、第一电机、第二电机、第一轴、第二轴、第一齿轮组件、行星齿轮机构、第一离合器及制动器;第一电机连接发动机的输出轴;行星齿轮机构包括太阳轮、行星轮、齿圈以及设有传动齿的行星架;太阳轮和齿圈均与行星轮啮合,行星架连接行星轮;齿圈与太阳轮均连接第一轴;第二电机的输出轴连接齿圈,制动器用于制动太阳轮;第一离合器连接在太阳轮和齿圈之间;第一齿轮组件包括均安装在第二轴上的第一齿轮和第二齿轮;第一齿轮与传动齿啮合,第二齿轮与汽车差速器的差速齿轮啮合。本发明中,该机电耦合传动装置的结构简单,制造成本低,且动力性强。
Description
技术领域
本发明属于新能源技术领域,特别是涉及一种机电耦合传动装置及汽车。
背景技术
随着石化能源的日益稀少以及环保概念的日益深入,开发环保、节能型的汽车已成为汽车工业发展的新趋势。目前,由于纯电动汽车的充电时间长、冬季续航里程短等技术瓶颈尚未突破;燃料电池的成本居高不下,加氢等基础设施的建设也还需时间。而混合动力汽车可以利用现有的充能设施进行充能,也具有节能减排的优点,因此,混合动力汽车是目前比较现实可行的解决方案。混合动力汽车需要具备多种工作模式,并根据车速、整车扭矩等实际情况切换到经济性最佳的工作模式;而机电耦合传动装置是实现混合动力汽车实现多种工作模式的关键部件。
但是,现有技术中的机电耦合传动装置的结构比较复杂,制造成本比较高。
发明内容
本发明解决了现有机电耦合传动装置的结构复杂,制造成本高等技术问题,提供了一种机电耦合传动装置及电动汽车。
鉴于以上问题,本发明实施例提供的一种机电耦合传动装置,包括发动机、第一电机、第二电机、第一轴、第二轴、第一齿轮组件、行星齿轮机构、第一离合器以及制动器;所述第一电机连接所述发动机的输出轴;
所述行星齿轮机构包括太阳轮、行星轮、齿圈以及设有传动齿的行星架;所述太阳轮和所述齿圈均与所述行星轮啮合,所述行星架连接所述行星轮;所述齿圈与所述太阳轮均连接所述第一轴;所述第二电机的输出轴连接所述齿圈,所述制动器用于制动所述太阳轮;
所述第一齿轮组件包括均安装在所述第二轴上的第一齿轮和第二齿轮;所述第一齿轮与所述传动齿啮合,所述第二齿轮与汽车差速器的差速齿轮啮合;
所述第一离合器连接在所述太阳轮和所述齿圈之间;或所述第一离合器连接在所述太阳轮和所述行星架之间;或所述第一离合器连接在所述齿圈和所述行星架之间。
可选地,所述机电耦合传动装置还包括第二齿轮组件,所述第一电机通过所述第二齿轮组件连接所述发动机的输出轴。
可选地,所述机电耦合传动装置还包括第三齿轮组件,所述第二电机通过所述第三齿轮组件连接所述齿圈。
可选地,所述第一轴与所述第二轴相互平行。
可选地,所述机电耦合传动装置具有纯电动一档模式、纯电动二档模式以及曾程模式;
所述机电耦合传动装置在纯电动一档模式时,所述制动器锁止,所述第一离合器分离,所述第二电机驱动汽车车轮转动;
所述机电耦合传动装置在纯电动二档模式时,所述制动器打开,所述第一离合器结合所述第二电机驱动汽车车轮转动;
所述机电耦合传动装置在增程模式时,所述第一电机在所述发动机的驱动下发电并将电能输送至第二电机,所述第二电机驱动汽车车轮转动。
可选地,所述机电耦合传动装置还包括第二离合器;所述发动机的输出轴通过所述第二离合器连接所述第一轴。
可选地,所述机电耦合传动装置具有还包括串联混动一档模式和串联混动二档模式;
所述机电耦合传动装置在串联混动一档模式时,所述制动器锁止,所述第一离合器和所述第二离合器均分离,所述第二电机驱动汽车车轮转动,所述第一电机在所述发动机的驱动下发电并将电能输送至第二电机,所述第二电机驱动汽车车轮转动;
所述机电耦合传动装置在串联混动二档模式时,所述制动器打开,所述第一离合器结合,所述第二离合器分离,所述第一电机在所述发动机的驱动下发电并将电能输送至第二电机,所述第二电机驱动汽车车轮转动。
可选地,所述机电耦合传动装置具有并联混动一档模式;
所述机电耦合传动装置在并联混动一档模式时,所述制动器锁止,所述第一离合器分离,所述第二离合器结合,所述发动机、所述第一电机以及第二电机驱动汽车车轮转动。
可选地,所述机电耦合传动装置具有并联混动二档模式;
所述机电耦合传动装置在并联混动二档模式时,所述制动器打开,所述第一离合器和所述第二离合器均结合,所述发动机、所述第一电机以及第二电机驱动汽车车轮转动。
本发明一实施例还提供了一种汽车,包括上述的机电耦合传动装置。
本发明中,所述第一电机直接连接所述发动机的输出轴,所述发动机无需通过所述行星齿轮机构即可直接带动所述第一电机转动,故所述发动机的转动不受限于行星齿轮机构转速上限的影响,发动机可以获得更好的动力性。另外,所述发动机和所述第一电机可以作为一个增程器,此时,所述发动机和所述第一电机均不用于驱动汽车车轮转动,该增程器可以为所述第二电机提供电力驱动汽车车轮转动,从而使得汽车相当于一辆纯电动汽车,减少汽车尾气的排放。并且该机电耦合传动装置的结构简单,制造成本低。
附图说明
下面结合附图和实施例对本发明进一步说明。
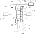
图1为本发明第一实施例提供的机电耦合传动装置的示意图;
图2为本发明第二实施例提供的机电耦合传动装置的示意图;
图3为本发明第三实施例提供的机电耦合传动装置的示意图;
图4为本发明第四实施例提供的机电耦合传动装置的示意图;
图5为本发明第五实施例提供的机电耦合传动装置的示意图;
图6为本发明第六实施例提供的机电耦合传动装置的示意图;
图7为本发明第七实施例提供的机电耦合传动装置的示意图;
图8为本发明第八实施例提供的机电耦合传动装置的示意图;
图9为本发明第九实施例提供的机电耦合传动装置的示意图。
说明书中的附图标记如下:
1、发动机;2、第一电机;3、第二电机;4、第一轴;5、第二轴;6、第一齿轮组件;61、第一齿轮;62、第二齿轮;7、行星齿轮机构;71、太阳轮;72、行星轮;73、齿圈;74、行星架;8、第一离合器;9、制动器;10、差速齿轮;101、第二离合器;102、第二齿轮组件;103、第三齿轮组件。
具体实施方式
为了使本发明所解决的技术问题、技术方案及有益效果更加清楚明白,以下结合附图及实施例,对本发明进行进一步的详细说明。应当理解,此处所描述的具体实施例仅用以解释本发明,并不用于限定本发明。
需要理解的是,术语“上”、“下”、“左”、“右”、“前”、“后”、“中部”等指示的方位或位置关系为基于附图所示的方位或位置关系,仅是是为了便于描述本发明和简化描述,而不是指示或暗示所指的装置或元件必须具有特定的方位、以特定的方位构造和操作,因此不能理解为本发明的限制。
如图1至图3所示,本发明一实施例提供了一种机电耦合传动装置,包括发动机1、第一电机2、第二电机3、第一轴4、第二轴5、第一齿轮组件6、行星齿轮机构7、第一离合器8以及制动器9;所述第一电机2连接所述发动机1的输出轴,所述第一电机2连接所述第二电机3;作为优选,所述第一轴4和所述第二轴5平行设置。
所述行星齿轮机构7包括太阳轮71、行星轮72、齿圈73以及设有传动齿的行星架74;所述太阳轮71和所述齿圈73均与所述行星轮72啮合,所述行星架74连接所述行星轮72;所述齿圈73和所述太阳轮71均连接所述第一轴4;所述第二电机3的输出轴连接所述齿圈73,所述制动器9用于制动所述太阳轮71;所述第一离合器8安装在所述行星齿轮机构7上,且用于控制所述行星齿轮机构7的一个自由度;可以理解地,所述行星轮72可以根据实际需求设置为多个,且多个所述行星轮72均位于所述齿圈73内,且均与所述齿圈73的内齿啮合;而所述太阳轮71位于多个所述行星轮72的中间,且所述太阳轮71所有所述行星轮72均啮合;所有所述行星轮72均转动安装在所述行星架74上。
进一步地,所述制动器9包括安装在变速箱壳体上的第一结合部,以及安装在所述太阳轮71上的第二结合部,当所述第一结合部和所述第二结合部结合时,所述太阳轮71将被锁止在变速箱壳体上,此时所述太阳轮71不会发生转动。所述第一离合器8包括安装在所述齿圈73上的第三结合部,以及安装在所述太阳轮71上的第四结合部;当所述第三结合部和所述第四结合部结合时,所述太阳轮71与所述齿圈73为一体结构。
所述第一离合器8连接在所述太阳轮71和所述齿圈73之间;或所述第一离合器8连接在所述太阳轮71和所述行星架74之间;或所述第一离合器8连接在所述齿圈73和所述行星架74之间。可以理解地,所述第一离合器8连接在所述太阳轮71、所述齿圈73以及所述行星架74三个中的任意两个之间,所述第一离合器8通过所述太阳轮71、所述齿圈73以及所述行星架74三个中的任意两个之间的结构,即可控制所述行星齿轮机构7的一个自由度。
所述第一齿轮组件6包括均安装(通过过盈配合等方式安装)在所述第二轴5上的第一齿轮61和第二齿轮62;所述第一齿轮61与所述传动齿啮合,所述第二齿轮62与汽车差速器的差速器啮合。可以理解地,所述汽车差速器通过左右半轴连接汽车的左右车轮,从而所述第二齿轮62的转动将通过所述差速器带动汽车车轮的转动。
具体地,该所述机电耦合传动装置具有纯电动一档模式、纯电动二档模式以及增程模式;
所述机电耦合传动装置在纯电动一档模式时,所述制动器9锁止,所述第一离合器8分离,所述第二电机3驱动汽车车轮转动;具体地,所述第二电机3的转动依次通过所述齿圈73、所述行星轮72、所述行星架74的传动齿、所述第一齿轮61、所述第二轴5、所述第二齿轮62以及所述差速齿轮10带动汽车车轮转动。
所述机电耦合传动装置在纯电动二档模式时,所述制动器9打开,所述第一离合器8结合所述第二电机3驱动汽车车轮转动。具体地,所述第二电机3的转动依次通过所述齿圈73、所述第一离合器8、所述太阳轮71、所述行星轮72、所述行星架74的传动齿、所述第一齿轮61、所述第二轴5、所述第二齿轮62以及所述差速齿轮10带动汽车车轮转动。
所述机电耦合传动装置在增程模式时,所述第一电机2在所述发动机1的驱动下发电并将电能输送至第二电机3,所述第二电机3驱动汽车车轮转动。具体地,由于所述第一电机2直接连接在所述发动机1的输出轴上,从而所述发动机1的转动件带动所述第一电机2发电,由于所述第一电机2连接所述第二电机3,所述第一电机2的电力可以输送至所述第二电机3,进而提高了所述第二电机3的续航里程,也即所述第一电机2可以作为一个增程器。
本实施例中,该机电耦合传动装置的所述第二电机3具有两个档位,纯电动一档模式的中间传动的齿轮较少,传递至所述第二齿轮62扭矩大而转速小,从而可以满足汽车坡道起步的需求,纯电动二档模式的中间传动的齿轮较多,传递至所述第二齿轮62的转速大而扭矩小,从而可以满足汽车高速的需求。降低了第二电机3的制造成本。
本发明中,所述第一电机2直接连接所述发动机1的输出轴,所述发动机1无需通过所述行星齿轮机构7即可直接带动所述第一电机2转动,故所述发动机1的转动不受限于所述行星齿轮机构7转速上限的影响,所述发动机1可以获得更好的动力性。另外,所述发动机1和所述第一电机2可以作为一个增程器,此时,所述发动机1和所述第一电机2均不用于驱动动汽车车轮转动,该增程器可以为所述第二电机3提供电力驱动汽车车轮转动,从而汽车相当于一辆纯电动汽车,减少汽车尾气的排放。并且该机电耦合传动装置的结构简单,制造成本低。
在一实施例中,如图2、图3、图6、图8及图9所示,所述机电耦合传动装置还包括第二齿轮组件102,所述第一电机2通过所述第二齿轮组件102连接所述发动机1的输出轴。可以理解地,所述第二齿轮组件102包括相互啮合的至少两个第三齿轮,所述第三齿轮可以根据实际需求设置为2个、3个、4个等,所述第一电机2可以通过多个所述第三齿轮带动汽车车轮转动,从而进一步满足了汽车高速的需求,提高了汽车的适用性。
在一实施例中,如图7至图9所示,所述机电耦合传动装置还包括第三齿轮组件103,所述第二电机3通过所述第三齿轮组件103连接所述齿圈73。可以理解地,所述第三齿轮组件103包括至少两个相互啮合的第四齿轮,且所述第四齿轮可以根据实际需求设置为2个、3个、4个等。本实施例中,所述第二电机3可以通过多个所述第四齿轮带动汽车车轮转动,从而进一步满足了汽车高速的需求,提高了汽车的适用性。
在一实施例中,如图4至图9所示,所述机电耦合传动装置还包括第二离合器101;所述发动机1的输出轴通过所述第二离合器101连接所述第一轴4。可以理解地,所述第二离合器101包括安装在所述发动机1输出轴上的第五结合部,以及安装在所述第一轴4上的第六结合部;当所述第五结合部和所述第六结合部结合时,所述发动机1和/或所述第一电机2通过所述第二离合器101带动汽车车轮转动,从而增多了汽车驱动模式,提高了汽车的驾驶体验。
以下机电耦合传动装置的驱动模式均以所述发动机1的输出轴通过所述第二离合器101连接所述第一轴4,所述齿圈73通过所述第一离合器8连接所述太阳轮71为例(也即以图4中的实施例进行说明),进行说明;其他实施例的驱动方式与该结构的驱动方式类似,在此就不再赘述。
所述机电耦合传动装置具有纯电动一档模式和纯电动二档模式;
所述机电耦合传动装置在纯电动一档模式时,所述制动器9锁止,所述第一离合器8和所述第二离合器101均分离,所述第二电机3驱动汽车车轮转动;具体地,所述第二电机3的转动依次通过所述齿圈73、所述行星轮72、所述行星架74的传动齿、所述第一齿轮61、所述第二轴5、所述第二齿轮62以及所述差速齿轮10带动汽车车轮转动。
所述机电耦合传动装置在纯电动二档模式时,所述制动器9打开,所述第一离合器8结合,所述第二离合器101分离,所述第二电机3驱动汽车车轮转动。具体地,所述第二电机3的转动依次通过所述齿圈73、所述第一离合器8、所述太阳轮71、所述行星轮72、所述行星架74的传动齿、所述第一齿轮61、所述第二轴5、所述第二齿轮62以及所述差速齿轮10带动汽车车轮转动。
在本实施例中,机电耦合传动装置包括纯电动一档模式和纯电动二档模式,也即所述第二电机3具有两个档位,纯电动一档模式中间传动的齿轮较少,传递至所述第二齿轮62扭矩大而转速小,从而可以满足汽车坡道起步的需求,纯电动一档模式中间传动的齿轮较多,传递至所述第二齿轮62的转速大而扭矩小,从而可以满足汽车高速的需求,降低了第二电机3的制造成本。
在一实施例中,如图4所示,所述机电耦合传动装置具有还包括串联混动一档模式和串联混动二档模式;可以理解地,汽车在串联混动一档模式或串联混动二档模式下时,所述发动机1可以带动所述第一电机2进行发电,所述第一电机2的动力可以通过所述第二电机3驱动汽车车轮转动,从而人提高了汽车的续航里程。
所述机电耦合传动装置在串联混动一档模式时,所述制动器9锁止,所述第一离合器8和所述第二离合器101均分离,所述第一电机2在所述发动机1的驱动下发电并将电能输送至所述第二电机3,所述第二电机3驱动汽车车轮转动;具体地,所述第二电机3驱动汽车车轮转动的转动路径,与纯电动一档模式下的驱动路径相同,在此就不再赘述。进一步地,所述发动机1带动所述第一电机2发电,所述第一电机2的电能可以输送至所述第二电机3,从而增加了所述第二电机的续航里程。所述机电耦合传动装置在串联混动二档模式下时,所述制动器9打开,所述第一离合器8结合,所述第二离合器101分离,所述第一电机2在所述发动机1的驱动下发电并将电能输送至所述第二电机3,所述第二电机3驱动汽车车轮转动。具体地,所述第二电机3驱动汽车车轮转动的转动路径,与纯电动二档模式下的驱动路径相同,在此就不再赘述。进一步地,所述发动机1带动所述第一电机2发电,所述第一电机2的电能可以输送至所述第二电机3,从而增加了所述第二电机的续航里程。
在一实施例中,如图4所示,所述机电耦合传动装置具有并联混动一档模式和并联混动二档模式;可以理解地,汽车在并联混动一档模式或并联混动二档模式时,所述第一电机2、所述第二电机3以及所述发动机1均可以驱动汽车车轮转动,从而进一步提升了汽车的动力性,且保证了汽车在不同的工况下,可以选择不同的驱动模式,提高了该机电耦合传动装置的适用性。
所述机电耦合传动装置在并联混动一档模式时,所述制动器9锁止,所述第一离合器8分离,所述第二离合器101结合,所述发动机1、所述第一电机2以及第二电机3驱动汽车车轮转动;具体地,所述发动机1和所述第一电机2同时转动,该转动依次通过所述第二离合器101、所述第一轴4、所述齿圈73、所述行星轮72、所述行星架74的传动齿、所述第一齿轮61、所述第二轴5、所述第二齿轮62以及所述差速齿轮10带动汽车车轮转动;同时,所述第二电机3的转动依次通过所述齿圈73、所述行星轮72、所述行星架74的传动齿、所述第一齿轮61、所述第二轴5、所述第二齿轮62以及所述差速齿轮10带动汽车车轮转动。
进一步地,所述机电耦合传动装置在并联混动一档模式下,所述第二电机3还可以处于不工作模式和处于发电模式;当所述第二电机3处于不工作模式时,所述第二电机3不主动输出动力,此时,所述发动机1可以驱动所述第一电机2进行发电,所述第一电机2和所述发动机1均可以驱动汽车车轮转动;当所述第二电机3处于发电模式时,所述第二电机3通过所述齿圈73输出到所述第一轴4的扭矩比所述第一电机2和所述发动机1输出到所述第一轴4的扭矩小,所述第一电机2和所述发动机1通过所述第二离合器101、所述第一轴4、所述齿圈73带动所述第二电机3发电。
所述机电耦合传动装置在并联混动二档模式时,所述制动器9打开,所述第一离合器8和所述第二离合器101均结合,所述发动机1、所述第一电机2以及第二电机3驱动汽车车轮转动。具体地,所述发动机1和所述第一电机2同时转动,该转动依次通过所述第二离合器101、所述第一轴4、所述齿圈73、所述第一离合器8、所述太阳轮71、所述行星轮72、所述行星架74的传动齿、所述第一齿轮61、所述第二轴5、所述第二齿轮62以及所述差速齿轮10带动汽车车轮转动;同时,所述第二电机3的转动依次通过所述齿圈73、所述第一离合器8、所述太阳轮71、所述行星轮72、所述行星架74的传动齿、所述第一齿轮61、所述第二轴5、所述第二齿轮62以及所述差速齿轮10带动汽车车轮转动。
进一步的,所述机电耦合传动装置在并联混动二档模式下,所述第二电机3还可以处于不工作模式和所述发电模式,所述第二电机3不主动输出动力,此时,所述发动机1可以驱动所述第一电机2进行发电,所述第一电机2和所述发动机1均可以驱动汽车车轮转动;当所述第二电机3处于发电模式时,所述第二电机3通过所述齿圈73输出到所述第一轴4的扭矩比所述第一电机2和所述发动机1输出到所述第一轴4的扭矩小,所述第一电机2和所述发动机1通过所述第二离合器101、所述第一轴4、所述齿圈73带动所述第二电机3发电。
综上,该所述的机电耦合传动装置所包含的驱动模式如表1所示:
表1机电耦合传动装置的驱动模式表
本发明另一实施例还提供了一种汽车,包括上述的机电耦合传动装置。
以上仅为本发明较佳实施例而已,并不用以限制本发明,凡在本发明的精神和原则之内所作的任何修改、等同替换和改进等,均应包含在本发明的保护范围之内。
Claims (10)
1.一种机电耦合传动装置,其特征在于,包括发动机、第一电机、第二电机、第一轴、第二轴、第一齿轮组件、行星齿轮机构、第一离合器以及制动器;所述第一电机连接所述发动机的输出轴;
所述行星齿轮机构包括太阳轮、行星轮、齿圈以及设有传动齿的行星架;所述太阳轮和所述齿圈均与所述行星轮啮合,所述行星架连接所述行星轮;所述齿圈与所述太阳轮均连接所述第一轴;所述第二电机的输出轴连接所述齿圈,所述制动器用于制动所述太阳轮;
所述第一齿轮组件包括均安装在所述第二轴上的第一齿轮和第二齿轮;所述第一齿轮与所述传动齿啮合,所述第二齿轮与汽车差速器的差速齿轮啮合;
所述第一离合器连接在所述太阳轮和所述齿圈之间;或所述第一离合器连接在所述太阳轮和所述行星架之间;或所述第一离合器连接在所述齿圈和所述行星架之间。
2.根据权利要求1所述的机电耦合传动装置,其特征在于,所述机电耦合传动装置还包括第二齿轮组件,所述第一电机通过所述第二齿轮组件连接所述发动机的输出轴。
3.根据权利要求1所述的机电耦合传动装置,其特征在于,所述机电耦合传动装置还包括第三齿轮组件,所述第二电机通过所述第三齿轮组件连接所述齿圈。
4.根据权利要求1所述的机电耦合传动装置,其特征在于,所述第一轴与所述第二轴相互平行。
5.根据权利要求1所述的机电耦合传动装置,其特征在于,所述机电耦合传动装置具有纯电动一档模式、纯电动二档模式和增程模式;
所述机电耦合传动装置在纯电动一档模式时,所述制动器锁止,所述第一离合器分离,所述第二电机驱动汽车车轮转动;
所述机电耦合传动装置在纯电动二档模式时,所述制动器打开,所述第一离合器结合所述第二电机驱动汽车车轮转动;
所述机电耦合传动装置在增程模式时,所述第一电机在所述发动机的驱动下发电并将电能输送至第二电机,所述第二电机驱动汽车车轮转动。
6.根据权利要求5所述的机电耦合传动装置,其特征在于,所述机电耦合传动装置还包括第二离合器;所述发动机的输出轴通过所述第二离合器连接所述第一轴。
7.根据权利要求6所述的机电耦合传动装置,其特征在于,所述机电耦合传动装置具有串联混动一档模式和串联混动二档模式;
所述机电耦合传动装置在串联混动一档模式时,所述制动器锁止,所述第一离合器和所述第二离合器均分离,所述第一电机在所述发动机的驱动下发电并将电能输送至所述第二电机,所述第二电机驱动汽车车轮转动;
所述机电耦合传动装置在串联混动二档模式时,所述制动器打开,所述第一离合器结合,所述第二离合器分离,所述第一电机在所述发动机的驱动下发电并将电能输送至所述第二电机,所述第二电机驱动汽车车轮转动。
8.根据权利要求6所述的机电耦合传动装置,其特征在于,所述机电耦合传动装置具有并联混动一档模式;
所述机电耦合传动装置在并联混动一档模式时,所述制动器锁止,所述第一离合器分离,所述第二离合器结合,所述发动机、所述第一电机以及第二电机驱动汽车车轮转动。
9.根据权利要求6所述的机电耦合传动装置,其特征在于,所述机电耦合传动装置具有并联混动二档模式;
所述机电耦合传动装置在并联混动二档模式时,所述制动器打开,所述第一离合器和所述第二离合器均结合,所述发动机、所述第一电机以及第二电机驱动汽车车轮转动。
10.一种汽车,其特征在于,包括权利要求1至9任意一项所述的机电耦合传动装置。
Priority Applications (1)
| Application Number | Priority Date | Filing Date | Title |
|---|---|---|---|
| CN202110099179.0A CN114789651A (zh) | 2021-01-25 | 2021-01-25 | 机电耦合传动装置及汽车 |
Applications Claiming Priority (1)
| Application Number | Priority Date | Filing Date | Title |
|---|---|---|---|
| CN202110099179.0A CN114789651A (zh) | 2021-01-25 | 2021-01-25 | 机电耦合传动装置及汽车 |
Publications (1)
| Publication Number | Publication Date |
|---|---|
| CN114789651A true CN114789651A (zh) | 2022-07-26 |
Family
ID=82459472
Family Applications (1)
| Application Number | Title | Priority Date | Filing Date |
|---|---|---|---|
| CN202110099179.0A Pending CN114789651A (zh) | 2021-01-25 | 2021-01-25 | 机电耦合传动装置及汽车 |
Country Status (1)
| Country | Link |
|---|---|
| CN (1) | CN114789651A (zh) |
Cited By (2)
| Publication number | Priority date | Publication date | Assignee | Title |
|---|---|---|---|---|
| CN115817142A (zh) * | 2022-12-13 | 2023-03-21 | 浙江万里扬新能源驱动有限公司 | 发电电机偏置式串联变速混动系统 |
| CN117183712A (zh) * | 2023-09-25 | 2023-12-08 | 广州汽车集团股份有限公司 | 混合动力耦合系统及其控制方法、混合动力汽车 |
Citations (6)
| Publication number | Priority date | Publication date | Assignee | Title |
|---|---|---|---|---|
| CN208664943U (zh) * | 2018-08-22 | 2019-03-29 | 广州汽车集团股份有限公司 | 混合动力驱动系统 |
| CN210101309U (zh) * | 2019-04-11 | 2020-02-21 | 广州汽车集团股份有限公司 | 混合动力驱动系统及车辆 |
| CN210101308U (zh) * | 2019-04-29 | 2020-02-21 | 广州汽车集团股份有限公司 | 混合动力驱动系统及车辆 |
| DE102019104990A1 (de) * | 2019-02-27 | 2020-08-27 | Iav Gmbh Ingenieurgesellschaft Auto Und Verkehr | Fahrzeugantrieb mit leistungsverzweigtem Getriebe |
| CN211641822U (zh) * | 2020-01-13 | 2020-10-09 | 沈阳大学 | 一种用于混合动力汽车的变速传动系统 |
| CN215204407U (zh) * | 2021-01-25 | 2021-12-17 | 广州汽车集团股份有限公司 | 机电耦合传动装置及汽车 |
-
2021
- 2021-01-25 CN CN202110099179.0A patent/CN114789651A/zh active Pending
Patent Citations (6)
| Publication number | Priority date | Publication date | Assignee | Title |
|---|---|---|---|---|
| CN208664943U (zh) * | 2018-08-22 | 2019-03-29 | 广州汽车集团股份有限公司 | 混合动力驱动系统 |
| DE102019104990A1 (de) * | 2019-02-27 | 2020-08-27 | Iav Gmbh Ingenieurgesellschaft Auto Und Verkehr | Fahrzeugantrieb mit leistungsverzweigtem Getriebe |
| CN210101309U (zh) * | 2019-04-11 | 2020-02-21 | 广州汽车集团股份有限公司 | 混合动力驱动系统及车辆 |
| CN210101308U (zh) * | 2019-04-29 | 2020-02-21 | 广州汽车集团股份有限公司 | 混合动力驱动系统及车辆 |
| CN211641822U (zh) * | 2020-01-13 | 2020-10-09 | 沈阳大学 | 一种用于混合动力汽车的变速传动系统 |
| CN215204407U (zh) * | 2021-01-25 | 2021-12-17 | 广州汽车集团股份有限公司 | 机电耦合传动装置及汽车 |
Cited By (2)
| Publication number | Priority date | Publication date | Assignee | Title |
|---|---|---|---|---|
| CN115817142A (zh) * | 2022-12-13 | 2023-03-21 | 浙江万里扬新能源驱动有限公司 | 发电电机偏置式串联变速混动系统 |
| CN117183712A (zh) * | 2023-09-25 | 2023-12-08 | 广州汽车集团股份有限公司 | 混合动力耦合系统及其控制方法、混合动力汽车 |
Similar Documents
| Publication | Publication Date | Title |
|---|---|---|
| CN101992679B (zh) | 双行星排四轴混合动力传动装置 | |
| CN210101308U (zh) | 混合动力驱动系统及车辆 | |
| CN105531135B (zh) | 用于混合动力车辆的动力传递装置 | |
| CN214112268U (zh) | 汽车驱动系统及汽车 | |
| WO2022041545A1 (zh) | 一种三挡平行轴式双电机三行星排混合动力系统 | |
| CN201506247U (zh) | 双行星排四轴混合动力变速器 | |
| KR20200124947A (ko) | 하이브리드 차량용 동력전달장치 | |
| CN110529569A (zh) | 混合动力变速箱 | |
| CN113733890B (zh) | 一种四挡位-双电机驱动的混合动力传动装置及传动方法 | |
| CN116118471A (zh) | 一种混合动力电驱动系统以及混合动力车辆 | |
| CN215204407U (zh) | 机电耦合传动装置及汽车 | |
| CN215850722U (zh) | 混合动力传动系统及汽车 | |
| CN114789651A (zh) | 机电耦合传动装置及汽车 | |
| CN111391644A (zh) | 一种插电式混合动力系统的控制方法 | |
| WO2020211519A1 (zh) | 双电机混合发动机行星排动力总成 | |
| CN114801692B (zh) | 混合动力传动系统及汽车 | |
| CN214112267U (zh) | 汽车驱动系统及汽车 | |
| CN111791694A (zh) | 同轴式两挡驱动系统 | |
| CN114857222A (zh) | 一种多模式车用机电复合传动变速器 | |
| CN113459790A (zh) | 横置混合动力变速器及汽车 | |
| CN110667367B (zh) | 车辆及其动力传动系统 | |
| CN209666839U (zh) | 一种行星式电驱动传动装置 | |
| CN216507869U (zh) | 混合动力变速箱、汽车动力系统和汽车 | |
| CN214112269U (zh) | 汽车驱动系统及汽车 | |
| CN114734807B (zh) | 一种混合动力耦合机构及汽车 |
Legal Events
| Date | Code | Title | Description |
|---|---|---|---|
| PB01 | Publication | ||
| PB01 | Publication | ||
| SE01 | Entry into force of request for substantive examination | ||
| SE01 | Entry into force of request for substantive examination | ||
| RJ01 | Rejection of invention patent application after publication | ||
| RJ01 | Rejection of invention patent application after publication |
Application publication date: 20220726 |

