CN114687511A - 一种采用分层交替搭接的新型装配式内保温轻质墙板 - Google Patents

一种采用分层交替搭接的新型装配式内保温轻质墙板 Download PDF

Info

Publication number
CN114687511A
CN114687511A CN202210270209.4A CN202210270209A CN114687511A CN 114687511 A CN114687511 A CN 114687511A CN 202210270209 A CN202210270209 A CN 202210270209A CN 114687511 A CN114687511 A CN 114687511A
Authority
CN
China
Prior art keywords
piece
thermal insulation
reserved
sub
wall panel
Prior art date
Legal status (The legal status is an assumption and is not a legal conclusion. Google has not performed a legal analysis and makes no representation as to the accuracy of the status listed.)
Pending
Application number
CN202210270209.4A
Other languages
English (en)
Inventor
马少春
谷宇
鲍鹏
王永帅
许鑫
Current Assignee (The listed assignees may be inaccurate. Google has not performed a legal analysis and makes no representation or warranty as to the accuracy of the list.)
Henan University
Original Assignee
Henan University
Priority date (The priority date is an assumption and is not a legal conclusion. Google has not performed a legal analysis and makes no representation as to the accuracy of the date listed.)
Filing date
Publication date
Application filed by Henan University filed Critical Henan University
Priority to CN202210270209.4A priority Critical patent/CN114687511A/zh
Publication of CN114687511A publication Critical patent/CN114687511A/zh
Pending legal-status Critical Current

Links

Images

Classifications

    • EFIXED CONSTRUCTIONS
    • E04BUILDING
    • E04CSTRUCTURAL ELEMENTS; BUILDING MATERIALS
    • E04C2/00Building elements of relatively thin form for the construction of parts of buildings, e.g. sheet materials, slabs, or panels
    • E04C2/02Building elements of relatively thin form for the construction of parts of buildings, e.g. sheet materials, slabs, or panels characterised by specified materials
    • E04C2/26Building elements of relatively thin form for the construction of parts of buildings, e.g. sheet materials, slabs, or panels characterised by specified materials composed of materials covered by two or more of groups E04C2/04, E04C2/08, E04C2/10 or of materials covered by one of these groups with a material not specified in one of the groups
    • E04C2/284Building elements of relatively thin form for the construction of parts of buildings, e.g. sheet materials, slabs, or panels characterised by specified materials composed of materials covered by two or more of groups E04C2/04, E04C2/08, E04C2/10 or of materials covered by one of these groups with a material not specified in one of the groups at least one of the materials being insulating
    • E04C2/288Building elements of relatively thin form for the construction of parts of buildings, e.g. sheet materials, slabs, or panels characterised by specified materials composed of materials covered by two or more of groups E04C2/04, E04C2/08, E04C2/10 or of materials covered by one of these groups with a material not specified in one of the groups at least one of the materials being insulating composed of insulating material and concrete, stone or stone-like material
    • EFIXED CONSTRUCTIONS
    • E04BUILDING
    • E04BGENERAL BUILDING CONSTRUCTIONS; WALLS, e.g. PARTITIONS; ROOFS; FLOORS; CEILINGS; INSULATION OR OTHER PROTECTION OF BUILDINGS
    • E04B1/00Constructions in general; Structures which are not restricted either to walls, e.g. partitions, or floors or ceilings or roofs
    • E04B1/38Connections for building structures in general
    • EFIXED CONSTRUCTIONS
    • E04BUILDING
    • E04BGENERAL BUILDING CONSTRUCTIONS; WALLS, e.g. PARTITIONS; ROOFS; FLOORS; CEILINGS; INSULATION OR OTHER PROTECTION OF BUILDINGS
    • E04B1/00Constructions in general; Structures which are not restricted either to walls, e.g. partitions, or floors or ceilings or roofs
    • E04B1/38Connections for building structures in general
    • E04B1/61Connections for building structures in general of slab-shaped building elements with each other
    • E04B1/6108Connections for building structures in general of slab-shaped building elements with each other the frontal surfaces of the slabs connected together
    • E04B1/612Connections for building structures in general of slab-shaped building elements with each other the frontal surfaces of the slabs connected together by means between frontal surfaces
    • EFIXED CONSTRUCTIONS
    • E04BUILDING
    • E04BGENERAL BUILDING CONSTRUCTIONS; WALLS, e.g. PARTITIONS; ROOFS; FLOORS; CEILINGS; INSULATION OR OTHER PROTECTION OF BUILDINGS
    • E04B1/00Constructions in general; Structures which are not restricted either to walls, e.g. partitions, or floors or ceilings or roofs
    • E04B1/62Insulation or other protection; Elements or use of specified material therefor
    • E04B1/74Heat, sound or noise insulation, absorption, or reflection; Other building methods affording favourable thermal or acoustical conditions, e.g. accumulating of heat within walls
    • E04B1/76Heat, sound or noise insulation, absorption, or reflection; Other building methods affording favourable thermal or acoustical conditions, e.g. accumulating of heat within walls specifically with respect to heat only
    • E04B1/78Heat insulating elements
    • E04B1/80Heat insulating elements slab-shaped
    • EFIXED CONSTRUCTIONS
    • E04BUILDING
    • E04CSTRUCTURAL ELEMENTS; BUILDING MATERIALS
    • E04C5/00Reinforcing elements, e.g. for concrete; Auxiliary elements therefor
    • E04C5/01Reinforcing elements of metal, e.g. with non-structural coatings
    • E04C5/02Reinforcing elements of metal, e.g. with non-structural coatings of low bending resistance
    • E04C5/03Reinforcing elements of metal, e.g. with non-structural coatings of low bending resistance with indentations, projections, ribs, or the like, for augmenting the adherence to the concrete

Landscapes

  • Engineering & Computer Science (AREA)
  • Architecture (AREA)
  • Civil Engineering (AREA)
  • Structural Engineering (AREA)
  • Physics & Mathematics (AREA)
  • Electromagnetism (AREA)
  • Acoustics & Sound (AREA)
  • Building Environments (AREA)

Abstract

本发明公开了一种采用分层交替搭接的新型装配式内保温轻质墙板,包括墙板主体、横向连接件、纵向连接件和吊装件;墙板主体包括保温板、骨架和轻骨料混凝土;保温板交替分布在两侧,且相邻的保温板具有重合段,横向连接件包括子内置件、母内置件和连接件,子内置件和母内置件相对设置在两块不同的墙板上,并与骨架固定连接,连接件的两端连接在子内置件和母内置件之间,并能收缩使两墙板主体靠近;纵向连接件包括预留螺杆和预留件,预留螺杆预留在墙板主体的上部,吊装件包括预留在墙板上部的吊装孔和吊具,吊具螺纹连接在吊装孔内,本发明降低了建筑耗能,采用干法连接,避免了现场湿作业造成的空气污染、噪音污染等环境污染,采用工厂预制生产。

Description

一种采用分层交替搭接的新型装配式内保温轻质墙板
技术领域
本发明属于建筑技术领域,具体涉及一种采用分层交替搭接的新型装配式内保温轻质墙板。
背景技术
建筑耗能占用我国社会总耗能1/3以上,并逐年上升,其中,因为建筑用能的增加而对全国温室气体排放的“贡献率”已经高达25%。此外,我国有400亿平方米以上的房屋属于高耗能建筑,受到大量的高耗能建筑影响,使我国北方采暖地区年煤耗量增加1800万吨,造成直接的经济损失高达70亿元,并导致温室气体二氧化碳多排52万吨。墙体耗能是建筑耗能的最主要因素之一,保温墙体可显著减少建筑能耗,降低冬季、夏季因采暖和制冷产生的建筑耗能。
现有保温墙板多为外保温板或夹心保温板:外保温板墙体外侧防护能力不足,难以适应多样化的建筑外立面装饰要求,易发生脱落、霉变、起火等现象,对材料耐水、耐腐蚀等性能要求高,生产成本较高。夹心保温板将保温板置于墙板之间,解决了外保温板易脱落、霉变、起火等缺陷,降低了对材料性能的要求,但却将混凝土墙板分割为内外两个较薄的页墙,导致墙板整体性和受力性能大幅降低,直接影响到结构的安全性和稳定性。
在传统建筑耗能中,超过57%的建筑耗能是由于建材生产造成的,另一方面,传统建筑采用现场湿作业,产生大量灰尘,损害空气质量的同时易受季节影响,延长施工周期。装配式建筑能显著改善施工环境,减少施工污染,缩短施工周期,此外,工厂标准化预制构件能显著降低生产耗能,基于此,研究一种采用分层交替搭接的新型装配式内保温轻质墙板是必要的。
发明内容
针对现有设备存在的缺陷和问题,本发明提供一种采用分层交替搭接的新型装配式内保温轻质墙板,有效的解决了现有外保温墙材料性能要求高,造价高施工难以及现有内保温板混凝土墙被分割为两片页墙,受力性能及整体性差等问题。
本发明解决其技术问题所采用的方案是:一种采用分层交替搭接的新型装配式内保温轻质墙板,包括墙板主体、横向连接件、纵向连接件和吊装件;所述墙板主体包括保温板、骨架和轻骨料混凝土;所述保温板交替分布在两侧,且相邻的保温板具有重合段,从而在墙体内芯形成了交替搭接的内保温层;所述骨架位于内保温层的两侧,所述轻骨料混凝土填充剩余空隙;所述横向连接件包括子内置件、母内置件和连接件,所述子内置件和母内置件相对设置在两块不同的墙板上,并与骨架固定连接,所述连接件的两端连接在子内置件和母内置件之间,并能收缩使两墙板主体靠近;所述纵向连接件包括预留螺杆和预留件,所述预留螺杆预留在墙板主体的上部,所述预留件预留在墙板的下部,并在其内部设置有预留孔,其外侧设置有操作窗,预留螺杆套装在预留孔内,并从操作窗内放入紧固螺母,紧固螺母连接在预留螺杆上;所述吊装件包括预留在墙板上部的吊装孔和吊具,所述吊具螺纹连接在吊装孔内。
进一步的,所述子内置件包括浇筑前与骨架连接的子端安装盒,子端安装盒内固定有具有形变能力的挂环,所述母内置件包括母端安装盒,母端安装盒内设置有螺纹孔,所述连接件的一端设置有挂钩,另一端设置有螺纹杆,所述挂钩挂装在挂环内,螺纹杆螺纹连接在螺纹孔内。
进一步的,所述螺纹杆的外端根部固定有操作螺母。
进一步的,所述子内置件和母内置件结构相同,均包括安装盒,安装盒内设置有螺纹孔,所述连接件包括端部具有外螺纹的挂钩、中心板和具有形变能力的挂环,所述中心板的两端固定有挂环,两挂钩对应的螺纹连接在两侧墙板的螺纹孔内,并与挂环挂装连接。
进一步的,所述中心板为镂空状结构,其内部设置有使两挂环所处空间连通的通孔。
进一步的,所述横向连接件和纵向连接件均布设置有,并至少设置有两组。
进一步的,所述子内置件包括子安装盒、限位摆轴和挂块,所述挂块的根部通过限位摆轴铰接在子安装盒的内壁上,其外端为自由端并处于子安装盒的内部空间,所述安装盒上设置有限制限位摆轴的限位块,所述母内置件包括固定座,所述连接件包括螺纹杆、挂接头、挂齿和顶压螺母;所述安装盒的外侧设置有顶触面,所述螺纹杆固定在固定座内,其前端固定有挂接头,挂接头上设置有与挂块对应的挂齿,所述顶压螺母螺纹连接在螺纹杆上,其外侧面设置有与顶触面适配的顶触块。
进一步的,所述顶触面为外端大内端小的锥形面,所述顶压螺母包括外端的锥形顶触块和内端的操作螺母。
进一步的,所述墙板主体的外侧面设置有支撑座,支撑座内侧预留在骨架上,其外侧设置有用于安装支撑臂的槽口。
进一步的,所述子内置件和母内置件与对侧保温板的中部对应设置。
本发明的有益效果:本发明主要应用于装配式建筑,在结构上本发明对墙板的基本结构进行了改进,在墙板的内部设置了在内外交替设置的保温层,外侧利用钢筋骨架加固,然后在空隙处浇筑混凝土,进而使墙板主体的结构为一体结构,混凝土交叉填充,提高了墙板整体的结构稳定性。
同时本发明设置了组装结构,以便于墙板之间的连接,其中组装结构包括了横向连接件和纵向连接件,横向连接件用于从左右两侧对墙板进行组装,使墙板之间相互靠近并保持连接关系,纵向连接件利用墙板自重坐落设置,并通过紧固螺母进行加固,能够在现场快速进行组装。
本发明中具体的横向连接件结构中,通过预留子内置件和母内置件在墙板上预留有连接基础,同时利用连接件将墙板连接在一起,本发明提供了两种连接方式,其中一种采用挂钩挂环的方式进行连接组装,将挂钩螺纹连接螺纹孔,在转动时向内缩进,并有挂环变形承受旋转变形,这种结构操作简单,能够快速进行连接;另一种结构中,本发明利用挂块和挂齿的连接关系,使挂接头向内推进然后在回拉时挂块与挂齿对扣在一起,同时利用螺纹杆上的顶压螺母实现稳固,同时顶压螺母与顶压面的配合能够实现墙板的横向和竖向对齐,实现墙板的标准化组装。
由此,本发明采用分层交替搭接的保温层,避免了保温层将墙板割裂为独立的两块页墙,提高了墙板的整体性及受力性能,合理设置保温层排列布置,选用保温性能良好的保温材料组合,进一步提高了墙板的保温性能,降低了建筑耗能,采用干法连接,避免了现场湿作业造成的空气污染、噪音污染等环境污染,采用工厂预制生产,设置吊装移动和干法连接装置,符合装配式建筑发展趋势,安装连接简便,施工效率高,推动生产和施工智能化升级,扩大标准化构件和部品部件使用规模,提高装配式建筑综合效益。
附图说明
图1为本发明的内部结构示意图。
图2为支撑臂的支撑结构示意图。
图3为横向连接件、纵向连接件和吊装件的结构示意图。
图4为保温板的结构示意图。
图5为图4的正视图。
图6为墙板主体的内部结构示意图。
图7为图6的俯视图。
图8为横向连接件的结构示意图。
图9为图8的对扣状态图。
图10为横向连接件的另一种结构示意图。
图11为纵向连接件的结构示意图。
图12为图11的分解图。
图13为吊装件的示意图。
图14为吊具的组装结构示意图。
图15为子内置件和母内置件的另一种结构示意图。
图16为图15的另一种状态图。
图中的标号为:1为保温板,2为骨架,3为轻骨料混凝土,4为预留固定孔,5为子内置件,51为子端安装盒,52为挂环,6为母端内置件,61为母安装盒,62为螺纹孔,7为纵向连接件,71为预留螺杆,72为预留件,73为操作窗,74为紧固螺母,8为吊装件,81为吊具,82为吊装孔,9为连接件,91为挂钩,92为操作螺母,93为螺纹杆,10为支撑座,11为斜撑,12为子安装盒,13为挂块,14为限位摆轴,15为挂接头,16为挂齿,17为螺纹杆,18为顶压螺母,19为顶触面。
具体实施方式
下面结合附图和实施例对本发明进一步说明。
实施例1:本实施例旨在提供一种采用分层交替搭接的新型装配式内保温轻质墙板,主要用于装配式的建筑结构,本实施例着重对于墙板的自身结构和连接结构进行说明,以提高墙板的整体性能和组装效率,基于此本实施例提供了一种采用分层交替搭接的新型装配式内保温轻质墙板,其保温性能优良,且整体性强,受力性能良好,能有效解决现有外保温墙材料性能要求高,造价高施工难以及现有内保温板混凝土墙被分割为两片页墙,受力性能及整体性差等问题,促进保温墙体发展,此外,该新型装配式内保温轻质墙板由工厂预制生产,并采用干法连接方式,符合装配式建筑的发展潮流。
具体的结构中,如图1-7中展示一种采用分层交替搭接的新型装配式内保温轻质墙板,包括墙板主体、横向连接件、纵向连接件7和吊装件8;如图1中所示,墙板主体的内部为交替错位设置在两层的保温板1,外侧为钢筋编织的骨架结构,并通过混凝土浇筑,四周设置有组装结构,上部设置有吊钩。
如图3-7中展示,墙板主体包括保温板1、骨架2和轻骨料混凝土3;轻骨料混凝土3为陶粒混凝土,保温板1为聚苯乙烯保温板;常规轻骨料混凝土材料保温性能较陶粒混凝土低,采用陶粒混凝土及聚苯乙烯保温板组合,可进一步提高墙体保温性能,降低建筑耗能;墙板内可布置受力钢筋,也可不设置钢筋,所述墙板内的保温板1通过拉结钢筋或FPR连接件固定在墙板内部,进一步提高墙板整体性,扩大保温墙的应用范围,该类墙体既可设置受力钢筋,作为保温剪力墙使用,也可仅设置分布钢筋或不设置钢筋,作为保温隔墙使用,另一方面,该类墙体作为保温隔墙时可采用连接件固定保温板,作为保温剪力墙时,为保证连接的稳定应采用拉结筋连接。
保温板1交替分布在内外两侧,且相邻的保温板具有重合段,从而在墙体内芯形成了交替搭接的内保温层;即保温板处于两层空间内,每一层保温板间隔设置,且每一层的保温板与相对侧的保温板端部具有一定的重合段。
如图1中展示,骨架2位于内保温层的两侧,轻骨料混凝土3填充剩余空隙,形成一个具有一定强度的墙板主体结构,新型装配式内保温轻质墙板由轻骨料混凝土和分布于墙板内侧和外侧的三块及以上的保温板预制而成,所述保温板在墙板内外侧沿墙板高度或宽度方向依次交替布置,将常规单层整块保温板改为三块或三块以上的保温板,交替布置在墙板内侧与外侧,使其在沿墙板高度或长度方向交替搭接,形成分层交替搭接形式,其有益效果是采用交替出现的保温板,保证在整面墙板均存在保温层的同时,不会使墙板被保温层割裂为两个独立的页墙。
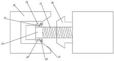
如图8-9中展示,横向连接件包括子内置件5、母内置件6和连接件9,子内置件5和母内置件6相对设置在两块不同的墙板上,并与骨架固定连接,连接件的两端连接在子内置件和母内置件之间,并能收缩使两墙板主体靠近。
具体实施时,子内置件5包括浇筑前与骨架连接的子端安装盒51,子端安装盒51内固定有具有形变能力的挂环52,母内置件6包括母端安装盒61,母端安装盒61内设置有螺纹孔62,连接件9的一端设置有挂钩91,另一端设置有螺纹杆93,螺纹杆93的外端根部固定有操作螺母92,挂钩91挂装在挂环52内,螺纹杆93螺纹连接在螺纹孔62内。
本实施例中挂环为钢缆结构,挂钩的钩端能够与挂环挂接,并在旋转后进入螺纹孔中,随着向内缩进使两个墙板之间的间距缩短直至完全靠近;利用这种连接关系可消除误差,
纵向连接件7包括预留螺杆71和预留件72,预留螺杆71预留在墙板主体的上部,预留件72预留在墙板的下部,并在其内部设置有预留孔,其外侧设置有操作窗73,预留螺杆71套装在预留孔内,并从操作窗内放入紧固螺母74,紧固螺母74连接在预留螺杆上;本实施例利用墙板的自身重力坐落在下层墙板上,并使下层墙板的预留螺杆插入预留孔内,然后进行紧固。
如图13-14中所示,吊装件8包括预留在墙板上部的吊装孔82和吊具81,吊装孔沿墙板宽度方向对称分布于墙板顶部,吊具81螺纹连接在吊装孔内,在墙板吊装移动时,先将吊具81拧入预埋在墙板的安装盒中,形成完整的吊装装置,再使用施工设备起吊墙板,吊置于墙板施工安装位置。
本实施例在墙板主体的外侧面设置有支撑座10,支撑座10内侧预留在骨架上,其外侧设置有用于安装支撑臂的槽口,在墙板安装时,先通过预留固定孔4安装支撑柱以及斜撑11,使得墙板稳定于安装位置,再连接相邻墙板及地面,水平方向通过横向连接件连接,将第一块墙板横向连接件的子端与第二块墙板横向连接件的母端靠近,使用带螺栓的钢构钩住子端的钢缆,将带螺栓的钢构拧入母端的螺栓孔,紧固力使得两块墙板紧密连接,此外,可通过点焊或加设螺帽来防止螺栓松动;在墙板纵向连接时,将下层地面预留的外伸的钢筋设置螺纹或预留螺纹连接钢筋伸入墙板的纵向连接件的长螺栓孔中,固定墙板支撑,而后拧紧固定螺栓,可通过点焊或加设螺帽防止螺栓松动。
需要说明的是,本实施例中保温板为3块或三块以上,均采用分层交替搭接。三块时,保温板呈内侧-外侧-内侧依次布置,或外侧-内侧-外侧依次布置。三块以上时,按上述方式继续采用分层交替搭接布置,可在浇筑时布置钢筋网和FPR连接件或拉结筋,增强墙板的受力性能。
实施例2:本实施例与实施例1基本相同,其区别在于:本实施例对横向连接件的具体结构进一步说明。
本实施例中如图10中展示,子内置件5和母内置件6结构相同,均包括安装盒,安装盒内设置有螺纹孔,所述连接件包括端部具有外螺纹的挂钩、中心板和具有形变能力的挂环,所述中心板的两端固定有挂环,两挂钩对应的螺纹连接在两侧墙板的螺纹孔内,并与挂环挂装连接,中心板为镂空状结构,其内部设置有使两挂环所处空间连通的通孔。
本实施例在横向连接件和纵向连接件内浇筑混凝土以提高整体的连接强度,本实施例中中心板结构设置的通孔能够使混凝土通过,并将整体结构作为混凝土的骨架。
实施例3:本实施例与实施例1基本相同,其区别在于:本实施例提供了另一种结构的横向连接件。
本实施例中如图15-16中展示,子内置件5包括子安装盒12、限位摆轴14和挂块13,挂块13的根部通过限位摆轴14铰接在子安装盒12的内壁上,其外端为自由端并处于子安装盒的内部空间,安装盒上设置有限制限位摆轴的限位块。
母内置件6包括固定座,所述连接件9包括螺纹杆17、挂接头15、挂齿16和顶压螺母18;所述安装盒的外侧设置有顶触面19,所述螺纹杆17固定在固定座内,其前端固定有挂接头15,挂接头15上设置有与挂块对应的挂齿16,所述顶压螺母18螺纹连接在螺纹杆17上,其外侧面设置有与顶触面适配的顶触块。
本实施例中挂块13倾斜向内设置,在受到推力后能够向内摆动,并允许挂接头进入,在进入之后挂块暗藏在凹槽内,并在完全进入后复位,会拉后挂块与挂齿结合,然后在拧紧顶压螺母,使两者关系加固,本实施例中能够快速组装墙板,墙板通过靠近即可实现挂接,达到相对稳定的预固定,然后再行加固组装,使用高效。
实施例4:本实施例与实施例3基本相同,其区别在于:本实施例对顶触面的结构进一步说明。
本实施例中,顶触面19为外端大内端小的锥形面,顶压螺母包括外端的锥形顶触块和内端的操作螺母。
本实施例中结构该斜面结构能够为挂接头的进入提高导向面,以便于其进入子安装盒内,降低了墙板需要精确对应的要求,为拼接提供了引导面,便于墙板组装。
同时该锥形面结构能够使两个墙板之间水平和竖直方向精确定位,确保墙板的前后侧面和上下侧面对齐,组装结构标准。
同时该锥形面结构能够为顶压螺母提供一个限位面,确保螺纹杆的稳定,避免其出现晃动,提高了整体结构的稳定性。
实施例5:本实施例与实施例1基本相同,其区别在于:本实施例对横向连接件的固定位置进一步说明。
本实施例中子内置件和母内置件与对侧保温板的中部对应设置,横向连接件和纵向连接件均布设置在墙板主体上,并至少设置有两组,本实施例中保温板交错设置,子内置件和母内置件浇筑的轻质混凝土上,并与骨架之间连接,整体结构牢固稳定,抗拉强度大。

Claims (10)

1.一种采用分层交替搭接的新型装配式内保温轻质墙板,其特征在于:包括墙板主体、横向连接件、纵向连接件和吊装件;所述墙板主体包括保温板、骨架和轻骨料混凝土;所述保温包交替分布在两侧,且相邻的保温板具有重合段,从而在墙体内芯形成了交替搭接的内保温层;所述骨架位于内保温层的两侧,所述轻骨料混凝土填充剩余空隙;所述横向连接件包括子内置件、母内置件和连接件,所述子内置件和母内置件相对设置在两块不同的墙板上,并与骨架固定连接,所述连接件的两端连接在子内置件和母内置件之间,并能收缩使两墙板主体靠近;所述纵向连接件包括预留螺杆和预留件,所述预留螺杆预留在墙板主体的上部,所述预留件预留在墙板的下部,并在其内部设置有预留孔,其外侧设置有操作窗,预留螺杆套装在预留孔内,并从操作窗内放入紧固螺母,紧固螺母连接在预留螺杆上;所述吊装件包括预留在墙板上部的吊装孔和吊装件,所述吊装件螺纹连接在吊装孔内。
2.根据权利要求1所述的采用分层交替搭接的新型装配式内保温轻质墙板,其特征在于:所述子内置件包括浇筑前与骨架连接的子端安装盒,子端安装盒内固定有具有形变能力的挂环,所述母内置件包括母端安装盒,母端安装盒内设置有螺纹孔,所述连接件的一端设置有挂钩,另一端设置有螺纹杆,所述挂钩挂装在挂环内,螺纹杆螺纹连接在螺纹孔内。
3.根据权利要求2所述的采用分层交替搭接的新型装配式内保温轻质墙板,其特征在于:所述螺纹杆的外端根部固定有操作螺母。
4.根据权利要求1所述的采用分层交替搭接的新型装配式内保温轻质墙板,其特征在于:所述子内置件和母内置件结构相同,均包括安装盒,安装盒内设置有螺纹孔,所述连接件包括端部具有外螺纹的挂钩、中心板和具有形变能力的挂环,所述中心板的两端固定有挂环,两挂钩对应的螺纹连接在两侧墙板的螺纹孔内,并与挂环挂装连接。
5.根据权利要求4所述的采用分层交替搭接的新型装配式内保温轻质墙板,其特征在于:所述中心板为镂空状结构,其内部设置有使两挂环所处空间连通的通孔。
6.根据权利要求1所述的采用分层交替搭接的新型装配式内保温轻质墙板,其特征在于:所述横向连接件和纵向连接件均布设置在墙板主体上,并至少设置有两组。
7.根据权利要求1所述的采用分层交替搭接的新型装配式内保温轻质墙板,其特征在于:所述子内置件包括子安装盒、限位摆轴和挂块,所述挂块的根部通过限位摆轴铰接在子安装盒的内壁上,其外端为自由端并处于子安装盒的内部空间,所述安装盒上设置有限制限位摆轴的限位块,所述母内置件包括固定座,所述连接件包括螺纹杆、挂接头、挂齿和顶压螺母;所述安装盒的外侧设置有顶触面,所述螺纹杆固定在固定座内,其前端固定有挂接头,挂接头上设置有与挂块对应的挂齿,所述顶压螺母螺纹连接在螺纹杆上,其外侧面设置有与顶触面适配的顶触块。
8.根据权利要求7所述的采用分层交替搭接的新型装配式内保温轻质墙板,其特征在于:所述顶触面为外端大内端小的锥形面,所述顶压螺母包括外端的锥形顶触块和内端的操作螺母。
9.根据权利要求1所述的采用分层交替搭接的新型装配式内保温轻质墙板,其特征在于:所述墙板主体的外侧面设置有支撑座,支撑座内侧预留在骨架上,其外侧设置有用于安装支撑臂的槽口。
10.根据权利要求1所述的采用分层交替搭接的新型装配式内保温轻质墙板,其特征在于:所述子内置件和母内置件与对侧保温板的中部对应设置。
CN202210270209.4A 2022-03-18 2022-03-18 一种采用分层交替搭接的新型装配式内保温轻质墙板 Pending CN114687511A (zh)

Priority Applications (1)

Application Number Priority Date Filing Date Title
CN202210270209.4A CN114687511A (zh) 2022-03-18 2022-03-18 一种采用分层交替搭接的新型装配式内保温轻质墙板

Applications Claiming Priority (1)

Application Number Priority Date Filing Date Title
CN202210270209.4A CN114687511A (zh) 2022-03-18 2022-03-18 一种采用分层交替搭接的新型装配式内保温轻质墙板

Publications (1)

Publication Number Publication Date
CN114687511A true CN114687511A (zh) 2022-07-01

Family

ID=82139816

Family Applications (1)

Application Number Title Priority Date Filing Date
CN202210270209.4A Pending CN114687511A (zh) 2022-03-18 2022-03-18 一种采用分层交替搭接的新型装配式内保温轻质墙板

Country Status (1)

Country Link
CN (1) CN114687511A (zh)

Cited By (2)

* Cited by examiner, † Cited by third party
Publication number Priority date Publication date Assignee Title
CN116791837A (zh) * 2023-06-29 2023-09-22 平湖万家兴建筑工业有限公司 一种装配式建筑楼梯板预制装置及使用方法
CN117286952A (zh) * 2023-11-24 2023-12-26 内蒙古工业大学 用于装配式建筑结构的节点连接装置

Citations (15)

* Cited by examiner, † Cited by third party
Publication number Priority date Publication date Assignee Title
CH614749A5 (zh) * 1975-11-24 1979-12-14 Loewe Anstalt
DE10032112A1 (de) * 2000-05-11 2001-11-15 Max Forstner Wand sowie Wandelement und Verbindungsprofil zum Herstellen einer solchen Wand
CN108678203A (zh) * 2018-06-17 2018-10-19 沈阳建筑大学 一种无热桥夹芯保温墙板及其插接式加强连接节点
CN208088526U (zh) * 2018-03-12 2018-11-13 济南市人防建筑设计研究院有限责任公司 带肋预制u型板与预制外墙装配节点
CN209011568U (zh) * 2018-09-14 2019-06-21 金川集团股份有限公司 一种角度可调式模板加固装置
CN111576725A (zh) * 2020-05-08 2020-08-25 广州金辉建设集团有限公司 一种混凝土预制墙板及其施工方法
CN212743226U (zh) * 2020-05-20 2021-03-19 中国十七冶集团有限公司 一种加强km保温装饰板连接的加固装置
CN212957053U (zh) * 2020-04-21 2021-04-13 辽宁健泓新能源科技有限公司 一种复合隔音板
CN213087197U (zh) * 2020-05-13 2021-04-30 宿迁德威新材料有限公司 一种具有安装机构的陶粒混凝土轻质墙板
CN213773893U (zh) * 2020-11-16 2021-07-23 河南城建学院 一种新型装配式泡沫混凝土保温板
CN214461423U (zh) * 2020-12-24 2021-10-22 广州亚泰建筑设计院有限公司 一种装配式墙体
CN214574853U (zh) * 2021-01-21 2021-11-02 山东瑞坤装配式建筑科技有限公司 一种装配式保温墙板
CN214784798U (zh) * 2021-01-18 2021-11-19 山东远东伟业(集团)有限公司 一种装配式钢结构建筑快速连接卡扣
CN215368734U (zh) * 2021-08-11 2021-12-31 中建二局第三建筑工程有限公司 一种带有支撑固定装置的暗埋箱体
CN215717257U (zh) * 2021-08-09 2022-02-01 张铁健 一种拆装效率高的建筑工程施工用模板

Patent Citations (15)

* Cited by examiner, † Cited by third party
Publication number Priority date Publication date Assignee Title
CH614749A5 (zh) * 1975-11-24 1979-12-14 Loewe Anstalt
DE10032112A1 (de) * 2000-05-11 2001-11-15 Max Forstner Wand sowie Wandelement und Verbindungsprofil zum Herstellen einer solchen Wand
CN208088526U (zh) * 2018-03-12 2018-11-13 济南市人防建筑设计研究院有限责任公司 带肋预制u型板与预制外墙装配节点
CN108678203A (zh) * 2018-06-17 2018-10-19 沈阳建筑大学 一种无热桥夹芯保温墙板及其插接式加强连接节点
CN209011568U (zh) * 2018-09-14 2019-06-21 金川集团股份有限公司 一种角度可调式模板加固装置
CN212957053U (zh) * 2020-04-21 2021-04-13 辽宁健泓新能源科技有限公司 一种复合隔音板
CN111576725A (zh) * 2020-05-08 2020-08-25 广州金辉建设集团有限公司 一种混凝土预制墙板及其施工方法
CN213087197U (zh) * 2020-05-13 2021-04-30 宿迁德威新材料有限公司 一种具有安装机构的陶粒混凝土轻质墙板
CN212743226U (zh) * 2020-05-20 2021-03-19 中国十七冶集团有限公司 一种加强km保温装饰板连接的加固装置
CN213773893U (zh) * 2020-11-16 2021-07-23 河南城建学院 一种新型装配式泡沫混凝土保温板
CN214461423U (zh) * 2020-12-24 2021-10-22 广州亚泰建筑设计院有限公司 一种装配式墙体
CN214784798U (zh) * 2021-01-18 2021-11-19 山东远东伟业(集团)有限公司 一种装配式钢结构建筑快速连接卡扣
CN214574853U (zh) * 2021-01-21 2021-11-02 山东瑞坤装配式建筑科技有限公司 一种装配式保温墙板
CN215717257U (zh) * 2021-08-09 2022-02-01 张铁健 一种拆装效率高的建筑工程施工用模板
CN215368734U (zh) * 2021-08-11 2021-12-31 中建二局第三建筑工程有限公司 一种带有支撑固定装置的暗埋箱体

Cited By (3)

* Cited by examiner, † Cited by third party
Publication number Priority date Publication date Assignee Title
CN116791837A (zh) * 2023-06-29 2023-09-22 平湖万家兴建筑工业有限公司 一种装配式建筑楼梯板预制装置及使用方法
CN117286952A (zh) * 2023-11-24 2023-12-26 内蒙古工业大学 用于装配式建筑结构的节点连接装置
CN117286952B (zh) * 2023-11-24 2024-02-20 内蒙古工业大学 用于装配式建筑结构的节点连接装置

Similar Documents

Publication Publication Date Title
CN108951962A (zh) 一种蒸压加气混凝土板外墙及施工方法
CN205444458U (zh) 一种集成装配式钢结构建筑
CN207348267U (zh) 一种轻钢龙骨灌注内隔墙结构
CN106869368A (zh) 一种装配式钢结构外挂式墙板下承式连接结构
CN111411687A (zh) 一种新型装配体系
CN114687511A (zh) 一种采用分层交替搭接的新型装配式内保温轻质墙板
CN107989238A (zh) 一种现浇夹心保温剪力墙结构、装配式建筑及工法
CN210887559U (zh) 低多层钢结构住宅体系
CN207812741U (zh) 预制钢构叠合剪力墙
CN203891255U (zh) 工业厂房外墙
CN212743447U (zh) 一种建筑结构稳固抗倒塌的加固结构
CN204001289U (zh) 具有承载悬挑臂的轻钢龙骨隔墙
CN203270775U (zh) 一种用轻钢复合建筑模块组装的房屋
CN102561731B (zh) 一种模块建筑一层别墅及其施工方法
CN206538900U (zh) 装配式墙体的加固装置
CN205369690U (zh) 一种装配式建筑预制墙板
CN210597724U (zh) 一种剪力墙-石墨烯装配式墙板
CN213979434U (zh) 箱型钢柱与钢框轻质墙面板的连接节点
CN112177154B (zh) 一种钢管混凝土装配式建筑的结构及其装配方法
CN114059707A (zh) 一种高强度建筑工程混凝土墙板
CN115387634A (zh) 一种既有砖混房屋墙体加固补强组件及其施工方法
CN207905388U (zh) 可装配临时作业棚
CN118933448B (zh) 一种钢-混凝土组合节能围护墙体及其实施方法
CN223178313U (zh) 一种高空间利用结构圈梁安装的管线吊架
CN206090965U (zh) 现浇复合墙体

Legal Events

Date Code Title Description
PB01 Publication
PB01 Publication
SE01 Entry into force of request for substantive examination
SE01 Entry into force of request for substantive examination
RJ01 Rejection of invention patent application after publication
RJ01 Rejection of invention patent application after publication

Application publication date: 20220701