CN114632828A - Steering pinch roll capable of adjusting height drop distance - Google Patents
Steering pinch roll capable of adjusting height drop distance Download PDFInfo
- Publication number
- CN114632828A CN114632828A CN202210190300.5A CN202210190300A CN114632828A CN 114632828 A CN114632828 A CN 114632828A CN 202210190300 A CN202210190300 A CN 202210190300A CN 114632828 A CN114632828 A CN 114632828A
- Authority
- CN
- China
- Prior art keywords
- roller
- steering
- pinch roller
- oil cylinder
- bracket
- Prior art date
- Legal status (The legal status is an assumption and is not a legal conclusion. Google has not performed a legal analysis and makes no representation as to the accuracy of the status listed.)
- Granted
Links
Images
Classifications
-
- B—PERFORMING OPERATIONS; TRANSPORTING
- B21—MECHANICAL METAL-WORKING WITHOUT ESSENTIALLY REMOVING MATERIAL; PUNCHING METAL
- B21B—ROLLING OF METAL
- B21B39/00—Arrangements for moving, supporting, or positioning work, or controlling its movement, combined with or arranged in, or specially adapted for use in connection with, metal-rolling mills
- B21B39/02—Feeding or supporting work; Braking or tensioning arrangements, e.g. threading arrangements
-
- B—PERFORMING OPERATIONS; TRANSPORTING
- B21—MECHANICAL METAL-WORKING WITHOUT ESSENTIALLY REMOVING MATERIAL; PUNCHING METAL
- B21B—ROLLING OF METAL
- B21B15/00—Arrangements for performing additional metal-working operations specially combined with or arranged in, or specially adapted for use in connection with, metal-rolling mills
-
- B—PERFORMING OPERATIONS; TRANSPORTING
- B21—MECHANICAL METAL-WORKING WITHOUT ESSENTIALLY REMOVING MATERIAL; PUNCHING METAL
- B21B—ROLLING OF METAL
- B21B15/00—Arrangements for performing additional metal-working operations specially combined with or arranged in, or specially adapted for use in connection with, metal-rolling mills
- B21B2015/0057—Coiling the rolled product
-
- B—PERFORMING OPERATIONS; TRANSPORTING
- B21—MECHANICAL METAL-WORKING WITHOUT ESSENTIALLY REMOVING MATERIAL; PUNCHING METAL
- B21B—ROLLING OF METAL
- B21B15/00—Arrangements for performing additional metal-working operations specially combined with or arranged in, or specially adapted for use in connection with, metal-rolling mills
- B21B2015/0064—Uncoiling the rolled product
Landscapes
- Engineering & Computer Science (AREA)
- Mechanical Engineering (AREA)
- Winding, Rewinding, Material Storage Devices (AREA)
Abstract
本发明公开了可调节高度落差距离的转向夹送辊,包括架体,架体下端设置升降油缸,升降油缸上设置夹送辊,所述夹送辊正上方设置转向辊a,夹送辊一侧设置转向辊b,转向辊b连接托架,托架上安装导板台,托架底部安装折叠油缸,折叠油缸端部连接折叠导板架,折叠导板架靠近导板台一端设置压紧辊,压紧辊一侧设置销轴,销轴轴向转动连接折叠导板架;架体底部设置连接底座,底座上设置摆动油缸,摆动油缸连接托架底部。本发明可调节高度落差距离的转向夹送辊,满足了开卷机、卷取机与转向夹送辊之间有高度差的距离以及输送带材的稳定性,安全及可靠性要求,提高生产效率。
The invention discloses a steering pinch roller with adjustable height and drop distance. It comprises a frame body, a lifting oil cylinder is arranged at the lower end of the frame body, a pinch roller is arranged on the lift oil cylinder, a steering roller a is arranged directly above the pinch roller, and a pinch roller a The steering roller b is set on the side, the steering roller b is connected to the bracket, the guide plate table is installed on the bracket, the folding oil cylinder is installed at the bottom of the bracket, and the end of the folding oil cylinder is connected with the folding guide plate frame. A pin shaft is arranged on one side of the roller, and the pin shaft rotates axially to connect the folding guide frame; a connecting base is arranged at the bottom of the frame body, a swinging oil cylinder is arranged on the base, and the swinging oil cylinder is connected to the bottom of the bracket. The steering pinch roller with adjustable height and drop distance of the present invention satisfies the height difference distance between the uncoiler, the coiler and the steering pinch roller, as well as the stability, safety and reliability requirements of the conveying belt, and improves the production efficiency .
Description
技术领域technical field
本发明属于冶金轧制技术领域,具体涉及可调节高度落差距离的转向夹送辊。The invention belongs to the technical field of metallurgical rolling, and particularly relates to a steering pinch roll with adjustable height drop distance.
背景技术Background technique
在冷轧带钢产量日益发展的今天,用户要求产品厚度不断变薄。与此同时给机械设备的设计提出了更高的要求,薄带由开卷机打开后穿带到转向夹送辊之间有一定高度落差距离,对于薄带的传送而言就会产生抖动、松卷等不利于生产的情况产生,普通导板输送已经不能解决此问题。制约了整个机组的生产效率,影响了产品质量。Today, with the increasing development of cold-rolled strip production, users require that the thickness of the product is constantly becoming thinner. At the same time, higher requirements are put forward for the design of mechanical equipment. After the thin strip is opened by the uncoiler, there is a certain height drop distance between the thin strip and the turning pinch roller, which will cause jitter and looseness in the transmission of the thin strip. The situation that is not conducive to production such as rolls occurs, and ordinary guide plate transportation can no longer solve this problem. It restricts the production efficiency of the whole unit and affects the product quality.
发明内容SUMMARY OF THE INVENTION
本发明的目的是提供可调节高度落差距离的转向夹送辊,解决了现有转向夹送辊在带材输送过程中的高度落差距离,易出现抖动,松卷情况,生产效率低的问题。The purpose of the present invention is to provide a steering pinch roller with adjustable height drop distance, which solves the problems of high drop distance of the existing steering pinch roller in the process of strip conveying, prone to jitter, unwinding and low production efficiency.
本发明所采用的技术方案是,可调节高度落差距离的转向夹送辊,包括架体,架体下端设置升降油缸,升降油缸上设置夹送辊,夹送辊正上方设置转向辊a,夹送辊一侧设置转向辊b,转向辊b连接托架,托架上安装导板台,托架底部安装折叠油缸,折叠油缸端部连接折叠导板架,折叠导板架靠近导板台一端设置压紧辊,压紧辊一侧设置销轴,销轴轴向转动连接折叠导板架;架体底部设置连接底座,底座上设置摆动油缸,摆动油缸连接托架底部。The technical scheme adopted in the present invention is that the steering pinch roller with adjustable height and drop distance includes a frame body, a lifting oil cylinder is arranged at the lower end of the frame body, a pinch roller is arranged on the lifting oil cylinder, a steering roller a is arranged directly above the pinch roller, A steering roller b is set on one side of the feed roller, the steering roller b is connected to the bracket, a guide table is installed on the bracket, a folding oil cylinder is installed at the bottom of the bracket, and the end of the folding oil cylinder is connected to the folding guide frame, and the end of the folding guide frame close to the guide table is set with a pressing roller , a pin shaft is arranged on one side of the pressing roller, and the pin shaft rotates axially to connect the folding guide frame; the bottom of the frame body is provided with a connection base, a swing oil cylinder is arranged on the base, and the swing oil cylinder is connected to the bottom of the bracket.
本发明的特点还在于,The present invention is also characterized in that,
架体上设置导料板。A guide plate is arranged on the frame body.
夹送辊轴向设置转动轴,转动轴一端连转动电机,转动电机带动夹送辊转动,转动轴两端设置轴承座,轴承座上安装转动电机The pinch roller is axially set with a rotating shaft, one end of the rotating shaft is connected with a rotating motor, the rotating motor drives the pinch roller to rotate, bearing seats are arranged at both ends of the rotating shaft, and a rotating motor is installed on the bearing seat
轴承座底部连接升降油缸,轴承座嵌在架体两侧开有的滑槽内。The bottom of the bearing seat is connected to the lifting oil cylinder, and the bearing seat is embedded in the chute on both sides of the frame body.
升降油缸、电机、折叠油缸、摆动油缸分别电连接转向夹送辊控制系统。The lifting oil cylinder, the motor, the folding oil cylinder and the swinging oil cylinder are respectively electrically connected to the steering pinch roller control system.
导板台与托架螺栓连接,托架套在转向辊b的辊脖处。The guide table is connected with the bracket bolts, and the bracket is sleeved at the roller neck of the turning roller b.
架体通过螺栓连接紧固在底座上。The frame body is fastened to the base by bolt connection.
本发明的有益效果是:本发明可调节高度落差距离的转向夹送辊,满足了开卷机、卷取机与转向夹送辊之间有高度差的距离以及输送带材的稳定性,安全及可靠性要求,为转向夹辊提供更好的包角,有助于转向夹送辊的功能实现,实现机组要求。本发明结构安装调整方便,安全,快捷,易操作,具有良好的应用推广前景。The beneficial effects of the present invention are: the steering pinch roller with adjustable height drop distance of the present invention satisfies the height difference distance between the uncoiler, the coiler and the steering pinch roller as well as the stability of the conveying belt, safety and reliability. Reliability requirements, provide a better wrap angle for the steering pinch roller, help to realize the function of the steering pinch roller, and meet the requirements of the unit. The structure of the invention is convenient for installation and adjustment, safe, fast and easy to operate, and has good application and promotion prospects.
附图说明Description of drawings
图1是本发明可调节高度落差距离的转向夹送辊的打开时结构示意图;Fig. 1 is the structural schematic diagram of the present invention when the steering pinch roller with adjustable height drop distance is opened;
图2是本发明可调节高度落差距离的转向夹送辊的折叠时结构示意图;Fig. 2 is the structural schematic diagram of the present invention when the steering pinch roller with adjustable height drop distance is folded;
图3是本发明图2中沿C向剖视图。Fig. 3 is a sectional view taken along the C direction in Fig. 2 of the present invention.
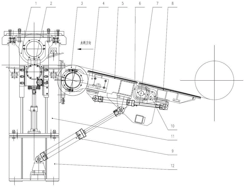
图中,1.转向辊a,2.夹送辊,3.转向辊b,4.托架,5.导板台,6.压紧辊,7.折叠油缸,8.折叠导板架,9.摆动油缸,10.销轴,11.架体,12.底座。In the figure, 1. Steering roller a, 2. Pinch roller, 3. Steering roller b, 4. Bracket, 5. Guide table, 6. Press roller, 7. Folding cylinder, 8. Folding guide frame, 9. Swing cylinder, 10. Pin shaft, 11. Frame body, 12. Base.
具体实施方式Detailed ways
下面结合附图和具体实施方式对本发明进行详细说明。The present invention will be described in detail below with reference to the accompanying drawings and specific embodiments.
本发明可调节高度落差距离的转向夹送辊的结构,包括架体11,架体11下端设置升降油缸,升降油缸上设置夹送辊2,夹送辊2正上方设置转向辊a 1,夹送辊2一侧设置转向辊b3,转向辊b3辊脖处连接托架4,托架4上安装导板台5,托架4底部安装折叠油缸7,折叠油缸7端部连接折叠导板架8,折叠导板架8靠近导板台5一端设置压紧辊6,压紧辊6一侧设置销轴10,销轴10轴向转动连接折叠导板架8;架体11底部设置连接底座12,底座12上设置摆动油缸9,摆动油缸9连接托架4底部,架体11上设置导料板。The structure of the steering pinch roller with adjustable height and drop distance of the present invention includes a
夹送辊2轴向设置转动轴,转动轴一端连转动电机,转动电机带动夹送辊2转动,转动轴两端设置轴承座,轴承座上安装转动电机,轴承座底部连接升降油缸,轴承座嵌在架体11两侧开有的滑槽内,夹送辊2在架体11内上下滑动,实现开口度要求。升降油缸、电机、折叠油缸7、摆动油缸9分别电连接转向夹送辊控制系统。The
本发明可调节高度落差距离的转向夹送辊工作原理为,转向辊a1和转向辊b3固定安装在架体11上,架体11通过螺栓连接紧固在底座12上,通过摆动油缸9带动导板台5绕转向辊b3转动;同时导板台5与折叠导板架8之间由折叠油缸7连接,折叠导板架8上安装压紧辊6,折叠导板架8绕销轴10的中心线旋转;电机驱动夹送辊2带传动的同时,通过升降油缸的伸缩实现在架体11内上下滑动,实现开口度要求。折叠导板架8打开时满足开卷机到转向夹送辊长距离的带材传送,折叠后漏出压紧辊6,在带材有一定高度落差距离输送的情况下压紧带材。The working principle of the steering pinch roller with adjustable height drop distance of the present invention is that the steering roller a1 and the steering roller b3 are fixedly installed on the
本发明可调节高度落差距离的转向夹送辊工作过程为,如图1所示,在带材要被送入卷取机时,或带材由开卷机打开输送时,折叠油缸7无杆腔进油,活塞杆伸出,折叠导板架8绕销轴10转动,直到折叠导板架8和导板台5转到同一平面,实现导板导料输送功能;如图2所示,开卷机带头打开通过转向夹送辊喂入主机实现轧制、平整功能时,或卷取机卷带数圈后,摆动油缸9安装在底座12上,摆动油缸9有杆腔进油活塞杆收回到合适位置,导板台5与托架4螺栓连接,托架4套在转向辊b3的辊脖处,实现导板台5绕转向辊b3转动,折叠油缸7有杆腔进油,活塞杆收回,折叠导板架8绕销轴10顺时针转动,如图3所示,将折叠导板架8收回,露出压紧辊6,压靠在带材上,防止带材在传送过程中的抖动,松开,泄张的情况产生。The working process of the steering pinch roller with adjustable height and drop distance of the present invention is, as shown in Figure 1, when the strip is to be fed into the coiler, or when the strip is opened and conveyed by the uncoiler, the folding
本发明可调节高度落差距离的转向夹送辊应用于不锈钢冷轧厂,保证带材在折叠导板架8的转向夹送辊输送下稳定、可靠运行,带材表面质量良好,为用户节省生产成本,提高了生产效率。The steering pinch roller with adjustable height and drop distance of the present invention is applied to a stainless steel cold rolling plant to ensure stable and reliable operation of the strip under the conveyance of the steering pinch roller of the
Claims (7)
Priority Applications (1)
| Application Number | Priority Date | Filing Date | Title |
|---|---|---|---|
| CN202210190300.5A CN114632828B (en) | 2022-02-28 | 2022-02-28 | Steering pinch rollers with adjustable height drop |
Applications Claiming Priority (1)
| Application Number | Priority Date | Filing Date | Title |
|---|---|---|---|
| CN202210190300.5A CN114632828B (en) | 2022-02-28 | 2022-02-28 | Steering pinch rollers with adjustable height drop |
Publications (2)
| Publication Number | Publication Date |
|---|---|
| CN114632828A true CN114632828A (en) | 2022-06-17 |
| CN114632828B CN114632828B (en) | 2025-02-21 |
Family
ID=81947217
Family Applications (1)
| Application Number | Title | Priority Date | Filing Date |
|---|---|---|---|
| CN202210190300.5A Active CN114632828B (en) | 2022-02-28 | 2022-02-28 | Steering pinch rollers with adjustable height drop |
Country Status (1)
| Country | Link |
|---|---|
| CN (1) | CN114632828B (en) |
Cited By (1)
| Publication number | Priority date | Publication date | Assignee | Title |
|---|---|---|---|---|
| CN116586445A (en) * | 2023-04-26 | 2023-08-15 | 中冶陕压重工设备有限公司 | One-machine multi-purpose belt winder and its usage method |
Citations (6)
| Publication number | Priority date | Publication date | Assignee | Title |
|---|---|---|---|---|
| JPH105867A (en) * | 1996-06-14 | 1998-01-13 | Sumitomo Heavy Ind Ltd | Nip bending equipment of strip coil and strip treatment line |
| CN201367271Y (en) * | 2009-02-09 | 2009-12-23 | 中冶南方工程技术有限公司 | Multifunctional combined outlet steering pinch device |
| CN201423394Y (en) * | 2009-04-16 | 2010-03-17 | 宝山钢铁股份有限公司 | Cold rolling continuous machine set outlet guide plate threading device |
| CN203972518U (en) * | 2014-07-18 | 2014-12-03 | 武汉钢铁(集团)公司 | Band auxiliary tape threading device |
| CN204912541U (en) * | 2015-09-07 | 2015-12-30 | 一重集团大连设计研究院有限公司 | Export in finishing unit turns to pinch roll |
| CN217095022U (en) * | 2022-02-28 | 2022-08-02 | 中冶陕压重工设备有限公司 | Turning pinch roll device with folding guide plate |
-
2022
- 2022-02-28 CN CN202210190300.5A patent/CN114632828B/en active Active
Patent Citations (6)
| Publication number | Priority date | Publication date | Assignee | Title |
|---|---|---|---|---|
| JPH105867A (en) * | 1996-06-14 | 1998-01-13 | Sumitomo Heavy Ind Ltd | Nip bending equipment of strip coil and strip treatment line |
| CN201367271Y (en) * | 2009-02-09 | 2009-12-23 | 中冶南方工程技术有限公司 | Multifunctional combined outlet steering pinch device |
| CN201423394Y (en) * | 2009-04-16 | 2010-03-17 | 宝山钢铁股份有限公司 | Cold rolling continuous machine set outlet guide plate threading device |
| CN203972518U (en) * | 2014-07-18 | 2014-12-03 | 武汉钢铁(集团)公司 | Band auxiliary tape threading device |
| CN204912541U (en) * | 2015-09-07 | 2015-12-30 | 一重集团大连设计研究院有限公司 | Export in finishing unit turns to pinch roll |
| CN217095022U (en) * | 2022-02-28 | 2022-08-02 | 中冶陕压重工设备有限公司 | Turning pinch roll device with folding guide plate |
Cited By (1)
| Publication number | Priority date | Publication date | Assignee | Title |
|---|---|---|---|---|
| CN116586445A (en) * | 2023-04-26 | 2023-08-15 | 中冶陕压重工设备有限公司 | One-machine multi-purpose belt winder and its usage method |
Also Published As
| Publication number | Publication date |
|---|---|
| CN114632828B (en) | 2025-02-21 |
Similar Documents
| Publication | Publication Date | Title |
|---|---|---|
| CN107352305B (en) | Film material roll feeding mechanism | |
| CN114632828A (en) | Steering pinch roll capable of adjusting height drop distance | |
| CN216911599U (en) | Eccentric pressing type precise leveling feeder | |
| CN2296243Y (en) | Steel coil uncoiler pinch roller mechanism | |
| CN207642006U (en) | A kind of switching regulator switching guider | |
| CN208070713U (en) | Conveyer belt mechanism, deviation correcting device, drying and shaping equipment and corrugated paper board production line | |
| CN217095022U (en) | Turning pinch roll device with folding guide plate | |
| CN207085987U (en) | Reduce the clamping device and its crawler type rice mill of crawler belt shake | |
| CN206318539U (en) | Digital intaglio plate complex printer list double-station unwinding device | |
| CN208777074U (en) | A kind of superpressure machine | |
| CN219899648U (en) | Multipurpose belt winding aid | |
| CN208098187U (en) | Conveyer belt rolls roller mechanism | |
| CN105692277B (en) | A kind of coiling device | |
| CN216583250U (en) | Automatic tensioning device for winding film rewinding machine | |
| CN212093792U (en) | Strip steel guiding device and strip steel coiling system | |
| CN211945633U (en) | Paper processing is with device of folding paper | |
| CN220077676U (en) | Steel conveying limiting structure | |
| CN212422612U (en) | Book flattening device | |
| CN222885758U (en) | A rewinding machine aircraft nose structure for aluminium is rolled up | |
| CN100423859C (en) | Reciprocating reducing roller | |
| CN111532051A (en) | Book flattening device and method | |
| CN220903849U (en) | Screw feeding device for fusible fluorine resin production | |
| CN220500127U (en) | A flattening machine for corrugated paper production | |
| CN218707535U (en) | Aluminum mask bag conveying device | |
| CN220200887U (en) | Grain preservative film winding machine capable of double-layer material collection |
Legal Events
| Date | Code | Title | Description |
|---|---|---|---|
| PB01 | Publication | ||
| PB01 | Publication | ||
| SE01 | Entry into force of request for substantive examination | ||
| SE01 | Entry into force of request for substantive examination | ||
| GR01 | Patent grant | ||
| GR01 | Patent grant |
