CN114414784B - 一种桥梁拼接缝车载变形差模拟试验装置及模拟方法 - Google Patents
一种桥梁拼接缝车载变形差模拟试验装置及模拟方法 Download PDFInfo
- Publication number
- CN114414784B CN114414784B CN202210320950.7A CN202210320950A CN114414784B CN 114414784 B CN114414784 B CN 114414784B CN 202210320950 A CN202210320950 A CN 202210320950A CN 114414784 B CN114414784 B CN 114414784B
- Authority
- CN
- China
- Prior art keywords
- section
- bridge
- post
- pouring
- pouring section
- Prior art date
- Legal status (The legal status is an assumption and is not a legal conclusion. Google has not performed a legal analysis and makes no representation as to the accuracy of the status listed.)
- Active
Links
Images
Classifications
-
- G—PHYSICS
- G01—MEASURING; TESTING
- G01N—INVESTIGATING OR ANALYSING MATERIALS BY DETERMINING THEIR CHEMICAL OR PHYSICAL PROPERTIES
- G01N33/00—Investigating or analysing materials by specific methods not covered by groups G01N1/00 - G01N31/00
- G01N33/38—Concrete; Lime; Mortar; Gypsum; Bricks; Ceramics; Glass
- G01N33/383—Concrete or cement
-
- G—PHYSICS
- G01—MEASURING; TESTING
- G01M—TESTING STATIC OR DYNAMIC BALANCE OF MACHINES OR STRUCTURES; TESTING OF STRUCTURES OR APPARATUS, NOT OTHERWISE PROVIDED FOR
- G01M99/00—Subject matter not provided for in other groups of this subclass
-
- G—PHYSICS
- G01—MEASURING; TESTING
- G01N—INVESTIGATING OR ANALYSING MATERIALS BY DETERMINING THEIR CHEMICAL OR PHYSICAL PROPERTIES
- G01N1/00—Sampling; Preparing specimens for investigation
- G01N1/28—Preparing specimens for investigation including physical details of (bio-)chemical methods covered elsewhere, e.g. G01N33/50, C12Q
- G01N1/286—Preparing specimens for investigation including physical details of (bio-)chemical methods covered elsewhere, e.g. G01N33/50, C12Q involving mechanical work, e.g. chopping, disintegrating, compacting, homogenising
-
- G—PHYSICS
- G01—MEASURING; TESTING
- G01N—INVESTIGATING OR ANALYSING MATERIALS BY DETERMINING THEIR CHEMICAL OR PHYSICAL PROPERTIES
- G01N1/00—Sampling; Preparing specimens for investigation
- G01N1/28—Preparing specimens for investigation including physical details of (bio-)chemical methods covered elsewhere, e.g. G01N33/50, C12Q
- G01N1/36—Embedding or analogous mounting of samples
-
- G—PHYSICS
- G06—COMPUTING OR CALCULATING; COUNTING
- G06F—ELECTRIC DIGITAL DATA PROCESSING
- G06F30/00—Computer-aided design [CAD]
- G06F30/20—Design optimisation, verification or simulation
-
- G—PHYSICS
- G09—EDUCATION; CRYPTOGRAPHY; DISPLAY; ADVERTISING; SEALS
- G09B—EDUCATIONAL OR DEMONSTRATION APPLIANCES; APPLIANCES FOR TEACHING, OR COMMUNICATING WITH, THE BLIND, DEAF OR MUTE; MODELS; PLANETARIA; GLOBES; MAPS; DIAGRAMS
- G09B23/00—Models for scientific, medical, or mathematical purposes, e.g. full-sized devices for demonstration purposes
- G09B23/06—Models for scientific, medical, or mathematical purposes, e.g. full-sized devices for demonstration purposes for physics
- G09B23/08—Models for scientific, medical, or mathematical purposes, e.g. full-sized devices for demonstration purposes for physics for statics or dynamics
- G09B23/10—Models for scientific, medical, or mathematical purposes, e.g. full-sized devices for demonstration purposes for physics for statics or dynamics of solid bodies
-
- Y—GENERAL TAGGING OF NEW TECHNOLOGICAL DEVELOPMENTS; GENERAL TAGGING OF CROSS-SECTIONAL TECHNOLOGIES SPANNING OVER SEVERAL SECTIONS OF THE IPC; TECHNICAL SUBJECTS COVERED BY FORMER USPC CROSS-REFERENCE ART COLLECTIONS [XRACs] AND DIGESTS
- Y02—TECHNOLOGIES OR APPLICATIONS FOR MITIGATION OR ADAPTATION AGAINST CLIMATE CHANGE
- Y02T—CLIMATE CHANGE MITIGATION TECHNOLOGIES RELATED TO TRANSPORTATION
- Y02T90/00—Enabling technologies or technologies with a potential or indirect contribution to GHG emissions mitigation
Landscapes
- Physics & Mathematics (AREA)
- General Physics & Mathematics (AREA)
- Engineering & Computer Science (AREA)
- Chemical & Material Sciences (AREA)
- Life Sciences & Earth Sciences (AREA)
- Health & Medical Sciences (AREA)
- Immunology (AREA)
- Biochemistry (AREA)
- Theoretical Computer Science (AREA)
- Pathology (AREA)
- General Health & Medical Sciences (AREA)
- Analytical Chemistry (AREA)
- Food Science & Technology (AREA)
- Mathematical Analysis (AREA)
- Computer Hardware Design (AREA)
- Geometry (AREA)
- Ceramic Engineering (AREA)
- General Engineering & Computer Science (AREA)
- Medicinal Chemistry (AREA)
- Algebra (AREA)
- Computational Mathematics (AREA)
- Evolutionary Computation (AREA)
- Mathematical Optimization (AREA)
- Mathematical Physics (AREA)
- Pure & Applied Mathematics (AREA)
- Business, Economics & Management (AREA)
- Educational Administration (AREA)
- Educational Technology (AREA)
- Bridges Or Land Bridges (AREA)
Abstract
本发明属于混凝土模型试验装置技术领域,涉及一种桥梁拼接缝车载变形差模拟试验装置及模拟方法。本发明改进的模拟试验装置中,通过在预制试验梁与振动台之间设置了弹性组件,在进行桥梁拼接缝车载变形差模拟试验的过程中,能够模拟出拼接缝两端的位移差随拼接缝弹性模量的增长而降低的规律,不需要使用到高精度的传感器,振动台只需要输入固定振幅的振动,即可得到较高的精度。而且,试验中后浇段的最大拉应变与实际工程中湿接缝的最大拉应变也更接近。基于该发明的模拟装置进行的模拟方法,能够更好的反应车桥耦合振动对新旧桥之间湿接缝的影响,通过该模拟方法得到的数据更具有参考性,对于后期新旧桥施工建设能够给出更准确的施工建议。
Description
技术领域
本发明属于混凝土模型试验装置技术领域,涉及一种桥梁拼接缝车载变形差模拟试验装置及模拟方法。
背景技术
近年来,桥梁加宽工程越来越多,桥梁加宽时往往不中断旧桥交通,用湿接缝把旧桥和新桥连接起来。在浇筑湿接缝过程中旧桥振动会影响接缝混凝土的受力性能。同时车致振动会导致湿接缝中的钢筋与混凝土之间存在位移差,且随着湿接缝弹性模量的增长,位移差随之减小,湿接缝的最大正应变也随之减小。现有试验往往是采用将混凝土梁分成两端两个先浇段和中间一个后浇段,将先浇段固定在振动台上,一个振动台振动,另一个振动台不振动的方式来模拟桥梁加宽时湿接缝在车桥耦合作用下的受力状况。振动台的振动方式往往是采用的固定振幅的方式,这样后浇段的最大正应变保持不变。若振动方式为输入振幅不断减小的时程曲线的方式,则振幅的减小与后浇段弹性模量的增长相对独立,仍不能很好的反应车桥耦合振动对湿接缝的影响,且造价较高。若振动的时程曲线与后浇段混凝土弹性模量的增长不独立,则构造复杂且造价很高。因此亟需改进现有桥梁拼接缝车载变形差模拟试验装置和试验方法。
发明内容
本发明的目的在于:针对现有技术存在的振动台采用时程曲线振动的方式与后浇段弹性模量的增长相对独立,仍不能很好的反应车桥耦合振动对湿接缝的影响,且造价较高的缺陷,提供一种桥梁拼接缝车载变形差模拟试验装置及方法。
为了实现上述目的,本发明采用的技术方案为:
一种桥梁拼接缝车载变形差模拟试验装置,包括可拆卸连接的预制试验梁和振动台,所述预制试验梁沿其长度方向依次为第一先浇段、后浇段和第二先浇段;所述振动台包括第一振动台和第二振动台,所述第一振动台设置于所述第一先浇段下方,所述第二振动台设置于所述第二先浇段下方;
还包括弹性组件;所述弹性组件分别包括第一弹性组件和第二弹性组件,所述第一弹性组件设置于所述第一先浇段与所述第一振动台之间,所述第二弹性组件设置于所述第二先浇段与所述第二振动台之间。
本发明提出一种桥梁拼接缝车载变形差模拟试验装置,将预制试验梁与振动台之间设置了弹性组件,由于设置弹性组件后能体现出湿接缝两端位移差随湿接缝弹性模量的增长而降低的规律,因此不需要高精度传感器;振动台只需要能产生固定振幅的振动,即可得到较高的精度。能真实的反应实际工程中湿接缝的最大正应变随湿接缝弹性模量的增长而逐渐减小的规律。试验中后浇段的最大拉应变与实际工程中湿接缝的最大拉应变更接近。且通过加弹簧的方式只需要固定振幅即可实现,不需要传感器等设备,构造简短,成本低。
由于新旧桥边梁沿桥梁纵向存在相应的刚度,在后浇缝混凝土弹性模量上升期间,在相同的车辆荷载作用下,接缝两端的相对位移是随时间实时变化的值。传统的普通振动台无法完整振幅随时间变化的功能,定制的振动台可以完成该功能,但是造价极其高昂。本发明通过在接缝两侧设置弹性组件,可以准确的模拟新旧桥边梁的纵桥向刚度,进而随着后浇段弹性模量的增加,后浇段对应的刚度增大,此时后浇段的传力能力增加,此时振幅也将发生变化,模拟过程与施工现场的实际情况基本一致,高度还原了桥梁湿接缝的变化状态,在此基础上,为了考查新旧桥施工方案的可行性,通过还模拟试验的试验装置结合不同的振动数据能够给出可信度较高的施工建议,不仅能更好的控制旧桥加宽施工过程的施工成本,同时还能保证旧桥加宽施工的施工效果。
作为本发明的优选方案,所述后浇段设置有支护模板,所述支护模板内裸露的钢筋粘贴有若干用于信号采集的应变片。应变片的另一端连接至信号采集装置。具体的,在钢筋从后浇段一端开始至后浇段另一端等间距的布置若干应变片,其中保证后浇段两端和跨中均有应变片,其余位置尽可能多的布置应变片。在贴应变片的位置先打磨钢筋将钢筋表面磨平,然后在钢筋表面和应变片底面涂502胶,将应变片贴到对应位置,然后用力按压应变片以保证钢筋与应变片之间没有气泡。待502胶干了以后在应变片表面涂705胶从而达到应变片防水的目的。
作为本发明的优选方案,所述支护模板包括底板,和相对设置的侧板;还包括轮廓加强条,所述轮廓加强条包括第一加强条和第二加强条;所述第一加强条沿所述后浇段的长度设置,所述第一加强条设置于所述侧板的边沿,所述第二加强条设置于所述后浇段与相邻先浇段的上下接缝处,所述第二加强条与所述第一加强条通过螺杆固定。通过设置第一加强条和第二加强条保证底板和侧板之间连接可靠,保证底板和侧板在浇筑后浇段混凝土过程中不变位,不脱落,从而保证在后浇段混凝土浇筑过程中不漏浆。
作为本发明的优选方案,所述第一弹性组件和所述第二弹性组件结构相同且对称于所述后浇段设置;所述第一弹性组件包括第一铰支座和弹簧组,所述第一铰支座固定设置于所述第一先浇段,所述弹簧组固定设置于所述第一铰支座下方,并与对应的所述第一振动台固定,所述弹簧组包括第一弹簧和第二弹簧,所述第一弹簧和所述第二弹簧分别设置于所述第一先浇段中轴线的两侧。
具体的,所述第二弹性组件对称设置于第二先浇段的下方,第二弹性组件也包括第一铰支座和弹簧组,其设置方式与第一先浇段位置处的第一铰支座、弹簧组的设置方式相同。
第一弹簧和第二弹簧根据有限元模拟的旧桥在车桥耦合作用下靠近加宽一侧的挠度和转角以及有限元模拟在湿接缝到达某一龄期(24h-48h)时湿接缝在车桥耦合作用下的最大拉应力以及事先设计的试验梁尺寸来确定的。将试验梁等效成材料力学中的多跨连续梁,则计算在试验梁后浇段弹性模量与湿接缝某一龄期(24h-48h)弹性模量相等时,此时后浇段混凝土最大拉应力与湿接缝最大拉应力相等时所需的弹簧刚度,这样就可以使得试验梁在后浇段混凝土刚浇筑完时和后浇段混凝土到达某一龄期(24h-48h)时后浇段混凝土的受力与实际桥梁加宽时湿接缝的受力接近,从而实现在整个振动过程中后浇段混凝土与湿接缝混凝土受力接近,从而使得试验能较为真实的模拟桥梁加宽时湿接缝混凝土的受力状况。
弹簧的刚度选择按照以下公式计算确定:
其中,假设预制试验梁的所述第一先浇段和所述第二先浇段分别采用的混凝土弹性模量为E1,预制试验梁横截面抗弯惯性矩为I,高度为h,所述第二铰支座的中心线到弹簧组中心线的距离为l1,弹簧组的中心线到对应设置的先浇段与后浇段界面之间的距离为l2,后浇段长度为l0。
建立旧桥有限元模型,计算在车桥耦合作用下旧桥靠近湿接缝一侧的最大挠度Δ0以及转角θ0 ,然后建立新桥和湿接缝模型,湿接缝的弹性模量设置为湿接缝混凝土养护到龄期在24h-48h时的弹性模量,计算在车桥耦合作用下湿接缝靠近旧桥一侧下缘最大拉应力σ。
忽略湿接缝纵向的受力,则湿接缝(后浇段)的受力情况近似接近于两端为固定支座支撑状态下试验梁整体受力情况,在湿接缝刚浇筑完时,该梁一端的支座位移为Δ0,支座转角为θ0,具体的,支座位置指的是支座在竖直方向发生的位移,支座转角指的是指支座绕以宽度方向的轴旋转的角度,另一端的支座位移为0,支座转角为0。在湿接缝养护到某一龄期(24h-48h)时该梁的最大拉应力为σ。
k即为让弹簧产生单位位移所需要施加的力。根据上述统计数据,带入公式,即可得到由某一预制试验梁的各实验选择参数计算得到的对应的第一弹簧和第二弹簧的刚度值,按照该值进行弹簧刚度的选择,并进行模拟试验。当弹簧刚度取该公式计算得到的数值时,可保证试验梁后浇段混凝土的受力与两端为固定支座支撑状态下试验梁的受力相同。
作为本发明的优选方案,所述第一铰支座包括水平设置的上顶板和下顶板,所述上顶板和所述下顶板之间用于和预制试验梁的先浇段进行固定;所述下顶板下部设置有弹簧组,所述弹簧组分别与下顶板、振动台固定连接。
作为本发明的优选方案,还包括第二铰支座,所述第二铰支座设置于每个先浇段的端部用于支撑所述先浇段,即第二铰支座分别设置在预制试验梁的第一先浇段和第二先浇段的端部;
所述第二铰支座包括支块和支板,所述支块设置于先浇段与振动台之间,所述支板设置于先浇段顶面,所述支板与所述振动台通过螺杆固定。通过设置第二铰支座使得试验梁的结构体系为几何不变且有两个多余约束的体系,从而保证了试验梁在不振动时不会移动,且在振动过程中后浇段混凝土不处于不受力的状态,且采用铰支座的方式易于实现。
作为本发明的优选方案,所述试验梁的高度不超过实际桥梁加宽时采用的湿接缝的高度,优选的,所述试验梁的高度为150±5mm,试验梁的宽度为10-20cm,所述后浇段的长度为500±5mm,所述第一先浇段、所述第二先浇段的长度相等,且均大于所述后浇段的长度。
作为本发明的优选方案,试验梁的制备方法为:
步骤S1、搭建试验梁模具,所述试验梁模具为矩形壳体,所述矩形壳体顶面为开放状态,在所述矩形壳体内沿长度方划分出三个矩形子区域,三个所述矩形子区域两两相互独立,三个所述矩形子区域分别对应试验梁的第一先浇区、后浇区和第二先浇区,所述后浇区与两端相邻的先浇区设置有分隔板,每个所述矩形子区域分别设置独立的模板;每个矩形子区域对应的所述模板与相邻区域的模板之间可拆卸连接;所述试验梁模具内设置有钢筋笼,所述钢筋笼大小与所述矩形壳体相适配;
步骤S2、向第一先浇区和第二先浇区分别浇筑混凝土,混凝土凝固后,将所述第一先浇区和所述第二先浇区对应的模板拆除,即得到预制试验梁。
一种基于上述车载变形差模拟试验装置的模拟方法,包括如下步骤:
步骤1:获取目标待加宽旧桥的数据,并建立旧桥有限元模型,确定所述第一振动台待输入的数据信息以及弹簧的刚度;
步骤2:根据步骤1调整好试验装置,所述第一先浇段用于模拟旧桥一侧,所述第二先浇段用于模拟新桥一侧;所述后浇段用于模拟湿接缝;向后浇段内浇筑混凝土,混凝土浇筑完成后,马上开启所述第一振动台,采集钢筋应变片读数;当后浇段内的混凝土达到终凝后关闭所述第一振动台,并卸载试验梁;
步骤3:对所述试验梁的后浇段进行脱模处理,然后观察试验梁的裂缝位置、形态、长度,用裂缝测宽仪测量裂缝宽度。
采集的应变片的数据即为后浇段钢筋各个位置的时程应变曲线,由于试验梁后浇段受力与实际桥梁加宽时湿接缝受力接近,因此采集的应变时程曲线能反应出实际桥梁加宽时湿接缝的受力情况。
作为本发明的优选技术方案,振动时间可超过24小时,这样在后浇段刚浇筑完时以及后浇段终凝后的某个时刻后浇段的最大拉应变与实际桥梁加宽时湿接缝的最大拉应变近似相等,从而在整个振动过程中后浇段的最大拉应变与实际桥梁加宽时湿接缝的最大拉应变均近似相等。
作为本发明的优选方案,建立旧桥有限元模型的具体做法为:设计湿接缝宽度为L,高度为H,计算在车桥耦合作用下旧桥靠近湿接缝一侧的最大挠度Δ0以及转角θ0 ,然后建立新桥和湿接缝模型,湿接缝的弹性模量设置为湿接缝混凝土养护到龄期在24h-48h时的弹性模量,计算在车桥耦合作用下湿接缝靠近旧桥一侧下缘最大拉应力σ;并标记此时的湿接缝弹性模量为E0。
将试验梁等效为一个多跨连续梁,给第一铰支座和第一弹簧施加向下的支座位移,位移大小为振动的振幅,则通过材料力学的方法可以计算出此时后浇段混凝土的最大拉应力,该最大拉应力值是含有刚度k的关系式,令该最大拉应力等于有限元模拟得到的湿接缝在该龄期时的最大拉应力,则可以求出刚度k。这样就可以使得试验梁在后浇段混凝土刚浇筑完时和后浇段混凝土到达某一龄期(24h-48h)时后浇段混凝土的受力与实际桥梁加宽时湿接缝的受力接近,从而实现在整个振动过程中后浇段混凝土与湿接缝混凝土受力接近,从而使得试验能较为真实的模拟桥梁加宽时湿接缝混凝土的受力状况。
作为本发明的优选方案,所述第一振动台采用固定振幅的方式振动,振幅为
其中,l0为拟采用的试验梁后浇段长度,h为拟采用的试验梁高度。
综上所述,由于采用了上述技术方案,本发明的有益效果是:
1、能真实的反应实际工程中湿接缝的最大正应变随湿接缝弹性模量的增长而逐渐减小的规律。试验中后浇段的最大拉应变与实际工程中湿接缝的最大拉应变接近。且通过加弹簧的方式只需要固定振幅即可实现,不需要传感器等设备,构造简短,成本低。
2、由于弹簧能体现出湿接缝两端位移差随湿接缝弹性模量的增长而降低的规律,因此不需要高精度传感器,振动台只需要能产生固定振幅的振动,即可得到较高的精度。
附图说明
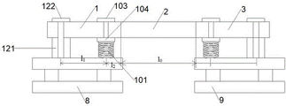
图1是本发明的预制试验梁的结构示意图;
图2是本发明的预制试验梁与振动台配合的结构示意图;
图3为本发明的预制试验梁与振动台配合的正面结构示意图;
图4为模拟试验装置的振幅随混凝土成型过程的变化图;
图标:1-第一先浇段;2-后浇段;3-第二先浇段;51-底板,52-侧板,53-第一加强条,54-第二加强条, 8-第一振动台,9-第二振动台, 101-第一弹簧,102-第二弹簧,103-上顶板,104-下顶板,12-第二铰支座,121-支块,122-支板。
具体实施方式
下面结合附图,对本发明作详细的说明。
为了使本发明的目的、技术方案及优点更加清楚明白,以下结合附图及实施例,对本发明进行进一步详细说明。应当理解,此处所描述的具体实施例仅用以解释本发明,并不用于限定本发明。
实施例1
本实施例提供一种桥梁拼接缝车载变形差模拟试验装置,如图1-3所示,包括可拆卸连接的预制试验梁和振动台,所述预制试验梁沿其长度方向依次为第一先浇段1、后浇段2和第二先浇段3;其中,第一先浇段1和第二先浇段3分别为混凝土梁,而后浇段2处于还未浇筑的状态。
具体的,所述后浇段2设置有支护模板,所述支护模板内裸露的钢筋粘贴有若干用于信号采集的应变片。所述支护模板包括底板51,和相对设置的侧板52;还包括轮廓加强条,所述轮廓加强条包括第一加强条53和第二加强条54;所述第一加强条53沿所述后浇段2的长度设置,所述第一加强条53设置于所述侧板52的边沿,所述第二加强条54设置于所述后浇段2与相邻先浇段的上下接缝处,所述第二加强条54与所述第一加强条53通过螺杆固定。
所述振动台包括第一振动台8和第二振动台9,所述第一振动台8设置于所述第一先浇段1下方,所述第二振动台9设置于所述第二先浇段3下方,在所述试验梁与所述振动台之间分别设置弹性组件;
所述弹性组件分别包括第一弹性组件和第二弹性组件,所述第一弹性组件设置于所述第一先浇段1下方,所述第二弹性组件设置于所述第二先浇段3下方;更具体的,所述第一弹性组件和第二弹性组件均靠近先浇段与后浇段2的接缝处的位置;所述第一弹性组件和所述第二弹性组件结构相同且对称于所述后浇段2设置;
如图2所示,所述第一弹性组件包括第一铰支座和弹簧组,所述弹簧组固定设置于所述第一铰支座下方,并与对应的所述第一振动台8固定,所述弹簧组包括第一弹簧101和第二弹簧102,所述第一弹簧101和所述第二弹簧102分别设置于所述第一先浇段1的中轴线的两侧。所述第一铰支座包括水平设置的上顶板103和下顶板104,所述上顶板103和所述下顶板104之间用于和预制试验梁的第一先浇段1进行固定;所述下顶板104下部设置有弹簧组,所述弹簧组分别与下顶板104、第一振动台固定连接。
同样的,所述第二弹性组件与第二先浇段3之间的连接对应于所述第一弹性组件与第一先浇段1的连接。
还包括第二铰支座12,所述第二铰支座12分别设置于第一先浇段1和第二先浇段3的端部用于支撑预制试验梁,以第一先浇段1一侧的所述第二铰支座12为例,所述第二铰支座12包括支块121和支板122,所述支块121设置于第一先浇段1与第一振动台8之间,所述支板122设置于第一先浇段1顶面,所述支板122与所述第一振动台8通过螺杆固定。通过沿试验梁轴线对称的布置第一弹簧101和第二弹簧102,使得试验梁不易侧翻。通过在预制试验梁两端设置第二铰支座12能够保证预制试验梁两端转动自由。
具体的,试验梁根据如下方式进行制备:
S1、搭建试验梁模具,所述试验梁模具为矩形壳体,所述矩形壳体顶面为开放状态,在所述矩形壳体内沿长度方划分出三个矩形子区域,三个所述矩形子区域两两相互独立,三个所述矩形子区域分别对应试验梁的第一先浇段、后浇段和第二先浇段,每个所述矩形子区域分别设置独立的模板;每个矩形子区域对应的所述模板与相邻区域的模板之间可拆卸连接;所述矩形壳体内设置有钢筋笼,所述钢筋笼大小与所述矩形壳体相适配;
S2、向第一先浇区和第二先浇区分别浇筑混凝土,混凝土凝固后,将所述第一先浇区和所述第二先浇区对应的模板拆除,即得到预制试验梁。
实施例2
本实施例提供一种桥梁拼接缝车载变形差模拟方法,具体包括如下步骤:
步骤1、获取目标待加宽旧桥的数据,并建立旧桥有限元模型,确定所述第一振动台8待输入的数据信息以及弹簧组的刚度信息;
具体的旧桥有限元模型根据如下方式建立:
设计湿接缝宽度为L,高度为H,计算在车桥耦合作用下旧桥靠近湿接缝一侧的最大挠度Δ0以及转角θ0,然后建立新桥和湿接缝模型,湿接缝的弹性模量设置为湿接缝混凝土养护到某一龄期(24h-48h)时的弹性模量,计算在车桥耦合作用下湿接缝靠近旧桥一侧下缘最大拉应力σ。记此时的湿接缝弹性模量为E0。
本实施例中,实桥湿接缝宽度L为675mm,高度H为250mm,仅建立旧桥模型时在车桥耦合作用下旧桥靠近湿接缝一侧最大挠度Δ0为4.994mm,转角θ0为3.91×10-4 rad,建立湿接缝与新桥模型后,湿接缝弹性模量E0为11.2 GPa,在车桥耦合作用下湿接缝靠近旧桥一侧下缘最大拉应力为0.2636 MPa。
步骤2、根据步骤1调整好试验装置,所述第一先浇段1用于模拟旧桥一侧,所述第二先浇段3用于模拟新桥一侧;所述后浇段2用于模拟湿接缝;向后浇段2内浇筑混凝土,混凝土浇筑完成后,马上开启所述第一振动台8,采集钢筋应变片读数;当后浇段2内的混凝土达到终凝后关闭所述第一振动台8,并卸载试验梁;
预制的试验梁的高度不超过实际桥梁加宽时采用的湿接缝的高度,本实施例中,所述试验梁的高度为150mm,试验梁的宽度为150mm,所述后浇段2的长度为500mm,所述第一先浇段1、所述第二先浇段3的长度相等,且均大于所述后浇段2的长度,先浇段长度为700mm。
假定试验梁在设置第二铰支座12和弹性组件以后受力为一连续梁,则通过选取合适的振幅和弹簧刚度可以使得后浇段2刚浇筑完时后浇段2最大拉应变与实际桥梁加宽时的湿接缝最大拉应变相同并且在后浇段2到达某一龄期(24h-48h)时试验梁的最大拉应力与有限元计算得到的实际桥梁加宽的湿接缝到达该龄期时的最大拉应力相同,进而近似的认为试验梁后浇段2与实际桥梁加宽时的湿接缝的受力接近。
移动振动台使得两个振动台的净间距略大于后浇段2长度,预先定位好预制试验梁放置的位置,在准备放置的预制试验梁两端的位置放置第二铰支座12,在振动台台面与第二铰支座12两侧交界处开孔,在两个振动台台面上靠近先浇段与后浇段2交界处的位置分别做两个记号,两个记号沿预制试验梁中心线对称。
本实施例中,如图3所示,第一振动台8和第二振动台9的净间距为700mm,第一振动台8与第一先浇段1之间设置的第二铰支座12的中心线与第一先浇段1的端部距离为50mm,第一先浇段1这一侧设置的弹簧组中,第一弹簧101与第二弹簧102之间的中心连线到靠近第一先浇段1一侧的湿接缝的垂直距离为150mm;
第一弹簧101和第二弹簧102的刚度k均满足:
本实例中的预制试验梁的第一先浇段1和第二先浇段2采用的混凝土弹性模量E1为34.5GPa,预制试验梁横截面抗弯惯性矩I为4.21875×107mm4,预制试验梁的高度h为150mm,第二铰支座12的中心线到弹簧组中心线的距离l1为600mm,弹簧组中心线距离临近一侧的先浇段与后浇段之间的接缝之间的距离为l2,l2为150mm,后浇段长度l0为500mm,通过带入公式可知弹簧刚度k为294N/mm2。
向后浇段2内浇筑混凝土,混凝土浇筑完成后,马上开启所述第一振动台8,采集钢筋应变片读数;当后浇段2内的混凝土达到终凝后关闭所述第一振动台8,并卸载试验梁,将所述试验梁的后浇段2的模板进行脱模,然后观察试验梁的裂缝位置、形态、长度,用裂缝测宽仪测量裂缝宽度。
所述第一振动台8采用固定振幅的方式振动,振幅为
本实例采用的振幅为6.5mm,振动持续时间为24小时。
振动过程中采集钢筋应变片读数从而获得试验梁在振动过程中最不利位置的时程应变曲线以及其他位置的时程应变曲线。然后,在后浇段2混凝土达到脱模强度时,拆除后浇段2位置处的支护模板,记录裂缝的形态,位置,长度,然后用混凝土裂缝测宽仪测量后浇段2裂缝宽度。测试后浇段2混凝土的抗弯承载力的具体做法为:在后浇段2混凝土浇筑后28天时,找两个垫块移动垫块使得垫块距离略小于梁长度,将试验梁放置在垫上块,梁中心线与两个垫块中点处一致。在梁跨中上方放置压力传感器,在压力传感器上方放置千斤顶,在千斤顶上方设置反力架,对梁进行加载,测量极限荷载。
通过本发明的模拟方法,在新旧桥施工过程中,通过前期收集不同的路况下旧桥的振动情况,分别预制试验梁并采用合适的模拟设备,近似的模拟还原施工过程中不同振动对湿接缝的影响,在这个过程中,只有用于模拟的装置模拟的过程越接近实际情况,其模拟的结果才越准确,基于此,本发明提出的模拟方法中,通过在模拟过程中对模拟试验装置进行了改进,增加了弹性组件,可以准确的模拟新旧桥边梁的纵桥向刚度,进而随着后浇段弹性模量的增加,后浇段对应的刚度增大,此时后浇段的传力能力增加,此时振幅也将发生变化,与施工现场的实际情况基本一致。
对比例1
为了验证本实施例2中的模拟方法与现有技术的区别,提供对比例1;
对比例1所使用的试验装置与实施例1相同,其区别仅在于缺少弹性组件;具体模拟方法与实施例2相同;
实际桥梁加宽时由于湿接缝混凝土两端挠度差越来越小,故湿接缝混凝土的最大拉应变呈现越来越小的变化规律,然而按照对比例1的模拟方法,随着后浇段混凝土弹性模量的上升,后浇段混凝土的最大拉应变基本不变,这与实际情况并不相符;从而导致后浇段混凝土在终凝后不到1h时就产生开裂的现象,且振动时间越长裂缝宽度就越大,而实际桥梁加宽工程中湿接缝不会过早出现裂缝,且随着湿接缝混凝土龄期的增长,湿接缝混凝土的裂缝宽度会越来越小,因此对比例1的模拟试验结果与实际工程相差较大,由对比例1的模拟方法得出的结论对于实际桥梁湿接缝的施工方案改进建议更加的保守。这并能够作为湿接缝施工的充分的理论基础。而实施例2的模拟方法的振动环境与实际桥梁加宽工程中湿接缝的环境更加接近,后浇段混凝土的最大拉应变随后浇段混凝土弹性模量的增长而不断变小,所得出的结论更准确。如图4所示,为实施例2与对比例1模拟过程中,混凝土从初凝到终凝阶段的振幅变化示意图;
根据图4可知传统的模拟试验装置的振幅在混凝土成型过程中没有变化,与桥梁拼宽过程不符。本发明模拟方法中,改进了模拟试验装置,弹性装置的存在,致使振幅是变化的,总体而言可以分为三个阶段:1.混凝土初凝前,此时传统振动台与本发明装置一致,由于混凝土的流变性,二者均以相同振幅振动;2.混凝土弹性模量逐渐增大,此时混凝土的弹性模量增大,材料变硬,流变性逐渐消失。传统振动台依旧按照固定振幅振动,但是本发明装置由于弹簧的作用,随着后浇段刚度的变化振幅逐渐变小。3.混凝土强度形成,此时后浇段刚度不在变化,实施例2的装置以一个较小的振幅进行继续振动,而传统振动台则依旧保持输入的振幅。在实施过程中,本发明的技术方案能够保证混凝土初凝前与桥梁拼宽前的振幅一致,混凝土强度形成后与桥梁拼宽后的振幅一致。中间的振幅衰减过程是不做相应要求,呈现振幅降低趋势。
以上所述仅是本发明的优选实施方式,应当理解本发明并非局限于本文所披露的形式,不应看作是对其他实施例的排除,而可用于各种其他组合、修改和环境,并能够在本文所述构想范围内,通过上述教导或相关领域的技术或知识进行改动。而本领域人员所进行的改动和变化不脱离本发明的精神和范围,则都应在本发明所附权利要求的保护范围内。
Claims (8)
1.一种桥梁拼接缝车载变形差模拟试验装置,其特征在于,包括可拆卸连接的预制试验梁和振动台,所述预制试验梁沿其长度方向依次为第一先浇段(1)、后浇段(2)和第二先浇段(3);所述振动台包括第一振动台(8)和第二振动台(9),所述第一振动台(8)设置于所述第一先浇段(1)下方,所述第二振动台(9)设置于所述第二先浇段(3)下方;
所述第一先浇段用于模拟旧桥一侧,所述第二先浇段用于模拟新桥一侧,所述后浇段用于模拟新桥、旧桥之间的湿接缝;
还包括弹性组件;所述弹性组件分别包括第一弹性组件和第二弹性组件,所述第一弹性组件设置于所述第一先浇段(1)与所述第一振动台(8)之间,所述第二弹性组件设置于所述第二先浇段(3)与所述第二振动台(9)之间;
所述第一弹性组件和所述第二弹性组件结构相同且对称于所述后浇段(2)设置;所述第一弹性组件包括第一铰支座和弹簧组,所述第一铰支座固定设置于所述第一先浇段(1),所述弹簧组固定设置于所述第一铰支座下方,并与对应的所述振动台固定;
所述弹簧组包括第一弹簧(101)和第二弹簧(102),所述第一弹簧(101)和所述第二弹簧(102)分别设置于所述第一先浇段(1)的两侧;还包括第二铰支座(12),所述第二铰支座(12)分别设置于所述第一先浇段(1)和所述第二先浇段(3)的端部用于支撑所述预制试验梁;
所述第一弹簧(101)和所述第二弹簧(102)的刚度分别根据下式确定:
其中,假设预制试验梁的所述第一先浇段和所述第二先浇段分别采用的混凝土弹性模量为E1,预制试验梁横截面抗弯惯性矩为I,预制试验梁的高度为h,第二铰支座的中心线到弹簧组中心线的距离为l1,弹簧组的中心线到对应设置的先浇段与后浇段界面之间的距离为l2,后浇段的长度为l0 ;
Δ0 表示车桥耦合作用下旧桥靠近湿接缝一侧的最大挠度;θ0 表示车桥耦合作用下旧桥靠近湿接缝一侧的转角;σ表示车桥耦合作用下湿接缝靠近旧桥一侧下缘最大拉应力;L表示湿接缝的宽度,E0表示湿接缝的弹性模量。
2.根据权利要求1所述的桥梁拼接缝车载变形差模拟试验装置,其特征在于,所述后浇段(2)设置有支护模板,所述支护模板内裸露的钢筋上粘贴有若干用于信号采集的应变片。
3.根据权利要求2所述的桥梁拼接缝车载变形差模拟试验装置,其特征在于,所述支护模板包括底板,和相对设置的侧板;还包括轮廓加强条,所述轮廓加强条包括第一加强条和第二加强条;所述第一加强条沿所述后浇段的长度设置,所述第一加强条设置于所述侧板的边沿,所述第二加强条设置于所述后浇段与相邻先浇段的上下接缝处,所述第二加强条与所述第一加强条通过螺杆固定。
4.根据权利要求1所述的桥梁拼接缝车载变形差模拟试验装置,其特征在于,所述第一铰支座包括水平设置的上顶板(103)和下顶板(104),所述上顶板(103)和所述下顶板(104)之间用于和预制试验梁的先浇段位置进行固定;所述下顶板(104)下部设置有弹簧组,所述弹簧组分别与下顶板(104)、振动台固定连接。
5.根据权利要求1所述的桥梁拼接缝车载变形差模拟试验装置,其特征在于,所述第二铰支座(12)包括支块(121)和支板(122),所述支块(121)设置于先浇段与振动台之间,所述支板(122)设置于先浇段顶面,所述支板与所述振动台通过螺杆固定。
6.一种基于权利要求1-5任一项所述的桥梁拼接缝车载变形差模拟试验装置的模拟方法,其特征在于,包括如下步骤:
步骤1:获取目标待加宽旧桥的数据,并建立旧桥有限元模型,确定所述第一振动台待输入的数据信息以及弹簧的刚度;
步骤2:根据步骤1调整好试验装置,所述第一先浇段用于模拟旧桥一侧,所述第二先浇段用于模拟新桥一侧;所述后浇段用于模拟湿接缝;向后浇段内浇筑混凝土,混凝土浇筑完成后,马上开启所述第一振动台,采集钢筋应变片读数;当后浇段内的混凝土达到终凝后关闭所述第一振动台,并卸载试验梁;
步骤3:对所述试验梁的后浇段进行脱模处理,然后观察试验梁的裂缝位置、形态、长度,用裂缝测宽仪测量裂缝宽度。
7.根据权利要求6所述的桥梁拼接缝车载变形差模拟试验装置的模拟方法,其特征在于,建立旧桥有限元模型的具体做法为:设计湿接缝宽度为L,高度为H,计算在车桥耦合作用下旧桥靠近湿接缝一侧的最大挠度Δ0以及转角θ0 ,然后建立新桥和湿接缝模型,湿接缝的弹性模量设置为湿接缝混凝土养护到龄期在24h-48h时的弹性模量,计算在车桥耦合作用下湿接缝靠近旧桥一侧下缘最大拉应力σ;并标记此时的湿接缝弹性模量为E0。
Priority Applications (1)
| Application Number | Priority Date | Filing Date | Title |
|---|---|---|---|
| CN202210320950.7A CN114414784B (zh) | 2022-03-30 | 2022-03-30 | 一种桥梁拼接缝车载变形差模拟试验装置及模拟方法 |
Applications Claiming Priority (1)
| Application Number | Priority Date | Filing Date | Title |
|---|---|---|---|
| CN202210320950.7A CN114414784B (zh) | 2022-03-30 | 2022-03-30 | 一种桥梁拼接缝车载变形差模拟试验装置及模拟方法 |
Publications (2)
| Publication Number | Publication Date |
|---|---|
| CN114414784A CN114414784A (zh) | 2022-04-29 |
| CN114414784B true CN114414784B (zh) | 2022-08-16 |
Family
ID=81262671
Family Applications (1)
| Application Number | Title | Priority Date | Filing Date |
|---|---|---|---|
| CN202210320950.7A Active CN114414784B (zh) | 2022-03-30 | 2022-03-30 | 一种桥梁拼接缝车载变形差模拟试验装置及模拟方法 |
Country Status (1)
| Country | Link |
|---|---|
| CN (1) | CN114414784B (zh) |
Families Citing this family (2)
| Publication number | Priority date | Publication date | Assignee | Title |
|---|---|---|---|---|
| CN115541856B (zh) * | 2022-10-19 | 2023-09-22 | 重庆交通大学 | 模拟拼宽桥梁接缝混凝土扰动的试验装置 |
| CN116561860B (zh) * | 2023-05-06 | 2023-10-27 | 中交第二公路勘察设计研究院有限公司 | 一种适用于错位拼宽桥梁模型试验的节段试件设计方法 |
Citations (17)
| Publication number | Priority date | Publication date | Assignee | Title |
|---|---|---|---|---|
| JP2898631B1 (ja) * | 1998-05-29 | 1999-06-02 | 元之助 新井 | 道路橋継目部の構造及び道路橋継目部の施工方法 |
| RU39608U1 (ru) * | 2004-03-12 | 2004-08-10 | Томский государственный архитектурно-строительный университет | Деформационный шов (варианты) |
| CN101992500A (zh) * | 2009-08-31 | 2011-03-30 | 朝阳市天龙大型水泥管道(集团)有限公司 | 混凝土管材平台振动成型工艺及装置 |
| CN103528719A (zh) * | 2013-10-31 | 2014-01-22 | 华北水利水电大学 | 一种装配式桥梁整体性快速检测方法 |
| CN205223856U (zh) * | 2015-10-15 | 2016-05-11 | 交通运输部公路科学研究所 | 一种用于桥梁拼接的减振传力构造 |
| CN205443927U (zh) * | 2016-02-18 | 2016-08-10 | 张光明 | 一种公路桥梁用无振动伸缩缝 |
| CN206812165U (zh) * | 2017-05-09 | 2017-12-29 | 河南金厦智能装配建筑科技有限公司 | 一种便于移动的混凝土振动平台 |
| CN107964879A (zh) * | 2017-12-05 | 2018-04-27 | 吴丹 | 一种桥梁湿接缝现浇混凝土自动化振动压实设备 |
| CN108459154A (zh) * | 2018-05-16 | 2018-08-28 | 山东省公路桥梁建设有限公司 | 一种带有约束功能的混凝土湿接缝试验台及试验方法 |
| CN110965484A (zh) * | 2019-12-17 | 2020-04-07 | 中交路桥建设有限公司 | 新旧桥梁拼宽加固方法 |
| CN111024480A (zh) * | 2019-12-31 | 2020-04-17 | 华中科技大学 | 一种模拟混凝土应力状态的模型及试验方法 |
| CN111119354A (zh) * | 2020-01-17 | 2020-05-08 | 中铁第六勘察设计院集团有限公司 | 一种新型通用施工缝防水制作方法 |
| CN211036684U (zh) * | 2019-05-29 | 2020-07-17 | 常世逢 | 一种桥梁湿接缝现浇混凝土自动化振动压实设备 |
| CN212742218U (zh) * | 2020-04-09 | 2021-03-19 | 中铁八局集团昆明铁路建设有限公司 | 一种桥梁节段拼装施工中湿接缝模板加固装置 |
| CN113295354A (zh) * | 2021-04-23 | 2021-08-24 | 中交二公局第三工程有限公司 | 一种公路桥梁接缝处振动与变形情况监测设备及监测方法 |
| CN214309369U (zh) * | 2021-03-29 | 2021-09-28 | 中交第三公路工程局有限公司 | 基于数字化桥梁安全行驶监控设备 |
| CN113916146A (zh) * | 2021-11-11 | 2022-01-11 | 深圳高速公路股份有限公司 | 一种桥梁拼接缝车致振动变形监测及控制系统和方法 |
Family Cites Families (13)
| Publication number | Priority date | Publication date | Assignee | Title |
|---|---|---|---|---|
| KR100843345B1 (ko) * | 2007-09-06 | 2008-07-03 | 고삼석 | 교량용 신축이음부의 시공방법 |
| CN203755135U (zh) * | 2014-01-04 | 2014-08-06 | 中铁十六局集团第二工程有限公司 | 一种桥梁拼接施工中减振装置 |
| CN103669193B (zh) * | 2014-01-13 | 2016-02-03 | 河南省交通规划设计研究院股份有限公司 | 一种横向拼装波形钢腹板组合t梁及施工方法 |
| US20160223513A1 (en) * | 2015-02-02 | 2016-08-04 | Michael C. Belangie | Repeatable and comparable inspeciton of concrete joints |
| CN107700345A (zh) * | 2017-10-17 | 2018-02-16 | 青海省高等级公路建设管理局 | 一种钢‑混凝土组合梁湿接缝防腐施工方法及用途 |
| CN108396630A (zh) * | 2018-04-28 | 2018-08-14 | 上海市城市建设设计研究总院(集团)有限公司 | 带湿接缝横桥向连接的预制混凝土大箱梁结构 |
| CN108643036A (zh) * | 2018-05-21 | 2018-10-12 | 江苏省交通工程集团有限公司 | 一种预制箱梁湿接缝结构 |
| CN108871929B (zh) * | 2018-07-05 | 2021-01-12 | 广西大学 | 一种测试钢筋-混凝土黏结滑移性能的试验方法 |
| CN210658024U (zh) * | 2019-07-02 | 2020-06-02 | 中交二公局东萌工程有限公司 | 一种拼接桥梁工装 |
| CN212561138U (zh) * | 2020-05-30 | 2021-02-19 | 同济大学 | 一种连续桥梁接缝构造以及连续箱梁桥结构 |
| CN111622105B (zh) * | 2020-06-10 | 2021-12-07 | 中南大学 | 剪力键模具的制作方法及桥面板铺装结构 |
| CN214362746U (zh) * | 2021-01-28 | 2021-10-08 | 广东华路交通科技有限公司 | 一种路面拼接缝拼接效果测试装置 |
| CN113235396A (zh) * | 2021-05-27 | 2021-08-10 | 华南理工大学 | 一种带翼缘板桥梁的新旧桥接缝新型连接结构及施工方法 |
-
2022
- 2022-03-30 CN CN202210320950.7A patent/CN114414784B/zh active Active
Patent Citations (17)
| Publication number | Priority date | Publication date | Assignee | Title |
|---|---|---|---|---|
| JP2898631B1 (ja) * | 1998-05-29 | 1999-06-02 | 元之助 新井 | 道路橋継目部の構造及び道路橋継目部の施工方法 |
| RU39608U1 (ru) * | 2004-03-12 | 2004-08-10 | Томский государственный архитектурно-строительный университет | Деформационный шов (варианты) |
| CN101992500A (zh) * | 2009-08-31 | 2011-03-30 | 朝阳市天龙大型水泥管道(集团)有限公司 | 混凝土管材平台振动成型工艺及装置 |
| CN103528719A (zh) * | 2013-10-31 | 2014-01-22 | 华北水利水电大学 | 一种装配式桥梁整体性快速检测方法 |
| CN205223856U (zh) * | 2015-10-15 | 2016-05-11 | 交通运输部公路科学研究所 | 一种用于桥梁拼接的减振传力构造 |
| CN205443927U (zh) * | 2016-02-18 | 2016-08-10 | 张光明 | 一种公路桥梁用无振动伸缩缝 |
| CN206812165U (zh) * | 2017-05-09 | 2017-12-29 | 河南金厦智能装配建筑科技有限公司 | 一种便于移动的混凝土振动平台 |
| CN107964879A (zh) * | 2017-12-05 | 2018-04-27 | 吴丹 | 一种桥梁湿接缝现浇混凝土自动化振动压实设备 |
| CN108459154A (zh) * | 2018-05-16 | 2018-08-28 | 山东省公路桥梁建设有限公司 | 一种带有约束功能的混凝土湿接缝试验台及试验方法 |
| CN211036684U (zh) * | 2019-05-29 | 2020-07-17 | 常世逢 | 一种桥梁湿接缝现浇混凝土自动化振动压实设备 |
| CN110965484A (zh) * | 2019-12-17 | 2020-04-07 | 中交路桥建设有限公司 | 新旧桥梁拼宽加固方法 |
| CN111024480A (zh) * | 2019-12-31 | 2020-04-17 | 华中科技大学 | 一种模拟混凝土应力状态的模型及试验方法 |
| CN111119354A (zh) * | 2020-01-17 | 2020-05-08 | 中铁第六勘察设计院集团有限公司 | 一种新型通用施工缝防水制作方法 |
| CN212742218U (zh) * | 2020-04-09 | 2021-03-19 | 中铁八局集团昆明铁路建设有限公司 | 一种桥梁节段拼装施工中湿接缝模板加固装置 |
| CN214309369U (zh) * | 2021-03-29 | 2021-09-28 | 中交第三公路工程局有限公司 | 基于数字化桥梁安全行驶监控设备 |
| CN113295354A (zh) * | 2021-04-23 | 2021-08-24 | 中交二公局第三工程有限公司 | 一种公路桥梁接缝处振动与变形情况监测设备及监测方法 |
| CN113916146A (zh) * | 2021-11-11 | 2022-01-11 | 深圳高速公路股份有限公司 | 一种桥梁拼接缝车致振动变形监测及控制系统和方法 |
Non-Patent Citations (8)
| Title |
|---|
| Effect of Vehicle-Bridge Interaction Vibration on Young Concrete;Xiong Zhang等;《KSCE Journal of Civil Engineering》;20140820;第19卷(第1期);全文 * |
| Effect of vehicle-induced vibrations on early-age concrete during bridge widening;Sungnam Hong,Sun-Kyu Park;《Construction and Building Materials》;20150109;全文 * |
| Effects of traffic vibration on curing concrete stitch: Part I — test method and control program;A.K.H. Kwan, P.L. Ng;《Engineering Structures》;20070321;摘要和第3~5节 * |
| Xiaodong Zhang等.Effects of Traffic Vibrations on the Flexural Properties of Newly Placed PVA-ECC Bridge Repairs.《Materials》.2019, * |
| 拓宽长联桥梁部分拼接方法与拼接构造试验;陈康明等;《中国公路学报》;20161115(第11期);全文 * |
| 既有拓宽改造混凝土梁桥现状研究;徐廷霞等;《江西建材》;20180228(第04期);全文 * |
| 既有桥梁拓宽改造纵向接缝研究现状与实例分析;宗周红等;《福州大学学报(自然科学版)》;20090428(第02期);全文 * |
| 桥梁碰撞振动台试验及参数敏感性分析;李青宁等;《长安大学学报(自然科学版)》;20160715(第04期);全文 * |
Also Published As
| Publication number | Publication date |
|---|---|
| CN114414784A (zh) | 2022-04-29 |
Similar Documents
| Publication | Publication Date | Title |
|---|---|---|
| CN114414784B (zh) | 一种桥梁拼接缝车载变形差模拟试验装置及模拟方法 | |
| CN108709534B (zh) | 盾构隧道结构受力变形室内模型试验装置及其安装方法 | |
| CN108333054A (zh) | 隧道三维模型加载试验台及用于隧道病害观察的试验方法 | |
| JP2000290933A (ja) | プレキャストセグメントの形状管理方法およびプレキャストセグメント工法による橋梁架設方法 | |
| CN112461685A (zh) | 一种ca砂浆与混凝土粘结接触面剪切强度实验测试方法 | |
| CN111024480B (zh) | 一种模拟混凝土应力状态的模型及试验方法 | |
| CN113049405A (zh) | 一种非脱模重塑类岩土材料双面剪切试验装置及方法 | |
| CN108629075B (zh) | 一种曲线梁侧向限位支撑刚度分析方法 | |
| CN114624335B (zh) | 基于多振动台的桥梁拼接缝车载变形差模拟试验装置及方法 | |
| CN109357946A (zh) | 一种自密实混凝土水化试验系统 | |
| CN111458220B (zh) | 小铰缝空心板桥梁组合加固构件横向抗弯性能测试方法 | |
| CN118050143A (zh) | 一种基于增设梁的桥梁应力监测方法 | |
| CN107130796A (zh) | 一种洁净厂房用华夫板平整度控制方法 | |
| CN109990755B (zh) | 车-曲线桥耦合系统动力实验设备及方法 | |
| CN113550624B (zh) | 智能矫正平台及方法 | |
| CN119312438B (zh) | 一种跳仓法基础底板分仓缝有限元模拟方法 | |
| CN119595224B (zh) | 颗粒-弹性体耦合振动系统局部相态识别方法及实验装置 | |
| CN116561856B (zh) | 一种错位拼宽桥梁节段模型试验设计方法 | |
| CN116561860B (zh) | 一种适用于错位拼宽桥梁模型试验的节段试件设计方法 | |
| Wilby | Response of concrete structures to seismic motions | |
| CN114594049A (zh) | 板式拉拔试验装置及基于该装置的车致振动模拟试验方法 | |
| CN120352253A (zh) | 考虑界面特性的围岩-喷射混凝土衬砌物理模型制备方法 | |
| CN120739158A (zh) | 一种大型步进式冷床群体基础墩的批量化精准施工方法 | |
| Ward | Short-term construction load monitoring & transverse bending of the bottom slab on the I-280 Veteran’s Glass City Skyway | |
| Boswell | Useful Techniques for the Fabrication and Testing of Microconcrete Models |
Legal Events
| Date | Code | Title | Description |
|---|---|---|---|
| PB01 | Publication | ||
| PB01 | Publication | ||
| SE01 | Entry into force of request for substantive examination | ||
| SE01 | Entry into force of request for substantive examination | ||
| GR01 | Patent grant | ||
| GR01 | Patent grant |





