CN114407577A - A vibration damping buffer type universal caster structure - Google Patents
A vibration damping buffer type universal caster structure Download PDFInfo
- Publication number
- CN114407577A CN114407577A CN202111649430.2A CN202111649430A CN114407577A CN 114407577 A CN114407577 A CN 114407577A CN 202111649430 A CN202111649430 A CN 202111649430A CN 114407577 A CN114407577 A CN 114407577A
- Authority
- CN
- China
- Prior art keywords
- buffer
- caster
- groove
- installation
- fixed shaft
- Prior art date
- Legal status (The legal status is an assumption and is not a legal conclusion. Google has not performed a legal analysis and makes no representation as to the accuracy of the status listed.)
- Withdrawn
Links
Images
Classifications
-
- B—PERFORMING OPERATIONS; TRANSPORTING
- B60—VEHICLES IN GENERAL
- B60B—VEHICLE WHEELS; CASTORS; AXLES FOR WHEELS OR CASTORS; INCREASING WHEEL ADHESION
- B60B33/00—Castors in general; Anti-clogging castors
- B60B33/04—Castors in general; Anti-clogging castors adjustable, e.g. in height; linearly shifting castors
- B60B33/045—Castors in general; Anti-clogging castors adjustable, e.g. in height; linearly shifting castors mounted resiliently, by means of dampers
Landscapes
- Engineering & Computer Science (AREA)
- Mechanical Engineering (AREA)
- Vibration Prevention Devices (AREA)
- Handcart (AREA)
Abstract
本发明公开了一种减振缓冲型万向脚轮结构,旨在提供了一种缓冲效果好的减振缓冲型万向脚轮结构。包括脚轮和固定块,脚轮侧面连接有安装管,固定块侧壁设置有安装槽,安装管与安装槽套接,安装管外侧壁与安装槽内侧壁之间连接有缓冲组件,脚轮与固定块连接有固定轴,固定轴依次穿过脚轮、安装管和固定块,固定块顶部转动连接有连接板。本发明的有益效果是:缓冲组件可保证脚轮与固定块之间的减振缓冲效果好;缓冲垫圈可保证固定轴与脚轮之间的减振缓冲效果好;球形的连接块配合截面为弧形的让位槽可使固定轴与脚轮成一锐角,满足脚轮在不同底面时的减振缓冲效果好;密封垫片保证连杆与旋转套管的气密性,使减振缓冲效果稳定。
The invention discloses a vibration-damping buffer type universal caster structure, and aims to provide a vibration-damping buffer type universal caster structure with good buffering effect. Including casters and fixing blocks, the side of the casters is connected with installation pipes, the side walls of the fixing blocks are provided with installation grooves, the installation pipes are sleeved with the installation grooves, a buffer assembly is connected between the outer side walls of the installation pipes and the inner side walls of the installation grooves, and the casters and the fixing blocks A fixed shaft is connected, and the fixed shaft passes through the caster wheel, the installation pipe and the fixed block in turn, and the top of the fixed block is rotatably connected with a connecting plate. The beneficial effects of the invention are as follows: the buffer assembly can ensure good vibration damping and buffering effect between the caster and the fixed block; the buffer washer can ensure the good vibration damping and buffering effect between the fixed shaft and the caster; the spherical connecting block has an arc-shaped matching section The recessed groove can make the fixed shaft and the caster form an acute angle, which can satisfy the good vibration damping and buffering effect of the caster on different bottom surfaces.
Description
技术领域technical field
本发明涉及脚轮相关技术领域,尤其是指一种减振缓冲型万向脚轮结构。The invention relates to the technical field of casters, in particular to a vibration-damping buffer type universal caster structure.
背景技术Background technique
脚轮在生产中应用比较广泛,脚轮可以帮助人们方便移动物体。在传统脚轮结构中,通过在支架与轮轴连接的结构中设置弹簧来实现减振缓冲效果,该方式弹簧只能缓冲一个方向的振动,减振缓冲效果差。Casters are widely used in production, and casters can help people move objects easily. In the traditional caster structure, the vibration damping and buffering effect is achieved by arranging a spring in the structure where the bracket is connected with the wheel shaft. In this way, the spring can only buffer the vibration in one direction, and the vibration damping and buffering effect is poor.
发明内容SUMMARY OF THE INVENTION
本发明是为了克服现有技术中缓冲效果差的不足,提供了一种缓冲效果好的减振缓冲型万向脚轮结构。The present invention provides a vibration-damping buffer type universal caster structure with good buffering effect in order to overcome the deficiency of poor buffering effect in the prior art.
为了实现上述目的,本发明采用以下技术方案:In order to achieve the above object, the present invention adopts the following technical solutions:
一种减振缓冲型万向脚轮结构,包括脚轮和固定块,所述脚轮侧面连接有安装管,所述固定块侧壁设置有安装槽,所述安装管与安装槽套接,所述安装管外侧壁与安装槽内侧壁之间连接有缓冲组件,所述脚轮与固定块连接有固定轴,所述固定轴依次穿过脚轮、安装管和固定块,所述固定块顶部转动连接有连接板。A vibration damping buffer type universal caster structure includes casters and a fixing block, a mounting pipe is connected to the side of the caster, a mounting groove is provided on the side wall of the fixing block, the mounting pipe is sleeved with the mounting groove, and the mounting pipe is connected to the mounting groove. A buffer assembly is connected between the outer side wall of the tube and the inner side wall of the installation groove, the caster and the fixing block are connected with a fixing shaft, and the fixing shaft passes through the caster, the installation tube and the fixing block in turn, and the top of the fixing block is rotatably connected with a connection plate.
脚轮侧面固定连接的安装管嵌入固定块侧面设置的安装槽内,完成套接,固定轴穿过脚轮、安装管和固定块将其固定。安装管的外侧壁和安装槽的内侧壁连接有缓冲组件,缓冲组件可使脚轮的实现减振缓冲的作用,提高脚轮的减振缓冲效果。固定块的顶部连接有连接板,连接板可转动,可实现脚轮在水平面上任一转动,实现脚轮的万向功能。The installation pipe that is fixedly connected on the side of the caster is inserted into the installation groove set on the side of the fixed block to complete the socket connection, and the fixed shaft passes through the caster, the installation pipe and the fixed block to fix it. The outer side wall of the installation pipe and the inner side wall of the installation groove are connected with a buffer assembly, and the buffer assembly can make the caster realize the function of damping and buffering, and improve the damping and buffering effect of the caster. The top of the fixed block is connected with a connecting plate, and the connecting plate can be rotated, which can realize any rotation of the caster on the horizontal plane and realize the universal function of the caster.
作为优选,所述安装管内壁设置有让位槽,所述让位槽截面形状为弧形,所述安装管侧壁设置有若干均匀布置的安装孔,所述安装孔与让位槽连通,所述缓冲组件与安装孔连接,所述让位槽与固定轴相对应。安装孔提供缓冲组件的安装位置,确保减振缓冲功能的实现。Preferably, the inner wall of the installation pipe is provided with a let-away groove, the cross-sectional shape of the let-away groove is arc-shaped, and the side wall of the installation pipe is provided with a number of evenly arranged installation holes, and the installation holes are communicated with the let-away groove, The buffer assembly is connected with the installation hole, and the abdication groove corresponds to the fixed shaft. The mounting holes provide the mounting position of the buffer components to ensure the realization of the shock-absorbing and buffering function.
作为优选,所述缓冲组件包括缓冲管和缓冲头,所述缓冲管与安装孔连接,所述缓冲管一端连接有缓冲堵盖,所述缓冲管另一端与缓冲头套接,所述缓冲管内设置有缓冲弹簧,所述缓冲弹簧一端与缓冲头连接,所述缓冲弹簧另一端与缓冲堵盖连接。缓冲管伸入到安装孔内,缓冲管内设置有弹簧,弹簧一端与缓冲堵盖连接,另一端连接有缓冲头,通过缓冲弹簧的伸长与压缩提供的弹力实现对脚轮的减振缓冲,其中若干个缓冲组件绕安装管布置,保证脚轮的减振缓冲效果好。Preferably, the buffer assembly includes a buffer tube and a buffer head, the buffer tube is connected to the mounting hole, one end of the buffer tube is connected with a buffer plug, the other end of the buffer tube is sleeved with the buffer head, and the buffer tube is provided with There is a buffer spring, one end of the buffer spring is connected with the buffer head, and the other end of the buffer spring is connected with the buffer plug cover. The buffer tube extends into the installation hole, a spring is arranged in the buffer tube, one end of the spring is connected with the buffer plug cover, and the other end is connected with a buffer head. Several buffer components are arranged around the installation tube to ensure good vibration damping and buffering effect of the casters.
作为优选,所述缓冲头端部为半球状,所述缓冲头与安装槽接触。缓冲头的端部为半球状,缓冲头与安装槽的接触为点接触,减少在转动时的摩擦力,保证脚轮的正常行驶功能,使行驶更顺滑。Preferably, the end of the buffer head is hemispherical, and the buffer head is in contact with the installation groove. The end of the buffer head is hemispherical, and the contact between the buffer head and the installation groove is point contact, which reduces the friction during rotation, ensures the normal running function of the caster, and makes the running smoother.
作为优选,所述安装槽内侧壁设置有环形的导向槽,所述缓冲头嵌入导向槽内。导向槽的设置对缓冲头与安装槽的连接进行限位,保证在转动的不会发生偏转,确保缓冲弹簧的弹力方向为竖直方向,使减震缓冲效果更好。Preferably, the inner side wall of the installation groove is provided with an annular guide groove, and the buffer head is embedded in the guide groove. The setting of the guide groove limits the connection between the buffer head and the installation groove to ensure that no deflection occurs during rotation, and to ensure that the elastic direction of the buffer spring is vertical, so that the shock absorption and buffering effect is better.
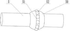
作为优选,所述固定轴中部设置有球状的连接块,所述固定轴穿过连接块中心,所述连接块表面设置有环形的滚珠槽,所述连接块与让位槽相对应,所述滚珠槽与安装孔相对应。固定轴中部设置的连接块的弧面与让位槽的弧面相对应,保证连接块在让位槽内可转动,使脚轮在倾斜地面行驶时,始终保证缓冲弹簧为竖直状态,保证缓冲弹簧提供的缓冲减振效果更好。Preferably, a spherical connecting block is provided in the middle of the fixed shaft, the fixed shaft passes through the center of the connecting block, and a surface of the connecting block is provided with an annular ball groove, the connecting block corresponds to the abdication groove, the The ball grooves correspond to the mounting holes. The arc surface of the connecting block set in the middle of the fixed shaft corresponds to the arc surface of the giving way slot, to ensure that the connecting block can be rotated in the giving way slot, so that when the caster is running on the inclined ground, the buffer spring is always in a vertical state, and the buffer spring is guaranteed to be in a vertical state. The shock absorption effect provided is better.
作为优选,所述滚珠槽内设置有滚珠,所述滚珠嵌入安装孔且与缓冲堵盖接触。滚珠槽内的滚珠同时嵌入到安装孔内,并且与缓冲堵盖接触,滚珠起到一个连接支撑的作用,确保脚轮在倾斜地面行驶时保证脚轮与固定轴可成一角度,滚珠起到连接过渡支撑的作用。Preferably, balls are provided in the ball grooves, and the balls are inserted into the mounting holes and are in contact with the buffer cover. The balls in the ball groove are embedded in the mounting holes at the same time and contact with the buffer cover. The balls play a role of connecting and supporting, ensuring that the caster and the fixed shaft can form an angle when the caster is running on inclined ground, and the balls play a connecting transition support effect.
作为优选,所述固定轴的两端部均套接有缓冲垫圈,两个缓冲垫圈分别与脚轮和固定块套接,所述固定轴两端均连接有螺母,两个螺母分别置于脚轮和固定块的外侧。固定轴的两端直径小于脚轮与固定块的中心开孔的内径,缓冲垫圈为弹性材质,确保固定轴可与脚轮成一锐角满足在不同路面时,脚轮的减振缓冲效果,使减振缓冲效果更好;在固定轴的两端设置有螺纹,螺母与螺纹连接且两个螺母在脚轮和固定块的外侧,对脚轮和固定块进行限位连接。Preferably, both ends of the fixed shaft are sleeved with buffer washers, the two buffer washers are respectively sleeved with the caster and the fixed block, both ends of the fixed shaft are connected with nuts, and the two nuts are placed on the caster and the fixed block respectively. outside of the fixed block. The diameter of the two ends of the fixed shaft is smaller than the inner diameter of the center hole of the caster and the fixed block. The buffer washer is made of elastic material to ensure that the fixed shaft can form an acute angle with the caster to meet the vibration damping and buffering effect of the caster on different road surfaces. Better; the two ends of the fixed shaft are provided with threads, the nuts are connected with the threads, and the two nuts are on the outside of the caster and the fixed block to limit the connection between the caster and the fixed block.
作为优选,所述固定块顶部设置有旋转套管,所述连接板连接有连杆,所述连杆与旋转套管连接。连杆伸入到旋转套管内套接,连杆的端部侧壁与旋转套管的内壁连接且直径相同,同时连杆的端面与旋转套管的底面存在一定间距,使连杆在旋转套管内向下压时通过压缩空气来进行缓冲同时不会影响连接板的转动,使脚轮实现水平方向的万向转动。Preferably, the top of the fixing block is provided with a rotating sleeve, the connecting plate is connected with a connecting rod, and the connecting rod is connected with the rotating sleeve. The connecting rod is inserted into the rotating sleeve for socket connection, and the end side wall of the connecting rod is connected with the inner wall of the rotating sleeve and has the same diameter. When the inside of the pipe is pressed down, the compressed air is used for buffering without affecting the rotation of the connecting plate, so that the casters can realize the universal rotation in the horizontal direction.
作为优选,所述连杆端部连接有密封垫片,所述密封垫片侧壁与旋转套管内壁连接。密封垫片起到密封的作用,使连杆在下压时,连杆与旋转套管间气体不会被压出,保证减振缓冲效果好。Preferably, the end of the connecting rod is connected with a sealing gasket, and the side wall of the sealing gasket is connected with the inner wall of the rotating sleeve. The sealing gasket acts as a seal, so that when the connecting rod is pressed down, the gas between the connecting rod and the rotating sleeve will not be pressed out, so as to ensure a good vibration damping and buffering effect.
本发明的有益效果是:缓冲组件可保证脚轮与固定块之间的减振缓冲效果好;缓冲垫圈可保证固定轴与脚轮之间的减振缓冲效果好;球形的连接块配合截面为弧形的让位槽可使固定轴与脚轮成一锐角,满足脚轮在不同底面时的减振缓冲效果好;滚珠起到支撑和减小摩擦的作用;连杆和旋转套管配合,可保证固定块与连接板之间的减振缓冲效果好;密封垫片保证连杆与旋转套管的气密性,使减振缓冲效果稳定。The beneficial effects of the invention are as follows: the buffer assembly can ensure good vibration damping and buffering effect between the caster and the fixed block; the buffer washer can ensure the good vibration damping and buffering effect between the fixed shaft and the caster; the spherical connecting block has an arc-shaped matching section The recessed groove can make the fixed shaft and the caster form an acute angle, which can meet the good vibration damping and buffering effect of the caster on different bottom surfaces; the ball plays the role of supporting and reducing friction; the connecting rod and the rotating sleeve cooperate to ensure that the fixed block and the The damping and buffering effect between the connecting plates is good; the sealing gasket ensures the air tightness of the connecting rod and the rotating sleeve, so that the damping and buffering effect is stable.
附图说明Description of drawings
图1是本发明结构立体视图;Fig. 1 is the three-dimensional view of the structure of the present invention;
图2是本发明侧视图;Fig. 2 is the side view of the present invention;
图3是本发明主视图;Fig. 3 is the front view of the present invention;
图4是图2中A-A剖视图;Fig. 4 is A-A sectional view in Fig. 2;
图5是图3中B-B剖视图;Fig. 5 is B-B sectional view in Fig. 3;
图6是图4中D处放大图;Fig. 6 is the enlarged view of D place in Fig. 4;
图7是本发明中固定轴示意图;7 is a schematic diagram of a fixed shaft in the present invention;
图8是图3中C处剖视图。FIG. 8 is a sectional view at C in FIG. 3 .
附图中,In the attached drawing,
1.脚轮、2.固定块、3. 安装管、4. 缓冲组件、5. 固定轴、6. 连接板、20. 安装槽、21. 导向槽、22. 旋转套管、30. 让位槽、31. 安装孔、40. 缓冲管、41. 缓冲头、42. 缓冲堵盖、43. 缓冲弹簧、50. 连接块、51. 滚珠槽、52. 滚珠、53. 缓冲垫圈、54.螺母、60. 连杆、61. 密封垫片。1. Caster wheel, 2. Fixing block, 3. Mounting tube, 4. Buffer assembly, 5. Fixing shaft, 6. Connecting plate, 20. Mounting slot, 21. Guide slot, 22. Swivel sleeve, 30. Allowance slot , 31. Mounting hole, 40. Buffer tube, 41. Buffer head, 42. Buffer plug, 43. Buffer spring, 50. Connection block, 51. Ball groove, 52. Ball, 53. Buffer washer, 54. Nut, 60. Connecting rod, 61. Gasket.
具体实施方式Detailed ways
下面结合附图和具体实施方式对本发明做进一步的描述。The present invention will be further described below with reference to the accompanying drawings and specific embodiments.
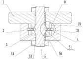
实施例1,如图1-6所示,一种减振缓冲型万向脚轮结构,包括脚轮1和固定块2。脚轮1侧面连接有安装管3。固定块2侧壁设置有安装槽20。安装管3与安装槽20套接。安装管3外侧壁与安装槽20内侧壁之间连接有缓冲组件4。脚轮1与固定块2连接有固定轴5。固定轴5依次穿过脚轮1、安装管3和固定块2。固定块2顶部转动连接有连接板6。
如图5、6所示,安装管3内壁设置有让位槽30。让位槽30截面形状为弧形。安装管3侧壁设置有若干均匀布置的安装孔31。安装孔31与让位槽30连通。缓冲组件4与安装孔31连接。让位槽30与固定轴5相对应。As shown in FIGS. 5 and 6 , the inner wall of the
如图4、5、6所示,缓冲组件4包括缓冲管40和缓冲头41。缓冲管40与安装孔31连接。缓冲管40一端连接有缓冲堵盖42。缓冲管40另一端与缓冲头41套接。缓冲管40内设置有缓冲弹簧43。缓冲弹簧43一端与缓冲头41连接。缓冲弹簧43另一端与缓冲堵盖42连接。As shown in FIGS. 4 , 5 and 6 , the
如图6所示,缓冲头41端部为半球状。缓冲头41与安装槽20接触。安装槽20内侧壁设置有环形的导向槽21。缓冲头41嵌入导向槽21内。As shown in FIG. 6 , the end portion of the
如图4、5、6、7所示,固定轴5中部设置有球状的连接块50。固定轴5穿过连接块50中心。连接块50表面设置有环形的滚珠槽51。连接块50嵌入到让位槽30内并与让位槽30可发生相对摆动,脚轮1与固定轴5可实现夹角的变化,来适应对不同路面的调整,使减振缓冲效果更好。滚珠槽51中心线与安装孔31中心线在同一平面,且滚珠槽51的宽度与安装孔31的孔径数值相同。滚珠槽51内设置有滚珠52。滚珠52嵌入安装孔31且与缓冲堵盖42接触。滚珠52对应安装孔31,滚珠52与缓冲堵盖42和滚珠槽51接触,起到支撑安装管3和固定轴5的作用。As shown in FIGS. 4 , 5 , 6 and 7 , a spherical connecting
如图1-3所示,固定轴5的两端部均套接有缓冲垫圈53,两个缓冲垫圈53分别与脚轮1和固定块2套接。固定轴5两端均连接有螺母54,两个螺母54分别置于脚轮1和固定块2的外侧。螺母54将脚轮1和固定块2限位连接。As shown in FIGS. 1-3 , both ends of the fixed
如图8所示,固定块2顶部设置有旋转套管22。连接板6连接有连杆60。连杆60与旋转套管22连接。连杆60端部连接有密封垫片61。密封垫片61侧壁与旋转套管22内壁连接。As shown in FIG. 8 , the top of the fixed
本发明的工作原理为:如图1-8所示,连接板与车体连接,连杆60与旋转套管22连接,在实现减振缓冲的同时又可实现脚轮1在平面内的万向旋转,密封垫片61可防止连杆在下压过程中置于旋转套管22内的空气泄漏,保证减振缓冲效果。当在平整的路面行驶时,连接在安装孔31内的缓冲组件4可提供减振缓冲作用,若干个缓冲组件4绕安装管3布置,使脚轮1在行驶过程中,缓冲组件4可提供安装管2和固定块2之间的减振缓冲作用,保证减振缓冲效果的更好和保证减振缓冲效果更稳定。当在不平整的路面或倾斜路面行驶时,固定轴5可与脚轮1进行角度的调整,使脚轮1行驶稳定,同时可使减振缓冲效果变好。滚珠52的设置起到支撑固定轴和安装管3的作用,使固定轴5和脚轮1的角度发生变化时更顺畅。The working principle of the present invention is as follows: as shown in Figures 1-8, the connecting plate is connected with the vehicle body, and the connecting
Claims (10)
Priority Applications (1)
| Application Number | Priority Date | Filing Date | Title |
|---|---|---|---|
| CN202111649430.2A CN114407577A (en) | 2021-12-30 | 2021-12-30 | A vibration damping buffer type universal caster structure |
Applications Claiming Priority (1)
| Application Number | Priority Date | Filing Date | Title |
|---|---|---|---|
| CN202111649430.2A CN114407577A (en) | 2021-12-30 | 2021-12-30 | A vibration damping buffer type universal caster structure |
Publications (1)
| Publication Number | Publication Date |
|---|---|
| CN114407577A true CN114407577A (en) | 2022-04-29 |
Family
ID=81270006
Family Applications (1)
| Application Number | Title | Priority Date | Filing Date |
|---|---|---|---|
| CN202111649430.2A Withdrawn CN114407577A (en) | 2021-12-30 | 2021-12-30 | A vibration damping buffer type universal caster structure |
Country Status (1)
| Country | Link |
|---|---|
| CN (1) | CN114407577A (en) |
Cited By (1)
| Publication number | Priority date | Publication date | Assignee | Title |
|---|---|---|---|---|
| CN115224620A (en) * | 2022-06-02 | 2022-10-21 | 国网江西省电力有限公司电力科学研究院 | Coating nondestructive eliminating equipment of power transformation equipment |
Citations (7)
| Publication number | Priority date | Publication date | Assignee | Title |
|---|---|---|---|---|
| JP2014097778A (en) * | 2012-11-13 | 2014-05-29 | Kanazawa Seisakusho:Kk | Caster with brake function |
| CN208148957U (en) * | 2018-04-20 | 2018-11-27 | 谢继富 | A kind of castor with shock-absorbing function |
| CN209700293U (en) * | 2019-03-28 | 2019-11-29 | 泉州卓烨脚轮制造有限公司 | A kind of damping manganese steel castor of fixed |
| CN210591219U (en) * | 2019-08-15 | 2020-05-22 | 台州速普优聚氨酯制品有限公司 | Strong supporting polyurethane caster with damping function |
| CN111806154A (en) * | 2020-08-10 | 2020-10-23 | 朱显达 | Universal wheel for leather suitcase capable of changing width of contact surface according to self weight |
| CN212313182U (en) * | 2020-05-23 | 2021-01-08 | 嘉兴连红塑料有限公司 | Durable universal wheel |
| CN112572056A (en) * | 2021-01-19 | 2021-03-30 | 孙金龙 | Universal wheel structure |
-
2021
- 2021-12-30 CN CN202111649430.2A patent/CN114407577A/en not_active Withdrawn
Patent Citations (7)
| Publication number | Priority date | Publication date | Assignee | Title |
|---|---|---|---|---|
| JP2014097778A (en) * | 2012-11-13 | 2014-05-29 | Kanazawa Seisakusho:Kk | Caster with brake function |
| CN208148957U (en) * | 2018-04-20 | 2018-11-27 | 谢继富 | A kind of castor with shock-absorbing function |
| CN209700293U (en) * | 2019-03-28 | 2019-11-29 | 泉州卓烨脚轮制造有限公司 | A kind of damping manganese steel castor of fixed |
| CN210591219U (en) * | 2019-08-15 | 2020-05-22 | 台州速普优聚氨酯制品有限公司 | Strong supporting polyurethane caster with damping function |
| CN212313182U (en) * | 2020-05-23 | 2021-01-08 | 嘉兴连红塑料有限公司 | Durable universal wheel |
| CN111806154A (en) * | 2020-08-10 | 2020-10-23 | 朱显达 | Universal wheel for leather suitcase capable of changing width of contact surface according to self weight |
| CN112572056A (en) * | 2021-01-19 | 2021-03-30 | 孙金龙 | Universal wheel structure |
Cited By (1)
| Publication number | Priority date | Publication date | Assignee | Title |
|---|---|---|---|---|
| CN115224620A (en) * | 2022-06-02 | 2022-10-21 | 国网江西省电力有限公司电力科学研究院 | Coating nondestructive eliminating equipment of power transformation equipment |
Similar Documents
| Publication | Publication Date | Title |
|---|---|---|
| CN104948659B (en) | A kind of rubber mat between compressor and refrigerator base plate | |
| CN114407577A (en) | A vibration damping buffer type universal caster structure | |
| CN108325895A (en) | A kind of cleaning mobile device with auto panel adsorbing mechanism | |
| CN203815391U (en) | Motor noise reduction structure applied to dust collector | |
| CN109203858B (en) | Shock-absorbing castor | |
| CN207915211U (en) | Rubbing head with adaptivity | |
| CN208549635U (en) | An easy-to-install endless running wheel | |
| CN217619282U (en) | Limiting clamp for drilling of automobile axle housing | |
| CN116118863A (en) | Suspension ball head | |
| CN208574995U (en) | A kind of cleaning mobile device with auto panel adsorbing mechanism | |
| CN211075508U (en) | Magnetorheological suspension vibration damper of engine for automobile field | |
| CN216659480U (en) | Front suspension structure for vehicle | |
| CN216382288U (en) | Constant velocity universal joint outer ball cage with automatic homing structure | |
| CN222495998U (en) | Connecting shaft of automobile upper support arm, automobile upper support arm and automobile | |
| CN216427715U (en) | Place stable washing machine | |
| CN220204350U (en) | Shockproof stable transmission shaft | |
| CN221921675U (en) | A self-lubricating lower swing arm ball head assembly | |
| CN216969798U (en) | Inner pull rod device for controlling wheel steering | |
| CN221824532U (en) | Fluorine lined three-piece ball valve | |
| CN212338427U (en) | Automobile pipeline fixing device | |
| CN203002546U (en) | Shower head holder | |
| CN201085937Y (en) | Steel pipe for dance | |
| CN115734093B (en) | A 4-20mA signal data storage and transmission device based on LoRa | |
| CN223384258U (en) | Swing arm structure, suspension system and vehicle | |
| CN222557276U (en) | Damping suspension device for drum washing machine |
Legal Events
| Date | Code | Title | Description |
|---|---|---|---|
| PB01 | Publication | ||
| PB01 | Publication | ||
| SE01 | Entry into force of request for substantive examination | ||
| SE01 | Entry into force of request for substantive examination | ||
| WW01 | Invention patent application withdrawn after publication | ||
| WW01 | Invention patent application withdrawn after publication |
Application publication date: 20220429 |
