CN114135026A - Assembled sound insulation combined partition wall - Google Patents
Assembled sound insulation combined partition wall Download PDFInfo
- Publication number
- CN114135026A CN114135026A CN202111291495.4A CN202111291495A CN114135026A CN 114135026 A CN114135026 A CN 114135026A CN 202111291495 A CN202111291495 A CN 202111291495A CN 114135026 A CN114135026 A CN 114135026A
- Authority
- CN
- China
- Prior art keywords
- partition wall
- groove
- mounting block
- plate
- clamping plate
- Prior art date
- Legal status (The legal status is an assumption and is not a legal conclusion. Google has not performed a legal analysis and makes no representation as to the accuracy of the status listed.)
- Granted
Links
- 238000005192 partition Methods 0.000 title claims abstract description 226
- 238000009413 insulation Methods 0.000 title claims abstract description 24
- 238000001125 extrusion Methods 0.000 claims abstract description 62
- 238000009434 installation Methods 0.000 claims abstract description 50
- 239000002131 composite material Substances 0.000 claims description 11
- 238000003780 insertion Methods 0.000 claims description 10
- 230000037431 insertion Effects 0.000 claims description 10
- 230000001154 acute effect Effects 0.000 claims description 3
- 238000000034 method Methods 0.000 abstract description 9
- 230000008569 process Effects 0.000 abstract description 6
- 238000003825 pressing Methods 0.000 description 8
- 230000009471 action Effects 0.000 description 4
- 238000012856 packing Methods 0.000 description 3
- 238000000926 separation method Methods 0.000 description 3
- 238000010276 construction Methods 0.000 description 2
- 230000004308 accommodation Effects 0.000 description 1
- 230000009286 beneficial effect Effects 0.000 description 1
- 230000008878 coupling Effects 0.000 description 1
- 238000010168 coupling process Methods 0.000 description 1
- 238000005859 coupling reaction Methods 0.000 description 1
- 230000007547 defect Effects 0.000 description 1
- 238000010586 diagram Methods 0.000 description 1
- 230000000694 effects Effects 0.000 description 1
- 210000001503 joint Anatomy 0.000 description 1
- 238000011031 large-scale manufacturing process Methods 0.000 description 1
- 238000012986 modification Methods 0.000 description 1
- 230000004048 modification Effects 0.000 description 1
- 230000000149 penetrating effect Effects 0.000 description 1
- 238000012545 processing Methods 0.000 description 1
- 238000006467 substitution reaction Methods 0.000 description 1
Images
Classifications
-
- E—FIXED CONSTRUCTIONS
- E04—BUILDING
- E04B—GENERAL BUILDING CONSTRUCTIONS; WALLS, e.g. PARTITIONS; ROOFS; FLOORS; CEILINGS; INSULATION OR OTHER PROTECTION OF BUILDINGS
- E04B2/00—Walls, e.g. partitions, for buildings; Wall construction with regard to insulation; Connections specially adapted to walls
- E04B2/74—Removable non-load-bearing partitions; Partitions with a free upper edge
-
- E—FIXED CONSTRUCTIONS
- E04—BUILDING
- E04B—GENERAL BUILDING CONSTRUCTIONS; WALLS, e.g. PARTITIONS; ROOFS; FLOORS; CEILINGS; INSULATION OR OTHER PROTECTION OF BUILDINGS
- E04B1/00—Constructions in general; Structures which are not restricted either to walls, e.g. partitions, or floors or ceilings or roofs
- E04B1/62—Insulation or other protection; Elements or use of specified material therefor
- E04B1/74—Heat, sound or noise insulation, absorption, or reflection; Other building methods affording favourable thermal or acoustical conditions, e.g. accumulating of heat within walls
- E04B1/82—Heat, sound or noise insulation, absorption, or reflection; Other building methods affording favourable thermal or acoustical conditions, e.g. accumulating of heat within walls specifically with respect to sound only
-
- E—FIXED CONSTRUCTIONS
- E04—BUILDING
- E04B—GENERAL BUILDING CONSTRUCTIONS; WALLS, e.g. PARTITIONS; ROOFS; FLOORS; CEILINGS; INSULATION OR OTHER PROTECTION OF BUILDINGS
- E04B2/00—Walls, e.g. partitions, for buildings; Wall construction with regard to insulation; Connections specially adapted to walls
- E04B2/74—Removable non-load-bearing partitions; Partitions with a free upper edge
- E04B2/7401—Removable non-load-bearing partitions; Partitions with a free upper edge assembled using panels without a frame or supporting posts, with or without upper or lower edge locating rails
-
- E—FIXED CONSTRUCTIONS
- E04—BUILDING
- E04B—GENERAL BUILDING CONSTRUCTIONS; WALLS, e.g. PARTITIONS; ROOFS; FLOORS; CEILINGS; INSULATION OR OTHER PROTECTION OF BUILDINGS
- E04B2/00—Walls, e.g. partitions, for buildings; Wall construction with regard to insulation; Connections specially adapted to walls
- E04B2/74—Removable non-load-bearing partitions; Partitions with a free upper edge
- E04B2/7401—Removable non-load-bearing partitions; Partitions with a free upper edge assembled using panels without a frame or supporting posts, with or without upper or lower edge locating rails
- E04B2/7403—Removable non-load-bearing partitions; Partitions with a free upper edge assembled using panels without a frame or supporting posts, with or without upper or lower edge locating rails with special measures for sound or thermal insulation including fire protection
Landscapes
- Engineering & Computer Science (AREA)
- Architecture (AREA)
- Physics & Mathematics (AREA)
- Electromagnetism (AREA)
- Civil Engineering (AREA)
- Structural Engineering (AREA)
- Acoustics & Sound (AREA)
- Building Environments (AREA)
Abstract
The invention provides an assembled sound insulation combined partition wall, and belongs to the technical field of partition wall installation. The assembled sound insulation combined partition wall comprises a partition wall body, a first connecting piece and a second connecting piece. The second mounting block extrudes the first extrusion end of the clamping plate, so that the first extrusion end of the clamping plate overcomes the elasticity of a torsion spring and extends into the first mounting groove, one end of the first mounting block enters the accommodating cavity, the other end of the first mounting block is inserted into the first clamping groove, the torsion spring pushes the other end of the clamping plate to protrude out of the first mounting groove, and the first combined partition wall and the second combined partition wall are connected and locked; the second mounting block extrudes a second extrusion end of the clamping plate, so that the second extrusion end of the clamping plate overcomes the elasticity of the torsion spring and rotates along the direction far away from the first mounting block to be parallel to the first mounting groove, and the first combined partition wall and the second combined partition wall are separated; the assembly and disassembly device is convenient to assemble and cannot be disassembled easily, and the assembly safety is ensured while the efficiency of the whole assembly and disassembly process is improved.
Description
Technical Field
The invention relates to the technical field of partition installation, in particular to an assembled sound insulation combined partition.
Background
The partition wall is the wall of partition building inner space, and the partition wall is not the bearing, generally requires lightly, thin, has good sound-insulating properties, and the partition wall should be convenient for the dismouting as far as possible, and assembled partition wall also receives people's favor more and more. The existing assembly type partition walls are generally assembled and connected through the structures of the partition walls, but the forces applied to the partition walls during assembly and disassembly are the same, if the partition walls are convenient to install, too much force does not need to be applied during installation, but the partition walls are easy to separate when people lean on the connecting parts of the partition walls on two sides under the action of other external forces, and the safety is poor; if the partition wall can not separate easily under other exogenic actions, guarantee its security, then need exert enough big power when the installation, it is inconvenient to install, therefore current assembled partition wall can not obtain the characteristics of security height, easy dismounting concurrently.
Chinese patent CN108049532A, publication No. 2018-05-18 disclose an assembled partition wall, which comprises a plurality of wall panels arranged in sequence and a connecting member arranged between two adjacent wall panels; when the force applied to two adjacent wallboards and facing the separation direction of the two wallboards is smaller than the preset force, the connecting piece limits the two wallboards to be separated so as to keep the two wallboards in a butt joint state; and when the force applied to the two adjacent wallboards in the direction of separating the two wallboards is greater than the preset force, the connecting piece releases the limitation on the two wallboards and separates the two wallboards. When the assembly type partition wall is required to be disassembled, all the wall boards can be directly separated by directly applying force to the wall boards, so that the disassembly is completed. Two adjacent partition walls in the above-mentioned patent can not separate easily under the exogenic action during dismouting, guarantee its security, then need exert enough big power when the installation, and the installation is inconvenient, therefore foretell assembled partition wall can not have security height, easy dismounting's characteristics concurrently.
Disclosure of Invention
The present invention aims to provide a fabricated sound insulation combined partition wall, which overcomes the defects of the prior art.
The invention provides an assembled sound insulation combined partition wall which comprises a partition wall body, a first connecting piece and a second connecting piece, wherein the first connecting piece and the second connecting piece are respectively arranged at two side ends of the partition wall body; when one end of a first mounting block of a first combined partition wall is inserted into a first clamping groove of a second combined partition wall under stress, a second mounting block of the second combined partition wall extrudes a first extrusion end of a clamping plate of the first combined partition wall to rotate into a first mounting groove, so that one end of the first mounting block penetrates through the first clamping groove and is inserted into the accommodating cavity, the other end of the first mounting block is inserted into the first clamping groove, a torsion spring of the first combined partition wall pushes the first extrusion end of the clamping plate to extend into the accommodating cavity, and the first combined partition wall and the second combined partition wall are connected and locked; when first installation piece other end atress of first combination partition wall was taken out in the first draw-in groove of second combination partition wall, the partial extrusion joint board second extrusion end that lies in the holding chamber on the second installation piece of second combination partition wall for the joint board rotates to being on a parallel with first mounting groove along the direction of keeping away from first installation piece, and first installation piece drives the joint board and takes out in first draw-in groove, with first combination partition wall and the separation of second combination partition wall.
Further, partition wall body includes partition plate, the sponge that gives sound insulation, the partition plate inboard is equipped with the second mounting groove, the sponge that gives sound insulation is filled in the second mounting groove.
Furthermore, the first connecting piece further comprises a first fixing block detachably mounted at one side end of the partition wall body, a first insertion groove formed in the first fixing block, and a side plate connected to the first fixing block, and one end of the first mounting block is inserted into the first insertion groove.
Furthermore, the top of the side plate is provided with a positioning groove, and the first connecting piece further comprises a cover plate used for covering the clamping piece and a positioning block arranged at the bottom of the cover plate and used for being clamped in the positioning groove.
Further, first connecting piece still including be fixed in the backup pad of curb plate bottom, rotate the idler of connecting in the backup pad, the idler butt in second installation piece lateral wall when first installation piece is pegged graft in first draw-in groove, second installation piece top is equipped with the limiting plate.
Further, the second connecting piece includes detachably installs in separating the second fixed block of wall body other side end, connects in the protection shield of second fixed block, the protection shield butt in the curb plate when the fastener inserts first draw-in groove.
Further, first installation piece includes and is used for carrying out the first backstop board that backstops for the joint board when the first extrusion end atress of joint board rotates to first mounting groove inboard.
Further, the clamping plate is acute angle with the axis of the first mounting block when the torsion spring pushes the first extrusion end of the clamping plate to protrude out of the first mounting groove.
Further, first mounting groove is two about first backstop board symmetry sets up, the joint board is two about backstop board central line symmetry sets up, the quantity of torsional spring equals with the quantity of joint board.
Furthermore, the side plates are two and are symmetrically arranged relative to the first insertion groove, the idler wheels are arranged on the side ends, close to each other, of the two side plates, and the idler wheels are two and are symmetrically arranged relative to the first insertion groove.
The assembled sound insulation combined partition wall has the following beneficial effects:
when a first combined partition wall and a second combined partition wall which are adjacent to each other are installed, one end of a first installation block of the first combined partition wall is subjected to thrust and inserted into a first clamping groove of the second combined partition wall, a clamping plate of the first combined partition wall firstly enters into the first clamping groove of the second combined partition wall, a second installation block of the second combined partition wall extrudes a first extrusion end of the clamping plate which protrudes out of the first installation groove, so that the first extrusion end of the clamping plate overcomes the elasticity of a torsional spring and extends into the first installation groove, the first installation block is convenient to continue moving in the first clamping groove, one end of the first installation block enters into the accommodating cavity, the other end of the first installation block is inserted into the first clamping groove, the extrusion force of the second installation block on the first extrusion end of the clamping plate is lost, the torsional spring pushes the other end of the clamping plate to protrude out of the first installation groove, the first extrusion end of the clamping plate extends into the accommodating cavity, and drives the second extrusion end of the clamping plate to extend into the accommodating cavity, when the first mounting block moves towards the direction of the outer side of the first clamping groove, the second extrusion end of the clamping plate can abut against the part, located in the accommodating cavity, of the second mounting block, so that the first combined partition wall and the second combined partition wall are connected and locked; when the adjacent first combined partition wall and the second combined partition wall are disassembled, the other end of the first mounting block of the first combined partition wall is subjected to tension and is pulled out from a first clamping groove of the second combined partition wall, the second extrusion end of the clamping plate of the first combined partition wall abuts against the part, located in the accommodating cavity, of the second mounting block of the second combined partition wall, the part, located in the accommodating cavity, of the second mounting block extrudes the second extrusion end of the clamping plate, so that the second extrusion end of the clamping plate overcomes the elasticity of a torsion spring and rotates to be parallel to the first mounting groove along the direction far away from the first mounting block, the first mounting block is pulled out from the first clamping groove, and meanwhile, the clamping plate is driven to penetrate through the first clamping groove, so that the first combined partition wall and the second combined partition wall are separated; the elasticity of the torsional spring is required to be overcome when the adjacent first combined partition wall and the second combined partition wall are disassembled and assembled, the elasticity of the torsional spring is overcome when the assembly is carried out and is smaller than the elasticity of the torsional spring when the disassembly is carried out, the assembly is convenient, the disassembly cannot be carried out easily, and the assembly safety is ensured while the efficiency of the whole assembly and disassembly process is improved.
Drawings
The accompanying drawings, which are incorporated in and constitute a part of the specification, illustrate embodiments of the invention and together with the description, serve to explain the principles of the invention. In the drawings, like reference numerals are used to indicate like elements. The drawings in the following description are directed to some, but not all embodiments of the invention. For a person skilled in the art, other figures can be derived from these figures without inventive effort.
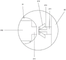
Fig. 1 is a sectional view of a fabricated soundproof combined partition wall according to an embodiment of the present invention, with a cover plate omitted;
fig. 2 is a schematic view showing a structure in a fabricated soundproof combined partition wall according to an embodiment of the present invention;
fig. 3 is a plan view of a fabricated soundproof combined partition wall according to an embodiment of the present invention, with a cover plate omitted;
fig. 4 is a partial structural view illustrating movement of a first mounting block toward a first catching groove when a first combined partition and a second combined partition of a fabricated soundproof combined partition according to an embodiment of the present invention are coupled;
fig. 5 is a partial schematic structural view illustrating that when a first combined partition wall and a second combined partition wall in an assembled soundproof combined partition wall according to an embodiment of the present invention are coupled, a first mounting block is inserted into a first clamping groove, and a second mounting block presses a first pressing end of a clamping plate of the first combined partition wall to rotate into the first mounting groove;
fig. 6 is a schematic structural diagram of a portion of the assembled sound insulation combined partition wall according to the embodiment of the present invention, in which when the first combined partition wall and the second combined partition wall are connected, one end of the first mounting block passes through the first slot and is inserted into the accommodating cavity, the other end of the first mounting block is inserted into the first slot, and the torsion spring pushes the first extrusion end of the clamping plate to extend into the accommodating cavity;
fig. 7 is a partial structural view of a second pressing end of a partial pressing clamping plate located in the receiving cavity of the second mounting block when the first combined partition wall and the second combined partition wall of the fabricated soundproof combined partition wall according to the embodiment of the invention are separated;
fig. 8 is a partial structural view illustrating that a portion of the second mounting block located in the receiving cavity presses the second pressing end of the clamping plate so that the clamping plate rotates in a direction away from the first mounting block when the first and second combined partition walls of the assembled soundproof combined partition according to the embodiment of the present invention are separated;
fig. 9 is a partial schematic structural view illustrating that when the first combined partition wall and the second combined partition wall in the assembled soundproof combined partition wall according to the embodiment of the present invention are separated, the second extrusion end of the clamping plate on the second mounting block, which is located in the accommodating cavity, partially extrudes the clamping plate so that the clamping plate rotates to be parallel to the first mounting groove along the direction away from the first mounting block, and the first mounting block drives the clamping plate to be drawn out from the first clamping groove;
fig. 10 is a side view of a clip member in a fabricated sound-deadening composite partition wall according to an embodiment of the present invention;
fig. 11 is a top view of a clip member in a fabricated sound-proofing composite partition wall according to an embodiment of the present invention;
fig. 12 is a schematic view showing the construction of a clip member in a fabricated soundproof combined partition wall according to an embodiment of the present invention;
fig. 13 is a schematic view showing the construction of a second coupling member in an assembled soundproof combination partition wall according to the embodiment of the present invention;
fig. 14 is a schematic structural view illustrating a first connector of an assembled soundproof combined partition wall according to an embodiment of the present invention, with a cover plate omitted;
fig. 15 is a schematic structural view of a cover plate in a fabricated soundproof combined partition wall according to an embodiment of the present invention.
In the figure: 1-partition wall body, 11-partition wall plate, 12-sound insulation sponge, 2-first connecting piece, 21-fastener, 211-first mounting block, 212-fastening plate, 213-first stop plate, 214-torsion spring, 22-first fixing block, 23-side plate, 231-positioning groove, 24-supporting plate, 25-idler wheel, 26-cover plate, 27-positioning block, 3-second connecting piece, 31-second mounting block, 311-first clamping groove, 312-containing cavity, 313-limiting plate, 32-second fixing block and 33-protecting plate.
Detailed Description
In order to make the objects, technical solutions and advantages of the embodiments of the present invention clearer, the technical solutions in the embodiments of the present invention will be clearly and completely described below with reference to the drawings in the embodiments of the present invention, and it is obvious that the described embodiments are some, but not all, embodiments of the present invention. All other embodiments, which can be derived by a person skilled in the art from the embodiments given herein without making any creative effort, shall fall within the protection scope of the present invention. It should be noted that the embodiments and features of the embodiments in the present application may be arbitrarily combined with each other without conflict.
Please refer to fig. 1 to 15. The assembled sound insulation combined partition wall comprises a partition wall body 1, a first connecting piece 2 and a second connecting piece 3, wherein the first connecting piece 2 and the second connecting piece 3 are respectively arranged at two side ends of the partition wall body 1, the first connecting piece 2 comprises a clamping piece 21, the clamping piece 21 comprises a first mounting block 211, a first mounting groove arranged on the first mounting block 211 and far away from one side end of the partition wall body 1, a clamping plate 212 with one end rotatably connected to the part, positioned on the first mounting groove, of the first mounting block 211, and a torsion spring 214 used for pushing a first extrusion end of the clamping plate 212 to protrude out of the first mounting groove, the second connecting piece 3 comprises a second mounting block 31, an accommodating cavity 312 arranged at the inner side of the second mounting block 31, and a first clamping groove 311 arranged at one side end of the second mounting block 31 and communicated with the accommodating cavity 312; when one end of the first mounting block 211 of the first combined partition wall is forced to be inserted into the first clamping groove 311 of the second combined partition wall, the second mounting block 31 of the second combined partition wall extrudes the first extrusion end of the clamping plate 212 of the first combined partition wall to rotate into the first mounting groove, so that one end of the first mounting block 211 penetrates through the first clamping groove 311 and is inserted into the accommodating cavity 312, the other end of the first mounting block 211 is inserted into the first clamping groove 311, the torsion spring 214 of the first combined partition wall pushes the first extrusion end of the clamping plate 212 to extend into the accommodating cavity 312, and the first combined partition wall and the second combined partition wall are connected and locked; when the other end of the first mounting block 211 of the first combined partition wall is forced to be drawn out from the first slot 311 of the second combined partition wall, the second extrusion end of the clamping plate 212 is extruded by the part, located in the accommodating cavity 312, of the second mounting block 31 of the second combined partition wall, so that the clamping plate 212 rotates to be parallel to the first mounting groove along the direction far away from the first mounting block 211, the first mounting block 211 drives the clamping plate 212 to be drawn out from the first slot 311, and the first combined partition wall and the second combined partition wall are separated.
Here, when the adjacent first combined partition and the second combined partition are installed, one end of the first installation block 211 of the first combined partition is pushed and inserted into the first slot 311 of the second combined partition, the clamping plate 212 of the first combined partition first enters the first slot 311 of the second combined partition, the second installation block 31 of the second combined partition extrudes the first extrusion end of the clamping plate 212 protruding outside the first installation slot, so that the first extrusion end of the clamping plate 212 overcomes the elasticity of the torsion spring 214 and extends into the first installation slot, the first installation block 211 is convenient to continue moving in the first slot 311, one end of the first installation block 211 enters the accommodation cavity 312, the other end of the first installation block 211 is inserted into the first slot 311, the extrusion force of the second installation block 31 on the first extrusion end of the clamping plate 212 is lost, the torsion spring 214 pushes the other end of the clamping plate 212 to protrude outside the first installation slot, when the first mounting block 211 moves towards the outside of the first clamping groove 311, the second extrusion end of the clamping plate 212 can abut against the part, located in the accommodating cavity 312, of the second mounting block 31, so that the first combined partition wall and the second combined partition wall are connected and locked; when the adjacent first combined partition wall and the second combined partition wall are disassembled, the other end of the first mounting block 211 of the first combined partition wall is pulled and pulled out from the first clamping groove 311 of the second combined partition wall, the second extrusion end of the clamping plate 212 of the first combined partition wall abuts against the part, located in the accommodating cavity 312, of the second mounting block 31 of the second combined partition wall, the part, located in the accommodating cavity 312, of the second mounting block 31 extrudes the second extrusion end of the clamping plate 212, so that the second extrusion end of the clamping plate 212 overcomes the elasticity of the torsion spring 214 and rotates to be parallel to the first mounting groove along the direction far away from the first mounting block 211, the first mounting block 211 is pulled out from the first clamping groove 311, and meanwhile, the clamping plate 212 is driven to penetrate through the first clamping groove 311, so that the first combined partition wall and the second combined partition wall are separated; all need overcome the elasticity of torsional spring 214 when first combination partition wall and the dismouting of second combination partition wall adjacent, and overcome the elasticity of torsional spring 214 during the installation and be less than the elasticity of overcoming torsional spring 214 when dismantling, only need overcome less torsional spring 214 elasticity during the installation, need overcome great torsional spring 214 elasticity during the dismantlement, easy to assemble and can not dismantled easily, avoid causing two adjacent combination partition wall separations when receiving less external force pulling, improve whole assembly, the security of installation is guaranteed simultaneously to the efficiency of dismantlement process.
One end of the first mounting block 211 extends into the accommodating cavity 312, the torsion spring 214 pushes the first extrusion end of the clamping plate 212 to protrude out of the first mounting groove, so as to drive the second extrusion end of the clamping plate 212 to protrude out of the first mounting groove, the second extrusion end of the clamping plate 212 enters the accommodating cavity 312, the second extrusion end of the clamping plate 212 can be parallel to the part, located in the accommodating cavity 312, of the second mounting block 31, so that the second extrusion end of the clamping plate 212 abuts against the second mounting block 31 when one end of the first mounting block 211 is pulled out of the accommodating cavity 312, the second extrusion end of the clamping plate 212 is extruded by the second mounting block 31, the second extrusion end of the clamping plate 212 is subjected to extrusion force in the left direction, tensile force in the right direction and elastic force of the torsion spring 214, the tensile force in the right direction is greater than the single extrusion force in the left direction, and under the combined action of the tensile force, the extrusion force and the elastic force, the clamping plate 212 rotates around the joint of the clamping plate 212 and the first mounting block 211 and along the direction far away from the first mounting block 211 to be parallel to the first mounting block 211 And (3) installing grooves, which are convenient for driving the clamping plate 212 when the first installing block 211 is pulled to pass through the first clamping groove 311, so that the clamping plate 212 is drawn out from the first clamping groove 311, and the first combined partition wall and the second combined partition wall are conveniently separated.
The axis of the first engaging groove 311 may coincide with the horizontal center line of the accommodating cavity 312, the accommodating cavity 312 may be a rectangular accommodating cavity, the length of the engaging plate 212 is less than half of the width of the accommodating cavity 312, so that the length of the engaging plate 212 is less than half of the length of the accommodating cavity 312, when the clamping plate 212 rotates around the joint of the clamping plate 212 and the first mounting block 211, the clamping plate 212 rotates to be parallel to the width direction of the accommodating cavity 312, at this time, the clamping plate 212 is perpendicular to the long edge of the accommodating cavity 312, a gap exists between the second extrusion end of the clamping plate 212 and one long edge of the accommodating cavity 312, when the clamping plate 212 rotates to be parallel to the first mounting groove, the clamping plate 212 is parallel to the long edge of the accommodating cavity 312, the clamping plate 212 is perpendicular to the short edge of the accommodating cavity 312, and a gap exists between the second extrusion end of the clamping plate 212 and the short edge of the accommodating cavity 312 at the moment, so that the clamping plate 212 can rotate in the accommodating cavity 312 conveniently.
Partition wall body 1 can include partition wall board 11, sound insulation sponge 12, and 11 inboards of partition wall board are equipped with the second mounting groove, and sound insulation sponge 12 fills in the second mounting groove. The second mounting groove can be the cuboid mounting groove, and sound insulation sponge 12 can be the cuboid sound insulation sponge, and it is effectual to give sound insulation.
The first connecting member 2 may further include a first fixing block 22 detachably mounted at one side end of the partition wall body 1, a first insertion groove formed in the first fixing block 22, and a side plate 23 connected to the first fixing block 22, wherein one end of the first mounting block 211 is inserted into the first insertion groove. The first fixing block 22 may be fixed to one side end of the partition wall body 1 by a countersunk screw, and the first fixing block 22 may be detachable from the partition wall body 1. First fixed block 22 detachably installs in separating a wall body 1 side, then first connecting piece 2 detachably installs in separating a wall body 1 side, first installation piece 211 one end is pegged graft in first grafting in first inserting groove, then fastener 21 detachably installs on first fixed block 22, and the industrialization degree is high, and first connecting piece 2 can large-scale production and processing and assembly, and easy dismounting improves the assembly flexibility. At the end of the wall surface, when the first connecting piece 2 is not needed to be installed on the partition wall body 1, only the second connecting piece 3 can be installed on the partition wall body 1, and the second connecting piece 3 on the partition wall body 1 and the first connecting piece 2 on the adjacent combined partition wall are connected, so that installation can be completed.
The top of the side plate 23 may be provided with a positioning slot 231, and the first connecting member 2 further includes a cover plate 26 for covering the fastener 21, and a positioning block 27 disposed at the bottom of the cover plate 26 for being fastened to the positioning slot 231. The locating slot 231 can be the cuboid locating slot, the locating piece 27 can be the cuboid locating piece, the length of first fixed block 22 equals the width of partition wall board 11, the width of apron 26 can equal the length of first fixed block 22, apron 26 can all cover fastener 21 and curb plate 23, when first combination partition wall and second combination partition wall are connected, apron 26 can cover the junction of first combination partition wall and second combination partition wall, and apron 26 top and partition wall board 11 top keep the parallel and level, both can protect the junction of first combination partition wall and second combination partition wall, can realize the holistic planarization of partition wall again. After the assembly of combination partition wall is finished, can also include ceiling keel and ground keel, and the top of apron 26 and partition plate 11 all is connected in ceiling keel, and partition plate 11 bottom can be connected in ground keel. The side plates 23 are symmetrically arranged, the positioning grooves 231 are symmetrically arranged, and the positioning blocks 27 are symmetrically arranged.
The first connecting member 2 may further include a supporting plate 24 fixed at the bottom end of the side plate 23, and an idler wheel 25 rotatably connected to the supporting plate 24, wherein the idler wheel 25 abuts against an outer side wall of the second mounting block 31 when the first mounting block 211 is inserted into the first engaging groove 311, and a limiting plate 313 is disposed at the top of the second mounting block 31. The side plate 23 is perpendicular to the first fixing block 22, the supporting plate 24 is perpendicular to the side plate 23, a bearing can be arranged on the supporting plate 24, the idler wheel 25 can be rotatably connected to the supporting plate 24 by being sleeved on the bearing, the idler wheel 25 can position the second mounting block 31, when the outer side wall of the second mounting block 31 abuts against the idler wheel 25, the first mounting block 211 can be aligned with the first clamping groove 311, the first mounting block 211 can be conveniently inserted into the first clamping groove 311, when the first mounting block 211 is inserted into the first clamping groove 311, the bottom of the second mounting block 31 abuts against the supporting plate 24, the supporting plate 24 can support the bottom of the second mounting block 31, the bottom of the first clamping groove 311 is arranged on the second mounting block 31 in a penetrating manner, the top of the first mounting block 211 abuts against the limiting plate 313, when the first mounting block 211 is inserted into the first clamping groove 311, the top of the first mounting block 211 can abut against the limiting plate 313, and the bottom of the first mounting plate can abut against the supporting plate 24, the movement of the first mounting block 211 in the vertical direction is limited by the limiting plate 313 and the supporting plate 24, and the stability of the first mounting block 211 connected to the first slot 311 is improved.
The second connector 3 may include a second fixing block 32 detachably mounted at the other side end of the partition body 1, and a protection plate 33 connected to the second fixing block 32, wherein the protection plate 33 abuts against the side plate 23 when the clip 21 is inserted into the first slot 311. The second fixing block 32 is detachably mounted at the other side end of the partition wall body 1, the second connecting piece 3 is detachably mounted at the other side end of the partition wall body 1, the industrialization degree is high, the second connecting piece 3 can be produced, processed and assembled on a large scale, the assembly and disassembly are convenient, and the assembly flexibility is improved. The second fixing block 32 may be fixed to the other side end of the partition wall body 1 by a countersunk screw, and the second fixing block 32 may be detachable from the partition wall body 1. At the end of the wall surface, when the second connecting piece 3 is not needed to be installed on the partition wall body 1, only the first connecting piece 2 can be installed on the partition wall body 1, and the first connecting piece 2 on the partition wall body 1 and the second connecting piece 3 on the adjacent combined partition wall are connected, so that installation can be completed. The side ends of the protection plate 33 and the side ends of the partition plate 11 are kept flush, the protection plate 33 may be two pieces symmetrically arranged about the center line of the second fixing block 32, when the first combined partition and the second combined partition are connected, the first mounting block 211 of the first combined partition is inserted into the first slot 311 of the second combined partition, and at this time, one protection plate 33 abuts against one side plate 23, and the other protection plate 33 abuts against the other side plate 23, so as to respectively protect the two side ends of the first connecting member 2.
The first mounting block 211 may include a first stopping plate 213 for stopping the clamping plate 212 when the first pressing end of the clamping plate 212 is forced to rotate to the inner side of the first mounting groove. First backstop board 213 can prevent that the pivoted angle is too big when joint board 212 rotates to first mounting groove inboard, damages torsional spring 214 for when first installation piece 211 one end stretches into holding chamber 312, torsional spring 214 can't push joint board 212 first extrusion end stretch into holding chamber 312 in, then can't realize connecting the locking with first connecting piece 2 and second connecting piece 3 through the cooperation of joint board 212 and second installation piece 31.
The clamping plate 212 may form an acute angle with the axis of the first mounting block 211 when the torsion spring 214 pushes the first pressing end of the clamping plate 212 to protrude out of the first mounting groove. When one end of the first mounting block 211 is stressed to be inserted into the first clamping groove 311, the second mounting block 31 extrudes the first extrusion end of the clamping plate 212, so that the first extrusion end of the clamping plate 212 can be ensured to smoothly rotate into the first mounting groove, one end of the first mounting block 211 can conveniently penetrate through the first clamping groove 311 and be inserted into the accommodating cavity 312, the other end of the first mounting block 211 is inserted into the first clamping groove 311, and meanwhile, the torsion spring 214 pushes the first extrusion end of the clamping plate 212 to extend into the accommodating cavity 312; when two adjacent combination partition walls appear separating when receiving the impact, can guarantee that the part that lies in holding chamber 312 on second installation piece 31 can be supported fast to joint board 212 second extrusion end, through second installation piece 31 extrusion joint board 212, thereby stop joint board 212 and continue to move towards the direction in the holding chamber 312 outside, and then the first installation piece 211 of backstop breaks away from in first draw-in groove 311, first installation piece 211 has been improved, the stability that second installation piece 31 is connected, guarantee the stability that two adjacent combination partition walls are connected.
The first mounting grooves may be two symmetrically disposed about the first stopper plate 213, the catching plates 212 are two symmetrically disposed about a center line of the stopper plate, and the number of the torsion springs 214 is equal to the number of the catching plates 212. When one end of the first mounting block 211 of the first combined partition is forced to be inserted into the first slot 311 of the second combined partition, one side end of the second mounting block 31 of the second combined partition wall presses one first pressing end of the clamping plate 212 of the first combined partition wall to rotate into one first mounting groove, the other side end of the second mounting block 31 presses the other first pressing end of the clamping plate 212 of the first combined partition wall to rotate into the other first mounting groove, at this time, the two clamping plates 212 are parallel to each other, one end of the first mounting block 211 penetrates through the first clamping groove 311 and is inserted into the accommodating cavity 312, the other end of the first mounting block 211 is inserted into the first clamping groove 311, one torsion spring 214 of the first combined partition wall pushes the first extrusion end of one clamping plate 212 to extend into the accommodating cavity 312, and the other torsion spring 214 pushes the first extrusion end of the other clamping plate 212 to extend into the accommodating cavity 312, so that the first combined partition wall and the second combined partition wall are connected and locked; when the other end of the first mounting block 211 of the first combined partition wall is forced to be drawn out from the first slot 311 of the second combined partition wall, one side end of the portion, located in the accommodating cavity 312, of the second mounting block 31 of the second combined partition wall extrudes the second extrusion end of one clamping plate 212, and the other side end of the portion, located in the accommodating cavity 312, of the second mounting block 31 extrudes the second extrusion end of the other clamping plate 212, so that one clamping plate 212 rotates to be parallel to the first mounting groove along the direction away from the first mounting block 211, the other clamping plate 212 rotates to be parallel to the first mounting groove along the direction away from the first mounting block 211, at this time, the two clamping plates 212 are parallel to each other, the first mounting block 211 drives the two clamping plates 212 to be drawn out from the first slot 311, and the first combined partition wall and the second combined partition wall are separated.
The side plates 23 may be two symmetrically disposed about the first insertion groove, the idle gears 25 are disposed on the side ends of the two side plates 23 close to each other, and the idle gears 25 are two symmetrically disposed about the first insertion groove. The outer periphery of the idler pulley 25 is sleeved with an elastic sleeve, the two idler pulleys 25 are respectively abutted against two side ends of the second mounting block 31, and the two idler pulleys 25 can assist the clamping piece 21 to clamp the second connecting piece 3, so that the connection performance between the first connecting piece 2 and the second connecting piece 3 is enhanced. Two curb plates 23, backup pad 24, first fixed block 22 enclose into the packing space, and two idler 25 set up in the packing space, after adjacent first combination partition wall and second combination partition wall are connected, can fill the sponge that gives sound insulation in the packing space, pack the sponge that gives sound insulation in the junction of adjacent first combination partition wall and second combination partition wall promptly, strengthen the syllable-dividing effect of the junction of two assembled partition walls, improve the holistic sound insulation performance of partition wall. Two protection plates 33 respectively form second clamping grooves with two side ends of the second mounting block 31, when the adjacent first combined partition wall and the second combined partition wall are connected, the two side ends of the second mounting block 31 respectively abut against the two idle wheels 25, so that one idle wheel 25 and one side plate 23 are respectively clamped in one second clamping groove, and one side end of one protection plate 33 abuts against the side end of one side plate 23, thereby improving the stability of the integral connection of the partition walls.
The above-described aspects may be implemented individually or in various combinations, and such variations are within the scope of the present invention.
It should be noted that, in the description of the present application, it should be noted that the terms "upper end", "lower end" and "bottom end" indicating the orientation or positional relationship are based on the orientation or positional relationship shown in the drawings or the orientation or positional relationship which the product of the application is usually placed in when the product of the application is used, and are only for convenience of describing the present application and simplifying the description, but do not indicate or imply that the device referred to must have a specific orientation, be constructed in a specific orientation and be operated, and thus, should not be construed as limiting the present application. Also, the terms "comprises," "comprising," or any other variation thereof, are intended to cover a non-exclusive inclusion, such that a process, method, article, or apparatus that comprises a list of elements does not include only those elements but may include other elements not expressly listed or inherent to such process, method, article, or apparatus. Without further limitation, an element defined by the phrase "comprising an …" does not exclude the presence of other identical elements in a process, method, article, or apparatus that comprises the element.
Finally, it should be noted that: the above examples are only for illustrating the technical solutions of the present invention, and are not limited thereto. Although the present invention has been described in detail with reference to the foregoing embodiments, it will be understood by those of ordinary skill in the art that: the technical solutions described in the foregoing embodiments may still be modified, or some technical features may be equivalently replaced; and such modifications or substitutions do not depart from the spirit and scope of the corresponding technical solutions of the embodiments of the present invention.
Claims (10)
1. The utility model provides an assembled combination partition wall that gives sound insulation which characterized in that: the connecting piece comprises a partition wall body (1), a first connecting piece (2) and a second connecting piece (3) which are respectively arranged at two side ends of the partition wall body (1), wherein the first connecting piece (2) comprises a clamping piece (21), the clamping piece (21) comprises a first mounting block (211), a first mounting groove which is arranged on the first mounting block (211) and is far away from one side end of the partition wall body (1), a clamping plate (212) with one end rotatably connected to the part, positioned on the first mounting groove, of the first mounting block (211), and a torsion spring (214) which is used for pushing a first extrusion end of the clamping plate (212) to protrude out of the first mounting groove, and the second connecting piece (3) comprises a second mounting block (31), an accommodating cavity (312) which is arranged on the inner side of the second mounting block (31), and a first clamping groove (311) which is arranged at one side end of the second mounting block (31) and is communicated with the accommodating cavity (312); when one end of a first mounting block (211) of a first combined partition wall is inserted into a first clamping groove (311) of a second combined partition wall in a forced mode, a second mounting block (31) of the second combined partition wall extrudes a first extrusion end of a clamping plate (212) of the first combined partition wall to rotate into a first mounting groove, one end of the first mounting block (211) penetrates through the first clamping groove (311) and is inserted into the accommodating cavity (312), the other end of the first mounting block (211) is inserted into the first clamping groove (311), a torsion spring (214) of the first combined partition wall pushes the first extrusion end of the clamping plate (212) to extend into the accommodating cavity (312), and the first combined partition wall and the second combined partition wall are connected and locked; when the other end of the first mounting block (211) of the first combined partition wall is forced to be drawn out of the first clamping groove (311) of the second combined partition wall, the part, located in the accommodating cavity (312), of the second mounting block (31) of the second combined partition wall extrudes the second extrusion end of the clamping plate (212), so that the clamping plate (212) rotates to be parallel to the first mounting groove along the direction far away from the first mounting block (211), the first mounting block (211) drives the clamping plate (212) to be drawn out of the first clamping groove (311), and the first combined partition wall and the second combined partition wall are separated.
2. A fabricated sound-insulating composite partition as claimed in claim 1, wherein: partition wall body (1) includes partition wall board (11), sound insulation sponge (12), partition wall board (11) inboard is equipped with the second mounting groove, sound insulation sponge (12) are filled in the second mounting groove.
3. A fabricated sound-proofing composite partition as claimed in claim 1 or 2, wherein: the first connecting piece (2) further comprises a first fixing block (22) detachably mounted at one side end of the partition wall body (1), a first inserting groove formed in the first fixing block (22), and a side plate (23) connected to the first fixing block (22), and one end of the first mounting block (211) is inserted into the first inserting groove.
4. A fabricated sound-insulating composite partition as claimed in claim 3, wherein: the top of the side plate (23) is provided with a positioning groove (231), and the first connecting piece (2) further comprises a cover plate (26) used for covering the clamping piece (21) and a positioning block (27) arranged at the bottom of the cover plate (26) and used for being clamped in the positioning groove (231).
5. A fabricated sound-insulating composite partition as claimed in claim 3, wherein: first connecting piece (2) still including backup pad (24), the idler (25) of rotation connection in backup pad (24) that are fixed in curb plate (23) bottom, idler (25) butt in second installation piece (31) lateral wall when first installation piece (211) are pegged graft in first draw-in groove (311), second installation piece (31) top is equipped with limiting plate (313).
6. A fabricated sound-insulating composite partition as claimed in claim 3, wherein: the second connecting piece (3) comprises a second fixing block (32) detachably mounted at the other side end of the partition body (1) and a protection plate (33) connected to the second fixing block (32), and the protection plate (33) abuts against the side plate (23) when the clamping piece (21) is inserted into the first clamping groove (311).
7. A fabricated sound-proofing composite partition as claimed in claim 1 or 2, wherein: the first installation block (211) comprises a first stop plate (213) used for stopping the clamping plate (212) when the first extrusion end of the clamping plate (212) is stressed and rotates to the inner side of the first installation groove.
8. A fabricated sound-proofing composite partition as claimed in claim 1 or 2, wherein: the angle between the clamping plate (212) and the axis of the first mounting block (211) is an acute angle when the torsion spring (214) pushes the first extrusion end of the clamping plate (212) to protrude out of the first mounting groove.
9. An assembled sound insulating composite partition as claimed in claim 7, wherein: the first mounting groove is two which are symmetrically arranged relative to the first stop plate (213), the clamping plate (212) is two which are symmetrically arranged relative to the central line of the first stop plate (213), and the quantity of the torsion springs (214) is equal to that of the clamping plate (212).
10. An assembled sound insulating composite partition as claimed in claim 5, wherein: the two side plates (23) are symmetrically arranged relative to the first insertion groove, the idler wheels (25) are arranged on the side ends, close to each other, of the two side plates (23), and the idler wheels (25) are symmetrically arranged relative to the first insertion groove.
Priority Applications (1)
| Application Number | Priority Date | Filing Date | Title |
|---|---|---|---|
| CN202111291495.4A CN114135026B (en) | 2021-11-03 | 2021-11-03 | Assembled sound insulation combined partition wall |
Applications Claiming Priority (1)
| Application Number | Priority Date | Filing Date | Title |
|---|---|---|---|
| CN202111291495.4A CN114135026B (en) | 2021-11-03 | 2021-11-03 | Assembled sound insulation combined partition wall |
Publications (2)
| Publication Number | Publication Date |
|---|---|
| CN114135026A true CN114135026A (en) | 2022-03-04 |
| CN114135026B CN114135026B (en) | 2024-10-25 |
Family
ID=80392295
Family Applications (1)
| Application Number | Title | Priority Date | Filing Date |
|---|---|---|---|
| CN202111291495.4A Active CN114135026B (en) | 2021-11-03 | 2021-11-03 | Assembled sound insulation combined partition wall |
Country Status (1)
| Country | Link |
|---|---|
| CN (1) | CN114135026B (en) |
Cited By (2)
| Publication number | Priority date | Publication date | Assignee | Title |
|---|---|---|---|---|
| CN114658144A (en) * | 2022-03-30 | 2022-06-24 | 浙江亚厦装饰股份有限公司 | Assembled partition wall plate structure |
| CN116988579A (en) * | 2023-06-30 | 2023-11-03 | 中国电建集团华东勘测设计研究院有限公司 | A steel structure self-locking butt joint and prefabricated building components |
Citations (8)
| Publication number | Priority date | Publication date | Assignee | Title |
|---|---|---|---|---|
| KR200377909Y1 (en) * | 2004-12-24 | 2005-03-16 | 이우재 | Middle Wall Bracket of Light Weight Partition |
| KR101364498B1 (en) * | 2013-04-29 | 2014-02-19 | 테크스타 코리아 주식회사 | Detachable soundproofing wall |
| CN210767379U (en) * | 2019-09-17 | 2020-06-16 | 承德国佑鸿路绿色建筑科技有限公司 | Light partition slat |
| CN112443059A (en) * | 2020-12-04 | 2021-03-05 | 浙江亚厦装饰股份有限公司 | Whole board ready-package partition wall mounting structure |
| CN214144232U (en) * | 2020-11-05 | 2021-09-07 | 吉林建筑大学设计研究院 | Assembled wall with sound insulation function |
| CN113356412A (en) * | 2021-07-13 | 2021-09-07 | 浙江亚厦装饰股份有限公司 | Assembled fast-assembling partition wall |
| CN214423700U (en) * | 2021-02-06 | 2021-10-19 | 福建榕鸿建设有限公司 | Partition wall structure is built in room |
| CN216766383U (en) * | 2021-11-03 | 2022-06-17 | 浙江亚厦装饰股份有限公司 | Assembled sound insulation combined partition wall |
-
2021
- 2021-11-03 CN CN202111291495.4A patent/CN114135026B/en active Active
Patent Citations (8)
| Publication number | Priority date | Publication date | Assignee | Title |
|---|---|---|---|---|
| KR200377909Y1 (en) * | 2004-12-24 | 2005-03-16 | 이우재 | Middle Wall Bracket of Light Weight Partition |
| KR101364498B1 (en) * | 2013-04-29 | 2014-02-19 | 테크스타 코리아 주식회사 | Detachable soundproofing wall |
| CN210767379U (en) * | 2019-09-17 | 2020-06-16 | 承德国佑鸿路绿色建筑科技有限公司 | Light partition slat |
| CN214144232U (en) * | 2020-11-05 | 2021-09-07 | 吉林建筑大学设计研究院 | Assembled wall with sound insulation function |
| CN112443059A (en) * | 2020-12-04 | 2021-03-05 | 浙江亚厦装饰股份有限公司 | Whole board ready-package partition wall mounting structure |
| CN214423700U (en) * | 2021-02-06 | 2021-10-19 | 福建榕鸿建设有限公司 | Partition wall structure is built in room |
| CN113356412A (en) * | 2021-07-13 | 2021-09-07 | 浙江亚厦装饰股份有限公司 | Assembled fast-assembling partition wall |
| CN216766383U (en) * | 2021-11-03 | 2022-06-17 | 浙江亚厦装饰股份有限公司 | Assembled sound insulation combined partition wall |
Cited By (2)
| Publication number | Priority date | Publication date | Assignee | Title |
|---|---|---|---|---|
| CN114658144A (en) * | 2022-03-30 | 2022-06-24 | 浙江亚厦装饰股份有限公司 | Assembled partition wall plate structure |
| CN116988579A (en) * | 2023-06-30 | 2023-11-03 | 中国电建集团华东勘测设计研究院有限公司 | A steel structure self-locking butt joint and prefabricated building components |
Also Published As
| Publication number | Publication date |
|---|---|
| CN114135026B (en) | 2024-10-25 |
Similar Documents
| Publication | Publication Date | Title |
|---|---|---|
| CN110130540B (en) | Assembled building connecting component | |
| CN114135026A (en) | Assembled sound insulation combined partition wall | |
| CN216766383U (en) | Assembled sound insulation combined partition wall | |
| CN113668872A (en) | Fixing device for building external wall insulation board and construction method thereof | |
| CN110203649B (en) | Automatic production line operating equipment for loudspeaker | |
| CN220814359U (en) | Spliced wallboard mounting structure | |
| CN214461411U (en) | Environment-friendly sound insulation wall | |
| CN113700171A (en) | Assembled composite wall body of individual household wall | |
| CN219491411U (en) | Residence decoration curtain wall | |
| CN219825669U (en) | Modular heat-preservation wall body assembling structure | |
| CN218894315U (en) | Indoor sound insulation wallboard convenient to splice | |
| CN111980974B (en) | Anti-seismic support of fire-fighting smoke exhaust fan | |
| CN216892942U (en) | Green building energy-saving wall capable of being installed in splicing mode | |
| CN216195625U (en) | Building heat insulating board for building engineering field | |
| CN118756869B (en) | A building curtain wall installation splicing structure | |
| CN204810077U (en) | Magnet steel feeding device | |
| CN221143079U (en) | Connection structure of building batten | |
| CN219671648U (en) | Movable board house of convenient equipment | |
| CN113073755A (en) | Movable indoor partition wall for residence | |
| CN222847613U (en) | Assembled indoor sound insulation partition wall | |
| CN217158077U (en) | Empty structure of assembling of circuit breaker that opens | |
| CN222745300U (en) | Assembled building shock insulation support | |
| CN217299610U (en) | Fitment is built with fibreboard of making an uproar that falls that gives sound insulation in room | |
| CN213418288U (en) | Balcony railing easy to assemble | |
| CN221865181U (en) | Furniture board structure |
Legal Events
| Date | Code | Title | Description |
|---|---|---|---|
| PB01 | Publication | ||
| PB01 | Publication | ||
| SE01 | Entry into force of request for substantive examination | ||
| SE01 | Entry into force of request for substantive examination | ||
| GR01 | Patent grant | ||
| GR01 | Patent grant |