CN114047044A - 一种土壤检测用快速预处理系统 - Google Patents

一种土壤检测用快速预处理系统 Download PDF

Info

Publication number
CN114047044A
CN114047044A CN202111355883.4A CN202111355883A CN114047044A CN 114047044 A CN114047044 A CN 114047044A CN 202111355883 A CN202111355883 A CN 202111355883A CN 114047044 A CN114047044 A CN 114047044A
Authority
CN
China
Prior art keywords
box
shaft
plate
air conveying
pipe
Prior art date
Legal status (The legal status is an assumption and is not a legal conclusion. Google has not performed a legal analysis and makes no representation as to the accuracy of the status listed.)
Granted
Application number
CN202111355883.4A
Other languages
English (en)
Other versions
CN114047044B (zh
Inventor
曹家芳
周成洪
Current Assignee (The listed assignees may be inaccurate. Google has not performed a legal analysis and makes no representation or warranty as to the accuracy of the list.)
NORENDAR INTERNATIONAL Ltd
Original Assignee
Individual
Priority date (The priority date is an assumption and is not a legal conclusion. Google has not performed a legal analysis and makes no representation as to the accuracy of the date listed.)
Filing date
Publication date
Application filed by Individual filed Critical Individual
Priority to CN202111355883.4A priority Critical patent/CN114047044B/zh
Publication of CN114047044A publication Critical patent/CN114047044A/zh
Application granted granted Critical
Publication of CN114047044B publication Critical patent/CN114047044B/zh
Active legal-status Critical Current
Anticipated expiration legal-status Critical

Links

Images

Classifications

    • GPHYSICS
    • G01MEASURING; TESTING
    • G01NINVESTIGATING OR ANALYSING MATERIALS BY DETERMINING THEIR CHEMICAL OR PHYSICAL PROPERTIES
    • G01N1/00Sampling; Preparing specimens for investigation
    • G01N1/28Preparing specimens for investigation including physical details of (bio-)chemical methods covered elsewhere, e.g. G01N33/50, C12Q
    • G01N1/286Preparing specimens for investigation including physical details of (bio-)chemical methods covered elsewhere, e.g. G01N33/50, C12Q involving mechanical work, e.g. chopping, disintegrating, compacting, homogenising
    • GPHYSICS
    • G01MEASURING; TESTING
    • G01NINVESTIGATING OR ANALYSING MATERIALS BY DETERMINING THEIR CHEMICAL OR PHYSICAL PROPERTIES
    • G01N1/00Sampling; Preparing specimens for investigation
    • G01N1/28Preparing specimens for investigation including physical details of (bio-)chemical methods covered elsewhere, e.g. G01N33/50, C12Q
    • G01N1/286Preparing specimens for investigation including physical details of (bio-)chemical methods covered elsewhere, e.g. G01N33/50, C12Q involving mechanical work, e.g. chopping, disintegrating, compacting, homogenising
    • G01N2001/2873Cutting or cleaving

Landscapes

  • Physics & Mathematics (AREA)
  • Health & Medical Sciences (AREA)
  • Life Sciences & Earth Sciences (AREA)
  • Chemical & Material Sciences (AREA)
  • Analytical Chemistry (AREA)
  • Biochemistry (AREA)
  • General Health & Medical Sciences (AREA)
  • General Physics & Mathematics (AREA)
  • Immunology (AREA)
  • Pathology (AREA)
  • Treatment Of Sludge (AREA)
  • Processing Of Solid Wastes (AREA)

Abstract

本发明涉及土壤检测技术领域,公开了一种土壤检测用快速预处理系统,包括工作箱,其特征在于:所述工作箱的左端开设有进料口,通过设置的过滤板可对土壤进行筛分,因筛分板的形状为倾斜状,最终筛分出的大颗粒将积攒在一边,方便后续处理,第一带动履带带动输气动力轴与行星减速箱进行转动,行星减速箱可带动拨动板进行转动,通过行星减速箱、拨动板、复位弹簧最终可实现带动推动输气板反复进行移动的效果,方便对第二输气管进行充气,在气动伸缩杆伸展到极限后,将顶动控制开关表面的开关板进行移动,最终实现定时开关电动闭合门的效果,同时实现定时放出工作箱内部积攒的垃圾的效果,从而方便本发明进行持续工作,方便用户进行使用。

Description

一种土壤检测用快速预处理系统
技术领域
本发明涉及土壤检测技术领域,具体为一种土壤检测用快速预处理系统。
背景技术
土壤环境监测是指通过对影响土壤环境质量因素的代表值的测定,确定环境质量(或污染程度)及其变化趋势,我们通常所说的土壤监测是指土壤环境监测,其一般包括布点采样、样品制备、分析方法、结果表征、资料统计和质量评价等技术内容。
在进行土壤检测时,在采集的土壤较多时,需要对土壤进行预处理,以便除去土壤中的垃圾、碎石等物品,以便后续工作人员进行检测,因此,需要一种预处理设备,但目前市面上大多的预处理设备无法在连续工作时,快速去除筛分出的垃圾、碎石等物品。
发明内容
本发明的目的在于提供一种土壤检测用快速预处理系统,以解决上述提出的问题。
为实现上述目的,本发明提供如下技术方案:一种土壤检测用快速预处理系统,包括工作箱,其特征在于:所述工作箱的左端开设有进料口,所述工作箱的反面设置有保护箱,所述保护箱的表面设置有驱动电机,所述工作箱反面的右端设置有排料结构,所述工作箱的内壁开设有活动滑槽,所述活动滑槽的内部通过滑块连接有过滤板,所述过滤板的左右两端分别为实心面及开设筛孔,所述驱动电机的输出端连接有主动力齿轮轴,所述主动力齿轮轴的左端啮合连接有第一从动齿轮轴,所述第一从动齿轮轴的表面连接有震动结构,所述主动力齿轮轴的右端啮合连接有第二从动齿轮轴,所述第二从动齿轮轴的表面连接有降尘结构,所述第二从动齿轮轴的表面设置有第一带动履带,所述第一带动履带分别与降尘结构、排料结构连接。
优选的,所述排料结构包括放置箱、第一输气管、中转箱、行星减速箱、输气动力轴、第二输气管,所述第一带动履带的右端套接在输气动力轴的表面,所述输气动力轴表面连接有行星减速箱,所述行星减速箱的输出轴固定设置有拨动板,所述第二输气管固定设置在放置箱的内部,所述第二输气管的内部设置有推动输气板,所述放置箱的内壁设置有复位弹簧,所述复位弹簧与推动输气板固定连接,所述第二输气管的表面贯通设置有第一输气管,所述第一输气管的顶部连接有中转箱。
优选的,所述第一输气管内部的顶端设置有第一放气筒,所述第一放气筒的表面开设有通孔,所述第一放气筒的顶部固定连接有封堵弹簧,所述封堵弹簧的顶部与中转箱顶部的内壁固定连接,所述中转箱的表面贯通设置有便于打开开关的气动伸缩杆,所述工作箱的右端设置有电动闭合门,所述工作箱的右侧设置有控制开关,所述中转箱的顶部设置有第二放气筒,所述第二放气筒的表面开设有通孔,所述中转箱的内部设置有弹簧,所述弹簧的底部与第二放气筒的底部连接,所述第二放气筒、第一放气筒的内部均为贯通状态,但顶部的板状物为实心板。
优选的,所述震动结构包括第二带动履带、不完全齿轮轴、活动轮齿架、活动杆,所述第二带动履带套接在不完全齿轮轴的表面,所述不完全齿轮轴由一根传动轴和一个不完全齿轮组成,所述活动轮齿架内部的两侧设置有轮齿,所述工作箱的反面通过滑槽与活动轮齿架连接,所述活动轮齿架的底部与活动杆连接,所述活动杆的顶部与过滤板的底部连接。
优选的,所述主动力齿轮轴的表面连接有第三带动履带,所述第三带动履带的内部套接有切割动力轴,所述切割动力轴的头部延伸至工作箱的内部活动连接有转动筒,所述转动筒的内部设置有轴承,所述切割动力轴与转动筒之间通过轴承连接,所述转动筒的底部固定连接有用于切割的切割刀片。
优选的,所述工作箱的内壁开设有限位滑槽,所述限位滑槽的内部通过滑块与转动筒的底部连接。
优选的,所述雾化结构包括雾化驱动轴、抽水泵、降尘输水管、进水管,所述第一带动履带的内部与雾化驱动轴的外表面套接,所述雾化驱动轴尾部的外表面套接有抽水泵,所述进水管贯通设置在抽水泵的底部,所述雾化驱动轴的外表面连接有抽水扇叶,所述抽水扇叶设置在抽水泵的内部。
优选的,所述降尘输水管的底部延伸至工作箱的内部连接有分散降尘管,所述分散降尘管的底部设置有个便于降尘的出水口,所述出水口的表面固定设置有雾化喷头。
优选的,所述气动伸缩杆的内部右端设置有实心板,所述实心板的表面设置有弹簧,所述弹簧的头部与气动伸缩杆的最左端固定连接。
与现有技术相比,本发明的有益效果如下:
1、本发明通过在设置的过滤板可对土壤进行筛分,因筛分板的形状为倾斜状,最终筛分出的大颗粒将积攒在一边,方便后续处理,第一带动履带带动输气动力轴与行星减速箱进行转动,行星减速箱可带动拨动板进行转动,通过行星减速箱、拨动板、复位弹簧最终可实现带动推动输气板反复进行移动的效果,方便对第二输气管进行充气,在气动伸缩杆伸展到极限后,将顶动控制开关表面的开关板进行移动,最终实现定时开关电动闭合门的效果,同时实现定时放出工作箱内部积攒的垃圾的效果,从而方便本发明进行持续工作,方便用户进行使用。
2、通过本发明设置的第二从动齿轮轴转动,可带动表面的第一带动履带进行转动,通过第一带动履带可带动雾化驱动轴进行转动,在雾化驱动轴进行转动时,可带动行星减速箱内部的抽水扇叶进行转动,通过抽水扇叶方便后续进行抽水,在水进入到降尘输水管的内部后,将继续输送,进入到分散降尘管的内部,通过分散降尘管底部的出水口可将水喷洒出,方便进行降尘,通过雾化喷头可将水进行雾化,从而可防止水过多,与土混合后形成稀土,影响机器后续的运动,同时也影响工作人员对土壤进行检测的情况,在进行降尘的同时,也能使土壤保持一定的干燥。
3、通过本发明内部设置的主动力齿轮轴转动,可带动其表面的第三带动履带进行转动,第三带动履带可带动工作箱内部的切割动力轴进行转动,在切割动力轴进行转动时,将带动转动筒与切割刀片进行上下活动,通过切割刀片可对土壤进行切割粉碎,从而可将土壤中较大的颗粒进行粉碎,方便后续进行检测,减少了人工操作的步骤,通过转动筒内部的轴承可使得切割动力轴在转动时,转动筒与切割刀片的角度始终保持不变,可有效的防止切割刀片的角度发生变化。
附图说明
图1为本发明的第一种立体结构示意图;
图2为本发明的第二种立体结构示意图;
图3为本发明的正面展示图;
图4为本发明的反面展示图;
图5为本发明主动力齿轮轴的立体结构示意图;
图6为本发明保护箱的内部立体结构示意图;
图7为本发明转动筒的立体结构示意图;
图8为本发明输气管的立体结构示意图;
图9为本发明中转箱的正面剖视图;
图10为本发明抽水泵的正面剖视图;
图11为本发明气动伸缩杆内部结构图;
图12为本发明限位滑槽的立体展示图。
图中:1、工作箱;2、分散降尘管;3、降尘输水管;4、电动闭合门;5、雾化喷头;6、过滤板;7、活动滑槽;8、切割刀片;9、活动杆;10、活动轮齿架;11、进料口;12、转动筒;13、限位滑槽;14、控制开关;15、切割动力轴;16、驱动电机;17、保护箱;18、雾化驱动轴;19、抽水泵;20、拨动板;21、行星减速箱;22、中转箱;23、气动伸缩杆;24、第一输气管;25、放置箱;26、推动输气板;27、输气动力轴;28、第一带动履带;29、进水管;30、不完全齿轮轴;31、第二带动履带;32、第三带动履带;33、主动力齿轮轴;34、第一从动齿轮轴;35、第二从动齿轮轴;36、复位弹簧;37、抽水扇叶;38、第二输气管;39、封堵弹簧;40、第一放气筒;41、第二放气筒。
具体实施方式
下面将结合本发明的实施例中附图,对本发明实施例中的技术方案进行清楚、完整地描述,显然,所描述的实施例仅仅是本发明一部分实施例,而不是全部的实施例。通常在此处附图中描述和示出的本发明实施例的组件可以以各种不同的配置来布置和设计。因此,以下对在附图中提供的本发明的实施例的详细描述并非旨在限制要求保护的本发明的范围,而是仅仅表示本发明的选定实施例。基于本发明的实施例,本领域技术人员在没有做出创造性劳动的前提下所获得的所有其他实施例,都属于本发明保护的范围。
在本发明的实施例的描述中,需要理解的是,术语“长度”、“宽度”、“厚度”、“上”、“下”、“前”、“后”、“左”、“右”、“竖直”、“水平”、“顶”、“底”、“内”、“外”、“顺时针”、“逆时针”等指示的方位或位置关系为基于附图所示的方位或位置关系,仅是为了便于描述本发明的实施方式和简化描述,而不是指示或暗示所指的装置或元件必须具有特定的方位、以特定的方位构造和操作,因此不能理解为对本发明的实施方式的限制。
请参阅图1至图12,本发明提供一种技术方案:一种土壤检测用快速预处理系统,包括工作箱1,具体的,工作箱1的左端开设有进料口11,工作箱1的反面设置有保护箱17,保护箱17的表面设置有驱动电机16,工作箱1反面的右端设置有排料结构,工作箱1的内壁开设有活动滑槽7,活动滑槽7的内部通过滑块连接有过滤板6,过滤板6的左右两端分别为实心面及开设筛孔,驱动电机16的输出端连接有主动力齿轮轴33,主动力齿轮轴33的左端啮合连接有第一从动齿轮轴34,第一从动齿轮轴34的表面连接有震动结构,主动力齿轮轴33的右端啮合连接有第二从动齿轮轴35,第二从动齿轮轴35的表面连接有降尘结构,第二从动齿轮轴35的表面设置有第一带动履带28,第一带动履带28分别与降尘结构、排料结构连接。
具体的,排料结构包括放置箱25、第一输气管24、中转箱22、行星减速箱21、输气动力轴27、第二输气管38,第一带动履带28的右端套接在输气动力轴27的表面,输气动力轴27表面连接有行星减速箱21,行星减速箱21的输出轴固定设置有拨动板20,第二输气管38固定设置在放置箱25的内部,第二输气管38的内部设置有推动输气板26,放置箱25的内壁设置有复位弹簧36,复位弹簧36与推动输气板26固定连接,第二输气管38的表面贯通设置有第一输气管24,第一输气管24的顶部连接有中转箱22。
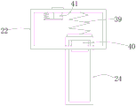
具体的,第一输气管24内部的顶端设置有第一放气筒40,第一放气筒40的表面开设有通孔,第一放气筒40的顶部固定连接有封堵弹簧39,封堵弹簧39的顶部与中转箱22顶部的内壁固定连接,中转箱22的表面贯通设置有便于打开开关的气动伸缩杆23,工作箱1的右端设置有电动闭合门4,工作箱1的右侧设置有控制开关14,中转箱22的顶部设置有第二放气筒41,第二放气筒41的表面开设有通孔,中转箱22的内部设置有弹簧,弹簧的底部与第二放气筒41的底部连接,第二放气筒41、第一放气筒40的内部均为贯通状态,但顶部的板状物为实心板。
具体的,震动结构包括第二带动履带31、不完全齿轮轴30、活动轮齿架10、活动杆9,第二带动履带31套接在不完全齿轮轴30的表面,不完全齿轮轴30由一根传动轴和一个不完全齿轮组成,活动轮齿架10内部的两侧设置有轮齿,工作箱1的反面通过滑槽与活动轮齿架10连接,活动轮齿架10的底部与活动杆9连接,活动杆9的顶部与过滤板6的底部连接。
具体的,主动力齿轮轴33的表面连接有第三带动履带32,第三带动履带32的内部套接有切割动力轴15,切割动力轴15的头部延伸至工作箱1的内部活动连接有转动筒12,转动筒12的内部设置轴承,切割动力轴15与转动筒12之间通过轴承连接,转动筒12的底部固定连接有用于切割的切割刀片8。
具体的,工作箱1的内壁开设有限位滑槽13,限位滑槽13的内部通过滑块与转动筒12的底部连接;根据图2与图7所示,切割动力轴15的顶部为连杆结构,两个连杆之间通过转动轴活动连接,限位滑槽13可对转动筒12与切割刀片8进行限位,切割动力轴15在转动时,只会带动转动筒12与切割刀片8进行上下移动。
具体的,雾化结构包括雾化驱动轴18、抽水泵19、降尘输水管3、进水管29,第一带动履带28的内部与雾化驱动轴18的外表面套接,雾化驱动轴18尾部的外表面套接有抽水泵19,进水管29贯通设置在抽水泵19的底部,雾化驱动轴18的外表面连接有抽水扇叶37,抽水扇叶37设置在抽水泵19的内部。
具体的,降尘输水管3的底部延伸至工作箱1的内部连接有分散降尘管2,分散降尘管2的底部设置有3个便于降尘的出水口,出水口的表面固定设置有雾化喷头5。
具体的,气动伸缩杆23的内部右端设置有实心板,实心板的表面设置有弹簧,弹簧的的头部与气动伸缩杆23的最左端固定连接。
使用流程:在开始对土壤进行预处理时,可将土壤通过工作箱1左端的进料口11装入到工作箱1的内部,使土壤掉落在6的顶部,方便后续对土壤进行预处理,在开始处理时,可通过保护箱17表面的驱动电机16带动主动力齿轮轴33转动,主动力齿轮轴33在转动时可通过其表面的轮齿带动第一从动齿轮轴34进行转动,在第一从动齿轮轴34转动时,第一从动齿轮轴34表面的第二带动履带31将同步转动,第二带动履带31可带动不完全齿轮轴30进行转动,通过保护箱17可对主动力齿轮轴33、第一从动齿轮轴34、第二从动齿轮轴35进行保护,延长零件的使用寿命。
在不完全齿轮轴30转动时,将通过其表面的轮齿带动活动轮齿架10进行上下活动,工作箱1反面的滑槽方便活动轮齿架10进行活动,在不完全齿轮轴30转动时,将首先通过自身的轮齿,与活动轮齿架10内部的轮齿带动活动轮齿架10向下进行移动,通过活动轮齿架10可带动活动杆9向下移动,在不完全齿轮轴30转动半圈后,将与活动轮齿架10一侧的轮齿脱离连接,然后不完全齿轮轴30表面的轮齿将会与活动轮齿架10另一侧的轮齿啮合连接,不完全齿轮轴30进行转动,可带动活动轮齿架10向上移动,最终实现不完全齿轮轴30不停转动,带动活动轮齿架10进行反复上下移动的效果,活动轮齿架10可带动活动杆9进行上下移动,通过活动杆9可带动工作箱1内部的过滤板6进行上下移动,从而可对过滤板6表面的土壤进行筛选,方便用户后续对土壤进行检测,颗粒较小的土壤将通过过滤板6表面的筛孔流出工作箱1的内部,方便后续进行收集,较大的颗粒、石块等物质将停留在过滤板6的表面,等待后续的处理,工作箱1与过滤板6的形状为倾斜状,方便土壤在过滤板6的表面进行移动。
在主动力齿轮轴33转动时,将带动其表面的第三带动履带32进行转动,第三带动履带32可带动工作箱1内部的切割动力轴15进行转动,在切割动力轴15进行转动时,将带动转动筒12与切割刀片8进行上下活动,通过切割刀片8可对土壤进行切割粉碎,从而可将土壤中较大的颗粒进行粉碎,方便后续进行检测,减少了人工操作的步骤,根据图2与图12所示,通过转动筒12内部的轴承可使得切割动力轴15在转动时,转动筒12与切割刀片8只会进行上下移动,其自身的角度始终保持不变,可有效的防止切割刀片8的角度发生变化,无法对土壤进行切割的情况,工作箱1内部开设的限位滑槽13为圆形状,其内部设置有滑块,滑块的表面通过转动轴与切割刀片的顶部进行连接,使滑块与转动轴可对切割刀片8进行限位,让切割刀片8始终保持一个角度进行切割,方便对倾斜状的过滤板6表面上的土壤进行切割,从而方便用户进行使用,有效的增加了工作时的工作效率。
在第二从动齿轮轴35转动时,将带动表面的第一带动履带28进行转动,通过第一带动履带28可带动雾化驱动轴18进行转动,在雾化驱动轴18进行转动时,可带动行星减速箱21内部的抽水扇叶37进行转动,通过抽水扇叶37方便后续进行抽水,从而方便进行降尘,在降尘前,可在进水管29的表面上外接管道,管道插入到水源中,在抽水扇叶37转动时,可通过管道与进水管29将水输送到抽水扇叶37的内部,最终输送到降尘输水管3的内部,方便后续进行降尘,在水进入到降尘输水管3的内部后,将继续输送,进入到分散降尘管2的内部,通过分散降尘管2底部的出水口可将水喷洒出,方便进行降尘,通过雾化喷头5可将水进行雾化,从而可防止水过多,与土混合后形成稀土,影响机器后续的运动,同时也影响工作人员对土壤进行检测的情况,在进行降尘的同时,也能使土壤保持一定的干燥。
在第一带动履带28进行转动时,也将同时带动输气动力轴27进行转动,输气动力轴27在经过行星减速箱21减速后,最终转速会降低,方便后续进行工作,在行星减速箱21的输出轴转动时,将带动拨动板20进行转动,在拨动板20转动半圈后,将与第二输气管38顶部的推动输气板26发生接触,随着行星减速箱21的持续转动,拨动板20将推动推动输气板26向前移动一定范围,通过挤压,可将气体灌输进第二输气管38的内部,从而方便后续气动伸缩23的工作,在行星减速箱21继续转动后,拨动板20将与推动输气板26脱离连接,通过复位弹簧36可带动推动输气板26进行复位,通过行星减速箱21、拨动板20、复位弹簧36最终可实现带动推动输气板26反复进行移动的效果,方便对第二输气管38进行充气。
第二输气管38内部的气体可通过第一输气管24输送到中转箱22的内部,气体将在第一输气管24的内部积攒,随着第一带动履带28与第一输气管24内部的气体持续增加,最终气体会将第一放气筒40顶出第一输气管24的内部,在顶出后,气体可通过第一放气筒40表面的通孔流出,进入到中转箱22的内部,最终气体进入到气动伸缩杆23的内部,随着气压持续增加,气体将带动气动伸缩杆23进行伸展,在气动伸缩杆23伸展到极限后,将顶动控制开关14表面的开关板进行移动,向前顶动可启动控制开关14进行启动,在控制开关14启动后,将带动电动闭合门4进行展开,从而可将工作箱1内部积攒的大颗粒土壤与石块等物质放出,方便本发明持续对土壤进行预加工,防止因大颗粒土壤与石块等物质的积攒造成本发明工作继续正常工作的情况,同时也增加了对土壤预加工的工作效率。
在气动伸缩杆23与中转箱22内部的气体持续增加后,最终气体将顶出中转箱22内部的第二放气筒41,第二放气筒41将向外进行移动,在将第二放气筒41顶出后,气体可通过第二放气筒41表面的通孔流出,从而减少中转箱22内部的气压,在气压减少后,弹簧将带动第二放气筒41收回,防止气体进行流出,同时,气动伸缩杆23内部的弹簧也将带动气动伸缩杆23进行回收,进入工作状态,准备下一次的伸展,最终实现定时开关电动闭合门4的效果,同时实现定时放出工作箱1内部积攒的垃圾的效果,从而方便本发明进行持续工作,方便用户进行使用。
在本发明的描述中,术语“第一”、“第二”、“另一”、“又一”仅用于描述目的,而不能理解为指示或暗示相对重要性或者隐含指明所指示的技术特征的数量。由此,限定有“第一”、“第二”的特征可以明示或者隐含地包括一个或者更多个特征。在本发明的实施方式的描述中,“多个”的含义是两个或两个以上,除非另有明确具体的限定。
在本发明的描述中,需要说明的是,除非另有明确的规定和限定,术语“相连”、“连接”应做广义理解,例如,可以是固定连接,也可以是可拆卸连接,或一体地连接;可以是机械连接,也可以是电连接;可以是直接相连,也可以通过中间媒介间接相连。对于本领域的普通技术人员而言,可以具体情况理解上述术语在本发明中的具体含义。此外,在本发明的描述中,除非另有说明,“多个”的含义是两个或两个以上。
尽管已经示出和描述了本发明的实施例,本领域的普通技术人员可以理解:在不脱离本发明的远离和宗旨的情况下可以对这些实施例进行多种变化、修改、替换和变型,本发明的范围由权利要求及其等同物限定。

Claims (7)

1.一种土壤检测用快速预处理系统,包括工作箱(1),所述工作箱(1)的左端开设有进料口(11),所述工作箱(1)的反面设置有保护箱(17),所述保护箱(17)的表面设置有驱动电机(16),其特征在于:所述工作箱(1)反面的右端设置有排料结构,所述驱动电机(16)的输出端连接有主动力齿轮轴(33),所述主动力齿轮轴(33)的左端啮合连接有第一从动齿轮轴(34),所述第一从动齿轮轴(34)的表面连接有震动结构,所述主动力齿轮轴(33)的右端啮合连接有第二从动齿轮轴(35),所述第二从动齿轮轴(35)的表面连接有降尘结构,所述第二从动齿轮轴(35)的表面设置有第一带动履带(28),所述第一带动履带(28)分别与降尘结构、排料结构连接。
2.根据权利要求1所述的一种土壤检测用快速预处理系统,其特征在于:所述工作箱(1)的内壁开设有活动滑槽(7),所述活动滑槽(7)的内部通过滑块连接有过滤板(6),所述过滤板(6)左右两端分别为实心面及开设筛孔。
3.根据权利要求2所述的一种土壤检测用快速预处理系统,其特征在于:
所述排料结构包括放置箱(25)、第一输气管(24)、中转箱(22)、行星减速箱(21)、输气动力轴(27)、第二输气管(38),所述第一带动履带(28)的右端套接在输气动力轴(27)的表面,所述输气动力轴(27)表面连接有行星减速箱(21),所述行星减速箱(21)的输出轴固定设置有拨动板(20),所述第二输气管(38)固定设置在放置箱(25)的内部,所述第二输气管(38)的内部设置有推动输气板(26),所述放置箱(25)的内壁设置有复位弹簧(36),所述复位弹簧(36)与推动输气板(26)固定连接,所述第二输气管(38)的表面贯通设置有第一输气管(24),所述第一输气管(24)的顶部连接有中转箱(22);
所述第一输气管(24)内部的顶端设置有第一放气筒(40),所述第一放气筒(40)的表面开设有通孔,所述第一放气筒(40)的顶部固定连接有封堵弹簧(39),所述封堵弹簧(39)的顶部与中转箱(22)顶部的内壁固定连接,所述中转箱(22)的表面贯通设置有便于打开开关的气动伸缩杆(23),所述工作箱(1)的右端设置有电动闭合门(4),所述工作箱(1)的右侧设置有控制开关(14),所述中转箱(22)的顶部设置有第二放气筒(41),所述第二放气筒(41)的表面开设有通孔,所述中转箱(22)的内部设置有弹簧,所述弹簧的底部与第二放气筒(41)的底部连接,所述第二放气筒(41)、第一放气筒(40)的内部均为贯通状态,但顶部的板状物为实心板;
所述震动结构包括第二带动履带(31)、不完全齿轮轴(30)、活动轮齿架(10)、活动杆(9),所述第二带动履带(31)套接在不完全齿轮轴(30)的表面,所述不完全齿轮轴(30)由一根传动轴和一个不完全齿轮组成,所述活动轮齿架(10)内部的两侧设置有轮齿,所述工作箱(1)的反面通过滑槽与活动轮齿架(10)连接,所述活动轮齿架(10)的底部与活动杆(9)连接,所述活动杆(9)的顶部与过滤板(6)的底部连接。
4.根据权利要求1所述的一种土壤检测用的快速预处理系统,其特征在于:所述主动力齿轮轴(33)的表面连接有第三带动履带(32),所述第三带动履带(32)的内部套接有切割动力轴(15),所述切割动力轴(15)的头部延伸至工作箱(1)的内部活动连接有转动筒(12)。
5.根据权利要求4所述的一种土壤检测用快速预处理系统,其特征在于:所述转动筒(12)的内部设置有轴承,所述切割动力轴(15)与转动筒(12)之间通过轴承连接,所述转动筒(12)的底部固定连接有用于切割的切割刀片(8)。
6.根据权利要求5所述的一种土壤检测用快速预处理系统,其特征在于:所述工作箱(1)的内壁开设有限位滑槽(13),所述限位滑槽(13)的内部通过滑块与转动筒(12)的底部连接。
7.根据权利要求1所述的一种土壤检测用快速预处理系统,其特征在于:所述雾化结构包括雾化驱动轴(18)、抽水泵(19)、降尘输水管(3)、进水管(29),所述第一带动履带(28)的内部与雾化驱动轴(18)的外表面套接,所述雾化驱动轴(18)尾部的外表面套接有抽水泵(19),所述进水管(29)贯通设置在抽水泵(19)的底部,所述雾化驱动轴(18)的外表面连接有抽水扇叶(37),所述抽水扇叶(37)设置在抽水泵(19)的内部,所述降尘输水管(3)的底部延伸至工作箱(1)的内部连接有分散降尘管(2),所述分散降尘管(2)的底部设置有3个便于降尘的出水口,所述出水口的表面固定设置有雾化喷头(5)。
CN202111355883.4A 2021-11-16 2021-11-16 一种土壤检测用快速预处理系统 Active CN114047044B (zh)

Priority Applications (1)

Application Number Priority Date Filing Date Title
CN202111355883.4A CN114047044B (zh) 2021-11-16 2021-11-16 一种土壤检测用快速预处理系统

Applications Claiming Priority (1)

Application Number Priority Date Filing Date Title
CN202111355883.4A CN114047044B (zh) 2021-11-16 2021-11-16 一种土壤检测用快速预处理系统

Publications (2)

Publication Number Publication Date
CN114047044A true CN114047044A (zh) 2022-02-15
CN114047044B CN114047044B (zh) 2023-06-23

Family

ID=80209424

Family Applications (1)

Application Number Title Priority Date Filing Date
CN202111355883.4A Active CN114047044B (zh) 2021-11-16 2021-11-16 一种土壤检测用快速预处理系统

Country Status (1)

Country Link
CN (1) CN114047044B (zh)

Citations (9)

* Cited by examiner, † Cited by third party
Publication number Priority date Publication date Assignee Title
CN205613532U (zh) * 2015-12-24 2016-10-05 嵊州市意海电机配件厂 一种土壤粉碎机
CN108993706A (zh) * 2018-07-20 2018-12-14 陈春女 一种市政土壤治理用预处理装置
CN209531451U (zh) * 2019-01-31 2019-10-25 浙江信捷检测技术有限公司 一种土壤检测用土壤快速除杂器
CN212134265U (zh) * 2020-03-25 2020-12-11 曹天明 一种用于土壤检测的预处理装置
CN212189974U (zh) * 2020-02-11 2020-12-22 黄文琪 一种用于土壤治理的震动分离器
CN213456334U (zh) * 2020-09-30 2021-06-15 安徽壹博检测科技有限公司 一种用于土壤检测的土壤破碎装置
CN214079013U (zh) * 2020-12-01 2021-08-31 惠州市侨威弹簧机械有限公司 一种弹簧加工用自动切割装置
CN113624944A (zh) * 2021-09-03 2021-11-09 刘凯 一种土壤重金属污染检测方法
CN214682019U (zh) * 2021-04-20 2021-11-12 河南邦友科技有限公司 一种智能型土壤检测用粉碎装置

Patent Citations (9)

* Cited by examiner, † Cited by third party
Publication number Priority date Publication date Assignee Title
CN205613532U (zh) * 2015-12-24 2016-10-05 嵊州市意海电机配件厂 一种土壤粉碎机
CN108993706A (zh) * 2018-07-20 2018-12-14 陈春女 一种市政土壤治理用预处理装置
CN209531451U (zh) * 2019-01-31 2019-10-25 浙江信捷检测技术有限公司 一种土壤检测用土壤快速除杂器
CN212189974U (zh) * 2020-02-11 2020-12-22 黄文琪 一种用于土壤治理的震动分离器
CN212134265U (zh) * 2020-03-25 2020-12-11 曹天明 一种用于土壤检测的预处理装置
CN213456334U (zh) * 2020-09-30 2021-06-15 安徽壹博检测科技有限公司 一种用于土壤检测的土壤破碎装置
CN214079013U (zh) * 2020-12-01 2021-08-31 惠州市侨威弹簧机械有限公司 一种弹簧加工用自动切割装置
CN214682019U (zh) * 2021-04-20 2021-11-12 河南邦友科技有限公司 一种智能型土壤检测用粉碎装置
CN113624944A (zh) * 2021-09-03 2021-11-09 刘凯 一种土壤重金属污染检测方法

Also Published As

Publication number Publication date
CN114047044B (zh) 2023-06-23

Similar Documents

Publication Publication Date Title
CN107716538B (zh) 土壤异位修复系统及其修复方法
CN212278760U (zh) 一种用于农业改良土壤的农业设备
CN109571692A (zh) 一种家具用板材生产流水线
CN111905887A (zh) 一种智能有机垃圾处理装置及方法
CN204746467U (zh) 一种铁矿石的破碎装置
CN114047044A (zh) 一种土壤检测用快速预处理系统
CN115366292B (zh) 一种塑料编织袋的配料装置
CN210022256U (zh) 一种建筑工地用筛沙设备
CN114047045B (zh) 一种土壤检测快速预处理方法
CN220426300U (zh) 一种重金属污染土壤修复装置
CN204735298U (zh) 一种高效铁矿石的破碎装置
CN118650767A (zh) 一种塑料生产用对辊挤压造粒机及其使用方法
CN112893424A (zh) 一种园林用土壤修复装置
CN216964360U (zh) 一种绿色环保建筑用物料混合装置
CN216800163U (zh) 一种旋风磨盘粉碎机
CN214338663U (zh) 一种园林养护用的蓄水灌溉装置
CN117564069A (zh) 一种环境保护用土壤修复装置
CN114532144A (zh) 一种生产菌棒混料除尘系统
CN223430578U (zh) 一种干混砂浆原砂干燥筛分装置
CN221277143U (zh) 一种喷涂用自动上料器
CN222245616U (zh) 胶带废料粉碎装置
CN212734598U (zh) 一种等离子自动化设备
CN220444079U (zh) 一种金刚石微粉磁选装置
CN221216279U (zh) 一种木片分配仓出料螺旋
CN219404510U (zh) 中药材切片机

Legal Events

Date Code Title Description
PB01 Publication
PB01 Publication
SE01 Entry into force of request for substantive examination
SE01 Entry into force of request for substantive examination
CB03 Change of inventor or designer information

Inventor after: Cao Shengxi

Inventor after: Zhang Yukun

Inventor after: Li Yansong

Inventor after: Cao Jiafang

Inventor after: Zhou Chenghong

Inventor before: Cao Jiafang

Inventor before: Zhou Chenghong

CB03 Change of inventor or designer information
TA01 Transfer of patent application right

Effective date of registration: 20230524

Address after: 050000 No. 55 East Yuhua Road, Hebei, Shijiazhuang

Applicant after: NORENDAR INTERNATIONAL Ltd.

Address before: 650206 Yunnan University, Yunda West Road, Guandu District, Kunming, Yunnan Province

Applicant before: Cao Jiafang

TA01 Transfer of patent application right
GR01 Patent grant
GR01 Patent grant