CN114028888A - Construction-based construction point rapid dust falling device - Google Patents
Construction-based construction point rapid dust falling device Download PDFInfo
- Publication number
- CN114028888A CN114028888A CN202111486839.7A CN202111486839A CN114028888A CN 114028888 A CN114028888 A CN 114028888A CN 202111486839 A CN202111486839 A CN 202111486839A CN 114028888 A CN114028888 A CN 114028888A
- Authority
- CN
- China
- Prior art keywords
- water
- fixedly connected
- water tank
- threaded pipe
- building engineering
- Prior art date
- Legal status (The legal status is an assumption and is not a legal conclusion. Google has not performed a legal analysis and makes no representation as to the accuracy of the status listed.)
- Pending
Links
- 238000010276 construction Methods 0.000 title claims abstract description 73
- 239000000428 dust Substances 0.000 title claims abstract description 45
- XLYOFNOQVPJJNP-UHFFFAOYSA-N water Substances O XLYOFNOQVPJJNP-UHFFFAOYSA-N 0.000 claims abstract description 210
- 238000005192 partition Methods 0.000 claims abstract description 13
- 238000005086 pumping Methods 0.000 claims description 26
- 238000001914 filtration Methods 0.000 claims description 9
- 238000000926 separation method Methods 0.000 claims 1
- 239000012535 impurity Substances 0.000 abstract description 4
- 230000000694 effects Effects 0.000 description 11
- 230000001105 regulatory effect Effects 0.000 description 4
- 239000007921 spray Substances 0.000 description 4
- 230000009286 beneficial effect Effects 0.000 description 3
- 230000008878 coupling Effects 0.000 description 3
- 238000010168 coupling process Methods 0.000 description 3
- 238000005859 coupling reaction Methods 0.000 description 3
- 238000010586 diagram Methods 0.000 description 3
- 238000000034 method Methods 0.000 description 3
- 238000009435 building construction Methods 0.000 description 2
- 238000004891 communication Methods 0.000 description 2
- 239000008187 granular material Substances 0.000 description 2
- 238000004519 manufacturing process Methods 0.000 description 2
- 238000010612 desalination reaction Methods 0.000 description 1
- 238000009434 installation Methods 0.000 description 1
- 239000007788 liquid Substances 0.000 description 1
- 239000012528 membrane Substances 0.000 description 1
- 238000012986 modification Methods 0.000 description 1
- 230000004048 modification Effects 0.000 description 1
- 230000003020 moisturizing effect Effects 0.000 description 1
- 239000013618 particulate matter Substances 0.000 description 1
- 239000000779 smoke Substances 0.000 description 1
- 238000012876 topography Methods 0.000 description 1
- 238000004804 winding Methods 0.000 description 1
Images
Classifications
-
- B—PERFORMING OPERATIONS; TRANSPORTING
- B01—PHYSICAL OR CHEMICAL PROCESSES OR APPARATUS IN GENERAL
- B01D—SEPARATION
- B01D47/00—Separating dispersed particles from gases, air or vapours by liquid as separating agent
- B01D47/06—Spray cleaning
-
- B—PERFORMING OPERATIONS; TRANSPORTING
- B01—PHYSICAL OR CHEMICAL PROCESSES OR APPARATUS IN GENERAL
- B01D—SEPARATION
- B01D35/00—Filtering devices having features not specifically covered by groups B01D24/00 - B01D33/00, or for applications not specifically covered by groups B01D24/00 - B01D33/00; Auxiliary devices for filtration; Filter housing constructions
- B01D35/02—Filters adapted for location in special places, e.g. pipe-lines, pumps, stop-cocks
-
- B—PERFORMING OPERATIONS; TRANSPORTING
- B60—VEHICLES IN GENERAL
- B60B—VEHICLE WHEELS; CASTORS; AXLES FOR WHEELS OR CASTORS; INCREASING WHEEL ADHESION
- B60B33/00—Castors in general; Anti-clogging castors
- B60B33/0036—Castors in general; Anti-clogging castors characterised by type of wheels
- B60B33/0042—Double or twin wheels
-
- E—FIXED CONSTRUCTIONS
- E03—WATER SUPPLY; SEWERAGE
- E03B—INSTALLATIONS OR METHODS FOR OBTAINING, COLLECTING, OR DISTRIBUTING WATER
- E03B3/00—Methods or installations for obtaining or collecting drinking water or tap water
- E03B3/04—Methods or installations for obtaining or collecting drinking water or tap water from surface water
Landscapes
- Engineering & Computer Science (AREA)
- Chemical & Material Sciences (AREA)
- Chemical Kinetics & Catalysis (AREA)
- Mechanical Engineering (AREA)
- Environmental & Geological Engineering (AREA)
- Health & Medical Sciences (AREA)
- Life Sciences & Earth Sciences (AREA)
- Hydrology & Water Resources (AREA)
- Public Health (AREA)
- Water Supply & Treatment (AREA)
- Working Measures On Existing Buildindgs (AREA)
Abstract
The invention provides a construction point rapid dust falling device for construction based on constructional engineering. Based on building engineering construction includes with quick dust device of construction site: the fog gun comprises a water tank and a rotatable fog gun machine arranged at the top of the water tank; the water inlet device is fixed in one side of the inner wall of the water tank, the water inlet device comprises a partition plate, a water suction pump is fixedly connected to the top of the inner wall of the partition plate, and a water outlet of the water suction pump is fixedly connected with a conveying pipeline. The construction point fast dust-settling device for the construction based on the building engineering, provided by the invention, can be used for sucking water in a pipeline and water in a river into the water tank for use respectively by arranging the two water inlet devices, the connecting component can be connected with pipelines with different specifications and sizes, impurities in the river water can be filtered by the water taking component, the water source is expanded, water can be conveniently taken at any time, and then the water is sprayed out by the fog gun machine for dust settling.
Description
Technical Field
The invention relates to the technical field of constructional engineering, in particular to a construction point rapid dust falling device for constructional engineering construction.
Background
The building construction refers to production activities in the engineering construction implementation stage, is the construction process of various buildings, and on the construction site of the building construction, a large amount of dust is often generated, so that the construction environment and the air quality are seriously affected, and dust removal needs to be carried out on the construction site.
Fog gun car often is used for carrying out the dust fall for the building site, and the water smoke granule that fog gun car sprays is very tiny, reaches the micron order, can carry out the liquid fog dust fall, decompose granule concentration in the desalination air, can effectively decompose pollution particulate matter, dust etc. in the air at haze weather, the dust that produces when effectual reduction construction.
In prior art, big gun fog car supplies water through carrying the water tank, but the water yield that the water tank can be saved is limited, only can support the dust fall of a biquadratic use, and building site construction cycle is long, consequently need carry out the moisturizing for the water tank of big gun fog car through the pipeline, but the pipeline that carries on big gun fog car can only with the outside pipe connection of single type, inconvenient follow multiple source and carry out the water intaking and carry out the dust fall.
Therefore, it is necessary to provide a construction site fast dust falling device for building engineering construction to solve the above technical problems.
Disclosure of Invention
The invention provides a construction point fast dust falling device for construction based on constructional engineering, which solves the problem that a gun-fog vehicle is inconvenient to take water from various sources for dust falling.
In order to solve the technical problem, the construction point rapid dust falling device for the construction based on the building engineering comprises: the fog gun comprises a water tank and a rotatable fog gun machine arranged at the top of the water tank;
the water inlet device is fixed on one side of the inner wall of the water tank and comprises a partition plate, the top of the inner wall of the partition plate is fixedly connected with a water suction pump, a water outlet of the water suction pump is fixedly connected with a conveying pipeline, and the bottom of the water suction pump is fixedly connected with a water suction hose;
the water inlet devices are symmetrically arranged on two sides of the water tank, and one ends of two water pumping hoses on the water inlet devices are fixedly connected with a connecting assembly and a water taking assembly respectively;
the connecting assembly comprises a first threaded pipe, one end of the first threaded pipe is fixedly connected with a second threaded pipe, one end of the second threaded pipe is fixedly connected with a third threaded pipe, and one end of the third threaded pipe is fixedly connected with a connecting flange;
the water intaking subassembly is including filtering the intranet and filtering the dustcoat.
Preferably, the partition plate is fixed on one side of the inner wall of the water tank, and one end of the conveying pipeline penetrates through the top of the water tank.
Preferably, the first threaded pipe is fixed to one end of the water pumping hose, and the inner surfaces of the first threaded pipe, the second threaded pipe and the third threaded pipe are provided with threads.
Preferably, the filtering inner net is fixed on the inner surface of one end of the water pumping hose, and the filtering outer cover is spherical and fixed on the outer surface of one end of the water pumping hose.
Preferably, the surface of water tank is provided with the device that opens and shuts, the device that opens and shuts is including seting up in the intercommunication groove of water tank surface, the bottom fixedly connected with fixed axle of intercommunication inslot wall, it is connected with the open-close plate to rotate on the fixed axle, the fixed lagging of one side fixedly connected with of open-close plate.
Preferably, one side of water tank is provided with locating component, locating component is including seting up in the constant head tank of water tank one side, the top fixedly connected with regulating spring of constant head tank inner wall, a bottom fixedly connected with locating lever of regulating spring, the bottom of locating lever passes fixed lagging, one side fixedly connected with of locating lever draws the axle.
Preferably, the top fixedly connected with water supply hard tube of water tank inner wall, one side fixedly connected with water supply hose of water supply hard tube, water supply hose's one end is passed the water tank and with fog gun machine fixed connection is used for carrying water to the fog gun machine.
Preferably, one side fixedly connected with guide bar of water supply hard tube, sliding connection has the counter weight slide on the guide bar, the spacing lantern ring of top fixedly connected with of counter weight slide, the one end of water supply hose is passed the spacing lantern ring, the bottom of water tank is provided with the activity shallow.
Preferably, still include a movable wheel, the movable wheel set up in the central position of activity shallow bottom, two electric telescopic handle of each fixedly connected with in water tank both sides, electric telescopic handle's bottom fixedly connected with backup pad.
Preferably, one side of the movable trolley, where the handrail is located, is provided with a control switch, and the four electric telescopic rods are electrically connected with the control switch.
Compared with the prior art, the construction point rapid dust falling device for the construction based on the building engineering has the following beneficial effects:
the invention provides a construction point fast dust-settling device for building engineering construction, which is characterized in that two water inlet devices are arranged to suck water in a pipeline and water in a river into a water tank for use, a connecting assembly can be connected with pipelines of different specifications and sizes, impurities in the water in the river can be filtered through a water taking assembly, the water source is expanded, water can be conveniently taken at any time, and then the water is sprayed out by a fog gun machine for dust settling.
Drawings
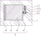
Fig. 1 is a schematic structural diagram of a construction site rapid dust settling device for construction engineering construction according to a first embodiment of the present invention;
FIG. 2 is a schematic view of the interior of the tank of FIG. 1;
FIG. 3 is a schematic view of the coupling assembly portion of FIG. 2;
FIG. 4 is a schematic structural view of the water pumping assembly portion of FIG. 2;
FIG. 5 is a schematic structural view of a portion of the positioning assembly shown in FIG. 1;
fig. 6 is a schematic structural diagram of a construction site rapid dust settling device for construction engineering construction according to a second embodiment of the present invention.
Reference numbers in the figures:
1. a water tank, 2, a fog gun machine;
3. a water inlet device 31, a partition plate 32, a water suction pump 33, a conveying pipeline 34 and a water suction hose;
4. a connecting assembly, 41, a first threaded pipe, 42, a second threaded pipe, 43, a third threaded pipe, 44, a flange;
5. a water taking assembly 51, a filtering inner net 52 and a filtering outer cover;
6. the opening and closing device 61, the communication groove 62, the fixing shaft 63, the opening plate 64 and the fixing sleeve plate;
7. the positioning assembly 71, a positioning groove 72, an adjusting spring 73, a positioning rod 74 and a pull shaft;
8. the water supply device comprises a water supply hard pipe 9, a water supply hose 11, a guide rod 12, a balance weight sliding plate 13, a limiting lantern ring 14, a movable trolley 15, a movable wheel 16, an electric telescopic rod 17, a supporting plate 18 and a control switch.
Detailed Description
The invention is further described with reference to the following figures and embodiments.
First embodiment
Please refer to fig. 1, fig. 2, fig. 3, fig. 4 and fig. 5 in combination, wherein fig. 1 is a schematic structural diagram of a construction site fast dust settling device for construction engineering according to a first embodiment of the present invention; FIG. 2 is a schematic view of the interior of the tank of FIG. 1; FIG. 3 is a schematic view of the coupling assembly portion of FIG. 2; FIG. 4 is a schematic structural view of the water pumping assembly portion of FIG. 2; fig. 5 is a schematic structural view of a portion of the positioning assembly shown in fig. 1. Based on building engineering construction includes with quick dust device of construction point: the device comprises a water tank 1 and a rotatable fog gun machine 2 arranged at the top of the water tank 1;
the water inlet device 3 is fixed on one side of the inner wall of the water tank 1, the water inlet device 3 comprises a partition plate 31, the top of the inner wall of the partition plate 31 is fixedly connected with a water suction pump 32, a water outlet of the water suction pump 32 is fixedly connected with a conveying pipeline 33, and the bottom of the water suction pump 32 is fixedly connected with a water suction hose 34;
the number of the water inlet devices 3 is two, the two water inlet devices 3 are symmetrically arranged on two sides of the water tank 1, and one end of each of two water pumping hoses 34 on each water inlet device 3 is fixedly connected with a connecting component 4 and a water taking component 5 respectively;
the connecting assembly 4 comprises a first threaded pipe 41, one end of the first threaded pipe 41 is fixedly connected with a second threaded pipe 42, one end of the second threaded pipe 42 is fixedly connected with a third threaded pipe 43, and one end of the third threaded pipe 43 is fixedly connected with a connecting flange 44;
the water intake assembly 5 includes a filter interior mesh 51 and a filter exterior cover 52.
There is water in the inside of water tank 1, conveniently supplies to fog gun machine 2 through the inside water of water tank 1, atomizes and the water spray can carry out the dust fall through fog gun machine 2, is provided with the power at the top of water tank 1, supplies power for all consumer in the device.
The partition plate 31 is fixed on one side of the inner wall of the water tank 1, and one end of the delivery pipe 33 penetrates through the top of the water tank 1.
The space inside the water tank 1 can be partitioned by the partition plate 31, and the storage of the pumping hose 34 can be facilitated.
The first threaded pipe 41 is fixed to one end of the pumping hose 34, and the inner surfaces of the first threaded pipe 41, the second threaded pipe 42, and the third threaded pipe 43 are provided with threads.
The first threaded pipe 41, the second threaded pipe 42, and the third threaded pipe 43 are all in a communicating state.
The filter inner net 51 is fixed to the inner surface of one end of the pumping hose 34, and the filter outer cover 52 is formed in a spherical shape and fixed to the outer surface of one end of the pumping hose 34.
The mesh diameter of the filter outer cover 52 is larger than the mesh diameter of the filter inner mesh 51.
The surface of water tank 1 is provided with device 6 that opens and shuts, device 6 that opens and shuts is including seting up in the intercommunication groove 61 of 1 surface of water tank, the bottom fixedly connected with fixed axle 62 of intercommunication groove 61 inner wall, it is connected with open-close plate 63 to rotate on the fixed axle 62, the fixed lagging 64 of one side fixedly connected with of open-close plate 63.
As shown in fig. 1, 2 and 4, the communication groove 61 communicates with a region partitioned by the partition plate 31 inside the water tank 1, so that the suction hose 34 inside the water tank 1 can be taken out by opening the opening plate 63, and the opening plate 63 can rotate about the fixed shaft 62.
One side of water tank 1 is provided with locating component 7, locating component 7 is including seting up in the constant head tank 71 of water tank 1 one side, the top fixedly connected with regulating spring 72 of constant head tank 71 inner wall, a bottom fixedly connected with locating lever 73 of regulating spring 72, the bottom of locating lever 73 passes fixed lagging 64, one side fixedly connected with of locating lever 73 draws axle 74.
The pulling end 74 is extended out of the water tank 1, so that the pulling shaft 74 can be operated outside the water tank 1, and the positioning rod 73 is moved by the pulling shaft 74.
As shown in fig. 1, 2 and 4, when the pulling shaft 74 is pulled upward manually, the pulling shaft 74 drives the positioning rod 73 to rise, the positioning rod 73 drives the positioning rod 73 to move upward, so that the positioning rod 73 moves upward and is separated from the fixed sleeve plate 64, the fixed sleeve plate 64 can be rotated manually to drive the opening plate 63 to rotate toward the outside of the water tank 1, and at this time, the water pumping hose 34 can be taken out from the inside of the water tank 1.
The top fixedly connected with water supply hard tube 8 of 1 inner wall of water tank, one side fixedly connected with water supply hose 9 of water supply hard tube 8, water supply hose 9's one end is passed water tank 1 and with fog gun machine 2 fixed connection is used for carrying water to fog gun machine 2.
The fog gun machine 2 can absorb the water in the water tank 1 through the water supply hose 9 and the water supply hard pipe 8, spray the water out through the fog gun machine 2, atomize the water and spray the atomized water out for dust reduction.
One side fixedly connected with guide bar 11 of water supply hard tube 8, sliding connection has counter weight slide 12 on guide bar 11, the top fixedly connected with stop collar 13 of counter weight slide 12, the one end of water supply hose 9 is passed stop collar 13, the bottom of water tank 1 is provided with movable shallow 14.
There are four wheels bottom of activity shallow 14, it is convenient to drive water tank 1 and fog gun machine 2 through activity shallow 14 and remove jointly, because fog gun machine 2 is when rotatable, when fog gun machine 2 upwards rotates, then can upwards stimulate water supply hose 9, when fog gun machine 2 rotates downwards, counter weight slide 12 pulls down spacing lantern ring 13, spacing lantern ring 13 pushes down water supply hose 9, make water supply hose 9 to the inside shrink of water tank 1, the convenience can not have unnecessary water supply hose 9 to be located the outside production winding of water tank 1 when fog gun machine 2 rotates.
The working principle of the construction point rapid dust falling device for the construction based on the building engineering is as follows:
when the water tank is required to be connected with an external pipeline, the left-side opening-closing plate 63 can be opened firstly, the water pumping hose 34 and the taking-out connecting assembly 4 which are positioned in the water tank 1 are taken out, the water pumping hose 34 is connected with an external water supply pipeline through the connecting assembly 4, at the moment, the water pumping pump 32 can be started, the water pumping pump 32 pumps water through the water pumping hose 34, and then the water is conveyed to the inside of the water tank 1 through the conveying pipeline 33 to be stored;
the connection assembly 4 can be connected with a pipeline with a flange on the outside through the flange, or can be respectively in threaded connection with threaded pipelines with different sizes driven by the first threaded pipe 41, the second threaded pipe 42 and the third threaded pipe 43, so that the water pumping pipeline 34 and various different pipeline connections can be conveniently used for pumping water.
When directly drawing regional water such as outside river or pond, then can open the open close plate 63 on water tank right side, the flexible water pumping pipe 34 and the water intaking subassembly 5 that will be located water tank 1 inside take out, in throwing water intaking subassembly 5 into the river, start suction pump 32 this moment, make flexible water pumping pipe 34 take out water from the river, and carry the inside of water tank 1 through pipeline 33, in the process of drawing water, filter dustcoat 52 can prevent rubbish such as the membrane in the rivers from adsorbing the water inlet that flexible water pumping pipe 34 and leading to blockking up, and filter water through filtering intranet 51, take out the impurity in aquatic, make things convenient for water to spout and carry out the dust fall.
Compared with the prior art, the construction point rapid dust falling device for the construction based on the building engineering has the following beneficial effects:
can be used for respectively inhaling the inside use of water tank 1 with the water of the water and the river of pipeline through setting up two water installations 3, coupling assembling 4 can with different specification and dimension's pipe connection, then can filter the impurity of river aquatic through water intaking subassembly 5, has expanded the source of water, conveniently carries out the water intaking at any time and carries out the dust fall by fog gun machine 2 blowout again.
Second embodiment
Referring to fig. 6, a construction site fast dust settling device for construction based on constructional engineering provided in a first embodiment of the present application, and another construction site fast dust settling device for construction based on constructional engineering provided in a second embodiment of the present application. The second embodiment is only the preferred mode of the first embodiment, and the implementation of the second embodiment does not affect the implementation of the first embodiment alone.
Specifically, the difference based on quick dust device of construction point for the building engineering construction that the second embodiment of this application provided lies in, still includes a movable wheel 15 based on quick dust device of construction point for the building engineering construction, movable wheel 15 set up in the central position of activity shallow 14 bottoms, two electric telescopic handle 16 of each fixedly connected with in water tank 1 both sides, electric telescopic handle 16's bottom fixedly connected with backup pad 17.
A control switch 18 is arranged on one side of the movable cart 14, where the armrest is located, and the four electric telescopic rods 16 are all electrically connected with the control switch 18.
The four electric telescopic rods 16 can be simultaneously controlled to simultaneously extend and retract through the control switch 18.
Compared with the prior art, the construction point rapid dust falling device for the construction based on the building engineering has the following beneficial effects:
only set up a movable wheel through the bottom at activity shallow 14, conveniently move activity shallow under complicated topography, there is article to pile up the activity shallow that leads to four wheels in the road both sides of avoiding in the building site and can't pass through 14 to when needs use equipment, extend through electric telescopic handle 16 and can move down backup pad 17, contact ground through backup pad 17, for the both sides of activity shallow 1 provide the support, guarantee the stability of activity shallow 1.
The above description is only an embodiment of the present invention, and not intended to limit the scope of the present invention, and all modifications of equivalent structures and equivalent processes, which are made by using the contents of the present specification and the accompanying drawings, or directly or indirectly applied to other related technical fields, are included in the scope of the present invention.
Claims (10)
1. The utility model provides a be based on quick dust device of construction site for building engineering construction which characterized in that includes:
the fog gun comprises a water tank and a rotatable fog gun machine arranged at the top of the water tank;
the water inlet device is fixed on one side of the inner wall of the water tank and comprises a partition plate, the top of the inner wall of the partition plate is fixedly connected with a water suction pump, a water outlet of the water suction pump is fixedly connected with a conveying pipeline, and the bottom of the water suction pump is fixedly connected with a water suction hose;
the water inlet devices are symmetrically arranged on two sides of the water tank, and one ends of two water pumping hoses on the water inlet devices are fixedly connected with a connecting assembly and a water taking assembly respectively;
the connecting assembly comprises a first threaded pipe, one end of the first threaded pipe is fixedly connected with a second threaded pipe, one end of the second threaded pipe is fixedly connected with a third threaded pipe, and one end of the third threaded pipe is fixedly connected with a connecting flange;
the water intaking subassembly is including filtering the intranet and filtering the dustcoat.
2. The construction site rapid dust falling device for building engineering construction according to claim 1, wherein the separation plate is fixed on one side of the inner wall of the water tank, and one end of the conveying pipeline penetrates through the top of the water tank.
3. The construction site rapid dust falling device for building engineering construction according to claim 1, wherein the first threaded pipe is fixed to one end of the water pumping hose, and inner surfaces of the first threaded pipe, the second threaded pipe and the third threaded pipe are provided with threads.
4. The construction site rapid dust falling device for building engineering construction according to claim 1, wherein the filter inner net is fixed to an inner surface of one end of the water pumping hose, and the filter outer cover is spherical and fixed to an outer surface of one end of the water pumping hose.
5. The construction site rapid dust falling device for the building engineering construction according to claim 1, wherein an opening and closing device is arranged on the outer surface of the water tank, the opening and closing device comprises a communicating groove formed in the outer surface of the water tank, a fixed shaft is fixedly connected to the bottom of the inner wall of the communicating groove, an opening plate is rotatably connected to the fixed shaft, and a fixed sleeve plate is fixedly connected to one side of the opening plate.
6. The construction site rapid dust falling device for the building engineering construction according to claim 5, wherein a positioning assembly is arranged on one side of the water tank, the positioning assembly comprises a positioning groove arranged on one side of the water tank, an adjusting spring is fixedly connected to the top of the inner wall of the positioning groove, a positioning rod is fixedly connected to the bottom of the adjusting spring, the bottom of the positioning rod penetrates through the fixed sleeve plate, and a pull shaft is fixedly connected to one side of the positioning rod.
7. The construction site rapid dust falling device for the building engineering construction according to claim 1, wherein a water supply hard pipe is fixedly connected to the top of the inner wall of the water tank, a water supply hose is fixedly connected to one side of the water supply hard pipe, and one end of the water supply hose penetrates through the water tank and is fixedly connected with the fog gun machine to convey water to the fog gun machine.
8. The construction site rapid dust falling device for the building engineering construction according to claim 7, wherein a guide rod is fixedly connected to one side of the water supply hard pipe, a counterweight sliding plate is slidably connected to the guide rod, a limiting sleeve ring is fixedly connected to the top of the counterweight sliding plate, one end of the water supply hose penetrates through the limiting sleeve ring, and a movable cart is arranged at the bottom of the water tank.
9. The construction site rapid dust falling device for the building engineering construction according to claim 8, further comprising a movable wheel, wherein the movable wheel is arranged at the central position of the bottom of the movable cart, two electric telescopic rods are fixedly connected to two sides of the water tank respectively, and a supporting plate is fixedly connected to the bottom of each electric telescopic rod.
10. The construction site rapid dust falling device for the building engineering construction is according to claim 9, wherein a control switch is arranged on one side of the movable cart where the handrail is located, and the four electric telescopic rods are all electrically connected with the control switch.
Priority Applications (1)
| Application Number | Priority Date | Filing Date | Title |
|---|---|---|---|
| CN202111486839.7A CN114028888A (en) | 2021-12-07 | 2021-12-07 | Construction-based construction point rapid dust falling device |
Applications Claiming Priority (1)
| Application Number | Priority Date | Filing Date | Title |
|---|---|---|---|
| CN202111486839.7A CN114028888A (en) | 2021-12-07 | 2021-12-07 | Construction-based construction point rapid dust falling device |
Publications (1)
| Publication Number | Publication Date |
|---|---|
| CN114028888A true CN114028888A (en) | 2022-02-11 |
Family
ID=80146407
Family Applications (1)
| Application Number | Title | Priority Date | Filing Date |
|---|---|---|---|
| CN202111486839.7A Pending CN114028888A (en) | 2021-12-07 | 2021-12-07 | Construction-based construction point rapid dust falling device |
Country Status (1)
| Country | Link |
|---|---|
| CN (1) | CN114028888A (en) |
Cited By (1)
| Publication number | Priority date | Publication date | Assignee | Title |
|---|---|---|---|---|
| CN115228218A (en) * | 2022-06-13 | 2022-10-25 | 青岛环城建工集团有限公司 | Multi-angle rotatable multifunctional heatstroke prevention dust removal water sprinkling device for building construction |
Citations (30)
| Publication number | Priority date | Publication date | Assignee | Title |
|---|---|---|---|---|
| JPH11350443A (en) * | 1998-06-12 | 1999-12-21 | Kyokuto Kaihatsu Kogyo Co Ltd | Motor sprinkler |
| CN2934873Y (en) * | 2006-08-01 | 2007-08-15 | 河南奔马股份有限公司 | Water catchment pipe system of tri-wheeled water vehicle |
| CN200945839Y (en) * | 2006-08-02 | 2007-09-12 | 河南奔马股份有限公司 | Multifunctional tricycle water car |
| CN201192545Y (en) * | 2008-01-16 | 2009-02-11 | 河南奔马股份有限公司 | Novel tin type multifunctional tri-wheel water waggon |
| US20110266009A1 (en) * | 2010-05-03 | 2011-11-03 | Tian-Chuan Liu | Mobile fire fighting cart |
| CN202381899U (en) * | 2011-11-24 | 2012-08-15 | 芜湖中集瑞江汽车有限公司 | Pyramid type dual-purpose water pipe connector for mixer truck |
| KR101441113B1 (en) * | 2013-07-10 | 2014-09-18 | 김성우 | Portable spray apparatus |
| CN204225194U (en) * | 2014-09-11 | 2015-03-25 | 蒋志强 | Environmental sanitation watering, agricultural, fire-fighting multiservice car |
| CN206257388U (en) * | 2016-12-02 | 2017-06-16 | 滁州嘉美印铁制罐有限公司 | A kind of multiple tube for being connected between canister |
| CN206867559U (en) * | 2017-07-03 | 2018-01-12 | 山东泉恒消防工程有限公司 | A kind of fire storage case |
| CN108791382A (en) * | 2018-07-11 | 2018-11-13 | 成都智宸科技有限公司 | A kind of small handcart for building convenient for discharging |
| CN108824327A (en) * | 2018-07-21 | 2018-11-16 | 钟红灵 | A kind of small-sized watering bassinet structure of environmental protection |
| CN109024440A (en) * | 2018-08-03 | 2018-12-18 | 安徽省皖工电动车科技有限公司 | A kind of electric sanitation that can be fetched water on the spot sweeps waterwheel |
| CN109364560A (en) * | 2018-12-18 | 2019-02-22 | 陆鑫 | A kind of automatically cleaning riverway water quality purification filtration system and its purification of water quality filter method |
| CN209696547U (en) * | 2018-12-25 | 2019-11-29 | 天津创世生态景观建设股份有限公司 | A kind of spray for dust suppression cleaning equipment for afforestation |
| CN110639153A (en) * | 2019-11-04 | 2020-01-03 | 葫芦岛国华能源装备集团有限公司 | Fire sprinkler system of PP and PE three-dimensional warehouse |
| CN210372220U (en) * | 2019-07-19 | 2020-04-21 | 徐州精工密封科技有限公司 | Static sealing structure between valve and pipeline |
| CN210766592U (en) * | 2019-09-16 | 2020-06-16 | 连云港新云台码头有限公司 | Mobile bulk cargo spraying device |
| CN210874286U (en) * | 2019-10-25 | 2020-06-30 | 兴化市永兴消防器材有限公司 | Water filter applied to fire fighting water taking |
| CN211256835U (en) * | 2019-12-04 | 2020-08-14 | 河北华海时越环保设备制造有限公司 | Fog gun waterway structure |
| CN111871678A (en) * | 2020-08-01 | 2020-11-03 | 安徽家园铝业有限公司 | Aluminum alloy section bar powder spraying equipment for building materials production |
| CN211885994U (en) * | 2020-03-03 | 2020-11-10 | 黑龙江科技大学 | A kind of dust removal equipment for mining |
| CN112041050A (en) * | 2018-06-01 | 2020-12-04 | 三菱动力株式会社 | Exhaust gas cleaning system and method for operating exhaust gas cleaning system |
| CN212141914U (en) * | 2020-03-18 | 2020-12-15 | 陕西秦汉恒盛新型建材科技股份有限公司 | a fog cannon |
| CN212914948U (en) * | 2020-05-08 | 2021-04-09 | 伟大集团建设股份有限公司 | High-efficient dust removal fog gun machine |
| CN213293237U (en) * | 2020-05-25 | 2021-05-28 | 天津天弘精工传动机械科技股份有限公司 | Storehouse is stored to convenient sharp optical axis that removes |
| CN213682304U (en) * | 2020-09-07 | 2021-07-13 | 武汉楷迩环保设备有限公司 | Water intaking device and cleaning vehicle |
| JP2021121716A (en) * | 2020-01-31 | 2021-08-26 | 極東開発工業株式会社 | Road sprinkler |
| CN214682366U (en) * | 2020-12-29 | 2021-11-12 | 江苏绿之源园林建设有限公司 | Spraying machine with adjustable length of spraying guide pipe |
| CN216986901U (en) * | 2022-03-01 | 2022-07-19 | 中国建筑第二工程局有限公司 | A dedusting and spraying device for construction safety engineering |
-
2021
- 2021-12-07 CN CN202111486839.7A patent/CN114028888A/en active Pending
Patent Citations (30)
| Publication number | Priority date | Publication date | Assignee | Title |
|---|---|---|---|---|
| JPH11350443A (en) * | 1998-06-12 | 1999-12-21 | Kyokuto Kaihatsu Kogyo Co Ltd | Motor sprinkler |
| CN2934873Y (en) * | 2006-08-01 | 2007-08-15 | 河南奔马股份有限公司 | Water catchment pipe system of tri-wheeled water vehicle |
| CN200945839Y (en) * | 2006-08-02 | 2007-09-12 | 河南奔马股份有限公司 | Multifunctional tricycle water car |
| CN201192545Y (en) * | 2008-01-16 | 2009-02-11 | 河南奔马股份有限公司 | Novel tin type multifunctional tri-wheel water waggon |
| US20110266009A1 (en) * | 2010-05-03 | 2011-11-03 | Tian-Chuan Liu | Mobile fire fighting cart |
| CN202381899U (en) * | 2011-11-24 | 2012-08-15 | 芜湖中集瑞江汽车有限公司 | Pyramid type dual-purpose water pipe connector for mixer truck |
| KR101441113B1 (en) * | 2013-07-10 | 2014-09-18 | 김성우 | Portable spray apparatus |
| CN204225194U (en) * | 2014-09-11 | 2015-03-25 | 蒋志强 | Environmental sanitation watering, agricultural, fire-fighting multiservice car |
| CN206257388U (en) * | 2016-12-02 | 2017-06-16 | 滁州嘉美印铁制罐有限公司 | A kind of multiple tube for being connected between canister |
| CN206867559U (en) * | 2017-07-03 | 2018-01-12 | 山东泉恒消防工程有限公司 | A kind of fire storage case |
| CN112041050A (en) * | 2018-06-01 | 2020-12-04 | 三菱动力株式会社 | Exhaust gas cleaning system and method for operating exhaust gas cleaning system |
| CN108791382A (en) * | 2018-07-11 | 2018-11-13 | 成都智宸科技有限公司 | A kind of small handcart for building convenient for discharging |
| CN108824327A (en) * | 2018-07-21 | 2018-11-16 | 钟红灵 | A kind of small-sized watering bassinet structure of environmental protection |
| CN109024440A (en) * | 2018-08-03 | 2018-12-18 | 安徽省皖工电动车科技有限公司 | A kind of electric sanitation that can be fetched water on the spot sweeps waterwheel |
| CN109364560A (en) * | 2018-12-18 | 2019-02-22 | 陆鑫 | A kind of automatically cleaning riverway water quality purification filtration system and its purification of water quality filter method |
| CN209696547U (en) * | 2018-12-25 | 2019-11-29 | 天津创世生态景观建设股份有限公司 | A kind of spray for dust suppression cleaning equipment for afforestation |
| CN210372220U (en) * | 2019-07-19 | 2020-04-21 | 徐州精工密封科技有限公司 | Static sealing structure between valve and pipeline |
| CN210766592U (en) * | 2019-09-16 | 2020-06-16 | 连云港新云台码头有限公司 | Mobile bulk cargo spraying device |
| CN210874286U (en) * | 2019-10-25 | 2020-06-30 | 兴化市永兴消防器材有限公司 | Water filter applied to fire fighting water taking |
| CN110639153A (en) * | 2019-11-04 | 2020-01-03 | 葫芦岛国华能源装备集团有限公司 | Fire sprinkler system of PP and PE three-dimensional warehouse |
| CN211256835U (en) * | 2019-12-04 | 2020-08-14 | 河北华海时越环保设备制造有限公司 | Fog gun waterway structure |
| JP2021121716A (en) * | 2020-01-31 | 2021-08-26 | 極東開発工業株式会社 | Road sprinkler |
| CN211885994U (en) * | 2020-03-03 | 2020-11-10 | 黑龙江科技大学 | A kind of dust removal equipment for mining |
| CN212141914U (en) * | 2020-03-18 | 2020-12-15 | 陕西秦汉恒盛新型建材科技股份有限公司 | a fog cannon |
| CN212914948U (en) * | 2020-05-08 | 2021-04-09 | 伟大集团建设股份有限公司 | High-efficient dust removal fog gun machine |
| CN213293237U (en) * | 2020-05-25 | 2021-05-28 | 天津天弘精工传动机械科技股份有限公司 | Storehouse is stored to convenient sharp optical axis that removes |
| CN111871678A (en) * | 2020-08-01 | 2020-11-03 | 安徽家园铝业有限公司 | Aluminum alloy section bar powder spraying equipment for building materials production |
| CN213682304U (en) * | 2020-09-07 | 2021-07-13 | 武汉楷迩环保设备有限公司 | Water intaking device and cleaning vehicle |
| CN214682366U (en) * | 2020-12-29 | 2021-11-12 | 江苏绿之源园林建设有限公司 | Spraying machine with adjustable length of spraying guide pipe |
| CN216986901U (en) * | 2022-03-01 | 2022-07-19 | 中国建筑第二工程局有限公司 | A dedusting and spraying device for construction safety engineering |
Cited By (1)
| Publication number | Priority date | Publication date | Assignee | Title |
|---|---|---|---|---|
| CN115228218A (en) * | 2022-06-13 | 2022-10-25 | 青岛环城建工集团有限公司 | Multi-angle rotatable multifunctional heatstroke prevention dust removal water sprinkling device for building construction |
Similar Documents
| Publication | Publication Date | Title |
|---|---|---|
| CN103657941B (en) | A kind of automatic fuel spray device and automatic oil spout method thereof | |
| CN221510757U (en) | Municipal garden is with dust fall atomizer who has deinsectization function | |
| CN204522605U (en) | A kind of wind send depositing dust spraying machine | |
| CN114028888A (en) | Construction-based construction point rapid dust falling device | |
| CN202310978U (en) | Greenhouse atomizing machine | |
| CN206793287U (en) | Cleaner | |
| CN214552097U (en) | A kind of building environmental protection dust removal device | |
| CN209049584U (en) | A kind of environmental project atomising device | |
| CN215405832U (en) | Dust fall spraying mechanism for municipal works | |
| CN110528447B (en) | Haze eliminating device for environmental engineering | |
| CN211368556U (en) | Dustproof dust fall water smoke sprinkler for construction | |
| CN108295593A (en) | Industrial waste gas pressurization closed water-soluble air flotation treatment device | |
| CN109989559B (en) | Automatic change adjustable interior decoration spraying device | |
| CN219848781U (en) | Spray dust device convenient to angle regulation | |
| CN104190026B (en) | One can remote water supply fire fighting truck | |
| CN214155729U (en) | Watering device is used in municipal garden | |
| CN219961761U (en) | Pesticide spraying device for pesticide test | |
| CN212349173U (en) | Portable photocatalyst spraying equipment | |
| CN210114931U (en) | Automatic dust removal device | |
| CN219580164U (en) | Paint mist purifying equipment for paint spray booth | |
| CN220834764U (en) | A dust suppression device | |
| CN219821013U (en) | Preliminary spray painting marking device for decoration design | |
| CN221011270U (en) | Sprinkler equipment for municipal garden afforestation | |
| CN223016543U (en) | Movable cavitation jet algae removal device | |
| CN218590073U (en) | Dust settling device for workshop |
Legal Events
| Date | Code | Title | Description |
|---|---|---|---|
| PB01 | Publication | ||
| PB01 | Publication | ||
| SE01 | Entry into force of request for substantive examination | ||
| SE01 | Entry into force of request for substantive examination | ||
| RJ01 | Rejection of invention patent application after publication |
Application publication date: 20220211 |
|
| RJ01 | Rejection of invention patent application after publication |