CN113926765A - 一种线路板清洗装置及其使用方法 - Google Patents
一种线路板清洗装置及其使用方法 Download PDFInfo
- Publication number
- CN113926765A CN113926765A CN202111037306.0A CN202111037306A CN113926765A CN 113926765 A CN113926765 A CN 113926765A CN 202111037306 A CN202111037306 A CN 202111037306A CN 113926765 A CN113926765 A CN 113926765A
- Authority
- CN
- China
- Prior art keywords
- circuit board
- motor
- cleaning box
- worm
- cleaning device
- Prior art date
- Legal status (The legal status is an assumption and is not a legal conclusion. Google has not performed a legal analysis and makes no representation as to the accuracy of the status listed.)
- Granted
Links
- 238000004140 cleaning Methods 0.000 title claims abstract description 77
- 238000000034 method Methods 0.000 title claims abstract description 22
- 230000008569 process Effects 0.000 claims abstract description 8
- XLYOFNOQVPJJNP-UHFFFAOYSA-N water Substances O XLYOFNOQVPJJNP-UHFFFAOYSA-N 0.000 claims description 52
- 239000007921 spray Substances 0.000 claims description 44
- 230000007246 mechanism Effects 0.000 claims description 32
- 230000005540 biological transmission Effects 0.000 claims description 21
- 238000003825 pressing Methods 0.000 claims description 20
- 230000000670 limiting effect Effects 0.000 claims description 12
- 238000003780 insertion Methods 0.000 claims description 7
- 230000037431 insertion Effects 0.000 claims description 7
- 238000005406 washing Methods 0.000 claims description 7
- 239000012535 impurity Substances 0.000 claims description 5
- 210000001503 joint Anatomy 0.000 claims description 4
- 230000007306 turnover Effects 0.000 claims description 3
- 239000010865 sewage Substances 0.000 abstract description 4
- 230000000694 effects Effects 0.000 abstract description 3
- 238000012545 processing Methods 0.000 abstract description 3
- 238000010586 diagram Methods 0.000 description 3
- 238000004519 manufacturing process Methods 0.000 description 3
- 238000013461 design Methods 0.000 description 2
- 238000003466 welding Methods 0.000 description 2
- 230000009471 action Effects 0.000 description 1
- 230000009286 beneficial effect Effects 0.000 description 1
- 238000004891 communication Methods 0.000 description 1
- 239000008187 granular material Substances 0.000 description 1
- 238000012986 modification Methods 0.000 description 1
- 230000004048 modification Effects 0.000 description 1
- 239000002245 particle Substances 0.000 description 1
- 229910000679 solder Inorganic materials 0.000 description 1
- 238000005507 spraying Methods 0.000 description 1
Images
Classifications
-
- B—PERFORMING OPERATIONS; TRANSPORTING
- B08—CLEANING
- B08B—CLEANING IN GENERAL; PREVENTION OF FOULING IN GENERAL
- B08B3/00—Cleaning by methods involving the use or presence of liquid or steam
- B08B3/02—Cleaning by the force of jets or sprays
-
- B—PERFORMING OPERATIONS; TRANSPORTING
- B08—CLEANING
- B08B—CLEANING IN GENERAL; PREVENTION OF FOULING IN GENERAL
- B08B13/00—Accessories or details of general applicability for machines or apparatus for cleaning
-
- Y—GENERAL TAGGING OF NEW TECHNOLOGICAL DEVELOPMENTS; GENERAL TAGGING OF CROSS-SECTIONAL TECHNOLOGIES SPANNING OVER SEVERAL SECTIONS OF THE IPC; TECHNICAL SUBJECTS COVERED BY FORMER USPC CROSS-REFERENCE ART COLLECTIONS [XRACs] AND DIGESTS
- Y02—TECHNOLOGIES OR APPLICATIONS FOR MITIGATION OR ADAPTATION AGAINST CLIMATE CHANGE
- Y02W—CLIMATE CHANGE MITIGATION TECHNOLOGIES RELATED TO WASTEWATER TREATMENT OR WASTE MANAGEMENT
- Y02W30/00—Technologies for solid waste management
- Y02W30/50—Reuse, recycling or recovery technologies
- Y02W30/82—Recycling of waste of electrical or electronic equipment [WEEE]
Landscapes
- Cleaning By Liquid Or Steam (AREA)
Abstract
本发明属于线路板加工领域,尤其是涉及一种线路板清洗装置及其使用方法,包括固定设置于支撑座上的清洗箱,所述清洗箱的两侧内壁均滑动连接有滑座,且两个滑座之间转动连接有支撑轴,所述清洗箱中设置有与支撑轴相配合的转动调节机构,所述支撑轴上固定连接有固定座,所述清洗箱上设置有与其中一个滑座相配合的升降控制机构,所述固定座上开设有多个放置槽,且放置槽的两侧均设置有压合机构,所述清洗箱的下端内顶面转动连接有多个喷管,且喷管的上端固定连通有高压喷头。本发明可以提高线路板的清洗效果,避免人工清洗的劳力损耗,且可以避免污水二次污染线路板,同时,本发明可以保证线路板清洗过程中的稳固性。
Description
技术领域
本发明属于线路板加工领域,尤其是涉及一种线路板清洗装置及其使用方法。
背景技术
线路板是是电子工业的重要部件之一,几乎每种电子设备,小到电子手表、计算器,大到计算机,通讯电子设备,军用武器系统,只要有集成电路等电子元器件,为了它们之间的电气互连,都要使用印制板,在较大型的电子产品研究过程中,最基本的成功因素是该产品的印制板的设计、文件编制和制造,印制板的设计和制造质量直接影响到整个产品的质量和成本,甚至导致商业竞争的成败。
线路板在加工生产过程中,常需要进行焊接作业,焊接完成后,需要对线路板表面进行清洗,以清除线路板表面的阻焊剂和杂质颗粒,在清洗过程中,大多是将线路板水平放置,通过人工使用喷头进行冲洗,这种方式较为耗费人力,且线路板平放的过程中,混杂有杂质的污水容易二次污染线路板。
为此,我们提出一种线路板清洗装置及其使用方法来解决上述问题。
发明内容
本发明的目的是针对上述问题,提供一种线路板清洗装置及其使用方法。
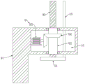
为达到上述目的,本发明采用了下列技术方案:一种线路板清洗装置,包括固定设置于支撑座上的清洗箱,所述清洗箱的两侧内壁均滑动连接有滑座,且两个滑座之间转动连接有支撑轴,所述清洗箱中设置有与支撑轴相配合的转动调节机构,所述支撑轴上固定连接有固定座,所述清洗箱上设置有与其中一个滑座相配合的升降控制机构,所述固定座上开设有多个放置槽,且放置槽的两侧均设置有压合机构,所述清洗箱的下端内顶面转动连接有多个喷管,且喷管的上端固定连通有高压喷头,所述清洗箱的下端固定连接有导水箱,且喷管的下端贯穿清洗箱并与导水箱转动连通,所述清洗箱上设置有与各个喷管相配合的驱动机构,所述清洗箱上设置有盖板。
在上述的一种线路板清洗装置中,所述转动调节机构包括主动齿轮、从动齿轮和步进电机,所述主动齿轮转动设置于清洗箱中,且主动齿轮的传动轴与步进电机传动连接,所述从动齿轮固定套接于支撑轴上,且从动齿轮位于主动齿轮的正上方。
在上述的一种线路板清洗装置中,所述升降控制机构包括丝杠和减速电机,所述丝杠转动设置于清洗箱中,且丝杠与其中一个滑座螺纹连接,所述丝杠的下端贯穿清洗箱并与减速电机传动连接。
在上述的一种线路板清洗装置中,所述压合机构包括支撑块、螺纹套、螺杆、锥齿轮组和微型电机,所述支撑块固定设置于固定座上,且支撑块上开设有空腔,所述螺纹套转动设置于空腔中,且螺杆与螺纹套螺纹连接,所述螺杆的下端固定连接有压块,所述微型电机设置于空腔中,且微型电机与螺纹套之间通过锥齿轮组传动连接。
在上述的一种线路板清洗装置中,所述驱动机构包括蜗杆、蜗轮和驱动电机,所述蜗杆转动设置于清洗箱的下侧,且蜗杆的一端与驱动电机传动连接,所述蜗轮固定套接于喷管上,且蜗轮与蜗杆相啮合,所述蜗轮的数量与喷管的数量相等。
在上述的一种线路板清洗装置中,所述支撑座上设置有输水泵,且输水泵的输出端与导水箱连通。
在上述的一种线路板清洗装置中,所述盖板的下端固定连接有多个插块,且清洗箱上开设有与插块相配合的插槽。
在上述的一种线路板清洗装置中,所述压块上粘接有摩擦垫,所述压块上固定连接有限位杆,且限位杆与支撑块滑动连接。
在上述的一种线路板清洗装置中,各个所述喷管上均设置有单向阀。
一种线路板清洗装置的使用方法,该方法包括以下步骤:
S1、首先将线路板放置于各个放置槽中,接着,通过控制开关控制各个微型电机启动,微型电机会通过锥齿轮组带动螺纹套转动,在限位杆的限位作用下,螺杆会带动压块下压线路板;
S2、当线路板的两边均压合稳固后,关闭各个微型电机,随后,将盖板盖接于清洗箱上,使得清洗箱闭合,随后,启动减速电机,减速电机会带动丝杠转动,丝杠转动的过程中会带动固定座和从动齿轮下滑,当从动齿轮与主动齿轮对接啮合时,关闭减速电机;
S3、然后,启动步进电机,步进电机会带动主动齿轮转动,在从动齿轮的传动下,主动齿轮会通过支撑轴带动固定座转动,当固定座带动各个线路板翻转后,关闭步进电机,接着,启动输水泵和驱动电机,输水泵会将清水不断输送至导水箱中,导水箱会将清水不断导送至各个高压喷头中,通过高压喷头,清水会喷射作用于线路板表面,对线路板进行冲洗作业;
S4、驱动电机会带动蜗杆转动,在各个蜗轮的传动下,蜗杆会带动各个喷管转动,喷管会带动高压喷头转动,进而使得高压喷头可以旋转喷洒清水,清水会将线路板表面的杂质带落至清洗箱的下侧,并从清洗箱上的排水管排走。
本发明的有益效果在于:通过设置的升降控制机构可以调控固定座进行升降,方便使用者取放线路板,且可以使得主动轮和从动轮进行对接,使得转动调节机构可以控制固定座翻转,使得线路板可以保持翻转状态,使得杂质颗粒可以在清水的自重作用下被带走,避免污水二次污染线路板,通过设置的压合机构,可以保证线路板清洗过程中的稳固性,且在输水泵和驱动机构的调控下,可以使得各个高压喷头旋转喷洒清水对线路板进行冲洗,既提高了清洗效果,又避免了人工清洗的劳力损耗。
综上所述:本装置可以提高线路板的清洗效果,避免人工清洗的劳力损耗,且可以避免污水二次污染线路板,同时,本装置可以保证线路板清洗过程中的稳固性。
附图说明
图1是本发明提供的一种线路板清洗装置及其使用方法的整体结构示意图;
图2是本发明提供的一种线路板清洗装置及其使用方法的正视透视结构示意图;
图3是本发明提供的一种线路板清洗装置及其使用方法的支撑块的正视透视结构示意图;
图4为图2中A处的放大结构示意图;
图5为图2中B处的放大结构示意图。
图中:1支撑座、2清洗箱、3滑座、4支撑轴、5转动调节机构、51主动齿轮、52从动齿轮、53步进电机、6固定座、7升降控制机构、71丝杠、72减速电机、8放置槽、9压合机构、91支撑块、92螺纹套、93螺杆、94锥齿轮组、95微型电机、10喷管、11高压喷头、12导水箱、13驱动机构、131蜗杆、132蜗轮、133驱动电机、14盖板、15空腔、16输水泵、17插块、18插槽、19限位杆、20单向阀、21压块。
具体实施方式
以下实施例仅处于说明性目的,而不是想要限制本发明的范围。
如图1-5所示,一种线路板清洗装置及其使用方法,包括固定设置于支撑座1上的清洗箱2,清洗箱2的两侧内壁均滑动连接有滑座3,且两个滑座3之间转动连接有支撑轴4,清洗箱2中设置有与支撑轴4相配合的转动调节机构5,转动调节机构5包括主动齿轮51、从动齿轮52和步进电机53,主动齿轮51转动设置于清洗箱2中,且主动齿轮51的传动轴与步进电机53传动连接,从动齿轮52固定套接于支撑轴4上,且从动齿轮52位于主动齿轮51的正上方,通过设置的主动齿轮51和从动齿轮52的配合,便于步进电机53调控固定座6转动。
支撑轴4上固定连接有固定座6,清洗箱2上设置有与其中一个滑座3相配合的升降控制机构7,升降控制机构7包括丝杠71和减速电机72,丝杠71转动设置于清洗箱2中,且丝杠71与其中一个滑座3螺纹连接,丝杠71的下端贯穿清洗箱2并与减速电机72传动连接,通过设置的减速电机72可以调控丝杠71转动,使得滑座3可以带动固定座6升降,以便于使用者取放线路板,固定座6上开设有多个放置槽8,且放置槽8的两侧均设置有压合机构9。
压合机构9包括支撑块91、螺纹套92、螺杆93、锥齿轮组94和微型电机95,支撑块91固定设置于固定座6上,且支撑块91上开设有空腔15,螺纹套92转动设置于空腔15中,且螺杆93与螺纹套92螺纹连接,螺杆93的下端固定连接有压块21,微型电机95设置于空腔15中,且微型电机95与螺纹套92之间通过锥齿轮组94传动连接,通过设置的锥齿轮组94,便于微型电机95驱动螺纹套92转动,使得螺纹套92可以通过螺杆93快速控制压块21压合或与线路板分离,避免了人工固定的繁琐。
压块21上粘接有摩擦垫,压块21上固定连接有限位杆19,且限位杆19与支撑块91滑动连接,摩擦垫的设置,可以增大压块21与线路板间的摩擦力,同时避免压块21与线路板硬性碰触,限位杆19的设置,可以对螺杆93进行限位,避免螺杆93跟随螺纹套92转动,清洗箱2的下端内顶面转动连接有多个喷管10,且喷管10的上端固定连通有高压喷头11,各个喷管10上均设置有单向阀20,单向阀20的设置,可以避免清水回流。
清洗箱2的下端固定连接有导水箱12,且喷管10的下端贯穿清洗箱2并与导水箱12转动连通,支撑座1上设置有输水泵16,且输水泵16的输出端与导水箱12连通,输水泵16的设置,便于向导水箱12中输送清水,避免了人工添加清水的繁琐,清洗箱2上设置有与各个喷管10相配合的驱动机构13,驱动机构13包括蜗杆131、蜗轮132和驱动电机133,蜗杆131转动设置于清洗箱2的下侧,且蜗杆131的一端与驱动电机133传动连接,蜗轮132固定套接于喷管10上,且蜗轮132与蜗杆131相啮合,蜗轮132的数量与喷管10的数量相等,通过设置的蜗杆131和各个蜗轮132的配合,便于驱动电机133驱动各个喷管10同步转动,进而提高高压喷头11的喷洒效果,清洗箱2上设置有盖板14,盖板14的下端固定连接有多个插块17,且清洗箱2上开设有与插块17相配合的插槽18,插块17和插槽18的配合,可以提高盖板14闭合的稳固性。
现对本发明的操作原理做如下描述:
当需要对线路板进行清洗时,首先将线路板放置于各个放置槽8中,接着,通过控制开关控制各个微型电机95启动,微型电机95会通过锥齿轮组94带动螺纹套92转动,在限位杆19的限位作用下,螺杆93会带动压块21下压线路板,当线路板的两边均压合稳固后,关闭各个微型电机95,随后,将盖板14盖接于清洗箱2上,使得清洗箱2闭合,随后,启动减速电机72,减速电机72会带动丝杠71转动,丝杠71转动的过程中会带动固定座6和从动齿轮52下滑,当从动齿轮52与主动齿轮51对接啮合时,关闭减速电机72。
然后,启动步进电机53,步进电机53会带动主动齿轮51转动,在从动齿轮52的传动下,主动齿轮51会通过支撑轴4带动固定座6转动,当固定座6带动各个线路板翻转后,关闭步进电机53,接着,启动输水泵16和驱动电机133,输水泵16会将清水不断输送至导水箱12中,导水箱12会将清水不断导送至各个高压喷头11中,通过高压喷头11,清水会喷射作用于线路板表面,对线路板进行冲洗作业,驱动电机133会带动蜗杆131转动,在各个蜗轮132的传动下,蜗杆131会带动各个喷管10转动,喷管10会带动高压喷头11转动,进而使得高压喷头11可以旋转喷洒清水,清水会将线路板表面的杂质带落至清洗箱2的下侧,并从清洗箱2上的排水管排走。
以上所述仅为本发明的较佳实施例,并不用以限制本发明,凡在本发明的精神和原则之内,所作的任何修改、等同替换、改进等,均应包含在本发明的保护范围之内。
Claims (10)
1.一种线路板清洗装置,包括固定设置于支撑座(1)上的清洗箱(2),其特征在于,所述清洗箱(2)的两侧内壁均滑动连接有滑座(3),且两个滑座(3)之间转动连接有支撑轴(4),所述清洗箱(2)中设置有与支撑轴(4)相配合的转动调节机构(5),所述支撑轴(4)上固定连接有固定座(6),所述清洗箱(2)上设置有与其中一个滑座(3)相配合的升降控制机构(7),所述固定座(6)上开设有多个放置槽(8),且放置槽(8)的两侧均设置有压合机构(9),所述清洗箱(2)的下端内顶面转动连接有多个喷管(10),且喷管(10)的上端固定连通有高压喷头(11),所述清洗箱(2)的下端固定连接有导水箱(12),且喷管(10)的下端贯穿清洗箱(2)并与导水箱(12)转动连通,所述清洗箱(2)上设置有与各个喷管(10)相配合的驱动机构(13),所述清洗箱(2)上设置有盖板(14)。
2.根据权利要求1所述的一种线路板清洗装置,其特征在于,所述转动调节机构(5)包括主动齿轮(51)、从动齿轮(52)和步进电机(53),所述主动齿轮(51)转动设置于清洗箱(2)中,且主动齿轮(51)的传动轴与步进电机(53)传动连接,所述从动齿轮(52)固定套接于支撑轴(4)上,且从动齿轮(52)位于主动齿轮(51)的正上方。
3.根据权利要求1所述的一种线路板清洗装置,其特征在于,所述升降控制机构(7)包括丝杠(71)和减速电机(72),所述丝杠(71)转动设置于清洗箱(2)中,且丝杠(71)与其中一个滑座(3)螺纹连接,所述丝杠(71)的下端贯穿清洗箱(2)并与减速电机(72)传动连接。
4.根据权利要求1所述的一种线路板清洗装置,其特征在于,所述压合机构(9)包括支撑块(91)、螺纹套(92)、螺杆(93)、锥齿轮组(94)和微型电机(95),所述支撑块(91)固定设置于固定座(6)上,且支撑块(91)上开设有空腔(15),所述螺纹套(92)转动设置于空腔(15)中,且螺杆(93)与螺纹套(92)螺纹连接,所述螺杆(93)的下端固定连接有压块(21),所述微型电机(95)设置于空腔(15)中,且微型电机(95)与螺纹套(92)之间通过锥齿轮组(94)传动连接。
5.根据权利要求1所述的一种线路板清洗装置,其特征在于,所述驱动机构(13)包括蜗杆(131)、蜗轮(132)和驱动电机(133),所述蜗杆(131)转动设置于清洗箱(2)的下侧,且蜗杆(131)的一端与驱动电机(133)传动连接,所述蜗轮(132)固定套接于喷管(10)上,且蜗轮(132)与蜗杆(131)相啮合,所述蜗轮(132)的数量与喷管(10)的数量相等。
6.根据权利要求1所述的一种线路板清洗装置,其特征在于,所述支撑座(1)上设置有输水泵(16),且输水泵(16)的输出端与导水箱(12)连通。
7.根据权利要求1所述的一种线路板清洗装置,其特征在于,所述盖板(14)的下端固定连接有多个插块(17),且清洗箱(2)上开设有与插块(17)相配合的插槽(18)。
8.根据权利要求4所述的一种线路板清洗装置,其特征在于,所述压块(21)上粘接有摩擦垫,所述压块(21)上固定连接有限位杆(19),且限位杆(19)与支撑块(91)滑动连接。
9.根据权利要求1所述的一种线路板清洗装置,其特征在于,各个所述喷管(10)上均设置有单向阀(20)。
10.根据权利要求1-9任一项所述的一种线路板清洗装置的使用方法,其特征在于,该方法包括以下步骤:
S1、首先将线路板放置于各个放置槽(8)中,接着,通过控制开关控制各个微型电机(95)启动,微型电机(95)会通过锥齿轮组(94)带动螺纹套(92)转动,在限位杆(19)的限位作用下,螺杆(93)会带动压块(21)下压线路板;
S2、当线路板的两边均压合稳固后,关闭各个微型电机(95),随后,将盖板(14)盖接于清洗箱(2)上,使得清洗箱(2)闭合,随后,启动减速电机(72),减速电机(72)会带动丝杠(71)转动,丝杠(71)转动的过程中会带动固定座(6)和从动齿轮(52)下滑,当从动齿轮(52)与主动齿轮(51)对接啮合时,关闭减速电机(72);
S3、然后,启动步进电机(53),步进电机(53)会带动主动齿轮(51)转动,在从动齿轮(52)的传动下,主动齿轮(51)会通过支撑轴(4)带动固定座(6)转动,当固定座(6)带动各个线路板翻转后,关闭步进电机(53),接着,启动输水泵(16)和驱动电机(133),输水泵(16)会将清水不断输送至导水箱(12)中,导水箱(12)会将清水不断导送至各个高压喷头(11)中,通过高压喷头(11),清水会喷射作用于线路板表面,对线路板进行冲洗作业;
S4、驱动电机(133)会带动蜗杆(131)转动,在各个蜗轮(132)的传动下,蜗杆(131)会带动各个喷管(10)转动,喷管(10)会带动高压喷头(11)转动,进而使得高压喷头(11)可以旋转喷洒清水,清水会将线路板表面的杂质带落至清洗箱(2)的下侧,并从清洗箱(2)上的排水管排走。
Priority Applications (1)
| Application Number | Priority Date | Filing Date | Title |
|---|---|---|---|
| CN202111037306.0A CN113926765B (zh) | 2021-09-06 | 2021-09-06 | 一种线路板清洗装置及其使用方法 |
Applications Claiming Priority (1)
| Application Number | Priority Date | Filing Date | Title |
|---|---|---|---|
| CN202111037306.0A CN113926765B (zh) | 2021-09-06 | 2021-09-06 | 一种线路板清洗装置及其使用方法 |
Publications (2)
| Publication Number | Publication Date |
|---|---|
| CN113926765A true CN113926765A (zh) | 2022-01-14 |
| CN113926765B CN113926765B (zh) | 2023-08-25 |
Family
ID=79275130
Family Applications (1)
| Application Number | Title | Priority Date | Filing Date |
|---|---|---|---|
| CN202111037306.0A Active CN113926765B (zh) | 2021-09-06 | 2021-09-06 | 一种线路板清洗装置及其使用方法 |
Country Status (1)
| Country | Link |
|---|---|
| CN (1) | CN113926765B (zh) |
Cited By (2)
| Publication number | Priority date | Publication date | Assignee | Title |
|---|---|---|---|---|
| CN114414309A (zh) * | 2022-03-30 | 2022-04-29 | 潍坊宏图环保设备有限公司 | 一种污水预处理采样装置 |
| CN115003049A (zh) * | 2022-07-01 | 2022-09-02 | 深圳市华旭达精密电路科技有限公司 | 一种制作fpc线路板的生产设备 |
Citations (15)
| Publication number | Priority date | Publication date | Assignee | Title |
|---|---|---|---|---|
| CN206215599U (zh) * | 2016-11-23 | 2017-06-06 | 牛跃颖 | 一种电子科技产品配件用清洗装置 |
| CN209289091U (zh) * | 2018-12-17 | 2019-08-23 | 广州酬锐机械工程技术有限公司 | 一种高精度传动的夹具 |
| CN210304793U (zh) * | 2019-07-26 | 2020-04-14 | 天津双源金属制品有限公司 | 一种汽车工件喷涂用表面清理装置 |
| CN211053347U (zh) * | 2019-11-13 | 2020-07-21 | 常熟市宇龙模具有限责任公司 | 一种玻璃瓶模具内腔加工设备 |
| CN111871993A (zh) * | 2020-07-28 | 2020-11-03 | 滁州质顶机电科技有限公司 | 一种医疗培养皿清洗装置 |
| CN112008588A (zh) * | 2020-09-24 | 2020-12-01 | 开化达力杯业有限公司 | 一种环保可靠钢板双面抛光装置 |
| CN212168303U (zh) * | 2020-04-03 | 2020-12-18 | 博罗康佳精密科技有限公司 | 一种pcb板生产用清洗装置 |
| CN212883899U (zh) * | 2020-08-05 | 2021-04-06 | 新野旭润光电科技有限公司 | 一种光学成像镜头清洗装置 |
| CN213198544U (zh) * | 2020-08-31 | 2021-05-14 | 济源职业技术学院 | 一种pu翻转模具 |
| CN213287941U (zh) * | 2020-08-11 | 2021-05-28 | 张家港东艺超声有限公司 | 一种超声波清洗设备 |
| CN213378102U (zh) * | 2020-08-11 | 2021-06-08 | 上海禾馥电子有限公司 | 一种集成电路板生产用清洗设备 |
| CN213417021U (zh) * | 2020-09-27 | 2021-06-11 | 滁州新天地钢结构有限公司 | 一种酸氢钠溶液清洗彩钢板的装置 |
| CN213671955U (zh) * | 2020-11-12 | 2021-07-13 | 江苏联宏机械设备有限公司 | 一种封头定位开孔设备 |
| CN213722819U (zh) * | 2020-10-31 | 2021-07-20 | 左点实业(湖北)有限公司 | 一种具有手持设备的冷敷仪 |
| CN214022209U (zh) * | 2020-09-29 | 2021-08-24 | 曹伟 | 一种机械电子工程用电子元件清洁装置 |
-
2021
- 2021-09-06 CN CN202111037306.0A patent/CN113926765B/zh active Active
Patent Citations (15)
| Publication number | Priority date | Publication date | Assignee | Title |
|---|---|---|---|---|
| CN206215599U (zh) * | 2016-11-23 | 2017-06-06 | 牛跃颖 | 一种电子科技产品配件用清洗装置 |
| CN209289091U (zh) * | 2018-12-17 | 2019-08-23 | 广州酬锐机械工程技术有限公司 | 一种高精度传动的夹具 |
| CN210304793U (zh) * | 2019-07-26 | 2020-04-14 | 天津双源金属制品有限公司 | 一种汽车工件喷涂用表面清理装置 |
| CN211053347U (zh) * | 2019-11-13 | 2020-07-21 | 常熟市宇龙模具有限责任公司 | 一种玻璃瓶模具内腔加工设备 |
| CN212168303U (zh) * | 2020-04-03 | 2020-12-18 | 博罗康佳精密科技有限公司 | 一种pcb板生产用清洗装置 |
| CN111871993A (zh) * | 2020-07-28 | 2020-11-03 | 滁州质顶机电科技有限公司 | 一种医疗培养皿清洗装置 |
| CN212883899U (zh) * | 2020-08-05 | 2021-04-06 | 新野旭润光电科技有限公司 | 一种光学成像镜头清洗装置 |
| CN213287941U (zh) * | 2020-08-11 | 2021-05-28 | 张家港东艺超声有限公司 | 一种超声波清洗设备 |
| CN213378102U (zh) * | 2020-08-11 | 2021-06-08 | 上海禾馥电子有限公司 | 一种集成电路板生产用清洗设备 |
| CN213198544U (zh) * | 2020-08-31 | 2021-05-14 | 济源职业技术学院 | 一种pu翻转模具 |
| CN112008588A (zh) * | 2020-09-24 | 2020-12-01 | 开化达力杯业有限公司 | 一种环保可靠钢板双面抛光装置 |
| CN213417021U (zh) * | 2020-09-27 | 2021-06-11 | 滁州新天地钢结构有限公司 | 一种酸氢钠溶液清洗彩钢板的装置 |
| CN214022209U (zh) * | 2020-09-29 | 2021-08-24 | 曹伟 | 一种机械电子工程用电子元件清洁装置 |
| CN213722819U (zh) * | 2020-10-31 | 2021-07-20 | 左点实业(湖北)有限公司 | 一种具有手持设备的冷敷仪 |
| CN213671955U (zh) * | 2020-11-12 | 2021-07-13 | 江苏联宏机械设备有限公司 | 一种封头定位开孔设备 |
Cited By (3)
| Publication number | Priority date | Publication date | Assignee | Title |
|---|---|---|---|---|
| CN114414309A (zh) * | 2022-03-30 | 2022-04-29 | 潍坊宏图环保设备有限公司 | 一种污水预处理采样装置 |
| CN115003049A (zh) * | 2022-07-01 | 2022-09-02 | 深圳市华旭达精密电路科技有限公司 | 一种制作fpc线路板的生产设备 |
| CN115003049B (zh) * | 2022-07-01 | 2024-01-09 | 深圳市华旭达精密电路科技有限公司 | 一种制作fpc线路板的生产设备 |
Also Published As
| Publication number | Publication date |
|---|---|
| CN113926765B (zh) | 2023-08-25 |
Similar Documents
| Publication | Publication Date | Title |
|---|---|---|
| CN113926765A (zh) | 一种线路板清洗装置及其使用方法 | |
| CN221387784U (zh) | 一种机械零件清洗用定位装置 | |
| CN218869566U (zh) | 一种鞋底自筛选喷胶装置 | |
| CN220239000U (zh) | 一种铝单板往复式喷涂设备 | |
| CN217728314U (zh) | 一种液晶玻璃清洗抛光装置 | |
| CN111744911A (zh) | 一种含试管清洗功能的试验工作台 | |
| CN218283095U (zh) | 一种清洗装置 | |
| CN108261155B (zh) | 免手洗平拖桶与平拖 | |
| CN214342165U (zh) | 一种建筑玻璃幕墙清洁装置 | |
| CN218574540U (zh) | 一种带有摇摆功能的饮用水桶用回收清洗装置 | |
| CN210876444U (zh) | 一种变速箱齿轮清洗装置 | |
| CN111167657B (zh) | 一种线路板松香涂覆装置及涂覆机 | |
| CN209965750U (zh) | 一种自动清洁的躺椅 | |
| CN113558982A (zh) | 一种高温熬制罐 | |
| CN221208531U (zh) | 一种实验室用小型喷淋装置 | |
| CN221413652U (zh) | 一种自动喷涂机器人 | |
| CN217888969U (zh) | 一种用于果奶机环绕清洗机构 | |
| CN216262337U (zh) | 建筑施工用设备清洗装置 | |
| CN117901394B (zh) | 一种岩棉板材加工用表面覆膜装置及方法 | |
| CN207885471U (zh) | 一种松花蛋自动清洗装置 | |
| CN219052355U (zh) | 一种电子化学品回收桶清洗装置 | |
| CN221640555U (zh) | 一种针对印刷线路板磨板机研磨室的自动高压清洗装置 | |
| CN216679232U (zh) | 一种锻造氧化皮清洗机 | |
| CN216334606U (zh) | 一种具有预处理功能的轴承套圈加工用输送装置 | |
| CN220459291U (zh) | 一种用于外墙清洗的高压清洗机 |
Legal Events
| Date | Code | Title | Description |
|---|---|---|---|
| PB01 | Publication | ||
| PB01 | Publication | ||
| SE01 | Entry into force of request for substantive examination | ||
| SE01 | Entry into force of request for substantive examination | ||
| TA01 | Transfer of patent application right | ||
| TA01 | Transfer of patent application right |
Effective date of registration: 20230801 Address after: 529400 Factory Building No. 10-11, Zone C, Foreign Funded Industrial Zone, Enping City, Jiangmen City, Guangdong Province (Business premises: 1st floor, Building 2, No. 19 (Factory Building), Foreign Funded Industrial Zone, Enping City, Enping City, Guangdong Province) Applicant after: Enping Weike Electronics Co.,Ltd. Address before: 510000 Guangdong Baiyun University, No. 1 Xueyuan Road, Jianggao Town, Baiyun District, Guangzhou, Guangdong Applicant before: Wang Yuqin |
|
| GR01 | Patent grant | ||
| GR01 | Patent grant |