CN113853911B - 一种水肥灌溉系统 - Google Patents

一种水肥灌溉系统 Download PDF

Info

Publication number
CN113853911B
CN113853911B CN202111152321.XA CN202111152321A CN113853911B CN 113853911 B CN113853911 B CN 113853911B CN 202111152321 A CN202111152321 A CN 202111152321A CN 113853911 B CN113853911 B CN 113853911B
Authority
CN
China
Prior art keywords
fixedly connected
pipe
wall
shell
fertilizer
Prior art date
Legal status (The legal status is an assumption and is not a legal conclusion. Google has not performed a legal analysis and makes no representation as to the accuracy of the status listed.)
Active
Application number
CN202111152321.XA
Other languages
English (en)
Other versions
CN113853911A (zh
Inventor
王任威
林其昌
Current Assignee (The listed assignees may be inaccurate. Google has not performed a legal analysis and makes no representation or warranty as to the accuracy of the list.)
Henan Sainuo Younong Technology Co ltd
Original Assignee
Henan Sainuo Younong Technology Co ltd
Priority date (The priority date is an assumption and is not a legal conclusion. Google has not performed a legal analysis and makes no representation as to the accuracy of the date listed.)
Filing date
Publication date
Application filed by Henan Sainuo Younong Technology Co ltd filed Critical Henan Sainuo Younong Technology Co ltd
Priority to CN202111152321.XA priority Critical patent/CN113853911B/zh
Publication of CN113853911A publication Critical patent/CN113853911A/zh
Application granted granted Critical
Publication of CN113853911B publication Critical patent/CN113853911B/zh
Active legal-status Critical Current
Anticipated expiration legal-status Critical

Links

Images

Classifications

    • AHUMAN NECESSITIES
    • A01AGRICULTURE; FORESTRY; ANIMAL HUSBANDRY; HUNTING; TRAPPING; FISHING
    • A01CPLANTING; SOWING; FERTILISING
    • A01C23/00Distributing devices specially adapted for liquid manure or other fertilising liquid, including ammonia, e.g. transport tanks or sprinkling wagons
    • A01C23/04Distributing under pressure; Distributing mud; Adaptation of watering systems for fertilising-liquids
    • BPERFORMING OPERATIONS; TRANSPORTING
    • B05SPRAYING OR ATOMISING IN GENERAL; APPLYING FLUENT MATERIALS TO SURFACES, IN GENERAL
    • B05BSPRAYING APPARATUS; ATOMISING APPARATUS; NOZZLES
    • B05B15/00Details of spraying plant or spraying apparatus not otherwise provided for; Accessories
    • B05B15/20Arrangements for agitating the material to be sprayed, e.g. for stirring, mixing or homogenising
    • B05B15/25Arrangements for agitating the material to be sprayed, e.g. for stirring, mixing or homogenising using moving elements, e.g. rotating blades

Landscapes

  • Life Sciences & Earth Sciences (AREA)
  • Engineering & Computer Science (AREA)
  • Water Supply & Treatment (AREA)
  • Soil Sciences (AREA)
  • Environmental Sciences (AREA)
  • Fertilizing (AREA)

Abstract

本发明涉及水肥灌溉技术领域,具体是一种水肥灌溉系统,包括底座,底座的内底壁固定连接有减震机构,减震机构的上表面固定连接有外壳,外壳的表面与底座的内壁滑动连接,外壳的内顶壁固定连接有混合罐体,外壳的上表面固定连接有电机,电机的输出端固定连接有搅拌机构,电机的表面套设有安装箱,通过设置万向轮,能够通过移动底座来带动整体移动;通过设置送料漏斗,能够方便倒入肥料;通过设置滤板,能够将杂质过滤;通过设置送料管与进水管,能够将肥料与灌溉水送进混合罐体;通过设置搅拌机构,能够充分的将灌溉水与肥料混合在一起,从而使该水肥灌溉系统具有过滤杂质,充分混合肥料与灌溉水的功能。

Description

一种水肥灌溉系统
技术领域
本发明涉及水肥灌溉技术领域,具体是一种水肥灌溉系统。
背景技术
近年来,我国在农业施肥领域多采用水肥一体化技术,水肥一体化技术,指灌溉与施肥融为一体的农业新技术,水肥一体化是借助压力系统(或地形自然落差),将可溶性固体或液体肥料,按土壤养分含量和作物种类的需肥规律和特点,配兑成的肥液与灌溉水一起,通过可控管道系统供水、供肥,使水肥相融后,通过管道和滴头形成滴灌,均匀、定时、定量浸润作物根系发育生长区域,使主要根系土壤始终保持疏松和适宜的含水量;同时根据不同的作物的需肥特点,土壤环境和养分含量状况,作物不同生长期需水,需肥规律情况进行不同生育期的需求设计,把水分、养分定时定量,按比例直接提供给作物。
现有市场上的灌溉系统混合的可溶性固体肥料大多含有杂质,在混合时杂质无法与水相容,会使灌溉水与肥料无法充分的混合,使混合液浓度降低,作物不能充分的吸收与利用,通过长时间使用过后杂质得不到清理,会造成堵塞管道的现象,需要使用者花时间去清理,极大降低了灌溉的效率。因此,本领域技术人员提供了一种水肥灌溉系统,以解决上述背景技术中提出的问题。
发明内容
本发明的目的在于提供一种水肥灌溉系统,可以有效地解决现有市场上的灌溉系统混合的可溶性固体肥料大多含有杂质,在混合时杂质无法与水相容而使灌溉水与肥料无法充分的混合,使混合液浓度降低,作物不能充分的吸收与利用的问题。
为实现上述目的,本发明提供如下技术方案:
一种水肥灌溉系统,包括底座,所述底座的内底壁固定连接有减震机构,所述减震机构的上表面固定连接有外壳,所述外壳的表面与底座的内壁滑动连接,所述外壳的内顶壁固定连接有混合罐体,所述外壳的上表面固定连接有电机,所述电机的输出端固定连接有搅拌机构,所述电机的表面套设有安装箱,所述安装箱的下表面与外壳的上表面固定连接,所述外壳的上表面分别固定连接有送料管和进水管,所述送料管与进水管的底端均贯穿混合罐体的内顶壁,所述混合罐体的内壁固定连接有出液管,所述底座的下表面开设有安装槽,所述安装槽的内顶壁固定连接有万向轮,所述外壳的上表面固定连接有过滤箱,所述过滤箱的内壁固定连接有固定架,所述固定架的一侧滑动连接有送料漏斗,所述送料漏斗的内壁固定连接有滤板,所述送料漏斗的下表面固定连接有螺纹管,所述螺纹管的表面螺纹连接有连接管,所述送料管的表面设置有螺纹,所述送料管的表面与连接管的内壁螺纹连接,所述送料管与螺纹管通过连接管固定连接,所述连接管内壁开设有凹槽,所述凹槽的内壁固定连接有密封圈,所述过滤箱的正面开设有通口,所述通口的内壁转动连接有开合门。
作为本发明进一步的方案:所述减震机构包括与底座内底壁分别固定连接的导向管和固定杆,所述导向管的内壁滑动连接有固定管,所述固定管的内壁与固定杆的表面滑动连接,所述固定杆的表面套设有第一弹簧,所述第一弹簧的一端与固定管的下表面固定连接,所述第一弹簧的另一端与底座的内底壁固定连接,所述固定杆的上表面固定连接有第二弹簧,所述第二弹簧的一端与外壳的下表面固定连接,通过设置导向管与固定杆,能够防止减震机构在减震时发生偏移。
作为本发明再进一步的方案:所述万向轮的数量为四个,且四个万向轮呈矩形阵列设置在底座的下表面,通过设置万向轮的数量为四个,能够稳固底座与外壳,防止移动时水平方向发生倾斜。
作为本发明再进一步的方案:所述搅拌机构包括与电机输出端固定连接的连接杆,所述连接杆的一端贯穿混合罐体的内顶壁并固定连接有连接盘,所述连接盘的下表面固定连接有搅拌杆,通过设置连接杆,能够使电机通过连接杆带动搅拌杆转动。
作为本发明再进一步的方案:所述安装箱的正面开设有门洞,所述门洞的内壁转动连接有检修门,通过设置检修门,能够对电机进行检查与维修。
作为本发明再进一步的方案:所述出液管的一端贯穿外壳的右侧,所述底座的右侧开设有滑槽,所述滑槽的内壁与出液管的表面滑动连接,所述出液管的表面固定连接有出液阀,通过设置滑槽,能够防止外壳震动时将出液管卡住;通过设置出液阀,能够控制混合液开始或是停止输出。
作为本发明再进一步的方案:所述外壳的背面固定连接有支撑架,所述支撑架的一端固定连接有推杆,通过设置推杆,能够方便使用者推动外壳。
作为本发明再进一步的方案:所述外壳顶部内壁固定连接有轴承座,所述轴承座内设有轴承,所述轴承内设有转轴一,所述转轴一右端设有锥齿轮,所述电机的输出端上也设有与所述转轴一相适配的锥齿轮,通过设置锥齿轮,实现电机启动时带动转轴一转动,所述转轴一左端贯穿所述送料管侧壁,所述转轴一左端与转轴二下端连接有锥齿轮,锥齿轮实现转轴一转动时带动转轴二转动,所述转轴二表面固定连接有扇叶,所述扇叶的外侧套设有套筒,套筒固定在送料管内壁,所述扇叶设有至少一组并位于所述套筒内部,并设置扇叶向下吹风,转轴二转动时带动多组扇叶转动,扇叶转动产生向下的推力,能够将送料漏斗里肥料往下方混合罐体内吹,能够加快肥料下落,提高工作效率;
所述转轴二顶端表面设有周向等距的三个齿轮,所述转轴二顶端表面和所述套筒顶端内壁均设有与所述齿轮相适配的齿槽,使齿轮与套筒和转轴二啮合,进而转轴二转动时齿轮在套筒内围绕转轴二转动,所述齿轮内均设有转轴三,所述转轴三上端均与一个三角板固定连接,所述转轴二顶端贯穿所述三角板中心位置并与所述三角板活动连接,通过设置三角板,能够防止转轴二和齿轮倾斜、错位,保证转轴二和齿轮正常转动,通过设置转轴一、转轴二、套筒、扇叶和齿轮,在使用时,启动电机进而通过锥齿轮带动转轴一转动,转轴一带动转轴二转动,转轴二转动使扇叶和齿轮在套筒内转动,在出料漏斗内的肥料下落的过程中,首先受到齿轮在套筒内啮合转动而产生的碾压,对肥料进行初步破碎,然后肥料继续下落至下方的扇叶上,由于多组扇叶的高速转动,实现对肥料的充分搅碎、切割,能够将肥料充分分解成粉末状,便于肥料与灌溉水更加充分、快速的混合在一起,能够缩短肥料与灌溉水混合的时间,提高灌溉效率,并且有利于作物的吸收。
与现有技术相比,本发明的有益效果是:
1.本发明通过设置万向轮,能够通过移动底座来带动整体移动;通过设置送料漏斗,能够方便倒入肥料;通过设置滤板,能够将杂质过滤;通过设置连接管和螺纹管,能够将螺纹管连带滤板和送料漏斗拆卸下来;通过设置密封圈,能够防止肥料泄漏;通过设置开合门,能够打开将送料漏斗连带滤板取出进行清理;通过设置送料管与进水管,能够将肥料与灌溉水送进混合罐体;通过设置搅拌机构,能够充分的将灌溉水与肥料混合在一起;通过设置出液管,能够输出混合液进入到灌溉设备,从而使该水肥灌溉系统具有过滤杂质,充分混合肥料与灌溉水的功能。
2.本发明通过设置转轴一、转轴二、套筒、扇叶和齿轮,在使用时,启动电机进而通过锥齿轮带动转轴一转动,转轴一带动转轴二转动,转轴二转动使扇叶和齿轮在套筒内转动,在出料漏斗内的肥料下落的过程中,首先受到齿轮在套筒内啮合转动而产生的碾压,对肥料进行初步破碎,然后肥料继续下落至下方的扇叶上,由于多组扇叶的高速转动,实现对肥料的充分搅碎、切割,能够将肥料充分分解成粉末状,便于肥料与灌溉水更加充分、快速的混合在一起,能够缩短肥料与灌溉水混合的时间,提高灌溉效率,并且有利于作物的吸收。
附图说明
图1为本发明的结构主视示意图;
图2为本发明的结构正剖示意图;
图3为本发明的结构侧视示意图;
图4为本发明图2中A处的结构放大示意图;
图5为本发明中搅拌机构的结构主视示意图;
图6为本发明图2中B处的结构放大示意图;
图7为本发明的结构正剖示意图;
图8为本发明图7中C处的结构剖视示意图;
图9为本发明中齿轮的结构示意图;
图10为本发明中套筒的俯视示意图。
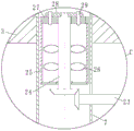
图中:1、底座;2、减震机构;201、导向管;202、固定杆;203、固定管;204、第一弹簧;205、第二弹簧;3、外壳;4、混合罐体;5、电机;6、搅拌机构;601、连接杆;602、连接盘;603、搅拌杆;7、送料管;8、进水管;9、出液管;10、万向轮;11、检修门;12、出液阀;13、推杆;14、过滤箱;15、固定架;16、送料漏斗;17、滤板;18、螺纹管;19、连接管;20、密封圈;21、开合门;22、轴承座;23、转轴一;24、转轴二;25、套筒;26、扇叶;27、齿轮;28、三角板;29、转轴三。
具体实施方式
下面将结合本发明实施例中的附图,对本发明实施例中的技术方案进行清楚、完整地描述,显然,所描述的实施例仅仅是本发明一部分实施例,而不是全部的实施例。基于本发明中的实施例,本领域普通技术人员在没有做出创造性劳动前提下所获得的所有其他实施例,都属于本发明保护的范围。
请参阅图1~10,本发明实施例中,一种水肥灌溉系统,包括底座1,底座1的内底壁固定连接有减震机构2,减震机构2的上表面固定连接有外壳3,外壳3的表面与底座1的内壁滑动连接,外壳3的内顶壁固定连接有混合罐体4,外壳3的上表面固定连接有电机5,电机5的输出端固定连接有搅拌机构6,电机5的表面套设有安装箱,安装箱的下表面与外壳3的上表面固定连接,外壳3的上表面分别固定连接有送料管7和进水管8,送料管7与进水管8的底端均贯穿混合罐体4的内顶壁,混合罐体4的内壁固定连接有出液管9,底座1的下表面开设有安装槽,安装槽的内顶壁固定连接有万向轮10,外壳3的上表面固定连接有过滤箱14,过滤箱14的内壁固定连接有固定架15,固定架15的一侧滑动连接有送料漏斗16,送料漏斗16的内壁固定连接有滤板17,送料漏斗16的下表面固定连接有螺纹管18,螺纹管18的表面螺纹连接有连接管19,送料管7的表面设置有螺纹,送料管7的表面与连接管19的内壁螺纹连接,送料管7与螺纹管18通过连接管19固定连接,连接管19内壁开设有凹槽,凹槽的内壁固定连接有密封圈20,过滤箱14的正面开设有通口,通口的内壁转动连接有开合门21,通过设置万向轮10,能够通过移动底座1来带动整体移动;通过设置送料漏斗16,能够方便倒入肥料;通过设置滤板17,能够将杂质过滤;通过设置连接管19和螺纹管18,能够将螺纹管18连带滤板17和送料漏斗16拆卸下来;通过设置密封圈20,能够防止肥料泄漏;通过设置开合门21,能够打开将送料漏斗16连带滤板17取出进行清理;通过设置送料管7与进水管8,能够将肥料与灌溉水送进混合罐体4;通过设置搅拌机构6,能够充分的将灌溉水与肥料混合在一起;通过设置出液管9,能够输出混合液进入到灌溉设备,从而使该水肥灌溉系统具有过滤杂质,充分混合肥料与灌溉水的功能。
具体的,减震机构2包括与底座1内底壁分别固定连接的导向管201和固定杆202,导向管201的内壁滑动连接有固定管203,固定管203的内壁与固定杆202的表面滑动连接,固定杆202的表面套设有第一弹簧204,第一弹簧204的一端与固定管203的下表面固定连接,第一弹簧204的另一端与底座1的内底壁固定连接,固定杆202的上表面固定连接有第二弹簧205,第二弹簧205的一端与外壳3的下表面固定连接,通过设置导向管201与固定杆202,能够防止减震机构2在减震时发生偏移,万向轮10的数量为四个,且四个万向轮10呈矩形阵列设置在底座1的下表面,通过设置万向轮10的数量为四个,能够稳固底座1与外壳3,防止移动时水平方向发生倾斜,搅拌机构6包括与电机5输出端固定连接的连接杆601,连接杆601的一端贯穿混合罐体4的内顶壁并固定连接有连接盘602,连接盘602的下表面固定连接有搅拌杆603,通过设置连接杆601,能够使电机5通过连接杆601带动搅拌杆603转动。
具体的,安装箱的正面开设有门洞,门洞的内壁转动连接有检修门11,通过设置检修门11,能够对电机5进行检查与维修,出液管9的一端贯穿外壳3的右侧,底座1的右侧开设有滑槽,滑槽的内壁与出液管9的表面滑动连接,出液管9的表面固定连接有出液阀12,通过设置滑槽,能够防止外壳3震动时将出液管9卡住;通过设置出液阀12,能够控制混合液开始或是停止输出,外壳3的背面固定连接有支撑架,支撑架的一端固定连接有推杆13,通过设置推杆13,能够方便使用者推动外壳3。
具体的,如图7至图10所示,所述外壳3顶部内壁固定连接有轴承座22,所述轴承座22内设有轴承,所述轴承内设有转轴一23,所述转轴一23右端设有锥齿轮,所述电机5的输出端上也设有与所述转轴一23相适配的锥齿轮,通过设置锥齿轮,实现电机5启动时带动转轴一23转动,通过设置轴承座22和轴承,能够对转轴一23起支撑作用,且不影响转轴一23转动;
所述转轴一23左端贯穿所述送料管7侧壁,所述转轴一23左端与转轴二24下端连接有锥齿轮,锥齿轮用于实现转轴一23转动时带动转轴二24转动,所述转轴二24表面固定连接有扇叶26,所述扇叶26的外侧套设有套筒25,套筒25固定在送料管7内壁,所述扇叶26设有至少一组并位于所述套筒25内部,并设置扇叶的向下吹风,转轴二24转动时带动多组扇叶26转动,扇叶转动产生向下的推力,能够将送料漏斗16里肥料往下方混合罐体4内吹送,能够加快肥料下落,提高工作效率,所述转轴二24顶端表面设有周向等距的三个齿轮27,所述转轴二24顶端表面和所述套筒25顶端内壁均设有与所述齿轮27相适配的齿槽,使齿轮27与套筒25和转轴二24啮合,进而转轴二24转动时齿轮27在套筒25内围绕转轴二24转动,所述齿轮27内均设有转轴三29,所述转轴三29上端均与一个三角板28固定连接,所述转轴二24顶端贯穿所述三角板28中心位置并与所述三角板28活动连接,通过设置三角板28,能够防止转轴二24和齿轮27倾斜、错位,保证转轴二24和齿轮27正常转动;
通过设置转轴一23、转轴二24、套筒25、扇叶26和齿轮27,在使用时,启动电机5进而通过锥齿轮带动转轴一23转动,转轴一23带动转轴二24转动,转轴二24转动使扇叶26和齿轮27在套筒25内转动,在出料漏斗16内的肥料下落的过程中,首先受到齿轮27在套筒25内啮合转动而产生的碾压,对肥料进行初步破碎,然后肥料继续下落至下方的扇叶26上,由于多组扇叶26的高速转动,实现对肥料充分的搅碎、切割,能够将肥料充分分解成粉末状,便于肥料与灌溉水更加充分、快速地混合在一起,能够缩短肥料与灌溉水混合的时间,提高灌溉效率,并且有利于作物的吸收。
本发明的工作原理是:当使用者使用该水肥灌溉系统时,使用者握住推杆13,推动外壳3,外壳3通过减震机构2带动底座1与万向轮10移动,到指定位置后停下,将一定量的肥料从送料漏斗16倒入,肥料通过送料漏斗16经过滤板17将杂质过滤掉,过滤好的肥料通过螺纹管18与送料管7进入混合罐体4的内部,给进水管8接通水源,输入一定量的灌溉水进入混合罐体4后切断水源,开启电机5,电机5输出端通过连接杆601与连接盘602带动搅拌杆603转动起来,使灌溉水与过滤好的肥料充分的、快速的混合在一起,待混合完成后,关闭电机5并打开出液阀12,混合液从出液管9输出送入灌溉设备,打开开合门21,旋转连接管19使连接管19向下移动直到露出螺纹管18的下端,通过固定架15滑出送料漏斗16连带着滤板17和连接管19,将送料漏斗16、滤板17和连接管19清理干净后再放回过滤箱14内,旋转连接管19使螺纹管18与送料管7固定在一起后关闭开合门21,从而使该水肥灌溉系统具有过滤杂质,充分混合肥料与灌溉水的功能。
以上所述,仅为本发明较佳的具体实施方式,但本发明的保护范围并不局限于此,任何熟悉本技术领域的技术人员在本发明揭露的技术范围内,根据本发明的技术方案及其发明构思加以等同替换或改变,都应涵盖在本发明的保护范围之内。

Claims (7)

1.一种水肥灌溉系统,包括底座(1),其特征在于:所述底座(1)的内底壁固定连接有减震机构(2),所述减震机构(2)的上表面固定连接有外壳(3),所述外壳(3)的表面与底座(1)的内壁滑动连接,所述外壳(3)的内顶壁固定连接有混合罐体(4),所述外壳(3)的上表面固定连接有电机(5),所述电机(5)的输出端固定连接有搅拌机构(6),所述电机(5)的表面套设有安装箱,所述安装箱的下表面与外壳(3)的上表面固定连接,所述外壳(3)的上表面分别固定连接有送料管(7)和进水管(8),所述送料管(7)与进水管(8)的底端均贯穿混合罐体(4)的内顶壁,所述混合罐体(4)的内壁固定连接有出液管(9),所述底座(1)的下表面开设有安装槽,所述安装槽的内顶壁固定连接有万向轮(10),所述外壳(3)的上表面固定连接有过滤箱(14),所述过滤箱(14)的内壁固定连接有固定架(15),所述固定架(15)的一侧滑动连接有送料漏斗(16),所述送料漏斗(16)的内壁固定连接有滤板(17),所述送料漏斗(16)的下表面固定连接有螺纹管(18),所述螺纹管(18)的表面螺纹连接有连接管(19),所述送料管(7)的表面设置有螺纹,所述送料管(7)的表面与连接管(19)的内壁螺纹连接,所述送料管(7)与螺纹管(18)通过连接管(19)固定连接,所述连接管(19)内壁开设有凹槽,所述凹槽的内壁固定连接有密封圈(20),所述过滤箱(14)的正面开设有通口,所述通口的内壁转动连接有开合门(21);
所述外壳(3)顶部内壁固定连接有轴承座(22),所述轴承座(22)内设有轴承,所述轴承内设有转轴一(23),所述转轴一(23)右端设有锥齿轮,所述电机(5)的输出端上也设有与所述转轴一(23)相适配的锥齿轮;
所述转轴一(23)左端贯穿所述送料管(7)侧壁,所述转轴一(23)左端与转轴二(24)下端连接有锥齿轮,所述转轴二(24)表面固定连接有扇叶(26),所述扇叶(26)的外侧套设有套筒(25),套筒(25)固定在送料管(7)内壁,所述扇叶(26)设有至少一组并位于所述套筒(25)内部,所述转轴二(24)顶端表面设有周向等距的三个齿轮(27),所述转轴二(24)顶端表面和所述套筒(25)顶端内壁均设有与所述齿轮(27)相适配的齿槽,所述齿轮(27)内均设有转轴三(29),所述转轴三(29)上端均与一个三角板(28)固定连接,所述转轴二(24)顶端贯穿所述三角板(28)中心位置并与所述三角板(28)活动连接。
2.根据权利要求1所述的一种水肥灌溉系统,其特征在于:所述减震机构(2)包括与底座(1)内底壁分别固定连接的导向管(201)和固定杆(202),所述导向管(201)的内壁滑动连接有固定管(203),所述固定管(203)的内壁与固定杆(202)的表面滑动连接,所述固定杆(202)的表面套设有第一弹簧(204),所述第一弹簧(204)的一端与固定管(203)的下表面固定连接,所述第一弹簧(204)的另一端与底座(1)的内底壁固定连接,所述固定杆(202)的上表面固定连接有第二弹簧(205),所述第二弹簧(205)的一端与外壳(3)的下表面固定连接。
3.根据权利要求1所述的一种水肥灌溉系统,其特征在于:所述万向轮(10)的数量为四个,且四个万向轮(10)呈矩形阵列设置在底座(1)的下表面。
4.根据权利要求1所述的一种水肥灌溉系统,其特征在于:所述搅拌机构(6)包括与电机(5)输出端固定连接的连接杆(601),所述连接杆(601)的一端贯穿混合罐体(4)的内顶壁并固定连接有连接盘(602),所述连接盘(602)的下表面固定连接有搅拌杆(603)。
5.根据权利要求1所述的一种水肥灌溉系统,其特征在于:所述安装箱的正面开设有门洞,所述门洞的内壁转动连接有检修门(11)。
6.根据权利要求1所述的一种水肥灌溉系统,其特征在于:所述出液管(9)的一端贯穿外壳(3)的右侧,所述底座(1)的右侧开设有滑槽,所述滑槽的内壁与出液管(9)的表面滑动连接,所述出液管(9)的表面固定连接有出液阀(12)。
7.根据权利要求1所述的一种水肥灌溉系统,其特征在于:所述外壳(3)的背面固定连接有支撑架,所述支撑架的一端固定连接有推杆(13)。
CN202111152321.XA 2021-09-29 2021-09-29 一种水肥灌溉系统 Active CN113853911B (zh)

Priority Applications (1)

Application Number Priority Date Filing Date Title
CN202111152321.XA CN113853911B (zh) 2021-09-29 2021-09-29 一种水肥灌溉系统

Applications Claiming Priority (1)

Application Number Priority Date Filing Date Title
CN202111152321.XA CN113853911B (zh) 2021-09-29 2021-09-29 一种水肥灌溉系统

Publications (2)

Publication Number Publication Date
CN113853911A CN113853911A (zh) 2021-12-31
CN113853911B true CN113853911B (zh) 2023-03-28

Family

ID=79000575

Family Applications (1)

Application Number Title Priority Date Filing Date
CN202111152321.XA Active CN113853911B (zh) 2021-09-29 2021-09-29 一种水肥灌溉系统

Country Status (1)

Country Link
CN (1) CN113853911B (zh)

Families Citing this family (1)

* Cited by examiner, † Cited by third party
Publication number Priority date Publication date Assignee Title
CN120548852B (zh) * 2025-06-03 2025-12-05 胜利油田大源节能设备有限公司 一种林业苗木水肥一体化灌溉设备

Family Cites Families (5)

* Cited by examiner, † Cited by third party
Publication number Priority date Publication date Assignee Title
CN205495787U (zh) * 2016-04-20 2016-08-24 江西沃邦农业科技有限公司 一种肥料粉碎机
CN209314488U (zh) * 2018-01-30 2019-08-30 韩凤 一种水肥一体化灌溉装置
CN210521895U (zh) * 2019-08-19 2020-05-15 吴丹 一种植物园林用雨水收集装置
CN211581052U (zh) * 2020-01-02 2020-09-29 山东润竹山农业科技有限公司 一种桃树育苗用水肥一体化设备
CN213062188U (zh) * 2020-06-28 2021-04-27 嘉兴隆信建设有限公司 一种市政雨水蓄水装置

Also Published As

Publication number Publication date
CN113853911A (zh) 2021-12-31

Similar Documents

Publication Publication Date Title
CN113853911B (zh) 一种水肥灌溉系统
CN111990003A (zh) 一种可调节棉花精量施肥装置
CN210875169U (zh) 一种园林施肥用肥料搅拌装置
CN216775491U (zh) 一种农业生产用滴灌育苗装置
CN209292242U (zh) 生产有机肥用的发酵装置
CN214508522U (zh) 一种有机茶叶种植前土壤处理装置
CN216062915U (zh) 一种苗木繁育用营养土配制装置
CN114051808B (zh) 一种变量有机肥料的施肥装置及其使用方法
CN118105893A (zh) 一种园林绿化用水肥混合装置
CN215877584U (zh) 一种用于乌梅种植的肥料搅拌装置
CN213073554U (zh) 一种农业种子拌药装置
CN210840679U (zh) 一种用于百香果种植的施肥装置
CN219478532U (zh) 兼具施肥灌溉功能的水肥一体机
CN210544655U (zh) 一种有机肥生产自动送料装置
CN214338659U (zh) 一种水肥一体化自动加肥装置
CN220003993U (zh) 一种油菜专用肥生产装置
CN220875092U (zh) 一种土壤肥料播撒装置
CN222446274U (zh) 一种营养液混合装置
CN219518694U (zh) 一种用于火龙果种植的肥料混合机
CN222442457U (zh) 一种农业用栽种箱
CN115281011B (zh) 一种小麦植株选育模拟培养装置及其方法
CN215301540U (zh) 一种阳台盆栽水肥一体化配肥设备
CN221152010U (zh) 一种水肥一体化灌溉装置
CN222814877U (zh) 一种水肥供给装置
CN217088653U (zh) 一种用于果园肥水一体化灌溉装置

Legal Events

Date Code Title Description
PB01 Publication
PB01 Publication
SE01 Entry into force of request for substantive examination
SE01 Entry into force of request for substantive examination
TA01 Transfer of patent application right
TA01 Transfer of patent application right

Effective date of registration: 20230302

Address after: 454550 200m west of the intersection of Weilai road and Qinmu Road, Qinyang City, Jiaozuo City, Henan Province

Applicant after: HENAN SAINUO YOUNONG TECHNOLOGY Co.,Ltd.

Address before: 277599 room 402, unit 1, building 5, lidushui community, No. 1, Louguan lane, Tengzhou City, Zaozhuang City, Shandong Province

Applicant before: Wang Renwei

GR01 Patent grant
GR01 Patent grant