CN113492779A - 用于对车载电网进行配置的方法 - Google Patents

用于对车载电网进行配置的方法 Download PDF

Info

Publication number
CN113492779A
CN113492779A CN202110296569.7A CN202110296569A CN113492779A CN 113492779 A CN113492779 A CN 113492779A CN 202110296569 A CN202110296569 A CN 202110296569A CN 113492779 A CN113492779 A CN 113492779A
Authority
CN
China
Prior art keywords
electrical
module
load
modules
power supply
Prior art date
Legal status (The legal status is an assumption and is not a legal conclusion. Google has not performed a legal analysis and makes no representation as to the accuracy of the status listed.)
Granted
Application number
CN202110296569.7A
Other languages
English (en)
Other versions
CN113492779B (zh
Inventor
N·德雷泽
M·扎布卡
G·希尔
W·席曼
S·卡斯帕尔
D·拉布尔
Current Assignee (The listed assignees may be inaccurate. Google has not performed a legal analysis and makes no representation or warranty as to the accuracy of the list.)
Robert Bosch GmbH
Audi AG
Original Assignee
Robert Bosch GmbH
Audi AG
Priority date (The priority date is an assumption and is not a legal conclusion. Google has not performed a legal analysis and makes no representation as to the accuracy of the date listed.)
Filing date
Publication date
Application filed by Robert Bosch GmbH, Audi AG filed Critical Robert Bosch GmbH
Publication of CN113492779A publication Critical patent/CN113492779A/zh
Application granted granted Critical
Publication of CN113492779B publication Critical patent/CN113492779B/zh
Active legal-status Critical Current
Anticipated expiration legal-status Critical

Links

Images

Classifications

    • BPERFORMING OPERATIONS; TRANSPORTING
    • B60VEHICLES IN GENERAL
    • B60RVEHICLES, VEHICLE FITTINGS, OR VEHICLE PARTS, NOT OTHERWISE PROVIDED FOR
    • B60R16/00Electric or fluid circuits specially adapted for vehicles and not otherwise provided for; Arrangement of elements of electric or fluid circuits specially adapted for vehicles and not otherwise provided for
    • B60R16/02Electric or fluid circuits specially adapted for vehicles and not otherwise provided for; Arrangement of elements of electric or fluid circuits specially adapted for vehicles and not otherwise provided for electric constitutive elements
    • B60R16/03Electric or fluid circuits specially adapted for vehicles and not otherwise provided for; Arrangement of elements of electric or fluid circuits specially adapted for vehicles and not otherwise provided for electric constitutive elements for supply of electrical power to vehicle subsystems or for
    • GPHYSICS
    • G01MEASURING; TESTING
    • G01RMEASURING ELECTRIC VARIABLES; MEASURING MAGNETIC VARIABLES
    • G01R31/00Arrangements for testing electric properties; Arrangements for locating electric faults; Arrangements for electrical testing characterised by what is being tested not provided for elsewhere
    • G01R31/50Testing of electric apparatus, lines, cables or components for short-circuits, continuity, leakage current or incorrect line connections

Landscapes

  • Engineering & Computer Science (AREA)
  • Mechanical Engineering (AREA)
  • Physics & Mathematics (AREA)
  • General Physics & Mathematics (AREA)
  • Charge And Discharge Circuits For Batteries Or The Like (AREA)
  • Electric Propulsion And Braking For Vehicles (AREA)
  • Emergency Protection Circuit Devices (AREA)

Abstract

本发明涉及一种用于对机动车的车载电网(10)进行配置的方法,其中在所述车载电网中设置有至少一个负载(30),其中在所述车载电网(10)的配置的范围内为所述至少一个负载(30)中的至少一个负载分配有电气的模块,所述电气的模块又被从模块组中选出,其中在选择所述电气的模块时考虑到与所述至少一个负载(30)的供电要求相关的第一负载标准和与所述至少一个负载(30)的反作用程度相关的第二负载标准。

Description

用于对车载电网进行配置的方法
技术领域
本发明涉及一种用于对车载电网进行配置的方法和一种这样的车载电网。
背景技术
“车载电网”在汽车的使用中是指机动车中的所有电气组件的总称。由此,其不仅包括电气负载而且包括供给源、像比如电池。在此要在能量车载电网与通信车载电网之间进行区分,其中在这方面首先要对能量车载电网进行探讨,所述能量车载电网负责向机动车的组件供给能量。
在现代的机动车中,经常通过能量管理方案对能量车载电网之内的能量流进行调节。为了控制车载电网,通常设置有如下微控制器,所述微控制器除了控制功能之外也实施监控功能。
在机动车中要注意,电能如此能够动用,从而能够随时起动机动车并且在运行的期间存在足够的电流供给。但是,在关掉的状态中,电气负载还能够在适当的时间段里运行,而不会对接下来的起动产生不好的影响。
在车载电网中所设置的负载能够直接被连接到所述车载电网上或者通过接下来也被称为电气的模块的组件被耦合到所述车载电网上。
目前,在所述能量车载电网中采用新型的组件,这些组件要求具有所限定的质量和可用性、也就是说具有ASIL目标(ASIL:Automotive Safety Integrity Level: 汽车安全完整性等级)的能量供给部的完备性。关于质量必须保证,电源电压必须在所限定的目标范围内得到保障。由于故障和功能故障而引起的负面的反作用必须加以隔离。
关于可用性,这引起以下结果,即:对安全来说关键的组件还仅仅允许以极小的可能性从稳定的电能供给部上断开。同时必须保证,能量车载电网中的干扰以很高的可靠性得到避免或者干扰部位(Störer)得到隔离,以用于限制对电源并且因此对就安全而言关键的负载的负面的反作用。
已知单个的、对特定的利用情况和需求进行寻址的解决方案。尤其竞争性的安全目标与对能量车载电网负载进行供电并且同时将负载的干扰和能量车载电网隔离的目标的结合目前不在市场之列。此外,已知以下复杂的方案,在所述方案中比如使用直流变压器。
在许多情况中,仅仅使用熔断保险装置,所述熔断保险装置用于防止线路束(Leitungssatz)过热,方法是:在超过所述保险装置的熔断积分(Schmelzintegral)之后断开有故障的电流路径。但是,对于在高度可用的车载电网中的使用来说,熔断保险装置只能非常有限地使用。一方面可能出现突然失灵,所述突然失灵中断所连接的负载的能量供给的可用性。另一方面,熔断保险装置为了进行断开而需要相当高的熔断积分,由此会在毫秒范围内出现高的短路电流。由于这些高的短路电流而可能在车载电网中出现危急的电压扰动,所述电压扰动中断对于其他关键的负载的供电。
此外,刚好对于很大的过载来说,熔断保险装置的触发特性不是决定性的。通常的汽车保险装置可能在出现1.5倍的额定电流时比如已经在90秒之后触发或者在一个小时之后才触发。
发明内容
在这种背景下,介绍一种具有权利要求1的特征的方法和一种根据权利要求9所述的车载电网。实施方式从从属权利要求中并且从说明书中得出。
介绍一种用于对机动车的车载电网进行配置的方法,其中在所述车载电网中设置有至少一个负载。在所述车载电网的配置的范围内,为至少一个负载中的至少一个负载分配有电气的模块,所述电气的模块又被从模块组中选出,其中在选择所述电气的模块时考虑到与所述至少一个负载的供电要求相关的第一负载标准和与所述至少一个负载的反作用程度相关的第二负载标准。
在一种设计方案中,为所有应该在车载电网中设置的负载分配匹配的电气的或者电子的模块。但是,也能够仅仅为一些所选出的负载分配合适的电气的模块。这种分配首先规定对于一个或多个合适的模块的选择并且随后在车载电网的电路设计中规定对于所述一个或多个模块的考虑。
所述模块组中的电气的模块典型地根据与供电安全相关的第一模块标准并且根据与可断开性相关的第二模块标准来分类。而后,在选择用于至少一个负载的电气的模块时,将所述第一负载标准和第二负载标准与所述模块组中的电气的模块的第一模块标准和第二模块标准进行比较。由此,以所述第一和第二负载标准为出发点来选择所述电气的模块,其两个模块标准与所述两个负载标准相匹配。这比如意味着,为在供电方面具有高要求并且仅仅具有小的反作用程度的负载分配以下电气的模块,所述电气的模块提供高的供电安全,但是仅仅具有小的可断开性。在选择时,除了所提到的标准之外,当然也能够考虑到另外的标准、像比如成本和可用性。
所介绍的方法由此规定对于车载电网或者能量车载电网的、尤其也可以自动化地来执行的配置,在所述配置的范围内从模块组中选择至少一个电气的或者电子的模块,所述模块又被分配给负载。在选择时,在此考虑到负载的类型,其中在这种考虑中要使用标准。在此,要将所述供电要求的负载标准与所述供电安全的模块标准进行对照并且将所述反作用程度的负载标准与所述可断开性的模块标准进行对照。
“车载电网的配置”由此在这方面是指对于合适的电气的模块的选择,所述电气的模块用于将负载连接到车载电网上或者与车载电网耦合起来。所提到的负载而后是所述车载电网的一部分。在选择时,能够访问负载的、在这方面被称为模块组的文件库。在这个模块组中安放有可能的电气的模块,其中这些电气的模块能够根据供电安全和可断开性这些标准来划分或者分类。这意味着,为所述模块组中的每个电气的模块分配有用于所述供电安全的第一特征参量或者第一值或者用于所述可断开性的第二特征参量或者第二值。这两个仅仅在设计方案中包括一个数值的特征参量或者值提供关于所述电气的模块的在两个所提到的标准方面的情况。由此,识别出所述电气的模块的、在供电安全方面的质量以及在可断开性方面的质量。
相应地,对应该与车载电网相耦合的负载进行分级。所述供电要求的负载标准表明所述负载的安全运行对车辆或者车辆的驾驶员具有何种意义的情况。因此,与安全相关的负载、像比如转向器和制动器经常要求比与安全无关的负载、像比如舒适性负载、像比如空调设备更高程度的供电安全。所述反作用程度的负载标准表明关于有缺陷的负载对车载电网的其余部分的可能的影响的情况。由此来定义,有缺陷的负载尤其也在何种时间段里是否能够从车载电网的其余部分上断开具有何种意义。
由此提供以下模块方案,所述模块方案能够在机动车-能量车载电网中用于将能量分配给负载。在此,如果这些负载通路由于短路而危害到输入侧的能量供给的完备性,则不仅对针对用于负载通路(Verbraucherkanal)的能量供给的可用性的要求进行寻址,而且对针对负载通路的可靠的可断开性的要求进行寻址(adressieren)。
所介绍的车载电网被设置用于在具有至少一个负载的机动车中使用,其中为所述至少一个负载中的至少一个负载分配有根据前面所描述的方法来选择的电子的模块。
所述电气的模块能够从如下模块组中来选择,所述模块组包括一个具有彼此并联连接的开关和保险装置的第一电气的模块、一个具有带简单的可信度校验功能的保险装置的第二电气的模块、一个具有带冗余的电流测量功能的保险装置的第三电气的模块和/或一个具有两个并联连接的开关的第四电气的模块。
作为开关,比如能够使用电子开关、像比如晶体管、尤其是场效应晶体管、比如MOSFET。作为保险装置,能够使用熔断保险装置和其他合适的保险装置。
本发明的另外的优点和设计方案从说明书和附图中得出。
不言而喻,前面所提到的以及下面还要解释的特征不仅能够在相应所说明的组合中使用,而且也能够在其它的组合中或者单独地使用,而不离开本发明的范围。
附图说明
其中示出:
图1示出了所介绍的车载电网的第一种实施方式;
图2示出了所介绍的车载电网的第二种实施方式;
图3示出了所介绍的车载电网的第三种实施方式;
图4示出了所介绍的车载电网的第四种实施方式;
图5示出了所介绍的车载电网的第五种实施方式。
具体实施方式
本发明借助于实施方式在附图中示意性地示出并且下面参照附图进行详细描述。
下面说明一些可能的实施方式。应该注意,为不同的要求范围推导出不同的实现模块,所述实现模块分别通过要求来划分到得到保障的用于隔离负载反作用的能力、反作用程度或者反作用自由度以及得到保障的用于提供与能量供给部的不中断的连接的能力、供电安全上。
图1示出了所介绍的车载电网的第一种实施方式,该车载电网在总体上用附图标记10来表示。在这种实施方式中,用ASIL C进行断开并且用QM进行供电。图示在所述车载电网10中示出了第一车载电网通路(Bordnetzkanal)12和第二车载电网通路14,它们通过防火墙16来彼此连接。
在所述第一车载电网通路12中设置有用于进行能量供给的电池20。此外,在图示中绘入了所述电池20的内电阻Ri22和线路26的线路电阻Rcu24。这条被连接到端子30_1 28上的车载电网通路12由此用于进行能量供给并且这条第一车载电网通路12的安全运行应该得到保证。
在所述第二车载电网通路14中设置有与安全无关的QM负载30、也就是舒适性负载、像比如通风装置。这些负载由此关于供电要求具有低的要求。不过,这些负载在故障情况下对整个车载电网10具有负面影响,这意味着,具有低程度的反作用自由度或者高的反作用程度,从而应该保证,能够可靠地将这些负载从车载电网10上断开。被连接到端子30_032上的第二车载电网通路或者其负载由此在供电要求方面没有高的等级。
在所述防火墙16中设置有第一开关40、在这种情况下是MOSFET以及第二开关42、在这种情况下是MOSFET。此外设置有监测单元50,在该监测单元中提供电流测量、过电流切断、用于MOSFET的驱动器、MOSFET-诊断、必要时提供计算单元及其供电和监控。这个监测单元能够是由离散的逻辑电路和计算单元构成的组合并且必要时也能够包括一个或者多个专用集成电路,以用于聚集功能。此外,设置有用于电压测量的第一传感器60、用于温度测量的第二传感器62、用于电压测量的第三传感器64以及用于电流测量的第四传感器66。
在所示出的实施方式中变得清楚的是:如果使用两条并行的电流路径,则这些电流路径中的每条电流路径都能够单个地受到控制。在运行时间的期间,周期性地降低用于每条路径或者车载电网通路的硬件保护阈值,以用于触发诊断。一旦在正确的水平中触发了硬件阈值,则完整的电流路径的电压降会由于整个开关的电阻的增加而变化。用这种方案对整个与安全相关的回路、包括电流测量机构、比较器、切断逻辑电路、门驱动器以及MOSFET通路进行测试。目的是,以MOSFET和操控/诊断电路或者ASIC的高的诊断覆盖率来满足ASIL度量。
前面所描述的用于将两条车载电网通路12、14断开的可行方案能够结合下面所解释的电气的模块或者单独地、也就是说在不取决于负载与电气的模块的耦合的情况下来观察。
图2示出了所描述的车载电网的另一种实施方式,该车载电网在总体上用附图标记100来表示。在这种实施方式中,用QM进行断开并且用ASIL C来进行供电。图示在所述车载电网100中示出了作为能量供给部的电池102、电池102的内电阻Ri 104和线路108的线路电阻Rcu106。这条供电分支与端子30_1 110相连接。
在端子30_1 110上连接有如下第一电气的模块120,在该第一电气的模块中彼此并联地连接有开关122、在这种情况下是MOSFET以及保险装置124、尤其是熔断保险装置。此外,设置有单元130、用于温度测量的第一传感器132、用于电流测量的第二传感器134、用于温度测量的第三传感器136以及用于电压测量的第四传感器138。在一种额外的实施方式中,所述电流传感器134也能够出于冗余原因而双倍地实施、比如以对由保险装置和MOSFET构成的并联电路上的电压降进行首次测量的形式来实施并且在第二种情况下通过额外的独立的测量方法、像比如串联连接的分流电阻或者霍耳元件来实施。
通过对于输出电压的测量,能够识别故障形成原因(Fehlerbilder)、比如保险装置和MOSFET的有缺陷的断开或者漂移。通过由温度传感器和电流传感器构成的组合,能够一方面为电流测量而计算保险装置/MOSFET的温度历程。另一方面,由提高的温度传感器数值和一个或多个电流传感器的不可信的测量值构成的组合能够推断出MOSFET或者保险装置的电阻的漂移。
此外,通过半导体开关的已经描述的短时间的断开,能够有意识地引起来自保险装置和MOSFET的并联电路的电阻值的变化。作为诊断措施,能够检查,是否在一个或多个传感器数值的变化中、尤其在MOSFET和保险装置的并联电路上面的电压降的变化中显示出这种变化。
在接头140上能够连接负载,该负载被分配给第一电子的模块120。
所示出的实施方案由此提供安全地向负荷供给高电流的方案,这同时防止由自身对车载电网产生的负面的反作用,由此实现熔断保险装置的使用。
在这种实施方案中并联地布置MOSFET和熔断保险装置。在正常运行中,所述MOSFET通常处于传导的状态中并且两条并联的或者冗余的路径一起承担电流负荷。通过MOSFET的、为了诊断目的而进行的短时间的、也就是比误差允许时间更短的断开,能够对保险装置电阻进行监控。这一点得以执行,以用于检查保险装置中的潜在的故障、比如断开或漂移以及MOSFET中的潜在的故障、也就是其不能断开的情况。
如果保险装置124显示出非正确地提高的电阻,则MOSFET路径被设计用于承受全部电流。
就MOSFET或者ASIC的故障而言,保险装置124被设计用于导引全部电流,以用于向负载或者负荷供电。MOSFET或者其用于将该MOSFET保持传导状态的驱动器的内部的系统性故障的风险能够通过并联的保险装置124来得到防止,其中在并联的保险装置路径中系统性的故障能够通过合适的设计来加以排除。
由于MOSFET与保险装置124之间的电流分配,能够使所述保险装置和MOSFET保持远离与老化相关的电流。因此,能够为这二者、也就是MOSFET和保险装置挡住与老化相关的故障。
如果将这条路径用于更高的电流,则所述保险装置124就不能保证快速地与负荷断开并且因此所述负荷就必须保证,避免负面的影响,也就是说,所述负荷必须具有高程度的反作用自由度。
由于所述保险装置和MOSFET的老化的降低而能够使用具有小公差的无扩散区的保险装置,所述保险装置通常用于提高熔断积分I2t。所述无扩散区的设计使得所述保险装置的触发特性变得能够预测。此外,所述保险装置相对于热应力变得不敏感。
就通路输出端处的短路而言,能够在通过微控制器来控制的延迟时间里将并联的MOSFET通路保持闭合的状态。这一点而后产生与惰性保险装置(Trägesicherung)相同的特性,但是没有极大地提高的公差的缺点。
图3示出了所述车载电网的第三种实施方式,该第三种实施方式在总体上用附图标记200来表示。在这种实施方式中,用QM进行断开并且用ASIL A进行供电。所述图示在车载电网200中示出了作为能量供给部的电池202、电池202的内电阻Ri 204以及线路208的线路电阻Rcu 206。这条供电分支与端子30_1 210相连接。
在所述端子30_1 210上连接有第二电气的模块220,该第二电气的模块具有差分放大器222、熔断保险装置224和微控制器226。此外,设置有用于温度测量的第一传感器230、用于电流测量的第二传感器232以及用于电压测量的第三传感器234。
通过所述温度传感器230能够测量所述保险装置224上的温度升高,以用于由此计算保险装置电阻的温度补偿。此外能够识别由于所述保险装置224的故障(漂移)而引起的过于剧烈的温度升高。通过对于所述保险装置的受温度补偿的内电阻以及所述保险装置224上的经由差分放大器222的电压降的了解,能够一方面计算流经所述保险装置224的通过电流并且另一方面检测所述保险装置224的与老化相关的负荷并且必要时将其列入到老化模型中。
在接头240上能够连接如下负载,该负载而后通过第二电气的模型220与所述车载电网200相连接。所示出的实施方案规定通过所述保险装置224进行安全供电。这种配置防止负荷的负面的反馈并且包括带有简单的可信度校验功能的保险装置。
通过经过诊断的保险装置224,比如能够达到按照ASIL A的供电安全。如果这一点是足够的,那么这就能够通过对于电流脉冲的雨流计数并且通过应力分析的提供和老化预测来执行。所述能量车载电网供给通路和相对于负荷的布线在电源与短路开关回路之间产生分压器。
所述能量车载电网配置必须保证,负荷中的短路不对其他负荷的安全供电产生不好的影响。
图4示出了所述车载电网的第四种实施方式,该第四种实施方式在总体上用附图标记300来表示。在这种实施方式中,用QM进行断开并且用ASIL A(C)或者B(D)进行供电。所述图示在车载电网200中示出了作为能量供给部的电池302、电池302的内电阻Ri 304以及线路308的线路电阻Rcu 306。这条供电分支与端子30_1 310相连接。
在所述端子30_1 310上连接有第三电气的模块320,该第三电气的模块具有第一差分放大器322、熔断保险装置324、带有所分配的测量电阻328的第二差分放大器326以及微控制器330。此外,设置有用于温度测量的第一传感器332、用于电流测量的第二传感器334、用于电压测量的第三传感器336以及用于温度测量的第四传感器338。
严重的故障在这种实施方式也可以通过用第三传感器336测量输出电压的方式来识别。为了对所述保险装置324的功能状态进行详细的评估,能够根据用第四传感器338测量的温度来确定所述保险装置324的所预料的内电阻。
通过对于所述保险装置324上的经由差分放大器322的电压降以及受温度补偿的电阻的了解,可以获取电流信息。这种电流信息可以与经由测量电阻328来自第二差分放大器326的电流信息进行比较,以用于能够对所述两种电流信息进行相互的可信度校验并且用于识别所述保险装置324的关键性的电阻漂移。
在接头340上能够连接有如下负载,该负载而后通过第二电气的模块320与车载电网300相连接。
这种实施方案规定通过所述保险装置324进行安全供电。所述能量车载电网配置防止负荷的负面的反馈。
所述保险装置324必须保证可用性,以用于通过得到改进的诊断就手动的行驶运行而言确保ASIL A(C)或者比如在自动化的行驶运行中确保ASIL B(D)。因此有利的是,通过对于电流的额外的测量电阻测量来对保险装置电阻及其特性进行监控。
能量车载电网供给通路和相对于负荷的布线在电源与短路开关回路之间产生分压器。
能量车载电网配置必须保证,负荷上的短路没有对其他负荷的安全的供电产生不好的影响。
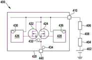
图5示出了所描述的车载电网的第五种实施方式,该第五种实施方式在总体上用附图标记400来表示。在这种实施方式中,用ASIL B(D)进行断开并且用ASIL B(D)进行供电。所述图示在车载电网400中示出了作为能量供给部的电池402、电池402的内电阻Ri 404以及线路408的线路电阻Rcu 406。这条供电分支与端子30_1 410相连接。
在端子30_1 410上连接有如下第四电气的模块420。在这个第四电气的模块420中设置有第一开关422、在这种情况下是MOSFET,第二开关424、在这种情况下是MOSFET,第一操控及诊断机构426和第二操控及诊断机构428。此外,设置有用于温度测量的第一传感器430、用于电流测量的第二传感器432、用于电压测量的第三传感器434以及用于温度测量的第四传感器436。
与前面的实施方案相类似,能够将电压测量用于识别严重的故障。因为在这种实施方案中输出端440能够完全通过半导体来切断,所以在车辆处于安全的状态中的期间通过两个开关422和424的断开来对所述两个开关的断开能力进行检查。在这种方案中,通过确定经由两个开关422和424的电压降这种方式用第二传感器432进行电流测量。通过额外的基于电阻的电流测量机构的串联的安装,能够进一步改进测量的质量。为每个开关422、424分配有如下温度传感器,通过所述温度传感器一方面可以计算开关电阻的温度补偿并且另一方面可以从相对于环境的温度升高中推断出MOSFET的热连接中的故障。
为了在短路时防止半导体损坏,在所述模块426和428中集成了自主的快速反应的过载电路。这条过载电路相应地将来自在模块中安装的传感装置432的当前流动的通过电流与可变的极限值进行比较。能够通过将切断极限微调到当前加载的电流之下的值这种方式在潜在的故障之前对保护装置进行诊断。作为反应,所述自主的过载电路应该识别过载并且作为反应而切断相应的开关422或者424。这能够通过对于经由开关422或者424的电压降的反测量来检查。这种诊断能够在惯性运行中或者也在连续的运行中进行,条件是,两条独立的电流路径之一总是保持闭合状态。
在输出端440上能够连接有如下负载440,该负载而后通过所述第二电气的模块420与车载电网400相连接。
所述实施方案由此示出了仅仅通过MOSFET进行安全的供电的情况。在此,两条并联的MOSFET-通路保证用ASIL B(D)进行的电压供给的可用性,所述电压供给能够被分配到两个用于每条通路的A(D)上。此外,能够进行快速的断开。

Claims (11)

1.用于对机动车的车载电网(10、100、200、300、400)进行配置的方法,其中在所述车载电网(10、100、200、300、400)中设置有至少一个负载(30),其中在所述车载电网(10、100、200、300、400))的配置的范围内为所述至少一个负载(30)中的至少一个负载分配有电气的模块(120、220、320、420),所述电气的模块又被从模块组中选出,其中在选择所述电气的模块(120、220、320、420)时考虑到与所述至少一个负载(30)的供电要求相关的第一负载标准和与所述至少一个负载(30)的反作用程度相关的第二负载标准。
2.根据权利要求1所述的方法,其中模块组中的电气的模块(120、220、320、420)根据与供电安全相关的第一模块标准并且根据与可断开性相关的第二模块标准来分类,其中在选择用于至少一个负载(30)的电气的模块(120、220、320、420)时,将所述第一负载标准和第二负载标准与所述模块组中的电气的模块(120、220、320、420)的第一模块标准和第二模块标准进行比较。
3.根据权利要求1或2所述的方法,其中所述模块组包括第一电气的模块(120),该第一电气的模块具有彼此并联连接的开关(40、42、122、422、424)和保险装置(124、224、324)。
4.根据权利要求1到3中任一项所述的方法,其中所述模块组包括第二电气的模块(220),该第二电气的模块具有带简单的可信度校验功能的保险装置(124、224、324)。
5.根据权利要求1到4中任一项所述的方法,其中所述模块组包括第三电气的模块(320),该第三电气的模块具有带冗余的电流测量功能的保险装置(124、224、324)。
6.根据权利要求3到5任一项所述的方法,其中作为保险装置(124、224、324)来使用以下保险装置,所述保险装置从包括熔断保险装置、印制线路保险装置和变窄的导电轨的组别中来选择。
7.根据权利要求1到6中任一项所述的方法,其中所述模块组包括第四电气的模块(420),该第四电气的模块具有两个并联连接的开关(40、42、122、422、424)。
8.根据权利要求1到7中任一项所述的方法,其中额外地设置防火墙(16),以用于将车载电网通路(12、14)彼此连接起来。
9.用于机动车的车载电网,具有至少一个负载(30),所述负载通过电气的模块(120、220、320、420)被连接到所述车载电网(10、100、200、300、400)上,其中所述电气的模块(120、220、320、420)根据权利要求1到8中任一项来选择。
10.根据权利要求9所述的车载电网,其中所述电气的模块(120、220、320、420)从模块组中来选择,所述模块组包括一个具有彼此并联连接的开关(40、42、122、422、424)和保险装置(124、224、324)的第一电气的模块(120)、一个具有带简单的可信度校验功能的保险装置(124、224、324)的第二电气的模块(220)、一个具有带冗余的电流测量功能的保险装置(124、224、324)的第三电气的模块(320)和/或一个具有两个并联连接的开关(40、42、122、422、424)的第四电气的模块(420)。
11.根据权利要求9或10所述的车载电网,其中所述车载电网(10、100、200、300、400)具有至少两条通过防火墙(16)来彼此连接的车载电网通路(12、14)。
CN202110296569.7A 2020-03-19 2021-03-19 用于对车载电网进行配置的方法 Active CN113492779B (zh)

Applications Claiming Priority (2)

Application Number Priority Date Filing Date Title
DE102020107695.9A DE102020107695A1 (de) 2020-03-19 2020-03-19 Verfahren zum Konfigurieren eines Bordnetzes
DE102020107695.9 2020-03-19

Publications (2)

Publication Number Publication Date
CN113492779A true CN113492779A (zh) 2021-10-12
CN113492779B CN113492779B (zh) 2025-09-19

Family

ID=77552460

Family Applications (1)

Application Number Title Priority Date Filing Date
CN202110296569.7A Active CN113492779B (zh) 2020-03-19 2021-03-19 用于对车载电网进行配置的方法

Country Status (3)

Country Link
US (1) US20210291765A1 (zh)
CN (1) CN113492779B (zh)
DE (1) DE102020107695A1 (zh)

Families Citing this family (5)

* Cited by examiner, † Cited by third party
Publication number Priority date Publication date Assignee Title
US11808820B1 (en) * 2022-08-02 2023-11-07 Apple Inc. Fault detection for redundant connections
JP7762125B2 (ja) * 2022-09-20 2025-10-29 本田技研工業株式会社 車両電源システム
DE102023201502A1 (de) 2023-02-21 2024-08-22 Robert Bosch Gesellschaft mit beschränkter Haftung Vorrichtung zur Energieversorgung zumindest eines sicherheitsrelevanten Verbrauchers in einem Kraftfahrzeug
DE102023201504A1 (de) 2023-02-21 2024-08-22 Robert Bosch Gesellschaft mit beschränkter Haftung Vorrichtung zur Energieversorgung eines sicherheitsrelevanten Verbrauchers in einem Kraftfahrzeug
DE102023134737A1 (de) * 2023-12-12 2025-06-12 Fep Fahrzeugelektrik Pirna Gmbh & Co. Kg Vorrichtung zur betriebsartabhängigen Schaltung der funktionalen Sicherheitsstufe (ASIL)

Citations (10)

* Cited by examiner, † Cited by third party
Publication number Priority date Publication date Assignee Title
US6633475B2 (en) * 2001-06-22 2003-10-14 Robert Bosch Corporation High side supply shut down circuit
DE102004021998A1 (de) * 2004-05-03 2006-05-24 Daimlerchrysler Ag Energieversorgungssystem für ein Fahrzeug und zugehöriges Energieverteilungsverfahren
US8450881B2 (en) * 2008-12-22 2013-05-28 Lisa Dräxlmaier GmbH Apparatus and method for protecting an electric line
US20140117751A1 (en) * 2012-10-31 2014-05-01 Fairchild Semiconductor Corporation Power Switching System with Control Signal Driven Supply Voltage
US20140350781A1 (en) * 2011-10-07 2014-11-27 Paul Mehringer Diagnostic device for a multi-voltage vehicle electrical system, a multi-voltage vehicle electrical system, and a method for operating a multi-voltage vehicle electrical system
CN104821613A (zh) * 2015-02-10 2015-08-05 中国建材国际工程集团有限公司 基于新型电动交通工具的充电系统
US20150346288A1 (en) * 2014-05-27 2015-12-03 Power Measurements, LLC Devices and methods for testing the energy measurement accuracy, billing accuracy, functional performance and safety of electric vehicle charging stations
WO2016045837A1 (de) * 2014-09-23 2016-03-31 Robert Bosch Gmbh Bordnetz
CN106537712A (zh) * 2014-07-29 2017-03-22 宝马股份公司 用于监控电驱动车辆的高压车载电网发生过载的设备
DE102018216491B3 (de) * 2018-09-26 2019-12-24 Audi Ag Bordnetz für ein Kraftfahrzeug, Kraftfahrzeug und Verfahren zum Betreiben eines Bordnetzes

Family Cites Families (3)

* Cited by examiner, † Cited by third party
Publication number Priority date Publication date Assignee Title
US20100109430A1 (en) 2008-11-06 2010-05-06 Lockheed Martin Corporation Modular power distribution system, method, and apparatus having configurable outputs
JP6255429B2 (ja) 2016-02-04 2017-12-27 矢崎総業株式会社 電流遮断装置及びワイヤハーネス
DE102017219897A1 (de) 2017-11-09 2019-05-09 Bayerische Motoren Werke Aktiengesellschaft Schutzschaltung für ein Hochvoltbordnetz eines Kraftfahrzeugs, Hochvoltbordnetz sowie Kraftfahrzeug

Patent Citations (10)

* Cited by examiner, † Cited by third party
Publication number Priority date Publication date Assignee Title
US6633475B2 (en) * 2001-06-22 2003-10-14 Robert Bosch Corporation High side supply shut down circuit
DE102004021998A1 (de) * 2004-05-03 2006-05-24 Daimlerchrysler Ag Energieversorgungssystem für ein Fahrzeug und zugehöriges Energieverteilungsverfahren
US8450881B2 (en) * 2008-12-22 2013-05-28 Lisa Dräxlmaier GmbH Apparatus and method for protecting an electric line
US20140350781A1 (en) * 2011-10-07 2014-11-27 Paul Mehringer Diagnostic device for a multi-voltage vehicle electrical system, a multi-voltage vehicle electrical system, and a method for operating a multi-voltage vehicle electrical system
US20140117751A1 (en) * 2012-10-31 2014-05-01 Fairchild Semiconductor Corporation Power Switching System with Control Signal Driven Supply Voltage
US20150346288A1 (en) * 2014-05-27 2015-12-03 Power Measurements, LLC Devices and methods for testing the energy measurement accuracy, billing accuracy, functional performance and safety of electric vehicle charging stations
CN106537712A (zh) * 2014-07-29 2017-03-22 宝马股份公司 用于监控电驱动车辆的高压车载电网发生过载的设备
WO2016045837A1 (de) * 2014-09-23 2016-03-31 Robert Bosch Gmbh Bordnetz
CN104821613A (zh) * 2015-02-10 2015-08-05 中国建材国际工程集团有限公司 基于新型电动交通工具的充电系统
DE102018216491B3 (de) * 2018-09-26 2019-12-24 Audi Ag Bordnetz für ein Kraftfahrzeug, Kraftfahrzeug und Verfahren zum Betreiben eines Bordnetzes

Also Published As

Publication number Publication date
US20210291765A1 (en) 2021-09-23
CN113492779B (zh) 2025-09-19
DE102020107695A1 (de) 2021-09-23

Similar Documents

Publication Publication Date Title
CN113492779B (zh) 用于对车载电网进行配置的方法
US9802562B2 (en) Automotive power unit
US10676052B2 (en) Power distributor, and on-board electrical system having at least one power distributor
US10153632B2 (en) Device and method for protecting an electrical system component of a vehicle electrical system
US7679211B2 (en) Electrical disconnect system
JP2019526217A (ja) 車両用の電流分配器及びヒューズシステム
CN110850329B (zh) 用于诊断机动车中的开关装置的方法
CN114175432B (zh) 车辆车载电网和用于保护车辆车载电网的方法
JP2020108219A (ja) 通電制御装置
US12051931B2 (en) Onboard power supply device and onboard power supply control method
US11336281B2 (en) Output module for industrial control system
CN117321918A (zh) 具有监控功能的半导体开关装置、能量系统和车辆
JP7759506B2 (ja) 自動車のエネルギ供給監視方法
US20250054719A1 (en) Fuse Component With Electronic Circuit Breaker and Fuse Wire
JP7459469B2 (ja) 産業用制御装置の出力モジュール
CN115656750A (zh) 电源控制装置及半导体故障检测方法
US20250047090A1 (en) Fuse Circuit Assembly for An Energy System and Energy System
JP7226273B2 (ja) 異常判定装置
US20230318293A1 (en) System for controlling power to load from power supply line
WO2021260991A1 (ja) 集積回路装置
EP4678480A1 (en) Power distribution device and wire-disconnect determination method
CN118574752A (zh) 配电器、配电系统和包括其的交通工具
WO2024236912A1 (ja) 故障検知回路および故障検知方法
JP2026014173A (ja) 車両用制御装置
WO2025002897A1 (en) Battery management system, battery pack and switch device control method

Legal Events

Date Code Title Description
PB01 Publication
PB01 Publication
SE01 Entry into force of request for substantive examination
SE01 Entry into force of request for substantive examination
GR01 Patent grant
GR01 Patent grant