CN113471890A - 一种用于快速处理射频电缆断口的装置 - Google Patents
一种用于快速处理射频电缆断口的装置 Download PDFInfo
- Publication number
- CN113471890A CN113471890A CN202111033143.9A CN202111033143A CN113471890A CN 113471890 A CN113471890 A CN 113471890A CN 202111033143 A CN202111033143 A CN 202111033143A CN 113471890 A CN113471890 A CN 113471890A
- Authority
- CN
- China
- Prior art keywords
- arc
- fixedly connected
- radio frequency
- sliding
- fracture
- Prior art date
- Legal status (The legal status is an assumption and is not a legal conclusion. Google has not performed a legal analysis and makes no representation as to the accuracy of the status listed.)
- Granted
Links
- 238000010008 shearing Methods 0.000 claims abstract description 15
- 230000008439 repair process Effects 0.000 claims description 3
- 229910001220 stainless steel Inorganic materials 0.000 claims description 3
- 239000010935 stainless steel Substances 0.000 claims description 3
- 238000009941 weaving Methods 0.000 description 6
- 238000004891 communication Methods 0.000 description 2
- 238000005520 cutting process Methods 0.000 description 2
- 230000000694 effects Effects 0.000 description 2
- 230000006872 improvement Effects 0.000 description 2
- 230000007246 mechanism Effects 0.000 description 2
- 238000003825 pressing Methods 0.000 description 2
- 230000009471 action Effects 0.000 description 1
- 210000002615 epidermis Anatomy 0.000 description 1
- 238000000034 method Methods 0.000 description 1
- 238000012986 modification Methods 0.000 description 1
- 230000004048 modification Effects 0.000 description 1
- 230000008569 process Effects 0.000 description 1
- 210000003491 skin Anatomy 0.000 description 1
- 238000005728 strengthening Methods 0.000 description 1
- 238000004804 winding Methods 0.000 description 1
Images
Classifications
-
- H—ELECTRICITY
- H02—GENERATION; CONVERSION OR DISTRIBUTION OF ELECTRIC POWER
- H02G—INSTALLATION OF ELECTRIC CABLES OR LINES, OR OF COMBINED OPTICAL AND ELECTRIC CABLES OR LINES
- H02G1/00—Methods or apparatus specially adapted for installing, maintaining, repairing or dismantling electric cables or lines
- H02G1/16—Methods or apparatus specially adapted for installing, maintaining, repairing or dismantling electric cables or lines for repairing insulation or armouring of cables
Landscapes
- Processing Of Terminals (AREA)
Abstract
本发明公开了一种用于快速处理射频电缆断口的装置,属于射频电缆领域,包括底座,所述底座上侧一端对称固定连接两个卡接板,两个所述卡接板用于卡接固定线缆,所述底座上侧转动连接支撑板,所述支撑板上侧设有滑动槽,所述滑动槽内对称滑动连接两个滑块,其中一个滑块一端固定连接剪切装置,另一个滑块一端固定连接安装座,所述安装座固定连接有修补片。本发明通过两个第一弧形板相互咬合,在缺口的外侧形成一个椭圆形的咬口,去除破碎的表皮并形成规则的断面,便于后续修补作业,圆弧垫板对电线形成防护,避免咬合齿对电线造成损伤。
Description
技术领域
本发明属于射频电缆领域,具体涉及一种用于快速处理射频电缆断口的装置。
背景技术
射频电缆是传输射频范围内电磁能量的电缆,射频电缆是各种无线电通信系统及电子设备中不可缺少的元件,在无线通信与广播、电视、雷达、导航、计算机及仪表等方面广泛的应用。
现有的射频电缆内部设有加强结构强度的编织层,编织层位于电线与绝缘外皮之间,在绝缘外皮形成缺口后,不便于对缺口形成规整的修补,造成缺口处结构强度降低。
发明内容
本发明的目的在于提供一种用于快速处理射频电缆断口的装置。
为达此目的,本发明采用以下技术方案:
一种用于快速处理射频电缆断口的装置,包括底座,所述底座上侧一端对称固定连接两个卡接板,两个所述卡接板用于卡接固定线缆,所述底座上侧转动连接支撑板,所述支撑板上侧设有滑动槽,所述滑动槽内对称滑动连接两个滑块,其中一个滑块一端固定连接剪切装置,另一个滑块一端固定连接安装座,所述安装座固定连接有修补片;
所述剪切装置包括支板、两个第一弧形板、支柱和两个圆弧垫板;所述支板固定连接在滑块一端,两个所述第一弧形板分别与支板转动连接,两个所述第一弧形板的内弧面设有咬合齿,两个第一弧形板的转轴端头固定连接齿轮,两个所述齿轮相啮合,其中一个第一弧形板的转轴设有复位用扭簧,所述支柱位于两个所述第一弧形板之间,所述支柱与滑块固定连接,两个所述圆弧垫板对称固定连接在支柱一端。
作为一种用于快速处理射频电缆断口的装置的优选方案,每个所述滑块上侧固定连接立板,所述支撑板上侧固定连接横板,所述横板设有导向孔,所述立板一侧固定连接导向杆,所述导向杆由导向孔穿过并滑动连接,所述立板与横板之间固定连接支撑弹簧。
作为一种用于快速处理射频电缆断口的装置的优选方案,所述立板上侧固定连接握杆,所述握杆外侧设有环形防滑槽。
作为一种用于快速处理射频电缆断口的装置的优选方案,所述修补片包括弧形盖板和弹性插板,所述弧形盖板一侧设有两个插孔,所述安装座一侧固定连接两个橡胶杆,所述橡胶杆与插孔对应设置,两个所述弹性插板呈弧形且对称设置。
作为一种用于快速处理射频电缆断口的装置的优选方案,每个所述弹性插板一端设有斜面,所述斜面设有凸块。
作为一种用于快速处理射频电缆断口的装置的优选方案,所述卡接板上侧设有卡接槽,所述卡接槽相对的两个侧壁均固定连接弧形橡胶块。
作为一种用于快速处理射频电缆断口的装置的优选方案,所述圆弧垫板的材质为不锈钢。
作为一种用于快速处理射频电缆断口的装置的优选方案,所述支撑板底部设有两个滑动孔,每个滑动孔内滑动连接圆形柱,所述圆形柱上端与滑动孔的上端之间固定连接第一弹簧,所述底座设有贯穿孔。
作为一种用于快速处理射频电缆断口的装置的优选方案,所述圆形柱的下端转动连接滚珠。
作为一种用于快速处理射频电缆断口的装置的优选方案,所述底座上侧固定连接挡板,所述挡板一侧固定连接水平板,所述水平板上侧设有腰型槽,所述底座上侧设有螺纹孔,所述螺纹孔内螺纹连接压紧杆,所述压紧杆由腰型槽穿过。
本发明的技术效果和优点:本发明提出的一种用于快速处理射频电缆断口的装置,与现有技术相比,具有以下优点:
1、本发明通过在两个卡接板上卡接固定线缆,线缆的缺口对正剪切装置,滑块在滑动槽内,圆弧垫板嵌入线缆的编织层与电线之间形成衬垫,随后手动下压上侧的第一弧形板,在齿轮的作用下两个第一弧形板相互咬合,在缺口的外侧形成一个椭圆形的咬口,去除破碎的表皮并形成规则的断面,便于后续修补作业,圆弧垫板对电线形成防护,避免咬合齿对电线造成损伤。
2、本发明通过橡胶杆与插孔的配合,暂时性的连接在安装座上,便于通过滑块的滑动,将修补片插接到线缆上由剪切装置剪切出的规则断面,弹性插板插入电线与编织层之间,凸块便于后续在修补片及线缆外侧共同缠绕绑带的时候,使得破碎的编织层边缘压紧,便于提高修补后的结构强度。
3、本发明通过支撑板上的剪切装置与修补片呈对称设置,圆形柱与贯穿孔同轴后形成限位,便于进行后续操作;在完成剪切作业后,从贯穿孔的下端插入杆状物,使得圆形柱由贯穿孔离开,随后转动度,另外的圆形柱与贯穿孔同轴并对修补片的作业提供定位,便于提高线缆的修补效率。
附图说明
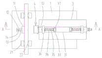
图1为本发明的立体结构示意图。
图2为图1中E处放大的立体结构示意图。
图3为本发明的俯视图。
图4为图3中A-A处的剖面结构示意图。
图5为图4中F处放大的局部示意图。
图6为图4中M处放大的局部示意图。
图7为图4中N处放大的局部示意图。
图中:1-底座;10-线缆;20-缺口;30-编织层;11-挡板;12-水平板;13-腰型槽;14-压紧杆;2-卡接板;21-卡接槽;22-弧形橡胶块;31-滑动槽;32-滑块;33-立板;34-横板;35-导向杆;36-支撑弹簧;37-握杆;4-剪切装置;41-支板;42-第一弧形板;43-支柱;44-圆弧垫板;45-咬合齿;5-安装座;6-修补片;61-弧形盖板;62-弹性插板;63-插孔;64-橡胶杆;65-斜面;66-凸块;71-圆形柱;72-第一弹簧;73-贯穿孔。
具体实施方式
下面将对本发明实施例中的技术方案进行清楚、完整地描述,显然,所描述的实施例仅仅是本发明一部分实施例,而不是全部的实施例。此处所描述的具体实施例仅仅用以解释本发明,并不用于限定本发明。基于本发明中的实施例,本领域普通技术人员在没有做出创造性劳动前提下所获得的所有其他实施例,都属于本发明保护的范围。
本发明提供了如图1-7所示的一种技术方案:一种用于快速处理射频电缆断口的装置,包括底座1,底座1上侧固定连接挡板11,挡板11一侧固定连接水平板12,水平板12上侧设有腰型槽13,底座1上侧设有螺纹孔,螺纹孔内螺纹连接压紧杆14,压紧杆14由腰型槽13穿过,底座1上侧一端对称固定连接两个卡接板2,两个卡接板2用于卡接固定线缆10,卡接板2上侧设有卡接槽21,卡接槽21相对的两个侧壁均固定连接弧形橡胶块22,线缆10挤压穿过弧形橡胶块22并被卡接固定住,底座1上侧转动连接支撑板3,支撑板3上侧设有滑动槽31,滑动槽31内对称滑动连接两个滑块32,其中一个滑块32一端固定连接剪切装置4,另一个滑块32一端固定连接安装座5,安装座5固定连接有修补片6;
剪切装置4包括支板41、两个第一弧形板42、支柱43和两个圆弧垫板44,圆弧垫板44的材质为不锈钢;支板41固定连接在滑块32一端,两个第一弧形板42分别与支板41转动连接,两个第一弧形板42的内弧面设有咬合齿45,两个第一弧形板42的咬合齿45在相对转动时能够在线缆10的缺口20处形成一个椭圆形的咬口,两个第一弧形板42的转轴端头固定连接齿轮,两个齿轮相啮合,其中一个第一弧形板42的转轴设有复位用扭簧,支柱43位于两个第一弧形板42之间,支柱43与滑块32固定连接,两个圆弧垫板44对称固定连接在支柱43一端;在两个卡接板2上卡接固定线缆10,线缆10的缺口20对正剪切装置4,滑块32在滑动槽31内,圆弧垫板44嵌入线缆10的编织层30与电线之间形成衬垫,随后手动下压上侧的第一弧形板42,在齿轮的作用下两个第一弧形板42相互咬合,在缺口20的外侧形成一个椭圆形的咬口,去除破碎的表皮并形成规则的断面,便于后续修补作业,圆弧垫板44对电线形成防护,避免咬合齿45对电线造成损伤。
每个滑块32上侧固定连接立板33,支撑板3上侧固定连接横板34,横板34设有导向孔,立板33一侧固定连接导向杆35,导向杆35由导向孔穿过并滑动连接,立板33与横板34之间固定连接支撑弹簧36,用于对应的滑块32复位,立板33上侧固定连接握杆37,握杆37外侧设有环形防滑槽。
修补片6包括弧形盖板61和弹性插板62,弧形盖板61一侧设有两个插孔63,安装座5一侧固定连接两个橡胶杆64,橡胶杆64与插孔63对应设置,两个弹性插板62呈弧形且对称设置,每个弹性插板62一端设有斜面65,斜面65设有凸块66;弧形盖板61通过橡胶杆64与插孔63的配合,暂时性的连接在安装座5上,便于通过滑块32的滑动,将修补片6插接到线缆10上由剪切装置4剪切出的规则断面,弹性插板62插入电线与编织层30之间,凸块66便于后续在修补片6及线缆10外侧共同缠绕绑带的时候,使得破碎的编织层30边缘压紧,便于提高修补后的结构强度。
支撑板3底部设有两个滑动孔,每个滑动孔内滑动连接圆形柱71,圆形柱71上端与滑动孔的上端之间固定连接第一弹簧72,底座1设有贯穿孔73,圆形柱71的下端转动连接滚珠;支撑板3上的剪切装置4与修补片6呈对称设置,圆形柱71与贯穿孔73同轴后形成限位,便于进行后续操作;在完成剪切作业后,从贯穿孔73的下端插入杆状物,使得圆形柱71由贯穿孔73离开,随后转动180度,另外的圆形柱71与贯穿孔73同轴并对修补片6的作业提供定位,便于提高线缆10的修补效率。
本发明的描述中,需要说明的是,术语“上”、“下”、 “左” 、“右”等指示的方位或者位置关系为基于附图所示的方位或者位置关系,仅是为了便于描述本实用和简化描述,而不是指示或者暗示所指的装置或者元件必须具有特定的方位,以特定的方位构造和操作,因此不能理解为对本发明的限制。最后应说明的是:以上所述仅为本发明的优选实施例而已,并不用于限制本发明,尽管参照前述实施例对本发明进行了详细的说明,对于本领域的技术人员来说,其依然可以对前述各实施例所记载的技术方案进行修改,或者对其中部分技术特征进行等同替换,凡在本发明的精神和原则之内,所作的任何修改、等同替换、改进等,均应包含在本发明的保护范围之内。
Claims (9)
1.一种用于快速处理射频电缆断口的装置,包括底座(1),所述底座(1)上侧一端对称固定连接两个卡接板(2),两个所述卡接板(2)用于卡接固定线缆,所述底座(1)上侧转动连接支撑板(3),其特征在于:所述支撑板(3)上侧设有滑动槽(31),所述滑动槽(31)内对称滑动连接两个滑块(32),其中一个滑块(32)一端固定连接剪切装置(4),另一个滑块(32)一端固定连接安装座(5),所述安装座(5)固定连接有修补片(6);
所述剪切装置(4)包括支板(41)、两个第一弧形板(42)、支柱(43)和两个圆弧垫板(44);所述支板(41)固定连接在滑块(32)一端,两个所述第一弧形板(42)分别与支板(41)转动连接,两个所述第一弧形板(42)的内弧面设有咬合齿(45),两个第一弧形板(42)的转轴端头固定连接齿轮,两个所述齿轮相啮合,其中一个第一弧形板(42)的转轴设有复位用扭簧,所述支柱(43)位于两个所述第一弧形板(42)之间,所述支柱(43)与滑块(32)固定连接,两个所述圆弧垫板(44)对称固定连接在支柱(43)一端;
所述修补片(6)包括弧形盖板(61)和弹性插板(62),所述弧形盖板(61)一侧设有两个插孔(63),所述安装座(5)一侧固定连接两个橡胶杆(64),所述橡胶杆(64)与插孔(63)对应设置,两个所述弹性插板(62)呈弧形且对称设置。
2.根据权利要求1所述的一种用于快速处理射频电缆断口的装置,其特征在于:每个所述滑块(32)上侧固定连接立板(33),所述支撑板(3)上侧固定连接横板(34),所述横板(34)设有导向孔,所述立板(33)一侧固定连接导向杆(35),所述导向杆(35)由导向孔穿过并滑动连接,所述立板(33)与横板(34)之间固定连接支撑弹簧(36)。
3.根据权利要求2所述的一种用于快速处理射频电缆断口的装置,其特征在于:所述立板(33)上侧固定连接握杆(37),所述握杆(37)外侧设有环形防滑槽。
4.根据权利要求1所述的一种用于快速处理射频电缆断口的装置,其特征在于:每个所述弹性插板(62)一端设有斜面(65),所述斜面(65)设有凸块(66)。
5.根据权利要求1所述的一种用于快速处理射频电缆断口的装置,其特征在于:所述卡接板(2)上侧设有卡接槽(21),所述卡接槽(21)相对的两个侧壁均固定连接弧形橡胶块(22)。
6.根据权利要求1所述的一种用于快速处理射频电缆断口的装置,其特征在于:所述圆弧垫板(44)的材质为不锈钢。
7.根据权利要求1所述的一种用于快速处理射频电缆断口的装置,其特征在于:所述支撑板(3)底部设有两个滑动孔,每个滑动孔内滑动连接圆形柱(71),所述圆形柱(71)上端与滑动孔的上端之间固定连接第一弹簧(72),所述底座(1)设有贯穿孔(73)。
8.根据权利要求7所述的一种用于快速处理射频电缆断口的装置,其特征在于:所述圆形柱(71)的下端转动连接滚珠。
9.根据权利要求1所述的一种用于快速处理射频电缆断口的装置,其特征在于:所述底座(1)上侧固定连接挡板(11),所述挡板(11)一侧固定连接水平板(12),所述水平板(12)上侧设有腰型槽(13),所述底座(1)上侧设有螺纹孔,所述螺纹孔内螺纹连接压紧杆(14),所述压紧杆(14)由腰型槽(13)穿过。
Priority Applications (1)
| Application Number | Priority Date | Filing Date | Title |
|---|---|---|---|
| CN202111033143.9A CN113471890B (zh) | 2021-09-03 | 2021-09-03 | 一种用于快速处理射频电缆断口的装置 |
Applications Claiming Priority (1)
| Application Number | Priority Date | Filing Date | Title |
|---|---|---|---|
| CN202111033143.9A CN113471890B (zh) | 2021-09-03 | 2021-09-03 | 一种用于快速处理射频电缆断口的装置 |
Publications (2)
| Publication Number | Publication Date |
|---|---|
| CN113471890A true CN113471890A (zh) | 2021-10-01 |
| CN113471890B CN113471890B (zh) | 2021-11-05 |
Family
ID=77867351
Family Applications (1)
| Application Number | Title | Priority Date | Filing Date |
|---|---|---|---|
| CN202111033143.9A Active CN113471890B (zh) | 2021-09-03 | 2021-09-03 | 一种用于快速处理射频电缆断口的装置 |
Country Status (1)
| Country | Link |
|---|---|
| CN (1) | CN113471890B (zh) |
Citations (5)
| Publication number | Priority date | Publication date | Assignee | Title |
|---|---|---|---|---|
| JP2008099391A (ja) * | 2006-10-10 | 2008-04-24 | Chugoku Electric Power Co Inc:The | 絶縁電線補修方法及びこれに用いる補修工具 |
| CN203434541U (zh) * | 2013-09-23 | 2014-02-12 | 国家电网公司 | 安全二次电缆剥线器 |
| CN206060069U (zh) * | 2016-09-22 | 2017-03-29 | 无锡工艺职业技术学院 | 一种电缆剥线刀 |
| CN207705691U (zh) * | 2017-11-21 | 2018-08-07 | 潍坊职业学院 | 热熔胶芯电缆绝缘修复套管 |
| CN208028507U (zh) * | 2017-12-25 | 2018-10-30 | 山东联能电力设计有限公司 | 一种用于降低线损的电线修复装置 |
-
2021
- 2021-09-03 CN CN202111033143.9A patent/CN113471890B/zh active Active
Patent Citations (5)
| Publication number | Priority date | Publication date | Assignee | Title |
|---|---|---|---|---|
| JP2008099391A (ja) * | 2006-10-10 | 2008-04-24 | Chugoku Electric Power Co Inc:The | 絶縁電線補修方法及びこれに用いる補修工具 |
| CN203434541U (zh) * | 2013-09-23 | 2014-02-12 | 国家电网公司 | 安全二次电缆剥线器 |
| CN206060069U (zh) * | 2016-09-22 | 2017-03-29 | 无锡工艺职业技术学院 | 一种电缆剥线刀 |
| CN207705691U (zh) * | 2017-11-21 | 2018-08-07 | 潍坊职业学院 | 热熔胶芯电缆绝缘修复套管 |
| CN208028507U (zh) * | 2017-12-25 | 2018-10-30 | 山东联能电力设计有限公司 | 一种用于降低线损的电线修复装置 |
Also Published As
| Publication number | Publication date |
|---|---|
| CN113471890B (zh) | 2021-11-05 |
Similar Documents
| Publication | Publication Date | Title |
|---|---|---|
| CN113471890B (zh) | 一种用于快速处理射频电缆断口的装置 | |
| CN203437732U (zh) | 元件接脚剪钳治具 | |
| TW201338309A (zh) | 網通連接器之構件製造方法 | |
| CN206565421U (zh) | 可调式腕带及可穿戴设备 | |
| CN208884247U (zh) | 一种丝绸面料切割机构 | |
| CN214857105U (zh) | 一种止血压迫装置 | |
| CN204376137U (zh) | Rf线端连接器 | |
| CN208723506U (zh) | 一种变电检修用电缆线绝缘支撑装置 | |
| CN215687918U (zh) | 一种心电图设备导联线整理装置 | |
| CN213267270U (zh) | 一种医用贴裁切装置 | |
| CN211027872U (zh) | 一种热电偶用导电芯线的拉直装置 | |
| CN213310223U (zh) | 加压型肋骨接骨板 | |
| CN218699105U (zh) | 一种敷料贴生产加工用剪裁装置 | |
| CN211934468U (zh) | 一种骨科固定用夹板装置 | |
| CN218216427U (zh) | 一种基于5g的多通道合路器供电组件 | |
| CN203646849U (zh) | 用于床板的包边 | |
| CN217587311U (zh) | 一种配电网停电监测装置 | |
| CN220520920U (zh) | 一种裤袢定位模具 | |
| CN206180279U (zh) | 一种电子设备的接地端子 | |
| CN213559633U (zh) | 一种电气设备二次控制电缆线芯专用校直工具 | |
| CN214761258U (zh) | 一种皮肤伤口锁合器 | |
| CN218900579U (zh) | 一种用于电针刺激的穴位电极片 | |
| CN207010100U (zh) | 一种分线剥皮模具 | |
| CN214478295U (zh) | 一种显示屏用电源线 | |
| CN204839707U (zh) | 一种组合型接骨板 |
Legal Events
| Date | Code | Title | Description |
|---|---|---|---|
| PB01 | Publication | ||
| PB01 | Publication | ||
| SE01 | Entry into force of request for substantive examination | ||
| SE01 | Entry into force of request for substantive examination | ||
| GR01 | Patent grant | ||
| GR01 | Patent grant |