CN113289365B - Absorption heat pump rectification system based on intermediate reboiling and intermediate condensation - Google Patents
Absorption heat pump rectification system based on intermediate reboiling and intermediate condensation Download PDFInfo
- Publication number
- CN113289365B CN113289365B CN202110743644.XA CN202110743644A CN113289365B CN 113289365 B CN113289365 B CN 113289365B CN 202110743644 A CN202110743644 A CN 202110743644A CN 113289365 B CN113289365 B CN 113289365B
- Authority
- CN
- China
- Prior art keywords
- heat pump
- pump
- pipeline
- heat exchanger
- tower
- Prior art date
- Legal status (The legal status is an assumption and is not a legal conclusion. Google has not performed a legal analysis and makes no representation as to the accuracy of the status listed.)
- Active
Links
- 238000010521 absorption reaction Methods 0.000 title claims abstract description 65
- 238000009833 condensation Methods 0.000 title claims abstract description 25
- 230000005494 condensation Effects 0.000 title claims abstract description 25
- 239000000463 material Substances 0.000 claims abstract description 101
- 238000005194 fractionation Methods 0.000 claims abstract description 54
- 238000010992 reflux Methods 0.000 claims abstract description 20
- 239000002918 waste heat Substances 0.000 claims abstract description 19
- 238000010438 heat treatment Methods 0.000 claims abstract description 13
- 238000011084 recovery Methods 0.000 claims abstract description 6
- XLYOFNOQVPJJNP-UHFFFAOYSA-N water Substances O XLYOFNOQVPJJNP-UHFFFAOYSA-N 0.000 claims description 44
- AMXOYNBUYSYVKV-UHFFFAOYSA-M lithium bromide Chemical compound [Li+].[Br-] AMXOYNBUYSYVKV-UHFFFAOYSA-M 0.000 claims description 6
- 239000007788 liquid Substances 0.000 claims description 3
- 238000004508 fractional distillation Methods 0.000 claims 1
- 238000000034 method Methods 0.000 abstract description 10
- 238000001816 cooling Methods 0.000 description 5
- 238000005265 energy consumption Methods 0.000 description 5
- 239000007789 gas Substances 0.000 description 3
- 239000007791 liquid phase Substances 0.000 description 3
- 239000012071 phase Substances 0.000 description 3
- 239000006096 absorbing agent Substances 0.000 description 2
- 230000007423 decrease Effects 0.000 description 2
- 230000000694 effects Effects 0.000 description 2
- 238000005504 petroleum refining Methods 0.000 description 2
- 238000013475 authorization Methods 0.000 description 1
- 230000009286 beneficial effect Effects 0.000 description 1
- 238000010586 diagram Methods 0.000 description 1
- 238000004821 distillation Methods 0.000 description 1
- 238000005516 engineering process Methods 0.000 description 1
- 238000001704 evaporation Methods 0.000 description 1
- 230000008020 evaporation Effects 0.000 description 1
- 238000002309 gasification Methods 0.000 description 1
- 230000002427 irreversible effect Effects 0.000 description 1
- 238000004519 manufacturing process Methods 0.000 description 1
- 238000000926 separation method Methods 0.000 description 1
Images
Classifications
-
- B—PERFORMING OPERATIONS; TRANSPORTING
- B01—PHYSICAL OR CHEMICAL PROCESSES OR APPARATUS IN GENERAL
- B01D—SEPARATION
- B01D3/00—Distillation or related exchange processes in which liquids are contacted with gaseous media, e.g. stripping
- B01D3/14—Fractional distillation or use of a fractionation or rectification column
-
- B—PERFORMING OPERATIONS; TRANSPORTING
- B01—PHYSICAL OR CHEMICAL PROCESSES OR APPARATUS IN GENERAL
- B01D—SEPARATION
- B01D3/00—Distillation or related exchange processes in which liquids are contacted with gaseous media, e.g. stripping
- B01D3/14—Fractional distillation or use of a fractionation or rectification column
- B01D3/32—Other features of fractionating columns ; Constructional details of fractionating columns not provided for in groups B01D3/16 - B01D3/30
-
- B—PERFORMING OPERATIONS; TRANSPORTING
- B01—PHYSICAL OR CHEMICAL PROCESSES OR APPARATUS IN GENERAL
- B01D—SEPARATION
- B01D3/00—Distillation or related exchange processes in which liquids are contacted with gaseous media, e.g. stripping
- B01D3/14—Fractional distillation or use of a fractionation or rectification column
- B01D3/32—Other features of fractionating columns ; Constructional details of fractionating columns not provided for in groups B01D3/16 - B01D3/30
- B01D3/322—Reboiler specifications
-
- C—CHEMISTRY; METALLURGY
- C10—PETROLEUM, GAS OR COKE INDUSTRIES; TECHNICAL GASES CONTAINING CARBON MONOXIDE; FUELS; LUBRICANTS; PEAT
- C10G—CRACKING HYDROCARBON OILS; PRODUCTION OF LIQUID HYDROCARBON MIXTURES, e.g. BY DESTRUCTIVE HYDROGENATION, OLIGOMERISATION, POLYMERISATION; RECOVERY OF HYDROCARBON OILS FROM OIL-SHALE, OIL-SAND, OR GASES; REFINING MIXTURES MAINLY CONSISTING OF HYDROCARBONS; REFORMING OF NAPHTHA; MINERAL WAXES
- C10G7/00—Distillation of hydrocarbon oils
-
- F—MECHANICAL ENGINEERING; LIGHTING; HEATING; WEAPONS; BLASTING
- F25—REFRIGERATION OR COOLING; COMBINED HEATING AND REFRIGERATION SYSTEMS; HEAT PUMP SYSTEMS; MANUFACTURE OR STORAGE OF ICE; LIQUEFACTION SOLIDIFICATION OF GASES
- F25B—REFRIGERATION MACHINES, PLANTS OR SYSTEMS; COMBINED HEATING AND REFRIGERATION SYSTEMS; HEAT PUMP SYSTEMS
- F25B30/00—Heat pumps
- F25B30/04—Heat pumps of the sorption type
-
- Y—GENERAL TAGGING OF NEW TECHNOLOGICAL DEVELOPMENTS; GENERAL TAGGING OF CROSS-SECTIONAL TECHNOLOGIES SPANNING OVER SEVERAL SECTIONS OF THE IPC; TECHNICAL SUBJECTS COVERED BY FORMER USPC CROSS-REFERENCE ART COLLECTIONS [XRACs] AND DIGESTS
- Y02—TECHNOLOGIES OR APPLICATIONS FOR MITIGATION OR ADAPTATION AGAINST CLIMATE CHANGE
- Y02P—CLIMATE CHANGE MITIGATION TECHNOLOGIES IN THE PRODUCTION OR PROCESSING OF GOODS
- Y02P70/00—Climate change mitigation technologies in the production process for final industrial or consumer products
- Y02P70/10—Greenhouse gas [GHG] capture, material saving, heat recovery or other energy efficient measures, e.g. motor control, characterised by manufacturing processes, e.g. for rolling metal or metal working
Landscapes
- Chemical & Material Sciences (AREA)
- Chemical Kinetics & Catalysis (AREA)
- Engineering & Computer Science (AREA)
- Oil, Petroleum & Natural Gas (AREA)
- General Chemical & Material Sciences (AREA)
- Organic Chemistry (AREA)
- Physics & Mathematics (AREA)
- Mechanical Engineering (AREA)
- Thermal Sciences (AREA)
- General Engineering & Computer Science (AREA)
- Vaporization, Distillation, Condensation, Sublimation, And Cold Traps (AREA)
Abstract
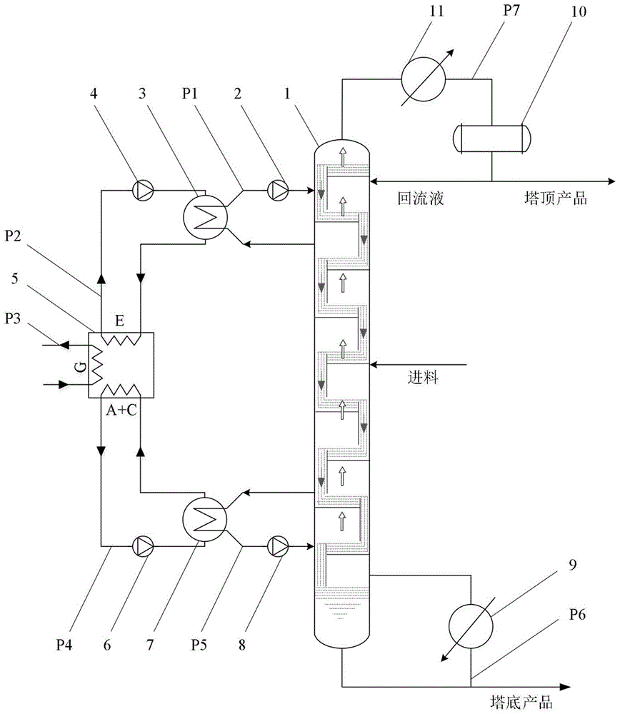
本发明公开了一种基于中间再沸和中间冷凝的吸收式热泵精馏系统,包括分馏塔、中间冷凝换热器、吸收式热泵、中间再沸换热器、塔底重沸器、回流罐和塔顶冷凝器;分馏塔的精馏段由中间冷凝换热器与吸收式热泵依次连通组成顶部余热回收回路,分馏塔的提馏段由中间再沸换热器与吸收式热泵依次连通组成底部物料加热回路;蒸汽通过蒸汽管道与吸收式热泵的发生器相连通;分馏塔的顶部通过塔顶产品物料管道依次与塔顶冷凝器、回流罐相连通,分馏塔的底部侧壁通过塔底产品物料管道与塔底重沸器的入口相连。本发明布局紧凑,既回收了塔顶余热,减少系统废热排放量,又对提馏段中间物料加热,降低精馏塔塔底再沸器的工艺蒸汽消耗量,大量节约蒸汽。
The invention discloses an absorption heat pump rectification system based on intermediate reboiling and intermediate condensation, comprising a fractionating tower, an intermediate condensation heat exchanger, an absorption heat pump, an intermediate reboiling heat exchanger, a column bottom reboiler and a reflux tank and the overhead condenser; the rectifying section of the fractionation tower is composed of an intermediate condensing heat exchanger and an absorption heat pump in turn to form a top waste heat recovery loop, and the stripping section of the fractionation tower is composed of an intermediate reboiler heat exchanger and an absorption heat pump connected in turn. Bottom material heating circuit; the steam is connected with the generator of the absorption heat pump through the steam pipeline; the top of the fractionation tower is connected with the tower top condenser and the reflux tank in turn through the tower top product material pipeline, and the bottom side wall of the fractionation tower passes through the bottom of the tower. The product feed line is connected to the inlet of the bottom reboiler. The invention has a compact layout, not only recovers the waste heat at the top of the tower, reduces the waste heat discharge of the system, but also heats the intermediate material in the stripping section, reduces the process steam consumption of the reboiler at the bottom of the rectification tower, and saves a lot of steam.
Description
技术领域technical field
本发明涉及石油炼化技术领域,尤其涉及一种基于中间再沸和中间冷凝的吸收式热泵精馏系统。The invention relates to the technical field of petroleum refining, in particular to an absorption heat pump rectification system based on intermediate reboiling and intermediate condensation.
背景技术Background technique
石油炼制是能耗大户,在石油化工生产中约70%的能耗用于分离,而精馏所消耗的能源占其中的95%,其中,通过空冷、水冷方式排放的精馏塔塔顶低温余热又占精馏能耗的70%以上。在常规精馏塔中,总加热负荷全部由塔底再沸器承担,所有物料冷凝热全部由塔顶冷凝器输出。但实际上,塔内沿提馏段向上轻组分气化所需热量逐板减少;沿精馏段向上重组分冷凝所需的冷量逐板减少。因此,深度挖掘精馏工艺的物料梯级加热及余热节能潜力对于石油化工行业节能减排意义重大。Petroleum refining is a major energy consumer. About 70% of the energy consumption in petrochemical production is used for separation, while rectification accounts for 95% of the energy consumption. Among them, the top of the rectification tower discharged through air cooling and water cooling The low temperature waste heat accounts for more than 70% of the energy consumption of rectification. In a conventional rectifying column, the total heating load is entirely borne by the bottom reboiler, and all the heat of condensation of materials is output by the column top condenser. But in fact, the heat required for the gasification of light components in the column along the stripping section decreases plate by plate; the cooling capacity required for the condensation of the heavy components upward in the rectification section decreases plate by plate. Therefore, it is of great significance for the energy saving and emission reduction of the petrochemical industry to deeply explore the material cascade heating and waste heat energy saving potential of the rectification process.
中国专利申请号为201810126772.8,授权公告日为2018年5月29日,专利名称为一种基于吸收式热泵的中间再沸器梯级加热系统。提出利用工艺蒸汽驱动热泵循环回收塔顶物料低温余热,以加热分馏塔进口物料。虽然此技术在一定程度上回收了塔顶余热,减少了蒸汽的使用量,但是由于进口物料温度高使其蒸馏效果下降,造成塔的回流比升高,因此,塔的总能耗反而升高。The Chinese patent application number is 201810126772.8, the authorization announcement date is May 29, 2018, and the patent name is an intermediate reboiler cascade heating system based on an absorption heat pump. It is proposed to use the process steam to drive the heat pump to recycle the low temperature waste heat of the top material to heat the inlet material of the fractionation tower. Although this technology recovers the residual heat at the top of the tower to a certain extent and reduces the amount of steam used, the distillation effect is reduced due to the high temperature of the inlet material, resulting in an increase in the reflux ratio of the tower. Therefore, the total energy consumption of the tower increases instead. .
发明内容SUMMARY OF THE INVENTION
本发明的目的是提供一种基于中间再沸和中间冷凝的吸收式热泵精馏系统,通过增设中间冷凝换热器及中间再沸换热器,利用吸收式热泵进行热量传递,冷却精馏段气相物料,加热提馏段液相物料,解决物料加热能级不匹配的问题。The purpose of the present invention is to provide an absorption heat pump rectification system based on intermediate reboiler and intermediate condensation, by adding an intermediate condensation heat exchanger and an intermediate reboiler heat exchanger, using an absorption heat pump for heat transfer, cooling the rectification section The gas phase material is heated to the liquid phase material in the stripping section to solve the problem of material heating energy level mismatch.
为解决上述技术问题,本发明采用如下技术方案:In order to solve the above-mentioned technical problems, the present invention adopts the following technical solutions:
本发明一种基于中间再沸和中间冷凝的吸收式热泵精馏系统,包括分馏塔、中间冷凝换热器、吸收式热泵、中间再沸换热器、塔底重沸器、回流罐和塔顶冷凝器;The present invention is an absorption heat pump rectification system based on intermediate reboiler and intermediate condensation, comprising a fractionation column, an intermediate condensation heat exchanger, an absorption heat pump, an intermediate reboiler heat exchanger, a column bottom reboiler, a reflux tank and a column top condenser;
所述分馏塔的精馏段通过一号物料管道与所述中间冷凝换热器的一侧相连通,所述中间冷凝换热器的另一侧通过一号循环水管道与所述吸收式热泵的蒸发器一侧相连通,所述分馏塔的精馏段、中间冷凝换热器与吸收式热泵依次连通组成顶部余热回收回路;The rectification section of the fractionation tower is communicated with one side of the intermediate condensing heat exchanger through the No. 1 material pipeline, and the other side of the intermediate condensing heat exchanger is connected to the absorption heat pump through the No. 1 circulating water pipeline. One side of the evaporator is connected, and the rectifying section of the fractionation tower, the intermediate condensing heat exchanger and the absorption heat pump are connected in turn to form a top waste heat recovery loop;
所述分馏塔的提馏段通过二号物料管道与所述中间再沸换热器的一侧相连通,所述中间再沸换热器的另一侧通过二号循环水管道与所述吸收式热泵相连通,所述分馏塔的提馏段、中间再沸换热器与吸收式热泵依次连通组成底部物料加热回路;The stripping section of the fractionation tower is communicated with one side of the intermediate reboiler heat exchanger through the No. 2 material pipeline, and the other side of the intermediate reboiler heat exchanger is connected to the absorber through the No. 2 circulating water pipeline. The stripping section of the fractionation tower, the intermediate reboiler heat exchanger and the absorption heat pump are connected in turn to form a bottom material heating circuit;
蒸汽通过蒸汽管道与所述吸收式热泵的发生器相连通;回收余热、蒸汽热源通过所述吸收式热泵传递给所述中间再沸换热器;The steam is communicated with the generator of the absorption heat pump through a steam pipeline; the recovered waste heat and the steam heat source are transferred to the intermediate reboiler heat exchanger through the absorption heat pump;
所述分馏塔的顶部通过塔顶产品物料管道依次与所述塔顶冷凝器、所述回流罐相连通,所述回流罐的出口与塔顶产品区连通,所述回流罐产生的回流液通过管道返回至所述分馏塔内;The top of the fractionation column is communicated with the column top condenser and the reflux tank in turn through the column top product material pipeline, the outlet of the reflux tank is communicated with the column top product area, and the reflux liquid generated by the reflux tank passes through the column. The pipeline is returned to the fractionation tower;
所述分馏塔的底部侧壁通过塔底产品物料管道与所述塔底重沸器的入口相连,所述塔底重沸器的出口通过塔底产品物料管道与分馏塔的底部相连通,所述分馏塔的底部通过塔底产品物料管道与塔底产品区相连通。The bottom side wall of the fractionation tower is connected with the inlet of the reboiler at the bottom of the tower through the product material pipeline at the bottom of the tower, and the outlet of the reboiler at the bottom of the tower is connected with the bottom of the fractionation tower through the product material pipeline at the bottom of the tower. The bottom of the fractionation tower is communicated with the bottom product area through the bottom product material pipeline.
进一步的,所述一号物料管道上设置有一号物料泵,所述分馏塔的精馏段通过所述一号物料管道与所述中间冷凝换热器的进口相连,所述中间冷凝换热器的出口与所述一号物料泵的进口相连,所述一号物料泵的出口与分馏塔相连通;所述一号循环水管道上设置有一号热泵循环水泵,所述中间冷凝换热器的出口通过一号循环水管道与所述吸收式热泵的蒸发器入口相连,所述吸收式热泵的蒸发器出口与一号热泵循环水泵的进口相连,所述一号热泵循环水泵的出口与所述中间冷凝换热器的进口相连。Further, the No. 1 material pipeline is provided with a No. 1 material pump, and the rectifying section of the fractionation tower is connected to the inlet of the intermediate condensing heat exchanger through the No. 1 material pipeline, and the intermediate condensing heat exchanger is connected. The outlet of the No. 1 material pump is connected with the inlet of the No. 1 material pump, and the outlet of the No. 1 material pump is connected with the fractionation tower; the No. 1 circulating water pipeline is provided with a No. 1 heat pump circulating water pump, and the intermediate condensing heat exchanger The outlet is connected to the inlet of the evaporator of the absorption heat pump through the No. 1 circulating water pipeline, the evaporator outlet of the absorption heat pump is connected to the inlet of the No. 1 heat pump circulating water pump, and the outlet of the No. 1 heat pump circulating water pump is connected to the The inlet of the intermediate condensing heat exchanger is connected.
进一步的,所述二号物料管道上设置有二号物料泵,所述分馏塔的提馏段通过二号物料管道与所述中间再沸换热器的进口相连,所述中间再沸换热器的出口通过二号物料管道与二号物料泵的进口连通,所述二号物料泵的出口与所述分馏塔相连通;所述二号循环水管道上设置有二号热泵循环水泵,所述中间再沸换热器的出口与所述吸收式热泵的进口相连,吸收式热泵的出口与二号热泵循环水泵的进口相连,所述二号热泵循环水泵的出口与所述中间再沸换热器的进口相连。Further, the No. 2 material pipeline is provided with a No. 2 material pump, and the stripping section of the fractionation tower is connected to the inlet of the intermediate reboiler heat exchanger through the No. 2 material pipeline, and the intermediate reboiler heat exchange is performed. The outlet of the device is connected with the inlet of the No. 2 material pump through the No. 2 material pipeline, and the outlet of the No. 2 material pump is connected with the fractionation tower; the No. 2 circulating water pipeline is provided with a No. 2 heat pump circulating water pump, so The outlet of the intermediate reboiler heat exchanger is connected to the inlet of the absorption heat pump, the outlet of the absorption heat pump is connected to the inlet of the No. 2 heat pump circulating water pump, and the outlet of the No. 2 heat pump circulating water pump is connected to the intermediate reboiler exchange The inlet of the heater is connected.
进一步的,所述吸收式热泵的发生器设置有凝水管道。Further, the generator of the absorption heat pump is provided with a condensate pipeline.
进一步的,所述吸收式热泵采用蒸汽型溴化锂吸收式热泵。Further, the absorption heat pump adopts a steam-type lithium bromide absorption heat pump.
与现有技术相比,本发明的有益技术效果:Compared with the prior art, the beneficial technical effects of the present invention:
本发明一种基于中间再沸和中间冷凝的吸收式热泵精馏系统,采用中间换热器可使热源温度与物料加热需求更加匹配。一方面回收了塔顶余热,减少系统废热排放量,另一方面对提馏段中间物料进行加热,利用低温位余热废热替代塔底再沸器的高温位热源,降低精馏塔塔底再沸器的工艺蒸汽消耗量,大量节约蒸汽。The invention is an absorption heat pump rectification system based on intermediate reboiling and intermediate condensation, and the use of an intermediate heat exchanger can make the temperature of the heat source more matched with the heating requirement of the material. On the one hand, the waste heat at the top of the tower is recovered to reduce the amount of waste heat discharged from the system. Process steam consumption of the device, saving a lot of steam.
附图说明Description of drawings
下面结合附图说明对本发明作进一步说明。The present invention will be further described below with reference to the accompanying drawings.
图1为本发明基于中间再沸和中间冷凝的吸收式热泵精馏系统示意图;Fig. 1 is the schematic diagram of the absorption heat pump rectification system based on intermediate reboiling and intermediate condensation of the present invention;
附图标记说明:1、分馏塔;2、一号物料泵;3、中间冷凝换热器;4、一号热泵循环水泵;5、吸收式热泵;6、二号热泵循环水泵;7、中间再沸换热器;8、二号物料泵;9、塔底重沸器;10、回流罐;11、塔顶冷凝器;P1、一号物料管道;P2、一号循环水管道;P3、蒸汽管道;P4、二号循环水管道;P5、二号物料管道;P6、塔底产品物料管道;P7、塔顶产品物料管道;A-吸收器;C-冷凝器;E-蒸发器;G-发生器。Description of reference numerals: 1. Fractionation tower; 2. No. 1 material pump; 3. Intermediate condensing heat exchanger; 4. No. 1 heat pump circulating water pump; 5. Absorption heat pump; 6. No. 2 heat pump circulating water pump; 7. Intermediate Reboiler heat exchanger; 8. No. 2 material pump; 9. Column bottom reboiler; 10. Reflux tank; 11. Column top condenser; P1, No. 1 material pipeline; P2, No. 1 circulating water pipeline; P3, Steam pipeline; P4, No. 2 circulating water pipeline; P5, No. 2 material pipeline; P6, Column bottom product material pipeline; P7, Column top product material pipeline; A-absorber; C-condenser; E-evaporator; G -generator.
具体实施方式Detailed ways
如图1所示,一种基于中间再沸和中间冷凝的吸收式热泵精馏系统,包括分馏塔1、中间冷凝换热器3、吸收式热泵5、中间再沸换热器7、塔底重沸器9、回流罐10和塔顶冷凝器11。As shown in Figure 1, an absorption heat pump rectification system based on intermediate reboiler and intermediate condensation includes a
所述分馏塔1的精馏段通过一号物料管道P1与所述中间冷凝换热器3的一侧相连通,所述中间冷凝换热器3的另一侧通过一号循环水管道P2与所述吸收式热泵5的蒸发器一侧相连通,所述分馏塔1的精馏段、中间冷凝换热器3与吸收式热泵5依次连通组成顶部余热回收回路;The rectifying section of the
所述分馏塔1的提馏段通过二号物料管道P5与所述中间再沸换热器7的一侧相连通,所述中间再沸换热器7的另一侧通过二号循环水管道P4与所述吸收式热泵5相连通,所述分馏塔1的提馏段、中间再沸换热器7与吸收式热泵5依次连通组成底部物料加热回路;The stripping section of the
蒸汽通过蒸汽管道P3与所述吸收式热泵5的发生器相连通;回收余热、蒸汽热源通过所述吸收式热泵5传递给所述中间再沸换热器7;The steam is communicated with the generator of the
所述分馏塔1的顶部通过塔顶产品物料管道P7依次与所述塔顶冷凝器11、所述回流罐10相连通,所述回流罐10的出口与塔顶产品区连通,所述回流罐10产生的回流液通过管道返回至所述分馏塔1内;The top of the
所述分馏塔1的底部侧壁通过塔底产品物料管道P6与所述塔底重沸器9的入口相连,所述塔底重沸器9的出口通过塔底产品物料管道P6与分馏塔1的底部相连通,所述分馏塔1的底部通过塔底产品物料管道P6与塔底产品区相连通。The bottom side wall of the
具体的,顶部余热回收回路具体连接关系为,所述一号物料管道P1上设置有一号物料泵2,所述分馏塔1的精馏段通过所述一号物料管道P1与所述中间冷凝换热器3的进口相连,所述中间冷凝换热器3的出口与所述一号物料泵2的进口相连,所述一号物料泵2的出口与分馏塔1相连通;所述一号循环水管道P2上设置有一号热泵循环水泵4,所述中间冷凝换热器3的出口通过一号循环水管道P2与所述吸收式热泵5的蒸发器入口相连,所述吸收式热泵5的蒸发器出口与一号热泵循环水泵4的进口相连,所述一号热泵循环水泵4的出口与所述中间冷凝换热器3的进口相连。Specifically, the specific connection relationship of the top waste heat recovery circuit is that the No. 1 material pipeline P1 is provided with a No. 1
具体的,底部物料加热回路连接关系为,所述二号物料管道P5上设置有二号物料泵8,所述分馏塔1的提馏段通过二号物料管道P5与所述中间再沸换热器5的进口相连,所述中间再沸换热器5的出口通过二号物料管道P5与二号物料泵8的进口连通,所述二号物料泵8的出口与所述分馏塔1相连通;所述二号循环水管道P4上设置有二号热泵循环水泵6,所述中间再沸换热器5的出口与所述吸收式热泵5的进口相连,吸收式热泵5的出口与二号热泵循环水泵6的进口相连,所述二号热泵循环水泵6的出口与所述中间再沸换热器5的进口相连。Specifically, the connection relationship of the bottom material heating circuit is that the No. 2 material pipe P5 is provided with a No. 2
具体的,所述吸收式热泵5的发生器设置有凝水管道。所述吸收式热泵5采用蒸汽型溴化锂吸收式热泵。Specifically, the generator of the
本发明的工作过程如下:The working process of the present invention is as follows:
1)分馏塔顶部的物料流通过程:所述分馏塔1的塔顶产品物料通过塔顶产品物料管道P7经过塔顶冷凝器11进入到回流罐10内,回流罐10内的塔顶物料通过塔顶产品物料管道P7分别输送至分馏塔1、塔顶产品区;1) the material circulation process at the top of the fractionation tower: the overhead product material of the
2)分馏塔顶部余热回收过程:分馏塔1顶部精馏段的蒸汽通过一号物料管道P1进入所述中间冷凝换热器3进行换热,精馏段气相物料释放热量后全部冷凝或部分冷凝的物料在一号物料泵2的作用下,通过一号物料管道P1返回分馏塔1内;2) The waste heat recovery process at the top of the fractionating tower: the steam in the rectifying section at the top of the
3)吸收式热泵的工作流程:一是余热的传递,循环水通过一号循环水管道P2进入中间冷凝换热器3进行换热,循环水吸收余热后在一号热泵循环水泵4的作用下,将热量传送至吸收式热泵5内;二是蒸汽热量的传递,蒸汽通过蒸汽管道P3与所述吸收式热泵5的发生器相连通并进行热量传递;三是回收的余热、蒸汽热源的输出,二号循环水管道P4在二号热泵循环水泵6的作用下,将传递过来的热量传送至中间再沸换热器7中进行热交换释放热量;3) The working process of the absorption heat pump: First, the transfer of waste heat. The circulating water enters the intermediate
4)分馏塔底部的物料流通过程:一是,分馏塔1的塔底产品物料通过塔底产品物料管道P6经三通分流为两路,其中一部分塔底物料经塔底产品物料管道P6进入塔底产品区,另一部分进入塔底重沸器9加热,升温后的物料再通过塔底产品物料管道P6返回至分馏塔1进行分馏处理;二是,分馏塔1提馏段的输出管路通过二号物料管道P5与中间再沸换热器P7相连进行换热,物料进入中间再沸换热器7的一侧进行吸热从而加热提馏段液相物料,全部气化或部分气化的物料在二号物料泵8的作用下,通过二号物料管道P5返回分馏塔1内。4) The material circulation process at the bottom of the fractionation tower: First, the product material at the bottom of the
总的来说,本发明利用基于中间再沸和中间冷凝的吸收式热泵精馏系统,增设中间冷凝换热器及中间再沸换热器,通过吸收式热泵进行热量传递,冷却精馏段气相物料,加热提馏段液相物料,通过梯级用能,降低精馏塔物料加热或冷却过程的不可逆损失。In general, the present invention utilizes an absorption heat pump rectification system based on intermediate reboiling and intermediate condensation, adds an intermediate condensation heat exchanger and an intermediate reboiler heat exchanger, transfers heat through an absorption heat pump, and cools the gas phase in the rectification section. Material, heating the liquid phase material in the stripping section, and reducing the irreversible loss in the heating or cooling process of the material in the rectification tower through cascade energy consumption.
以上所述的实施例仅是对本发明的优选方式进行描述,并非对本发明的范围进行限定,在不脱离本发明设计精神的前提下,本领域普通技术人员对本发明的技术方案做出的各种变形和改进,均应落入本发明权利要求书确定的保护范围内。The above-mentioned embodiments are only to describe the preferred mode of the present invention, but not to limit the scope of the present invention. Without departing from the design spirit of the present invention, those of ordinary skill in the art can Variations and improvements should fall within the protection scope determined by the claims of the present invention.
Claims (5)
Priority Applications (1)
| Application Number | Priority Date | Filing Date | Title |
|---|---|---|---|
| CN202110743644.XA CN113289365B (en) | 2021-07-01 | 2021-07-01 | Absorption heat pump rectification system based on intermediate reboiling and intermediate condensation |
Applications Claiming Priority (1)
| Application Number | Priority Date | Filing Date | Title |
|---|---|---|---|
| CN202110743644.XA CN113289365B (en) | 2021-07-01 | 2021-07-01 | Absorption heat pump rectification system based on intermediate reboiling and intermediate condensation |
Publications (2)
| Publication Number | Publication Date |
|---|---|
| CN113289365A CN113289365A (en) | 2021-08-24 |
| CN113289365B true CN113289365B (en) | 2022-06-17 |
Family
ID=77330317
Family Applications (1)
| Application Number | Title | Priority Date | Filing Date |
|---|---|---|---|
| CN202110743644.XA Active CN113289365B (en) | 2021-07-01 | 2021-07-01 | Absorption heat pump rectification system based on intermediate reboiling and intermediate condensation |
Country Status (1)
| Country | Link |
|---|---|
| CN (1) | CN113289365B (en) |
Families Citing this family (2)
| Publication number | Priority date | Publication date | Assignee | Title |
|---|---|---|---|---|
| CN114526564B (en) * | 2021-12-31 | 2023-09-29 | 湖南中创化工股份有限公司 | Method and device for recycling latent heat of acetic acid removal tower of isopropyl acetate device based on heat pump system |
| CN116870510B (en) * | 2023-07-31 | 2025-07-25 | 福建汉芯科技有限公司 | A rectification heat pump system for production of semiconductor level electron level hydrofluoric acid |
Family Cites Families (15)
| Publication number | Priority date | Publication date | Assignee | Title |
|---|---|---|---|---|
| GB1061208A (en) * | 1964-03-25 | 1967-03-08 | Exxon Research Engineering Co | Pipe still |
| GB1124580A (en) * | 1966-02-22 | 1968-08-21 | Petrocarbon Dev Ltd | Low temperature separation of a mixture of gases |
| FR2321098A1 (en) * | 1975-08-14 | 1977-03-11 | Inst Francais Du Petrole | ABSORPTION THERMOTRANSFORMER |
| CN101792679B (en) * | 2010-02-11 | 2013-04-24 | 中石油东北炼化工程有限公司锦州设计院 | Energy-saving method for vaporizing feed of propylene depolymerization oil tower by stepped utilization of low-temperature wastewater and device thereof |
| CN101874934A (en) * | 2010-07-05 | 2010-11-03 | 天津大学 | Flash feed type internal heat integrated energy-saving rectification device and method |
| CN102423539B (en) * | 2011-09-05 | 2013-12-11 | 天津大学 | Energy-saving technology of catalytic reaction distillation process and device thereof |
| CN103908791B (en) * | 2014-04-02 | 2016-01-06 | 唐山山岛石油化学有限公司 | Twice, the same chamber phase transformation decompression distillation device of built-in condenser |
| CN104083887B (en) * | 2014-06-10 | 2016-05-18 | 北京中科华誉能源技术发展有限责任公司 | Utilize the heating system of fractionator overhead waste heat preheating materials at bottom of tower charging |
| CN104383704B (en) * | 2014-09-19 | 2016-06-15 | 燕山大学 | A kind of step heating system to the preheating of gas fractionator inlet feed |
| CN205662475U (en) * | 2016-05-11 | 2016-10-26 | 上海优华系统集成技术股份有限公司 | P xylene heat cascade utilization's heat transfer system |
| CN106492496A (en) * | 2016-11-28 | 2017-03-15 | 南京航空航天大学 | Generating rectifying integral system and method for work |
| CN206881182U (en) * | 2017-06-21 | 2018-01-16 | 河北乐恒化工设备制造有限公司 | The device of energy-efficient concentrate |
| CN109675333B (en) * | 2017-10-19 | 2021-09-14 | 中国石化工程建设有限公司 | Benzene tower fractionation device and method driven by heat pump |
| CN107754366B (en) * | 2017-11-07 | 2023-02-28 | 珠海格力电器股份有限公司 | Absorption compression type heat pump rectification system |
| CN108079611B (en) * | 2018-02-08 | 2019-07-05 | 燕山大学 | An intermediate reboiler cascade heating system based on absorption heat pump |
-
2021
- 2021-07-01 CN CN202110743644.XA patent/CN113289365B/en active Active
Also Published As
| Publication number | Publication date |
|---|---|
| CN113289365A (en) | 2021-08-24 |
Similar Documents
| Publication | Publication Date | Title |
|---|---|---|
| CN113289365B (en) | Absorption heat pump rectification system based on intermediate reboiling and intermediate condensation | |
| CN108910992A (en) | A kind of rectifying applied to high saliferous high-COD waste water, MVR vaporising device | |
| CN102153092B (en) | Heat pump distillation and multi-effect distillation integrated device and process for purifying trichlorosilane | |
| CN101745241A (en) | Method and device for producing calcium chloride solution through concentration | |
| CN117138378A (en) | A three-tower heat pump energy-saving device for methanol distillation and its process | |
| CN108079611B (en) | An intermediate reboiler cascade heating system based on absorption heat pump | |
| CN106492496A (en) | Generating rectifying integral system and method for work | |
| CN108251144B (en) | Process and system for realizing final dehydration of tar by recycling waste heat of heat pump unit | |
| CN221117061U (en) | MVR coupling multi-effect rectification imidacloprid wastewater recycling device | |
| CN114632343B (en) | MVR heat pump rectification system and method | |
| CN208916845U (en) | A kind of ammonia steaming system | |
| CN201668968U (en) | An energy-saving system for the production of edible ethanol by five-tower three-stage differential pressure distillation | |
| CN113440882B (en) | Device and method applied to styrene separation system | |
| CN213049458U (en) | Organic waste liquid rectifying device | |
| CN117883807A (en) | A high-efficiency and energy-saving vacuum crude benzene distillation method and device | |
| CN213294754U (en) | Normal-pressure energy-saving continuous fractionating device | |
| CN109536204A (en) | Low Temperature Thermal upgrading utilizes catalytic cracking unit | |
| CN111558231A (en) | Binary component azeotrope separation system | |
| CN211069080U (en) | Argon tail gas recovery device | |
| CN209714331U (en) | A kind of fractionation tower top waste heat recycling and reusing system | |
| CN119280860B (en) | Low-pressure cross-flow triple-effect dividing-wall tower distillation process and apparatus for crude methanol refining | |
| CN115006863A (en) | Rectification system and rectification process for separating wide boiling range binary mixture | |
| CN216536961U (en) | Thermal coupling methanol rectifying device of side line and bulkhead recovery tower | |
| CN222694020U (en) | A device for utilizing heat energy from solvent refining in the production process of synthetic rubber | |
| CN208829307U (en) | A kind of rectifying applied to high saliferous high-COD waste water, MVR vaporising device |
Legal Events
| Date | Code | Title | Description |
|---|---|---|---|
| PB01 | Publication | ||
| PB01 | Publication | ||
| SE01 | Entry into force of request for substantive examination | ||
| SE01 | Entry into force of request for substantive examination | ||
| GR01 | Patent grant | ||
| GR01 | Patent grant |
