CN113251455B - 一种民用集成油烟净化收集一体机及其净化方法 - Google Patents
一种民用集成油烟净化收集一体机及其净化方法 Download PDFInfo
- Publication number
- CN113251455B CN113251455B CN202110765431.7A CN202110765431A CN113251455B CN 113251455 B CN113251455 B CN 113251455B CN 202110765431 A CN202110765431 A CN 202110765431A CN 113251455 B CN113251455 B CN 113251455B
- Authority
- CN
- China
- Prior art keywords
- oil
- air
- fixedly connected
- smoke
- pressure
- Prior art date
- Legal status (The legal status is an assumption and is not a legal conclusion. Google has not performed a legal analysis and makes no representation as to the accuracy of the status listed.)
- Active
Links
- 239000003517 fume Substances 0.000 title claims abstract description 22
- 238000000034 method Methods 0.000 title claims abstract description 17
- 238000000746 purification Methods 0.000 title claims description 38
- 239000000779 smoke Substances 0.000 claims abstract description 90
- 230000005684 electric field Effects 0.000 claims abstract description 46
- 239000003595 mist Substances 0.000 claims abstract description 35
- 230000009471 action Effects 0.000 claims abstract description 16
- 239000007789 gas Substances 0.000 claims abstract description 16
- 239000002245 particle Substances 0.000 claims abstract description 12
- 230000007613 environmental effect Effects 0.000 claims abstract description 8
- CBENFWSGALASAD-UHFFFAOYSA-N Ozone Chemical compound [O-][O+]=O CBENFWSGALASAD-UHFFFAOYSA-N 0.000 claims abstract description 6
- OKTJSMMVPCPJKN-UHFFFAOYSA-N Carbon Chemical compound [C] OKTJSMMVPCPJKN-UHFFFAOYSA-N 0.000 claims description 39
- UGFAIRIUMAVXCW-UHFFFAOYSA-N Carbon monoxide Chemical compound [O+]#[C-] UGFAIRIUMAVXCW-UHFFFAOYSA-N 0.000 claims description 11
- 239000003546 flue gas Substances 0.000 claims description 11
- CURLTUGMZLYLDI-UHFFFAOYSA-N Carbon dioxide Chemical compound O=C=O CURLTUGMZLYLDI-UHFFFAOYSA-N 0.000 claims description 10
- 229910052799 carbon Inorganic materials 0.000 claims description 9
- 238000001514 detection method Methods 0.000 claims description 9
- 239000006096 absorbing agent Substances 0.000 claims description 8
- 230000000694 effects Effects 0.000 claims description 8
- 229920000742 Cotton Polymers 0.000 claims description 7
- 238000005352 clarification Methods 0.000 claims description 6
- 239000001569 carbon dioxide Substances 0.000 claims description 5
- 229910002092 carbon dioxide Inorganic materials 0.000 claims description 5
- VUZPPFZMUPKLLV-UHFFFAOYSA-N methane;hydrate Chemical compound C.O VUZPPFZMUPKLLV-UHFFFAOYSA-N 0.000 claims description 5
- 230000003584 silencer Effects 0.000 claims description 5
- 238000001179 sorption measurement Methods 0.000 claims description 5
- XLYOFNOQVPJJNP-UHFFFAOYSA-N water Substances O XLYOFNOQVPJJNP-UHFFFAOYSA-N 0.000 claims description 5
- 238000007664 blowing Methods 0.000 claims description 4
- 230000035939 shock Effects 0.000 claims description 4
- 238000009423 ventilation Methods 0.000 claims description 4
- 230000000903 blocking effect Effects 0.000 claims description 3
- 238000007789 sealing Methods 0.000 claims description 3
- 239000010419 fine particle Substances 0.000 claims description 2
- 230000009965 odorless effect Effects 0.000 claims 1
- 238000007599 discharging Methods 0.000 description 9
- 239000006233 lamp black Substances 0.000 description 5
- 230000008569 process Effects 0.000 description 5
- 238000010276 construction Methods 0.000 description 4
- 238000010411 cooking Methods 0.000 description 4
- 201000010099 disease Diseases 0.000 description 4
- 208000037265 diseases, disorders, signs and symptoms Diseases 0.000 description 4
- 239000003344 environmental pollutant Substances 0.000 description 4
- 230000036541 health Effects 0.000 description 4
- 231100000719 pollutant Toxicity 0.000 description 4
- 239000000126 substance Substances 0.000 description 4
- UHOVQNZJYSORNB-UHFFFAOYSA-N Benzene Chemical compound C1=CC=CC=C1 UHOVQNZJYSORNB-UHFFFAOYSA-N 0.000 description 3
- 238000004140 cleaning Methods 0.000 description 3
- 230000029058 respiratory gaseous exchange Effects 0.000 description 3
- HGINCPLSRVDWNT-UHFFFAOYSA-N Acrolein Chemical compound C=CC=O HGINCPLSRVDWNT-UHFFFAOYSA-N 0.000 description 2
- 206010035664 Pneumonia Diseases 0.000 description 2
- 206010044302 Tracheitis Diseases 0.000 description 2
- 230000008901 benefit Effects 0.000 description 2
- 238000009530 blood pressure measurement Methods 0.000 description 2
- 238000011161 development Methods 0.000 description 2
- 238000000605 extraction Methods 0.000 description 2
- 238000012423 maintenance Methods 0.000 description 2
- 235000012054 meals Nutrition 0.000 description 2
- 239000013618 particulate matter Substances 0.000 description 2
- 230000002265 prevention Effects 0.000 description 2
- 238000011160 research Methods 0.000 description 2
- 206010039083 rhinitis Diseases 0.000 description 2
- 206010010741 Conjunctivitis Diseases 0.000 description 1
- 230000000711 cancerogenic effect Effects 0.000 description 1
- 231100000315 carcinogenic Toxicity 0.000 description 1
- 230000008859 change Effects 0.000 description 1
- 230000001684 chronic effect Effects 0.000 description 1
- 238000009826 distribution Methods 0.000 description 1
- 238000005516 engineering process Methods 0.000 description 1
- 238000007667 floating Methods 0.000 description 1
- 235000013305 food Nutrition 0.000 description 1
- 230000008676 import Effects 0.000 description 1
- 208000000509 infertility Diseases 0.000 description 1
- 230000036512 infertility Effects 0.000 description 1
- 231100000535 infertility Toxicity 0.000 description 1
- 238000009434 installation Methods 0.000 description 1
- 238000011835 investigation Methods 0.000 description 1
- 206010023332 keratitis Diseases 0.000 description 1
- 238000004519 manufacturing process Methods 0.000 description 1
- 238000012986 modification Methods 0.000 description 1
- 230000004048 modification Effects 0.000 description 1
- 210000004400 mucous membrane Anatomy 0.000 description 1
- 231100000915 pathological change Toxicity 0.000 description 1
- 230000036285 pathological change Effects 0.000 description 1
- 210000002345 respiratory system Anatomy 0.000 description 1
- 230000000638 stimulation Effects 0.000 description 1
- 210000001519 tissue Anatomy 0.000 description 1
- 238000012546 transfer Methods 0.000 description 1
Images
Classifications
-
- F—MECHANICAL ENGINEERING; LIGHTING; HEATING; WEAPONS; BLASTING
- F24—HEATING; RANGES; VENTILATING
- F24C—DOMESTIC STOVES OR RANGES ; DETAILS OF DOMESTIC STOVES OR RANGES, OF GENERAL APPLICATION
- F24C15/00—Details
- F24C15/20—Removing cooking fumes
- F24C15/2021—Arrangement or mounting of control or safety systems
-
- F—MECHANICAL ENGINEERING; LIGHTING; HEATING; WEAPONS; BLASTING
- F24—HEATING; RANGES; VENTILATING
- F24C—DOMESTIC STOVES OR RANGES ; DETAILS OF DOMESTIC STOVES OR RANGES, OF GENERAL APPLICATION
- F24C15/00—Details
- F24C15/20—Removing cooking fumes
- F24C15/2035—Arrangement or mounting of filters
Landscapes
- Engineering & Computer Science (AREA)
- Chemical & Material Sciences (AREA)
- Combustion & Propulsion (AREA)
- Mechanical Engineering (AREA)
- General Engineering & Computer Science (AREA)
- Filtering Of Dispersed Particles In Gases (AREA)
Abstract
本发明公开了一种民用集成油烟净化收集一体机及其净化方法,包括安装在楼顶烟道烟囱上的净化设备本体,净化设备本体包括固定在内部进行抽吸的高效双进风专用风机,高效双进风专用风机的出风口固定连接有风向倒流变经,风向倒流变经顶部固定连接有高效过滤器,通过事先将压差变送器连接在电场的进出口,当加压力值增大时,提供给主设备的风量会随着压力加大风量,主要是为了确保用户的实际需求,避免发生串烟,部分较大的油雾滴、油污颗粒在导油板上由于机械碰撞被捕集,再气流再进入高低压油雾净化器时,在高压电场的作用下,油烟气体电离,油雾荷电,大部分得以降解炭化,电场内的空气产生臭氧,除去了烟气中的气味,达到优越国家环保要求。
Description
技术领域
本发明属于民用集成油烟净化技术领域,具体涉及一种民用集成油烟净化收集一体机及其净化方法。
背景技术
近年来,随着人民生活水平的不断提高,油烟污染问题也日益显出,油烟污染问题已成为重点之一。厨房油烟排放未得到有效控制,大量未经过处理的油烟经过抽油烟机或排气扇无组织排放到大气环境中,以其分布散、体量大等特点,对周围环境造成了极大的危害,为我们的生活环境埋下隐患。为此,国家环境部门先后颁发了《餐饮业油烟污染物排放标准(征求意见稿)》等标准,油烟污染治理项目已悄然启动。安装油烟净化设备已成各地饮食餐饮项目落地的基本要求之一,为更好地探讨油烟净化技术及解决方案,根据国家环境部门《餐饮业油烟污染物排放标准(征求意见稿)》以及建设单位自身的使用、发展、规划要求,这部分油烟需经过净化处理达到相关标准后才能排放,
油烟是健康、环保的"大敌" 中餐一直以美味著称于世,然而煎炒烹炸过程中带来的大量油烟,正悄无声息地吞噬着佳人的健康,厨房油烟成分复杂含有200到300种有害物质,是人们健康的"大敌"。
油烟可以引发各种疾病,油烟主要成分丙烯醛对眼、鼻、咽喉黏膜有强烈的刺激,可引起慢性角膜炎、鼻炎、咽喉炎、气管炎、肺炎等疾病,另外油烟中有74种化学物质,能使细胞发生变化,导致不育成为"家庭杀手"。尤其是老年人长年累月的油烟熏呛,更易患病。油烟中含有致癌物苯,长时间吸入油烟易使人体组织发生病变,调查研究表明长期接触油烟的40-60岁女性患病的比例将增加几倍。
餐饮油烟尤其对儿童的危害巨大,小孩吸入油烟则会引起眼、鼻、呼吸道病变、影响正常的生长发育,少年儿童正处在长身体的阶段,油烟的污染是少年儿童容易患上结膜炎、鼻炎、咽喉炎、气管炎、肺炎等疾病,严重危害孩子的健康成长。
(1)大多数家庭只是简单的安装家用抽油烟机或者排气扇,经公共烟道或PVC管道将油烟污染物转移至室外;
(2)烹饪中产生的油烟颗粒物粘附到油烟机和排气扇上,清洗异常困难,极易造成安全隐患,大多数家用油烟机采用油烟直排容易在室内徘徊,其有害物质经过呼吸直接进入体内,长时间呼吸造成对身体产生影响。
发明内容
本发明的目的在于提供一种民用集成油烟净化收集一体机及其净化方法,以解决烹饪中产生的油烟颗粒物粘附到油烟机和排气扇上,清洗异常困难,极易造成安全隐患;大多数家用油烟机采用油烟直排容易在室内徘徊,其有害物质经过呼吸直接进入体内,长时间呼吸造成对身体产生影响的问题。
为实现上述目的,本发明提供如下技术方案:一种民用集成油烟净化收集一体机,包括安装在楼顶烟道烟囱上的净化设备本体,所述净化设备本体包括固定在内部进行抽吸的高效双进风专用风机,所述高效双进风专用风机的出风口固定连接有风向倒流变经,所述风向倒流变经顶部固定连接有高效过滤器,所述高效过滤器顶部外侧固定设有活性炭过滤器,所述活性炭过滤器顶部固定连接有均流板,所述高效双进风专用风机底部固定连接有与净化设备本体内壁固定连接的减震器,所述高效双进风专用风机的进气口处固定连接有活性炭棉凹凸式过滤器,所述活性炭棉凹凸式过滤器底部固定连接有高低压油雾净化器,所述高效双进风专用风机底部固定连接有斜向下设置的导油板,所述导油板一侧底部的净化设备本体上开设有出油口,所述导油板底部一侧的出油口顶端设有滑动连接于净化设备本体内部可抽拉式的收集箱,所述导油板的正底部的净化设备本体上开设有进风口。
优选的,所述活性炭过滤器外侧处的净化设备本体上四周开设有消音器出风口,所述消音器出风口内部固定连接有万向引流百叶窗,所述万向引流百叶窗中的叶片边角形状设置为可增大排风效果的弧形,所述均流板顶部固定连接有防雨帽。
优选的,所述活性炭过滤器顶部固定连接有防止雨水进入的均流板,所述均流板底部截面形状设置为锥形。
优选的,所述高效双进风专用风机一侧的净化设备本体上固定连接有管道压差和压力控制设备,所述高低压油雾净化器一侧的净化设备本体上固定连接有净化模块控制设备,并且净化模块控制设备设于管道压差和压力控制设备底部。
优选的,净化设备本体还包括管道压差和压力控制设备和净化模块控制设备远离净化设备本体的一侧开口处固定连接有工业锁,所述管道压差和压力控制设备和净化模块控制设备外侧均固定连接有装饰条。
优选的,所述进风口底部固定连接于连接法兰上,所述连接法兰外侧固定连接有多个烟气排放管道,所述进风口固定设有压力检测设备,多个所述烟气排放管道远离的一端固定连接有油烟机,所述烟气排放管道内部固定设有与管道压差和压力控制设备电性连接的防火止回阀。
优选的,所述烟气排放管道包括两段管道,所述两段管道之间固定连接有可固定两段管道的连接法兰,所述连接法兰内部固定放置有密封圈。
一种民用集成油烟净化收集一体机的净化方法,包括如下步骤:
步骤一:进气检测,通过启动油烟机进行抽吸,利用多个烟气排放管道对油烟机抽吸的烟气进行负压吸气,解决了正压吹送方式附带的回味串烟、排烟不畅等问题;
步骤二:控制设备启动,事先将压差变送器连接在电场的进出口,在业主没有启动油烟机时电场的进出口的压差应该不会有大的压差,在启动油烟机后由于电场的出风阻力会形成压差,油烟机开的数量越多压差就会越大,这时启动油烟机排风由于风机的吸力会加快管道的风的流速从而减少压差的原理,可以将压差设定在一个区域值保证管道的通风效果,并且在用户使用油烟机时可以通过压力检测设备检测出压力的大小从而判别油烟机的使用数量,进而便于参考压力大小可以调节本发明的启动功率大小;
步骤三:净化,油烟由高效双进风专用风机吸入净化设备本体,其中部分较大的油雾滴、油污颗粒在导油板上由于机械碰撞、阻留而被捕集,随着导油板的倾斜角度进行导出;然后气流再进入高低压油雾净化器时,在高压电场的作用下,油烟气体电离,油雾荷电,大部分得以降解炭化;少部分微小油粒在吸附电场的电场力及气流作用下向电场的正负极板运动被收集在极板上,余下的微米级油雾被电场降解成二氧化碳和水,最终排出洁净空气;同时在高低压油雾净化器中包括的高压发生器的作用下,电场内的空气产生臭氧,除去了烟气中大部分的气味,达到优越国家环保要求;
步骤四:排油排气,然后再利用高效双进风专用风机将气体输入高效过滤器内部,利用高效过滤器和活性炭过滤器对气体最后的细微颗粒物和异味进行收集,最后将无害无异味的气体经过万向引流百叶窗排出,再利用均流板将气体均匀的四面排出。
本发明的技术效果和优点:
1、整个过程通过事先将压差变送器连接在电场的进出口,当压力值增大时,提供给主设备的风量会随着压力加大风量,主要是为了确保用户的实际需求,避免发生串烟,同时避免没有商户使用时,风机大功率开启,起到真正的节能集中智能控制;
2、通过部分较大的油雾滴、油污颗粒在导油板上由于机械碰撞、阻留而被捕集,随着导油板的倾斜角度进行导出;然后气流再进入高低压油雾净化器时,在高压电场的作用下,油烟气体电离,油雾荷电,大部分得以降解炭化;少部分微小油粒在吸附电场的电场力及气流作用下向电场的正负极板运动被收集在极板上,余下的微米级油雾被电场降解成二氧化碳和水,最终排出洁净空气;同时在高低压油雾净化器中包括的高压发生器的作用下,电场内的空气产生臭氧,除去了烟气中大部分的气味,达到国家环保要求,解决了大多数家庭只是简单的安装家用抽油烟机或者排气扇,经公共烟道或PVC管道将油烟污染物转移至室外导致影响社会人们的健康;
3、通过启动油烟机进行抽吸,利用多个烟气排放管道对油烟机抽吸的烟气进行负压吸气,解决了正压吹送方式附带的回味串烟、排烟不畅等问题。
附图说明
图1为本发明的结构示意图;
图2为本发明的正视图;
图3为本发明侧视图;
图4为本发明安装结构示意图;
图5为本发明的图4中A部局部放大图;
图6为本发明导油板立体结构示意图;
图7为本发明的住户示意图。
图中:1、出油口;2、导油板;3、高低压油雾净化器;4、活性炭棉凹凸式过滤器;5、减震器;6、高效双进风专用风机;7、管道压差和压力控制设备;8、风向倒流变经;9、高效过滤器;10、活性炭过滤器;11、万向引流百叶窗;12、均流板;13、净化模块控制设备;14、进风口;15、工业锁;16、防雨帽;17、消音器出风口;18、油烟机;19、防火止回阀;20、烟气排放管道;21、装饰条;22、连接法兰;23、密封圈;24、收集箱;25、净化设备本体。
具体实施方式
下面将结合本发明实施例中的附图,对本发明实施例中的技术方案进行清楚、完整地描述,显然,所描述的实施例仅仅是本发明一部分实施例,而不是全部的实施例。基于本发明中的实施例,本领域普通技术人员在没有做出创造性劳动前提下所获得的所有其他实施例,都属于本发明保护的范围。
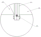
本发明提供了如图1、2、3和图6中所示的一种民用集成油烟净化收集一体机,包括安装在楼顶烟道烟囱上的净化设备本体25,净化设备本体25包括固定在内部进行抽吸的高效双进风专用风机6,高效双进风专用风机6的出风口固定连接有风向倒流变经8,风向倒流变经8顶部固定连接有高效过滤器9,高效过滤器9顶部外侧固定设有活性炭过滤器10,活性炭过滤器10顶部固定连接有均流板12,活性炭过滤器10外侧处的净化设备本体25上四周开设有消音器出风口17,活性炭过滤器10顶部固定连接有防止雨水进入的均流板12,均流板12底部截面形状设置为锥形,消音器出风口17内部固定连接有万向引流百叶窗11,万向引流百叶窗11中的叶片边角形状设置为可增大排风效果的弧形,均流板12顶部固定连接有防雨帽16,高效双进风专用风机6底部固定连接有与净化设备本体25内壁固定连接的减震器5,高效双进风专用风机6的进气口处固定连接有活性炭棉凹凸式过滤器4,活性炭棉凹凸式过滤器4底部固定连接有高低压油雾净化器3,高效双进风专用风机6底部固定连接有斜向下设置的导油板2,导油板2一侧底部的净化设备本体25上开设有出油口1,导油板2底部一侧的出油口1顶端设有滑动连接于净化设备本体25内部可抽拉式的收集箱24,导油板2的正底部的净化设备本体25上开设有进风口14。
如图1、2和图3所示,高效双进风专用风机6一侧的净化设备本体25上固定连接有管道压差和压力控制设备7,高低压油雾净化器3一侧的净化设备本体25上固定连接有净化模块控制设备13,并且净化模块控制设备13设于管道压差和压力控制设备7底部,管道压差和压力控制设备7和净化模块控制设备13远离净化设备本体25的一侧开口处固定连接有工业锁15,管道压差和压力控制设备7和净化模块控制设备13外侧均固定连接有装饰条21。
如图1、图4和图5所示,净化设备本体25底部的进风口14底部固定连接于连接法兰22上,连接法兰22外侧固定连接有多个烟气排放管道20,进风口14固定设有压力检测设备,烟气排放管道20包括两段管道,两个管道之间固定连接有可固定两个管道的连接法兰22,连接法兰22内部固定放置有密封圈23,便于利用连接法兰22拆卸烟气排放管道20进而对防火止回阀19进行取出维修和定期清理,多个烟气排放管道20远离连接法兰22的一端固定连接有油烟机18,烟气排放管道20内部固定设有与管道压差和压力控制设备7电性连接的防火止回阀19。
一种民用集成油烟净化收集一体机的净化方法,净化方法的步骤如下:
步骤一:进气检测,通过油烟机18启动进行抽吸,利用多个烟气排放管道20对油烟机18抽吸的烟气进行负压吸气,解决了正压吹送方式解决管道回味串烟、排烟不畅等问题;
步骤二:控制设备启动,事先将压差变送器连接在电场的进出口,在业主没有启动油烟机18时电场的进出口的压差应该不会有大的压差,在启动油烟机18后由于电场的出风阻力会形成压差,油烟机18开的数量越多压差就会越大,这时启动油烟机18排风由于风机的吸力会加快管道的风的流速从而减少压差的原理,可以将压差设定在一个区域值保证管道的通风效果,并且在用户使用油烟机18时可以通过压力检测设备检测出压力的大小从而判别油烟机18的使用数量,进而便于参考压力大小可以调节本发明的启动功率大小;
步骤三:净化,油烟由高效双进风专用风机6吸入净化设备本体25,其中部分较大的油雾滴、油污颗粒在导油板2上由于机械碰撞、阻留而被捕集,随着导油板2的倾斜角度进行导出;然后气流再进入高低压油雾净化器3时,在高压电场的作用下,油烟气体电离,油雾荷电,大部分得以降解炭化;少部分微小油粒在吸附电场的电场力及气流作用下向电场的正负极板运动被收集在极板上,余下的微米级油雾被电场降解成二氧化碳和水,最终排出洁净空气;同时在高低压油雾净化器3中包括的高压发生器的作用下,电场内的空气产生臭氧,除去了烟气中大部分的气味,达到优越国家环保要求;
步骤四:排油排气,然后再利用高效双进风专用风机6将气体输入高效过滤器9内部,利用高效过滤器9和活性炭过滤器10对气体最后的细微颗粒物和异味进行收集,最后将无害无异味的气体经过万向引流百叶窗11排出,再利用均流板12将气体均匀的四面排出。
工作原理:在使用本发明时,如图1、图4和图7所示,首先将本发明安装上原本的楼顶出烟口上,启动油烟机18进行抽吸,利用多个烟气排放管道20对油烟机18抽吸的烟气进行负压吸气,解决了正压吹送方式附带的回味串烟、排烟不畅等问题,如图1、2和图3所示,在实际使用过程中利用事先将压差变送器连接在电场的进出口,在业主没有启动油烟机18时电场的进出口的压差应该不会有大的压差,在启动油烟机18后由于电场的出风阻力会形成压差,油烟机18开的数量越多压差就会越大,这时启动油烟机18排风由于风机的吸力会加快管道的风的流速从而减少压差的原理,可以将压差设定在一个区域值保证管道的通风效果,并且在用户使用油烟机18时可以通过压力检测设备检测出压力的大小从而判别油烟机18的使用数量,进而便于参考压力大小可以调节本发明的启动功率大小,而在实际净化过程中油烟由高效双进风专用风机6吸入净化设备本体25,其中部分较大的油雾滴、油污颗粒在导油板2上由于机械碰撞、阻留而被捕集,随着导油板2的倾斜角度进行导出;然后气流再进入高低压油雾净化器3时,在高压电场的作用下,油烟气体电离,油雾荷电,大部分得以降解炭化;少部分微小油粒在吸附电场的电场力及气流作用下向电场的正负极板运动被收集在极板上,余下的微米级油雾被电场降解成二氧化碳和水,最终排出洁净空气;同时在高低压油雾净化器3中包括的高压发生器的作用下,电场内的空气产生臭氧,除去了烟气中大部分的气味,达到优越国家环保要求,最后利用高效双进风专用风机6将气体输入高效过滤器9内部,利用高效过滤器9和活性炭过滤器10对气体最后的细微颗粒物和异味进行收集,最后将无害无异味的气体经过万向引流百叶窗11排出,再利用均流板12将气体均匀的四面排出;
经上所述,以江苏省某市为例,根据数据显示2020年该市常驻人口约为900万人,城镇人口约为680万人,其中不包含流动人口,,一般3-5人为一个独立家庭,该市城镇家庭数量在170万左右;根据《餐饮服务性行业无组织排放核算方法的研究》中单个灶头的最低油烟排放系数为6g/h;每个家庭按早、中、晚三餐总计做饭时间为1.5小时;去除外出就餐、点外卖、不在家等情况,全年按320天使用天数,根据公式W=y×h×k×10-³
式中:
W——油烟年排放量,公斤/年;
Y——全年使用天数,天;
H——每天做饭小时数,小时;
K——排放系数,克/小时。
得出数据结果为:每个家庭每年产生的油烟量约为3kg;该市城市每年家庭油烟排放总量约5100000kg(5100吨);如果该市全市居民楼建设改造公共烟道统一建设油烟净化收集装置,并做好专业的维护清洗收集工作,每年家庭油烟排放总量由原5100吨下降至255吨;
综上所述,居民楼盘公共烟道统一建设油烟净化收集装置建设完成后,对保证城市油烟污染、城市大气环境、城市景观等起到积极作用,做到了的较好统一;
油烟净化收集装置建设过程中会对楼盘居民的日常生活造成影响,但是在采用多种有效的措施后影响程度会大幅降低,只要建设单位严格遵守相关制度,实现以较低的代价获取良好的环保和社会效益;
从“全力打好大气污染防治攻坚战”角度,居民楼盘公共烟道统一建设油烟净化收集装置的建设是必要可行的。
最后应说明的是:以上所述仅为本发明的优选实施例而已,并不用于限制本发明,尽管参照前述实施例对本发明进行了详细的说明,对于本领域的技术人员来说,其依然可以对前述各实施例所记载的技术方案进行修改,或者对其中部分技术特征进行等同替换,凡在本发明的精神和原则之内,所作的任何修改、等同替换、改进等,均应包含在本发明的保护范围之内。
Claims (3)
1.一种民用集成油烟净化收集一体机,包括安装在楼顶烟道烟囱上的净化设备本体(25),其特征在于:所述净化设备本体(25)包括固定在内部进行抽吸的高效双进风专用风机(6),所述高效双进风专用风机(6)的出风口固定连接有风向倒流变经(8),所述风向倒流变经(8)顶部固定连接有高效过滤器(9),所述高效过滤器(9)顶部外侧固定设有活性炭过滤器(10),所述活性炭过滤器(10)顶部固定连接有均流板(12),所述高效双进风专用风机(6)底部固定连接有与净化设备本体内壁固定连接的减震器(5),所述高效双进风专用风机(6)的进气口处固定连接有活性炭棉凹凸式过滤器(4),所述活性炭棉凹凸式过滤器(4)底部固定连接有高低压油雾净化器(3),所述高效双进风专用风机(6)底部固定连接有斜向下设置的导油板(2),所述导油板(2)一侧底部的净化设备本体上开设有出油口(1),所述导油板(2)底部一侧的出油口顶端设有滑动连接于净化设备本体(25)内部可抽拉式的收集箱(24),所述导油板(2)的正底部的净化设备本体上开设有进风口(14),所述高效双进风专用风机(6)一侧的净化设备本体上固定连接有管道压差和压力控制设备(7),所述高低压油雾净化器(3)一侧的净化设备本体上固定连接有净化模块控制设备(13),并且净化模块控制设备(13)设于管道压差和压力控制设备(7)底部,还包括管道压差和压力控制设备(7)和净化模块控制设备(13)远离净化设备本体的一侧开口处固定连接有工业锁(15),所述管道压差和压力控制设备(7)和净化模块控制设备(13)外侧均固定连接有装饰条(21),所述净化设备本体底部的进风口(14)底部固定连接于主排烟管道上,所述主排烟管道外侧固定连接有多个烟气排放管道(20),所述进风口处(14)固定设有压力检测设备,多个所述烟气排放管道(20)远离连接法兰(22)的一端固定连接有油烟机(18),所述烟气排放管道(20)内部固定设有与管道压差和压力控制设备(7)电性连接的防火止回阀(19),所述烟气排放管道(20)包括两段管道,两个所述管道之间固定连接有可固定两个管道的连接法兰(22),所述连接法兰(22)内部固定放置有密封圈(23);
所述的民用集成油烟净化收集一体机的净化方法,具体步骤如下:
步骤一:进气检测,通过油烟机(18)启动进行抽吸,利用多个烟气排放管道(20)对油烟机(18)抽吸的烟气进行负压吸气,解决了“正压吹送”方式解决管道回味串烟、排烟不畅等问题;
步骤二:控制设备启动,事先将压差变送器连接在电场的进出口,在业主没有启动油烟机(18)时电场的进出口的压差应该不会有大的压差,在启动油烟机(18)后由于电场的出风阻力会形成压差,油烟机(18)开的数量越多压差就会越大,这时启动油烟机(18)排风由于风机的吸力会加快管道的风的流速从而减少压差的原理,可以将压差设定在一个区域值保证管道的通风效果,并且在用户使用油烟机(18)时可以通过压力检测设备会检测出压力的大小从而判别油烟机(18)的使用数量,进而便于参考压力大小可以调节本发明的启动功率大小;
步骤三:净化,油烟由6吸入净化设备本体,其中部分较大的油雾滴、油污颗粒在导油板(2)上由于机械碰撞、阻留而被捕集,随着导油板(2)的倾斜角度进行导出;然后气流再进入高低压油雾净化器(3)时,在高压电场的作用下,油烟气体电离,油雾荷电,大部分得以降解炭化;少部分微小油粒在吸附电场的电场力及气流作用下向电场的正负极板运动被收集在极板上,余下的微米级油雾被电场降解成二氧化碳和水,最终排出洁净空气;同时在高低压油雾净化器(3)中包括的高压发生器的作用下,电场内的空气产生臭氧,除去了烟气中大部分的气味,达到优越国家环保要求;
步骤四:排油排气,然后再利用高效双进风专用风机(6)将气体输入高效过滤器(9)内部,利用高效过滤器(9)和活性炭过滤器(10)对气体最后的细微颗粒物和异味进行收集,最后将无害无异味的气体经过万向引流百叶窗(11)排出,再利用均流板(12)将气体均匀的四面排出。
2.根据权利要求1所述的一种民用集成油烟净化收集一体机,其特征在于:所述活性炭过滤器(10)外侧处的净化设备本体上四周开设有消音器出风口(17),所述消音器出风口(17)内部固定连接有万向引流百叶窗(11),所述万向引流百叶窗(11)中的叶片边角形状设置为可增大排风效果的弧形,所述均流板(12)顶部固定连接有防雨帽(16)。
3.根据权利要求1所述的一种民用集成油烟净化收集一体机,其特征在于:所述活性炭过滤器(10)顶部固定连接有防止雨水进入的均流板(12),所述均流板(12)底部截面形状设置为锥形。
Priority Applications (1)
| Application Number | Priority Date | Filing Date | Title |
|---|---|---|---|
| CN202110765431.7A CN113251455B (zh) | 2021-07-07 | 2021-07-07 | 一种民用集成油烟净化收集一体机及其净化方法 |
Applications Claiming Priority (1)
| Application Number | Priority Date | Filing Date | Title |
|---|---|---|---|
| CN202110765431.7A CN113251455B (zh) | 2021-07-07 | 2021-07-07 | 一种民用集成油烟净化收集一体机及其净化方法 |
Publications (2)
| Publication Number | Publication Date |
|---|---|
| CN113251455A CN113251455A (zh) | 2021-08-13 |
| CN113251455B true CN113251455B (zh) | 2022-03-04 |
Family
ID=77191042
Family Applications (1)
| Application Number | Title | Priority Date | Filing Date |
|---|---|---|---|
| CN202110765431.7A Active CN113251455B (zh) | 2021-07-07 | 2021-07-07 | 一种民用集成油烟净化收集一体机及其净化方法 |
Country Status (1)
| Country | Link |
|---|---|
| CN (1) | CN113251455B (zh) |
Families Citing this family (5)
| Publication number | Priority date | Publication date | Assignee | Title |
|---|---|---|---|---|
| CN107559847A (zh) * | 2017-10-17 | 2018-01-09 | 金华铂锐催化科技有限公司 | 一种餐饮油烟过滤与臭氧催化联合净化装置 |
| CN115585489A (zh) * | 2021-09-29 | 2023-01-10 | 河南博联慧绿科技集团有限公司 | 一种油烟净化一体机 |
| CN114457974A (zh) * | 2022-03-22 | 2022-05-10 | 南京德力通环境科技有限公司 | 一种民用油烟处理安装连接装置 |
| CN115493170A (zh) * | 2022-09-13 | 2022-12-20 | 张家口市杰星电子科技有限公司 | 一种可远程监控的油烟净化系统 |
| TWI888234B (zh) * | 2024-07-26 | 2025-06-21 | 辰光能源科技有限公司 | 排油煙裝置 |
Citations (14)
| Publication number | Priority date | Publication date | Assignee | Title |
|---|---|---|---|---|
| CN101165419A (zh) * | 2006-10-17 | 2008-04-23 | 杨瑞宁 | 室内排气方法 |
| CN201513389U (zh) * | 2009-09-21 | 2010-06-23 | 宋德印 | 风机管式与盘式结合风机消音器 |
| CN102430290A (zh) * | 2011-11-10 | 2012-05-02 | 许庆华 | 凹凸棒活性炭陶粒过滤板 |
| DE102011082928A1 (de) * | 2011-09-19 | 2013-03-21 | BSH Bosch und Siemens Hausgeräte GmbH | Dunstabzugssystem und Verfahren zum Betreiben eines Dunstabzugssystems |
| CN103216863A (zh) * | 2013-01-19 | 2013-07-24 | 上海创绿酒店设备有限公司 | 一种用于铁板烧的静电式油烟净化系统 |
| CN104200605A (zh) * | 2014-08-18 | 2014-12-10 | 鼎盛特安全预警技术(北京)有限公司 | 一种吸气式感烟探测装置 |
| CN104566588A (zh) * | 2014-12-30 | 2015-04-29 | 杭州老板电器股份有限公司 | 一种中央净化系统 |
| CN104865991A (zh) * | 2014-11-21 | 2015-08-26 | 苏州工业园区设计研究院股份有限公司 | 酒店式公寓集中排油烟控制系统及其控制方法 |
| CN106123079A (zh) * | 2016-08-24 | 2016-11-16 | 深圳市高德威技术有限公司 | 油烟净化装置及系统 |
| CN107890727A (zh) * | 2017-11-09 | 2018-04-10 | 成都蓝吉星科技有限公司 | 一种卧式湿法管道油烟净化装置 |
| CN109323307A (zh) * | 2018-02-03 | 2019-02-12 | 昆山市科吕金属制品厂 | 一种智能协助住宅公共烟道排除并净化油烟气体的处理器 |
| CN111207420A (zh) * | 2018-11-21 | 2020-05-29 | 宁波方太厨具有限公司 | 一种楼宇中央烟道系统 |
| CN111442312A (zh) * | 2020-03-27 | 2020-07-24 | 宁波方太厨具有限公司 | 一种吸油烟机 |
| CN211372546U (zh) * | 2019-11-21 | 2020-08-28 | 宁波方太厨具有限公司 | 一种楼宇集中式排烟系统中室外辅助排烟装置 |
-
2021
- 2021-07-07 CN CN202110765431.7A patent/CN113251455B/zh active Active
Patent Citations (14)
| Publication number | Priority date | Publication date | Assignee | Title |
|---|---|---|---|---|
| CN101165419A (zh) * | 2006-10-17 | 2008-04-23 | 杨瑞宁 | 室内排气方法 |
| CN201513389U (zh) * | 2009-09-21 | 2010-06-23 | 宋德印 | 风机管式与盘式结合风机消音器 |
| DE102011082928A1 (de) * | 2011-09-19 | 2013-03-21 | BSH Bosch und Siemens Hausgeräte GmbH | Dunstabzugssystem und Verfahren zum Betreiben eines Dunstabzugssystems |
| CN102430290A (zh) * | 2011-11-10 | 2012-05-02 | 许庆华 | 凹凸棒活性炭陶粒过滤板 |
| CN103216863A (zh) * | 2013-01-19 | 2013-07-24 | 上海创绿酒店设备有限公司 | 一种用于铁板烧的静电式油烟净化系统 |
| CN104200605A (zh) * | 2014-08-18 | 2014-12-10 | 鼎盛特安全预警技术(北京)有限公司 | 一种吸气式感烟探测装置 |
| CN104865991A (zh) * | 2014-11-21 | 2015-08-26 | 苏州工业园区设计研究院股份有限公司 | 酒店式公寓集中排油烟控制系统及其控制方法 |
| CN104566588A (zh) * | 2014-12-30 | 2015-04-29 | 杭州老板电器股份有限公司 | 一种中央净化系统 |
| CN106123079A (zh) * | 2016-08-24 | 2016-11-16 | 深圳市高德威技术有限公司 | 油烟净化装置及系统 |
| CN107890727A (zh) * | 2017-11-09 | 2018-04-10 | 成都蓝吉星科技有限公司 | 一种卧式湿法管道油烟净化装置 |
| CN109323307A (zh) * | 2018-02-03 | 2019-02-12 | 昆山市科吕金属制品厂 | 一种智能协助住宅公共烟道排除并净化油烟气体的处理器 |
| CN111207420A (zh) * | 2018-11-21 | 2020-05-29 | 宁波方太厨具有限公司 | 一种楼宇中央烟道系统 |
| CN211372546U (zh) * | 2019-11-21 | 2020-08-28 | 宁波方太厨具有限公司 | 一种楼宇集中式排烟系统中室外辅助排烟装置 |
| CN111442312A (zh) * | 2020-03-27 | 2020-07-24 | 宁波方太厨具有限公司 | 一种吸油烟机 |
Also Published As
| Publication number | Publication date |
|---|---|
| CN113251455A (zh) | 2021-08-13 |
Similar Documents
| Publication | Publication Date | Title |
|---|---|---|
| CN113251455B (zh) | 一种民用集成油烟净化收集一体机及其净化方法 | |
| CN206347690U (zh) | 一种墙壁嵌入式空气净化器 | |
| WO2019037492A1 (zh) | 两用式循环净化机 | |
| CN205026820U (zh) | 嵌入隐藏式室内微正压新风净化系统 | |
| CN205048520U (zh) | 一种厨房用侧吸式吸油烟机 | |
| CN202947191U (zh) | 吸排气装置及采用该装置的集成灶 | |
| CN206803271U (zh) | 一种室内自动净化通风排油烟装置 | |
| CN211476214U (zh) | 一种带油烟净化功能的吊顶式新风机 | |
| CN201779784U (zh) | 一种带有压力检测装置的新风换气机 | |
| CN2672510Y (zh) | 一种吸油烟机 | |
| CN209944677U (zh) | 一种新风机 | |
| CN107461785A (zh) | 一种近吸排油烟机 | |
| CN211316279U (zh) | 一种厨房油烟可沉降颗粒排放系统 | |
| CN207661927U (zh) | 一种新风空气净化器 | |
| CN201003843Y (zh) | 一种用于空调机的新风过滤装置 | |
| CN205037395U (zh) | 一种吸油烟机 | |
| CN214891512U (zh) | 全智控空气净化调节系统 | |
| CN213019894U (zh) | 一种新风空调 | |
| CN205383665U (zh) | 一种厨房空气净化装置 | |
| CN102944047A (zh) | 居室空气自动循环装置 | |
| CN201779800U (zh) | 多功能新风换气机 | |
| CN208765121U (zh) | 双流式新风净化装置 | |
| CN207230660U (zh) | 一种分体式全动态离心油烟净化机 | |
| CN205481456U (zh) | 一种过滤器拆卸后可当风扇使用的家用ffu净化器 | |
| CN205287890U (zh) | 一种厨房空气净化器 |
Legal Events
| Date | Code | Title | Description |
|---|---|---|---|
| PB01 | Publication | ||
| PB01 | Publication | ||
| SE01 | Entry into force of request for substantive examination | ||
| SE01 | Entry into force of request for substantive examination | ||
| GR01 | Patent grant | ||
| GR01 | Patent grant |