CN113244730A - 一种燃气发电机组箱体顶部废气排放设备 - Google Patents
一种燃气发电机组箱体顶部废气排放设备 Download PDFInfo
- Publication number
- CN113244730A CN113244730A CN202110722466.2A CN202110722466A CN113244730A CN 113244730 A CN113244730 A CN 113244730A CN 202110722466 A CN202110722466 A CN 202110722466A CN 113244730 A CN113244730 A CN 113244730A
- Authority
- CN
- China
- Prior art keywords
- heat exchange
- fixedly connected
- tube
- box body
- spiral
- Prior art date
- Legal status (The legal status is an assumption and is not a legal conclusion. Google has not performed a legal analysis and makes no representation as to the accuracy of the status listed.)
- Granted
Links
- 239000007789 gas Substances 0.000 claims abstract description 39
- 239000002912 waste gas Substances 0.000 claims abstract description 37
- 238000004140 cleaning Methods 0.000 claims abstract description 27
- 239000000428 dust Substances 0.000 claims abstract description 14
- 230000008719 thickening Effects 0.000 claims abstract description 7
- OKTJSMMVPCPJKN-UHFFFAOYSA-N Carbon Chemical compound [C] OKTJSMMVPCPJKN-UHFFFAOYSA-N 0.000 claims description 13
- 230000005540 biological transmission Effects 0.000 claims description 11
- 230000000149 penetrating effect Effects 0.000 claims description 9
- 230000003197 catalytic effect Effects 0.000 claims description 6
- XLYOFNOQVPJJNP-UHFFFAOYSA-N water Substances O XLYOFNOQVPJJNP-UHFFFAOYSA-N 0.000 abstract description 26
- 239000002245 particle Substances 0.000 abstract description 5
- 241001233242 Lontra Species 0.000 description 8
- 239000007787 solid Substances 0.000 description 5
- VNWKTOKETHGBQD-UHFFFAOYSA-N methane Chemical compound C VNWKTOKETHGBQD-UHFFFAOYSA-N 0.000 description 4
- 238000002791 soaking Methods 0.000 description 4
- 238000002485 combustion reaction Methods 0.000 description 3
- 238000010586 diagram Methods 0.000 description 3
- 238000007599 discharging Methods 0.000 description 3
- 238000001914 filtration Methods 0.000 description 3
- 239000003345 natural gas Substances 0.000 description 3
- 238000011084 recovery Methods 0.000 description 3
- 238000003756 stirring Methods 0.000 description 3
- IJGRMHOSHXDMSA-UHFFFAOYSA-N Atomic nitrogen Chemical compound N#N IJGRMHOSHXDMSA-UHFFFAOYSA-N 0.000 description 2
- 230000008901 benefit Effects 0.000 description 2
- 230000005611 electricity Effects 0.000 description 2
- 230000007613 environmental effect Effects 0.000 description 2
- 239000002699 waste material Substances 0.000 description 2
- NINIDFKCEFEMDL-UHFFFAOYSA-N Sulfur Chemical compound [S] NINIDFKCEFEMDL-UHFFFAOYSA-N 0.000 description 1
- 230000009286 beneficial effect Effects 0.000 description 1
- 229910052799 carbon Inorganic materials 0.000 description 1
- 238000006555 catalytic reaction Methods 0.000 description 1
- 230000007547 defect Effects 0.000 description 1
- 239000000446 fuel Substances 0.000 description 1
- 239000000295 fuel oil Substances 0.000 description 1
- 238000000034 method Methods 0.000 description 1
- 229910052757 nitrogen Inorganic materials 0.000 description 1
- 230000000717 retained effect Effects 0.000 description 1
- 238000001179 sorption measurement Methods 0.000 description 1
- 239000000126 substance Substances 0.000 description 1
- 239000011593 sulfur Substances 0.000 description 1
- 229910052717 sulfur Inorganic materials 0.000 description 1
- 239000002341 toxic gas Substances 0.000 description 1
Images
Classifications
-
- B—PERFORMING OPERATIONS; TRANSPORTING
- B01—PHYSICAL OR CHEMICAL PROCESSES OR APPARATUS IN GENERAL
- B01D—SEPARATION
- B01D50/00—Combinations of methods or devices for separating particles from gases or vapours
- B01D50/60—Combinations of devices covered by groups B01D46/00 and B01D47/00
Landscapes
- Chemical & Material Sciences (AREA)
- Chemical Kinetics & Catalysis (AREA)
- Treating Waste Gases (AREA)
- Separation Of Particles Using Liquids (AREA)
Abstract
本发明公开了一种燃气发电机组箱体顶部废气排放设备,包括箱体,所述箱体内固定连接有竖板,所述竖板将箱体分隔成换热腔和清理腔,所述换热腔内安装有螺旋换热管,所述螺旋换热管的下端固定连接有与其相通的进气管,所述进气管贯穿箱体设置,所述螺旋换热管的上端贯穿安装有出气管,所述出气管贯穿竖板并与其固定连接,且所述出气管的底部安装有加粗管,所述清理腔内安装有除尘机构。本发明通过螺旋换热管可以将废气中的热量通过换热实现热回收,同时,废气通入水中可以除去颗粒灰尘且产生的气泡可以使网板震动,使得网板不会被堵塞,同时,可以驱动第一螺旋叶转动,可以对可以对换热腔内的清水进行搅拌,使得换热的清水热量更加均匀。
Description
技术领域
本发明涉及内燃机组排气技术领域,尤其涉及一种燃气发电机组箱体顶部废气排放设备。
背景技术
燃气发电机组是适应世界环保要求和市场新环境而开发的新型发电机组。天然气发电机组主要分为两种,一种是联合循环燃气轮机,一种是燃气内燃机。燃气轮机功率比较大,主要用在大、中型电站,燃气内燃机功率比较小,主要用在小型的分布式电站。它是取代燃油、燃煤机组的新型绿色环保动力。
充分利用各种天然气或有害气体作为燃料,变废为宝、运行安全方便,成本效益高,排放污染低,并适宜热、电联产等优点。现有的燃气机组包括发电机与发动机,发动机通过燃烧天然气或其他气体产生能量并使发电机进行发电,发动机在工作时会排出大量高温废气,这些废气中含有一些固体颗粒和含氮含硫有毒气体,直接排放仍会对环境造成污染,同时废气中的热量也造成了能量的浪费,因此我们设计了一种燃气发电机组箱体顶部废气排放设备。
发明内容
本发明的目的是为了解决现有技术中存在的缺点,而提出的一种燃气发电机组箱体顶部废气排放设备。
为了实现上述目的,本发明采用了如下技术方案:
一种燃气发电机组箱体顶部废气排放设备,包括箱体,所述箱体内固定连接有竖板,所述竖板将箱体分隔成换热腔和清理腔,所述换热腔内安装有螺旋换热管,所述螺旋换热管的下端固定连接有与其相通的进气管,所述进气管贯穿箱体设置,所述螺旋换热管的上端贯穿安装有出气管,所述出气管贯穿竖板并与其固定连接,且所述出气管的底部安装有加粗管,所述清理腔内安装有除尘机构,所述除尘机构包括固定在清理腔内壁的两个固定件,两个所述固定件之间均固定连接有竖杆,两个所述竖杆上共同套设有与其滑动连接的网板,所述网板的上端和下端均固定连接有第一弹簧,四个所述第一弹簧均套在竖杆的外部,且四个所述第一弹簧的另一端与固定件固定连接;
且所述清理腔内安装有废气清理机构,所述废气清理机构包括贯穿箱体设置的矩形框,所述矩形框上安装有滤网,所述箱体的外壁固定连接有固定环,所述固定环贯穿设有插杆,所述矩形框的底部设有插槽,所述插杆延伸至插槽内,且所述插杆的底部固定连接有拉块,所述拉块与固定环之间固定连接有第二弹簧,所述第二弹簧套在插杆的外部;
所述箱体的上端贯穿安装有与清理腔相通的排气管,所述排气管与换热腔之间设有均热机构,所述均热机构包括贯穿箱体并与其转动连接的第一转动杆,所述第一转动杆贯穿螺旋换热管设置,所述第一转动杆的底部固定连接有多个第一螺旋叶,所述第一螺旋叶位于螺旋换热管的底部,所述排气管内部固定连接有横杆,所述横杆上下贯穿设有与其转动连接的第二转动杆,所述第二转动杆的底部固定连接有第二螺旋叶,所述第一转动杆与第二转动杆之间设有传动机构。
优选地,所述固定件包括与清理腔内壁固定连接的呈上下设置的两个固定块,所述竖杆的两端与两个固定块固定连接,且所述第一弹簧与固定块固定连接。
优选地,所述滤网包括催化过滤网和活性炭过滤网,所述催化过滤网位于活性炭过滤网下侧。
优选地,所述第一转动杆不与螺旋换热管相抵。
优选地,所述传动机构包括固定在第一转动杆上端的第一传动轮,所述第二转动杆的上端固定连接有第二传动轮,所述第一传动轮和第二传动轮通过皮带相连接。
优选地,所述箱体上贯穿设有排水管,所述排水管与换热腔相连通,且所述排水管上安装有阀门。
优选地,所述箱体上贯穿安装有两个开关门,两个所述开关门分别与换热腔和清理腔相连通。
优选地,所述出气管贯穿网板并与其滑动连接,且所述加粗管位于网板的下方。
本发明与现有技术相比,其有益效果为:
1、废气通过出气管输送至加粗管处并通出,废气通过加粗管冒出后产生气泡,实现对废气中灰尘的过滤,由于加粗管的设置,可以使冒出的气泡较大,气泡向上移动与网板相抵,气泡与网板相抵会破裂,气泡破裂后,通过网板可以再次对废气中的灰尘进行过滤并依附在网板上。
2、废气通过出气管输送至加粗管处并通出,废气通过加粗管冒出后产生气泡,实现对废气中灰尘的过滤,由于加粗管的设置,可以使冒出的气泡较大,气泡向上移动与网板相抵,气泡与网板相抵会破裂,气泡破裂后,通过网板可以再次对废气中的灰尘进行过滤并依附在网板上。
3、随着清理腔内压强增加,空气通过排气管排出,空气冲击在第二螺旋叶上可以实现第二螺旋叶转动,第二螺旋叶转动带动第二转动杆转动,通过第二传动轮、皮带和第一传动轮的配合,可以实现第一转动杆转动,第一转动杆转动带动第一螺旋叶转动,第一螺旋叶转动可以对换热腔内的清水进行搅拌,使得换热的清水热量更加均匀。
4、废气通过进气管输送至螺旋换热管内,通过螺旋换热管与清水接触,通过清水可以与螺旋换热管进行换热,如此可以对清水进行加热,实现废气中热量的回收利用,实现热回收。
综上所述,本发明通过螺旋换热管可以将废气中的热量通过换热实现热回收,同时,废气通入水中可以除去颗粒灰尘且产生的气泡可以使网板震动,使得网板不会被堵塞,同时,可以驱动第一螺旋叶转动,可以对可以对换热腔内的清水进行搅拌,使得换热的清水热量更加均匀。
附图说明
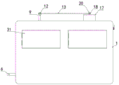
图1为本发明提出的一种燃气发电机组箱体顶部废气排放设备的结构示意图;
图2为本发明提出的一种燃气发电机组箱体顶部废气排放设备的主视图;
图3为本发明提出的一种燃气发电机组箱体顶部废气排放设备中部分结构示意图;
图4为本发明提出的一种燃气发电机组箱体顶部废气排放设备中A处结构示意图。
图中:1箱体、2竖板、3换热腔、4清理腔、5螺旋换热管、6进气管、7出气管、8加粗管、9第一转动杆、10第一螺旋叶、11排水管、12第一传动轮、13皮带、14矩形框、15活性炭过滤网、16催化过滤网、17排气管、18第二传动轮、19横杆、20第二转动杆、21第二螺旋叶、22网板、23固定块、24竖杆、25第一弹簧、26插槽、27插杆、28固定环、29第二弹簧、30拉块、31开关门。
具体实施方式
下面将结合本发明实施例中的附图,对本发明实施例中的技术方案进行清楚、完整地描述,显然,所描述的实施例仅仅是本发明一部分实施例,而不是全部的实施例。
参照图1-4,一种燃气发电机组箱体顶部废气排放设备,包括箱体1,箱体1内固定连接有竖板2,竖板2将箱体1分隔成换热腔3和清理腔4,箱体1上安装有与清理腔4连通的出水管;换热腔3内安装有螺旋换热管5,螺旋换热管5的下端固定连接有与其相通的进气管6,进气管贯穿箱体1设置,螺旋换热管5的上端贯穿安装有出气管7,出气管7贯穿竖板2并与其固定连接,且出气管7的底部安装有加粗管8,出气管7贯穿网板22并与其滑动连接,且加粗管8位于网板22的下方;其中,出气管7贯穿网板22并与其滑动连接,且加粗管8位于网板22的下方。
清理腔4内安装有除尘机构,除尘机构包括固定在清理腔4内壁的两个固定件,两个固定件之间均固定连接有竖杆24,两个竖杆24上共同套设有与其滑动连接的网板22,网板22的上端和下端均固定连接有第一弹簧25,四个第一弹簧25均套在竖杆24的外部,且四个第一弹簧25的另一端与固定件固定连接;通过网板22可以对废气中固体颗粒进行过滤,使其过滤在网板22上和存留在水中。
其中,固定件包括与清理腔4内壁固定连接的呈上下设置的两个固定块23,竖杆24的两端与两个固定块23固定连接,且第一弹簧25与固定块23固定连接。
且清理腔4内安装有废气清理机构,废气清理机构包括贯穿箱体1设置的矩形框14,矩形框14上安装有催化过滤网16和活性炭过滤网15,箱体1的外壁固定连接有固定环28,固定环28贯穿设有插杆27,矩形框14的底部设有插槽26,插杆27延伸至插槽26内,且插杆27的底部固定连接有拉块30,拉块30与固定环28之间固定连接有第二弹簧29,第二弹簧29套在插杆27的外部,通过插杆27和插槽26的配合,可以对矩形框14进行固定,保证其安装在清理腔4内的稳定性。
箱体1的上端贯穿安装有与清理腔4相通的排气管17,排气管17与换热腔3之间设有均热机构,均热机构包括贯穿箱体1并与其转动连接的第一转动杆9,第一转动杆9贯穿螺旋换热管5设置,第一转动杆9的底部固定连接有多个第一螺旋叶10,第一螺旋叶10位于螺旋换热管5的底部,排气管17内部固定连接有横杆19,横杆19上下贯穿设有与其转动连接的第二转动杆20,第二转动杆20的底部固定连接有第二螺旋叶21,第一转动杆9的上端固定连接有第一传动轮12,第二转动杆20的上端固定连接有第二传动轮18,第一传动轮12和第二传动轮18通过皮带13相连接。
具体的解释,清理后的废气逐渐增加,使清理腔4内压强增加,空气通过排气管17排出,空气冲击在第二螺旋叶21上可以实现第二螺旋叶21转动,第二螺旋叶21转动带动第二转动杆20转动,通过第二传动轮18、皮带13和第一传动轮12的配合,可以实现第一转动杆9转动,第一转动杆9转动带动第一螺旋叶10转动,第一螺旋叶10转动可以对换热腔3内的清水进行搅拌,使得换热的清水热量更加均匀。
箱体1上贯穿设有排水管11,排水管11与换热腔3相连通,且排水管11上安装有阀门,方便将换热腔3内的热水排出;其中,箱体1上贯穿安装有两个开关门31,两个开关门31分别与换热腔3和清理腔4相连通。
本发明使用时向换热腔3和清理腔4内注入适量的清水,然后将进气管6与废气管相连接;
废气通过进气管6输送至螺旋换热管5内,通过螺旋换热管5与清水接触,通过清水可以与螺旋换热管5进行换热,如此可以对清水进行加热,实现废气中热量的回收利用,实现热回收;
废气通过出气管7输送至加粗管8处并通出,废气通过加粗管8冒出后产生气泡,实现对废气中灰尘的过滤,由于加粗管8的设置,可以使冒出的气泡较大,气泡向上移动与网板22相抵,气泡与网板22相抵会破裂,气泡破裂后,通过网板22可以再次对废气中的灰尘进行过滤并依附在网板22上;
同时气泡向上移动并破裂会使网板22震动,由于网板22在第一弹簧25的限位下,可以实现网板22在水中上下抖动,网板22上下抖动可以将网板22上的灰尘抖落,从而不会对网板22堵塞,如此网板22无需人工清理;
清理后的废气通过活性炭过滤网15和催化过滤网16的配合,可以对废气过滤,除去废气中的有害物质进行吸附过滤;
随着清理腔4内压强增加,空气通过排气管17排出,空气冲击在第二螺旋叶21上可以实现第二螺旋叶21转动,第二螺旋叶21转动带动第二转动杆20转动,通过第二传动轮18、皮带13和第一传动轮12的配合,可以实现第一转动杆9转动,第一转动杆9转动带动第一螺旋叶10转动,第一螺旋叶10转动可以对换热腔3内的清水进行搅拌,使得换热的清水热量更加均匀;
可以在箱体1上安装有与换热腔3相对的温度计,当温度达到一定程度后,工作人员可以打开阀门,将换热的水通过排水管11排出。
以上所述,仅为本发明较佳的具体实施方式,但本发明的保护范围并不局限于此,任何熟悉本技术领域的技术人员在本发明揭露的技术范围内,根据本发明的技术方案及其发明构思加以等同替换或改变,都应涵盖在本发明的保护范围之内。
Claims (8)
1.一种燃气发电机组箱体顶部废气排放设备,包括箱体(1),其特征在于,所述箱体(1)内固定连接有竖板(2),所述竖板(2)将箱体(1)分隔成换热腔(3)和清理腔(4),所述换热腔(3)内安装有螺旋换热管(5),所述螺旋换热管(5)的下端固定连接有与其相通的进气管(6),所述进气管(6)贯穿箱体(1)设置,所述螺旋换热管(5)的上端贯穿安装有出气管(7),所述出气管(7)贯穿竖板(2)并与其固定连接,且所述出气管(7)的底部安装有加粗管(8),所述清理腔(4)内安装有除尘机构,所述除尘机构包括固定在清理腔(4)内壁的两个固定件,两个所述固定件之间均固定连接有竖杆(24),两个所述竖杆(24)上共同套设有与其滑动连接的网板(22),所述网板(22)的上端和下端均固定连接有第一弹簧(25),四个所述第一弹簧(25)均套在竖杆(24)的外部,且四个所述第一弹簧(25)的另一端与固定件固定连接;
且所述清理腔(4)内安装有废气清理机构,所述废气清理机构包括贯穿箱体(1)设置的矩形框(14),所述矩形框(14)上安装有滤网,所述箱体(1)的外壁固定连接有固定环(28),所述固定环(28)贯穿设有插杆(27),所述矩形框(14)的底部设有插槽(26),所述插杆(27)延伸至插槽(26)内,且所述插杆(27)的底部固定连接有拉块(30),所述拉块(30)与固定环(28)之间固定连接有第二弹簧(29),所述第二弹簧(29)套在插杆(27)的外部;
所述箱体(1)的上端贯穿安装有与清理腔(4)相通的排气管(17),所述排气管(17)与换热腔(3)之间设有均热机构,所述均热机构包括贯穿箱体(1)并与其转动连接的第一转动杆(9),所述第一转动杆(9)贯穿螺旋换热管(5)设置,所述第一转动杆(9)的底部固定连接有多个第一螺旋叶(10),所述第一螺旋叶(10)位于螺旋换热管(5)的底部,所述排气管(17)内部固定连接有横杆(19),所述横杆(19)上下贯穿设有与其转动连接的第二转动杆(20),所述第二转动杆(20)的底部固定连接有第二螺旋叶(21),所述第一转动杆(9)与第二转动杆(20)之间设有传动机构。
2.根据权利要求1所述的一种燃气发电机组箱体顶部废气排放设备,其特征在于,所述固定件包括与清理腔(4)内壁固定连接的呈上下设置的两个固定块(23),所述竖杆(24)的两端与两个固定块(23)固定连接,且所述第一弹簧(25)与固定块(23)固定连接。
3.根据权利要求1所述的一种燃气发电机组箱体顶部废气排放设备,其特征在于,所述滤网包括催化过滤网(16)和活性炭过滤网(15),所述催化过滤网(16)位于活性炭过滤网(15)下侧。
4.根据权利要求1所述的一种燃气发电机组箱体顶部废气排放设备,其特征在于,所述第一转动杆(9)不与螺旋换热管(5)相抵。
5.根据权利要求1所述的一种燃气发电机组箱体顶部废气排放设备,其特征在于,所述传动机构包括固定在第一转动杆(9)上端的第一传动轮(12),所述第二转动杆(20)的上端固定连接有第二传动轮(18),所述第一传动轮(12)和第二传动轮(18)通过皮带(13)相连接。
6.根据权利要求1所述的一种燃气发电机组箱体顶部废气排放设备,其特征在于,所述箱体(1)上贯穿设有排水管(11),所述排水管(11)与换热腔(3)相连通,且所述排水管(11)上安装有阀门。
7.根据权利要求1所述的一种燃气发电机组箱体顶部废气排放设备,其特征在于,所述箱体(1)上贯穿安装有两个开关门(31),两个所述开关门(31)分别与换热腔(3)和清理腔(4)相连通。
8.根据权利要求2所述的一种燃气发电机组箱体顶部废气排放设备,其特征在于,所述出气管(7)贯穿网板(22)并与其滑动连接,且所述加粗管(8)位于网板(22)的下方。
Priority Applications (1)
| Application Number | Priority Date | Filing Date | Title |
|---|---|---|---|
| CN202110722466.2A CN113244730B (zh) | 2021-06-29 | 2021-06-29 | 一种燃气发电机组箱体顶部废气排放设备 |
Applications Claiming Priority (1)
| Application Number | Priority Date | Filing Date | Title |
|---|---|---|---|
| CN202110722466.2A CN113244730B (zh) | 2021-06-29 | 2021-06-29 | 一种燃气发电机组箱体顶部废气排放设备 |
Publications (2)
| Publication Number | Publication Date |
|---|---|
| CN113244730A true CN113244730A (zh) | 2021-08-13 |
| CN113244730B CN113244730B (zh) | 2021-10-01 |
Family
ID=77190078
Family Applications (1)
| Application Number | Title | Priority Date | Filing Date |
|---|---|---|---|
| CN202110722466.2A Active CN113244730B (zh) | 2021-06-29 | 2021-06-29 | 一种燃气发电机组箱体顶部废气排放设备 |
Country Status (1)
| Country | Link |
|---|---|
| CN (1) | CN113244730B (zh) |
Cited By (1)
| Publication number | Priority date | Publication date | Assignee | Title |
|---|---|---|---|---|
| CN114225584A (zh) * | 2021-12-15 | 2022-03-25 | 山东金三宝环保设备有限公司 | 一种减少二噁英排放的自动化祭奠物品焚烧炉 |
Citations (8)
| Publication number | Priority date | Publication date | Assignee | Title |
|---|---|---|---|---|
| EP0804276A1 (en) * | 1995-01-20 | 1997-11-05 | Engelhard Corporation | Method and apparatus for cleaning ambient air by contact with a stationary substrate |
| KR101252051B1 (ko) * | 2012-11-28 | 2013-04-08 | 덕산건설 주식회사 | 하수관 보수용 반전장치에 구비된 원통형 탈취장치 및 탈취방법 |
| US20140096933A1 (en) * | 2011-06-07 | 2014-04-10 | Commissariat A L'energie Atomique Et Aux Ene Alt | Reactive solid/heat-transport gas reactor including a helical duct in which the solid and the gas flow in opposite directions |
| CN209092935U (zh) * | 2018-09-11 | 2019-07-12 | 上海旷彩环保科技发展有限公司 | 一种电磁加热反应釜回转窑烟气回收装置 |
| CN210385275U (zh) * | 2019-05-30 | 2020-04-24 | 翟小静 | 一种矿山用除尘装置 |
| CN211098033U (zh) * | 2019-10-25 | 2020-07-28 | 平阳华亿汽车零部件有限公司 | 一种注塑机废气收集装置 |
| CN212941958U (zh) * | 2020-08-13 | 2021-04-13 | 湖北京京钙业有限公司 | 一种气箱脉冲袋收尘器 |
| CN213235194U (zh) * | 2021-04-09 | 2021-05-18 | 山东普利达新能源科技有限公司 | 一种燃气发电机组箱体顶部废气排放设备 |
-
2021
- 2021-06-29 CN CN202110722466.2A patent/CN113244730B/zh active Active
Patent Citations (8)
| Publication number | Priority date | Publication date | Assignee | Title |
|---|---|---|---|---|
| EP0804276A1 (en) * | 1995-01-20 | 1997-11-05 | Engelhard Corporation | Method and apparatus for cleaning ambient air by contact with a stationary substrate |
| US20140096933A1 (en) * | 2011-06-07 | 2014-04-10 | Commissariat A L'energie Atomique Et Aux Ene Alt | Reactive solid/heat-transport gas reactor including a helical duct in which the solid and the gas flow in opposite directions |
| KR101252051B1 (ko) * | 2012-11-28 | 2013-04-08 | 덕산건설 주식회사 | 하수관 보수용 반전장치에 구비된 원통형 탈취장치 및 탈취방법 |
| CN209092935U (zh) * | 2018-09-11 | 2019-07-12 | 上海旷彩环保科技发展有限公司 | 一种电磁加热反应釜回转窑烟气回收装置 |
| CN210385275U (zh) * | 2019-05-30 | 2020-04-24 | 翟小静 | 一种矿山用除尘装置 |
| CN211098033U (zh) * | 2019-10-25 | 2020-07-28 | 平阳华亿汽车零部件有限公司 | 一种注塑机废气收集装置 |
| CN212941958U (zh) * | 2020-08-13 | 2021-04-13 | 湖北京京钙业有限公司 | 一种气箱脉冲袋收尘器 |
| CN213235194U (zh) * | 2021-04-09 | 2021-05-18 | 山东普利达新能源科技有限公司 | 一种燃气发电机组箱体顶部废气排放设备 |
Cited By (2)
| Publication number | Priority date | Publication date | Assignee | Title |
|---|---|---|---|---|
| CN114225584A (zh) * | 2021-12-15 | 2022-03-25 | 山东金三宝环保设备有限公司 | 一种减少二噁英排放的自动化祭奠物品焚烧炉 |
| CN114225584B (zh) * | 2021-12-15 | 2023-02-24 | 山东金三宝环保设备有限公司 | 一种减少二噁英排放的自动化祭奠物品焚烧炉 |
Also Published As
| Publication number | Publication date |
|---|---|
| CN113244730B (zh) | 2021-10-01 |
Similar Documents
| Publication | Publication Date | Title |
|---|---|---|
| CN113244730B (zh) | 一种燃气发电机组箱体顶部废气排放设备 | |
| CN112973317B (zh) | 一种化工生产用尾气处理设备 | |
| CN212204465U (zh) | 一种便于对底部灰尘进行清理的余热锅炉 | |
| CN116392922A (zh) | 一种燃煤电厂环保循环除尘装置 | |
| CN220061804U (zh) | 一种锅炉余热回收装置 | |
| CN212440724U (zh) | 一种火电厂碳减排系统用废气处理装置 | |
| CN112066363A (zh) | 一种节能环保型锅炉 | |
| CN220397554U (zh) | 一种处理生活垃圾焚烧炉渣回收装置 | |
| CN113310041A (zh) | 一种中、小型多功能新型颗粒微压环保高效节能锅炉 | |
| CN220125822U (zh) | 一种火电厂烟气排放用烟尘处理装置 | |
| CN220677259U (zh) | 一种火电厂烟气净化装置 | |
| CN111503638A (zh) | 一种焚烧效果好的环保型焚烧炉 | |
| CN112254159B (zh) | 一种蓄热式催化燃烧装置 | |
| CN217559864U (zh) | 一种生物质燃烧锅炉 | |
| CN215692500U (zh) | 一种锅炉用除尘装置 | |
| CN205640952U (zh) | 一种生物质燃烧机的电动丝杆式清灰渣和结焦装置 | |
| CN112594030B (zh) | 一种电力发电机烟气清洁处理装置 | |
| CN103055631B (zh) | 除尘滤筒的清理装置 | |
| CN110240128B (zh) | 一种氮气自动加氢纯化装置 | |
| CN220303625U (zh) | 一种高效环保型锅炉 | |
| CN222871644U (zh) | 一种环境工程用废气处理装置 | |
| CN215195963U (zh) | 一种火力发电用烟雾过滤装置 | |
| CN211025705U (zh) | 一种余热回收废气处理设备 | |
| CN220424827U (zh) | 一种锅炉烟气的脱汞装置 | |
| CN216878328U (zh) | 一种过滤除尘设备用清洁装置 |
Legal Events
| Date | Code | Title | Description |
|---|---|---|---|
| PB01 | Publication | ||
| PB01 | Publication | ||
| SE01 | Entry into force of request for substantive examination | ||
| SE01 | Entry into force of request for substantive examination | ||
| GR01 | Patent grant | ||
| GR01 | Patent grant | ||
| PE01 | Entry into force of the registration of the contract for pledge of patent right |
Denomination of invention: Exhaust gas emission equipment at the top of box of Gas-fired power plant unit Effective date of registration: 20230630 Granted publication date: 20211001 Pledgee: Bank of Communications Ltd. Weifang branch Pledgor: SHANDONG SUPERMALY GENERATING EQUIPMENT CO.,LTD. Registration number: Y2023980046938 |
|
| PE01 | Entry into force of the registration of the contract for pledge of patent right |