CN113231994B - Automatic assembly workbench of power distribution cabinet - Google Patents
Automatic assembly workbench of power distribution cabinet Download PDFInfo
- Publication number
- CN113231994B CN113231994B CN202110777017.8A CN202110777017A CN113231994B CN 113231994 B CN113231994 B CN 113231994B CN 202110777017 A CN202110777017 A CN 202110777017A CN 113231994 B CN113231994 B CN 113231994B
- Authority
- CN
- China
- Prior art keywords
- support
- bracket
- power distribution
- distribution cabinet
- cylinder
- Prior art date
- Legal status (The legal status is an assumption and is not a legal conclusion. Google has not performed a legal analysis and makes no representation as to the accuracy of the status listed.)
- Active
Links
- 238000009826 distribution Methods 0.000 title claims abstract description 35
- 238000003825 pressing Methods 0.000 claims abstract description 16
- 238000004519 manufacturing process Methods 0.000 abstract description 2
- 229910000831 Steel Inorganic materials 0.000 description 61
- 239000010959 steel Substances 0.000 description 61
- 238000003780 insertion Methods 0.000 description 13
- 230000037431 insertion Effects 0.000 description 13
- 238000003466 welding Methods 0.000 description 13
- 230000003028 elevating effect Effects 0.000 description 6
- 230000007306 turnover Effects 0.000 description 4
- 230000000694 effects Effects 0.000 description 3
- 238000006073 displacement reaction Methods 0.000 description 2
- 230000001360 synchronised effect Effects 0.000 description 2
- 230000009286 beneficial effect Effects 0.000 description 1
- 238000012986 modification Methods 0.000 description 1
- 230000004048 modification Effects 0.000 description 1
- 238000002360 preparation method Methods 0.000 description 1
- 230000000630 rising effect Effects 0.000 description 1
- 238000007493 shaping process Methods 0.000 description 1
Images
Classifications
-
- B—PERFORMING OPERATIONS; TRANSPORTING
- B25—HAND TOOLS; PORTABLE POWER-DRIVEN TOOLS; MANIPULATORS
- B25H—WORKSHOP EQUIPMENT, e.g. FOR MARKING-OUT WORK; STORAGE MEANS FOR WORKSHOPS
- B25H1/00—Work benches; Portable stands or supports for positioning portable tools or work to be operated on thereby
-
- B—PERFORMING OPERATIONS; TRANSPORTING
- B25—HAND TOOLS; PORTABLE POWER-DRIVEN TOOLS; MANIPULATORS
- B25B—TOOLS OR BENCH DEVICES NOT OTHERWISE PROVIDED FOR, FOR FASTENING, CONNECTING, DISENGAGING OR HOLDING
- B25B27/00—Hand tools, specially adapted for fitting together or separating parts or objects whether or not involving some deformation, not otherwise provided for
-
- B—PERFORMING OPERATIONS; TRANSPORTING
- B25—HAND TOOLS; PORTABLE POWER-DRIVEN TOOLS; MANIPULATORS
- B25H—WORKSHOP EQUIPMENT, e.g. FOR MARKING-OUT WORK; STORAGE MEANS FOR WORKSHOPS
- B25H1/00—Work benches; Portable stands or supports for positioning portable tools or work to be operated on thereby
- B25H1/08—Work benches; Portable stands or supports for positioning portable tools or work to be operated on thereby with provision for attachment of work holders
-
- H—ELECTRICITY
- H02—GENERATION; CONVERSION OR DISTRIBUTION OF ELECTRIC POWER
- H02B—BOARDS, SUBSTATIONS OR SWITCHING ARRANGEMENTS FOR THE SUPPLY OR DISTRIBUTION OF ELECTRIC POWER
- H02B1/00—Frameworks, boards, panels, desks, casings; Details of substations or switching arrangements
- H02B1/26—Casings; Parts thereof or accessories therefor
- H02B1/30—Cabinet-type casings; Parts thereof or accessories therefor
- H02B1/301—Cabinet-type casings; Parts thereof or accessories therefor mainly consisting of a frame onto which plates are mounted
-
- H—ELECTRICITY
- H02—GENERATION; CONVERSION OR DISTRIBUTION OF ELECTRIC POWER
- H02B—BOARDS, SUBSTATIONS OR SWITCHING ARRANGEMENTS FOR THE SUPPLY OR DISTRIBUTION OF ELECTRIC POWER
- H02B3/00—Apparatus specially adapted for the manufacture, assembly, or maintenance of boards or switchgear
Landscapes
- Engineering & Computer Science (AREA)
- Mechanical Engineering (AREA)
- Power Engineering (AREA)
- Manufacturing & Machinery (AREA)
- Automatic Assembly (AREA)
Abstract
The invention relates to the field of power distribution cabinet manufacturing, in particular to an automatic assembling workbench of a power distribution cabinet, which comprises a base, wherein a first air cylinder is arranged on the base, a bracket is arranged at the output end of the first air cylinder, a slot with a cross structure is formed in the top of the bracket, four corners of the slot penetrate through the bracket, a first support with the cross structure is inserted in the slot, at least four grooves are formed in the top of the first support, a sliding block is arranged in each groove in a sliding mode, a plurality of first clamping grooves are formed in the top of the sliding block, a plurality of second air cylinders are arranged in the sliding block, the output ends of the second air cylinders respectively penetrate through the sliding block and extend into the corresponding first clamping grooves, a first pressing plate is fixedly arranged in each groove, three third air cylinders are linearly distributed on one side, positioned on the base, of the first air cylinders, and a second support is arranged at the output end of the third air cylinder positioned in the middle; the invention can automatically assemble the main frame of the power distribution cabinet.
Description
Technical Field
The invention relates to the field of power distribution cabinet manufacturing, in particular to an automatic assembling workbench of a power distribution cabinet.
Background
The distribution cabinet is a final-stage device of a distribution system and is a general name of a motor control center.
Traditional switch board preparation mostly uses a plurality of square steel pipes to weld each other earlier, form the main frame, riveting the steel sheet on the main frame again, articulated cabinet door makes the switch board shaping at last, and current switch board main frame is when the welding, mostly adopt artifical manual mode operation, when the welding, need artifical manual support square steel pipe to splice, this kind of mode takes trouble and difficultly, very big reduction the efficiency that the switch board was assembled, the processing cost has been increased, artifical manual concatenation simultaneously, can't guarantee the interval between each square steel pipe, the fineness that the switch board was assembled has been reduced, this has brought inconvenience for assembling of switch board.
Disclosure of Invention
In order to solve the problems, the invention provides an automatic assembling workbench for a power distribution cabinet, which can automatically assemble a main frame of the power distribution cabinet and position an assembled square steel pipe, thereby reducing the processing cost, ensuring the assembling precision and improving the yield of the power distribution cabinet.
In order to achieve the purpose, the invention adopts the following technical scheme that the automatic assembly workbench of the power distribution cabinet comprises a base, wherein a first air cylinder is arranged on the base, a bracket is arranged at the output end of the first air cylinder, a slot with a cross structure is arranged at the top of the bracket, four corners of the slot penetrate through the bracket, a first support with a cross structure is inserted into the slot, at least four grooves are arranged at the top of the first support, sliding blocks are arranged in the grooves in a sliding manner, a plurality of first clamping grooves are arranged at the top of the sliding blocks, a plurality of second air cylinders are arranged in the sliding blocks, the output ends of the second air cylinders respectively penetrate through the sliding blocks to extend into the correspondingly arranged first clamping grooves and are fixedly provided with first pressing plates, and the cut square steel pipes can be quickly positioned and clamped through the first support, and the clamped square steel pipes are automatically driven to contact with each other, so that splicing is completed, and welding is facilitated.
The base on and be located one side of a cylinder is sharp distribution and is provided with three No. three cylinder, the position is placed in the middle the output of No. three cylinder is provided with No. two supports, all the other two the output of No. three cylinder all is provided with No. three supports, the structure of No. two supports with the structure of a support is unanimous, No. two double-layered grooves have all been seted up at the both ends of No. three supports, all be provided with No. four cylinders in No. three supports, the output of No. four cylinder runs through respectively No. three supports extend to correspond the setting No. two press plates of double-layered inslot and fixed mounting have No. two, through No. two supports with No. three supports can carry out quick location and centre gripping to the square steel pipe that cuts, can automize drive the square steel pipe in proper order and splice with the square steel pipe frame after the welding, be convenient for weld.
Be provided with the shifting chute on the base, slidable mounting has the mobile station in the shifting chute, be provided with the pneumatic cylinder in the mobile station, the output of pneumatic cylinder runs through mobile station and fixed mounting has the elevating platform, the elevating platform is close to one side of a support has seted up the circular slot, the circular slot internal rotation is connected with the carousel, be provided with the rotating electrical machines in the elevating platform, the output of rotating electrical machines runs through elevating platform fixed mounting is in one side of carousel, the carousel is kept away from one side fixed mounting of rotating electrical machines output has the link, the link is kept away from the one end fixed mounting of carousel is in on the support, through the mobile station with the elevating platform can drive welding rear steel pipe frame and remove and go up and down, is convenient for splice.
As a preferred technical scheme of the invention, a plurality of clamping grooves are annularly distributed on the outer wall of the rotary table along the circumferential direction of the rotary table, a spring clamping block is slidably arranged on the inner wall of the circular groove, the spring clamping block and the clamping grooves are in concave-convex fit with each other, a fifth cylinder is arranged in the lifting table, and the output end of the fifth cylinder is arranged corresponding to the spring clamping block.
As a preferable technical solution of the present invention, a lead screw and a guide rod are disposed in the moving groove, and the lead screw and the guide rod respectively penetrate through the moving stage.
As a preferred technical scheme of the invention, a plurality of spring rods are arranged in the first support and the second support, one ends of the spring rods respectively penetrate through the first support and the second support and are fixedly mounted on the correspondingly arranged slide blocks, a sixth air cylinder is arranged in each of the first support and the second support, the output ends of the sixth air cylinders are respectively provided with an insertion rod with a conical structure, a plurality of insertion grooves are annularly distributed on the outer wall of the insertion rod along the circumferential direction of the insertion rod, and one end of each spring rod, which is far away from the slide block, is rotatably connected with a roller wheel which is respectively inserted in the corresponding insertion groove.
As a preferred technical scheme of the invention, a first limiting frame is respectively arranged on the base and below the second support, the structure of the first limiting frame is consistent with that of the bracket, the first limiting frame and the second support are correspondingly arranged and are spliced, a through groove is formed in the bottom of the first limiting frame, and the through groove is sleeved on the outer side of the correspondingly arranged third air cylinder.
As a preferred technical scheme of the invention, two second limiting frames with L-shaped structures are arranged on the base and positioned on two sides of the third support, the second limiting frames on two sides of the same third support are arranged in a reverse direction and are in contact with the third support, and limiting grooves are arranged on the tops of the second limiting frames.
As a preferable technical scheme of the invention, rubber layers are arranged on one sides of the first pressure plate and the second pressure plate, which are far away from the second air cylinder and the fourth air cylinder.
As a preferable technical solution of the present invention, a placing table is disposed on the base and on one side of the third support.
The invention has the beneficial effects that: 1. the invention can automatically assemble the main frame of the power distribution cabinet and position the assembled square steel tube, thereby reducing the processing cost, ensuring the assembling precision and improving the yield of the power distribution cabinet.
2. The first support, the second support and the third support are designed, cut square steel pipes can be rapidly limited and clamped through the first support, the second support and the third support, the clamped square steel pipes are driven to be automatically spliced in sequence, rapid splicing of a main frame of a power distribution cabinet is achieved, and splicing cost is reduced.
3. The lifting platform is designed, the lifting platform can move and lift under the driving of the moving platform and the hydraulic cylinder, meanwhile, the lifting platform can be connected with the first support through the connecting frame, the first support and the square steel tube fixed on the first support can be driven to turn over by matching with the turntable, automatic assembly of a main frame of the power distribution cabinet can be achieved by matching with the rising of the second support and the third support, meanwhile, the assembly precision is guaranteed, and the yield of the power distribution cabinet is improved.
Drawings
The invention is further illustrated with reference to the following figures and examples.
Fig. 1 is a schematic perspective view of the present invention.
Fig. 2 is a perspective view of the bracket of the present invention.
Fig. 3 is a schematic perspective view of a first position limiting frame of the present invention.
Fig. 4 is a schematic perspective view of the third bracket and the second limiting bracket of the invention.
Fig. 5 is a schematic perspective sectional structure of the moving chute of the present invention.
Fig. 6 is a schematic sectional view of the elevating platform of the present invention.
Fig. 7 is a schematic sectional view of the circular groove of the present invention.
Fig. 8 is a sectional structural schematic view of the third stent of the present invention.
Fig. 9 is a schematic sectional view of the first stent and the second stent of the present invention.
Fig. 10 is a schematic workflow of the present invention.
Fig. 11 is a perspective view of the main frame of the accessory cabinet of the present invention.
In the figure: 1. a base; 11. a first cylinder; 12. a bracket; 13. a slot; 2. a first bracket; 21. a groove; 22. a slider; 23. a first clamp groove; 24. a second cylinder; 25. a first pressing plate; 3. a third cylinder; 31. a second bracket; 32. a third bracket; 33. a second clamp groove; 34. a cylinder number four; 35. pressing plates II; 36. a spring lever; 361. a roller; 37. a number six cylinder; 38. inserting a rod; 39. inserting grooves; 4. a moving groove; 41. a mobile station; 42. a hydraulic cylinder; 43. a lifting platform; 44. a circular groove; 441. a spring clamping block; 45. a turntable; 451. a card slot; 46. a rotating electric machine; 47. a connecting frame; 48. a lead screw; 49. a guide bar; 5. a first limiting frame; 51. a through groove; 52. a second limiting frame; 53. a limiting groove; 6. a rubber layer; 7. and (6) placing the table.
Detailed Description
In order to make the technical means, the creation characteristics, the achievement purposes and the effects of the invention easy to understand, the invention is further explained below by combining the specific drawings. It should be noted that the embodiments and features of the embodiments in the present application may be combined with each other without conflict.
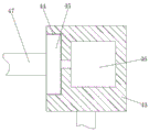
As shown in fig. 1 and 9, an automatic assembling workbench for a power distribution cabinet comprises a base 1, wherein a first air cylinder 11 is arranged on the base 1, a bracket 12 is arranged at the output end of the first air cylinder 11, a slot 13 with a cross structure is arranged at the top of the bracket 12, four corners of the slot 13 penetrate through the bracket 12, a first bracket 2 with a cross structure is inserted in the slot 13, at least four grooves 21 are arranged at the top of the first bracket 2, a sliding block 22 is slidably arranged in each groove 21, a plurality of first clamping grooves 23 are arranged at the top of the sliding block 22, a plurality of second air cylinders 24 are arranged in the sliding block 22, the output ends of the second air cylinders 24 respectively penetrate through the sliding block 22 and extend into the correspondingly arranged first clamping grooves 23, and are fixedly provided with a first pressing plate 25, the base 1 is used for supporting and fixing, the first air cylinder 11 is used for supporting and lifting the bracket 12, the bracket 12 is inserted into the first bracket 2 through the slot 13, recess 21 on a support 2 is used for connecting and sliding block 22, when the square steel pipe that cuts put into a clamp groove 23 on slider 22, under bracket 12's limiting displacement, can make the square steel pipe both ends of placing on a support 2 align each other, at this moment, operation No. two cylinders 24 promote a clamp plate 25 and press down and can carry out the centre gripping fixedly by the other side steel pipe on the square steel pipe, at this moment, operation cylinder 11 drives bracket 12 and descends, make bracket 12 break away from a support 2, the both ends of the square steel pipe of centre gripping on a support 2 all are in unsettled state this moment, can conveniently weld, it is fixed to make the square steel pipe interconnect of centre gripping on a support 2.
As shown in fig. 1, 4, 8, and 9, three third cylinders 3 are linearly distributed on one side of the base 1 and located on the first cylinder 11, a second bracket 31 is arranged at an output end of the third cylinder 3 located in the middle of the base, a third bracket 32 is arranged at output ends of the other two third cylinders 3, the structure of the second bracket 31 is consistent with that of the first bracket 2, second clamping grooves 33 are formed at two ends of the third bracket 32, a fourth cylinder 34 is arranged in the third bracket 32, an output end of the fourth cylinder 34 penetrates through the third bracket 32 respectively and extends into the second clamping grooves 33 correspondingly arranged, and a second pressing plate 35 is fixedly installed in the output end of the fourth cylinder 34, the third cylinder 3 is used for supporting and lifting the second bracket 31 and the third bracket 32, and the second clamping grooves 33 on the third bracket 32 are used for clamping square steel pipes.
As shown in FIG. 8, one side of the first pressing plate 25 and one side of the second pressing plate 35, which are far away from the second air cylinder 24 and the fourth air cylinder 34, are provided with rubber layers 6, and the rubber layers 6 can improve the clamping effect of the first pressing plate 25 and the second pressing plate 35, so that the phenomenon that displacement is generated when a square steel pipe frame is rotated to influence the splicing precision is avoided.
As shown in fig. 9, a plurality of spring rods 36 are disposed in the first support 2 and the second support 31, one end of each spring rod 36 penetrates through the first support 2 and the second support 31 respectively and is fixedly mounted on the corresponding slider 22, a number six air cylinder 37 is disposed in each of the first support 2 and the second support 31, the output end of each number six air cylinder 37 is provided with an insertion rod 38 having a conical structure, a plurality of insertion grooves 39 are circumferentially and annularly disposed on the outer wall of the insertion rod 38, a roller 361 is rotatably connected to one end of each spring rod 36 away from the slider 22, the roller 361 is respectively inserted into the corresponding insertion groove 39, the spring rods 36 are used for connecting the sliders 22 and driving the sliders 22 to slide, the number six air cylinders 37 are used for driving the insertion rods 38 to lift, the insertion rods 38 can extrude the spring rods 36 by lifting, so as to realize the movement of the spring rods 36, when the insertion grooves 39 are matched with the rollers to lift the insertion rods 38, and the smooth and easy degree between the spring beam 36, can carry on spacingly to the spring beam 36 simultaneously, avoid spring beam 36 to produce the skew when inserted bar 38 goes up and down, influence slider 22's removal precision, when square steel pipe is placed on a support 2 and No. two supports 31, if directly make square steel pipe contact each other, can influence the placing of follow-up square steel pipe, cause the card to pause easily, therefore, square steel pipe is not contact each other when placing on a support 2 and No. two supports 31, when a support 2 and No. two supports 31 break away from bracket 12 and No. one spacing 5, can pass through slider 22's removal, drive the square steel pipe of centre gripping on a support 2 and No. two supports 31 and contact each other, accomplish the concatenation.
As shown in fig. 3, a first limiting frame 5 is arranged on the base 1 and below the second support 31, the structure of the first limiting frame 5 is consistent with that of the bracket 12, the first limiting frame 5 and the second support 31 are correspondingly arranged and are inserted, a through groove 51 is formed in the bottom of the first limiting frame 5, the through groove 51 is sleeved outside the third cylinder 3 correspondingly arranged, the first limiting frame 5 is used for limiting a square steel pipe placed on the second support 31, so that the two ends of the square steel pipe are aligned with each other, the through groove 51 is used for passing through the output end of the third cylinder 3, and the second support 31 can be lifted.
As shown in fig. 4, two limiting frames 52 of L-shaped structures are disposed on the base 1 and located on two sides of the third support 32, the two limiting frames 52 on two sides of the same third support 32 are disposed in opposite directions and contact with the third support 32, a limiting groove 53 is disposed on the top of each limiting frame 52, and the two limiting frames 52 are matched with the limiting groove 53 to limit the square steel pipes placed on the third support 32, so that the two square steel pipes are aligned with each other.
As shown in fig. 1, 5 and 6, a moving slot 4 is arranged on a base 1, a moving table 41 is slidably mounted in the moving slot 4, a hydraulic cylinder 42 is arranged in the moving table 41, an output end of the hydraulic cylinder 42 penetrates through the moving table 41 and is fixedly mounted with a lifting table 43, a round slot 44 is arranged on one side of the lifting table 43 close to a first support 2, a rotary table 45 is rotatably connected in the round slot 44, a rotary motor 46 is arranged in the lifting table 43, an output end of the rotary motor 46 penetrates through the lifting table 43 and is fixedly mounted on one side of the rotary table 45, a connecting frame 47 is fixedly mounted on one side of the rotary table 45 far away from the output end of the rotary motor 46, one end of the connecting frame 47 far away from the rotary table 45 is fixedly mounted on the first support 2, the moving slot 4 is used for connecting and sliding the moving table 41, the moving table 41 is connected with the lifting table 43 through the hydraulic cylinder 42 and realizes lifting thereof, the lifting table 43 is connected with and rotates the rotary table 45 through the rotary motor 46, the turntable 45 is fixedly connected with the first support 2 through the connecting frame 47, and the first support 2 can be driven to turn over in a reciprocating mode through rotation of the turntable 45.
As shown in fig. 7, a plurality of clamping grooves 451 are annularly distributed on the outer wall of the turntable 45 along the circumferential direction thereof, a spring clamping block 441 is slidably arranged on the inner wall of the circular groove 44, the spring clamping block 441 and the clamping groove 451 are in concave-convex fit with each other, a fifth cylinder 411 is arranged in the lifting platform 43, the output end of the fifth cylinder 411 is arranged corresponding to the spring clamping block 441, the clamping groove 451 is matched with the spring clamping block 441 to limit the rotation angle of the turntable 45, the fifth cylinder 411 can fix the spring clamping block 441, and the positioning effect of the turntable 45 can be improved.
As shown in fig. 5, a lead screw 48 and a guide rod 49 are provided in the moving groove 4, the lead screw 48 and the guide rod 49 penetrate the moving stage 41, the lead screw 48 is rotated by an external driving device, and the moving stage 41 is driven to move by the guide rod 49.
As shown in fig. 1, a placing table 7 is arranged on the base 1 and on one side of the third bracket 32, and the placing table 7 is used for placing the assembled and molded main frame of the power distribution cabinet.
As shown in fig. 1 to 11, the working flow of the present invention is as follows: the cut square steel pipes are sequentially placed in the first clamping groove 23 and the second clamping groove 33 on the first support 2, the second support 31 and the third support 32, the second air cylinder 24 and the fourth air cylinder 34 are operated to push the first pressing plate 25 and the second pressing plate 35 to press the square steel pipes, and the square steel pipes are clamped.
After the square steel pipe is fixed by the centre gripping, at first operation bracket 12 descends, break away from a support 2, make the both ends of the square steel pipe of centre gripping on a support 2 be unsettled state, when the square steel pipe is placed on a support 2 and No. two supports 31, if direct messenger's square steel pipe contacts each other, can influence the placing of follow-up square steel pipe, cause the card to pause easily, consequently, the square steel pipe is not contacting each other when placing on a support 2 and No. two supports 31, the flexible inserted bar 38 that drives of No. six cylinder 37 in the operation support 2 this moment, drive spring beam 36 and remove, make slider 22 synchronous motion, drive two liang of both ends of the square steel pipe that are held in contact with each other, accomplish the concatenation and weld through the manual work.
After the square steel tube welded fastening on a support 2, operation carousel 45 degree of rotation, drive a support 2 and the square steel tube upset to the vertical state after the welding, No. three cylinder 3 through corresponding setting promotes in two No. three supports 32 that are close to a support 2 No. three supports 32 rise, it breaks away from No. two spacing 52 by the square steel tube of centre gripping and rises to appointed height to drive, at this moment, the both ends of the square steel tube of centre gripping are in unsettled state, it removes to drive a support 2 and the square steel tube after the welding through removal platform 41, contact with the one end of the square steel tube that rises to appointed height, weld through the manual work after accomplishing the concatenation.
After the welding is accomplished, No. three supports 32 of operation release square steel pipe, operation carousel 45 is rotatory 90 degrees once more, drive a support 2 and the upset of welding rear steel pipe once more, No. three cylinders 3 through corresponding setting promote No. two supports 31 to rise, make the square steel pipe by the centre gripping break away from No. one spacing 5, at this moment, the both ends of the square steel pipe of centre gripping on No. two supports 31 all are unsettled state, No. six cylinders 37 in No. two supports 31 of operation are flexible to drive inserted bar 38 and are gone up and down, drive spring beam 36 and remove, make slider 22 synchronous motion, drive two liang of mutual contacts in both ends of the square steel pipe by the centre gripping, accomplish the concatenation and weld through the manual work.
After the square steel pipe on second support 31 passes through the welding, operation first support 2 removes to the assigned position, and operation second support 31 rises to the assigned position once more, makes the square steel pipe on second support 31 and the square steel pipe on first support 2 contact, accomplishes the concatenation after through artifical manual weld fixation, and the welding is accomplished the back, and operation second support 31 releases the square steel pipe.
At this time, the rotating disc 45 is operated again to rotate 90 degrees to drive the first bracket 2 and the welded square steel tube to turn over again, the third air cylinder 3 correspondingly arranged is operated to push the remaining third bracket 32 to rise to a specified height, so that two ends of the clamped square steel tube are suspended and contacted with the welded square steel tube on the first bracket 2, the power distribution cabinet main frame is formed by manual welding after splicing, the third bracket 32 is operated to release the square steel tube after welding, the operating rotating disc 45 rotates again to drive the first bracket 2 and the formed power distribution cabinet main frame to turn over, the operation moving table 41 moves to drive the first bracket 2 and the formed power distribution cabinet main frame to move above the placing table 7, the lifting table 43 is driven to descend through the hydraulic cylinder 42, the formed power distribution cabinet main frame is placed on the placing table 7, the first bracket 2 is operated to release the formed power distribution cabinet main frame and reset, the main frame of the power distribution cabinet can be assembled again.
The foregoing illustrates and describes the principles, general features, and advantages of the present invention. It will be understood by those skilled in the art that the present invention is not limited to the embodiments described above, which are given by way of illustration of the principles of the present invention, and that various changes and modifications may be made without departing from the spirit and scope of the invention as defined by the appended claims. The scope of the invention is defined by the appended claims and equivalents thereof.
Claims (8)
1. The utility model provides a workstation is assembled in automation of switch board, includes base (1), its characterized in that: a first cylinder (11) is arranged on the base (1), a bracket (12) is arranged at the output end of the first cylinder (11), the top of the bracket (12) is provided with a slot (13) with a cross structure, four corners of the slot (13) penetrate through the bracket (12), a first bracket (2) with a cross structure is inserted in the slot (13), at least four grooves (21) are arranged at the top of the first bracket (2), the grooves (21) are internally and slidably provided with sliding blocks (22), the tops of the sliding blocks (22) are respectively provided with a plurality of first clamping grooves (23), a plurality of second cylinders (24) are arranged in the sliding block (22), and output ends of the second cylinders (24) respectively penetrate through the sliding block (22) to extend into the correspondingly arranged first clamping grooves (23) and are fixedly provided with first pressing plates (25);
three third cylinders (3) are linearly distributed on the base (1) and located on one side of the first cylinder (11), a second support (31) is arranged at the output end of the third cylinder (3) which is located in the middle, three supports (32) are arranged at the output ends of the other two third cylinders (3), the structure of the second support (31) is consistent with that of the first support (2), second clamping grooves (33) are formed in two ends of the third support (32), four cylinders (34) are arranged in the third support (32), and the output ends of the four cylinders (34) penetrate through the third support (32) respectively and extend into the correspondingly arranged second clamping grooves (33) and are fixedly provided with second pressing plates (35);
a moving groove (4) is arranged on the base (1), a moving platform (41) is arranged in the moving groove (4) in a sliding way, a hydraulic cylinder (42) is arranged in the mobile platform (41), the output end of the hydraulic cylinder (42) penetrates through the mobile platform (41) and is fixedly provided with a lifting platform (43), a circular groove (44) is arranged on one side of the lifting platform (43) close to the first bracket (2), a rotary table (45) is rotationally connected in the circular groove (44), a rotary motor (46) is arranged in the lifting platform (43), the output end of the rotating motor (46) penetrates through the lifting platform (43) and is fixedly arranged on one side of the turntable (45), a connecting frame (47) is fixedly arranged on one side of the turntable (45) far away from the output end of the rotating motor (46), one end, far away from the turntable (45), of the connecting frame (47) is fixedly installed on the first support (2).
2. The automatic assembling workbench of a power distribution cabinet according to claim 1, characterized in that: the outer wall of the rotating disc (45) is provided with a plurality of clamping grooves (451) in an annular distribution mode along the circumferential direction of the outer wall, the inner wall of the circular groove (44) is provided with a spring clamping block (441) in a sliding mode, the spring clamping block (441) is matched with the clamping grooves (451) in a concave-convex mode, a fifth air cylinder (411) is arranged in the lifting platform (43), and the output end of the fifth air cylinder (411) is arranged corresponding to the spring clamping block (441).
3. The automatic assembling workbench of a power distribution cabinet according to claim 1, characterized in that: a screw rod (48) and a guide rod (49) are arranged in the moving groove (4), and the screw rod (48) and the guide rod (49) penetrate through the moving platform (41) respectively.
4. The automatic assembling workbench of a power distribution cabinet according to claim 1, characterized in that: a plurality of spring rods (36) are arranged in the first support (2) and the second support (31), one ends of the spring rods (36) penetrate through the first support (2) and the second support (31) and are fixedly mounted on the corresponding sliding blocks (22), a six-number air cylinder (37) is arranged in the first support (2) and the second support (31), the output end of the six-number air cylinder (37) is provided with an inserting rod (38) with a conical structure, a plurality of inserting grooves (39) are annularly distributed on the outer wall of the inserting rod (38) along the circumferential direction of the inserting rod, one ends, far away from the sliding blocks (22), of the spring rods (36) are rotatably connected with idler wheels (361), and the idler wheels (361) are inserted into the corresponding inserting grooves (39).
5. The automatic assembling workbench of a power distribution cabinet according to claim 1, characterized in that: base (1) on and be located the below of No. two supports (31) is provided with spacing (5) No. one respectively, the structure of spacing (5) with the structure of bracket (12) is unanimous, spacing (5) with No. two supports (31) correspond the setting and peg graft mutually, logical groove (51) have been seted up to the bottom of spacing (5), it establishes to correspond the setting to lead to groove (51) cover the outside of No. three cylinders (3).
6. The automatic assembling workbench of a power distribution cabinet according to claim 1, characterized in that: the base (1) on be located No. two spacing (52) of L type structure are all provided with to the both sides of No. three support (32), same No. two spacing (52) of No. three support (32) both sides each other are reverse setting and with No. three support (32) contact, No. two spacing top of (52) all sets up and has seted up spacing groove (53).
7. The automatic assembling workbench of a power distribution cabinet according to claim 1, characterized in that: a rubber layer (6) is arranged on one side, away from the second air cylinder (24) and the fourth air cylinder (34), of the first pressing plate (25) and the second pressing plate (35).
8. The automatic assembling workbench of a power distribution cabinet according to claim 1, characterized in that: a placing table (7) is arranged on the base (1) and positioned on one side of the third bracket (32).
Priority Applications (1)
| Application Number | Priority Date | Filing Date | Title |
|---|---|---|---|
| CN202110777017.8A CN113231994B (en) | 2021-07-09 | 2021-07-09 | Automatic assembly workbench of power distribution cabinet |
Applications Claiming Priority (1)
| Application Number | Priority Date | Filing Date | Title |
|---|---|---|---|
| CN202110777017.8A CN113231994B (en) | 2021-07-09 | 2021-07-09 | Automatic assembly workbench of power distribution cabinet |
Publications (2)
| Publication Number | Publication Date |
|---|---|
| CN113231994A CN113231994A (en) | 2021-08-10 |
| CN113231994B true CN113231994B (en) | 2021-09-03 |
Family
ID=77135226
Family Applications (1)
| Application Number | Title | Priority Date | Filing Date |
|---|---|---|---|
| CN202110777017.8A Active CN113231994B (en) | 2021-07-09 | 2021-07-09 | Automatic assembly workbench of power distribution cabinet |
Country Status (1)
| Country | Link |
|---|---|
| CN (1) | CN113231994B (en) |
Families Citing this family (2)
| Publication number | Priority date | Publication date | Assignee | Title |
|---|---|---|---|---|
| CN113394932B (en) * | 2021-08-16 | 2021-10-26 | 徐州汇易容金属科技有限公司 | Special fixture for machining three-phase asynchronous motor shell |
| CN117399973B (en) * | 2023-10-18 | 2024-03-12 | 上华电气有限公司 | Power switch cabinet body assembling robot |
Citations (9)
| Publication number | Priority date | Publication date | Assignee | Title |
|---|---|---|---|---|
| US5664612A (en) * | 1995-12-07 | 1997-09-09 | Klemma; Asle | Portable woodworking assembly |
| CN106541240A (en) * | 2016-12-23 | 2017-03-29 | 扬州金源机器人自动化设备有限公司 | A kind of many plate assembly welding toolings |
| CN107671800A (en) * | 2017-10-25 | 2018-02-09 | 西安易筑机电工业化科技有限公司 | A kind of pipe fitting assembly device and assembling method |
| CN207027437U (en) * | 2017-05-24 | 2018-02-23 | 南京迪特尔电子机械技术有限公司 | Assembly or fitting table for complete power distribution cabinet |
| CN109449810A (en) * | 2018-12-20 | 2019-03-08 | 杭州夏尔电子科技有限公司 | A kind of main frame body automatic assembly equipment of power distribution cabinet |
| CN209919848U (en) * | 2019-04-22 | 2020-01-10 | 成都工贸职业技术学院 | Rotary fixing platform for die machining |
| CN210388110U (en) * | 2019-07-23 | 2020-04-24 | 南京健顺电器控制设备有限公司 | Welding positioning tool for cabinet body of power distribution cabinet |
| CN211007057U (en) * | 2020-04-29 | 2020-07-14 | 海南恒久钢结构工程有限公司 | Steel structure frame suitable for rapid assembly |
| CN212552645U (en) * | 2020-07-21 | 2021-02-19 | 四川倍思特电力电气有限公司 | Power distribution cabinet body installation assembly line |
-
2021
- 2021-07-09 CN CN202110777017.8A patent/CN113231994B/en active Active
Patent Citations (9)
| Publication number | Priority date | Publication date | Assignee | Title |
|---|---|---|---|---|
| US5664612A (en) * | 1995-12-07 | 1997-09-09 | Klemma; Asle | Portable woodworking assembly |
| CN106541240A (en) * | 2016-12-23 | 2017-03-29 | 扬州金源机器人自动化设备有限公司 | A kind of many plate assembly welding toolings |
| CN207027437U (en) * | 2017-05-24 | 2018-02-23 | 南京迪特尔电子机械技术有限公司 | Assembly or fitting table for complete power distribution cabinet |
| CN107671800A (en) * | 2017-10-25 | 2018-02-09 | 西安易筑机电工业化科技有限公司 | A kind of pipe fitting assembly device and assembling method |
| CN109449810A (en) * | 2018-12-20 | 2019-03-08 | 杭州夏尔电子科技有限公司 | A kind of main frame body automatic assembly equipment of power distribution cabinet |
| CN209919848U (en) * | 2019-04-22 | 2020-01-10 | 成都工贸职业技术学院 | Rotary fixing platform for die machining |
| CN210388110U (en) * | 2019-07-23 | 2020-04-24 | 南京健顺电器控制设备有限公司 | Welding positioning tool for cabinet body of power distribution cabinet |
| CN211007057U (en) * | 2020-04-29 | 2020-07-14 | 海南恒久钢结构工程有限公司 | Steel structure frame suitable for rapid assembly |
| CN212552645U (en) * | 2020-07-21 | 2021-02-19 | 四川倍思特电力电气有限公司 | Power distribution cabinet body installation assembly line |
Also Published As
| Publication number | Publication date |
|---|---|
| CN113231994A (en) | 2021-08-10 |
Similar Documents
| Publication | Publication Date | Title |
|---|---|---|
| CN111421096B (en) | A highly efficient and automated lithium battery riveting equipment | |
| CN113231994B (en) | Automatic assembly workbench of power distribution cabinet | |
| CN106602121B (en) | Automatic battery electrode group packaging equipment and cast-weld auxiliary device applying same | |
| CN116247388A (en) | Nickel-hydrogen battery all-lug positive electrode current collecting disc welding equipment | |
| CN106899151B (en) | Intelligent assembly equipment for motor clamp spring magnetic shoe stator shell | |
| CN113103188A (en) | Automatic machining equipment and machining process for metal plate forming of low-voltage switch cabinet | |
| CN216939250U (en) | String rod turntable mechanism | |
| CN217512701U (en) | Automatic riveting equipment | |
| CN219336681U (en) | Automatic change equipment jump ring equipment | |
| CN218424882U (en) | Tab flattening machine and tab flattening mechanism thereof | |
| CN216298522U (en) | Riveting and welding integrated machine | |
| CN112285539B (en) | IED flexible testing front-end adapter suitable for automatic taking and placing | |
| CN211614819U (en) | Chip set self-guiding precision assembly equipment | |
| CN117428391B (en) | Convenient assembly device based on intelligent welding | |
| CN221177504U (en) | Split type stator assembly winding equipment | |
| CN223492562U (en) | A piston assembly device | |
| CN202964251U (en) | Manipulator of automatic molding machine for long frame of solar cell module | |
| CN120095256B (en) | Motor wire harness welding machine | |
| CN222449120U (en) | Windshield wiper assembly auxiliary assembly | |
| CN117020539B (en) | Convenient assembly device based on intelligent welding | |
| CN223122477U (en) | Multi-station automatic camera shooting testing device | |
| CN222038339U (en) | Auxiliary assembling device | |
| CN214162001U (en) | Automatic gasket feeding and assembling mechanism for spin riveting machine | |
| CN222002355U (en) | Welding positioning equipment | |
| CN215100554U (en) | Material taking mechanism |
Legal Events
| Date | Code | Title | Description |
|---|---|---|---|
| PB01 | Publication | ||
| PB01 | Publication | ||
| SE01 | Entry into force of request for substantive examination | ||
| SE01 | Entry into force of request for substantive examination | ||
| GR01 | Patent grant | ||
| GR01 | Patent grant |