CN113197522A - 一种基于传感器原理的柔性智能穿戴式清洁辅助设备 - Google Patents

一种基于传感器原理的柔性智能穿戴式清洁辅助设备 Download PDF

Info

Publication number
CN113197522A
CN113197522A CN202110461628.1A CN202110461628A CN113197522A CN 113197522 A CN113197522 A CN 113197522A CN 202110461628 A CN202110461628 A CN 202110461628A CN 113197522 A CN113197522 A CN 113197522A
Authority
CN
China
Prior art keywords
fixedly installed
rod
box body
hole
rods
Prior art date
Legal status (The legal status is an assumption and is not a legal conclusion. Google has not performed a legal analysis and makes no representation as to the accuracy of the status listed.)
Granted
Application number
CN202110461628.1A
Other languages
English (en)
Other versions
CN113197522B (zh
Inventor
胡钦华
Current Assignee (The listed assignees may be inaccurate. Google has not performed a legal analysis and makes no representation or warranty as to the accuracy of the list.)
Dongguan University of Technology
Original Assignee
Dongguan University of Technology
Priority date (The priority date is an assumption and is not a legal conclusion. Google has not performed a legal analysis and makes no representation as to the accuracy of the date listed.)
Filing date
Publication date
Application filed by Dongguan University of Technology filed Critical Dongguan University of Technology
Priority to CN202110461628.1A priority Critical patent/CN113197522B/zh
Publication of CN113197522A publication Critical patent/CN113197522A/zh
Application granted granted Critical
Publication of CN113197522B publication Critical patent/CN113197522B/zh
Expired - Fee Related legal-status Critical Current
Anticipated expiration legal-status Critical

Links

Images

Classifications

    • AHUMAN NECESSITIES
    • A47FURNITURE; DOMESTIC ARTICLES OR APPLIANCES; COFFEE MILLS; SPICE MILLS; SUCTION CLEANERS IN GENERAL
    • A47LDOMESTIC WASHING OR CLEANING; SUCTION CLEANERS IN GENERAL
    • A47L11/00Machines for cleaning floors, carpets, furniture, walls, or wall coverings
    • A47L11/28Floor-scrubbing machines, motor-driven
    • A47L11/284Floor-scrubbing machines, motor-driven having reciprocating tools
    • AHUMAN NECESSITIES
    • A47FURNITURE; DOMESTIC ARTICLES OR APPLIANCES; COFFEE MILLS; SPICE MILLS; SUCTION CLEANERS IN GENERAL
    • A47LDOMESTIC WASHING OR CLEANING; SUCTION CLEANERS IN GENERAL
    • A47L11/00Machines for cleaning floors, carpets, furniture, walls, or wall coverings
    • A47L11/40Parts or details of machines not provided for in groups A47L11/02 - A47L11/38, or not restricted to one of these groups, e.g. handles, arrangements of switches, skirts, buffers, levers
    • AHUMAN NECESSITIES
    • A47FURNITURE; DOMESTIC ARTICLES OR APPLIANCES; COFFEE MILLS; SPICE MILLS; SUCTION CLEANERS IN GENERAL
    • A47LDOMESTIC WASHING OR CLEANING; SUCTION CLEANERS IN GENERAL
    • A47L11/00Machines for cleaning floors, carpets, furniture, walls, or wall coverings
    • A47L11/40Parts or details of machines not provided for in groups A47L11/02 - A47L11/38, or not restricted to one of these groups, e.g. handles, arrangements of switches, skirts, buffers, levers
    • A47L11/4036Parts or details of the surface treating tools
    • A47L11/4047Wound-up or endless cleaning belts
    • AHUMAN NECESSITIES
    • A47FURNITURE; DOMESTIC ARTICLES OR APPLIANCES; COFFEE MILLS; SPICE MILLS; SUCTION CLEANERS IN GENERAL
    • A47LDOMESTIC WASHING OR CLEANING; SUCTION CLEANERS IN GENERAL
    • A47L11/00Machines for cleaning floors, carpets, furniture, walls, or wall coverings
    • A47L11/40Parts or details of machines not provided for in groups A47L11/02 - A47L11/38, or not restricted to one of these groups, e.g. handles, arrangements of switches, skirts, buffers, levers
    • A47L11/4075Handles; levers
    • AHUMAN NECESSITIES
    • A47FURNITURE; DOMESTIC ARTICLES OR APPLIANCES; COFFEE MILLS; SPICE MILLS; SUCTION CLEANERS IN GENERAL
    • A47LDOMESTIC WASHING OR CLEANING; SUCTION CLEANERS IN GENERAL
    • A47L11/00Machines for cleaning floors, carpets, furniture, walls, or wall coverings
    • A47L11/40Parts or details of machines not provided for in groups A47L11/02 - A47L11/38, or not restricted to one of these groups, e.g. handles, arrangements of switches, skirts, buffers, levers
    • A47L11/408Means for supplying cleaning or surface treating agents
    • A47L11/4083Liquid supply reservoirs; Preparation of the agents, e.g. mixing devices

Landscapes

  • Cleaning Implements For Floors, Carpets, Furniture, Walls, And The Like (AREA)

Abstract

一种基于传感器原理的柔性智能穿戴式清洁辅助设备,包括弧形杆,弧形杆的两端分别连接背带,弧形杆的外弧面开设滑槽,滑槽内配合设有滑块,滑块的一侧固定安装固定套,固定套的一侧开口,滑槽内配合设有往复移动装置,往复移动装置控制滑块在滑槽内移动,固定套的一侧开口处内壁固定安装螺母,螺母配合设有螺杆,螺杆的一侧开设第一通孔,第一通孔的上下两端内壁分别开设导向槽。通过本发明无需工作人员弯腰用拖把进行拖地操作,减轻了工作人员的劳累强度,而且对于拖地车无法到达的地方。

Description

一种基于传感器原理的柔性智能穿戴式清洁辅助设备
技术领域
本发明属于清洁设备技术领域,具体地说是一种基于传感器原理的柔性智能穿戴式清洁辅助设备。
背景技术
目前对于办公楼等建筑,办公楼的一些公共地面需要进行清洁,虽然有拖地车,但拖地车有一些地方无法到达,且部分地方拖地车也不好转向,从而再次需要人工清洁,十分劳累,在使用中较为不便。
发明内容
本发明提供一种基于传感器原理的柔性智能穿戴式清洁辅助设备,用以解决现有技术中的缺陷。
本发明通过以下技术方案予以实现:
一种基于传感器原理的柔性智能穿戴式清洁辅助设备,包括弧形杆,弧形杆的两端分别连接背带,弧形杆的外弧面开设滑槽,滑槽内配合设有滑块,滑块的一侧固定安装固定套,固定套的一侧开口,滑槽内配合设有往复移动装置,往复移动装置控制滑块在滑槽内移动,固定套的一侧开口处内壁固定安装螺母,螺母配合设有螺杆,螺杆的一侧开设第一通孔,第一通孔的上下两端内壁分别开设导向槽,固定套的另一侧内壁活动安装转杆,转杆插入至第一通孔内,转杆的一端固定安装长条块,长条块的上下两端分别插入至对应的导向槽内,转杆的另一端固定安装第一伞齿轮,固定套的另一侧顶端开设放置孔,放置孔内轴承安装连接轴,连接轴的底端固定安装第二伞齿轮,第二伞齿轮能够与第一伞齿轮啮合配合,螺杆的另一侧安装放置箱,放置箱的底端四角分别固定安装竖向的弹簧伸缩杆,弹簧伸缩杆的活动杆底端活动安装万向轮,弹簧伸缩杆的套杆之间通过框架固定连接,框架的顶端四角分别固定安装竖杆,竖杆的顶端固定安装固定块,竖杆上套装配合设有移动套,固定块与移动套之间通过弹簧连接,移动套的内侧固定连接连块,四块连块之间通过盒体连接,盒体能够穿过框架,盒体内中部固定安装水平板,盒体的底端内壁开设数个第二通孔,第二通孔内轴承安装连接杆,连接杆的底端固定安装圆盘,圆盘的底端开设圆槽,圆槽内固定安装拖布,盒体底端内壁配合设有控制装置,控制装置控制数根连接杆转动,连接杆的顶端开设长条孔,长条孔贯通连接杆的上下两端,圆槽的顶端开设通水口,且与长条孔内部相通,放置箱的底端连接管道的一端,管道的另一端穿过盒体的顶端、水平板,管道的另一端固定安装数条连接管,每条连接管的一端能够插入至对应的一个长条孔内。
如上所述的一种基于传感器原理的柔性智能穿戴式清洁辅助设备,所述的往复移动装置由两个带有电机的线轴组成,两个线轴分别安装于滑槽的两端,每根线轴上固定连接一条线绳,两条线绳的相对端分别固定连接滑块的前后两端。
如上所述的一种基于传感器原理的柔性智能穿戴式清洁辅助设备,所述的水平板顶面固定安装烘干机,烘干机的出风口固定连接排放管的一端,排放管的另一端穿过水平板、盒体的底端。
如上所述的一种基于传感器原理的柔性智能穿戴式清洁辅助设备,所述的控制装置包括正反转电机,正反转电机安装于盒体的底端内壁上,正反转电机的输出轴顶端固定安装第一链轮,连接杆上固定安装第二链轮,第二链轮位于盒体内,数个第二链轮之间通过一条链条活动连接,第一链轮与其中一个第二链轮啮合配合。
本发明的优点是:工作人员将背带穿戴到身上,双手可以握住弧形杆的两端,启动往复移动装置,往复移动装置控制滑块在滑槽内移动,带动固定套往复移动,固定套带动螺杆、放置箱移动,通过万向轮可以更为顺畅的移动,放置箱内的液体通过管道流入到连接杆的长条孔内,并通过通水口进入圆盘内,对拖布进行湿润,然后控制装置控制连接杆转动,连接杆带动圆盘转动,拖布在随上方的放置箱往复的移动同时也进行自转,对地面进行擦拭;通过本发明无需工作人员弯腰用拖把进行拖地操作,减轻了工作人员的劳累强度,而且对于拖地车无法到达的地方,本发明可以进行清洁操作,而且通过弹簧伸缩杆,可以根据不同的工作人员进行使用,而且通过连接轴的转动,可以带动第一伞齿轮、第二伞齿轮转动,带动螺杆转动,调整放置箱与弧形杆之间的距离,进而转动的范围可以根据需要调整。
附图说明
为了更清楚地说明本发明实施例或现有技术中的技术方案,下面将对实施例或现有技术描述中所需要使用的附图作一简单地介绍,显而易见地,下面描述中的附图是本发明的一些实施例,对于本领域普通技术人员来讲,在不付出创造性劳动性的前提下,还可以根据这些附图获得其他的附图。
图1是本发明的结构示意图;图2是图1的A的向视图;图3是图1的I的局部放大图;图4是图3的B的向视图的放大图;图5是图1的II的局部放大图;图6是图1的III的局部放大图;图7是图1的IV的局部放大图。
具体实施方式
为使本发明实施例的目的、技术方案和优点更加清楚,下面将结合本发明实施例中的附图,对本发明实施例中的技术方案进行清楚、完整地描述,显然,所描述的实施例是本发明一部分实施例,而不是全部的实施例。基于本发明中的实施例,本领域普通技术人员在没有作出创造性劳动前提下所获得的所有其他实施例,都属于本发明保护的范围。
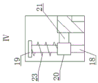
一种基于传感器原理的柔性智能穿戴式清洁辅助设备,如图所示,包括弧形杆1,弧形杆1的两端分别连接背带,背带可以穿戴到工作人员身上,弧形杆1的外弧面开设滑槽2,滑槽2内配合设有滑块,滑块的一侧固定安装固定套3,固定套3的一侧开口,滑槽2内配合设有往复移动装置,往复移动装置控制滑块在滑槽2内移动,滑块在滑槽2内往复移动时,带动固定套3沿弧形杆1运动,固定套3的一侧开口处内壁固定安装螺母4,螺母4配合设有螺杆5,螺杆5的一侧开设第一通孔6,第一通孔6的上下两端内壁分别开设导向槽7,固定套3的另一侧内壁活动安装转杆8,转杆8插入至第一通孔6内,转杆8的一端固定安装长条块9,长条块9的上下两端分别插入至对应的导向槽7内,转杆8转动可以带动螺杆5转动,转杆8的另一端固定安装第一伞齿轮10,固定套3的另一侧顶端开设放置孔11,放置孔11内轴承安装连接轴12,连接轴12的底端固定安装第二伞齿轮13,第二伞齿轮13能够与第一伞齿轮10啮合配合,螺杆5的另一侧安装放置箱14,放置箱14的底端四角分别固定安装竖向的弹簧伸缩杆15,弹簧伸缩杆15的活动杆底端活动安装万向轮16,弹簧伸缩杆15的套杆之间通过框架17固定连接,框架17位于弹簧伸缩杆15的套杆底端,框架17的顶端四角分别固定安装竖杆18,竖杆18的顶端固定安装固定块19,竖杆18上套装配合设有移动套20,固定块19与移动套20之间通过弹簧23连接,竖杆18穿过弹簧23,弹簧23始终给移动套20一个向下的力,移动套20的内侧固定连接连块21,四块连块21之间通过盒体22连接,盒体22能够穿过框架17,盒体22内中部固定安装水平板,水平板将盒体22分割成两个腔体,盒体22的底端内壁开设数个第二通孔24,第二通孔24内轴承安装连接杆25,连接杆25的底端固定安装圆盘33,圆盘33的底端开设圆槽,圆槽内固定安装拖布,拖布能够与地面接触,圆盘33的底端与地面存在一定的间隙,盒体22底端内壁配合设有控制装置,控制装置控制数根连接杆25转动,连接杆25的顶端开设长条孔,长条孔贯通连接杆25的上下两端,圆槽的顶端开设通水口,且与长条孔内部相通,放置箱14的底端连接管道26的一端,管道26的另一端穿过盒体22的顶端、水平板,管道26的另一端位于水平板的下方,管道26的另一端固定安装数条连接管,每条连接管的一端能够插入至对应的一个长条孔内,连接管进入长条孔内,不会影响连接杆25的转动。工作人员将背带穿戴到身上,双手可以握住弧形杆1的两端,启动往复移动装置,往复移动装置控制滑块2在滑槽2内移动,带动固定套3往复移动,固定套3带动螺杆5、放置箱14移动,通过万向轮16可以更为顺畅的移动,放置箱14内的液体通过管道26流入到连接杆25的长条孔内,并通过通水口进入圆盘33内,对拖布进行湿润,然后控制装置控制连接杆25转动,连接杆25带动圆盘33转动,拖布在随上方的放置箱14往复的移动同时也进行自转,对地面进行擦拭;通过本发明无需工作人员弯腰用拖把进行拖地操作,减轻了工作人员的劳累强度,而且对于拖地车无法到达的地方,本发明可以进行清洁操作,而且通过弹簧伸缩杆15,可以根据不同的工作人员进行使用,而且通过连接轴12的转动,可以带动第一伞齿轮10、第二伞齿轮13转动,带动螺杆5转动,调整放置箱14与弧形杆1之间的距离,进而转动的范围可以根据需要调整。
具体而言,本实施例所述的往复移动装置由两个带有电机的线轴27组成,两个线轴27分别安装于滑槽2的两端,每根线轴27上固定连接一条线绳,两条线绳的相对端分别固定连接滑块的前后两端。两个线轴27以弧形杆1的圆心对称分布,线轴27的电机安装于滑槽2的底端内壁上,一根线轴27的电机转动时,线绳缠绕到线轴27上,即线轴收线,而另一根线轴27进行放线操作,此时拉动滑块向滑槽2的一侧移动,滑块在滑槽2内往复移动带动其他部件做弧形运动。
具体的,本实施例所述的水平板顶面固定安装烘干机,烘干机的出风口固定连接排放管28的一端,排放管28的另一端穿过水平板、盒体22的底端。排放管28的另一端穿出盒体22后,位于数个圆盘26之间,可以进一步对拖过的地面进行烘干处理,地面干燥时间加快。
进一步的,本实施例所述的控制装置包括正反转电机29,正反转电机29安装于盒体22的底端内壁上,正反转电机29的输出轴顶端固定安装第一链轮30,连接杆25上固定安装第二链轮31,第二链轮31位于盒体22内,数个第二链轮31之间通过一条链条活动连接,第一链轮30与其中一个第二链轮31啮合配合。正反转电机29工作,带动第一链轮3转动,第一链轮30与一个第二链轮31啮合配合,可以带动剩余的第二链轮31转动,进而带动数根连接杆25转动,通过拖布快速对地面进行擦拭。
最后应说明的是:以上实施例仅用以说明本发明的技术方案,而非对其限制;尽管参照前述实施例对本发明进行了详细的说明,本领域的普通技术人员应当理解:其依然可以对前述各实施例所记载的技术方案进行修改,或者对其中部分技术特征进行等同替换;而这些修改或者替换,并不使相应技术方案的本质脱离本发明各实施例技术方案的精神和范围。

Claims (4)

1.一种基于传感器原理的柔性智能穿戴式清洁辅助设备,其特征在于:包括弧形杆(1),弧形杆(1)的两端分别连接背带,弧形杆(1)的外弧面开设滑槽(2),滑槽(2)内配合设有滑块,滑块的一侧固定安装固定套(3),固定套(3)的一侧开口,滑槽(2)内配合设有往复移动装置,往复移动装置控制滑块在滑槽(2)内移动,固定套(3)的一侧开口处内壁固定安装螺母(4),螺母(4)配合设有螺杆(5),螺杆(5)的一侧开设第一通孔(6),第一通孔(6)的上下两端内壁分别开设导向槽(7),固定套(3)的另一侧内壁活动安装转杆(8),转杆(8)插入至第一通孔(6)内,转杆(8)的一端固定安装长条块(9),长条块(9)的上下两端分别插入至对应的导向槽(7)内,转杆(8)的另一端固定安装第一伞齿轮(10),固定套(3)的另一侧顶端开设放置孔(11),放置孔(11)内轴承安装连接轴(12),连接轴(12)的底端固定安装第二伞齿轮(13),第二伞齿轮(13)能够与第一伞齿轮(10)啮合配合,螺杆(5)的另一侧安装放置箱(14),放置箱(14)的底端四角分别固定安装竖向的弹簧伸缩杆(15),弹簧伸缩杆(15)的活动杆底端活动安装万向轮(16),弹簧伸缩杆(15)的套杆之间通过框架(17)固定连接,框架(17)的顶端四角分别固定安装竖杆(18),竖杆(18)的顶端固定安装固定块(19),竖杆(18)上套装配合设有移动套(20),固定块(19)与移动套(20)之间通过弹簧(23)连接,移动套(20)的内侧固定连接连块(21),四块连块(21)之间通过盒体(22)连接,盒体(22)能够穿过框架(17),盒体(22)内中部固定安装水平板,盒体(22)的底端内壁开设数个第二通孔(24),第二通孔(24)内轴承安装连接杆(25),连接杆(25)的底端固定安装圆盘(33),圆盘(33)的底端开设圆槽,圆槽内固定安装拖布,盒体(22)底端内壁配合设有控制装置,控制装置控制数根连接杆(25)转动,连接杆(25)的顶端开设长条孔,长条孔贯通连接杆(25)的上下两端,圆槽的顶端开设通水口,且与长条孔内部相通,放置箱(14)的底端连接管道(26)的一端,管道(26)的另一端穿过盒体(22)的顶端、水平板,管道(26)的另一端固定安装数条连接管,每条连接管的一端能够插入至对应的一个长条孔内。
2.根据权利要求1所述的一种基于传感器原理的柔性智能穿戴式清洁辅助设备,其特征在于:所述的往复移动装置由两个带有电机的线轴(27)组成,两个线轴(27)分别安装于滑槽(2)的两端,每根线轴(27)上固定连接一条线绳,两条线绳的相对端分别固定连接滑块的前后两端。
3.根据权利要求1所述的一种基于传感器原理的柔性智能穿戴式清洁辅助设备,其特征在于:所述的水平板顶面固定安装烘干机,烘干机的出风口固定连接排放管(28)的一端,排放管(28)的另一端穿过水平板、盒体(22)的底端。
4.根据权利要求1所述的一种基于传感器原理的柔性智能穿戴式清洁辅助设备,其特征在于:所述的控制装置包括正反转电机(29),正反转电机(29)安装于盒体(22)的底端内壁上,正反转电机(29)的输出轴顶端固定安装第一链轮(30),连接杆(25)上固定安装第二链轮(31),第二链轮(31)位于盒体(22)内,数个第二链轮(31)之间通过一条链条活动连接,第一链轮(30)与其中一个第二链轮(31)啮合配合。
CN202110461628.1A 2021-04-27 2021-04-27 一种智能穿戴式清洁辅助设备 Expired - Fee Related CN113197522B (zh)

Priority Applications (1)

Application Number Priority Date Filing Date Title
CN202110461628.1A CN113197522B (zh) 2021-04-27 2021-04-27 一种智能穿戴式清洁辅助设备

Applications Claiming Priority (1)

Application Number Priority Date Filing Date Title
CN202110461628.1A CN113197522B (zh) 2021-04-27 2021-04-27 一种智能穿戴式清洁辅助设备

Publications (2)

Publication Number Publication Date
CN113197522A true CN113197522A (zh) 2021-08-03
CN113197522B CN113197522B (zh) 2022-04-26

Family

ID=77026897

Family Applications (1)

Application Number Title Priority Date Filing Date
CN202110461628.1A Expired - Fee Related CN113197522B (zh) 2021-04-27 2021-04-27 一种智能穿戴式清洁辅助设备

Country Status (1)

Country Link
CN (1) CN113197522B (zh)

Citations (7)

* Cited by examiner, † Cited by third party
Publication number Priority date Publication date Assignee Title
CN108078507A (zh) * 2017-12-25 2018-05-29 郑州游爱网络技术有限公司 一种家用曲柄滑块式地砖清洁装置
CN108514385A (zh) * 2018-06-05 2018-09-11 刘超 一种家用清扫机器人的清扫结构
CN109567685A (zh) * 2018-12-29 2019-04-05 重庆市永川区佳悦家政服务有限公司 家政清洁装置
CN110638379A (zh) * 2019-09-29 2020-01-03 杭州金心科技有限公司 一种具有清扫拖地功能且拖地效果好的清洁装置
CN210902860U (zh) * 2019-07-22 2020-07-03 仲启媛 一种带有洒水功能的拖地装置
CN211187084U (zh) * 2019-09-11 2020-08-07 东北林业大学 双模式智能清洁机器人
CN112438850A (zh) * 2020-10-21 2021-03-05 南通大学附属医院 一种多功能的急诊护理药物手推车

Patent Citations (7)

* Cited by examiner, † Cited by third party
Publication number Priority date Publication date Assignee Title
CN108078507A (zh) * 2017-12-25 2018-05-29 郑州游爱网络技术有限公司 一种家用曲柄滑块式地砖清洁装置
CN108514385A (zh) * 2018-06-05 2018-09-11 刘超 一种家用清扫机器人的清扫结构
CN109567685A (zh) * 2018-12-29 2019-04-05 重庆市永川区佳悦家政服务有限公司 家政清洁装置
CN210902860U (zh) * 2019-07-22 2020-07-03 仲启媛 一种带有洒水功能的拖地装置
CN211187084U (zh) * 2019-09-11 2020-08-07 东北林业大学 双模式智能清洁机器人
CN110638379A (zh) * 2019-09-29 2020-01-03 杭州金心科技有限公司 一种具有清扫拖地功能且拖地效果好的清洁装置
CN112438850A (zh) * 2020-10-21 2021-03-05 南通大学附属医院 一种多功能的急诊护理药物手推车

Also Published As

Publication number Publication date
CN113197522B (zh) 2022-04-26

Similar Documents

Publication Publication Date Title
CN201529092U (zh) 一种建筑物外立面自动清洗设备
CN109013416B (zh) 一种节能环保的商铺广告牌清洗装置
CN107969980B (zh) 一种外墙或玻璃幕墙清洗机
CN110101334A (zh) 一种悬挂吸附式玻璃/光伏幕墙自动清洗机
CN106473660B (zh) 智能玻璃幕墙清洗机器人系统
CN109700394B (zh) 玻璃幕墙清洗装置
CN105476560A (zh) 一种墙面清洗机器人及其控制方法
CN116253196B (zh) 一种建筑水电安装用线缆收卷装置
CN206659737U (zh) 智能玻璃幕墙清洗机器人系统
CN107811587B (zh) 一种吊篮式高空外墙与玻璃幕墙清洗装置
CN108453745A (zh) 一种具有清扫功能的自动巡逻安防机器人
CN115173321B (zh) 一种建筑电气用的电线穿线装置
CN203970296U (zh) 一种玻璃幕墙清洗装置
CN106539536B (zh) 一种幕墙玻璃清洗机器人
CN104856616B (zh) 一种用于清洁高空幕墙的履带式机器人
CN211961944U (zh) 一种墙面清洗机
CN113197522A (zh) 一种基于传感器原理的柔性智能穿戴式清洁辅助设备
CN213371801U (zh) 一种多功能墙面清洗装置
CN104083131B (zh) 一种玻璃幕墙清洗装置
CN214488020U (zh) 一种机械设备清洁装置
CN210606091U (zh) 一种具有自动除污清洁功能的交通诱导屏
CN208211965U (zh) 一种外墙或玻璃幕墙清洗机
CN208481273U (zh) 具有类人工作业模式的高空清洁机器人
CN118390719A (zh) 一种具有自清洗功能的玻璃幕墙
CN216583876U (zh) 一种具有自主润滑功能的起重链条

Legal Events

Date Code Title Description
PB01 Publication
PB01 Publication
SE01 Entry into force of request for substantive examination
SE01 Entry into force of request for substantive examination
GR01 Patent grant
GR01 Patent grant
CF01 Termination of patent right due to non-payment of annual fee
CF01 Termination of patent right due to non-payment of annual fee

Granted publication date: 20220426