CN113194673A - Protective equipment for electric power big data server - Google Patents

Protective equipment for electric power big data server Download PDF

Info

Publication number
CN113194673A
CN113194673A CN202110308429.7A CN202110308429A CN113194673A CN 113194673 A CN113194673 A CN 113194673A CN 202110308429 A CN202110308429 A CN 202110308429A CN 113194673 A CN113194673 A CN 113194673A
Authority
CN
China
Prior art keywords
fixedly connected
shaped
big data
mounting box
data server
Prior art date
Legal status (The legal status is an assumption and is not a legal conclusion. Google has not performed a legal analysis and makes no representation as to the accuracy of the status listed.)
Withdrawn
Application number
CN202110308429.7A
Other languages
Chinese (zh)
Inventor
周欣欣
Current Assignee (The listed assignees may be inaccurate. Google has not performed a legal analysis and makes no representation or warranty as to the accuracy of the list.)
Individual
Original Assignee
Individual
Priority date (The priority date is an assumption and is not a legal conclusion. Google has not performed a legal analysis and makes no representation as to the accuracy of the date listed.)
Filing date
Publication date
Application filed by Individual filed Critical Individual
Priority to CN202110308429.7A priority Critical patent/CN113194673A/en
Publication of CN113194673A publication Critical patent/CN113194673A/en
Withdrawn legal-status Critical Current

Links

Images

Classifications

    • HELECTRICITY
    • H05ELECTRIC TECHNIQUES NOT OTHERWISE PROVIDED FOR
    • H05KPRINTED CIRCUITS; CASINGS OR CONSTRUCTIONAL DETAILS OF ELECTRIC APPARATUS; MANUFACTURE OF ASSEMBLAGES OF ELECTRICAL COMPONENTS
    • H05K7/00Constructional details common to different types of electric apparatus
    • H05K7/20Modifications to facilitate cooling, ventilating, or heating
    • H05K7/20009Modifications to facilitate cooling, ventilating, or heating using a gaseous coolant in electronic enclosures
    • H05K7/20136Forced ventilation, e.g. by fans
    • H05K7/20145Means for directing air flow, e.g. ducts, deflectors, plenum or guides
    • FMECHANICAL ENGINEERING; LIGHTING; HEATING; WEAPONS; BLASTING
    • F16ENGINEERING ELEMENTS AND UNITS; GENERAL MEASURES FOR PRODUCING AND MAINTAINING EFFECTIVE FUNCTIONING OF MACHINES OR INSTALLATIONS; THERMAL INSULATION IN GENERAL
    • F16FSPRINGS; SHOCK-ABSORBERS; MEANS FOR DAMPING VIBRATION
    • F16F15/00Suppression of vibrations in systems; Means or arrangements for avoiding or reducing out-of-balance forces, e.g. due to motion
    • F16F15/02Suppression of vibrations of non-rotating, e.g. reciprocating systems; Suppression of vibrations of rotating systems by use of members not moving with the rotating systems
    • F16F15/04Suppression of vibrations of non-rotating, e.g. reciprocating systems; Suppression of vibrations of rotating systems by use of members not moving with the rotating systems using elastic means
    • F16F15/06Suppression of vibrations of non-rotating, e.g. reciprocating systems; Suppression of vibrations of rotating systems by use of members not moving with the rotating systems using elastic means with metal springs
    • F16F15/067Suppression of vibrations of non-rotating, e.g. reciprocating systems; Suppression of vibrations of rotating systems by use of members not moving with the rotating systems using elastic means with metal springs using only wound springs
    • HELECTRICITY
    • H05ELECTRIC TECHNIQUES NOT OTHERWISE PROVIDED FOR
    • H05KPRINTED CIRCUITS; CASINGS OR CONSTRUCTIONAL DETAILS OF ELECTRIC APPARATUS; MANUFACTURE OF ASSEMBLAGES OF ELECTRICAL COMPONENTS
    • H05K5/00Casings, cabinets or drawers for electric apparatus
    • H05K5/02Details
    • H05K5/0213Venting apertures; Constructional details thereof
    • HELECTRICITY
    • H05ELECTRIC TECHNIQUES NOT OTHERWISE PROVIDED FOR
    • H05KPRINTED CIRCUITS; CASINGS OR CONSTRUCTIONAL DETAILS OF ELECTRIC APPARATUS; MANUFACTURE OF ASSEMBLAGES OF ELECTRICAL COMPONENTS
    • H05K5/00Casings, cabinets or drawers for electric apparatus
    • H05K5/02Details
    • H05K5/03Covers
    • HELECTRICITY
    • H05ELECTRIC TECHNIQUES NOT OTHERWISE PROVIDED FOR
    • H05KPRINTED CIRCUITS; CASINGS OR CONSTRUCTIONAL DETAILS OF ELECTRIC APPARATUS; MANUFACTURE OF ASSEMBLAGES OF ELECTRICAL COMPONENTS
    • H05K7/00Constructional details common to different types of electric apparatus
    • H05K7/14Mounting supporting structure in casing or on frame or rack

Landscapes

  • Engineering & Computer Science (AREA)
  • Microelectronics & Electronic Packaging (AREA)
  • Physics & Mathematics (AREA)
  • General Engineering & Computer Science (AREA)
  • Thermal Sciences (AREA)
  • Acoustics & Sound (AREA)
  • Aviation & Aerospace Engineering (AREA)
  • Mechanical Engineering (AREA)
  • Cooling Or The Like Of Electrical Apparatus (AREA)

Abstract

The invention discloses protection equipment for an electric power big data server, which comprises an installation cabinet body, wherein three hinged seats are fixedly connected to one side of the front surface of the installation cabinet body, one sides of the three hinged seats, which are far away from the installation cabinet body, are rotatably connected with connecting doors, reserved wiring holes are formed in one sides of the connecting doors at equal intervals, and a plurality of first rectangular heat dissipation holes are formed in the top and the bottom of one side of the installation cabinet body. The invention has the beneficial effects that: the two cooling fans and the first rectangular cooling hole are not arranged on the same horizontal plane, the mounting boxes are arranged at intervals in the vertical directions of the two cooling fans and the first rectangular cooling hole, the circular cooling hole is formed in the bottom end of each mounting box, and the second rectangular cooling hole is formed in the top end of the cover plate, so that air can rapidly penetrate through the mounting boxes, the server body is fixed in each mounting box, the effect of cooling the server body is achieved, and the service life of the server body is prolonged.

Description

Protective equipment for electric power big data server
Technical Field
The invention relates to a protective device, in particular to a protective device for an electric big data server, and belongs to the technical field of electric big data servers.
Background
With the development of society, people have more and more demand on the power technology, the power big data is the practice of big data ideas, technologies and methods in the power industry, a server is a carrier of electronic devices used by the power big data, and a common server is placed inside a power cabinet.
A large number of electronic components are needed in the server, and when the server works, the internal electronic components generate a large amount of heat, but the existing server protection equipment cannot radiate heat well, so that the service life of the server is reduced to a certain extent, the server cannot be protected well, and in order to solve the problems, the protection equipment for the electric big data server is provided.
Disclosure of Invention
The invention aims to solve the problems and provide a protection device for a power big data server.
The invention achieves the aim through the following technical scheme, and the protective equipment for the electric power big data server comprises an installation cabinet body, wherein one side of the front surface of the installation cabinet body is fixedly connected with three hinged seats, one side of the three hinged seats, which is far away from the installation cabinet body, is rotatably connected with a connecting door, one side of the connecting door is fixedly connected with a door handle, one side of the connecting door is provided with reserved wiring holes at equal intervals, the top and the bottom of one side of the installation cabinet body are respectively provided with a plurality of first rectangular heat dissipation holes, two sides of the groove wall of the installation cabinet body are fixedly connected with a plurality of T-shaped plates, one side of the T-shaped plates, which is far away from the groove wall of the installation cabinet body, is provided with a T-shaped sliding groove, a plurality of I-shaped sliding blocks are respectively connected in the T-shaped sliding grooves in a sliding manner, an installation box is fixedly connected between the two I-shaped sliding blocks, and the bottom of the groove wall of the installation box is provided with a supporting and buffering component, a plurality of circular louvres have been seted up to the cell wall bottom of mounting box, the reservation groove has been seted up in the front of mounting box, the cell wall top of mounting box rotates and is connected with the axle sleeve, the outer wall of axle sleeve rotates and is connected with the apron, the bottom both sides of apron are provided with down and push down buffering subassembly, be provided with the server body in the mounting box, two mounting holes, two are seted up at one side middle part that first rectangle louvre was kept away from to the cell wall of the installation cabinet body the mounting hole internal fixedly connected with radiator fan.
Preferably, the supporting and buffering assembly comprises a hollow cylinder, a second buffering spring is fixedly connected to the bottom of the wall of the hollow cylinder, the second buffering spring is far away from a sliding cylinder fixedly connected to one end of the hollow cylinder, the sliding cylinder is slidably connected into the hollow cylinder, and a supporting disc is fixedly connected to the top end of the sliding cylinder.
Preferably, the bottom end of the hollow cylinder is fixedly connected with the bottom of the wall of the mounting box, and the top end of the supporting disc is attached to the top end of the server body.
Preferably, the buffering subassembly that pushes down includes hollow rod, a plurality of third buffer spring of cell wall top fixedly connected with of hollow rod, it is a plurality of third buffer spring keeps away from hollow rod cell wall top one end fixedly connected with rectangle slide bar, just rectangle slide bar sliding connection is in hollow rod, the coarse cushion of bottom fixedly connected with of rectangle slide bar.
Preferably, the top end of the hollow rod is fixedly connected with the bottom end of the cover plate, and the bottom end of the rough cushion block is attached to and connected with the top end of the server body.
Preferably, the one end of T shaped plate is provided with the fixed plate, one side fixedly connected with T shape stopper that the fixed plate is close to the T shaped plate, the front threaded connection of fixed plate has first fixing bolt, the back of fixed plate is through the front fixed connection of first fixing bolt with the T shaped plate, just T shape stopper joint is in T shape spout.
Preferably, one side of the groove wall of the T-shaped sliding groove is fixedly connected with a first buffer spring, one end, far away from the groove wall of the T-shaped sliding groove, of the first buffer spring is fixedly connected with a T-shaped sliding block, and the T-shaped sliding block is connected in the T-shaped sliding groove in a sliding mode.
Preferably, a plurality of second rectangle louvres have been seted up on the top of apron, the top both sides threaded connection of apron has second fixing bolt, the bottom of apron is through the top fixed connection of two second fixing bolt and mounting box, the positive fixedly connected with in top of apron covers the handle.
Preferably, the front surface of the cover plate is fixedly connected with a limiting plate, and the limiting plate is clamped in the preformed groove.
Preferably, the top and the bottom of one side of the plurality of T-shaped plates are in threaded connection with a plurality of third fixing bolts, and the other side of the plurality of T-shaped plates is fixedly connected with the groove wall of the mounting cabinet body through the third fixing bolts.
The invention has the beneficial effects that:
the two cooling fans and the first rectangular cooling hole are not arranged on the same horizontal plane, the mounting boxes are arranged at intervals in the vertical directions of the two cooling fans and the first rectangular cooling hole, the bottom ends of the mounting boxes are provided with circular cooling holes, and the top end of the cover plate is provided with the second rectangular cooling hole, so that air can rapidly penetrate through the mounting boxes;
secondly, a supporting disc is contacted with the bottom end of the server body, a sliding cylinder and a second buffer spring are fixedly connected with the bottom end of the supporting disc, the second buffer spring is contracted under the pressure of a cover plate, a lower pressing buffer assembly is contacted with two sides of the top end of the server body, a third buffer spring is arranged in the lower pressing buffer assembly, and after the cover plate is fixed, the second buffer spring and the third buffer spring are in a balanced state and give a buffer effect to the server body in the vertical direction; when the fixed plate and the T-shaped plate are fixed, the first buffer spring is compressed, and when the server body moves in the horizontal direction, the first buffer spring and the T-shaped sliding block give a buffer effect to the server body.
Drawings
FIG. 1 is a schematic view of the overall structure of the present invention;
FIG. 2 is a schematic view of a connection structure of the mounting cabinet of the present invention;
FIG. 3 is a schematic view of the T-shaped plate connection structure of the present invention;
FIG. 4 is an enlarged view of the structure at A in FIG. 3 according to the present invention;
FIG. 5 is a schematic view of the overall structure of the mounting box of the present invention;
FIG. 6 is a schematic view of the unfolded structure of the mounting box of the present invention;
FIG. 7 is a schematic cross-sectional view of a support cushion assembly of the present invention;
FIG. 8 is a schematic cross-sectional view of a push-down cushioning assembly of the present invention.
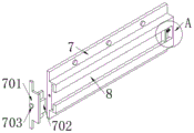
In the figure: 1. mounting a cabinet body; 2. a hinged seat; 3. a connecting door; 4. a door handle; 5. reserving a wiring hole; 6. a first rectangular heat dissipation hole; 7. a T-shaped plate; 701. a fixing plate; 702. a T-shaped limiting block; 703. a first fixing bolt; 8. a T-shaped chute; 801. a first buffer spring; 802. a T-shaped slider; 9. an I-shaped sliding block; 10. mounting a box; 11. supporting the cushioning assembly; 1101. a hollow cylinder; 1102. a second buffer spring; 1103. a sliding cylinder; 1104. a support disc; 12. a circular heat dissipation hole; 13. reserving a groove; 14. a shaft sleeve; 15. a cover plate; 1501. a second rectangular heat dissipation hole; 1502. a second fixing bolt; 1503. a lid handle; 1504. a limiting plate; 16. pressing the buffer component; 1601. a hollow shaft; 1602. a third buffer spring; 1603. a rectangular slide bar; 1604. a coarse cushion block; 17. a server body; 18. mounting holes; 19. a heat dissipation fan.
Detailed Description
The technical solutions in the embodiments of the present invention will be clearly and completely described below with reference to the drawings in the embodiments of the present invention, and it is obvious that the described embodiments are only a part of the embodiments of the present invention, and not all of the embodiments. All other embodiments, which can be derived by a person skilled in the art from the embodiments given herein without making any creative effort, shall fall within the protection scope of the present invention.
Referring to fig. 1-8, a protection device for an electric power big data server comprises an installation cabinet 1, three hinged seats 2 are fixedly connected to one side of the front face of the installation cabinet 1, a connection door 3 is rotatably connected to one side of the three hinged seats 2 away from the installation cabinet 1, a door handle 4 is fixedly connected to one side of the connection door 3, reserved wire-passing holes 5 are formed in one side of the connection door 3 at equal intervals, a plurality of first rectangular heat dissipation holes 6 are formed in the top and the bottom of one side of the installation cabinet 1, first rectangular heat dissipation holes 6 are formed in the top and the bottom of the front side of the installation cabinet 1, two groups of first rectangular heat dissipation holes 6 penetrate through the installation cabinet 1, a plurality of T-shaped plates 7 are fixedly connected to two sides of the groove wall of the installation cabinet 1, a T-shaped chute 8 is formed in one side of the T-shaped plate 7 away from the groove wall of the installation cabinet 1, and an i-shaped slider 9 is slidably connected in the T-shaped chute 8, wherein, a mounting box 10 is fixedly connected between two I-shaped sliders 9, the bottom of the groove wall of the mounting box 10 is provided with a supporting and buffering component 11, the bottom of the groove wall of the mounting box 10 is provided with a plurality of circular heat dissipation holes 12, the front of the mounting box 10 is provided with a preformed groove 13, the top of the groove wall of the mounting box 10 is rotatably connected with a shaft sleeve 14, the outer wall of the shaft sleeve 14 is rotatably connected with a cover plate 15, two sides of the bottom of the cover plate 15 are provided with a press-down buffering component 16, a server body 17 is arranged in the mounting box 10, the middle part of one side of the groove wall of the mounting cabinet body 1, which is far away from the first rectangular heat dissipation hole 6, is provided with two mounting holes 18, heat dissipation fans 19 are fixedly connected in the two mounting holes 18, a T-shaped plate 7 is arranged between the two heat dissipation fans 19, the two heat dissipation fans 19 are respectively electrically connected with an external power switch and a power supply through wires, thereby ensuring the normal work of the heat dissipation fans 19, when the server body 17 works, an operator starts the external power switches of the two cooling fans 19, so that the two heat dissipation fans 19 start to operate, the heat dissipation fans 19 accelerate the flow of air inside the mounting cabinet 1, since the two radiator fans 19 and the first rectangular radiator hole 6 are not disposed on the same horizontal plane, and the mounting boxes 10 are spaced in the vertical direction of the two radiating fans 19 and the first rectangular radiating hole 6, and heat dissipation holes are formed at both the top and bottom ends of the mounting box 10, so that air passes through the mounting box 10 rapidly, at the time of installation, the operator first places the server body 17 on top of the support puck 1104, and the output end of the server body 17 is made to reserve the groove 13 thereof, and then the operator closes the cover plate 15, then, the second fixing bolts 1502 are respectively rotated so that the cover plate 15 is fixed to the top end of the mounting box 10.
As a technical optimization scheme of the invention, the supporting and buffering assembly 11 comprises a hollow cylinder 1101, a second buffering spring 1102 is fixedly connected to the bottom of the groove wall of the hollow cylinder 1101, one end of the second buffering spring 1102 far away from the hollow cylinder 1101 is fixedly connected with a sliding cylinder 1103, a bump is arranged around the bottom of the outer wall of the sliding cylinder 1103, the bottom of the outer wall of the sliding cylinder 1103 is slidably connected in the hollow cylinder 1101, the sliding cylinder 1103 is prevented from sliding out of the hollow cylinder 1101 by the bump, the sliding cylinder 1103 is slidably connected in the hollow cylinder 1101, the top of the sliding cylinder 1103 is fixedly connected with a supporting disc 1104, the bottom of the hollow cylinder 1101 is fixedly connected with the bottom of the groove wall of the mounting box 10, the top of the supporting disc 1104 is attached to the top of the server body 17, when the cover plate 15 is fixed, the bottom of the server body 17 is contacted with the supporting disc 1104, the bottom of the supporting disc 1104 is fixedly connected with the sliding cylinder 1103 and the second buffering spring 1102, make second buffer spring 1102 contract under the pressure of apron 15, and the top both sides contact of server body 17 has push down buffering subassembly 16, be provided with third buffer spring 1602 in push down buffering subassembly 16, after apron 15 is fixed, second buffer spring 1102 and third buffer spring 1602 are in balanced state, and second buffer spring 1102 and third buffer spring 1602 give server body 17 cushioning effect in vertical direction, be provided with six T shaped plates 7 in the installation cabinet body 1, and two T shaped plates 7 are a pair of use, namely once only install three server body 17 in this protective equipment.
As a technical optimization scheme of the present invention, the downward pressing buffer assembly 16 includes a hollow rod 1601, a plurality of third buffer springs 1602 are fixedly connected to the top of the slot wall of the hollow rod 1601, one end of each of the plurality of third buffer springs 1602, which is far away from the top of the slot wall of the hollow rod 1601, is fixedly connected with a rectangular sliding rod 1603, the rectangular sliding rod 1603 is slidably connected in the hollow rod 1601, and the bottom end of the rectangular sliding rod 1603 is fixedly connected with a rough cushion block 1604, after the cover plate 15 is fixed, an operator slidably connects the i-shaped sliders 9 fixed on both sides of the mounting box 10 in the T-shaped chute 8, after all the i-shaped sliders 9 enter the T-shaped chute 8, the operator clamps the T-shaped stopper 702 in the T-shaped chute 8, and then rotates the first fixing bolt 703, so that the fixing plate 701 and the T-shaped plate 7 are fixedly connected.
As a technical optimization scheme of the invention, the top end of a hollow rod 1601 is fixedly connected with the bottom end of a cover plate 15, the bottom end of a rough cushion block 1604 is in fit connection with the top end of a server body 17, a first buffer spring 801 is fixedly connected with one side of the groove wall of a T-shaped chute 8, a T-shaped slide block 802 is fixedly connected with one end of the first buffer spring 801, after an I-shaped slide block 9 contacts the T-shaped slide block 802 and extrudes the first buffer spring 801, after a fixing plate 701 and a T-shaped plate 7 are fixed, the first buffer spring 801 is compressed, when the server body 17 moves in the horizontal direction, the first buffer spring 801 and the T-shaped slide block 802 give a buffer effect to the server body 17, after the fixing plate 701 and the T-shaped plate 7 are fixed, an operator closes a connecting door 3, then a joint of a transmission line of the server is fixedly connected with an interface of the server body 17 through a reserved routing hole 5 and a reserved groove 13, that is, the joint of the transmission line passes through the reserved wiring hole 5 and the reserved groove 13 in sequence and then is fixedly connected with the interface of the server body 17, so that the server body 17 can work normally.
As a technical optimization scheme of the invention, one end of the T-shaped plate 7 is provided with a fixing plate 701, one side of the fixing plate 701 close to the T-shaped plate 7 is fixedly connected with a T-shaped limiting block 702, the front face of the fixing plate 701 is in threaded connection with a first fixing bolt 703, the back face of the fixing plate 701 is fixedly connected with the front face of the T-shaped plate 7 through the first fixing bolt 703, and the T-shaped limiting block 702 is clamped in the T-shaped sliding groove 8.
As a technical optimization scheme of the invention, one side of the groove wall of the T-shaped sliding groove 8 is fixedly connected with a first buffer spring 801, one end of the first buffer spring 801, which is far away from the groove wall of the T-shaped sliding groove 8, is fixedly connected with a T-shaped sliding block 802, and the T-shaped sliding block 802 is connected in the T-shaped sliding groove 8 in a sliding manner.
As a technical optimization scheme of the present invention, the top end of the cover plate 15 is provided with a plurality of second rectangular heat dissipation holes 1501, two sides of the top end of the cover plate 15 are in threaded connection with second fixing bolts 1502, the bottom end of the cover plate 15 is fixedly connected with the top end of the mounting box 10 through the two second fixing bolts 1502, and the front side of the top end of the cover plate 15 is fixedly connected with a cover handle 1503.
As a technical optimization scheme of the invention, a limiting plate 1504 is fixedly connected to the front surface of the cover plate 15, the limiting plate 1504 is clamped in the reserved groove 13, a plurality of third fixing bolts are in threaded connection with the top and the bottom of one side of each of the plurality of T-shaped plates 7, the other side of each of the plurality of T-shaped plates 7 is fixedly connected with the groove wall of the installation cabinet 1 through the third fixing bolts, after the fixing plate 701 and the T-shaped plate 7 are fixed, an operator closes the connecting door 3, and then the connector of the transmission line of the server is fixedly connected with the connector of the server body 17 through the reserved wiring hole 5 and the reserved groove 13.
When the invention is used;
reference is made to fig. 5, 6, 7 and 8;
carrying out operation one;
when the server is installed, firstly, an operator places the server body 17 on the top end of the support disc 1104, and makes the output end of the server body 17 opposite to the preformed groove 13, then the operator closes the cover plate 15, and then respectively rotates the second fixing bolts 1502, so that the cover plate 15 is fixed on the top end of the installation box 10;
carrying out operation two;
when the cover plate 15 is fixed, a support disc 1104 is contacted with the bottom end of the server body 17, a sliding cylinder 1103 and a second buffer spring 1102 are fixedly connected with the bottom end of the support disc 1104, the second buffer spring 1102 contracts under the pressure of the cover plate 15, a lower pressing buffer assembly 16 is contacted with two sides of the top end of the server body 17, a third buffer spring 1602 is arranged in the lower pressing buffer assembly 16, and after the cover plate 15 is fixed, the second buffer spring 1102 and the third buffer spring 1602 are in a balanced state and give a buffer effect to the server body 17 by the second buffer spring 1102 and the third buffer spring 1602 in the vertical direction;
refer to fig. 2 through 5;
carrying out operation three;
after the cover plate 15 is fixed, an operator can slidingly connect the I-shaped sliding blocks 9 fixed on two sides of the mounting box 10 into the T-shaped sliding groove 8, after the I-shaped sliding blocks 9 completely enter the T-shaped sliding groove 8, the operator can clamp the T-shaped limiting block 702 into the T-shaped sliding groove 8, and then rotate the first fixing bolt 703, so that the fixing plate 701 is fixedly connected with the T-shaped plate 7;
carrying out operation four;
a first buffer spring 801 is fixedly connected to one side of the groove wall of the T-shaped sliding groove 8, a T-shaped slider 802 is fixedly connected to one end of the first buffer spring 801, the first buffer spring 801 is compressed after the i-shaped slider 9 contacts the T-shaped slider 802 and presses the first buffer spring 801, the first buffer spring 801 is compressed after the fixing plate 701 and the T-shaped plate 7 are fixed, and when the server body 17 moves in the horizontal direction, the first buffer spring 801 and the T-shaped slider 802 give a buffer effect to the server body 17;
refer to fig. 1 and 2;
carrying out operation five;
after the fixing plate 701 and the T-shaped plate 7 are fixed, an operator closes the connecting door 3, and then the connector of the transmission line of the server is fixedly connected with the interface of the server body 17 through the reserved wiring hole 5 and the reserved groove 13;
operation six is implemented;
at server body 17 during operation, the operator starts two radiator fan 19's external switch, thereby make two radiator fan 19 begin work, radiator fan 19 accelerates the flow of the internal portion air of installation cabinet 1, because two radiator fan 19 and first rectangle louvre 6 do not set up on same horizontal plane, and equal interval has mounting box 10 in the vertical direction of two radiator fan 19 and first rectangle louvre 6, and the louvre has all been seted up to the top and the bottom at mounting box 10, thereby make the air pass mounting box 10 fast, play the effect of cooling for server body 17.
To those skilled in the art;
firstly, two cooling fans 19 and first rectangular cooling holes 6 are not arranged on the same horizontal plane, mounting boxes 10 are arranged at intervals in the vertical direction of the two cooling fans 19 and the first rectangular cooling holes 6, round cooling holes 12 are arranged at the bottom ends of the mounting boxes 10, and second rectangular cooling holes 1501 are arranged at the top ends of cover plates 15, so that air can rapidly penetrate through the mounting boxes 10, a server body 17 is fixed in the mounting boxes 10, the server body 17 is cooled, and the service life of the server body 17 is prolonged;
secondly, in the invention, a supporting disk 1104 is contacted with the bottom end of a server body 17, a sliding cylinder 1103 and a second buffer spring 1102 are fixedly connected with the bottom end of the supporting disk 1104, the second buffer spring 1102 contracts under the pressure of a cover plate 15, a lower pressing buffer assembly 16 is contacted with two sides of the top end of the server body 17, a third buffer spring 1602 is arranged in the lower pressing buffer assembly 16, after the cover plate 15 is fixed, the second buffer spring 1102 and the third buffer spring 1602 are in a balanced state, and the second buffer spring 1102 and the third buffer spring 1602 give a buffer effect to the server body 17 in the vertical direction; when the fixing plate 701 and the T-shaped plate 7 are fixed, the first buffer spring 801 is compressed, and when the server body 17 moves in the horizontal direction, the first buffer spring 801 and the T-shaped slider 802 give a buffering action to the server body 17.
Furthermore, it should be understood that although the present description refers to embodiments, not every embodiment may contain only a single embodiment, and such description is for clarity only, and those skilled in the art should integrate the description, and the embodiments may be combined as appropriate to form other embodiments understood by those skilled in the art.

Claims (10)

1. The utility model provides an electric power is protective equipment for big data server, includes the installation cabinet body (1), its characterized in that: the door is characterized in that three hinged seats (2) are fixedly connected to one side of the front face of the installation cabinet body (1), one side, far away from the installation cabinet body (1), of each hinged seat (2) is rotatably connected with a connecting door (3), one side of each connecting door (3) is fixedly connected with a door handle (4), reserved wiring holes (5) are formed in one side of each connecting door (3) at equal intervals, a plurality of first rectangular heat dissipation holes (6) are formed in the top and the bottom of one side of the installation cabinet body (1), a plurality of T-shaped plates (7) are fixedly connected to two sides of the groove wall of the installation cabinet body (1), a T-shaped sliding groove (8) is formed in one side, far away from the installation cabinet body (1), of each T-shaped sliding groove (7), an I-shaped sliding block (9) is slidably connected in each T-shaped sliding groove (8), and an installation box (10) is fixedly connected between two I-shaped sliding blocks (9), the utility model discloses a mounting box, including mounting box (10), cell wall bottom of mounting box (10) is provided with support buffering subassembly (11), a plurality of circular louvres (12) have been seted up to the cell wall bottom of mounting box (10), reserve groove (13) have been seted up in the front of mounting box (10), the cell wall top of mounting box (10) is rotated and is connected with axle sleeve (14), the outer wall rotation of axle sleeve (14) is connected with apron (15), the bottom both sides of apron (15) are provided with and push down buffering subassembly (16), be provided with server body (17) in mounting box (10), two mounting hole (18), two are seted up at one side middle part that first rectangle louvre (6) was kept away from to the cell wall of the installation cabinet body (1) two mounting hole (18) internal fixation is connected.
2. The protection device for the electric big data server according to claim 1, characterized in that: the supporting and buffering assembly (11) comprises a hollow cylinder (1101), a second buffering spring (1102) is fixedly connected to the bottom of the wall of the hollow cylinder (1101), a sliding cylinder (1103) is fixedly connected to one end, away from the hollow cylinder (1101), of the second buffering spring (1102), the sliding cylinder (1103) is slidably connected into the hollow cylinder (1101), and a supporting disc (1104) is fixedly connected to the top end of the sliding cylinder (1103).
3. The protection device for the electric big data server according to claim 2, characterized in that: the bottom end of the hollow cylinder (1101) is fixedly connected with the bottom of the wall of the mounting box (10), and the top end of the supporting disc (1104) is attached to and connected with the top end of the server body (17).
4. The protection device for the electric big data server according to claim 1, characterized in that: push down buffering subassembly (16) including hollow pole (1601), a plurality of third buffer spring (1602) of cell wall top fixedly connected with of hollow pole (1601), it is a plurality of third buffer spring (1602) keep away from hollow pole (1601) cell wall top one end fixedly connected with rectangle slide bar (1603) in third buffer spring (1602), just rectangle slide bar (1603) sliding connection is in hollow pole (1601), the coarse cushion (1604) of bottom fixedly connected with of rectangle slide bar (1603).
5. The protection device for the electric big data server according to claim 4, wherein: the top of hollow rod (1601) and the bottom fixed connection of apron (15), the bottom of coarse cushion (1604) is connected with the top laminating of server body (17).
6. The protection device for the electric big data server according to claim 1, characterized in that: the one end of T shaped plate (7) is provided with fixed plate (701), one side fixedly connected with T shape stopper (702) that fixed plate (701) are close to T shaped plate (7), the front threaded connection of fixed plate (701) has first fixing bolt (703), the front fixed connection of the back of fixed plate (701) through first fixing bolt (703) and T shaped plate (7), just T shape stopper (702) joint is in T shape spout (8).
7. The protection device for the electric big data server according to claim 1, characterized in that: one side of the groove wall of the T-shaped sliding groove (8) is fixedly connected with a first buffer spring (801), one end, far away from the T-shaped sliding groove (8), of the first buffer spring (801) is fixedly connected with a T-shaped sliding block (802), and the T-shaped sliding block (802) is connected in the T-shaped sliding groove (8) in a sliding mode.
8. The protection device for the electric big data server according to claim 1, characterized in that: a plurality of second rectangle louvres (1501) have been seted up on the top of apron (15), the top both sides threaded connection of apron (15) has second fixing bolt (1502), the bottom of apron (15) is through the top fixed connection of two second fixing bolt (1502) with mounting box 10, the positive fixedly connected with in top of apron (15) covers handle (1503).
9. The protection device for the electric big data server according to claim 1, characterized in that: the front surface of the cover plate (15) is fixedly connected with a limiting plate (1504), and the limiting plate (1504) is clamped in the preformed groove (13).
10. The protection device for the electric big data server according to claim 1, characterized in that: the top and the bottom of one side of the T-shaped plate (7) are in threaded connection with a plurality of third fixing bolts, and the other side of the T-shaped plate (7) is fixedly connected with the groove wall of the installation cabinet body (1) through the third fixing bolts.
CN202110308429.7A 2021-03-23 2021-03-23 Protective equipment for electric power big data server Withdrawn CN113194673A (en)

Priority Applications (1)

Application Number Priority Date Filing Date Title
CN202110308429.7A CN113194673A (en) 2021-03-23 2021-03-23 Protective equipment for electric power big data server

Applications Claiming Priority (1)

Application Number Priority Date Filing Date Title
CN202110308429.7A CN113194673A (en) 2021-03-23 2021-03-23 Protective equipment for electric power big data server

Publications (1)

Publication Number Publication Date
CN113194673A true CN113194673A (en) 2021-07-30

Family

ID=76973666

Family Applications (1)

Application Number Title Priority Date Filing Date
CN202110308429.7A Withdrawn CN113194673A (en) 2021-03-23 2021-03-23 Protective equipment for electric power big data server

Country Status (1)

Country Link
CN (1) CN113194673A (en)

Cited By (1)

* Cited by examiner, † Cited by third party
Publication number Priority date Publication date Assignee Title
CN119173015A (en) * 2024-11-19 2024-12-20 威尔创新(天津)科技发展有限公司 A multi-node server data processing device

Citations (7)

* Cited by examiner, † Cited by third party
Publication number Priority date Publication date Assignee Title
US20070201210A1 (en) * 2006-02-16 2007-08-30 Norman Chow Liquid cooling loops for server applications
US9326416B1 (en) * 2014-11-21 2016-04-26 Inventec (Pudong) Technology Corporation Storage server
CN207505264U (en) * 2017-12-12 2018-06-15 成都锦汇成科技有限公司 A kind of drawing and pulling type comprehensive wiring cabinet
CN211321715U (en) * 2019-11-15 2020-08-21 南京都乐制冷设备有限公司 Explosion-proof electric cabinet
CN212231887U (en) * 2020-06-20 2020-12-25 广东毓秀科技有限公司 Battery data acquisition box
CN212413610U (en) * 2020-07-31 2021-01-26 湖北大学知行学院 Computer server rack
CN112379737A (en) * 2020-11-13 2021-02-19 张细娥 Big data server terminal of high stability

Patent Citations (7)

* Cited by examiner, † Cited by third party
Publication number Priority date Publication date Assignee Title
US20070201210A1 (en) * 2006-02-16 2007-08-30 Norman Chow Liquid cooling loops for server applications
US9326416B1 (en) * 2014-11-21 2016-04-26 Inventec (Pudong) Technology Corporation Storage server
CN207505264U (en) * 2017-12-12 2018-06-15 成都锦汇成科技有限公司 A kind of drawing and pulling type comprehensive wiring cabinet
CN211321715U (en) * 2019-11-15 2020-08-21 南京都乐制冷设备有限公司 Explosion-proof electric cabinet
CN212231887U (en) * 2020-06-20 2020-12-25 广东毓秀科技有限公司 Battery data acquisition box
CN212413610U (en) * 2020-07-31 2021-01-26 湖北大学知行学院 Computer server rack
CN112379737A (en) * 2020-11-13 2021-02-19 张细娥 Big data server terminal of high stability

Cited By (1)

* Cited by examiner, † Cited by third party
Publication number Priority date Publication date Assignee Title
CN119173015A (en) * 2024-11-19 2024-12-20 威尔创新(天津)科技发展有限公司 A multi-node server data processing device

Similar Documents

Publication Publication Date Title
CN112165001A (en) Just, repair formula high-low voltage distribution cabinet with flexible fixed module
CN113194673A (en) Protective equipment for electric power big data server
CN216055980U (en) Switch board with dust removal and heat radiation structure
CN208127692U (en) A kind of open air anti-hail type distribution box
CN212086683U (en) High wireless communication module of security
CN214503696U (en) Protection casing of trouble oscillograph with relay protection function
CN215009506U (en) Composite multifunctional bus duct prepared from copper-aluminum alloy
CN210986716U (en) Switch for communication engineering
CN213987408U (en) High-efficient radiating load balancing device
CN211456374U (en) Mobile distribution box bracket with limiting function
CN210959198U (en) Server with built-in database device
CN218102136U (en) Cable connection box arranged at top of power distribution cabinet
CN210404502U (en) Electrical cabinet convenient for mounting electrical element
CN113394730A (en) Bus duct that radiating effect is good
CN221058659U (en) Circuit board for ventilator
CN223583556U (en) A connection structure for wiring terminals of a distribution box
CN216849559U (en) Indoor dry-type combined transformer
CN216896424U (en) Information display is with realizing new media screen convenient to installation
CN215933384U (en) Intelligent capacitor convenient to assemble and use
CN213152259U (en) Multiport communication cabinet
CN216491387U (en) Placement device of server for block chain power internet
CN217115349U (en) Electric power automation safety device
CN219678324U (en) Rectifying device for engineering locomotive
CN218277642U (en) Combined radiating fin
CN220382576U (en) Anticreep low tension switchgear

Legal Events

Date Code Title Description
PB01 Publication
PB01 Publication
SE01 Entry into force of request for substantive examination
SE01 Entry into force of request for substantive examination
WW01 Invention patent application withdrawn after publication

Application publication date: 20210730

WW01 Invention patent application withdrawn after publication