CN113178888B - 风力发电系统及其运行控制方法 - Google Patents
风力发电系统及其运行控制方法 Download PDFInfo
- Publication number
- CN113178888B CN113178888B CN202110417553.7A CN202110417553A CN113178888B CN 113178888 B CN113178888 B CN 113178888B CN 202110417553 A CN202110417553 A CN 202110417553A CN 113178888 B CN113178888 B CN 113178888B
- Authority
- CN
- China
- Prior art keywords
- wind
- power generation
- generation system
- wind speed
- speed
- Prior art date
- Legal status (The legal status is an assumption and is not a legal conclusion. Google has not performed a legal analysis and makes no representation as to the accuracy of the status listed.)
- Active
Links
- 238000010248 power generation Methods 0.000 title claims abstract description 171
- 238000000034 method Methods 0.000 title claims abstract description 41
- 230000001360 synchronised effect Effects 0.000 claims description 22
- 241000555745 Sciuridae Species 0.000 claims description 11
- 230000005611 electricity Effects 0.000 claims description 3
- 230000016507 interphase Effects 0.000 claims 2
- 230000008569 process Effects 0.000 description 8
- 238000010586 diagram Methods 0.000 description 5
- 239000003990 capacitor Substances 0.000 description 2
- 230000004048 modification Effects 0.000 description 2
- 238000012986 modification Methods 0.000 description 2
- 230000002035 prolonged effect Effects 0.000 description 2
- 238000004804 winding Methods 0.000 description 2
- 241000282414 Homo sapiens Species 0.000 description 1
- 230000032683 aging Effects 0.000 description 1
- 238000006243 chemical reaction Methods 0.000 description 1
- 239000003245 coal Substances 0.000 description 1
- 230000008878 coupling Effects 0.000 description 1
- 238000010168 coupling process Methods 0.000 description 1
- 238000005859 coupling reaction Methods 0.000 description 1
- 239000000446 fuel Substances 0.000 description 1
- 239000003208 petroleum Substances 0.000 description 1
- XLYOFNOQVPJJNP-UHFFFAOYSA-N water Substances O XLYOFNOQVPJJNP-UHFFFAOYSA-N 0.000 description 1
Images
Classifications
-
- H—ELECTRICITY
- H02—GENERATION; CONVERSION OR DISTRIBUTION OF ELECTRIC POWER
- H02J—CIRCUIT ARRANGEMENTS OR SYSTEMS FOR SUPPLYING OR DISTRIBUTING ELECTRIC POWER; SYSTEMS FOR STORING ELECTRIC ENERGY
- H02J3/00—Circuit arrangements for AC mains or AC distribution networks
- H02J3/38—Arrangements for parallely feeding a single network by two or more generators, converters or transformers
- H02J3/381—Dispersed generators
-
- F—MECHANICAL ENGINEERING; LIGHTING; HEATING; WEAPONS; BLASTING
- F03—MACHINES OR ENGINES FOR LIQUIDS; WIND, SPRING, OR WEIGHT MOTORS; PRODUCING MECHANICAL POWER OR A REACTIVE PROPULSIVE THRUST, NOT OTHERWISE PROVIDED FOR
- F03D—WIND MOTORS
- F03D7/00—Controlling wind motors
-
- F—MECHANICAL ENGINEERING; LIGHTING; HEATING; WEAPONS; BLASTING
- F03—MACHINES OR ENGINES FOR LIQUIDS; WIND, SPRING, OR WEIGHT MOTORS; PRODUCING MECHANICAL POWER OR A REACTIVE PROPULSIVE THRUST, NOT OTHERWISE PROVIDED FOR
- F03D—WIND MOTORS
- F03D9/00—Adaptations of wind motors for special use; Combinations of wind motors with apparatus driven thereby; Wind motors specially adapted for installation in particular locations
- F03D9/20—Wind motors characterised by the driven apparatus
- F03D9/25—Wind motors characterised by the driven apparatus the apparatus being an electrical generator
- F03D9/255—Wind motors characterised by the driven apparatus the apparatus being an electrical generator connected to electrical distribution networks; Arrangements therefor
-
- H—ELECTRICITY
- H02—GENERATION; CONVERSION OR DISTRIBUTION OF ELECTRIC POWER
- H02P—CONTROL OR REGULATION OF ELECTRIC MOTORS, ELECTRIC GENERATORS OR DYNAMO-ELECTRIC CONVERTERS; CONTROLLING TRANSFORMERS, REACTORS OR CHOKE COILS
- H02P9/00—Arrangements for controlling electric generators for the purpose of obtaining a desired output
- H02P9/007—Control circuits for doubly fed generators
-
- F—MECHANICAL ENGINEERING; LIGHTING; HEATING; WEAPONS; BLASTING
- F05—INDEXING SCHEMES RELATING TO ENGINES OR PUMPS IN VARIOUS SUBCLASSES OF CLASSES F01-F04
- F05B—INDEXING SCHEME RELATING TO WIND, SPRING, WEIGHT, INERTIA OR LIKE MOTORS, TO MACHINES OR ENGINES FOR LIQUIDS COVERED BY SUBCLASSES F03B, F03D AND F03G
- F05B2270/00—Control
- F05B2270/30—Control parameters, e.g. input parameters
- F05B2270/32—Wind speeds
-
- H—ELECTRICITY
- H02—GENERATION; CONVERSION OR DISTRIBUTION OF ELECTRIC POWER
- H02J—CIRCUIT ARRANGEMENTS OR SYSTEMS FOR SUPPLYING OR DISTRIBUTING ELECTRIC POWER; SYSTEMS FOR STORING ELECTRIC ENERGY
- H02J2300/00—Systems for supplying or distributing electric power characterised by decentralized, dispersed, or local generation
- H02J2300/20—The dispersed energy generation being of renewable origin
- H02J2300/28—The renewable source being wind energy
-
- H—ELECTRICITY
- H02—GENERATION; CONVERSION OR DISTRIBUTION OF ELECTRIC POWER
- H02P—CONTROL OR REGULATION OF ELECTRIC MOTORS, ELECTRIC GENERATORS OR DYNAMO-ELECTRIC CONVERTERS; CONTROLLING TRANSFORMERS, REACTORS OR CHOKE COILS
- H02P2101/00—Special adaptation of control arrangements for generators
- H02P2101/15—Special adaptation of control arrangements for generators for wind-driven turbines
-
- Y—GENERAL TAGGING OF NEW TECHNOLOGICAL DEVELOPMENTS; GENERAL TAGGING OF CROSS-SECTIONAL TECHNOLOGIES SPANNING OVER SEVERAL SECTIONS OF THE IPC; TECHNICAL SUBJECTS COVERED BY FORMER USPC CROSS-REFERENCE ART COLLECTIONS [XRACs] AND DIGESTS
- Y02—TECHNOLOGIES OR APPLICATIONS FOR MITIGATION OR ADAPTATION AGAINST CLIMATE CHANGE
- Y02E—REDUCTION OF GREENHOUSE GAS [GHG] EMISSIONS, RELATED TO ENERGY GENERATION, TRANSMISSION OR DISTRIBUTION
- Y02E10/00—Energy generation through renewable energy sources
- Y02E10/70—Wind energy
- Y02E10/72—Wind turbines with rotation axis in wind direction
-
- Y—GENERAL TAGGING OF NEW TECHNOLOGICAL DEVELOPMENTS; GENERAL TAGGING OF CROSS-SECTIONAL TECHNOLOGIES SPANNING OVER SEVERAL SECTIONS OF THE IPC; TECHNICAL SUBJECTS COVERED BY FORMER USPC CROSS-REFERENCE ART COLLECTIONS [XRACs] AND DIGESTS
- Y02—TECHNOLOGIES OR APPLICATIONS FOR MITIGATION OR ADAPTATION AGAINST CLIMATE CHANGE
- Y02E—REDUCTION OF GREENHOUSE GAS [GHG] EMISSIONS, RELATED TO ENERGY GENERATION, TRANSMISSION OR DISTRIBUTION
- Y02E10/00—Energy generation through renewable energy sources
- Y02E10/70—Wind energy
- Y02E10/76—Power conversion electric or electronic aspects
Landscapes
- Engineering & Computer Science (AREA)
- Power Engineering (AREA)
- Life Sciences & Earth Sciences (AREA)
- Sustainable Development (AREA)
- Sustainable Energy (AREA)
- Chemical & Material Sciences (AREA)
- Combustion & Propulsion (AREA)
- Mechanical Engineering (AREA)
- General Engineering & Computer Science (AREA)
- Control Of Eletrric Generators (AREA)
- Wind Motors (AREA)
Abstract
本发明实施例提供一种风力发电系统及其运行控制方法。该风力发电系统包括发电机及变流器,发电机包括定子和转子,定子通过定子并网断路器连接至电网,转子通过变流器连接至电网,变流器包括机侧变流器及网侧变流器。该方法包括:在风速到达可发电风速之前,控制风力发电系统进入小风停机模式;在风速到达可发电风速且未超过第一风速时,控制风力发电系统运行在第一运行模式;在风速超过第一风速时,控制风力发电系统运行在第二运行模式;在风速位于第二风速区间时,控制风力发电系统运行在第三运行模式,其中,第一风速小于第二风速区间;以及在风速超过第二风速区间时,控制风力发电系统运行在第二运行模式,从而可以提高风能的利用率。
Description
技术领域
本发明实施例涉及风电技术领域,尤其涉及一种风力发电系统及其运行控制方法。
背景技术
随着煤炭、石油等能源的逐渐枯竭,人类越来越重视可再生能源的利用。风能作为一种清洁的可再生能源越来越受到世界各国的重视。对于缺水、缺燃料和交通不便的沿海岛屿、草原牧区、山区和高原地带,因地制宜地利用风力发电,非常适合,大有可为。
风力发电系统是一种通过发电机将风能转化为电能的能量转化系统。发电机种类繁多,其中,双馈发电机在风力发电中占有很大的比重。在双馈风力发电系统中,双馈发电机的定子绕组经定子并网断路器连接至电网,转子绕组经变流器连接至电网。变流器内部只通过转差功率,大部分发电功率直接通过定子侧发送上网。
目前,在传统的双馈风力发电系统中,发电机处于较低转速的情况下无法并网发电,这是由于双馈发电机只能在一定的转差率范围内运行,在转速较低或较高的情况下,转差率大,超出变流器所能够提供的交流电压的能力,风力发电系统不能运行。因此,部分范围内的风能无法利用。
发明内容
本发明实施例的目的在于提供一种风力发电系统及其运行控制方法,能够提高风能的利用率。
本发明实施例的一个方面提供一种风力发电系统的运行控制方法。所述风力发电系统包括发电机及变流器,其中,所述发电机包括定子和转子,所述定子通过定子并网断路器连接至电网,所述转子通过变流器连接至所述电网,所述变流器包括与所述发电机连接的机侧变流器及用于连接到所述电网的网侧变流器。所述方法包括:在风速到达可发电风速之前,控制所述风力发电系统进入小风停机模式;在所述风速到达所述可发电风速且未超过第一风速时,控制所述风力发电系统运行在第一运行模式;在所述风速超过所述第一风速时,控制所述风力发电系统运行在第二运行模式;在所述风速位于第二风速区间时,控制所述风力发电系统运行在第三运行模式,其中,所述第一风速小于所述第二风速区间;以及在所述风速超过所述第二风速区间时,控制所述风力发电系统运行在所述第二运行模式。
本发明实施例的另一个方面还提供一种风力发电系统。所述风力发电系统包括发电机、变流器及控制器,所述发电机包括定子和转子,所述定子通过定子并网断路器连接至电网,所述转子通过所述变流器连接至所述电网,所述变流器包括与所述发电机连接的机侧变流器及用于连接到所述电网的网侧变流器。其中,在风速到达可发电风速之前,所述控制器控制所述风力发电系统进入小风停机模式;在所述风速到达所述可发电风速且未超过第一风速时,所述控制器控制所述风力发电系统运行在第一运行模式;在所述风速超过所述第一风速时,所述控制器控制所述风力发电系统运行在第二运行模式;在所述风速位于第二风速区间时,所述控制器控制所述风力发电系统运行在第三运行模式;及在所述风速超过所述第二风速区间时,所述控制器控制所述风力发电系统运行在所述第二运行模式,其中,所述第一风速小于所述第二风速区间。
本发明实施例的风力发电系统及其运行控制方法在小风状态下仍具备发电能力,能够提高风能的利用率,提高发电量。
附图说明
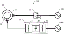
图1为本发明一个实施例的风力发电系统运行在双馈发电运行模式下的示意图;
图2为本发明一个实施例的风力发电系统运行在鼠笼全功率运行模式下的示意图;
图3为本发明一个实施例的风力发电系统运行在恒速恒频运行模式下的示意图;
图4为本发明一个实施例的机侧变流器在第一开关状态下的示意图;
图5为本发明一个实施例的机侧变流器在第二开关状态下的示意图;
图6为本发明一个实施例的风力发电系统的运行控制方法的流程图。
具体实施方式
这里将详细地对示例性实施例进行说明,其示例表示在附图中。下面的描述涉及附图时,除非另有表示,不同附图中的相同数字表示相同或相似的要素。以下示例性实施例中所描述的实施例并不代表与本发明相一致的所有实施例。相反,它们仅是与如所附权利要求书中所详述的、本发明的一些方面相一致的装置的例子。
在本发明实施例使用的术语是仅仅出于描述特定实施例的目的,而非旨在限制本发明。除非另作定义,本发明实施例使用的技术术语或者科学术语应当为本发明所属领域内具有一般技能的人士所理解的通常意义。本发明说明书以及权利要求书中使用的“第一”、“第二”以及类似的词语并不表示任何顺序、数量或者重要性,而只是用来区分不同的组成部分。同样,“一个”或者“一”等类似词语也不表示数量限制,而是表示存在至少一个。“多个”或者“若干”表示两个及两个以上。除非另行指出,“前部”、“后部”、“下部”和/或“上部”等类似词语只是为了便于说明,而并非限于一个位置或者一种空间定向。“包括”或者“包含”等类似词语意指出现在“包括”或者“包含”前面的元件或者物件涵盖出现在“包括”或者“包含”后面列举的元件或者物件及其等同,并不排除其他元件或者物件。“连接”或者“相连”等类似的词语并非限定于物理的或者机械的连接,而且可以包括电性的连接,不管是直接的还是间接的。在本发明说明书和所附权利要求书中所使用的单数形式的“一种”、“所述”和“该”也旨在包括多数形式,除非上下文清楚地表示其他含义。还应当理解,本文中使用的术语“和/或”是指并包含一个或多个相关联的列出项目的任何或所有可能组合。
本发明实施例提供了一种风力发电系统100。如图1所示,该风力发电系统100包括发电机10、变流器20及控制器(未图示)。发电机10包括定子11和转子12,定子11通过定子并网断路器30连接至电网400,转子12通过变流器20连接至电网400。变流器20包括与发电机10连接的机侧变流器21及用于连接到电网400的网侧变流器22。
风力发电系统100在无风及风速到达可发电风速之前处于切出状态,风力发电系统100不发电,风力发电系统100处于小风停机模式。
当风速到达可发电风速,但风速较小而未超过第一风速时,即在达到第一风速之前,控制器可以控制风力发电系统100运行在第一运行模式。
随着风速的加大,当风速超过第一风速时,控制器可以控制风力发电系统100运行在第二运行模式,其中,第一风速为风力发电系统100的第二运行模式的切入风速。
当风速位于第二风速区间时,其中,第一风速小于第二风速区间,控制器可以控制风力发电系统100运行在第三运行模式。
随着风速的继续加大,当风速超过第二风速区间时,控制器可以控制风力发电系统100运行在第二运行模式。
本发明实施例的风力发电系统100可以提高风能的利用率,提高其发电量。
传统的双馈发电机中选用的定子并网断路器只有“断开”和“导通”两种状态,本发明实施例的定子并网断路器30在传统的定子并网断路器的“断开”和“导通”两种状态的基础上,另外增加了一种“短路”状态,即本发明实施例的定子并网断路器30可以包括“断开”、“导通”和“短路”三种状态。其中,定子并网断路器30的“短路”状态指的是在定子并网断路器30内部将定子11的全相线,例如三相线相互导通或者在定子并网断路器30外部增加短路电阻将全相线,例如三相线相互导通。
在一些实施例中,风力发电系统100的第二运行模式包括双馈发电运行模式。控制风力发电系统100运行在第二运行模式即控制风力发电系统100运行在双馈发电运行模式。第一风速包括风力发电系统100的双馈发电运行模式的切入风速。图1揭示了本发明一个实施例的风力发电系统100运行在双馈发电运行模式下的示意图。如图1所示,在双馈发电运行模式下,控制器可以控制定子并网断路器30处于导通状态以使得定子11连接到电网400,转子12通过变流器20连接至电网400。
在风力发电系统100刚一启机时,控制器控制定子并网断路器30处于断开状态,风力发电系统100不发电。当风速达到双馈发电运行模式的切入风速时,风力发电系统100进入双馈发电运行模式,此时,定子并网断路器30处于导通状态,定子11直接连接电网400,发电机10产生的一部分发电功率通过定子11输出至电网400,一部分发电功率通过变流器20转换后输出至电网400。
在一些实施例中,风力发电系统100的第一运行模式包括鼠笼全功率运行模式。控制风力发电系统100运行在第一运行模式即控制风力发电系统100运行在鼠笼全功率运行模式。图2揭示了本发明一个实施例的风力发电系统100运行在鼠笼全功率运行模式下的示意图。如图2所示,在鼠笼全功率运行模式下,控制器可以控制定子并网断路器30处于短路状态以使得定子11发生相间短路,转子12通过变流器20连接至电网400。
本发明实施例的定子并网断路器30通过增加短路状态,在风速较小,发电机10的转速过低时,风力发电系统100无法通过双馈发电运行模式进行发电的情况下,本发明实施例的控制器可以控制将定子并网断路器30切换到短路状态,此时,发电机10的定子11相间发生短路,风力发电系统100进入鼠笼全功率运行模式,发电机10产生的全部发电功率全部由转子12通过变流器20转换后输出至电网400,鼠笼全功率运行模式下的风力发电系统100的并网转速不受转差率限制,通常并网转速低于处于双馈发电运行模式下的发电机10,从而可以使风力发电系统100在较低的风速下也可以实现并网发电的目的,提高风能的利用率,增加风力发电系统100的发电量。
本发明实施例的风力发电系统100在小风状态下,通过将定子并网断路器30切换至短路状态,风力发电系统100进入定子11短路的鼠笼全功率运行模式,解决了传统双馈风力发电系统低转速无法并网的问题,使风力发电系统100在小风状态下仍具备发电能力。
本发明实施例的风力发电系统100在定子并网断路器30切换至短路状态时,发电机10的定子11短路,定子11和转子12均与电网400侧脱离直接耦合,使风力发电系统100具有类似传统的鼠笼全功率风力发电系统的特性。但是,与传统的鼠笼发电机的区别是,传统的鼠笼发电机是转子短路,转子电压为零,而本发明实施例的定子短路的鼠笼全功率运行模式下则是定子11短路,定子电压为零,本发明实施例的发电机10的定子11与转子12的相对旋转方向与传统的鼠笼发电机相反。
由于本发明实施例的风力发电系统100具备了鼠笼全功率运行模式,因此,可以在较低的发电机10转速下进行并网发电,对风能的利用率随之提高。
第二风速区间包括在发电机10的转速达到同步转速附近时的预定风速范围。在一些实施例中,风力发电系统100的第三运行模式包括恒速恒频运行模式。控制风力发电系统100运行在第三运行模式即控制风力发电系统100运行在恒速恒频运行模式。图3揭示了本发明一个实施例的风力发电系统100运行在恒速恒频运行模式下的示意图。如图3所示,在恒速恒频运行模式下,控制器可以控制机侧变流器21中的功率开关管以使得转子12短路。
由于在传统的双馈风力发电系统中,当发电机到达同步转速时,变流器流过的有功功率很小,但变流器仍需正常进行控制调制,造成了发电量损耗及变流器的寿命老化。有鉴于此,本发明实施例的风力发电系统100当风速位于使得发电机10的转速达到同步转速附近的第二风速区间时,控制器可以通过改变控制方式,使得风力发电系统100进入转子12短路的恒速恒频运行模式,机侧变流器21起到将转子12短路的功能,网侧变流器22相当于一台动态无功补偿装置,变流器20内部不存在有功功率损失,降低了变流器20运行造成的电能损耗。
本发明实施例的风力发电系统100在风速位于使得发电机10的转速达到同步转速附近的第二风速区间时将运行模式从双馈发电运行模式切换至恒速恒频运行模式,由于风力发电系统100运行在恒速恒频运行模式下,功率全部由定子11通过定子并网断路器30发送到电网400上,没有功率流过变流器20,有助于对变流器20的寿命延长和维护;而且,可以降低变流器20的开关频率。此外,由于所有功率全都是从定子11直接输送至电网400上,没有经过变流器20,因此,可以减少变流器20的损耗。
在一个可选的实施例中,控制器可以通过控制机侧变流器21在第一开关状态和第二开关状态之间轮流切换来使得转子12短路。图4揭示了本发明一个实施例的机侧变流器21在第一开关状态下的示意图,图5揭示了本发明一个实施例的机侧变流器21在第二开关状态下的示意图。如图4和图5所示,第一开关状态包括机侧变流器21中的上功率开关管211全部导通,第二开关状态包括机侧变流器21中的下功率开关管212全部导通。在图4和图5中,以三相变流器20为例被示出,在机侧变流器21处于第一开关状态时,三相上功率开关管211同时导通,从而可以形成转子12短路;在机侧变流器21处于第二开关状态时,三相下功率开关管212同时导通,从而也可以形成转子12短路。
在恒速恒频运行模式下,利用了机侧变流器21的第一开关状态和第二开关状态造成转子12短路,避免了转子侧增加短路控制开关器件的成本。机侧变流器21的功率开关管在这两种状态中轮流切换,并可以根据功率开关管的温度动态调整时间占比。在这两种状态下,机侧变流器21与直流支撑电容23(如图3所示)不存在通路,相当于机侧变流器21与直流支撑电容23断开。网侧变流器22可以根据需求向电网400发无功功率,补偿恒频恒速发电机10的功率因数产生的无功。
在一些实施例中,在风力发电系统100运行在恒速恒频运行模式下时,控制器还可以通过变桨控制来调整风力发电系统100的桨叶角以使得发电机10的转速稳定在同步转速。从而,可以通过变桨控制使风力发电系统100在发电机10的转速达到同步转速的一段风速区间内保持恒速恒频运行模式运行。
考虑到如果风速继续加快,风力发电系统100如果继续停留在恒速恒频运行模式会造成发电量损失。为此,在本发明实施例的风力发电系统100中,当风速超过第二风速区间时,控制器可以控制风力发电系统100从恒速恒频运行模式再次切换至双馈发电运行模式,让风力发电系统100再重新运行在双馈发电运行模式,从而可以提高发电机10的转速,发电机10在超同步状态下进行发电。
本发明实施例的风力发电系统100的恒速恒频运行模式使用了机侧变流器21的功率开关管进行转子12短路,不但保持了与双馈发电运行模式在电路拓扑上的一致性,且无需额外的器件成本增加。
本发明实施例的风力发电系统100的恒速恒频运行模式与双馈发电运行模式在电路拓扑上完全一致,只在控制算法上有差异,可以在两种运行模式下高速切换。本发明实施例的风力发电系统100可以选择总体损耗更小,系统发电能力更大,或者选择对于系统寿命最优的控制模式。
在一些实施例中,在变流器20的机侧发生预定故障类型时,预定故障类型例如可以包括但不限于机侧直流母排发生断路等,控制器可以通过变桨控制来将发电机10的转速控制在同步转速,并控制风力发电系统100进入恒速恒频运行模式。
本发明实施例的风力发电系统100的恒速恒频运行模式可以在风力发电系统100发生某些故障的情况下帮助系统持续进行发电行为,提高了风能利用率,减小发电量损失。
本发明实施例还提供了一种风力发电系统100的运行控制方法。该风力发电系统100包括发电机10及变流器20,其中,发电机10包括定子11和转子12,定子11通过定子并网断路器30连接至电网400,转子12通过变流器20连接至电网400,变流器20包括与发电机10连接的机侧变流器21及用于连接到电网400的网侧变流器22。图6揭示了本发明一个实施例的风力发电系统100的运行控制方法的流程图。如图6所示,本发明一个实施例的风力发电系统100的运行控制方法可以包括步骤S11至S19。
在步骤S11中,判断当前的实时风速是否到达可发电风速?在判断结果为否的情况下,则过程进入到步骤S12。在判断结果为是的情况下,则过程前进到步骤S13。
在步骤S12中,在风速到达可发电风速之前,控制风力发电系统100进入小风停机模式。
在步骤S13中,在风速到达可发电风速之后,继续判断当前的实时风速是否超过第一风速?在判断结果为否的情况下,则过程进入到步骤S14。在判断结果为是的情况下,则过程前进到步骤S15。
在步骤S14中,在风速到达可发电风速且未超过第一风速时,控制风力发电系统100运行在第一运行模式。
在步骤S15中,在风速超过第一风速时,继续判断当前的实时风速是否位于第二风速区间?其中,第一风速小于第二风速区间。在判断结果为否的情况下,则过程进入到步骤S16。在判断结果为是的情况下,则过程继续前进到步骤S17。
在步骤S16中,在风速超过第一风速但尚不位于第二风速区间时,控制风力发电系统100运行在第二运行模式。
在步骤S17中,判断当前的实时风速是否超过第二风速区间?在判断结果为否的情况下,则过程进入到步骤S18。在判断结果为是的情况下,则过程继续前进到步骤S19。
在步骤S18中,在风速位于第二风速区间时,则控制风力发电系统100运行在第三运行模式。
在步骤S19中,在风速超过第二风速区间时,则控制风力发电系统100运行在第二运行模式。
在一些实施例中,风力发电系统100的第二运行模式可以包括双馈发电运行模式。控制风力发电系统100运行在第二运行模式可以包括:控制定子并网断路器30处于导通状态以使得定子11连接到电网400,转子12通过变流器20连接至电网400。其中,第一风速包括风力发电系统100的双馈发电运行模式的切入风速,第二风速区间包括在发电机10的转速达到同步转速附近时的预定风速范围。
在一些实施例中,风力发电系统100的第一运行模式可以包括鼠笼全功率运行模式。控制风力发电系统100运行在第一运行模式可以包括:控制定子并网断路器30处于短路状态以使得定子11发生相间短路,转子12通过变流器20连接至电网400。
在一些实施例中,风力发电系统100的第三运行模式可以包括恒速恒频运行模式。控制风力发电系统100运行在第三运行模式可以包括:控制机侧变流器21中的功率开关管以使得转子12短路。可选地,可以控制机侧变流器21在如图4所示的第一开关状态和如图5所示的第二开关状态之间轮流切换来使得转子12短路,其中,第一开关状态包括机侧变流器21中的上功率开关管211全部导通,第二开关状态包括机侧变流器21中的下功率开关管212全部导通。
在一些实施例中,本发明实施例的运行控制方法还可以包括:在风力发电系统100运行在恒速恒频运行模式下时,通过变桨控制来调整风力发电系统100的桨叶角以使得发电机10的转速稳定在同步转速。
在另一些实施例中,本发明实施例的运行控制方法还可以包括:在变流器20的机侧发生预定故障类型,例如机侧直流母排发生断路时,通过变桨控制来将发电机10的转速控制在同步转速,并控制风力发电系统100进入恒速恒频运行模式,从而使得变流器20在机侧发生某些特定的故障时仍可以继续运行发电,减小发电量损失。
以下为本发明实施例的风力发电系统100的运行控制方法的一个具体实施方式。
在无风时或风速到达可发电风速之前,控制风力发电系统100处于切出状态,风力发电系统100不发电,风力发电系统100处于小风停机模式。
小风使风力发电系统100的叶片开始低速旋转,但发电机10的转速过低导致转差率在双馈发电运行模式的可控范围以外。此时,可以控制风力发电系统100切换至定子11短路的鼠笼全功率运行模式,通过定子并网断路器30切换至“短路”状态,使定子11与电网400断开的同时发生定子11相间短路,转子侧的变流器20成以全功率变流器的控制模式运行。
随着风速加大,当风速达到双馈发电运行模式的切入风速时,发电机10的转速提高至双馈可控转差率以内,控制风力发电系统100切换至双馈发电运行模式。此时,发电机10的转速低于同步转速,发电机10运行在次同步发电状态。
随着风速的继续加大,当风速位于第二风速区间时,发电机10的转速达到同步转速附近,通过变桨控制桨叶角将发电机10的转速稳定在同步转速,可利用机侧变流器21将转子12短路,控制风力发电系统100从双馈发电运行模式切换至恒速恒频运行模式,此时没有功率流经变流器20,减小了变流器20的损耗。
随着风速的进一步加大,当风速超过了第二风速区间时,控制风力发电系统100从恒速恒频运行模式切换回双馈发电运行模式,同时改变变桨控制方式,从转速控制切换至最大风能捕获控制。此时,发电机10的转速高于同步转速,发电机10运行在超同步发电状态。
本发明实施例的风力发电系统100的运行控制方法能够解决传统双馈风力发电系统100低转速无法并网的问题,使风力发电系统100在小风状态下仍具备发电能力,提高风能的利用率。
而且,本发明实施例的风力发电系统的运行控制方法在发电机10达到同步转速附近时的一段风速区间,通过将运行模式从双馈发电运行模式切换至恒速恒频运行模式,由于恒速恒频运行模式下,没有功率流经变流器20,因此,可以减小变流器20的损耗,延长变流器20的使用寿命。
另外,本发明实施例的风力发电系统的运行控制方法在变流器20机侧发生预定故障类型时,可以通过变桨控制将发电机10的转速控制在同步转速,并使风力发电系统100进入恒速恒频运行模式,因此,使得变流器20在机侧发生某些特定的故障时仍可以继续运行发电,减小发电量损失。
以上对本发明实施例所提供的风力发电系统及其运行控制方法进行了详细的介绍。本文中应用了具体个例对本发明实施例的风力发电系统及其运行控制方法进行了阐述,以上实施例的说明只是用于帮助理解本发明的核心思想,并不用以限制本发明。应当指出,对于本技术领域的普通技术人员来说,在不脱离本发明的精神和原理的前提下,还可以对本发明进行若干改进和修饰,这些改进和修饰也均应落入本发明所附权利要求书的保护范围内。
Claims (20)
1.一种风力发电系统的运行控制方法,所述风力发电系统包括发电机及变流器,其中,所述发电机包括定子和转子,所述定子通过定子并网断路器连接至电网,所述转子通过变流器连接至所述电网,所述变流器包括与所述发电机连接的机侧变流器及用于连接到所述电网的网侧变流器,其特征在于:所述方法包括:
在风速到达可发电风速之前,控制所述风力发电系统进入小风停机模式;
在所述风速到达所述可发电风速且未超过第一风速时,控制所述风力发电系统运行在第一运行模式,所述第一运行模式包括鼠笼全功率运行模式;
在所述风速超过所述第一风速时,控制所述风力发电系统运行在第二运行模式,所述第二运行模式包括双馈发电运行模式;
在所述风速位于第二风速区间时,控制所述风力发电系统运行在第三运行模式,所述第三运行模式包括恒速恒频运行模式,其中,所述第一风速小于所述第二风速区间;以及
在所述风速超过所述第二风速区间时,控制所述风力发电系统运行在所述第二运行模式。
2.如权利要求1所述的方法,其特征在于:所述控制所述风力发电系统运行在第二运行模式包括:
控制所述定子并网断路器处于导通状态以使得所述定子连接到所述电网,所述转子通过所述变流器连接至所述电网。
3.如权利要求2所述的方法,其特征在于:所述第一风速包括所述风力发电系统的所述双馈发电运行模式的切入风速。
4.如权利要求2所述的方法,其特征在于:所述控制所述风力发电系统运行在第一运行模式包括:
控制所述定子并网断路器处于短路状态以使得所述定子发生相间短路,所述转子通过所述变流器连接至所述电网。
5.如权利要求2所述的方法,其特征在于:所述控制所述风力发电系统运行在第三运行模式包括:
控制所述机侧变流器中的功率开关管以使得所述转子短路。
6.如权利要求5所述的方法,其特征在于:所述控制所述机侧变流器中的功率开关管以使得所述转子短路包括:
控制所述机侧变流器在第一开关状态和第二开关状态之间轮流切换来使得所述转子短路,其中,所述第一开关状态包括所述机侧变流器中的上功率开关管全部导通,所述第二开关状态包括所述机侧变流器中的下功率开关管全部导通。
7.如权利要求5所述的方法,其特征在于:所述第二风速区间包括在所述发电机的转速达到同步转速附近时的预定风速范围。
8.如权利要求7所述的方法,其特征在于:还包括:
在所述风力发电系统运行在所述恒速恒频运行模式时,通过变桨控制来调整所述风力发电系统的桨叶角以使得所述发电机的转速稳定在所述同步转速。
9.如权利要求7所述的方法,其特征在于:还包括:
在所述变流器的机侧发生预定故障类型时,通过变桨控制来将所述发电机的转速控制在所述同步转速,并控制所述风力发电系统进入所述恒速恒频运行模式。
10.如权利要求9所述的方法,其特征在于:所述预定故障类型包括机侧直流母排发生断路。
11.一种风力发电系统,其特征在于:其包括发电机、变流器及控制器,所述发电机包括定子和转子,所述定子通过定子并网断路器连接至电网,所述转子通过所述变流器连接至所述电网,所述变流器包括与所述发电机连接的机侧变流器及用于连接到所述电网的网侧变流器,
其中,在风速到达可发电风速之前,所述控制器控制所述风力发电系统进入小风停机模式;在所述风速到达所述可发电风速且未超过第一风速时,所述控制器控制所述风力发电系统运行在第一运行模式,所述第一运行模式包括鼠笼全功率运行模式;在所述风速超过所述第一风速时,所述控制器控制所述风力发电系统运行在第二运行模式,所述第二运行模式包括双馈发电运行模式;在所述风速位于第二风速区间时,所述控制器控制所述风力发电系统运行在第三运行模式,所述第三运行模式包括恒速恒频运行模式;及在所述风速超过所述第二风速区间时,所述控制器控制所述风力发电系统运行在所述第二运行模式,其中,所述第一风速小于所述第二风速区间。
12.如权利要求11所述的系统,其特征在于:在所述双馈发电运行模式下,所述控制器控制所述定子并网断路器处于导通状态以使得所述定子连接到所述电网,所述转子通过所述变流器连接至所述电网。
13.如权利要求12所述的风力发电系统,其特征在于:所述第一风速包括所述风力发电系统的所述双馈发电运行模式的切入风速。
14.如权利要求12所述的风力发电系统,其特征在于:在所述鼠笼全功率运行模式下,所述控制器控制所述定子并网断路器处于短路状态以使得所述定子发生相间短路,所述转子通过所述变流器连接至所述电网。
15.如权利要求12所述的风力发电系统,其特征在于:在所述恒速恒频运行模式下,所述控制器控制所述机侧变流器中的功率开关管以使得所述转子短路。
16.如权利要求15所述的风力发电系统,其特征在于:所述控制器通过控制所述机侧变流器在第一开关状态和第二开关状态之间轮流切换来使得所述转子短路,其中,所述第一开关状态包括所述机侧变流器中的上功率开关管全部导通,所述第二开关状态包括所述机侧变流器中的下功率开关管全部导通。
17.如权利要求15所述的风力发电系统,其特征在于:所述第二风速区间包括在所述发电机的转速达到同步转速附近时的预定风速范围。
18.如权利要求17所述的风力发电系统,其特征在于:在所述风力发电系统运行在所述恒速恒频运行模式下时,所述控制器还通过变桨控制来调整所述风力发电系统的桨叶角以使得所述发电机的转速稳定在所述同步转速。
19.如权利要求17所述的风力发电系统,其特征在于:在所述变流器的机侧发生预定故障类型时,所述控制器还通过变桨控制来将所述发电机的转速控制在所述同步转速,并控制所述风力发电系统进入所述恒速恒频运行模式。
20.如权利要求19所述的风力发电系统,其特征在于:所述预定故障类型包括机侧直流母排发生断路。
Priority Applications (1)
| Application Number | Priority Date | Filing Date | Title |
|---|---|---|---|
| CN202110417553.7A CN113178888B (zh) | 2021-04-19 | 2021-04-19 | 风力发电系统及其运行控制方法 |
Applications Claiming Priority (1)
| Application Number | Priority Date | Filing Date | Title |
|---|---|---|---|
| CN202110417553.7A CN113178888B (zh) | 2021-04-19 | 2021-04-19 | 风力发电系统及其运行控制方法 |
Publications (2)
| Publication Number | Publication Date |
|---|---|
| CN113178888A CN113178888A (zh) | 2021-07-27 |
| CN113178888B true CN113178888B (zh) | 2023-03-28 |
Family
ID=76923624
Family Applications (1)
| Application Number | Title | Priority Date | Filing Date |
|---|---|---|---|
| CN202110417553.7A Active CN113178888B (zh) | 2021-04-19 | 2021-04-19 | 风力发电系统及其运行控制方法 |
Country Status (1)
| Country | Link |
|---|---|
| CN (1) | CN113178888B (zh) |
Families Citing this family (1)
| Publication number | Priority date | Publication date | Assignee | Title |
|---|---|---|---|---|
| CN116557210B (zh) * | 2023-05-22 | 2024-12-06 | 东方电气自动控制工程有限公司 | 一种风力发电机组主控系统双模控制方法 |
Citations (2)
| Publication number | Priority date | Publication date | Assignee | Title |
|---|---|---|---|---|
| CN103138669A (zh) * | 2013-02-06 | 2013-06-05 | 远景能源(江苏)有限公司 | 一种风力发电机组及其工作模式切换方法 |
| CN103955572A (zh) * | 2014-04-23 | 2014-07-30 | 国家电网公司 | 一种双馈式风力发电机组机电暂态模型的建模方法 |
Family Cites Families (5)
| Publication number | Priority date | Publication date | Assignee | Title |
|---|---|---|---|---|
| CN102437590A (zh) * | 2011-12-16 | 2012-05-02 | 西安瑞金源能源科技有限责任公司 | 一种交流励磁双馈发电机变速恒频风力发电系统 |
| CN203967764U (zh) * | 2014-08-01 | 2014-11-26 | 华仪风能有限公司 | 一种风力发电机组双模式变流器 |
| CN105790298B (zh) * | 2014-12-23 | 2019-03-12 | 台达电子工业股份有限公司 | 风力发电控制装置及风力发电系统 |
| DE102018006726A1 (de) * | 2018-08-27 | 2020-02-27 | Senvion Gmbh | Windenergieanlage mit Dämpfungseinrichtung für Trudelbetrieb |
| EP3644497B1 (de) * | 2018-10-24 | 2022-03-02 | GE Energy Power Conversion Technology Ltd. | Verfahren und vorrichtung zur virtuellen massenträgheitssteuerung für kraftwerke mit doppelt gespeister asynchronmaschine |
-
2021
- 2021-04-19 CN CN202110417553.7A patent/CN113178888B/zh active Active
Patent Citations (2)
| Publication number | Priority date | Publication date | Assignee | Title |
|---|---|---|---|---|
| CN103138669A (zh) * | 2013-02-06 | 2013-06-05 | 远景能源(江苏)有限公司 | 一种风力发电机组及其工作模式切换方法 |
| CN103955572A (zh) * | 2014-04-23 | 2014-07-30 | 国家电网公司 | 一种双馈式风力发电机组机电暂态模型的建模方法 |
Also Published As
| Publication number | Publication date |
|---|---|
| CN113178888A (zh) | 2021-07-27 |
Similar Documents
| Publication | Publication Date | Title |
|---|---|---|
| CN1926742B (zh) | 用于操作发电机变频器的方法以及具有根据这种方法操作的发电机的风能涡轮机 | |
| US7518257B2 (en) | Hybrid power-generating device | |
| CN101919132B (zh) | 用于在低市电网电压条件下运行风力涡轮机的设备和方法 | |
| US11680558B2 (en) | Grid-forming control of inverter-based resource using virtual impedance | |
| US12212271B2 (en) | System and method for providing grid-forming control for a double-fed wind turbine generator | |
| CN110336326B (zh) | 一种定子回路单独直配高压电网的双馈风力/水力发电系统 | |
| CN106160606A (zh) | 风力发电系统及其控制方法 | |
| AU2010283722A1 (en) | Asynchronous generator system and wind turbine having an asynchronous generator system | |
| CN110289636B (zh) | 一种基于分频/低频电网运行的直驱式双馈风力发电机组 | |
| CN113178888B (zh) | 风力发电系统及其运行控制方法 | |
| EP4187739A1 (en) | System and method for damping sub-synchronous control interactions in a grid-forming inverter-based resource | |
| Sharma et al. | Performance evaluation of SFIG and DFIG based wind turbines | |
| CN108281984B (zh) | 一种双馈风电机组多模式运行方式 | |
| CN106230022A (zh) | 提高低风速双馈发电机发电量方法、装置及双馈发电机组 | |
| CN113193587B (zh) | 孤岛双馈风电场经高压直流输电外送协同控制方法及系统 | |
| EP4175105A2 (en) | System and method for reducing instability in reactive power command of an inverter-based resource | |
| Deshpande et al. | Output power maximization of wind energy conversion system using doubly fed induction generator | |
| Shanmugam et al. | Design and implementation of power electronic converters in wind turbine system | |
| KR20180121721A (ko) | 풍력발전시스템의 백-투-백 컨버터제어방법 | |
| Bayhan et al. | Active and reactive power control of grid connected permanent magnet synchronous generator in wind power conversion system | |
| Salles et al. | Dynamic analysis of wind turbines considering new grid code requirements | |
| Babu et al. | Analysis of wind turbine driven double-output induction generator under abnormal condition of the grid | |
| Li et al. | The Technical to Realize Variable Speed Constant Frequency Operation of Large Wind Turbine Generator | |
| WO2025141303A1 (en) | System and method for providing blackstart of grid-forming inverter-based resources | |
| Stiebler | Wind Energy Systems |
Legal Events
| Date | Code | Title | Description |
|---|---|---|---|
| PB01 | Publication | ||
| PB01 | Publication | ||
| SE01 | Entry into force of request for substantive examination | ||
| SE01 | Entry into force of request for substantive examination | ||
| GR01 | Patent grant | ||
| GR01 | Patent grant |