CN113175117A - 带屈曲约束支撑的桁架型可更换消能连梁 - Google Patents
带屈曲约束支撑的桁架型可更换消能连梁 Download PDFInfo
- Publication number
- CN113175117A CN113175117A CN202110512453.2A CN202110512453A CN113175117A CN 113175117 A CN113175117 A CN 113175117A CN 202110512453 A CN202110512453 A CN 202110512453A CN 113175117 A CN113175117 A CN 113175117A
- Authority
- CN
- China
- Prior art keywords
- steel pipe
- truss
- square steel
- embedded
- coupling beam
- Prior art date
- Legal status (The legal status is an assumption and is not a legal conclusion. Google has not performed a legal analysis and makes no representation as to the accuracy of the status listed.)
- Pending
Links
- 230000021715 photosynthesis, light harvesting Effects 0.000 title claims abstract description 45
- 229910000831 Steel Inorganic materials 0.000 claims abstract description 159
- 239000010959 steel Substances 0.000 claims abstract description 159
- 230000007123 defense Effects 0.000 claims abstract description 14
- 230000008878 coupling Effects 0.000 claims description 68
- 238000010168 coupling process Methods 0.000 claims description 68
- 238000005859 coupling reaction Methods 0.000 claims description 68
- 238000005265 energy consumption Methods 0.000 claims description 19
- 230000009471 action Effects 0.000 claims description 16
- 239000000463 material Substances 0.000 claims description 8
- 235000017166 Bambusa arundinacea Nutrition 0.000 claims description 3
- 235000017491 Bambusa tulda Nutrition 0.000 claims description 3
- 241001330002 Bambuseae Species 0.000 claims description 3
- 235000015334 Phyllostachys viridis Nutrition 0.000 claims description 3
- 239000011425 bamboo Substances 0.000 claims description 3
- 239000003351 stiffener Substances 0.000 claims 7
- 230000035882 stress Effects 0.000 description 5
- 239000000853 adhesive Substances 0.000 description 4
- 230000001070 adhesive effect Effects 0.000 description 4
- 238000010008 shearing Methods 0.000 description 4
- 230000008439 repair process Effects 0.000 description 3
- 230000006870 function Effects 0.000 description 2
- 238000012423 maintenance Methods 0.000 description 2
- 238000000034 method Methods 0.000 description 2
- 230000004048 modification Effects 0.000 description 2
- 238000012986 modification Methods 0.000 description 2
- 230000004044 response Effects 0.000 description 2
- 230000000452 restraining effect Effects 0.000 description 2
- 230000035939 shock Effects 0.000 description 2
- 239000002436 steel type Substances 0.000 description 2
- 238000010521 absorption reaction Methods 0.000 description 1
- 238000005452 bending Methods 0.000 description 1
- 230000009286 beneficial effect Effects 0.000 description 1
- 230000006835 compression Effects 0.000 description 1
- 238000007906 compression Methods 0.000 description 1
- 125000004122 cyclic group Chemical group 0.000 description 1
- 230000007547 defect Effects 0.000 description 1
- 238000010586 diagram Methods 0.000 description 1
- 230000006355 external stress Effects 0.000 description 1
- 230000008569 process Effects 0.000 description 1
Images
Classifications
-
- E—FIXED CONSTRUCTIONS
- E04—BUILDING
- E04B—GENERAL BUILDING CONSTRUCTIONS; WALLS, e.g. PARTITIONS; ROOFS; FLOORS; CEILINGS; INSULATION OR OTHER PROTECTION OF BUILDINGS
- E04B1/00—Constructions in general; Structures which are not restricted either to walls, e.g. partitions, or floors or ceilings or roofs
- E04B1/62—Insulation or other protection; Elements or use of specified material therefor
- E04B1/92—Protection against other undesired influences or dangers
- E04B1/98—Protection against other undesired influences or dangers against vibrations or shocks; against mechanical destruction, e.g. by air-raids
-
- E—FIXED CONSTRUCTIONS
- E04—BUILDING
- E04C—STRUCTURAL ELEMENTS; BUILDING MATERIALS
- E04C3/00—Structural elongated elements designed for load-supporting
- E04C3/02—Joists; Girders, trusses, or trusslike structures, e.g. prefabricated; Lintels; Transoms; Braces
- E04C3/04—Joists; Girders, trusses, or trusslike structures, e.g. prefabricated; Lintels; Transoms; Braces of metal
-
- E—FIXED CONSTRUCTIONS
- E04—BUILDING
- E04H—BUILDINGS OR LIKE STRUCTURES FOR PARTICULAR PURPOSES; SWIMMING OR SPLASH BATHS OR POOLS; MASTS; FENCING; TENTS OR CANOPIES, IN GENERAL
- E04H9/00—Buildings, groups of buildings or shelters adapted to withstand or provide protection against abnormal external influences, e.g. war-like action, earthquake or extreme climate
- E04H9/02—Buildings, groups of buildings or shelters adapted to withstand or provide protection against abnormal external influences, e.g. war-like action, earthquake or extreme climate withstanding earthquake or sinking of ground
-
- E—FIXED CONSTRUCTIONS
- E04—BUILDING
- E04H—BUILDINGS OR LIKE STRUCTURES FOR PARTICULAR PURPOSES; SWIMMING OR SPLASH BATHS OR POOLS; MASTS; FENCING; TENTS OR CANOPIES, IN GENERAL
- E04H9/00—Buildings, groups of buildings or shelters adapted to withstand or provide protection against abnormal external influences, e.g. war-like action, earthquake or extreme climate
- E04H9/02—Buildings, groups of buildings or shelters adapted to withstand or provide protection against abnormal external influences, e.g. war-like action, earthquake or extreme climate withstanding earthquake or sinking of ground
- E04H9/021—Bearing, supporting or connecting constructions specially adapted for such buildings
-
- E—FIXED CONSTRUCTIONS
- E04—BUILDING
- E04H—BUILDINGS OR LIKE STRUCTURES FOR PARTICULAR PURPOSES; SWIMMING OR SPLASH BATHS OR POOLS; MASTS; FENCING; TENTS OR CANOPIES, IN GENERAL
- E04H9/00—Buildings, groups of buildings or shelters adapted to withstand or provide protection against abnormal external influences, e.g. war-like action, earthquake or extreme climate
- E04H9/02—Buildings, groups of buildings or shelters adapted to withstand or provide protection against abnormal external influences, e.g. war-like action, earthquake or extreme climate withstanding earthquake or sinking of ground
- E04H9/024—Structures with steel columns and beams
-
- E—FIXED CONSTRUCTIONS
- E04—BUILDING
- E04C—STRUCTURAL ELEMENTS; BUILDING MATERIALS
- E04C3/00—Structural elongated elements designed for load-supporting
- E04C3/02—Joists; Girders, trusses, or trusslike structures, e.g. prefabricated; Lintels; Transoms; Braces
- E04C3/04—Joists; Girders, trusses, or trusslike structures, e.g. prefabricated; Lintels; Transoms; Braces of metal
- E04C2003/0404—Joists; Girders, trusses, or trusslike structures, e.g. prefabricated; Lintels; Transoms; Braces of metal beams, girders, or joists characterised by cross-sectional aspects
Landscapes
- Engineering & Computer Science (AREA)
- Architecture (AREA)
- Environmental & Geological Engineering (AREA)
- Business, Economics & Management (AREA)
- Emergency Management (AREA)
- Civil Engineering (AREA)
- Structural Engineering (AREA)
- Physics & Mathematics (AREA)
- Electromagnetism (AREA)
- Joining Of Building Structures In Genera (AREA)
Abstract
本发明公开一种带屈曲约束支撑的桁架型可更换消能连梁,包括桁架型连梁、连梁端部构件和预埋连接钢板;所述桁架型连梁包含方钢管上弦杆、方钢管下弦杆、铰接连接件和屈曲约束支撑;铰接连接件固接于方钢管上弦杆和下弦杆的两端,两个屈曲约束支撑通过销钉与铰接连接件相连,使之成为桁架型连梁中的斜腹杆,呈十字交叉形且无接触。预埋连接钢板设置于墙体内,连梁端部构件焊接于方钢管上弦杆和方钢管下弦杆的两端,桁架型连梁和预埋连接钢板可通过连梁端部构件铰接。本发明将一般连梁的剪切变形转化为屈曲约束支撑的轴向变形,使得屈曲约束支撑为第一道抗震防线,在屈曲约束支撑破坏后,方钢管上弦杆与方钢管下弦杆形成新的连梁,为第二道防线。
Description
技术领域
本发明属于土木工程领域,涉及一种用于减少工程结构地震响应的带屈曲约束支撑的桁架型可更换消能连梁。
背景技术
近年来世界各地的地震、台风、海啸等自然灾害频繁发生,对城市及其建筑物造成了巨大破坏,而且还产生了一系列次生灾害,造成巨大的经济损失和人员伤亡。其中地震灾害为较严重的灾害之一,在地震中建筑结构体系将受到水平地震作用和竖向地震作用,水平地震作用下结构将受到往复荷载的作用,其抗侧力构件将发生侧向变形,未经过合理设计的结构在较大地震作用下将产生严重破坏甚至倒塌。传统的抗震结构采用增强结构刚度以抵御地震作用,如剪力墙体系就是一类抗侧力能力较为优秀的结构,被广泛应用于住宅、办公楼等民用高层建筑结构当中。但此类结构在大震作用下往往仍会遭到严重破坏,且内部非结构构件、装饰部分及物品也严重损坏,震后维修费用昂贵甚至无法维修。据此,研究者提出的消能减震的概念:即在结构中安装耗能装置,吸收地震能量,减轻主体结构破坏程度,如在剪力墙结构建筑中安装耗能连梁,通过该连梁吸收并耗散地震波能量,有效地减少结构地震响应,从而避免建筑主体结构部位的严重破坏甚至倒塌。连梁是剪力墙结构的重要构件,作为剪力墙抗震体系的第一道防线,在建筑遭受地震时,连梁先于墙肢屈服并通过塑性变形耗散部分地震能量以减少剪力墙墙体本身的破坏。
传统的连梁存在以下一些问题:(1)连梁受到的约束弯矩和剪力较大,使得连梁产生很大的剪切变形,容易产生交叉裂缝导致剪切破坏,延性较差,耗能能力一般;(2)连梁震后不易修复或更换。
进一步,采用可更换耗能连梁,如专利申请号:CN201721404422.0,将钢连梁分为三段,中间可更换段采用耗能阻尼器,克服了传统连梁耗能能力不足,以及震后不易修复、更换的缺点,但是当中间可更换段破坏后则意味着连梁也退出了工作,其耗能阻尼器仅仅发挥了耗能的作用而并没有帮助剪力墙抗震体系形成新的抗震防线。
发明内容
本发明为解决传统连梁耗能能力不足,以及震后不易修复、更换的问题以及可更换耗能连梁中的耗能阻尼器没有形成新的耗能防线等问题,提出了一种带屈曲约束支撑的桁架型可更换消能连梁。
本发明采用的技术方案为:一种带屈曲约束支撑的桁架型可更换消能连梁,包括桁架型连梁、连梁端部构件和预埋连接钢板:
所述桁架型连梁包含方钢管上弦杆、方钢管下弦杆、铰接连接件A、铰接连接件B、铰接连接件C、铰接连接件D、屈曲约束支撑A、屈曲约束支撑B;方钢管上弦杆和方钢管下弦杆分别作为桁架型连梁的上弦杆和下弦杆,铰接连接件A、铰接连接件B分别固接于方钢管上弦杆的下表面的两端,铰接连接件C、铰接连接件D分别固接于方钢管下弦杆的上表面的两端,使得铰接连接件A、铰接连接件D的连线与铰接连接件B、铰接连接件C的连线在空间上互为异面直线;屈曲约束支撑A包含一个耗能内核A、一个外约束套管A、第一销钉孔A、第二销钉孔A,外约束套管A套于耗能内核A外部以防耗能内核A在工作时发生屈曲,第一销钉孔A、第二销钉孔A分别与铰接连接件A、铰接连接件D中的圆孔圆心对齐,且直径相同,并通过销钉相连,使得屈曲约束支撑A成为桁架型连梁中的斜腹杆;屈曲约束支撑B包含一个耗能内核B、一个外约束套管B、第一销钉孔B、第二销钉孔B,外约束套管B套于耗能内核B外部以防耗能内核B在工作时发生屈曲,第一销钉孔B、第二销钉孔B分别与铰接连接件B、铰接连接件C中的圆孔圆心对齐,且直径相同,并通过销钉相连,使得屈曲约束支撑B成为桁架型连梁中的另一个斜腹杆,屈曲约束支撑、呈十字交叉形且无接触,其轴线在空间上互为异面直线;
所述连梁端部构件包含一个端板和一个铰接连接件E,连梁端部构件共有四个,分别与方钢管上弦杆的两端和方钢管下弦杆的两端相连,四个端板的中心分别与方钢管上弦杆两端截面和方钢管下弦杆两端截面的中心对齐,并焊接固接于方钢管上弦杆和方钢管下弦杆的两端截面上,铰接连接件E焊接固定于端板的板面中心;
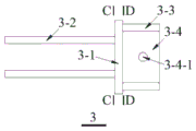
所述预埋连接钢板包含一个连接主板,两个预埋钢板,两个横向加劲肋和两个竖向加劲肋,两个预埋钢板对称固接于连接主板的其中一面上,共同形成预埋连接钢板中的预埋件,该预埋件预先埋入桁架型连梁两侧的剪力墙之中,连接主板的另外一面需暴露出剪力墙,两个横向加劲肋和两个竖向加劲肋均对称固接于连接主板的另外一面上,两个竖向加劲肋设置在两个横向加劲肋之间,两个横向加劲肋之间的净距需略大于连梁端部构件中的铰接连接件的高度,两个竖向加劲肋之间的净距需略大于连梁端部构件中的铰接连接件E的厚度,以便铰接连接件E能够插入两个横向加劲肋与两个竖向加劲肋围成的空间中,竖向加劲肋中设有一个销钉孔,销钉孔与铰接连接件上的圆孔大小相同且圆心对齐,采用销钉将连梁端部构件铰接于预埋连接钢板上,进而使得整个桁架型连梁铰接于两侧的剪力墙上。
作为优选,地震作用下桁架型连梁中的方钢管上弦杆、方钢管下弦杆、铰接连接件A、铰接连接件B、铰接连接件C、铰接连接件D,连梁端部构件和预埋连接钢板均保持弹性状态,只有屈曲约束支撑A、屈曲约束支撑B进入塑性状态。
本发明主要是依靠耗能内核A及耗能内核B的塑性变形来耗散地震波能量,在桁架型连梁正常工作时,桁架型连梁中的方钢管上弦杆、方钢管下弦杆、四个铰接连接件,连梁端部构件和预埋连接钢板均保持弹性状态,仅耗能内核进入塑性阶段,使得耗能和损伤集中于屈曲约束支撑A及屈曲约束支撑B,便于震后进行更换。
作为优选,预埋连接钢板中的预埋钢板的埋入长度应满足预埋钢板与混凝土接触所产生的粘结力大于连接钢板所受到的水平拉力的1.2倍,保证有足够的安全冗余度。
当桁架型连梁正常工作时,沿连梁长度方向上连梁端部会产生轴向力,使得预埋入剪力墙中的预埋钢板受到向外的水平拉力,预埋连接钢板中的预埋钢板的埋入长度应满足预埋钢板与混凝土接触所产生的粘结力大于连接钢板所受到的水平拉力的1.2倍,保证桁架型连梁有足够的安全冗余度。
作为优选,当桁架型连梁两侧的剪力墙宽度无法大于预埋连接钢板中的两个预埋钢板在剪力墙中的预埋长度时,预埋钢板采用带弯钩的预埋钢板。
为保证有足够的安全冗余度,预埋连接钢板中的预埋钢板的埋入长度应满足预埋钢板与混凝土接触所产生的粘结力大于连接钢板所受到的水平拉力的1.2倍,当桁架型连梁两侧的剪力墙宽度不能满足预埋连接钢板中的两个预埋钢板在剪力墙中的预埋长度时,预埋钢板可采用带弯钩的预埋钢板,增大预埋钢板与混凝土之间的粘接力,从而满足要求。
作为优选,桁架型连梁中的屈曲约束支撑A、屈曲约束支撑B与方钢管上弦杆和方钢管下弦杆的夹角应根据桁架型连梁所对应尺寸相同的混凝土连梁在地震作用下的主应力迹线来确定。
通过混凝土连梁在地震作用下的主应力迹线来确定桁架型连梁中两个腹杆与上、下弦杆之间的角度,使得两个屈曲约束支撑在连梁工作时,产生最大的拉压变形,充分发挥出自身的耗能能力。
作为优选,屈曲约束支撑A及屈曲约束支撑B中耗能内核A以及耗能内核B的形状为圆柱形、棱柱形、竹节形或其他适用形式。
在桁架型连梁中可采用多种不同的屈曲约束支撑,包括但不限于如专利申请号为CN201710056141.9中的圆棒耗能杆,专利申请号为CN201320578067.4中的装配式纯钢型屈曲约束耗能支撑等。
作为优选,屈曲约束支撑A及屈曲约束支撑B中耗能内核A及耗能内核B采用SMA材料。
屈曲约束支撑的耗能内核采用SMA材料,SMA材料具有良好的超弹性性能以及形状记忆能力,经过合适前处理的SMA材料在循环加载中几乎没有残余变形,并且能够在合适的前处理后可以实现卸载掉外界应力后,SMA材料直接恢复原位。
作为优选,方钢管上弦杆和方钢管下弦杆采用空心方钢管、空心圆钢管、工字钢或钢管混凝土。
方钢管上弦杆和方钢管下弦杆可采用多种形式,包括空心方钢管、空心圆钢管、工字钢或钢管混凝土,以满足实际承载力要求。
作为优选,方钢管上弦杆和方钢管下弦杆之间的连接的屈曲约束支撑数量为多根,数量根据实际耗能需求确定。
根据实际上下弦杆尺寸安装合适数量的屈曲约束支撑,可以针对不同尺寸的结构体系提供不同的耗能能力,以适应实际抗震和使用需求。
作为优选,屈曲约束支撑A、屈曲约束支撑B为第一道抗震防线,在地震中先发生轴向变形;在其破坏后,方钢管上弦杆与方钢管下弦杆形成剪力墙之间的两个新的小连梁,可继续承受荷载,为第二道防线。
本发明通过安装屈曲约束支撑将一般耗能连梁的剪切变形转化为屈曲约束支撑的轴向变形,提供耗能,此为第一道抗震防线;在屈曲约束支撑破坏后,上下弦杆成为新的连梁,可继续耗散地震能量,此为第二道抗震防线。
本发明具有以下有益效果:
1.带屈曲约束支撑的桁架型可更换消能连梁中所有构件均为常规尺寸的钢构件,加工方便,组装简单,便于量产。
2.带屈曲约束支撑的桁架型可更换消能连梁各个部件采用铰接连接,且通过安装屈曲约束支撑,将地震作用下的损伤集中在屈曲约束支撑,增强了耗能能力,更方便震后维修更换。
3.带屈曲约束支撑的桁架型可更换消能连梁中屈曲约束支撑通过耗能内核的塑性变形减弱地震波的能量,在地震中先于连梁中的方钢管上弦杆和方钢管下弦杆最先破坏,破坏后方钢管上弦杆和方钢管下弦杆形成剪力墙之间的两个小连梁,仍可承受荷载,提供耗能,增加了一道抗震防线。
4.带屈曲约束支撑的桁架型可更换消能连梁中屈曲约束支撑的角度根据混凝土连梁在地震作用下的主应力迹线来确定,可让屈曲约束支撑充分变形,最优化连梁的耗能能力。
5.带屈曲约束支撑的桁架型可更换消能连梁中可采用多种不同的屈曲约束支撑,耗能内核可采用SMA材料,以实现自复位功能;屈曲约束支撑数量也可根据连梁尺寸和实际需求确定,可以适应不同情况,改进连梁抗震属性。
6.带屈曲约束支撑的桁架型可更换消能连梁中的方钢管上弦杆和方钢管下弦杆不限于空心方钢管,可以根据连梁刚度要求的不同采用空心圆钢管,工字钢,钢管混凝土,可适应实际情况,提高整个结构的抗震能力。
附图说明
图1是本发明实施例1的带屈曲约束支撑的桁架型可更换消能连梁的平视图;
图2是本发明实施例1的带屈曲约束支撑的桁架型可更换消能连梁中桁架型连梁的平视图;
图3是本发明实施例1的带屈曲约束支撑的桁架型可更换消能连梁中桁架型连梁的侧视图;
图4是本发明实施例1的带屈曲约束支撑的桁架型可更换消能连梁中桁架型连梁的A-A剖面图;
图5是本发明实施例1的带屈曲约束支撑的桁架型可更换消能连梁中桁架型连梁的B-B剖面图;
图6是本发明实施例1的带屈曲约束支撑的桁架型可更换消能连梁中屈曲约束支撑A的分解图;
图7是本发明实施例1的带屈曲约束支撑的桁架型可更换消能连梁中屈曲约束支撑B的平视图;
图8是本发明实施例1的带屈曲约束支撑的桁架型可更换消能连梁中连梁端部构件的平视图;
图9是本发明实施例1的带屈曲约束支撑的桁架型可更换消能连梁中连梁端部构件的侧视图;
图10是本发明实施例1的带屈曲约束支撑的桁架型可更换消能连梁中预埋连接钢板的平视图;
图11是本发明实施例1的带屈曲约束支撑的桁架型可更换消能连梁中预埋连接钢板的侧视图;
图12是本发明实施例1的带屈曲约束支撑的桁架型可更换消能连梁中预埋连接钢板的C-C剖面图;
图13是本发明实施例1的带屈曲约束支撑的桁架型可更换消能连梁中预埋连接钢板的D-D剖面图;
图14是本发明实施例2的带屈曲约束支撑的桁架型可更换消能连梁中桁架型连梁的侧视图;
图15是本发明实施例2的带屈曲约束支撑的桁架型可更换消能连梁中桁架型连梁的A-A剖面图;
图16是本发明实施例2的带屈曲约束支撑的桁架型可更换消能连梁中桁架型连梁的B-B剖面图。
图17是本发明实施例1、2的桁架型连梁所对应尺寸相同的混凝土连梁在地震作用下的主应力迹线示意图。
具体实施方式
下面结合附图和具体实施方式对本发明做进一步说明。
实施例1
如图1~13所示:一种带屈曲约束支撑的桁架型可更换消能连梁,包括桁架型连梁1、连梁端部构件2和预埋连接钢板3:
所述桁架型连梁1包含方钢管上弦杆1-1、方钢管下弦杆1-2、铰接连接件A1-3、铰接连接件B1-4、铰接连接件C1-5、铰接连接件D1-6、屈曲约束支撑A1-7、屈曲约束支撑B1-8;方钢管上弦杆1-1和方钢管下弦杆1-2分别作为桁架型连梁1的上弦杆和下弦杆,铰接连接件A1-3、铰接连接件B1-4分别固接于方钢管上弦杆1-1的下表面的两端,铰接连接件1-5C、铰接连接件D1-6分别固接于方钢管下弦杆1-2的上表面的两端,使得铰接连接件A1-3、铰接连接件D1-6的连线与铰接连接件B1-4、铰接连接件C1-5的连线在空间上互为异面直线;屈曲约束支撑A1-7包含一个耗能内核A1-7-1、一个外约束套管A1-7-2、第一销钉孔A1-7-3、第二销钉孔A1-7-4,外约束套管A1-7-2套于耗能内核A1-7-1外部以防耗能内核A1-7-1在工作时发生屈曲,第一销钉孔A1-7-3、第二销钉孔A1-7-4分别与铰接连接件A1-3、铰接连接件D1-6中的圆孔圆心对齐,且直径相同,并通过销钉相连,使得屈曲约束支撑A1-7成为桁架型连梁1中的斜腹杆;屈曲约束支撑B1-8包含一个耗能内核B1-8-1、一个外约束套管B1-8-2、第一销钉孔B1-8-3、第二销钉孔B1-8-4,外约束套管B1-8-2套于耗能内核B1-8-1外部以防耗能内核B1-8-1在工作时发生屈曲,第一销钉孔B1-8-3、第二销钉孔B1-8-4分别与铰接连接件B1-4、铰接连接件C1-5中的圆孔圆心对齐,且直径相同,并通过销钉相连,使得屈曲约束支撑B1-8成为桁架型连梁1中的另一个斜腹杆,屈曲约束支撑1-7、1-8呈十字交叉形且无接触,其轴线在空间上互为异面直线;所述连梁端部构件2包含一个端板2-1和一个铰接连接件E2-2,连梁端部构件2共有四个,分别与方钢管上弦杆1-1的两端和方钢管下弦杆1-2的两端相连,四个端板2-1的中心分别与方钢管上弦杆1-1两端截面和方钢管下弦杆1-2两端截面的中心对齐,并焊接固接于方钢管上弦杆1-1和方钢管下弦杆1-2的两端截面上,铰接连接件E2-2焊接固定于端板2-1的板面中心;所述预埋连接钢板3包含一个连接主板3-1,两个预埋钢板3-2,两个横向加劲肋3-3和两个竖向加劲肋3-4,两个预埋钢板3-2对称固接于连接主板3-1的其中一面上,共同形成预埋连接钢板3中的预埋件,该预埋件预先埋入桁架型连梁1两侧的剪力墙之中,连接主板3-1的另外一面需暴露出剪力墙,两个横向加劲肋3-3和两个竖向加劲肋3-4均对称固接于连接主板3-1的另外一面上,两个竖向加劲肋3-4设置在两个横向加劲肋3-3之间,两个横向加劲肋3-3之间的净距需略大于连梁端部构件2中的铰接连接件2-2的高度,两个竖向加劲肋3-4之间的净距需略大于连梁端部构件2中的铰接连接件E2-2的厚度,以便铰接连接件E2-2能够插入两个横向加劲肋3-3与两个竖向加劲肋3-4围成的空间中,竖向加劲肋3-4中设有一个销钉孔3-4-1,销钉孔3-4-1与铰接连接件2-2上的圆孔大小相同且圆心对齐,采用销钉将连梁端部构件2铰接于预埋连接钢板3上,进而使得整个桁架型连梁1铰接于两侧的剪力墙上。
地震作用下桁架型连梁1中的方钢管上弦杆1-1、方钢管下弦杆1-2、铰接连接件A1-3、铰接连接件B1-4、铰接连接件C1-5、铰接连接件D1-6,连梁端部构件2和预埋连接钢板3均保持弹性状态,只有屈曲约束支撑A1-7、屈曲约束支撑B1-8进入塑性状态,使得耗能和损伤集中于屈曲约束支撑A1-7、屈曲约束支撑B1-8,便于震后进行更换。
预埋连接钢板3中的预埋钢板3-2的埋入长度应满足预埋钢板3-2与混凝土接触所产生的粘结力大于连接钢板3所受到的水平拉力的1.2倍,保证有足够的安全冗余度。
当桁架型连梁1两侧的剪力墙宽度无法大于预埋连接钢板3中的两个预埋钢板3-2在剪力墙中的预埋长度时,预埋钢板3-2采用带弯钩的预埋钢板。
桁架型连梁1中的屈曲约束支撑A1-7、屈曲约束支撑B1-8与方钢管上弦杆1-1和方钢管下弦杆1-2的夹角应根据桁架型连梁1所对应尺寸相同的混凝土连梁在地震作用下的主应力迹线来确定,使得屈曲约束支撑A1-7、屈曲约束支撑B1-8能够产生最大的拉压变形,充分发挥耗能能力。
屈曲约束支撑A1-7及屈曲约束支撑B1-8中耗能内核A1-7-1以及耗能内核B(1-8-1)的形状为圆柱形、棱柱形、竹节形或其他适用形式。可采用如专利申请号为CN201710056141.9中的圆棒耗能杆,专利申请号为CN201320578067.4中的装配式纯钢型屈曲约束耗能支撑等;
屈曲约束支撑A1-7及屈曲约束支撑B1-8中耗能内核A1-7-1及耗能内核B1-8-1可采用SMA材料,以实现自复位功能。
方钢管上弦杆1-1和方钢管下弦杆1-2之间的连接的屈曲约束支撑数量为多根,根据实际承载力需求确定。
屈曲约束支撑A1-7、屈曲约束支撑B1-8为第一道抗震防线,在地震中先发生轴向变形;在其破坏后,方钢管上弦杆1-1与方钢管下弦杆1-2形成剪力墙之间的两个新的小连梁,可继续承受荷载,为第二道防线。
实施例2
如图14~16所示:本实施例与实施例1其余部分相同,不同之处在于所述桁架型连梁1中的方钢管上弦杆1-1、方钢管下弦杆1-2并非采用空心方钢管,而是采用方钢管混凝土。
应当指出,对于本技术领域的普通技术人员来说,在不脱离本发明原理的前提下,还可以做出若干改进和润饰,这些改进和润饰也应视为本发明的保护范围。本实施例中未明确的各组成部分均可用现有技术加以实现。
Claims (10)
1.一种带屈曲约束支撑的桁架型可更换消能连梁,其特征在于:包括桁架型连梁(1)、连梁端部构件(2)和预埋连接钢板(3),
所述桁架型连梁(1)包含方钢管上弦杆(1-1)、方钢管下弦杆(1-2)、铰接连接件A(1-3)、铰接连接件B(1-4)、铰接连接件C(1-5)、铰接连接件D(1-6)、屈曲约束支撑A(1-7)、屈曲约束支撑B(1-8);方钢管上弦杆(1-1)和方钢管下弦杆(1-2)分别作为桁架型连梁(1)的上弦杆和下弦杆,铰接连接件A(1-3)、铰接连接件B(1-4)分别固接于方钢管上弦杆(1-1)的下表面的两端,铰接连接件(1-5)C、铰接连接件D(1-6)分别固接于方钢管下弦杆(1-2)的上表面的两端,使得铰接连接件A(1-3)、铰接连接件D(1-6)的连线与铰接连接件B(1-4)、铰接连接件C(1-5)的连线在空间上互为异面直线;屈曲约束支撑A(1-7)包含一个耗能内核A(1-7-1)、一个外约束套管A(1-7-2)、第一销钉孔A(1-7-3)、第二销钉孔A(1-7-4),外约束套管A(1-7-2)套于耗能内核A(1-7-1)外部以防耗能内核A(1-7-1)在工作时发生屈曲,第一销钉孔A(1-7-3)、第二销钉孔A(1-7-4)分别与铰接连接件A(1-3)、铰接连接件D(1-6)中的圆孔圆心对齐,且直径相同,并通过销钉相连,使得屈曲约束支撑A(1-7)成为桁架型连梁(1)中的斜腹杆;屈曲约束支撑B(1-8)包含一个耗能内核B(1-8-1)、一个外约束套管B(1-8-2)、第一销钉孔B(1-8-3)、第二销钉孔B(1-8-4),外约束套管B(1-8-2)套于耗能内核B(1-8-1)外部以防耗能内核B(1-8-1)在工作时发生屈曲,第一销钉孔B(1-8-3)、第二销钉孔B(1-8-4)分别与铰接连接件B(1-4)、铰接连接件C(1-5)中的圆孔圆心对齐,且直径相同,并通过销钉相连,使得屈曲约束支撑B(1-8)成为桁架型连梁(1)中的另一个斜腹杆,屈曲约束支撑(1-7)、(1-8)呈十字交叉形且无接触,其轴线在空间上互为异面直线;所述连梁端部构件(2)包含一个端板(2-1)和一个铰接连接件E(2-2),连梁端部构件(2)共有四个,分别与方钢管上弦杆(1-1)的两端和方钢管下弦杆(1-2)的两端相连,四个端板(2-1)的中心分别与方钢管上弦杆(1-1)两端截面和方钢管下弦杆(1-2)两端截面的中心对齐,并焊接固接于方钢管上弦杆(1-1)和方钢管下弦杆(1-2)的两端截面上,铰接连接件E(2-2)焊接固定于端板(2-1)的板面中心;所述预埋连接钢板(3)包含一个连接主板(3-1),两个预埋钢板(3-2),两个横向加劲肋(3-3)和两个竖向加劲肋(3-4),两个预埋钢板(3-2)对称固接于连接主板(3-1)的其中一面上,共同形成预埋连接钢板(3)中的预埋件,该预埋件预先埋入桁架型连梁(1)两侧的剪力墙之中,连接主板(3-1)的另外一面需暴露出剪力墙,两个横向加劲肋(3-3)和两个竖向加劲肋(3-4)均对称固接于连接主板(3-1)的另外一面上,两个竖向加劲肋(3-4)设置在两个横向加劲肋(3-3)之间,两个横向加劲肋(3-3)之间的净距需大于连梁端部构件(2)中的铰接连接件(2-2)的高度,两个竖向加劲肋(3-4)之间的净距需大于连梁端部构件(2)中的铰接连接件E(2-2)的厚度,以便铰接连接件E(2-2)能够插入两个横向加劲肋(3-3)与两个竖向加劲肋(3-4)围成的空间中,竖向加劲肋(3-4)中设有一个销钉孔(3-4-1),销钉孔(3-4-1)与铰接连接件(2-2)上的圆孔大小相同且圆心对齐,采用销钉将连梁端部构件(2)铰接于预埋连接钢板(3)上,进而使得整个桁架型连梁(1)铰接于两侧的剪力墙上。
2.根据权利要求1所述的一种带屈曲约束支撑的桁架型可更换消能连梁,其特征在于:地震作用下桁架型连梁(1)中的方钢管上弦杆(1-1)、方钢管下弦杆(1-2)、铰接连接件A(1-3)、铰接连接件B(1-4)、铰接连接件C(1-5)、铰接连接件D(1-6),连梁端部构件(2)和预埋连接钢板(3)均保持弹性状态,只有屈曲约束支撑A(1-7)、屈曲约束支撑B(1-8)进入塑性状态,使得耗能和损伤集中于屈曲约束支撑A(1-7)、屈曲约束支撑B(1-8),便于震后进行更换。
3.根据权利要求1所述的一种带屈曲约束支撑的桁架型可更换消能连梁,其特征在于:预埋连接钢板(3)中的预埋钢板(3-2)的埋入长度应满足预埋钢板(3-2)与混凝土接触所产生的粘结力大于连接钢板(3)所受到的水平拉力的1.2倍,保证有足够的安全冗余度。
4.根据权利要求1所述的一种带屈曲约束支撑的桁架型可更换消能连梁,其特征在于:当桁架型连梁(1)两侧的剪力墙宽度无法大于预埋连接钢板(3)中的两个预埋钢板(3-2)在剪力墙中的预埋长度时,预埋钢板(3-2)采用带弯钩的预埋钢板。
5.根据权利要求1所述的一种带屈曲约束支撑的桁架型可更换消能连梁,其特征在于:桁架型连梁(1)中的屈曲约束支撑A(1-7)、屈曲约束支撑B(1-8)与方钢管上弦杆(1-1)和方钢管下弦杆(1-2)的夹角应和桁架型连梁(1)所对应尺寸相同的混凝土连梁在地震作用下的主应力迹线相同。
6.根据权利要求1所述的一种带屈曲约束支撑的桁架型可更换消能连梁,其特征在于:屈曲约束支撑A(1-7)及屈曲约束支撑B(1-8)中耗能内核A(1-7-1)以及耗能内核B(1-8-1)的形状为圆柱形、棱柱形或竹节形。
7.根据权利要求1所述的一种带屈曲约束支撑的桁架型可更换消能连梁,其特征在于:屈曲约束支撑A(1-7)及屈曲约束支撑B(1-8)中耗能内核A(1-7-1)及耗能内核B(1-8-1)采用SMA材料,以实现自复位功能。
8.根据权利要求1所述的一种带屈曲约束支撑的桁架型可更换消能连梁,其特征在于:方钢管上弦杆(1-1)和方钢管下弦杆(1-2)采用空心方钢管、空心圆钢管、工字钢或钢管混凝土。
9.根据权利要求1所述的一种带屈曲约束支撑的桁架型可更换消能连梁,其特征在于:方钢管上弦杆(1-1)和方钢管下弦杆(1-2)之间的连接的屈曲约束支撑数量为多根。
10.根据权利要求1所述的一种带屈曲约束支撑的桁架型可更换消能连梁,其特征在于:屈曲约束支撑A(1-7)、屈曲约束支撑B(1-8)为第一道抗震防线,在地震中先发生轴向变形;在其破坏后,方钢管上弦杆(1-1)与方钢管下弦杆(1-2)形成剪力墙之间的两个新的小连梁,能继续承受荷载,为第二道防线。
Priority Applications (1)
| Application Number | Priority Date | Filing Date | Title |
|---|---|---|---|
| CN202110512453.2A CN113175117A (zh) | 2021-05-11 | 2021-05-11 | 带屈曲约束支撑的桁架型可更换消能连梁 |
Applications Claiming Priority (1)
| Application Number | Priority Date | Filing Date | Title |
|---|---|---|---|
| CN202110512453.2A CN113175117A (zh) | 2021-05-11 | 2021-05-11 | 带屈曲约束支撑的桁架型可更换消能连梁 |
Publications (1)
| Publication Number | Publication Date |
|---|---|
| CN113175117A true CN113175117A (zh) | 2021-07-27 |
Family
ID=76929244
Family Applications (1)
| Application Number | Title | Priority Date | Filing Date |
|---|---|---|---|
| CN202110512453.2A Pending CN113175117A (zh) | 2021-05-11 | 2021-05-11 | 带屈曲约束支撑的桁架型可更换消能连梁 |
Country Status (1)
| Country | Link |
|---|---|
| CN (1) | CN113175117A (zh) |
Cited By (5)
| Publication number | Priority date | Publication date | Assignee | Title |
|---|---|---|---|---|
| CN109853779A (zh) * | 2019-01-24 | 2019-06-07 | 重庆大学 | 一种含摇摆柱和摇摆墙的全摇摆结构体系及其施工方法 |
| CN112709344A (zh) * | 2020-12-28 | 2021-04-27 | 重庆大学 | 一种x型连接双肢防屈曲支撑 |
| CN113818739A (zh) * | 2021-11-01 | 2021-12-21 | 重庆大学 | 一种分阶段屈服自复位连梁柱及其应用、分阶段耗能方法 |
| CN116290375A (zh) * | 2023-05-24 | 2023-06-23 | 中铁城建集团第一工程有限公司 | 抗震屈曲支撑系统及其支撑方法 |
| CN116607703A (zh) * | 2023-07-14 | 2023-08-18 | 中国船舶集团国际工程有限公司 | 大跨桁架建筑结构施工方法及大跨桁架建筑结构 |
Citations (9)
| Publication number | Priority date | Publication date | Assignee | Title |
|---|---|---|---|---|
| JP2006132203A (ja) * | 2004-11-05 | 2006-05-25 | Asanuma Corp | ブレースを併用した耐震間柱構造 |
| US20080289267A1 (en) * | 2007-05-22 | 2008-11-27 | Skidmore Owings & Merrill Llp | Seismic structural device |
| CN204919852U (zh) * | 2015-07-07 | 2015-12-30 | 杭州天元建筑设计研究院有限公司 | 一种钢板混凝土剪力墙的连梁结构 |
| CN107605064A (zh) * | 2017-10-30 | 2018-01-19 | 南京百西思建筑科技有限公司 | 一种装配式x形防屈曲支撑连梁 |
| CN206957055U (zh) * | 2017-07-10 | 2018-02-02 | 湖南大学 | 一种可更换的钢桁架‑高阻尼混凝土叠合板组合连梁 |
| CN108049690A (zh) * | 2018-02-02 | 2018-05-18 | 中国地震局工程力学研究所 | 一种新型可装配更换的剪切型钢桁架连梁 |
| CN110792188A (zh) * | 2019-12-03 | 2020-02-14 | 浙江科技学院 | 双保险机制的可更换连梁 |
| CN112160638A (zh) * | 2020-10-28 | 2021-01-01 | 西安建筑科技大学 | 一种具有屈曲约束支撑的双连梁结构及其施工方法 |
| CN114293674A (zh) * | 2022-01-24 | 2022-04-08 | 河北科技大学 | 一种带有sma摩擦复合阻尼器的连梁和sma摩擦复合阻尼器 |
-
2021
- 2021-05-11 CN CN202110512453.2A patent/CN113175117A/zh active Pending
Patent Citations (9)
| Publication number | Priority date | Publication date | Assignee | Title |
|---|---|---|---|---|
| JP2006132203A (ja) * | 2004-11-05 | 2006-05-25 | Asanuma Corp | ブレースを併用した耐震間柱構造 |
| US20080289267A1 (en) * | 2007-05-22 | 2008-11-27 | Skidmore Owings & Merrill Llp | Seismic structural device |
| CN204919852U (zh) * | 2015-07-07 | 2015-12-30 | 杭州天元建筑设计研究院有限公司 | 一种钢板混凝土剪力墙的连梁结构 |
| CN206957055U (zh) * | 2017-07-10 | 2018-02-02 | 湖南大学 | 一种可更换的钢桁架‑高阻尼混凝土叠合板组合连梁 |
| CN107605064A (zh) * | 2017-10-30 | 2018-01-19 | 南京百西思建筑科技有限公司 | 一种装配式x形防屈曲支撑连梁 |
| CN108049690A (zh) * | 2018-02-02 | 2018-05-18 | 中国地震局工程力学研究所 | 一种新型可装配更换的剪切型钢桁架连梁 |
| CN110792188A (zh) * | 2019-12-03 | 2020-02-14 | 浙江科技学院 | 双保险机制的可更换连梁 |
| CN112160638A (zh) * | 2020-10-28 | 2021-01-01 | 西安建筑科技大学 | 一种具有屈曲约束支撑的双连梁结构及其施工方法 |
| CN114293674A (zh) * | 2022-01-24 | 2022-04-08 | 河北科技大学 | 一种带有sma摩擦复合阻尼器的连梁和sma摩擦复合阻尼器 |
Non-Patent Citations (2)
| Title |
|---|
| 周云: "可更换连梁抗震性能研究与应用进展", 《工程抗震与加固改造》 * |
| 郭彦林等: "防屈曲支撑的型式、设计理论与应用研究进展", 《工程力学》 * |
Cited By (9)
| Publication number | Priority date | Publication date | Assignee | Title |
|---|---|---|---|---|
| CN109853779A (zh) * | 2019-01-24 | 2019-06-07 | 重庆大学 | 一种含摇摆柱和摇摆墙的全摇摆结构体系及其施工方法 |
| CN109853779B (zh) * | 2019-01-24 | 2023-08-22 | 重庆大学 | 一种含摇摆柱和摇摆墙的全摇摆结构体系及其施工方法 |
| CN112709344A (zh) * | 2020-12-28 | 2021-04-27 | 重庆大学 | 一种x型连接双肢防屈曲支撑 |
| CN112709344B (zh) * | 2020-12-28 | 2024-03-01 | 重庆大学 | 一种x型连接双肢防屈曲支撑 |
| CN113818739A (zh) * | 2021-11-01 | 2021-12-21 | 重庆大学 | 一种分阶段屈服自复位连梁柱及其应用、分阶段耗能方法 |
| CN116290375A (zh) * | 2023-05-24 | 2023-06-23 | 中铁城建集团第一工程有限公司 | 抗震屈曲支撑系统及其支撑方法 |
| CN116290375B (zh) * | 2023-05-24 | 2023-08-18 | 中铁城建集团第一工程有限公司 | 抗震屈曲支撑系统及其支撑方法 |
| CN116607703A (zh) * | 2023-07-14 | 2023-08-18 | 中国船舶集团国际工程有限公司 | 大跨桁架建筑结构施工方法及大跨桁架建筑结构 |
| CN116607703B (zh) * | 2023-07-14 | 2023-10-24 | 中国船舶集团国际工程有限公司 | 大跨桁架建筑结构施工方法及大跨桁架建筑结构 |
Similar Documents
| Publication | Publication Date | Title |
|---|---|---|
| CN113175117A (zh) | 带屈曲约束支撑的桁架型可更换消能连梁 | |
| CN111962703B (zh) | 一种自复位防屈曲支撑及其消能方法 | |
| CN103195186A (zh) | 钢管装配式钢结构预应力防屈曲支撑 | |
| CN115787834B (zh) | 模块化自复位钢框架连接结构 | |
| CN206769052U (zh) | 一种新型梁柱节点 | |
| CN113175116A (zh) | 带摩擦耗能支撑的桁架型可更换消能连梁 | |
| CN101245611A (zh) | 半刚性连接-屈曲约束支撑钢框架结构 | |
| CN215166514U (zh) | 基于倒置悬挂连接的震后可更换钢框架耗能梁柱节点 | |
| CN101260692A (zh) | 免承重力抗震钢支撑体系 | |
| CN211816916U (zh) | 一种由铰接柱与弹性复位梁组合的免预应力韧性钢结构 | |
| CN103174230A (zh) | 一种新型消能减震伸臂桁架高层结构体系 | |
| CN111395574A (zh) | 一种装配式自复位耗能剪力墙 | |
| CN209145147U (zh) | 一种可更换构件的格构式方钢管混凝土双肢异形柱 | |
| CN209025221U (zh) | 一种腹板带耗能件的自复位圆钢管混凝土框架梁柱节点 | |
| CN111962704A (zh) | 一种多阶自复位防屈曲支撑及其消能方法和应用 | |
| CN101215854A (zh) | 梁柱铰接-屈曲约束支撑钢框架结构 | |
| CN109339237B (zh) | 一种钢梁-混凝土柱自复位消能节点 | |
| CN112392163A (zh) | 一种多级自恢复型消能支撑及其消能方法 | |
| CN108018991B (zh) | 一种自复位粘弹性消能钢梁 | |
| CN111962707A (zh) | 一种屈曲约束支撑和耗能板的组合抗侧力结构 | |
| CN102635175B (zh) | 多用途结构抗震耗能连接件 | |
| CN203238804U (zh) | 一种新型消能减震伸臂桁架高层结构体系 | |
| CN106049952B (zh) | 一种端部具有双向金字塔型耗能单元的屈曲控制支撑 | |
| CN108060728A (zh) | 一种装配式屈曲约束支撑 | |
| CN112411784A (zh) | 一种拉索式消能支撑及其消能方法 |
Legal Events
| Date | Code | Title | Description |
|---|---|---|---|
| PB01 | Publication | ||
| PB01 | Publication | ||
| SE01 | Entry into force of request for substantive examination | ||
| SE01 | Entry into force of request for substantive examination |