CN113048057A - 一种一体式真空泵 - Google Patents

一种一体式真空泵 Download PDF

Info

Publication number
CN113048057A
CN113048057A CN202110429223.XA CN202110429223A CN113048057A CN 113048057 A CN113048057 A CN 113048057A CN 202110429223 A CN202110429223 A CN 202110429223A CN 113048057 A CN113048057 A CN 113048057A
Authority
CN
China
Prior art keywords
inner chamber
vacuum pump
radiator
motor
rotor
Prior art date
Legal status (The legal status is an assumption and is not a legal conclusion. Google has not performed a legal analysis and makes no representation as to the accuracy of the status listed.)
Pending
Application number
CN202110429223.XA
Other languages
English (en)
Inventor
刘吉军
肖维峰
Current Assignee (The listed assignees may be inaccurate. Google has not performed a legal analysis and makes no representation or warranty as to the accuracy of the list.)
Orion Machinery Shanghai Co Ltd
Original Assignee
Orion Machinery Shanghai Co Ltd
Priority date (The priority date is an assumption and is not a legal conclusion. Google has not performed a legal analysis and makes no representation as to the accuracy of the date listed.)
Filing date
Publication date
Application filed by Orion Machinery Shanghai Co Ltd filed Critical Orion Machinery Shanghai Co Ltd
Priority to CN202110429223.XA priority Critical patent/CN113048057A/zh
Publication of CN113048057A publication Critical patent/CN113048057A/zh
Pending legal-status Critical Current

Links

Images

Classifications

    • FMECHANICAL ENGINEERING; LIGHTING; HEATING; WEAPONS; BLASTING
    • F04POSITIVE - DISPLACEMENT MACHINES FOR LIQUIDS; PUMPS FOR LIQUIDS OR ELASTIC FLUIDS
    • F04CROTARY-PISTON, OR OSCILLATING-PISTON, POSITIVE-DISPLACEMENT MACHINES FOR LIQUIDS; ROTARY-PISTON, OR OSCILLATING-PISTON, POSITIVE-DISPLACEMENT PUMPS
    • F04C25/00Adaptations of pumps for special use of pumps for elastic fluids
    • F04C25/02Adaptations of pumps for special use of pumps for elastic fluids for producing high vacuum
    • FMECHANICAL ENGINEERING; LIGHTING; HEATING; WEAPONS; BLASTING
    • F04POSITIVE - DISPLACEMENT MACHINES FOR LIQUIDS; PUMPS FOR LIQUIDS OR ELASTIC FLUIDS
    • F04CROTARY-PISTON, OR OSCILLATING-PISTON, POSITIVE-DISPLACEMENT MACHINES FOR LIQUIDS; ROTARY-PISTON, OR OSCILLATING-PISTON, POSITIVE-DISPLACEMENT PUMPS
    • F04C18/00Rotary-piston pumps specially adapted for elastic fluids
    • F04C18/30Rotary-piston pumps specially adapted for elastic fluids having the characteristics covered by two or more of groups F04C18/02, F04C18/08, F04C18/22, F04C18/24, F04C18/48, or having the characteristics covered by one of these groups together with some other type of movement between co-operating members
    • F04C18/34Rotary-piston pumps specially adapted for elastic fluids having the characteristics covered by two or more of groups F04C18/02, F04C18/08, F04C18/22, F04C18/24, F04C18/48, or having the characteristics covered by one of these groups together with some other type of movement between co-operating members having the movement defined in group F04C18/08 or F04C18/22 and relative reciprocation between the co-operating members
    • F04C18/344Rotary-piston pumps specially adapted for elastic fluids having the characteristics covered by two or more of groups F04C18/02, F04C18/08, F04C18/22, F04C18/24, F04C18/48, or having the characteristics covered by one of these groups together with some other type of movement between co-operating members having the movement defined in group F04C18/08 or F04C18/22 and relative reciprocation between the co-operating members with vanes reciprocating with respect to the inner member
    • FMECHANICAL ENGINEERING; LIGHTING; HEATING; WEAPONS; BLASTING
    • F04POSITIVE - DISPLACEMENT MACHINES FOR LIQUIDS; PUMPS FOR LIQUIDS OR ELASTIC FLUIDS
    • F04CROTARY-PISTON, OR OSCILLATING-PISTON, POSITIVE-DISPLACEMENT MACHINES FOR LIQUIDS; ROTARY-PISTON, OR OSCILLATING-PISTON, POSITIVE-DISPLACEMENT PUMPS
    • F04C23/00Combinations of two or more pumps, each being of rotary-piston or oscillating-piston type, specially adapted for elastic fluids; Pumping installations specially adapted for elastic fluids; Multi-stage pumps specially adapted for elastic fluids
    • F04C23/02Pumps characterised by combination with, or adaptation to, specific driving engines or motors
    • FMECHANICAL ENGINEERING; LIGHTING; HEATING; WEAPONS; BLASTING
    • F04POSITIVE - DISPLACEMENT MACHINES FOR LIQUIDS; PUMPS FOR LIQUIDS OR ELASTIC FLUIDS
    • F04CROTARY-PISTON, OR OSCILLATING-PISTON, POSITIVE-DISPLACEMENT MACHINES FOR LIQUIDS; ROTARY-PISTON, OR OSCILLATING-PISTON, POSITIVE-DISPLACEMENT PUMPS
    • F04C29/00Component parts, details or accessories of pumps or pumping installations, not provided for in groups F04C18/00 - F04C28/00
    • F04C29/04Heating; Cooling; Heat insulation
    • FMECHANICAL ENGINEERING; LIGHTING; HEATING; WEAPONS; BLASTING
    • F04POSITIVE - DISPLACEMENT MACHINES FOR LIQUIDS; PUMPS FOR LIQUIDS OR ELASTIC FLUIDS
    • F04CROTARY-PISTON, OR OSCILLATING-PISTON, POSITIVE-DISPLACEMENT MACHINES FOR LIQUIDS; ROTARY-PISTON, OR OSCILLATING-PISTON, POSITIVE-DISPLACEMENT PUMPS
    • F04C29/00Component parts, details or accessories of pumps or pumping installations, not provided for in groups F04C18/00 - F04C28/00
    • F04C29/06Silencing

Landscapes

  • Engineering & Computer Science (AREA)
  • Mechanical Engineering (AREA)
  • General Engineering & Computer Science (AREA)
  • Compressors, Vaccum Pumps And Other Relevant Systems (AREA)
  • Applications Or Details Of Rotary Compressors (AREA)

Abstract

本发明所要解决的主要技术问题是提供一种震动小的一体式真空泵;所述一体式真空泵包括泵体组立(25),所述泵体组立(25)设于底座(8)上,包括转子(4)、缸体(3),缸体(3)一侧设有电机(1),所述电机(1)通过转子(4)上的转子轴(27)驱动转子(4)转动,在所述缸体(3)上方设有带有散热装置的消音盖(2),在底座(8)下方设有散热器组立(9)。本发明通过无轴电机和泵体组立的转子轴直连的方式,在保证降噪效果、减震效果的同时提高了安装效率,并利用在消音盖(2)、散热组立(9)上设计的气路路径截面突变的风道组、U型气路、散热片阵列等结构;提供了一种震动较小且工作温度低、噪音小的真空泵。

Description

一种一体式真空泵
技术领域
本发明属于真空泵技术领域,具体涉及一种一体式真空泵。
背景技术
真空泵是一种利用机械、物理、化学等方法对容器进行抽气,以获得和维持真空的装置,广泛应用于电子、冶金、化工、食品、机械、医药、航天等领域。
现有的联轴节连接式真空泵在市场上虽然被广泛使用,但是其泵体与电机是以通过联轴节连接,电机转动时会导致震动,从而产生一定程度的噪音,这类噪音较为连续且嘈杂,而且长时间震动后可能导致电机输出轴慢性损坏。
现有技术中,如果直接采用电机与泵体直连的方式,运转时电机产生的热量散发到泵体内部及表面会增大泵体表面的温度,有可能会对操作者造成伤害。
因此急需研发一种震动较小且工作温度低、噪音小的真空泵。
发明内容
本发明的目的在于克服以上现有技术的缺陷,提供一种一体式真空泵,解决传统联轴节真空泵存在的问题,主要是解决震动问题,其次解决噪音与散热问题。
其具体技术方案为:
一种一体式真空泵,所述一体式真空泵包括泵体组立25,所述泵体组立25设于底座8上,包括转子4、缸体3,缸体3一侧设有电机1;所述电机1为无轴电机,所述电机以转子4上的转子轴27的向外延伸段为转轴驱动转子4转动。
进一步地,所述一体式真空泵还在所述缸体3上方设有带有散热装置的消音盖2。
进一步地,所述带有的散热装置的消音盖2表面设有散热片阵列,内部设有风道结构。
进一步地,所述消音盖2内部设有通过风道互相联通的第一内室13与第二内室14;第一内室13与所述缸体3的排气口相连,所述第二内室14设有排气口26。
进一步地,所述用于联通第一内室13与第二内室14的风道为至少两条狭小路径的通道。
进一步地,所述用于联通第一内室13与第二内室14的每条风道的容积与所述第二内室14的容积之比0.1~0.2。
进一步地,所述一体式真空泵在底座8下方还设有散热器组立9,所述散热器组立9通过散热器固定件与所述底座8固定连接,所述散热器组立9设有进气口18和排气口19,所述进气口18与消音盖上的所述进气口26相联通。
进一步地,所述散热器固定件包括第一散热器固定件15、第二散热器固定件17;所述第一散热器固定件15内部设有相互隔开的内室20、内室24,所述内室20上开设进气口18,所述内室24上开设排气口19;所述第二散热器固定件17设有内室22;所述内室20与所述内室22通过金属管组联通,所述内室22再通过金属管组与内室24联通,形成U型回路的气路。
进一步地,所述用于联通内室20与所述内室22的金属管组为5路;所述用于联通内室22与内室24的金属管路也为5路,所述每路金属管的容积与所述内室24的容积比例范围为0.1~0.2。
进一步地,所述散热器固定件外部设有散热片阵列。
本发明与传统的联轴节真空泵技术相比,具有安装质量好,稳定可靠,噪音降低。具体表现的有益效果如下:
本发明通过无轴电机和泵体组立的转子轴直连的方式,保留了降噪效果、减震效果的同时提高了安装效率。
本发明通过设置带有散热装置的消音盖结构,采用改变气路路径截面突变从而降低噪音,利用风道、散热片阵列的设置增强了热量的挥发,进行辅助散热。
本发明通过设置散热器组立,以金属管管为通道形成U型气路,运用金属管组自带散热效果,起到降温效果,运用U型气路的设计结合气路路径截面突变从而降低噪音的工作原理,来最终降噪。
附图说明
下面结合附图和具体实施例对本发明作进一步详细的说明。应当理解,此处描述的具体实施例仅用于解释本发明,并不用于限定本发明。
图1为本发明所述的一种一体式真空泵的分解图;
图2为泵体组立的外观示意图;
图3为本发明的工作原理示意图;
图4为消音盖2外观示意图;
图5为消音盖2内部风道示意图;
图6为散热器组立的外观分解示意图;
图7为散热器组立的内部风道示意图。
附图标记说明:
1、电机;2、消音盖;3、缸体;4、转子;5、部件端盖;6、管接头;7、波纹管;8、底座;9、散热器组立;10、空气过滤器罩;11、风道;12、风道;13、第一内室;14、第二内室;15、第一散热器固定件;16、铝管组立;17第二散热器固定件;18、进气口;19、排气口;20、内室;21、铝管组;22、内室;23、铝管组;24、内室;25、泵体组立;26、排气口;27、转子轴;28、加强件。
具体实施方式
下面将结合附图对本发明的技术方案进行清楚、完整地描述,显然,所描述的实施例是本发明一部分实施例,而不是全部的实施例。基于本发明中的实施例,本领域普通技术人员在没有做出创造性劳动前提下所获得的所有其他实施例,都属于本发明保护的范围。
在本发明的描述中,需要说明的是,术语“中心”、“上”、“下”、“左”、“右”、“竖直”、“水平”、“内”、“外”等指示的方位或位置关系为基于附图所示的方位或位置关系,仅是为了便于描述本发明和简化描述,而不是指示或暗示所指的装置或元件必须具有特定的方位、以特定的方位构造和操作,因此不能理解为对本发明的限制。此外,术语“第一”、“第二”、“第三”仅用于描述目的,而不能理解为指示或暗示相对重要性。以下结合附图,对本发明做进一步详细说明。
本发明所述的一体泵,是一种电机直连一体式真空泵,研发目的是在性能不变的状况下解决现有真空泵的噪音、温度问题。
如图所示,图3是本发明一体泵的工作原理示意图。通过电机1直接驱动转子4逆时针转动。空气从所述泵体组立25部件空气过滤器罩10进气口进入缸体3内,经缸体3的排气口进入消音盖2内部,经消音盖2排气口26排出,再经过波纹管7进入散热器组立9内部,最后通过散热器组立9排气口19排出。
请参见图1、图2及图4,如图所示,图1是本发明所述的一种一体式真空泵的分解图。本发明的主要部件包括泵体组立25、消音盖2、电机1、底座8、波纹管7、2个管接头6和散热器组立9。所述泵体组立25的内部部件转子4偏心安装在缸体3内,并与所述缸体3存在间隙。所述转子4的转子轴27插入电机1内部,取代了现有技术中的电机轴,实现电机1直接驱动所述转子4运转。所述电机1的法兰盘与泵体组立25的部件端盖5配合安装。所述泵体组立25与所述电机1都安装在底座8上。所述消音盖2安装在缸体3上方,消音盖2的排气口26方向与缸体3进气侧方向相反。所述散热器组立9配合安装在底座8底部,所述消音盖2的排气口26与散热器组立9的进气口18使用波纹管7与两个管接头6连接,使消音盖2排气口26排出的气体传输至散热器组立9。
本发明以泵体组立25的转子4的转子轴27为驱动轴,电机1选用无轴电机,转子4靠近电机1的一侧转子轴27加长一段向外延伸段用于与电机连接。此设计方案,可以降低噪音之外,安装方面只要确保电机1与泵体组立25之间的中心高度无差错就可安装到位,节省转子4与缸体3内部间隙调整时间,安装效率高。此设计的目的为解决联轴节连接式真空泵运行时,联轴节之间摩擦产生的噪音。
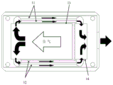
参见图4,为消音盖2的外观示意图。因为电机直连的缘故,泵体组立25运行一段时间后内部气体变热会使消音盖2表面发热,因此,如图4所示,消音盖2表面设计有散热片阵列,起到散热作用,同时散热片阵列也能起到一定的消音效果。请参见图5,为消音盖2内部空气排出的运行图,如图5所示,消音盖2内部的风路结构由第一风道11、第二风道12、第一内室13和第二内室14组成。气体从所述泵体组立进入所述第一内室13后,散成两路分别进入第一风道11和第二风道12,经过第一风道11与第二风道12,两路气体集中进入第二内室14,经排气口排出。第一风道11与第二风道12分别设计成两条狭小路径,气体经过第一风道11与第二风道12时,气路的容积变小,经过第一风道11与第二风道12,两路气体集中进入第二内室14后气路的容积变大。本发明的两个具体实施例的风道分别采用了80cm*3cm*3cm和85cm*3cm*3cm的尺寸,第二内室(14)大小分别为15cm*36cm*30cm和15cm*50cm*30cm,两个具体实施例的降噪效果都十分显著。因此,每一根风道与所述第二内室14的容积比例的范围为0.1到0.2之间,这样的比例导致空气流通路径中容积突然变大,空气流动速度变慢,因此噪音减少,起到了降噪的作用。
参见图6与图7,散热器组立9由第一散热器固定件15、铝管组立16及第二散热器固定件17构成。第一散热器固定件15表面上设计有进气口18与排气口19,内部用加强件28将内室分为内室20与内室24。如图6所示,散热器固定件15与散热器固定件17之间由铝管组立16连接,铝管组立16为气路通道,铝管组立16中的铝管组21与铝管组23分别由5根铝管组成,气体在铝管内流动的过程中可以通过铝管自身带有的散热性质,将气体中的热量分散,起到降温效果。所述散热器固定件17表面无开孔设计,其内室22内部为镂空,由铝管组21进入的气体在此引入铝管组23,散热器组立9的气路走向为U型,本发明通过改变气体传输路径来起到降温效果。所述散热器固定件15与所述散热器固定件17表面都设计有散热片阵列组,可以降低其表面温度,起到了降温的效果。所述散热器组立9采用铝管组立16作为气体通道,内室20的气体分解成5路经过铝管组21,5路气流汇聚进入内室22,再次分解成5路经过铝管组23,汇聚到内室24排出,此过程是运用改变气路容积突变降低噪音的原理,降低了排气口19气流噪音,每一根铝管组与所述内室22的容积比例范围同样为0.1~0.2,起到了减少一定噪音的效果。此结构设计的目的为降低排气口19处排出的气流温度与噪音。
以上对本发明及其实施方式进行了描述,附图中所示的也只是本发明的实施方式之一,本发明不仅局限于上述最佳实施方式。总而言之,如果本领域的普通技术人员受其启示,在不脱离本发明创造宗旨的情况下,不经创造性的设计出与该技术方案相似的结构方式及实施例,均应属于本发明的保护范围。

Claims (10)

1.一种一体式真空泵,所述一体式真空泵包括泵体组立(25),其特征在于:所述泵体组立(25)设于底座(8)上,包括转子(4)、缸体(3),缸体(3)一侧设有电机(1);所述电机(1)为无轴电机,所述电机以转子(4)上的转子轴(27)的向外延伸段为转轴驱动转子(4)转动。
2.根据权利要求1所述的一种一体式真空泵,其特征在于:所述一体式真空泵还在所述缸体(3)上方设有带有散热装置的消音盖(2)。
3.根据权利要求2所述的一种一体式真空泵,其特征在于:所述带有的散热装置的消音盖(2)表面设有散热片阵列,内部设有风道结构。
4.根据权利要求3所述的一种一体式真空泵,其特征在于:所述消音盖(2)内部设有通过风道互相联通的第一内室(13)与第二内室(14);第一内室(13)与所述缸体(3)的排气口相连,所述第二内室(14)设有排气口(26)。
5.根据权利要求4所述的一种一体式真空泵,其特征在于:所述用于联通第一内室(13)与第二内室(14)的风道为至少两条狭小路径的通道。
6.根据权利要求5所述的一种一体式真空泵,其特征在于:所述用于联通第一内室(13)与第二内室(14)的风道容积与所述第二内室(14)的容积之比为0.1~0.2。
7.根据权利要求1或2或3或4或5或6所述的一种一体式真空泵,其特征在于:所述一体式真空泵在底座(8)下方还设有散热器组立(9),所述散热器组立(9)通过散热器固定件与所述底座(8)固定连接,所述散热器组立(9)设有进气口(18)和排气口(19),所述进气口(18)与消音盖上的所述进气口(26)相联通。
8.根据权利要求7所述的一种一体式真空泵,其特征在于:所述散热器固定件包括第一散热器固定件(15)、第二散热器固定件(17);所述第一散热器固定件(15)内部设有相互隔开的内室(20)、内室(24),所述内室(20)上开设进气口(18),所述内室(24)上开设排气口(19);所述第二散热器固定件(17)设有内室(22);所述内室(20)与所述内室(22)通过金属管组联通,所述内室(22)再通过金属管组与内室(24)联通,形成U型回路的气路。
9.根据权利要求8所述的一种一体式真空泵,其特征在于:所述用于联通内室(20)与所述内室(22)的金属管组为5路;所述用于联通内室(22)与内室(24)的金属管路也为5路;所述每路金属管的容积与所述内室(24)的容积比例范围为0.1~0.2。
10.根据权利要求8或9所述的一种一体式真空泵,其特征在于:所述散热器固定件外部设有散热片阵列。
CN202110429223.XA 2021-04-21 2021-04-21 一种一体式真空泵 Pending CN113048057A (zh)

Priority Applications (1)

Application Number Priority Date Filing Date Title
CN202110429223.XA CN113048057A (zh) 2021-04-21 2021-04-21 一种一体式真空泵

Applications Claiming Priority (1)

Application Number Priority Date Filing Date Title
CN202110429223.XA CN113048057A (zh) 2021-04-21 2021-04-21 一种一体式真空泵

Publications (1)

Publication Number Publication Date
CN113048057A true CN113048057A (zh) 2021-06-29

Family

ID=76519864

Family Applications (1)

Application Number Title Priority Date Filing Date
CN202110429223.XA Pending CN113048057A (zh) 2021-04-21 2021-04-21 一种一体式真空泵

Country Status (1)

Country Link
CN (1) CN113048057A (zh)

Citations (6)

* Cited by examiner, † Cited by third party
Publication number Priority date Publication date Assignee Title
US20060228242A1 (en) * 2005-04-11 2006-10-12 Ritchie Engineering Company, Inc. Vacuum pump
CN103791736A (zh) * 2013-10-25 2014-05-14 安徽工贸职业技术学院 一种散热器
CN205172949U (zh) * 2015-11-12 2016-04-20 湖北同方高科泵业有限公司 一种双级锥体液环泵抽真空成套装置
CN105822550A (zh) * 2016-05-19 2016-08-03 上海华培动力科技有限公司 一种汽车刹车助力用电子真空泵
WO2018198367A1 (ja) * 2017-04-28 2018-11-01 株式会社ミクニ ベーンポンプ
CN215860789U (zh) * 2021-04-21 2022-02-18 好利旺机械(上海)有限公司 一种一体式真空泵

Patent Citations (6)

* Cited by examiner, † Cited by third party
Publication number Priority date Publication date Assignee Title
US20060228242A1 (en) * 2005-04-11 2006-10-12 Ritchie Engineering Company, Inc. Vacuum pump
CN103791736A (zh) * 2013-10-25 2014-05-14 安徽工贸职业技术学院 一种散热器
CN205172949U (zh) * 2015-11-12 2016-04-20 湖北同方高科泵业有限公司 一种双级锥体液环泵抽真空成套装置
CN105822550A (zh) * 2016-05-19 2016-08-03 上海华培动力科技有限公司 一种汽车刹车助力用电子真空泵
WO2018198367A1 (ja) * 2017-04-28 2018-11-01 株式会社ミクニ ベーンポンプ
CN215860789U (zh) * 2021-04-21 2022-02-18 好利旺机械(上海)有限公司 一种一体式真空泵

Similar Documents

Publication Publication Date Title
CN215860789U (zh) 一种一体式真空泵
CN113048057A (zh) 一种一体式真空泵
CN211259019U (zh) 一种循环自冷却螺杆真空泵
WO2022257374A1 (zh) 空调器
CN222215375U (zh) 一种集成电路板的驱动电机
CN118912013A (zh) 一种高密封降噪型防爆漩涡风机
CN219081791U (zh) 一种四缸无油空压机
CN216241377U (zh) 一种双腔静音风机
CN212272513U (zh) 一种双缸对置电动隔膜真空泵
CN212690193U (zh) 全地形车及其发动机
CN223049039U (zh) 一种低噪声高速密封风机
EP0048095B1 (en) Pump for heavy gases
CN210118289U (zh) 水泵组件及具有其的空调器
CN213627928U (zh) 一种适用于智能减压馏程分析仪的辅助稳压装置
CN111870179A (zh) 扫地机器人
CN222376772U (zh) 一种低噪音通风机
CN223523934U (zh) 一种新型流体输送装置
CN223459438U (zh) 油气分离器的壳体组件及油气分离器
CN222615576U (zh) 一种螺杆真空泵
CN217900016U (zh) 空调器
CN222824464U (zh) 一种空调壳体结构及移动空调
CN223062687U (zh) 一种耐高温、耐磨的离心风机
CN220204123U (zh) 一种涡旋式空压机
CN222339193U (zh) 直驱式驱控一体化伺服电机
CN214304317U (zh) 改良阀片结构和安装方式的隔膜泵

Legal Events

Date Code Title Description
PB01 Publication
PB01 Publication
SE01 Entry into force of request for substantive examination
SE01 Entry into force of request for substantive examination
WD01 Invention patent application deemed withdrawn after publication

Application publication date: 20210629

WD01 Invention patent application deemed withdrawn after publication