CN113036650A - Mining variable-current mobile substation with control power supply - Google Patents

Mining variable-current mobile substation with control power supply Download PDF

Info

Publication number
CN113036650A
CN113036650A CN202110443437.2A CN202110443437A CN113036650A CN 113036650 A CN113036650 A CN 113036650A CN 202110443437 A CN202110443437 A CN 202110443437A CN 113036650 A CN113036650 A CN 113036650A
Authority
CN
China
Prior art keywords
voltage
transformer
low
explosion
dry
Prior art date
Legal status (The legal status is an assumption and is not a legal conclusion. Google has not performed a legal analysis and makes no representation as to the accuracy of the status listed.)
Granted
Application number
CN202110443437.2A
Other languages
Chinese (zh)
Other versions
CN113036650B (en
Inventor
崔中保
赵磊
王学斌
翟娇艳
耿千王
郭强
刘二恒
杨杰
Current Assignee (The listed assignees may be inaccurate. Google has not performed a legal analysis and makes no representation or warranty as to the accuracy of the list.)
Shanxi Huaxin Electric Appliance Co ltd
Original Assignee
Shanxi Huaxin Electric Appliance Co ltd
Priority date (The priority date is an assumption and is not a legal conclusion. Google has not performed a legal analysis and makes no representation as to the accuracy of the date listed.)
Filing date
Publication date
Application filed by Shanxi Huaxin Electric Appliance Co ltd filed Critical Shanxi Huaxin Electric Appliance Co ltd
Priority to CN202110443437.2A priority Critical patent/CN113036650B/en
Publication of CN113036650A publication Critical patent/CN113036650A/en
Application granted granted Critical
Publication of CN113036650B publication Critical patent/CN113036650B/en
Active legal-status Critical Current
Anticipated expiration legal-status Critical

Links

Images

Classifications

    • HELECTRICITY
    • H02GENERATION; CONVERSION OR DISTRIBUTION OF ELECTRIC POWER
    • H02BBOARDS, SUBSTATIONS OR SWITCHING ARRANGEMENTS FOR THE SUPPLY OR DISTRIBUTION OF ELECTRIC POWER
    • H02B7/00Enclosed substations, e.g. compact substations
    • HELECTRICITY
    • H02GENERATION; CONVERSION OR DISTRIBUTION OF ELECTRIC POWER
    • H02BBOARDS, SUBSTATIONS OR SWITCHING ARRANGEMENTS FOR THE SUPPLY OR DISTRIBUTION OF ELECTRIC POWER
    • H02B1/00Frameworks, boards, panels, desks, casings; Details of substations or switching arrangements
    • H02B1/26Casings; Parts thereof or accessories therefor
    • H02B1/28Casings; Parts thereof or accessories therefor dustproof, splashproof, drip-proof, waterproof or flameproof
    • HELECTRICITY
    • H02GENERATION; CONVERSION OR DISTRIBUTION OF ELECTRIC POWER
    • H02BBOARDS, SUBSTATIONS OR SWITCHING ARRANGEMENTS FOR THE SUPPLY OR DISTRIBUTION OF ELECTRIC POWER
    • H02B1/00Frameworks, boards, panels, desks, casings; Details of substations or switching arrangements
    • H02B1/26Casings; Parts thereof or accessories therefor
    • H02B1/52Mobile units, e.g. for work sites
    • HELECTRICITY
    • H02GENERATION; CONVERSION OR DISTRIBUTION OF ELECTRIC POWER
    • H02BBOARDS, SUBSTATIONS OR SWITCHING ARRANGEMENTS FOR THE SUPPLY OR DISTRIBUTION OF ELECTRIC POWER
    • H02B1/00Frameworks, boards, panels, desks, casings; Details of substations or switching arrangements
    • H02B1/56Cooling; Ventilation

Landscapes

  • Engineering & Computer Science (AREA)
  • Power Engineering (AREA)
  • Ac-Ac Conversion (AREA)
  • Housings And Mounting Of Transformers (AREA)

Abstract

本发明公开了一种带控制电源的矿用变流移动变电站,涉及矿用电力设备技术领域。该变电站包括变压器部分、高压真空开关箱及低压保护箱,变压器部分外部为防爆壳体,变压器部分包括变流变压器以及控制变压器。变流变压器采用Dd0y11的联结组别,其中高压绕组为角接,低压绕组分别为星接和角接;低压绕组的线圈由两个线包组成,上半部线包采用Y形接法,下半部线包采用D形接法,电压的相位角互差30°,两个线包层数均为偶数层,上、下半部线包之间设置了垫块;变流变压器的高压绕组处还设置有高压分节调节装置。控制变压器采用20KVA,采用三相四线制接线模式,高压部分和低压部分均为星接。本发明满足井下复杂工作环境,减少了设备在井下的占用空间,方便设备进行运输和安装。

Figure 202110443437

The invention discloses a mine-used variable-current mobile substation with a control power supply, and relates to the technical field of mine-used electric equipment. The substation includes a transformer part, a high-voltage vacuum switch box and a low-voltage protection box. The outside of the transformer part is an explosion-proof shell, and the transformer part includes a current transformer and a control transformer. The converter transformer adopts the connection group of Dd0y11, in which the high-voltage winding is delta-connected, and the low-voltage winding is respectively star-connected and delta-connected; The half coils are connected in D shape, the phase angles of the voltages are different from each other by 30°, the number of layers of the two coils is even, and spacers are set between the upper and lower half coils; the high-voltage winding of the converter transformer There is also a high-pressure section adjustment device. The control transformer adopts 20KVA, adopts the three-phase four-wire wiring mode, and the high-voltage part and the low-voltage part are both star-connected. The invention satisfies the complex working environment in the well, reduces the space occupied by the equipment in the well, and facilitates the transportation and installation of the equipment.

Figure 202110443437

Description

Mining variable-current mobile substation with control power supply
Technical Field
The invention relates to the technical field of mining electric equipment, in particular to a mining variable-current mobile substation with a control power supply.
Background
The mining explosion-proof type current transformation mobile substation is a high-technical-performance, energy-saving and environment-friendly product, supports a main circuit topological structure of a multi-rectification, unit series, multi-level and phase-shifting type frequency converter, can promote and realize low-harmonic and even harmonic-free frequency conversion speed regulation of a high-voltage series common alternating-current asynchronous motor, and can solve the problem of harmonic pollution in high-voltage frequency conversion application from the source. The general mining explosion-proof type variable current mobile substation is used together with a frequency converter, a control loop of the frequency converter needs power supply, the voltage of the frequency converter is about 380V generally, and meanwhile, a main circuit of the variable current mobile substation, the frequency converter and a load and the control loop of the frequency converter are separated circuit systems and should not interfere with each other; in addition, the working environment is special, and compared with the ground, the underground coal mine has essential differences in the use environment of the electrical equipment, the most important difference is that the underground coal mine usually contains gas and other explosive gases, and the electrical equipment used in the underground coal mine needs to have explosion-proof performance, namely, the explosion inside the equipment can not ignite inflammable substances outside the equipment. In the coal mine, the space is usually limited, and the external dimension and the number of equipment are generally considered, so that the existing mining variable-flow mobile substation needs to be improved in consideration of the situations.
Disclosure of Invention
The invention provides a mining variable-current mobile substation with a control power supply, and aims to solve the problems that when a mining explosion-proof variable-current mobile substation is matched with a frequency converter for use, the frequency converter needs the control power supply, the occupied space is large during working, and full explosion-proof cannot be guaranteed.
The invention is realized by the following technical scheme: the mining variable-current mobile substation with the control power supply comprises a transformer part, a high-voltage vacuum switch box and a low-voltage protection box, wherein an explosion-proof shell is arranged outside the transformer part, and the transformer part comprises a dry-type transformer for the mining explosion-proof variable-current mobile substation and a dry-type transformer for the control power supply. The side surface of the high-pressure vacuum switch box is provided with two B5 pressure plate type leading-in devices and four A4 pressure nut type leading-in devices, and a closing command module, an opening command module, a fault opening module, an emergency stop module, a ready signal module, a closing feedback output module, an opening feedback output module and a fault opening output module are arranged in the high-pressure vacuum switch box; one B5 pressure plate type leading-in device is connected with an isolating switch through a binding post and is divided into two paths from the rear of the isolating switch, one path is connected with the binding post of the dry type transformer for the mining explosion-proof type variable current mobile transformer station through a vacuum circuit breaker, and the other path is connected with the binding post of the dry type transformer for the control power supply through a high-voltage fast-melting coil; the low-voltage side of the dry type transformer for the mining explosion-proof type current transformation mobile substation is connected with a low-voltage protection box through a binding post and is led out through two pairs of B5 pressure plate type leading-in devices, the low-voltage side of the dry type transformer for the control power supply is also connected with the low-voltage protection box through the binding post and is led out through three A5 pressure plate type leading-in devices, and four A4 pressure nut type leading-in devices are further arranged on the side wall of the low-voltage protection box. The dry-type transformer for the mining explosion-proof type current transformation mobile substation adopts a Dd0y11 connection group, wherein a high-voltage winding is in angular connection, and a low-voltage winding is in star connection and angular connection respectively; a shielding grounding layer is arranged between the high-voltage winding and the low-voltage winding and is formed by a metal film which is vertically distributed on the surface of a cylindrical insulating layer between the primary winding and the secondary winding; the iron core silicon steel sheets of the high-voltage winding and the low-voltage winding adopt high-magnetic induction oriented silicon steel sheets and a multi-stage stepping full-inclined seam laminated structure, the iron cores of the high-voltage winding and the low-voltage winding adopt a non-porous binding mode, the cut of an iron core sheet is coated with antirust liquid, and the surfaces of an iron core column and a lower iron yoke are coated with high-temperature-resistant antirust moisture-proof paint; the clamping pieces of the high-voltage winding and the low-voltage winding adopt a channel steel structure, and a pull screw structure is adopted for vertical tensioning; the coil of the low-voltage winding consists of two coils, the upper half coil adopts a Y-shaped connection method, the lower half coil adopts a D-shaped connection method, the phase angles of the voltages are different by 30 degrees, and the number of the two coils is even; and a high-voltage section adjusting device is also arranged at the high-voltage winding of the dry type transformer 5 for the mining explosion-proof type current transformation mobile substation. The dry type transformer for the control power supply adopts 20KVA and a three-phase four-wire system wiring mode, and a high-voltage part and a low-voltage part are in angle connection. An explosion-proof joint surface is arranged between the transformer part and the high-voltage vacuum switch box, an explosion-proof joint surface is also arranged on the explosion-proof shell, and an explosion-proof joint surface is also arranged outside the position of the dry type transformer for the control power supply, which corresponds to the explosion-proof shell; an explosion-proof joint surface is also arranged between the transformer part and the low-voltage protection box.
The mining variable-current mobile substation with the control power supply mainly solves the problem of heat dissipation of a low-voltage coil and integrates a dry-type transformer (hereinafter referred to as a control transformer) for the control power supply and a dry-type transformer (hereinafter referred to as a variable-current transformer) for a mining explosion-proof variable-current mobile substation into a whole, works together and is explosion-proof together, saves space and has a great number of advantages. The transformer mainly comprises a transformer part, a high-voltage vacuum switch box and a low-voltage protection box, wherein an explosion-proof shell is arranged outside the transformer part, the transformer part comprises a converter transformer and a control transformer, the two transformers are integrated in the same explosion-proof shell to form a whole, the bodies of the two transformers and high-voltage and low-voltage leads meet the electrical performance gap, and the supply and distribution circuits of the two transformers do not interfere with each other. The side surface of the high-pressure vacuum switch box is provided with two B5 pressure plate type leading-in devices and four A4 pressure nut type leading-in devices for leading in a power supply circuit, and a closing command module, a switching-off command module, a fault switching-off module, an emergency stop module, a ready signal module, a closing feedback output module, a switching-off feedback output module and a fault switching-off output module are arranged in the high-pressure vacuum switch box; one B5 pressure plate type leading-in device is connected with a disconnecting switch through a binding post and is divided into two paths from the rear of the disconnecting switch, one path is connected with the binding post of a converter transformer through a vacuum circuit breaker, and the other path is connected with the binding post of a control transformer through a high-voltage fast-melting coil; the low-voltage side of the converter transformer is connected with a low-voltage protection box through a binding post and is led out through two pairs of B5 pressure plate type leading-in devices, the low-voltage side of the control transformer is also connected with the low-voltage protection box through the binding post and is led out through three A5 pressure plate type leading-in devices, and four A4 pressure nut type leading-in devices are further arranged on the side wall of the low-voltage protection box. The converter transformer adopts a Dd0y11 connection group, wherein a high-voltage winding is in angular connection, and a low-voltage winding is in star connection and angular connection respectively, and the connection form can well inhibit higher harmonics and improve the voltage quality. A shielding grounding layer is arranged between the high-voltage winding and the low-voltage winding, and the shielding grounding layer is formed by a metal film which is vertically distributed on the surface of a cylindrical insulating layer between the primary winding and the secondary winding and is used for eliminating the capacitive coupling between the primary side and the secondary side; the iron core silicon steel sheets of the high-voltage winding and the low-voltage winding adopt high-magnetic-induction oriented silicon steel sheets and a multi-stage stepping full-oblique seam laminated structure, so that the iron core has high magnetic flux capacity, the magnetic flux density B is designed to be low, the frequency conversion effect can be prevented from being influenced by iron core magnetic saturation, and the no-hole binding mode of the iron core reduces the no-load current and loss of the iron core. The iron cores of the high-voltage winding and the low-voltage winding adopt a hole-free binding mode, the notch of the iron core piece is coated with antirust liquid, and the surfaces of the iron core column and the lower iron yoke are coated with high-temperature-resistant antirust moisture-proof paint, so that the moisture-proof and rust-proof effects are achieved, and the service life is prolonged. The clamping pieces of the high-voltage winding and the low-voltage winding are of channel steel structures, the upper part and the lower part of the clamping pieces are tensioned to adopt pull screw rod structures, and measures are needed to prevent relative displacement of the iron core and the clamping pieces so as to avoid influencing product quality. The iron core insulating part is made of a domestic high-quality C-grade insulating material; the main longitudinal insulation adopts a domestic high-quality C-grade insulation material; the high-low voltage coil adopts the processes of tightly winding and vacuum pressure paint dipping, so that the mechanical strength of the coil is improved. The coil of the low-voltage winding is composed of two coils, the upper half coil is connected in a Y shape, the lower half coil is connected in a D shape, the phase angle of voltage is 30 degrees, the number of the two coils is even, and the number of the coils is even, so that the low-voltage tapping can be facilitated. The high-voltage winding of the dry type transformer for the mining explosion-proof type current transformation mobile substation is also provided with a high-voltage section adjusting device. The control transformer adopts 20KVA, a three-phase four-wire system wiring mode is adopted, and a high-voltage part and a low-voltage part are all star-connected; the control power supply can carry out manual power supply and power off operation on the low-voltage side protection box, high-voltage side switching-on can be carried out only after 380V power supply is output, and the high-voltage side tripping operation is carried out after the 380V control power supply is disconnected, so that the high-voltage side tripping operation is used as a frequency converter control loop to serve as a power supply and also charges an internal capacitor, and the power supply is in non-stop power supply and long-term power supply. An explosion-proof joint face is arranged between the transformer part and the high-voltage vacuum switch box, an explosion-proof joint face is also arranged on the explosion-proof shell, and an explosion-proof joint face is also arranged outside the position of the control transformer corresponding to the explosion-proof shell; an explosion-proof joint surface is also arranged between the transformer part and the low-voltage protection box.
Preferably, the high-voltage and low-voltage winding coil of the dry type transformer for the mining explosion-proof type current transformation mobile substation adopts a tightly winding and vacuum pressure paint dipping process, and a C-level insulated Nomex paper is used for wrapping an oxygen-free copper wire, the dielectric constant of the Nomex paper is very close to that of air, the electric field around the coil is uniform, and the partial discharge is small; the coil is reliable in insulation, has better heat resistance and electrical performance, and can operate at high temperature for a long time; the coil adopts vacuum dip coating, and has better mechanical strength and moisture resistance.
Preferably, an insulating partition plate is arranged between the dry-type transformer for the mining explosion-proof type current transformation mobile substation and the dry-type transformer for the control power supply; the transformer can well enhance the insulation strength between two transformers and simultaneously avoid the mutual interference of the leads of the two transformers.
Preferably, the dry-type transformer for the control power supply is positioned below the side of the dry-type transformer for the mining explosion-proof type variable current mobile substation and is longitudinally arranged, and the high-voltage side faces the explosion-proof shell; the layout is beneficial to the auxiliary leading-out of the high-voltage lead, the high electrical performance of the lead is met, and the mutual interference with the high-voltage lead of the converter transformer is avoided; the auxiliary transformer low-voltage side voltage is low, the electrical performance requirement is low, a silica gel wire can be selected to be connected to the low-voltage wiring terminal on the inner wall of the shell in a long distance, and potential safety hazards such as creepage and the like between the transformer body and the shell of the converter transformer are avoided; thirdly, a larger gap is arranged below the high-voltage side of the converter transformer, the space can be fully utilized by auxiliary transformation, and the electrical gap can be well met, so that the production cost is reduced.
Preferably, a high-voltage lead of the dry-type transformer for the mining explosion-proof type transformer mobile substation is led out in a D connection mode, and the head and the tail of the dry-type transformer are connected in an A-Z, B-X, C-Y connection mode.
Preferably, the high-voltage section adjusting device is arranged above a high-voltage winding of the dry type transformer 5 for the mine explosion-proof type transformer mobile substation, on one hand, because the number of high-voltage taps of the transformer is large, the flange of the transformer is correspondingly large, the space of the upper cover is large, the transformer can be welded and matched, and the operation of mine high-voltage tapping transformation is really facilitated; on the other hand, the voltage is higher, the requirement on the electric gap is higher, and the space at the position is larger, so that the requirements can be met, the arrangement of high-voltage leads is facilitated, and the mutual interference of high-voltage branch lines is avoided.
Preferably, the low-voltage side of the dry-type transformer for the mining explosion-proof type current transformation mobile substation is provided with 6 leading-out flexible connecting wires which are distributed into 3 wires at the upper part and 3 wires at the lower part, so that the arrangement can meet the electrical clearance among the leads, and the dry-type transformer is reasonable in layout, easy to identify and convenient to construct and operate.
Preferably, a cushion block with the thickness of 10mm is arranged between the upper half coil and the lower half coil of the low-voltage winding, the cushion block is distributed along the circumference 12 in an equal distribution mode, one end of the cushion block is clamped on the dovetail supporting strip, and the cushion block is made of DMC. The cushion blocks are not deviated and loosened by external force, the mechanical strength is increased, and the airflow channels of the upper coil and the lower coil are additionally arranged, so that hot air of the lower coil part is distributed out through the air passages between the cushion blocks, the heat dissipation effect of the low-voltage coil is increased, and the temperature rise of the coil can be reduced by 4-5K through tests.
Compared with the prior art, the invention has the following beneficial effects: on one hand, the mining variable-current mobile substation with the control power supply can well supply power to the control circuit of the frequency converter, meets the requirements of normal use and detection and debugging before use of the frequency converter, ensures that the power on and off of the main circuit and the control circuit are not influenced mutually, and realizes good functional effect; on the other hand, due to the integrity and the safety of the explosion-proof shell, the underground complex working environment is met, the occupied space of the equipment in the underground is reduced, the equipment is convenient to transport and install, the production cost and the daily maintenance workload of the equipment are reduced, and the design has the effects of convenience in maintenance, safety and durability.
Drawings
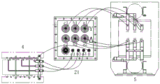
Fig. 1 is a front view of the overall structure of the present invention.
Fig. 2 is a top view of the overall structure of the present invention.
Fig. 3 is a schematic circuit diagram of the present invention.
Fig. 4 is a schematic diagram of the ground shields of one side winding and the secondary winding of the present invention.
Fig. 5 is a front view of the upper and lower coils and the spacer of the low voltage coil of the present invention.
FIG. 6 is a schematic top view of the upper and lower coils and spacers of the low voltage coil of the present invention
FIG. 7 is a schematic diagram of the high side wiring of the present invention.
FIG. 8 is a schematic diagram of the low-voltage side wiring of the present invention, wherein a1, b1, c1 are Y (star connection); a2, b2, c2 are Δ (triangle joining).
The figures are labeled as follows: 1-transformer part, 2-high voltage vacuum switch box, 3-low voltage protection box, 4-dry transformer for control power supply, 5-dry transformer for mine explosion-proof type transformer mobile substation, 6-explosion-proof joint surface, 7-explosion-proof shell, 8-secondary winding, 9-primary winding, 10-shielding ground layer, 11-transformer support, 12-transformer magnetic yoke, 13-framework, 14-dovetail stay, 15-Y wiring coil outlet, 16-cushion block, 17-Y wiring low voltage coil, 18-D wiring low voltage coil, 19-D wiring coil outlet, 20-high voltage wiring cavity and 21-low voltage wiring cavity.
Detailed Description
The present invention is further illustrated by the following specific examples.
A mining variable-current mobile substation with a control power supply is shown in figures 1-6: the transformer part 1 comprises a dry type transformer 5 for a mining explosion-proof type variable current mobile substation and a dry type transformer 4 for a control power supply, wherein the transformer part 1 comprises a transformer part 1, a high-voltage vacuum switch box 2 and a low-voltage protection box 3, an explosion-proof shell 7 is arranged outside the transformer part 1; the side surface of the high-pressure vacuum switch box 2 is provided with two B5 pressure plate type leading-in devices and four A4 pressure nut type leading-in devices, and the inside of the high-pressure vacuum switch box is provided with a closing command module, an opening command module, a fault opening module, an emergency stop module, a ready signal module, a closing feedback output module, an opening feedback output module and a fault opening output module; one B5 pressure plate type leading-in device is connected with an isolating switch through a binding post and is divided into two paths from the rear of the isolating switch, one path is connected with the binding post of a dry type transformer 5 for a mine explosion-proof type variable current mobile transformer station through a vacuum circuit breaker, and the other path is connected with the binding post of a dry type transformer 4 for a control power supply through a high-voltage fast-melting coil; the low-voltage side of the dry type transformer 5 for the mining explosion-proof type current transformation mobile substation is connected with a low-voltage protection box 3 through a binding post and is led out through two pairs of B5 pressure plate type leading-in devices, the low-voltage side of the dry type transformer 4 for the control power supply is also connected with the low-voltage protection box 3 through the binding post and is led out through three A5 pressure plate type leading-in devices, and four A4 pressure nut type leading-in devices are further arranged on the side wall of the low-voltage protection box 3; the dry-type transformer 5 for the mining explosion-proof type current transformation mobile substation adopts a Dd0y11 connection group, wherein a high-voltage winding is in angular connection, and a low-voltage winding is in star connection and angular connection respectively; a shielding grounding layer 10 is arranged between the high-voltage winding and the low-voltage winding, and the shielding grounding layer is formed by a metal film which is vertically distributed on the surface of a cylindrical insulating layer between a primary winding 9 and a secondary winding 8; the iron core silicon steel sheets of the high-voltage winding and the low-voltage winding adopt high-magnetic induction oriented silicon steel sheets and a multi-stage stepping full-inclined seam laminated structure, the iron cores of the high-voltage winding and the low-voltage winding adopt a non-porous binding mode, the cut of an iron core sheet is coated with antirust liquid, and the surfaces of an iron core column and a lower iron yoke are coated with high-temperature-resistant antirust moisture-proof paint; the clamping pieces of the high-voltage winding and the low-voltage winding adopt a channel steel structure, and a pull screw structure is adopted for vertical tensioning; the coil of the low-voltage winding consists of two coils, the upper half coil adopts a Y-shaped connection method, the lower half coil adopts a D-shaped connection method, the phase angles of the voltages are different by 30 degrees, and the number of the two coils is even; a high-voltage section adjusting device is further arranged at a high-voltage winding of the dry type transformer 5 for the mining explosion-proof type current transformation mobile substation; the dry type transformer 4 for the control power supply adopts 20KVA and a three-phase four-wire system wiring mode, and a high-voltage part and a low-voltage part are all star-connected; an explosion-proof joint surface 6 is arranged between the transformer part 1 and the high-voltage vacuum switch box 2, an explosion-proof joint surface 6 is also arranged on the explosion-proof shell 7, and the outer side of the position corresponding to the explosion-proof shell 7 of the dry type transformer 4 for the control power supply is also provided with the explosion-proof joint surface 6; an explosion-proof joint surface 6 is also arranged between the transformer part 1 and the low-voltage protection box 3.
The preferred scheme is adopted in the embodiment: the high-voltage and low-voltage winding coil of the dry type transformer 5 for the mining explosion-proof type current transformation mobile substation adopts a tightly winding and vacuum pressure paint dipping process and adopts a C-level insulated Nomex paper-coated oxygen-free copper wire; an insulating partition plate is arranged between the dry-type transformer 5 for the mining explosion-proof type variable current mobile substation and the dry-type transformer 4 for the control power supply; the dry-type transformer 4 for the control power supply is positioned below the side of the dry-type transformer 5 for the mining explosion-proof type variable current mobile substation and is longitudinally arranged, and the high-voltage side faces the explosion-proof shell 7; the high-voltage lead of the dry-type transformer 5 for the mining explosion-proof type current transformation mobile substation is led out in a D connection mode, and the head and the tail of the dry-type transformer are connected in an A-Z, B-X, C-Y connection mode; the high-voltage section adjusting device is arranged above a high-voltage winding of a dry type transformer 5 for the mine explosion-proof type transformer mobile substation, 6 leading-out soft connecting wires are arranged on the low-voltage side of the dry type transformer 5 for the mine explosion-proof type transformer mobile substation and are distributed into 3 pieces on the upper side and 3 pieces on the lower side; the coil of low pressure winding, set up 10mm thick cushion 16 between upper half solenoid and the lower half solenoid, cushion 16 is along circumference 12 partition distribution, and cushion one end card is on the forked tail stay, and the cushion material is DMC.
The high/low voltage side wiring in this embodiment is shown in FIGS. 7 to 8. The specific operation is as follows: the transformer part 1, the high-voltage vacuum switch box 2, the low-voltage protection box 3 and the explosion-proof shell 7 are assembled according to the figure 1, then are respectively connected, and finally are put into use.
The scope of the invention is not limited to the above embodiments, and various modifications and changes may be made by those skilled in the art, and any modifications, improvements and equivalents within the spirit and principle of the invention should be included in the scope of the invention.

Claims (8)

1.一种带控制电源的矿用变流移动变电站,其特征在于:包括变压器部分(1)、高压真空开关箱(2)及低压保护箱(3),所述变压器部分(1)外部为防爆壳体(7),所述变压器部分(1)包括矿用隔爆型变流移动变电站用干式变压器(5)以及控制电源用干式变压器(4);1. A mine-used variable current mobile substation with a control power supply, characterized in that it comprises a transformer part (1), a high-voltage vacuum switch box (2) and a low-voltage protection box (3), and the outside of the transformer part (1) is an explosion-proof casing (7), the transformer part (1) includes a dry-type transformer (5) for a mining flame-proof variable-current mobile substation and a dry-type transformer (4) for a control power supply; 所述高压真空开关箱(2)侧面设置有两个B5压盘式引入装置以及四个A4压紧螺母式引入装置,内部设置有合闸命令模块、分闸命令模块、故障分闸模块、急停模块及备妥信号模块、合闸反馈输出模块、分闸反馈输出模块及故障分闸输出模块;其中一个B5压盘式引入装置通过接线柱与隔离开关连接,从隔离开关后分为两路,一路通过真空断路器与矿用隔爆型变流移动变电站用干式变压器(5)的接线柱连接,另一路通过高压快熔线圈与控制电源用干式变压器(4)的接线柱连接;所述矿用隔爆型变流移动变电站用干式变压器(5)的低压侧通过接线柱与低压保护箱(3)连接、且通过两对B5压盘式引入装置引出,所述控制电源用干式变压器(4)的低压侧也通过接线柱与低压保护箱(3)连接、且通过三个A5压盘式引入装置引出,所述低压保护箱(3)的侧壁上还设有四个A4压紧螺母式引入装置;The side of the high-voltage vacuum switch box (2) is provided with two B5 pressure plate-type introduction devices and four A4 compression nut-type introduction devices, and is internally provided with a closing command module, an opening command module, a fault opening module, and an emergency opening module. Stop module and ready signal module, closing feedback output module, opening feedback output module and fault opening output module; one of the B5 pressure plate type lead-in devices is connected to the isolation switch through the terminal, and is divided into two circuits from the isolation switch , one way is connected to the terminal of the dry-type transformer (5) for the mine flameproof variable current mobile substation through the vacuum circuit breaker, and the other way is connected to the terminal of the dry-type transformer (4) for the control power supply through the high-voltage fast-melting coil; The low-voltage side of the dry-type transformer (5) for the mine explosion-proof variable-current mobile substation is connected to the low-voltage protection box (3) through the terminal column, and is led out through two pairs of B5 pressure plate type introduction devices. The low-voltage side of the dry-type transformer (4) is also connected to the low-voltage protection box (3) through the terminal, and is led out through three A5 pressure plate-type introduction devices. The side wall of the low-voltage protection box (3) is also provided with four A4 compression nut type introduction device; 所述矿用隔爆型变流移动变电站用干式变压器(5)采用Dd0y11的联结组别,其中高压绕组为角接,低压绕组分别为星接和角接;所述高压绕组与低压绕组之间设有屏蔽接地层(10),所述屏蔽接地层由一次绕组(9)和二次绕组(8)之间圆柱形绝缘层表面的垂直分布的金属薄膜构成;所述高压绕组及低压绕组的铁芯硅钢片采用高磁感应取向硅钢片、多级步进式全斜接缝叠片结构,所述高压绕组及低压绕组的铁芯采用无孔绑扎方式,且铁芯片切口涂有防锈液,铁芯柱及下铁轭表面涂有耐高温防锈防潮漆;所述高压绕组及低压绕组的夹件采用槽钢结构,上下拉紧采用拉螺杆结构;所述低压绕组的线圈由两个线包组成,上半部线包采用Y形接法,下半部线包采用D形接法,电压的相位角互差30°,两个线包层数均为偶数层;所述矿用隔爆型变流移动变电站用干式变压器(5)的高压绕组处还设置有高压分节调节装置;The dry-type transformer (5) used in the mine flameproof variable-current mobile substation adopts the connection group of Dd0y11, wherein the high-voltage winding is delta-connected, and the low-voltage winding is respectively star-connected and delta-connected; the high-voltage winding and the low-voltage winding are connected. A shielding grounding layer (10) is provided between, and the shielding and grounding layer is composed of a metal thin film vertically distributed on the surface of the cylindrical insulating layer between the primary winding (9) and the secondary winding (8); the high-voltage winding and the low-voltage winding The iron core silicon steel sheet adopts high magnetic induction oriented silicon steel sheet, multi-stage stepping type full oblique seam lamination structure, the iron core of the high-voltage winding and low-voltage winding adopts the method of non-porous binding, and the incision of the iron core is coated with anti-rust liquid , the surface of the iron core column and the lower iron yoke is coated with high temperature, rust and moisture proof paint; the clips of the high voltage winding and the low voltage winding adopt a channel steel structure, and the upper and lower tension adopts a pull screw structure; the coil of the low voltage winding is composed of two It is composed of wire wraps, the upper half of the wire wrap adopts the Y-shaped connection method, the lower half of the wire wrap adopts the D-shaped connection method, the phase angle of the voltage is 30° different from each other, and the number of layers of the two wire wraps is an even number. A high-voltage section adjusting device is also arranged at the high-voltage winding of the dry-type transformer (5) for the flameproof variable-current mobile substation; 所述控制电源用干式变压器(4)采用20KVA,采用三相四线制接线模式,高压部分和低压部分均为星接;The dry-type transformer (4) for the control power supply adopts 20KVA, adopts the three-phase four-wire wiring mode, and the high-voltage part and the low-voltage part are both star-connected; 所述变压器部分(1)与高压真空开关箱(2)之间设置有防爆接合面(6),所述防爆壳体(7)上也设置有防爆接合面(6),所述控制电源用干式变压器(4)与防爆壳体(7)相应的位置外侧也设置有防爆接合面(6);所述变压器部分(1)与低压保护箱(3)之间也设有防爆接合面(6)。An explosion-proof joint surface (6) is arranged between the transformer part (1) and the high-voltage vacuum switch box (2), and an explosion-proof joint surface (6) is also arranged on the explosion-proof casing (7). An explosion-proof joint surface (6) is also provided on the outside of the corresponding position of the dry-type transformer (4) and the explosion-proof casing (7); an explosion-proof joint surface ( 6). 2.根据权利要求1所述的一种带控制电源的矿用变流移动变电站,其特征在于:所述矿用隔爆型变流移动变电站用干式变压器(5)的高压低压绕组线圈采用紧绕及真空压力浸漆工艺、且采用C级绝缘的Nomex纸包无氧铜导线。2 . The mine-used variable-current mobile substation with a control power supply according to claim 1 , wherein the high-voltage and low-voltage winding coils of the dry-type transformer (5) for the mining explosion-proof type variable-current mobile substation use the following: 2 . Nomex paper-wrapped oxygen-free copper wire with tight winding and vacuum pressure dipping process with C-class insulation. 3.根据权利要求1所述的一种带控制电源的矿用变流移动变电站,其特征在于:所述矿用隔爆型变流移动变电站用干式变压器(5)与控制电源用干式变压器(4)之间设置有绝缘隔板。3. The mine-used variable-flow mobile substation with control power supply according to claim 1, characterized in that: the dry-type transformer (5) used in the mine-used explosion-proof variable-current mobile substation and the dry-type transformer used in the control power supply An insulating baffle is arranged between the transformers (4). 4.根据权利要求1所述的一种带控制电源的矿用变流移动变电站,其特征在于:所述控制电源用干式变压器(4)位于矿用隔爆型变流移动变电站用干式变压器(5)的侧下方,且纵向放置,高压侧面向防爆壳体(7)。4. The mine-used variable-current mobile substation with control power supply according to claim 1, characterized in that: the dry-type transformer (4) for the control power supply is located in the mine-used explosion-proof type variable-current mobile substation. The side of the transformer (5) is placed under the vertical direction, and the high-voltage side faces the explosion-proof casing (7). 5.根据权利要求1所述的一种带控制电源的矿用变流移动变电站,其特征在于:所述矿用隔爆型变流移动变电站用干式变压器(5)的高压引线引出采用D接方式,首尾头采用A-Z、B-X、C-Y联结方式。5. The mine-used variable-current mobile substation with control power supply according to claim 1, characterized in that: the high-voltage leads of the dry-type transformer (5) used in the mine-used explosion-proof variable-current mobile substation are drawn out using D The connection method is A-Z, B-X, C-Y connection method. 6.根据权利要求1所述的一种带控制电源的矿用变流移动变电站,其特征在于:所述高压分节调节装置设置于矿用隔爆型变流移动变电站用干式变压器(5)的高压绕组处的上面。6. The mine-used variable-current mobile substation with a control power supply according to claim 1, characterized in that: the high-voltage subsection adjusting device is arranged on a dry-type transformer (5 ) at the top of the high-voltage winding. 7.根据权利要求1所述的一种带控制电源的矿用变流移动变电站,其特征在于:所述矿用隔爆型变流移动变电站用干式变压器(5)的低压侧设置有6条引出软连接线,且分布为上面3条,下面3条。7. The mine-used variable-current mobile substation with control power supply according to claim 1, characterized in that: the low-voltage side of the dry-type transformer (5) for the mining explosion-proof variable-current mobile substation is provided with 6 There are 3 flexible connecting lines on the top and 3 on the bottom. 8.根据权利要求1所述的一种带控制电源的矿用变流移动变电站,其特征在于:所述低压绕组的线圈,上半部线包和下半部线包之间设置了10mm厚的垫块(16),所述垫块(16)沿圆周12等分分布、且垫块一端卡于燕尾撑条上,垫块材质为DMC。8 . The mine-used mobile substation with control power supply according to claim 1 , wherein the coil of the low-voltage winding is provided with a thickness of 10 mm between the upper half of the coil and the lower half of the coil. 9 . The spacer block (16) is equally distributed along the circumference 12, and one end of the spacer block is clamped on the dovetail stay, and the material of the spacer block is DMC.
CN202110443437.2A 2021-04-23 2021-04-23 A mine-used current conversion mobile substation with control power supply Active CN113036650B (en)

Priority Applications (1)

Application Number Priority Date Filing Date Title
CN202110443437.2A CN113036650B (en) 2021-04-23 2021-04-23 A mine-used current conversion mobile substation with control power supply

Applications Claiming Priority (1)

Application Number Priority Date Filing Date Title
CN202110443437.2A CN113036650B (en) 2021-04-23 2021-04-23 A mine-used current conversion mobile substation with control power supply

Publications (2)

Publication Number Publication Date
CN113036650A true CN113036650A (en) 2021-06-25
CN113036650B CN113036650B (en) 2025-03-28

Family

ID=76457565

Family Applications (1)

Application Number Title Priority Date Filing Date
CN202110443437.2A Active CN113036650B (en) 2021-04-23 2021-04-23 A mine-used current conversion mobile substation with control power supply

Country Status (1)

Country Link
CN (1) CN113036650B (en)

Citations (7)

* Cited by examiner, † Cited by third party
Publication number Priority date Publication date Assignee Title
US20100109582A1 (en) * 2006-12-27 2010-05-06 Teroede Gerd Method for controlling a load with a predominantly inductive character and a device applying such a method
CN102223083A (en) * 2011-06-15 2011-10-19 深圳市英威腾电气股份有限公司 Frequency converter
CN102866354A (en) * 2012-08-28 2013-01-09 上海电机系统节能工程技术研究中心有限公司 Motor delivery test system
CN103489596A (en) * 2013-10-22 2014-01-01 上海聚友电气科技发展有限公司 Mining flameproof type convertor transformer
CN204179976U (en) * 2014-07-30 2015-02-25 中国电力工程顾问集团华北电力设计院工程有限公司 Fuel engine power generation factory start loop structure
CN210898273U (en) * 2019-11-27 2020-06-30 抚顺特种变压器制造有限公司 Mining explosion-proof mobile substation
CN214899767U (en) * 2021-04-23 2021-11-26 山西华鑫电气有限公司 Mining variable-current mobile substation with control power supply

Patent Citations (7)

* Cited by examiner, † Cited by third party
Publication number Priority date Publication date Assignee Title
US20100109582A1 (en) * 2006-12-27 2010-05-06 Teroede Gerd Method for controlling a load with a predominantly inductive character and a device applying such a method
CN102223083A (en) * 2011-06-15 2011-10-19 深圳市英威腾电气股份有限公司 Frequency converter
CN102866354A (en) * 2012-08-28 2013-01-09 上海电机系统节能工程技术研究中心有限公司 Motor delivery test system
CN103489596A (en) * 2013-10-22 2014-01-01 上海聚友电气科技发展有限公司 Mining flameproof type convertor transformer
CN204179976U (en) * 2014-07-30 2015-02-25 中国电力工程顾问集团华北电力设计院工程有限公司 Fuel engine power generation factory start loop structure
CN210898273U (en) * 2019-11-27 2020-06-30 抚顺特种变压器制造有限公司 Mining explosion-proof mobile substation
CN214899767U (en) * 2021-04-23 2021-11-26 山西华鑫电气有限公司 Mining variable-current mobile substation with control power supply

Also Published As

Publication number Publication date
CN113036650B (en) 2025-03-28

Similar Documents

Publication Publication Date Title
JP3051905B2 (en) Power transformers and reactors
WO2020098750A1 (en) High-voltage isolation transformer
US20080231408A1 (en) Transformer
CN103336260B (en) System for checking voltage transformer in GIS (gas insulated switchgear)
CN214899767U (en) Mining variable-current mobile substation with control power supply
Werle et al. Transformers
CN113036650A (en) Mining variable-current mobile substation with control power supply
CN103337351B (en) High-voltage automatic electrified adjustable reactor
US20210067050A1 (en) Modular power conversion system with galvanic insulation
CN110890194A (en) Oil-immersed high-frequency high-voltage transformer
CN112289560A (en) 12-pulse group 36-pulse rectifier transformer structure and method for reducing harmonic influence
CN111048297A (en) A high-voltage isolation transformer with combined insulation structure
CN102479604A (en) Single-phase isolation rectifier transformer
CN104868753A (en) Compact enclosed gas-insulated DC high voltage generator
CN211045239U (en) A high-voltage isolation transformer with combined insulation structure
CN2620360Y (en) Oil paper standing upside down type high-voltage current transformer
CN203338959U (en) High-voltage automatic electrified adjustable reactor
WO2023044964A1 (en) Single-column sleeved single-phase autotransformer
CN207068639U (en) Outdoor pole top switch three-phase current combination transformer
CN106449067A (en) Oil-immersed type split reactor
CN206558336U (en) A kind of Multifunctional AC ground power transformer
CN217768098U (en) An electromagnetic voltage transformer
CN218447512U (en) Magnetic shielding structure for transformer
CN220604471U (en) Flexible connection structure for high-voltage coil leading-out end of dry-type transformer
CN221764510U (en) Tandem dual-redundancy LVDT sensor and hydraulic system

Legal Events

Date Code Title Description
PB01 Publication
PB01 Publication
SE01 Entry into force of request for substantive examination
SE01 Entry into force of request for substantive examination
GR01 Patent grant
GR01 Patent grant