CN112915662A - Online dust discharging method based on dust remover - Google Patents
Online dust discharging method based on dust remover Download PDFInfo
- Publication number
- CN112915662A CN112915662A CN202110140782.9A CN202110140782A CN112915662A CN 112915662 A CN112915662 A CN 112915662A CN 202110140782 A CN202110140782 A CN 202110140782A CN 112915662 A CN112915662 A CN 112915662A
- Authority
- CN
- China
- Prior art keywords
- water
- dust
- filter
- dirty
- area
- Prior art date
- Legal status (The legal status is an assumption and is not a legal conclusion. Google has not performed a legal analysis and makes no representation as to the accuracy of the status listed.)
- Withdrawn
Links
- 239000000428 dust Substances 0.000 title claims abstract description 134
- 238000000034 method Methods 0.000 title claims abstract description 28
- 238000007599 discharging Methods 0.000 title claims abstract description 17
- XLYOFNOQVPJJNP-UHFFFAOYSA-N water Substances O XLYOFNOQVPJJNP-UHFFFAOYSA-N 0.000 claims abstract description 187
- 239000007921 spray Substances 0.000 claims abstract description 19
- 238000000746 purification Methods 0.000 claims abstract description 18
- 239000008213 purified water Substances 0.000 claims abstract description 4
- 229920000742 Cotton Polymers 0.000 claims description 6
- 235000017166 Bambusa arundinacea Nutrition 0.000 claims description 3
- 235000017491 Bambusa tulda Nutrition 0.000 claims description 3
- 241001330002 Bambuseae Species 0.000 claims description 3
- 235000015334 Phyllostachys viridis Nutrition 0.000 claims description 3
- 239000011425 bamboo Substances 0.000 claims description 3
- 239000004744 fabric Substances 0.000 claims description 2
- 238000002844 melting Methods 0.000 claims description 2
- 230000008018 melting Effects 0.000 claims description 2
- 239000012535 impurity Substances 0.000 abstract description 10
- 238000005507 spraying Methods 0.000 abstract description 10
- 239000010865 sewage Substances 0.000 abstract description 6
- 230000007613 environmental effect Effects 0.000 abstract 1
- 230000008595 infiltration Effects 0.000 abstract 1
- 238000001764 infiltration Methods 0.000 abstract 1
- 238000004140 cleaning Methods 0.000 description 18
- 238000001914 filtration Methods 0.000 description 16
- 239000012466 permeate Substances 0.000 description 4
- 230000001680 brushing effect Effects 0.000 description 3
- 238000003825 pressing Methods 0.000 description 3
- 238000010276 construction Methods 0.000 description 2
- RSMUVYRMZCOLBH-UHFFFAOYSA-N metsulfuron methyl Chemical compound COC(=O)C1=CC=CC=C1S(=O)(=O)NC(=O)NC1=NC(C)=NC(OC)=N1 RSMUVYRMZCOLBH-UHFFFAOYSA-N 0.000 description 2
- 239000012716 precipitator Substances 0.000 description 2
- 238000005096 rolling process Methods 0.000 description 2
- 235000013358 Solanum torvum Nutrition 0.000 description 1
- 240000002072 Solanum torvum Species 0.000 description 1
- 230000009286 beneficial effect Effects 0.000 description 1
- 230000005540 biological transmission Effects 0.000 description 1
- 230000000149 penetrating effect Effects 0.000 description 1
Images
Classifications
-
- B—PERFORMING OPERATIONS; TRANSPORTING
- B01—PHYSICAL OR CHEMICAL PROCESSES OR APPARATUS IN GENERAL
- B01D—SEPARATION
- B01D46/00—Filters or filtering processes specially modified for separating dispersed particles from gases or vapours
- B01D46/66—Regeneration of the filtering material or filter elements inside the filter
- B01D46/68—Regeneration of the filtering material or filter elements inside the filter by means acting on the cake side involving movement with regard to the filter elements
- B01D46/681—Regeneration of the filtering material or filter elements inside the filter by means acting on the cake side involving movement with regard to the filter elements by scrapers, brushes or the like
-
- B—PERFORMING OPERATIONS; TRANSPORTING
- B01—PHYSICAL OR CHEMICAL PROCESSES OR APPARATUS IN GENERAL
- B01D—SEPARATION
- B01D36/00—Filter circuits or combinations of filters with other separating devices
- B01D36/02—Combinations of filters of different kinds
-
- B—PERFORMING OPERATIONS; TRANSPORTING
- B01—PHYSICAL OR CHEMICAL PROCESSES OR APPARATUS IN GENERAL
- B01D—SEPARATION
- B01D46/00—Filters or filtering processes specially modified for separating dispersed particles from gases or vapours
- B01D46/42—Auxiliary equipment or operation thereof
Landscapes
- Chemical & Material Sciences (AREA)
- Chemical Kinetics & Catalysis (AREA)
- Separation Of Particles Using Liquids (AREA)
Abstract
The invention discloses an online dust discharging method based on a dust remover, which brushes off dust on a filter cylinder or a filter screen at regular time, a spray head is arranged at the lower part in the dust remover for spraying water, the brushed off dust is melted in water and then discharged from a water outlet pipe, and a water tank provides water for the spray head; a purification tank is arranged below the water outlet pipe, the purification tank is divided into a dirty water area and a clean water area by a filter wall, a filter barrel is arranged in the dirty water area, dirty water discharged from the water outlet pipe enters the dirty water area after being filtered by the filter barrel, and dirty water in the dirty water area enters the clean water area after being filtered by the filter wall to become clean water; when dust is brushed off, the purified water in the water purification area is replenished into the water tank. Like this, the great sewage of dust content of follow dust remover outlet pipe exhaust filters at first through the lauter tub, and most impurity can be filtered out in the lauter tub, and dirty water behind the lauter tub gets into dirty water district and infiltration filter wall, and the water purification that sees through the filter wall can be mended in the water tank to reach the purpose of using water wisely, more environmental protection still can prevent that the pipeline from piling up.
Description
Technical Field
The invention relates to a dust remover, in particular to an online dust discharging method based on the dust remover.
Background
The dust remover is the equipment that purifies the air commonly used in industry, and current dust remover utilizes a section of thick bamboo or filter screen to filter out the dust in the air according to filtering principle generally, and current dust remover is regularly unpacked the dust remover of these filtrations off and collect, and it is comparatively inconvenient to use.
The bag-type dust collector disclosed in the chinese patent ZL2019224125280 utilizes a water spraying method to discharge dust on line, and the principle is that a filter cartridge is made into a rotatable type, and the filter cartridge is periodically driven to rotate by a motor, and because a cleaning brush is arranged at the side of the filter cartridge, the dust on the filter cartridge can be brushed off along with the rotation of the filter cartridge.
Disclosure of Invention
The purpose of the invention is: the method can save water and treat sewage discharged by the dust remover.
The scheme of the invention is as follows: the utility model provides a dust collector based on online dust discharging method, this method regularly brushes the dust on straining a section of thick bamboo or the filter screen to lower part sets up the shower nozzle and sprays water in the dust collector, discharges from the outlet pipe after melting in aqueous dust that will brush down, its characterized in that:
a water tank provides water source for the spray head;
a purification tank is arranged below the water outlet pipe, the purification tank is divided into a dirty water area and a clean water area by a filter wall, a filter barrel is arranged in the dirty water area, dirty water discharged from the water outlet pipe enters the dirty water area after being filtered by the filter barrel, and dirty water in the dirty water area enters the clean water area after being filtered by the filter wall to become clean water;
when dust is brushed off, the purified water in the water purification area is replenished into the water tank.
Preferably, a slide way is arranged on the edge of the wall of the dirty water area, a movable sliding frame is arranged above the dirty water area, wheels capable of rolling in the slide way are arranged on the bottom surface of the sliding frame, and the filter barrel is detachably arranged on the sliding frame.
Preferably, the filter wall is composed of a left perforated plate, a right perforated plate and filter cotton clamped between the two perforated plates.
Preferably, the dust remover is a cloth bag dust remover for performing rotary dust removal on the filter cylinder.
Preferably, the dust remover is a single-side filter screen dust remover.
Preferably, the dust remover is a four-side filter screen dust remover.
Compared with the prior art, the invention has the beneficial effects that: the dust content discharged from the water outlet pipe of the dust remover is larger
The sewage is firstly filtered by the filter barrel, most impurities can be filtered in the filter barrel, the filter barrel can be cleaned at regular time, dirty water filtered by the filter barrel enters the dirty water area and slowly permeates the filter wall, the filter wall has good filtering performance, the impurities in the dirty water can be effectively blocked in the dirty water area, and purified water permeating the filter wall can be supplemented into the water tank as a spraying water source, so that the purpose of saving water is achieved, and the dirty water area can be cleaned at regular time, so that compared with direct discharge, the method is more environment-friendly and can prevent pipelines from being accumulated; in addition, the invention has the unique advantages that: the cleaning of the filter cartridge or the filter screen of the dust remover is timed, namely, a larger time interval exists between two times of cleaning, and the existence of the time interval effectively meets the time requirement that dirty water penetrates through the filter wall, thereby ensuring that enough clean water is used as a water source for next spraying.
Drawings
The accompanying drawings are included to provide a further understanding of the invention, and are incorporated in and constitute a part of this specification:
FIG. 1 is a schematic view of the structure of a bag-type dust collector of example 1;
FIG. 2 is a schematic view showing the construction of a single-side filter screen dust collector in accordance with embodiment 2;
FIG. 3 is a plan view of a purification tank according to example 2;
FIG. 4 is a schematic view showing the construction of a four-side strainer collector in accordance with embodiment 3;
FIG. 5 is a top view of the lifter plate;
FIG. 6 is a view showing how bristles are arranged at the edge of the lifter plate;
FIG. 7 is an enlarged view at A in FIG. 4;
fig. 8 is an enlarged view of the filter chamber of embodiment 3;
reference numbers in the figures:
a filter cartridge 101, a motor 102, a cleaning brush 103;
a filter chamber 201, a filter screen 202, an air extractor 203, a lifting driving mechanism 204, a lifting plate 205 and bristles 206;
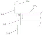
the device comprises a machine shell 301, an air inlet pipe 302, an air outlet pipe 303, an air exhaust fan 304, a filter plate 305, a filter chamber 306, an opening 307, a concave ring 308, a porous plate 309, a filter screen 310, a water tank 311, a spray chamber 312, a first pump 313, a second pump 314, a one-way air inlet valve 315, a lifting plate 316, a turning strip 317, bristles 318, a crank arm 319, a pressing block 320, an elastic rod 321, a transverse convex strip 322, a driving rod 323, a guide ring 324, an air cylinder 325 and a connecting rod 326;
the device comprises a spray head 401, a water tank 402, a water outlet pipe 403, a purification tank 404, a dirty water area 405, a clean water area 406, a filter vat 407, a filter wall 408, a perforated plate 409, filter cotton 410, a slide 411, a sliding frame 412 and wheels 413.
Detailed Description
The invention is further described by way of example with reference to the accompanying drawings.
Example 1:
as shown in fig. 1, in the online dust discharging method based on a dust collector described in this embodiment, the dust collector is a bag-type dust collector that performs rotary dust removal on a filter cartridge, a rotatable filter cartridge 101 is disposed in the bag-type dust collector, a motor 102 is disposed at the top of the dust collector and is in transmission connection with the filter cartridge 101, a cleaning brush 103 is disposed at the side of the filter cartridge 101, and the filter cartridge 101 is driven by the motor 102 to rotate, so that dust accumulated on the filter cartridge 101 during dust removal is brushed off by the cleaning brush 103 along with the rotation of the filter cartridge 101;
the method is characterized in that dust on a filter cartridge is regularly brushed off, a spray head 401 is arranged at the lower part in the dust remover to spray water, and the brushed off dust is melted in the water and then is discharged from a water outlet pipe 403;
the side surface of the dust remover is provided with a left water tank 402 and a right water tank 402 which are communicated with each other, and the water tanks 402 provide water sources for the spray heads 401;
a purification tank 404 is arranged below the water outlet pipe 403, the purification tank 404 is divided into a dirty water area 405 and a clean water area 406 by a filter wall 408, a filter bucket 407 is arranged in the dirty water area 405, dirty water discharged from the water outlet pipe 403 enters the dirty water area 405 after being filtered by the filter bucket 407, and dirty water in the dirty water area 405 enters the clean water area 406 after being filtered by the filter wall 408 to become clean water;
clean water in the clean water zone 406 is replenished into the water tank 402 by a pump while dust brushing is performed.
The filter wall 408 is composed of a left and a right perforated plates 409 and filter cotton 410 sandwiched between the two perforated plates 409.
According to the online dust discharging method based on the dust remover, dust on the filter cartridge can be brushed off by the cleaning brush along with the rotation of the filter cartridge, the filtering performance of the filter cartridge can be effectively ensured by regularly cleaning, and the dust removing capacity of the dust remover is ensured. The sewage with large dust content discharged from the water outlet pipe 403 of the dust remover is firstly filtered by the filter barrel 407, most impurities can be filtered in the filter barrel 407, the filter barrel 407 can be cleaned at regular time, the dirty water filtered by the filter barrel 407 enters the dirty water area 405 and slowly permeates the filter wall 408, the filter wall 408 has good filtering performance, the impurities in the dirty water can be effectively blocked in the dirty water area 405, and the clean water permeating the filter wall 408 can be supplemented into the water tank 402 as a spraying water source, so that the purpose of saving water is achieved, and the dirty water area 405 can be cleaned at regular time, so that compared with direct discharge, the dust remover is more environment-friendly, and can prevent pipelines from being accumulated; the cleaning of the precipitator filter cartridge or screen is timed, i.e., there is a large time interval between cleanings, and the presence of this time interval effectively meets the time requirement for dirty water to penetrate the filter wall 408, thereby ensuring that there is sufficient clean water as the source of the next shower.
Example 2:
as shown in fig. 2 and 3, in the online dust discharging method based on a dust collector described in this embodiment, the dust collector is a single-side filter screen dust collector, a filter chamber 201 is disposed in the dust collector, a filter screen 202 is disposed on a rear side of the filter chamber 201, the filter chamber 201 is connected to an air inlet pipe, an air extractor 203 is connected to a rear side of the filter chamber 201, after an air extractor 304 works, outside air enters the filter chamber 201, the air is filtered through the filter screen 201, clean air is discharged from the air extractor 203, a lifting driving mechanism 204 is disposed in the filter chamber 201, the lifting driving mechanism 204 drives a lifting plate 205 to move up and down, bristles 206 are disposed at an edge of the lifting plate 205, and in the process of moving up and down, the;
the method is characterized in that dust on a filter cartridge or a filter screen is brushed off at regular time, a spray head 401 is arranged at the lower part in the dust remover for spraying water, and the brushed off dust is melted in water and then discharged from a water outlet pipe 403:
a water tank 402 is arranged on the side surface of the dust remover, and a water source is provided for the spray head 401 by the water tank 402;
a purification tank 404 is arranged below the water outlet pipe 403, the purification tank 404 is divided into a dirty water area 405 and a clean water area 406 by a filter wall 408, a filter bucket 407 is arranged in the dirty water area 405, dirty water discharged from the water outlet pipe 403 enters the dirty water area 405 after being filtered by the filter bucket 407, and dirty water in the dirty water area 405 enters the clean water area 406 after being filtered by the filter wall 408 to become clean water;
clean water in the clean water zone 406 is replenished into the tank 402 as the dust is brushed down.
A slide way 411 is arranged on the edge of the wall of the dirty water area 405, a movable sliding frame 412 is arranged above the dirty water area 405, wheels 413 which can roll in the slide way 411 are arranged on the bottom surface of the sliding frame 412, and the filter barrel 407 is detachably arranged on the sliding frame 412. The sliding frame 412 can move left and right and can move to the leftmost end to conveniently take out the filter barrel 407;
the filter wall 408 is composed of a left and a right perforated plates 409 and filter cotton 410 sandwiched between the two perforated plates 409.
According to the online dust discharging method based on the dust remover, along with the lifting of the lifting plate 205, the bristles arranged at the edge of the lifting plate brush off dust on the filter screen in the process of moving up and down, the filtering performance of the filter screen can be effectively ensured by cleaning regularly, and the dust removing capacity of the dust remover can be effectively ensured after the dust is discharged timely. The sewage with large dust content discharged from the water outlet pipe 403 of the dust remover is firstly filtered by the filter barrel 407, most impurities can be filtered in the filter barrel 407, the filter barrel 407 can be cleaned at regular time, the dirty water filtered by the filter barrel 407 enters the dirty water area 405 and slowly permeates the filter wall 408, the filter wall 408 has good filtering performance, the impurities in the dirty water can be effectively blocked in the dirty water area 405, and the clean water permeating the filter wall 408 can be supplemented into the water tank 402 as a spraying water source, so that the purpose of saving water is achieved, and the dirty water area 405 can be cleaned at regular time, so that compared with direct discharge, the dust remover is more environment-friendly, and can prevent pipelines from being accumulated; the cleaning of the precipitator filter cartridge or screen is timed, i.e., there is a large time interval between cleanings, and the presence of this time interval effectively meets the time requirement for dirty water to penetrate the filter wall 408, thereby ensuring that there is sufficient clean water as the source of the next shower.
Example 3
In the online dust exhausting method based on the dust remover described in this embodiment, the dust remover is a four-side filter screen dust remover, as shown in fig. 4-8, and comprises a housing 301, an air inlet pipe 302, an air outlet pipe 303 and an air extractor 304, wherein the housing 301 is internally provided with the four sides of a filter chamber 306 surrounded by the filter plates 305, the inlet of the air outlet pipe 303 is arranged outside the filter chamber 306, and the air extractor 304 is connected with the air outlet pipe 303; an opening 307 is formed in the middle of each filter plate 305, a concave ring 308 is arranged on the inner wall of each filter plate 305, a porous plate 309 is arranged in each concave ring, and a filter screen 310 attached to the porous plate 309 is arranged on the inner surface of each filter plate 305; a water tank 311 communicated with the filter chamber is arranged at the lower part of the machine shell 301, a plurality of spray heads 401 are arranged at the upper part of the water tank 311, the spray heads 401 are arranged on a spray cavity 312, a water tank 402 is arranged at the side surface of the machine shell 301, the water tank 402 is connected with the spray cavity 312 through a pipeline, and a pump body 313 is arranged on the pipeline; after the air inlet pipe 302 is branched, an air inlet is respectively formed at the upper part and the lower part of the filter chamber 306, and a one-way air inlet valve 315 is arranged on a downward branched pipe of the air inlet pipe 302; a lifting plate 316 is arranged in the filtering chamber, four edges of the lifting plate 316 are hinged with turning strips 317, the outer ends of the turning strips 317 are provided with bristles 318, and the inner ends of the turning strips 317 are connected with a pressing block 320 with a slope surface at the top through a crank arm 319; an elastic rod 321 is arranged at the top of the inner wall of the filter plate 305 corresponding to the press block, a transverse convex strip 322 is arranged at the bottom of the inner wall, a driving rod 323 penetrating through the top surface of the machine shell 301 is connected to the top surface of the lifting plate 316, a guide ring 324 for the driving rod 323 to penetrate is arranged at the top of the machine shell 301, an air cylinder 325 is arranged at the side surface of the machine shell 301, and the top of the driving rod 323 is connected with the top of a.
The method is characterized in that dust on a filter screen is brushed off at regular time, a spray head 401 is arranged at the lower part in the dust remover for spraying water, and the brushed off dust is melted in water and then discharged from a water outlet pipe 403 at the bottom of a water tank 311:
a water tank 402 provides water for the spray head 401;
a purification tank 404 is arranged below the water outlet pipe 403, the purification tank 404 is divided into a dirty water area 405 and a clean water area 406 by a filter wall 408, a filter bucket 407 is arranged in the dirty water area 405, dirty water discharged from the water outlet pipe 403 enters the dirty water area 405 after being filtered by the filter bucket 407, and dirty water in the dirty water area 405 enters the clean water area 406 after being filtered by the filter wall 408 to become clean water;
when dust brushing is carried out, clean water in the clean water area 406 is replenished into the water tank 402 through a pipeline and a second pump 314;
a slide way 411 is arranged on the edge of the wall of the dirty water area 405, a movable sliding frame 412 is arranged above the dirty water area 405, wheels capable of rolling in the slide way 411 are arranged on the bottom surface of the sliding frame 412, and the filter barrel 407 is detachably arranged on the sliding frame 412.
The filter wall 408 is composed of a left and a right perforated plates 409 and filter cotton 410 sandwiched between the two perforated plates 409.
The online dust discharging method based on the dust remover has the advantages that the dust remover has four filtering surfaces and strong filtering capacity, the air exhaust fan 304 exhausts air outwards during working, external air enters the filtering cavity from the air inlet pipe 302, dust and impurities in the air are filtered out on the filtering plate 305, clean air is discharged outwards through the air outlet pipe 303 and the air exhaust fan 304, when the air cylinder drives the lifting plate 316 to move downwards during timing cleaning, the bristles 318 can brush off the dust on the filtering net, the brushed-off dust can better fall and melt in water under the lifting plate 316 by covering the lifting plate 316, the lifting plate 316 moves upwards after brushing is finished, the turning strips 317 are stressed to be vertically turned from horizontal when the bristles 318 cross the transverse convex strips from bottom to top, so that the bristles 318 do not clean the filtering net when moving upwards, and the dust on the filtering net is prevented from falling above the lifting plate 316 and is difficult to discharge; when the lifting plate 316 reaches the top, the pressing block drives the turning bar 317 to be converted from the vertical direction to the horizontal direction under the touch of the elastic rod, so that the turning bar 317 is horizontal for the next cleaning; the technical problem that the branch of the intake pipe 302 into two intake ports can solve is that: as the position of the lifter plate 316 changes, the air inlet pipe 302 can still ensure that sufficient negative pressure is obtained to clean the external environment. The dust on the filter screen is brushed off in the downward moving process of the lifting plate 316, the filter performance of the filter screen can be effectively ensured by cleaning regularly, and the dust removing capacity of the dust remover can be effectively ensured after the dust is discharged in time. The sewage with large dust content discharged from the water outlet pipe 403 of the dust remover is firstly filtered by the filter barrel 407, most impurities can be filtered in the filter barrel 407, the filter barrel 407 can be cleaned at regular time, the dirty water filtered by the filter barrel 407 enters the dirty water area 405 and slowly permeates the filter wall 408, the filter wall 408 has good filtering performance, the impurities in the dirty water can be effectively blocked in the dirty water area 405, and the clean water permeating the filter wall 408 can be supplemented into the water tank 402 as a spraying water source, so that the purpose of saving water is achieved, and the dirty water area 405 can be cleaned at regular time, so that compared with direct discharge, the dust remover is more environment-friendly, and can prevent pipelines from being accumulated; the cleaning of the filter screens of the dust collector is timed, i.e. a larger time interval exists between two times of cleaning, and the existence of the time interval effectively meets the time requirement that dirty water penetrates through the filter wall 408, thereby ensuring that enough clean water is used as a water source for the next spraying.
The online dust discharging method based on the dust remover is not limited to the dust removers with the three structures, and can be applied to the dust remover which is cleaned regularly and discharges dust by water.
Claims (6)
1. The utility model provides a dust collector based on online dust discharging method, this method regularly brushes the dust on straining a section of thick bamboo or the filter screen to lower part sets up the shower nozzle and sprays water in the dust collector, discharges from the outlet pipe after melting in aqueous dust that will brush down, its characterized in that:
a water tank provides water source for the spray head;
a purification tank is arranged below the water outlet pipe, the purification tank is divided into a dirty water area and a clean water area by a filter wall, a filter barrel is arranged in the dirty water area, dirty water discharged from the water outlet pipe enters the dirty water area after being filtered by the filter barrel, and dirty water in the dirty water area enters the clean water area after being filtered by the filter wall to become clean water;
when dust is brushed off, the purified water in the water purification area is replenished into the water tank.
2. The online dust discharging method based on dust remover according to claim 1, characterized in that: the filter drum is detachably arranged on the sliding frame.
3. The online dust discharging method based on dust remover according to claim 1, characterized in that: the filter wall is composed of a left perforated plate, a right perforated plate and filter cotton clamped between the two perforated plates.
4. The online dust discharging method based on a dust collector of claim 1, 2 or 3, wherein: the dust remover is a cloth bag dust remover for performing rotary dust removal on the filter cylinder.
5. The online dust discharging method based on a dust collector of claim 1, 2 or 3, wherein: the dust remover is a single-side filter screen dust remover.
6. The online dust discharging method based on a dust collector of claim 1, 2 or 3, wherein: the dust remover is a four-side filter screen dust remover.
Priority Applications (1)
| Application Number | Priority Date | Filing Date | Title |
|---|---|---|---|
| CN202110140782.9A CN112915662A (en) | 2021-02-02 | 2021-02-02 | Online dust discharging method based on dust remover |
Applications Claiming Priority (1)
| Application Number | Priority Date | Filing Date | Title |
|---|---|---|---|
| CN202110140782.9A CN112915662A (en) | 2021-02-02 | 2021-02-02 | Online dust discharging method based on dust remover |
Publications (1)
| Publication Number | Publication Date |
|---|---|
| CN112915662A true CN112915662A (en) | 2021-06-08 |
Family
ID=76169457
Family Applications (1)
| Application Number | Title | Priority Date | Filing Date |
|---|---|---|---|
| CN202110140782.9A Withdrawn CN112915662A (en) | 2021-02-02 | 2021-02-02 | Online dust discharging method based on dust remover |
Country Status (1)
| Country | Link |
|---|---|
| CN (1) | CN112915662A (en) |
Cited By (1)
| Publication number | Priority date | Publication date | Assignee | Title |
|---|---|---|---|---|
| CN119588078A (en) * | 2024-11-04 | 2025-03-11 | 泰山玻璃纤维邹城有限公司 | Dust removal device for glass fiber production |
-
2021
- 2021-02-02 CN CN202110140782.9A patent/CN112915662A/en not_active Withdrawn
Cited By (1)
| Publication number | Priority date | Publication date | Assignee | Title |
|---|---|---|---|---|
| CN119588078A (en) * | 2024-11-04 | 2025-03-11 | 泰山玻璃纤维邹城有限公司 | Dust removal device for glass fiber production |
Similar Documents
| Publication | Publication Date | Title |
|---|---|---|
| CN201240981Y (en) | Horizontal rubber belt type vacuum filter | |
| CN222657959U (en) | Automatic abluent cloth filter sewage treatment device | |
| CN107670403A (en) | The cleaning plant of air-conditioning filter net | |
| CN207520672U (en) | A kind of diaphragm filter press | |
| CN112915662A (en) | Online dust discharging method based on dust remover | |
| CN213652061U (en) | Environment-friendly sewage treatment device | |
| CN220461513U (en) | Spray self-cleaning type cleaning water tank capable of quickly replacing filtering mechanism | |
| CN212347930U (en) | Rotary filtering type grid dirt remover | |
| CN217480055U (en) | Municipal works road surface washs curing means | |
| CN114618220B (en) | Automatic cleaning equipment for sludge filtration | |
| CN214106184U (en) | Pulse dust collector for feed production | |
| CN213885452U (en) | A filter cartridge dust removal device that is easy to clean the dust on the surface of the filter cartridge | |
| CN216358853U (en) | Energy-concerving and environment-protective industrial sewage treatment plant | |
| CN212262563U (en) | Cleaning device for filter screen of high-pressure spinning machine | |
| CN202061453U (en) | Rotating disc type screen micro-filter cleaning tube | |
| CN211025339U (en) | Electric drive suction type self-cleaning filter | |
| CN210043152U (en) | Ramie upset washing device | |
| CN216604454U (en) | Chemical industry enterprise safety ring protects exhaust treatment device | |
| CN222305164U (en) | A self-cleaning industrial air filter | |
| CN114177676A (en) | Rural domestic sewage treatment device | |
| CN220828865U (en) | Boiler waste gas pickling device | |
| CN217513518U (en) | Surface grinding machine with self-cleaning function | |
| CN218130695U (en) | Dust collecting equipment that makes an uproar falls of ceramic material production usefulness | |
| CN212864903U (en) | Tombarthite feed liquid deoiling device with cleaning function | |
| CN221385681U (en) | Anti-blocking structure of dust remover |
Legal Events
| Date | Code | Title | Description |
|---|---|---|---|
| PB01 | Publication | ||
| PB01 | Publication | ||
| WW01 | Invention patent application withdrawn after publication | ||
| WW01 | Invention patent application withdrawn after publication |
Application publication date: 20210608 |